单孔、多孔、干扰孔和混合抽水
- 格式:doc
- 大小:57.01 KB
- 文档页数:8
抽水试验确定渗透系数的方法及步伐之蔡仲巾千创作1.抽水试验资料整理试验期间, 对原始资料和表格应及时进行整理.试验结束后, 应进行资料分析、整理, 提交抽水试验陈说.单孔抽水试验应提交抽水试验综合功效表, 其内容包括:水位和流量过程曲线、水位和流量关系曲线、水位和时间(单对数及双对数)关系曲线、恢复水位与时间关系曲线、抽水功效、水质化验功效、水文地质计算功效、施工技术柱状图、钻孔平面位置图等.并利用单孔抽水试验资料编绘导水系数分区图.多孔抽水试验尚应提交抽水试验地下水水位下降漏斗平面图、剖面图.群孔干扰抽水试验和试验性开采抽水试验还应提交抽水孔和观测孔平面位置图(以水文地质图为底图)、勘察区初始水位等水位线图、水位下降漏斗发展趋势图(编制等水位线图系列)、水位下降漏斗剖面图、水位恢复后的等水位线图、观测孔的S-t、S-lg t曲线[注]、各抽水孔单孔流量和孔组总流量过程曲线等.注意:(1)要消除区域水位下降值;(2)在基岩地域要消除固体潮的影响;3)傍河抽水要消除河水位变动对抽水孔水位变动的影响.多孔抽水试验、群孔干扰抽水试验和试验性开采抽水试验均应编写试验小结, 其内容包括:试验目的、要求、方法、获得的主要功效及其质量评述和结论.2. 稳定流抽水试验求参方法求参方法可以采纳Dupuit 公式法和Thiem公式法.(1) 只有抽水孔观测资料时的Dupuit 公式承压完整井:潜水完整井:式中 K——含水层渗透系数 (m/d);Q——抽水井流量 (m3/d);sw——抽水井中水位降深 (m);M——承压含水层厚度 (m);R——影响半径 (m);H——潜水含水层厚度 (m);h——潜水含水层抽水后的厚度 (m);rw——抽水井半径 (m).(2) 当有抽水井和观测孔的观测资料时的Dupuit 或Thiem公式式中hw ——抽水井中水柱高度 (m);h1、h2——与抽水井距离为r1和r2处观测孔(井)中水柱高度(m), 分别即是初始水位H0与井中水位降深s之差, h1= H0 –s1;h2= H0 –s2.其余符号意义同前.以后水井中的降深较年夜时, 可采纳修正降深.修正降深s’与实际降深s之间的关系为:s'=s-s2/2H.(1)Theis 配线法在两张相同刻度的双对数坐标纸上, 分别绘制Theis 标准曲线W(u)-1/u 和抽水试验数据曲线s-t, 坚持坐标轴平行, 使两条曲线配合, 获得配合点M的水位降深[s]、时间[t]、Theis井函数[w(u)]及[1/u]的数值, 按下列公式计算参数(r为抽水井半径或观测孔至抽水井的距离):以上为降深——时间法(s-t).也可以采纳降深---时间距离法(s-t/r2)、降深---距离法(s-r)进行参数计算.(2) Jacob 直线图解法当抽水试验时间较长, u= r2/(4at)<0.01时, 在半对数坐标纸上抽水试验数据曲线s-t为一直线(延长后交时间轴于t0, 此时s=0.00m), 在直线段上任取两点t1、s1、t2、s2, 则有(3)Hantush 拐点半对数法对半承压完整井的非稳定流抽水试验(存在越流量, K’/b’为越流系数), 当抽水试验时间较长, u= r2/(4at)<0.1时, 在半对数坐标纸上抽水试验数据曲线s-t, 外推确定最年夜水位降深Smax, 在s-lgt线上确定拐点Si = Smax/2, 拐点处的斜率mi 及时间ti, 则有(4) 水位恢复法当抽水试验水位恢复时间较长, u= r2/(4at)<0.01时, 在半对数坐标纸上绘制停抽后水位恢复数据曲线s-t, 在直线段上任取两点t1, s1, t2, s2, 则有(5)水位恢复的直线斜率法当抽水试验水位恢复时间较长, u= r2/(4at)<0.1时, 在半对数坐标纸上绘制停抽后水位恢复数据曲线s-t, 直线段的斜率为B, 则有3.2 潜水非稳定流抽水试验求参方法潜水参数计算可采纳仿泰斯公式法、Boulton法和Numan 法.(1) 仿泰斯公式法式中H0、hw——-初始水头及抽水后井中水头;W(u)——泰斯井函数;Q——抽水井的流量(m3/d);r——到抽水井的距离(m);t——自抽水开始起算的时间(d);T——含水层的导水系数(m2/d);T=Khm;hm ——-潜水含水层的平均厚度(m);K——含水层的渗透系数(m/d);A——_含水层的导压系数(1/d);m——潜水含水层的给水度.具体计算时可采纳配线法、直线图解法、水位恢复法等.(2)潜水完整井考虑迟后疏干的Boulton公式可根据抽水早期、中期、晚期的观测资料, 采纳相应的方法计算参数.(3)Numan法对潜水含水层完整井非稳定流抽水试验, 也可以采纳Numan模型求参, 具体求参过程可参阅《地下水动力学》等教科书.4. 参数计算新技术新方法的应用采纳AQUIFERYTEST软件(图1)、数值模拟法(可采纳GMS、MODFLOW、FEFLOW等软件)以及肖长来教授提出的全称曲线拟合法(图2)等一些新的软件、方法确定水文地质参数, 效果非常好.Conductivity:9.38E-2 m/d图1 AQUIFERYTEST软件求参图示图2 全称曲线拟合法求参图示5. 参数计算结果的验证上述参数计算结果的精度如何, 取决于试验场地水文地质条件的概化, 也取决于观测数据的精度.对所求得的参数, 应将其代入相应的公式, 通过比较计算降深与实测降深的差值, 分析所求参数的精度及其可靠性和代表性, 最终确定抽水试验场地的有代表性意义的参数值.方法(二)单孔稳定流抽水试验, 当利用抽水孔的水位下降资料计算渗透系数时, 可采纳下列公式:1 当Q~s(或Δh2)关系曲线呈直线时,1)承压水完整孔:(8.2.1-1)2)承压水非完整孔:当M>150r, 时:(8.2.1-2)或当过滤器位于含水层的顶部或底部时:()3)潜水完整孔:()4)潜水非完整孔:当>150r, l>时:()或当过滤器位于含水层的顶部或底部时:()式中 K——渗透系数(m/d);Q——出水量(m3/d);s——水位下降值(m);M——承压水含水层的厚度(m);H——自然情况下潜水含水层的厚度(m);h——潜水含水层在自然情况下和抽水试验时的厚度的平均值(m);h——潜水含水层在抽水试验时的厚度(m);l——过滤器的长度(m);r——抽水孔过滤器的半径(m);R——影响半径(m).2 当Q~s(或Δh2)关系曲线呈曲线时, 可采纳插值法得出Q~s 代数多项式, 即:s=a1Q+a2Q2+……anQn ()式中 a1、a2……an——待定系数.注:a1宜按均差表求得后, 可相应地将公式()、()、()中的Q/s和公式()、()、()中的以1/a1代换, 分别进行计算.3 当s/Q (或Δh2/Q)~Q关系曲线呈直线时, 可采纳作图截距法求出a1后, 按本条第二款代换, 并计算.单孔稳定流抽水试验, 当利用观测孔中的水位下降资料计算渗透系数时, 若观测孔中的值s(或Δh2)在s(或Δh2)~lgr关系曲线上能连成直线, 可采纳下列公式:1 承压水完整孔:()2 潜水完整孔:(8.2.2-2)式中 s1、s2——在s~lgr关系曲线的直线段上任意两点的纵坐标值(m);——在Δh2~lgr关系曲线的直线段上任意两点的纵坐标值(m2);r1、r2———在s(或Δh2)~lgr关系曲线上纵坐标为s1、s2(或)的两点至抽水孔的距离(m).单孔非稳定流抽水试验, 在没有补给的条件下, 利用抽水孔或观测孔的水位下降资料计算渗透系数时, 可采纳下列公式:1 配线法:1)承压水完整孔:2)潜水完整孔:式中 W(u)——井函数;S——承压水含水层的释水系数;μ——潜水含水层的给水度.2 直线法:那时, 可采纳公式()、()或下列公式: 1) 承压水完整孔:()水完整孔:()式中 s1、s2——观测孔或抽水孔在s~lgt关系曲线的直线段上任意两点的纵坐标值(m);——观测孔或抽水孔在Δh2~lgt关系曲线的直线段上任意两点的纵坐标值(m2);t1、t2——在s (或Δh2)~lgt关系曲线上纵坐标为s1、s2 (或)两点的相应时间(min).单孔非稳定流抽水试验, 在有越流补给(不考虑弱透水层水的释放)的条件下, 利用s~lgt关系曲线上拐点处的斜率计算渗透系数时, 可采纳下式:()式中 r——观测孔至抽水孔的距离(m);B——越流参数;mi——s~lgt关系曲线上拐点处的斜率.注:1 拐点处的斜率, 应根据抽水孔或观测孔中的稳定最年夜下降值的1/2确定曲线的拐点位置及拐点处的水位下降值, 再通过拐点作切线计算得出.2 越流参数, 应根据, 从函数表中查出相应的r/B, 然后确定越流参数B.稳定流抽水试验或非稳定流抽水试验, 当利用水位恢复资料计算渗透系数时, 可采纳下列公式:1 停止抽水前, 若动水位已稳定, 可采纳公式()计算, 式中的mi值应采纳恢复水位的曲线上拐点的斜率.2 停止抽水前, 若动水位没有稳定, 仍呈直线下降时, 可采纳下列公式:1)承压水完整孔:()2)潜水完整孔:()式中 tk——抽水开始到停止的时间(min);tT——抽水停止时算起的恢复时间(min);s——水位恢复时的剩余下降值(m);h——水位恢复时的潜水含水层厚度(m).注:1 当利用观测孔资料时, 应符合当<0.01时的要求.2 如恢复水位曲线直线段的延长线欠亨过原点时, 应分析其原因, 需要时应进行修正.利用同位素示踪测井资料计算渗透系数时, 可采纳下列公式:()()式中 Vf——测点的渗透速度(m/d);I——测试孔附近的地下水水力坡度;r——测试孔滤水管内半径(m);r0——探头半径(m);t——示踪剂浓度从 N0变动到Nt所需的时间(d);N0——同位素在孔中的初始计数率;Nt——同位素t时的计数率;Nb——放射性本底计数率;a——流场畸变校正系数.方法(三)在单孔抽水试验中,由于没有观测孔,只能根据抽水试验未稳定前的水位,做出降深-半对数时间图,以图解法来求渗透系数或根据水位恢复数据,以图解法来求岩石渗透系数.像这种联解方程,想用数学推导法来求解,是非常困难的.涉及幂函数和指数涵数.如一矿山的抽水试验,涌水量为Q=1053吨/天,含水层厚度为m=241.3米,降深s=9.40米,抽水管径r=0.084米.经过化简和代入后为:可以用逼进法,在excel里计算.如k=1时,左边的式子,其得数是小于1的,显然不符合方程.如k=3时,左边的式子,其得数是年夜于2的,显然也是不符合方程.如k=2时,左边的式子,其得数是介于1--2之间的,这样就界定了k值的年夜致范围然后再分别计算显然k值小于1.5,年夜于1.4.然后再这个区间继续计算k-0.085k的值,使之趋近于1.41113.R=112.12水文地质参数确定方法确定水文地质参数的方法一般分为经验数据法、经验公式法、室内试验法和野外试验法四种.供水水文地质勘察中主要采纳野外试验法, 因为野外试验法求得的参数精确度较高.经验数据法根据长期的经验积累的数据, 列成表格供需要时选用.渗透系数、压力传导系数、释水系数、越流系数、弥散系数、降水入渗系数、给水度和影响半径等都有经验数据表可查.在评估地下水资源时, 水文地质参数常采纳经验数据.经验公式法考虑到某些基本规律列出的公式, 并加上经验的修正.渗透系数、给水度等都可按经验公式计算, 其值比选用经验数据的精确度要高.室内试验法在野外采用试件, 利用试验室的仪器和设备求取参数.渗透系数、给水度、降水入渗系数等水文地质参数, 可通过室内试验法求得.野外试验法利用野外抽水试验取得有关数据, 再代入公式计算水文地质参数.其计算公式分稳定流公式和非稳定流公式.计算时根据含水层的状态(潜水或承压水)、井的完整性(完整井或非完整井)、鸿沟条件(傍河或其他鸿沟)、抽水孔状态(单孔抽水或带观测孔抽水)等条件选择.渗透系数、导水系数、压力传导系数、释水系数、越流系数、给水度和影响半径等, 都可用野外抽水试验法求得较精确的数据.野外确定降水入渗系数还可采纳地下水均衡试验场的实测数据, 一般精度较高.8.2 渗透系数8.2.1 单孔稳定流抽水试验, 当利用抽水孔的水位下降资料计算渗透系数时, 可采纳下列公式:1当Q~s(或Δh2)关系曲线呈直线时,1)承压水完整孔:(8.2.1-1)2)承压水非完整孔:当M>150r, l/M>0.1时:(8.2.1-2)或当过滤器位于含水层的顶部或底部时:(8.2.1-3)3)潜水完整孔:(8.2.1-4)4)潜水非完整孔:当>150r, l>0.1时:(8.2.1-5)或当过滤器位于含水层的顶部或底部时:(8.2.1-6)式中K——渗透系数(m/d);Q——出水量(m3/d);s——水位下降值(m);M——承压水含水层的厚度(m);H——自然情况下潜水含水层的厚度(m);h——潜水含水层在自然情况下和抽水试验时的厚度的平均值(m);h——潜水含水层在抽水试验时的厚度(m);l——过滤器的长度(m);r——抽水孔过滤器的半径(m);R——影响半径(m).2当Q~s(或Δh2)关系曲线呈曲线时, 可采纳插值法得出Q~s 代数多项式, 即:s=a1Q+a2Q2+……a n Qn (8.2.1-7)式中a1、a2……a n——待定系数.注:a1宜按均差表求得后, 可相应地将公式(8.2.1-1)、(8.2.1-2)、(8.2.1-3)中的Q/s和公式(8.2.1-4)、(8.2.1-5)、(8.2.1-6)中的以1/a1代换, 分别进行计算.3当s/Q(或Δh2/Q)~Q关系曲线呈直线时, 可采纳作图截距法求出a1后, 按本条第二款代换, 并计算.单孔稳定流抽水试验, 当利用观测孔中的水位下降资料计算渗透系数时, 若观测孔中的值s(或Δh2)在s(或Δh2)~lgr关系曲线上能连成直线, 可采纳下列公式:1 承压水完整孔:(8.2.2-1)2潜水完整孔:(8.2.2-2)式中s1、s2——在s~lgr关系曲线的直线段上任意两点的纵坐标值(m);——在Δh2~lgr关系曲线的直线段上任意两点的纵坐标值(m2);r1、r2———在s(或Δh2)~lgr关系曲线上纵坐标为s1、s2(或)的两点至抽水孔的距离(m).单孔非稳定流抽水试验, 在没有补给的条件下, 利用抽水孔或观测孔的水位下降资料计算渗透系数时, 可采纳下列公式:1配线法:1)承压水完整孔:2)潜水完整孔:式中W(u)——井函数;S——承压水含水层的释水系数;μ——潜水含水层的给水度.2 直线法:当<0.01时, 可采纳公式(8.2.2-1)、(8.2.2-2)或下列公式:1) 承压水完整孔:(8.2.3-5)水完整孔:(8.2.3-6)式中s1、s2——观测孔或抽水孔在s~lgt关系曲线的直线段上任意两点的纵坐标值(m);——观测孔或抽水孔在Δh2~lgt关系曲线的直线段上任意两点的纵坐标值(m2);t1、t2——在s (或Δh2)~lgt关系曲线上纵坐标为s1、s2(或)两点的相应时间(min).单孔非稳定流抽水试验, 在有越流补给(不考虑弱透水层水的释放)的条件下, 利用s~lgt关系曲线上拐点处的斜率计算渗透系数时, 可采纳下式:(8.2.4)式中r——观测孔至抽水孔的距离(m);B——越流参数;m i——s~lgt关系曲线上拐点处的斜率.注:1 拐点处的斜率, 应根据抽水孔或观测孔中的稳定最年夜下降值的1/2确定曲线的拐点位置及拐点处的水位下降值, 再通过拐点作切线计算得出.2 越流参数, 应根据, 从函数表中查出相应的r/B, 然后确定越流参数B.稳定流抽水试验或非稳定流抽水试验, 当利用水位恢复资料计算渗透系数时, 可采纳下列公式:1停止抽水前, 若动水位已稳定, 可采纳公式(8.2.4)计算, 式中的m i值应采纳恢复水位的曲线上拐点的斜率.2停止抽水前, 若动水位没有稳定, 仍呈直线下降时, 可采纳下列公式:1)承压水完整孔:(8.2.5-1)2)潜水完整孔:(8.2.5-2)式中t k——抽水开始到停止的时间(min);t T——抽水停止时算起的恢复时间(min);s——水位恢复时的剩余下降值(m);h——水位恢复时的潜水含水层厚度(m).注:1 当利用观测孔资料时, 应符合当<0.01时的要求.2 如恢复水位曲线直线段的延长线欠亨过原点时, 应分析其原因, 需要时应进行修正.利用同位素示踪测井资料计算渗透系数时, 可采纳下列公式:(8.2.6-1)(8.2.6-2)式中V f——测点的渗透速度(m/d);I——测试孔附近的地下水水力坡度;r——测试孔滤水管内半径(m);r0——探头半径(m);t——示踪剂浓度从N0变动到N t所需的时间(d);N0——同位素在孔中的初始计数率;N t——同位素t时的计数率;N b——放射性本底计数率;a——流场畸变校正系数.。
井孔抽水试验一、抽水试验的目的、任务及原理(一)目的与任务1、确定含水层的水文地质参数,如渗透透系数、导水系数、给水系数、弹性储水系数等,为计算井孔涌水量和评价地下水资源提供数据。
2、确定影响半径的大小,了解降落漏斗的形状及其扩展情况,为合理开发利用和有效管理地下水资源取得依据。
3、确定地下水动力性质,查清地下水与地表水之间以及不同含水层之间的水力联第,阐明地下水的补、径、排关系,为各种水源间的补偿调节提供数据资料。
4、确定单井或群井涌水量与水位降深之间的关系,进而拟定合理的适宜的井径、井深、井距等布井方案。
(二)基本原理把流向垂直井中的地下水导引或汲取到井外,使井内的位下降,而进壁外含水层中的地下水在降落漏斗范围内,由于水头差的作用,连续不断地流入进内,逐渐的在井壁周围形成一个以井轴为中心的由小支大以至稳定的降落漏斗。
初期降落漏斗范围攻很小,因地下水流向井的坡度较大,使流速和流量也较大。
但是随着时间的推移,影响范围会不断扩大,水力坡度逐渐变小,所以在抽水设备及井的出水能力很大的情况下,如果控制水位降深不变时,井孔出水量必将逐渐减小;或保持出水量不变则井内水位将会不断下降。
但是,在实际工作中,井的出水能力都是有限的,在满足控制出水量的情况下,水位降深也会逐渐达到相对稳定。
上述过程可以从两个方面加以利用和研究,如采用非稳定流理论,应取用水位降深和出水量尚未达到稳定但变化较小的抽水过程段的观测资料求得水文地质参数。
如采用稳定流理论,则取用水位降深与出水量均达到相对稳定的抽水过程段的观测资料,求得水文地质参数。
二、抽水试验的类型(一)稳定流和非稳定流抽水试验非稳定流抽水试验要求井(孔)出水量或水位两者之中的一个保持为常量,观测另一个的数据随时间变化的关系,而后将其代入相应的计算公式,则可求得渗透系数、导水系数、贮水系数或压力传导系数。
稳定流抽水试验要求水位降深与井(孔)出水量均须达到相对稳定状态,即保持近似的常量,代入计算公式求得渗透系数。
抽水试验一、目的1、确定抽水孔的特性曲线和实际涌水量,评价含水层的富水性,推断和计算井孔最大涌水量和单位涌水量。
2、确定含水层水文地质参数,为评价地下水资源,预测隧道涌水量提供依据。
二、抽水试验类型为单孔抽水(无观测孔)、抽水试验段不分层,混合抽水(确定含水层组的水文地质参数),为完整井或非完整井抽水(视钻孔揭露含水层情况)三、抽水试验的方法与要求试验前用六偏磷酸钠浸泡4-8小时,然后用活塞发洗孔4-8小时后观测静止水位。
1、本次采用单孔抽水,不布置观测孔。
2、抽水试验段为混合抽水。
3、抽水试验落程,应做三个落程,但如果含水层补给量充沛、涌水量大(如岩溶水)可尽设备最大抽降能力,做一次最大落程。
4、动水位及出水量的观测:抽水时的动水位,出水量必须同时进行观测,观测时间的间隔,取决于动水位和出水量的变化情况。
一般在抽水开始后的第1、3、5、10、15、20、25、30分钟各测一次,以后每隔30分钟观测一次,直至抽水结束为止。
观测孔的水位应与中心孔同时测定。
5、抽水试验稳定延续时间:变质岩裂隙含水层抽水和岩溶含水层抽水,稳定时间不少于8小时。
应符合下列标准:①抽水过程中的水位和涌水量历时曲线不能有逐渐增大或减小趋势。
②在稳定时间段内,主孔水位波动值不超过水位降低值的1%,当降深小于10m时,水位波动值不应超过3—5cm。
③涌水量波动值不超过正常流量的5%,当涌水量很小时,可适当放宽。
6、水位、水量的观测:①静止水位观测:每小时观测一次,3次所测数字相同或4小时内所测水位差不超过2cm,即为静止水位。
②动水位观测:抽水开始后,10分钟测一次水位,以后视水位变化程度可每30分钟观测一次。
③水量观测:尽设备最大能力抽水,以每半小时提出的水量计算流量,尽量保持一致。
④水温、气温观测:一般每2—4小时观测一次。
⑤恢复水位观测:达到以上标准(稳定延续时间标准)后停止抽水,开始观测恢复水位,恢复水位观测时间间隔按1、3、5、10、15、30……分钟,直到完全恢复,观测精度的要求同以上静止水位的观测。
抽水试验流程抽水试验1)抽水试验的方法(1)单孔孔组抽水试验①单孔孔组抽水试验第一段为煤系砂岩裂隙含水层,选取抽水孔群中孔间距较近的一个孔(抽4孔)进行抽水,另一个孔(观1孔)配对进行观测,如此段时间内有同层位钻孔施工至该层位亦可作为观测孔进行观测,进行单孔孔组非稳定流抽水试验。
②单孔孔组抽水试验第二段为奥陶系峰峰组灰岩含水层,选取抽水孔群中孔间距较近的一个孔(抽4孔)进行抽水,另一个孔(观1孔)配对进行观测,如此段时间内有同层位钻孔施工至该层位亦可作为观测孔进行观测,进行单孔孔组非稳定流抽水试验。
(2)群孔孔组抽水试验群孔抽水试验段含水层为奥陶系灰岩含水层段,共有5个抽水孔同时进行抽水,5个观测孔同时进行水位观测,进行大型群孔非稳定流抽水试验。
2)抽水试验设备要求(1)单孔孔组抽水试验设备、观测仪表和工具①抽水设备使用空压机、潜水泵或提桶抽水;②流量使用标准水箱或三角堰观测;③水位用电测水位计观测;④水温可用温度计测量。
(2)群孔孔组抽水试验设备、观测仪表和工具①抽水设备:抽2、抽3、抽4、抽5四各孔套管为Φ325mm,选用250QJ 型水泵,排量 100m3/h、扬程150m左右;抽1孔套管为Φ219mm,选用150QJ 型水泵,排量30~50m3/h、扬程120~150m左右;②配置:全套标准配置是指泵体、电机和按扬程配带电缆、配电柜、启动控制柜、出水管、弯头、连接件、连接螺丝、止水密封件等安装用配件材料;③水量、水位和水温观测仪表和工具A.抽水时用三角堰观测流量;B.使用电测水位计观测水位;C.用温度计观测水温。
3)煤系地层抽水试验技术要求(1)抽水试验前准备工作①试验前应对抽水孔(抽4)(钻至13号煤层隔水层底板底部)、观测孔(观1)(进度与抽水孔相等,亦钻进到13号煤层隔水层底板底部)进行洗孔;②试验开始前2日,必须在每天的同一时间测量抽水孔和观测孔中的水位。
并对所有施工完这一段(煤系砂岩裂隙含水层)的抽水孔、观测孔统一进行一次稳定水位观测。
多种抽水试验方法确定水文地质参数摘要:随着地铁建设的突飞猛进,越来越多的基坑临近地铁线路,特别是建成并运行的地铁线路,基坑施工降水对地铁的影响问题越发突出。
本文通过工程实践,采用多种抽水试验方法,为设计提供准确的水文地质参数。
关键词:地铁基坑抽水试验水文地质参数抽水试验[pumping test],包括自试井抽取一定水量而在某距离之各观测井测定各种时间距地下水位的变化,观测数据利用各种地下水流理论式或其图解法分析抽水试验的结果。
抽水试验按孔数可分为:单孔抽水试验、多孔抽水、群孔干扰抽水;按水位稳定性分为:稳定流抽水试验和非稳定流抽水试验方法;按抽水孔类型分为:完整井和非完整井。
抽水试验应在洗井结束,洗井质量已达规定要求后进行。
抽水试验的类型、下降次数及延续时间应按照《供水水文地质勘察规范》(TJ27—78)及《城市供水水文地质勘察规范》中有关规定执行。
试验前,应根据井孔结构、水位降深、流量及其它条件,合理选择抽水设备和测试仪具。
抽水设备可用量桶、空气压缩机及各种水泵;流量测量,当流量小于2 L/s时,可用量桶;大于2 L/s时;应用堰箱(三角堰、梯形堰或矩形堰)或孔板流量计;高压自流水可用喷水管喷发高度测量法测量流量;水位测量可用测钟、浮标水位计或电测水位计;水温测量一般可用缓变温度计或带温度计的测钟。
抽水设备安装后,应先进行试抽,经调试能满足试验要求后,再正式抽水。
采用空气压缩机作抽水试验时,应下测水位管,在测水位管内测量动水位。
抽水试验中应做好地面排水,使抽出的水排至试验孔影响范围以外。
在抽水试验中,应及时进行静止水位、动水位、恢复水位、流量、水温、气温等项观测,并及时如实记录,不得任意涂改或追记。
如遇水位、流量、水的浑浊度及机械运转等发生突变时,应做详细记录,并及时查明原因。
1 工程概况拟建场地原始地貌单元属冲积阶地。
本项目场地表面多为建筑垃圾堆填。
场次范围内埋藏地层的岩性及野外特征自上而下分别为人工填土、冲洪积黏土、砾砂、黏土、砾砂、残积砾质粘性土、燕山期粗粒花岗岩。
抽水试验基本要求抽水试验是野外水文地质试验中的其中一种。
野外水文地质试验还包括渗水试验、注水试验、地下水流速流向的测定及连通试验。
今天给大家主要讲抽水试验类型、工作程序、要求、以及对抽水试验资料的判别:一、抽水试验工作前:首先要知道抽水试验的目的:即我们通过抽水试验工作应取得什么水文地质资料:1、岩石(土体)渗透系数、钻孔涌水量;2、.水位下降与涌水量的变化关系及水力特征(潜水或承压水);3、降落漏斗的大小、形状和增长速度;4、各含水层之间的水力联系。
另外在地表水体附近或地表水体下岩石中进行抽水试验时,应查明地表水与地下水的关系;二、抽水试验时所用井孔的多少:分为单孔抽水、多孔抽水及干扰井群抽水试验。
1、单孔抽水试验,只有一个抽水井而无观测井。
它方法简便,成本低廉,但所能担负的任务有限,成果精度较低,且只适用于稳定流抽水试验。
因此多用于普查和初步勘探阶段;2、多孔抽水试验:是在抽水孔附近还配有若干水位观测孔的抽水试验。
它能完成抽水试验的各项任务,所得成果和精度也较高,若专门布置的观测孔多,深度也较大时,则花费成本较大。
故少量用于初步勘探阶段,更多用于详细勘探阶段。
3、干扰井群抽水试验:是在多个抽水孔中同时抽水,造成降落漏斗相互重迭干扰的抽水试验。
除抽水孔外,还配有若干观测孔。
这种试验也称为互阻井群抽水试验。
一般干扰井群抽水试验是为了获取相互干扰下井涌水量与水位降深的关系资料;或因为水量较大,单个抽水孔形成的水位降深不大,降落漏斗范围太小,则在较近的距离内打几个抽水孔组成一个孔组同时抽水;或为了模拟开采或疏干的试验,在若干井内同时抽水,观测分析整个流场的变化。
由于此种抽水试花费大,所以只在详细勘探阶段或开采阶段使用。
三、按抽水井的类型:可分为完整井和非完整井抽水试验。
1、完整井中抽水时,水主要是从孔的四壁井入孔中,过滤器只须考虑到四壁进水。
由于完整井的井流理论较完善,故一般尽量用完整井作试验。
2、非完井中抽水时,除了孔壁进水以外,孔底也进水。
抽水试验的任务目的来源:地大热能 2015-07-24抽水试验的目的任务:研究井的涌水量与水位降深的关系有其与抽水延续时间的关系;求得含水层及越流层的水文地质参数;研究降落漏斗的形状、大小及扩展过程;研究含水层之间及含水层与地表水体之间的水力联系;确定含水层(或含水体)边界位置及性质;进行开采或疏干的模拟,以确定井间距、开采降深、合理井径等设计井群时所需的这些参数。
抽水试验的类型:稳定流抽水、非稳定流抽水;单孔、多孔及干扰井群抽水试验;完整井和非完整井抽水试验;分层、分段及混合抽水试验;抽水试验场地布置:当地下水水力坡度小并为均质各和同性含水层时,可在垂直水流方向布置1排观测孔。
若场地条件所限难于布孔时,可与流向成45度角的方向布1排观测孔;含水层仍为均质各向同性而水力坡度较大时,则增加1排平行流向的观测孔;对非均质含水层水力坡度不大的情况应布置3排观测孔;非均质各向异性的含水层,水力坡度也大时则布置4排观测孔,对各向异性的含水层应考虑平行各向异性主轴。
干扰井群抽水试验观测孔的布置应控制整个流场到边界。
观测孔的数目、距离及深度主要取决于试验的任务、精度要求和抽水类型。
如需描述降落漏斗,则一条观测线上不应少于3个观测孔。
如仅求参数,对于稳定流一线应不少于2个。
对非稳定流试验,一线可取1-3个,但多数是取3个,以便使用多种言法(如S-Lgt、S-Lgr等方法)整理和解释资料。
对于判定水力联系及边界性质的抽水试验,观测孔都不应少于2个。
观测孔间间距应近主孔者小,远主孔者大,最远应以能观测到明显水隹下降,或下降值不少于10倍的允许观测误差。
最近的观测孔视含水层渗透性和抽水降深而定,由数米至20米。
渗透性强、降深大的应远些,这既有利于控制降落漏斗,又能避免观测孔位紊流和三维流明显的地段,因此,有的规范规定,最近观测孔距主孔不小于含水层厚度的1倍。
各孔间间距应保证孔间降深差大于20cm。
对于非稳定流试验,观测孔的间距应在对数轴上分布均匀,而且孔间间距应比稳定流者小,以保证抽水初期观测。
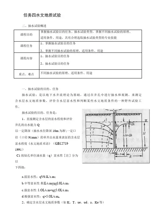
任务四水文地质试验二、抽水试验概述掌握抽水试验目的任务、抽水试验类型,掌握不同抽水试验的原理、课程目的适用条件、用途,具有合理选取抽水试验类型的专业技能1、掌握抽水试验目的任务课程任务2、掌握不同抽水试验的原理、适用条件、用途1、抽水试验目的任务课程内容2、抽水试验目的任务重点、难点不同抽水试验的原理、适用条件、用途一、抽水试验的目的、任务抽水试验:是以地下水井流理论为基础,通过在井孔中进行抽水和观测,来测定含水层水文地质参数,评价含水层富水性和判断某些水文地质条件的一种野外试验工作。
抽水试验的目的、任务是:1、直接测定含水层的富水程度和评价井孔的出水能力Q以一定降深(抽水水位降深10m为准\一定口径(口径91mm)的单井出水量来表征的含水层富水程度《水文地质术语》(GB12719∙1991)C1按钻孔单位涌水量(q)富水性[注]分为以下四级:a.弱富水性:qV0.lL/s.m;b.中等富水性:0.lL∕s.m≤q≤l.0L∕s.m;c.强富水性:1.OL∕s.m<q≤5.OL∕s.m;d.极强富水性:q>5.OL∕s.m o2、确定含水层水文地质参数(如K、T、ue、ud、a、Ke等)3、研究井孔的出水量Q与水位降深S的关系,及其与抽水时间t的关系,研究降落漏斗的形状、大小及扩展过程4、研究含水层之间及地下水与地表水之间的水力联系,以及地下水补给通道和强径流带位置等5、确定含水层(含水体)边界位置及性质6、通过抽水试验,为取水工程设计提供所需水文地质数据。
如:通过单孔抽水, 确定井孔的影响半径R,单井出水量Q、单位出水量q等;根据开采性抽水试验或疏干模拟抽水,确定合理的井距L、开采降深S、合理井径r。
,井间干扰系数等。
7、通过开采性抽水试验,直接评价水源地的地下水充许开采量。
(二)抽水试验的类型一般根据抽水试验所依据的井流公式原理、抽水试验的目的任务和方法要求等分类。
1、按依据的井流理论划分(1)稳定流抽水试验:在抽水过程中,要求流量Q、水位降深S(或动水位h)同时相对稳定(即不随时间而变),并有一定延续时间的抽水试验。
井孔抽水试验一、抽水试验的目的、任务及原理(一)目的与任务1、确定含水层的水文地质参数,如渗透透系数、导水系数、给水系数、弹性储水系数等,为计算井孔涌水量和评价地下水资源提供数据。
2、确定影响半径的大小,了解降落漏斗的形状及其扩展情况,为合理开发利用和有效管理地下水资源取得依据。
3、确定地下水动力性质,查清地下水与地表水之间以及不同含水层之间的水力联第,阐明地下水的补、径、排关系,为各种水源间的补偿调节提供数据资料。
4、确定单井或群井涌水量与水位降深之间的关系,进而拟定合理的适宜的井径、井深、井距等布井方案。
(二)基本原理把流向垂直井中的地下水导引或汲取到井外,使井内的位下降,而进壁外含水层中的地下水在降落漏斗范围内,由于水头差的作用,连续不断地流入进内,逐渐的在井壁周围形成一个以井轴为中心的由小支大以至稳定的降落漏斗。
初期降落漏斗范围攻很小,因地下水流向井的坡度较大,使流速和流量也较大。
但是随着时间的推移,影响范围会不断扩大,水力坡度逐渐变小,所以在抽水设备及井的出水能力很大的情况下,如果控制水位降深不变时,井孔出水量必将逐渐减小;或保持出水量不变则井内水位将会不断下降。
但是,在实际工作中,井的出水能力都是有限的,在满足控制出水量的情况下,水位降深也会逐渐达到相对稳定。
上述过程可以从两个方面加以利用和研究,如采用非稳定流理论,应取用水位降深和出水量尚未达到稳定但变化较小的抽水过程段的观测资料求得水文地质参数。
如采用稳定流理论,则取用水位降深与出水量均达到相对稳定的抽水过程段的观测资料,求得水文地质参数。
二、抽水试验的类型(一)稳定流和非稳定流抽水试验非稳定流抽水试验要求井(孔)出水量或水位两者之中的一个保持为常量,观测另一个的数据随时间变化的关系,而后将其代入相应的计算公式,则可求得渗透系数、导水系数、贮水系数或压力传导系数。
稳定流抽水试验要求水位降深与井(孔)出水量均须达到相对稳定状态,即保持近似的常量,代入计算公式求得渗透系数。
用抽水试验确定渗透系数1.抽水试验资料整理试验期间,对原始资料和表格应及时进行整理。
试验结束后,应进行资料分析、整理,提交抽水试验报告。
单孔抽水试验应提交抽水试验综合成果表,其内容包括:水位和流量过程曲线、水位和流量关系曲线、水位和时间(单对数及双对数)关系曲线、恢复水位与时间关系曲线、抽水成果、水质化验成果、水文地质计算成果、施工技术柱状图、钻孔平面位置图等。
并利用单孔抽水试验资料编绘导水系数分区图。
多孔抽水试验尚应提交抽水试验地下水水位下降漏斗平面图、剖面图。
群孔干扰抽水试验和试验性开采抽水试验还应提交抽水孔和观测孔平面位置图(以水文地质图为底图)、勘察区初始水位等水位线图、水位下降漏斗发展趋势图(编制等水位线图系列)、水位下降漏斗剖面图、水位恢复后的等水位线图、观测孔的S-t、S-lg t曲线[注]、各抽水孔单孔流量和孔组总流量过程曲线等。
注意:(1)要消除区域水位下降值;(2)在基岩地区要消除固体潮的影响;3)傍河抽水要消除河水位变化对抽水孔水位变化的影响。
多孔抽水试验、群孔干扰抽水试验和试验性开采抽水试验均应编写试验小结,其内容包括:试验目的、要求、方法、获得的主要成果及其质量评述和结论。
2.稳定流抽水试验求参方法求参方法可以采用Dupuit公式法和Thiem公式法。
(1)只有抽水孔观测资料时的Dupuit公式承压完整井:潜水完整井:式中K——含水层渗透系数(m/d);Q——抽水井流量(m3/d);s w——抽水井中水位降深(m);M——承压含水层厚度(m);R——影响半径(m);H——潜水含水层厚度(m);h——潜水含水层抽水后的厚度(m);r w——抽水井半径(m)。
(2)当有抽水井和观测孔的观测资料时的Dupuit或Thiem公式式中h w——抽水井中水柱高度(m);h1、h2——与抽水井距离为r1和r2处观测孔(井)中水柱高度(m),分别等于初始水位H0与井中水位降深s之差,h1= H0–s1;h2= H0–s2。
抽水试验确定渗透系数的方法及步骤1.抽水试验资料整理试验期间,对原始资料和表格应及时进行整理。
试验结束后,应进行资料分析、整理,提交抽水试验报告。
单孔抽水试验应提交抽水试验综合成果表,其内容包括:水位和流量过程曲线、水位和流量关系曲线、水位和时间(单对数及双对数)关系曲线、恢复水位与时间关系曲线、抽水成果、水质化验成果、水文地质计算成果、施工技术柱状图、钻孔平面位置图等。
并利用单孔抽水试验资料编绘导水系数分区图。
多孔抽水试验尚应提交抽水试验地下水水位下降漏斗平面图、剖面图。
群孔干扰抽水试验和试验性开采抽水试验还应提交抽水孔和观测孔平面位置图(以水文地质图为底图)、勘察区初始水位等水位线图、水位下降漏斗发展趋势图(编制等水位线图系列)、水位下降漏斗剖面图、水位恢复后的等水位线图、观测孔的S-t、S-lg t曲线[注]、各抽水孔单孔流量和孔组总流量过程曲线等。
注意:(1)要消除区域水位下降值;(2)在基岩地区要消除固体潮的影响;3)傍河抽水要消除河水位变化对抽水孔水位变化的影响。
多孔抽水试验、群孔干扰抽水试验和试验性开采抽水试验均应编写试验小结,其内容包括:试验目的、要求、方法、获得的主要成果及其质量评述和结论。
2. 稳定流抽水试验求参方法求参方法可以采用Dupuit 公式法和Thiem公式法。
(1) 只有抽水孔观测资料时的Dupuit 公式承压完整井:潜水完整井:式中K——含水层渗透系数(m/d);Q——抽水井流量(m3/d);sw——抽水井中水位降深(m);M——承压含水层厚度(m);R——影响半径(m);H——潜水含水层厚度(m);h——潜水含水层抽水后的厚度(m);rw——抽水井半径(m)。
(2) 当有抽水井和观测孔的观测资料时的Dupuit 或Thiem公式式中hw ——抽水井中水柱高度(m);h1、h2——与抽水井距离为r1和r2处观测孔(井)中水柱高度(m),分别等于初始水位H0与井中水位降深s之差,h1= H0 –s1;h2= H0 –s2。
抽水试验规范关于颁布《煤炭资源地质勘探抽水试验规程》的通知(80)煤地字第638号为了加强煤田水文地质勘探技术管理,提高基础工作质量,经调查研究和广泛征求意见,重新制定了《煤炭资源地质勘探抽水试验规程》、《煤炭资源地质勘探地表水、地下水长期观测及水样采取规程》、《煤田地质勘探钻孔简易水文地质观测规程》和《煤田水文地质测绘规程》(试行),现正式颁布执行。
执行中如有问题和意见,请随时报部地质局。
中华人民共和国煤炭工业部1980年6月1、一般要求1.1.抽水试验是煤炭资源地质勘探的重要手段,其目的是研究含水层重要水文地质特征,取得含水层水文地质参数,评价含水层的富水性,并为预计矿井涌水量与对地下水综合利用的评价提供资料。
1.2.抽水试验工作应在分析勘探区及邻区已有的水文地质资料的基础上,根据《煤炭资源地质勘探规范》的要求进行合理布置。
对富水性不均一的含水层,应注意选择遇有漏(涌)水的地质勘探钻孔改作抽水试验孔。
根据水文地质条件复杂程度、水量大小和设计目的,可分别选择单孔、群孔、孔组进行抽水试验。
1.3.抽水试验空必须编制施工设计书。
内容包括:抽水试验任务及要求;试验含水层(段)的起、止深度;孔径大小、止水套管的直径及下入层位、下入深度以及止水方法;简易水文地质观测;所采用的抽水设备;抽水试验质量要求等。
1.4.抽水试验的段距应根据抽水的目的确定,以能分别获得各含水层(带)的水位、流量、水质、渗透性为原则。
1.5.抽水试验层(段)的孔径一般不应小于100mm;下过滤器时,过滤管的直径不应小于108mm。
观测孔的孔径不应小于75mm;下过滤器时,过滤管的直径不应小于73mm。
大口径(或孔组、群孔)抽水,其抽水层(段)的孔径一般不应小于200mm。
孔深超过300m 时,对于非大水矿区,其孔径可减小到168mm。
1.6.抽水试验层(段)与隔离止水层(段)必须取芯,其采取率要求见表1。
抽、止水层(段)岩芯采取率表11.7.抽水试验钻孔的孔斜要求,应严于《煤田地质勘探钻孔质量标准》的规定。
水文地质勘探实习报告一、实习目的和任务水文地质勘探是一种重要的勘探手段,主要应用在水文地质调查、地下水资源评价等领域,该课程除课堂讲授水文地质勘探基本原理和工作方法外,还要特别加强对学生野外实践和分析问题与解决问题能力的训练。
本次实习的目的就是为了巩固课堂学习的理论知识,理论联系实际,提高学生分析解决实际问题及野外勘探的初步能力,为学生毕业后从事水文地质勘探工作打下一个良好的基础。
二、实习内容1、水文地质钻探工作方法及野外钻探实践。
2、水文地质试验方法及抽水试验原理、现场抽水试验实践。
3、根据抽水试验结果计算水文地质参数.。
4、水文地质勘探实验报告编制。
三、实习地点简介张河湾抽水蓄能电站位于太行山深处井陉县境内,距石家庄市(负荷中心)直线距离为52 km,公路里程77 km,对外交通方便。
工程总投资为41.2亿人民币,是河北省最大的抽水蓄能电站,也是河北省第一个利用亚行贷款建设的公益性电力项目。
装机总容量为100万千瓦,安装4台25万kW的单级混流可逆式机组,以一回500 kV线路接入河北南部电网,年发电量16。
75亿kW/h,年抽水用电量22。
04亿kW/h,电站综合效率为0。
76。
张河湾抽水蓄能电站为一等工程,上水库布置在山顶,开挖填围而成,正常蓄水位810m,总库容785.4万立方米,调节库容720万立方米,工作水深31m,坝顶高程812m,最大坝高57m,全库采用复式沥青混凝土全面防渗。
下水库利用已建的张河湾水库,在原有未完建大坝上加高完建而成,正常蓄水位488 m,保证抽水蓄能电站发电水位471m,总库容8330万立方米,具有年调节性能。
拦河坝为浆砌石重力坝,按100年一遇洪水标准设计,1000年一遇洪水标准校核;坝顶高程490 m,最大坝高77.35m。
水道和地下厂房系统布置在上下水库之间的山体内,设竖井高压管道,钢板衬砌;采用一管两机布置方式,主管长约570 rn,尾水洞长约170m,电站距高比为1.58。
79.什么是单孔、多孔、干扰孔和混合抽水?作者:宣传教育中心来源:来源:宣传教育中心 2004-3-12 14:13:15 单孔抽水,没有观测孔而只有一个抽水孔的抽水试验。
它只能用经验公式及试算法求影响斗径,故测定的渗透系数精度较差。
在水文地质调查的初步阶段,单孔抽水常用来了解和对比不同地段含水层的透水性和富水性。
在钻探成本较高的基岩地区,仅需实际测定单孔涌水量时也采用单孔抽水。
多孔抽水,是由一个抽水孔和若干个观测孔组成的抽水试验。
它能比较精确地测定渗透系数、影响斗径和下降漏斗形状,还能确定含水层间的水力联系。
多孔抽水时观测孔一般以抽水孔为中心呈放射线排列。
当含水层透水性均匀时,一般以单排在抽水孔的一侧垂直于流向排列。
当含水层透水性复杂及成果要求高时,除垂直水流方向外,还需在抽水孔的上游和下游沿平行水流方向布置观测孔。
干扰孔抽水,也称孔群抽水,即二个或二个以上抽水孔同时抽水,各孔的水位和流量有明显的相互影响,故称干扰孔抽水。
它的目的不仅为了测定渗透系数,主要是取得在相互影响条件下,孔群的总涌水量或井群降漏斗中水位降深值的资料。
孔群抽水一般用于拟作井群供水或井群降低地下水位的地段。
目前我国还在一些水文地质条件复杂的岩溶矿区,用大型孔群抽水,形成大型降落漏斗,用以测定水流的主要补给、排泄方向和预测矿井涌水量等。
混合抽水,是从两个或更多含水层同时抽水。
一次混合抽水只能得到各含水层的平均渗透系数。
但配合使用“钻孔流速仪”或进行多次混合抽水(如首先抽第一层水,然后继续钻进打穿第二含水层再进行第一和第二含水层的混合抽水,……),就可以测得各含水层的渗透系数。
混合抽水可以省去分层止水工作,钻孔结构比较简单,节省费用和时间。
采用主孔抽水、带有多个观测孔的群孔抽水试验,包括非稳定流和稳定流抽水实验吉林大学精品课>>专门水文地质学>>教材>>水文与水资源工程教学实习指导第四章抽水试验抽水试验是确定含水层参数,了解水文地质条件的主要方法。
采用主孔抽水、带有多个观测孔的群孔抽水试验,包括非稳定流和稳定流抽水实验,要求观测抽水期间和水位恢复期间的水位、流量、水温、气温等内容。
要求了解试验基地及其所在地区的水文气象、地质地貌及水文地质条件,了解并掌握抽水试验的目的意义、工作程序、现场记录的主要内容、数据采集与处理方法,掌握相关资料的整理、编录方法和要求,了解对抽水试验工作质量进行评价的一般原则,能够利用学过的理论及方法进行水文地质参数计算,并对参数的合理性和精确性进行分析和检验。
§4.1基本要求掌握抽水试验的目的、分类、方法及抽水试验准备工作。
4.1.1 抽水试验的目的(1) 确定含水层及越流层的水文地质参数:渗透系数K、导水系数T、给水度μ、弹性释水系数μ*、导压系数a、弱透水层渗透系数K'、越流系数b、越流因素B、影响半径R 等。
(2) 通过测定井孔涌水量及其与水位下降(降深)之间的关系,分析确定含水层的富水程度、评价井孔的出水能力。
(3) 为取水工程设计提供所需的水文地质数据,如影响半径、单井出水量、单位出水量、井间干扰出水量、干扰系数等,依据降深和流量选择适宜的水泵型号。
(4) 确定水位下降漏斗的形状、大小及其随时间的增长速度;直接评价水源地的可开采量。
(5) 查明某些手段难以查明的水文地质条件,如确定各含水层间以及与地表水之间的水力联系、边界的性质及简单边界的位置、地下水补给通道、强径流带位置等。
4.1.2 抽水试验分类抽水试验主要分为单孔抽水、多孔抽水、群孔干扰抽水和试验性开采抽水。
(1)单孔抽水试验:仅在一个试验孔中抽水,用以确定涌水量与水位降深的关系,概略取得含水层渗透系数。
(2)多孔抽水试验:在一个主孔内抽水,在其周围设置若干个观测孔观测地下水位。
通过多孔抽水试验可以求得较为确切的水文地质参数和含水层不同方向的渗透性能及边界条件等。
(3)群孔干扰抽水试验:在影响半径范围内,两个或两个以上钻孔中同时进行的抽水试验;通过干扰抽水试验确定水位下降与总涌水量的关系,从而预测一定降深下的开采量或一定开采定额下的水位降深值,同时为确定合理的布井方案提供依据。
(4)试验性开采抽水试验:是模拟未来开采方案而进行的抽水试验。
一般在地下水天然补给量不很充沛或补给量不易查清,或者勘察工作量有限而又缺乏地下水长期观测资料的水源地,为充分暴露水文地质问题,宜进行试验性开采抽水试验,并用钻孔实际出水量作为评价地下水可开采量的依据。
4.1.3 抽水试验的方法单孔抽水试验采用稳定流抽水试验方法,多孔抽水、群孔干扰抽水和试验性开采抽水试验一般采用非稳定流抽水试验方法。
在特殊条件下也可采用变流量(阶梯流量或连续降低抽水流量)抽水试验方法。
抽水试验孔宜采用完整井(巨厚含水层可采用非完整井)。
观测孔深应尽量与抽水孔一致。
4.1.4 抽水试验准备工作(1) 除单孔抽水试验外,均应编制抽水试验设计任务书;(2) 测量抽水孔及观测孔深度,如发现沉淀管内有沉砂应清洗干净;(3) 做一次最大降深的试验性抽水,作为选择和分配抽水试验水位降深值的依据;(4) 在正式抽水前数日对所有的抽水孔和观测孔及其附近有关水点进行水位统测,编制抽水试验前初始水位等水位线图,如果地下水位日变化很大时,还应取得典型地段抽水前的日水位动态曲线;(5) 为防止抽出水的回渗,在预计抽水影响范围内的排水沟必须采取防渗措施。
当表层有3 m以上的粘土或亚粘土时,一般可直接挖沟排水。
(6) 需要对多层含水层地下水进行分层评价时,应分层进行抽水试验,或用井中流速、流量仪解决分层抽水问题。
抽水试验工作量要求见表4-1。
表4-1抽水试验工作量一览表*凡作了群孔干扰抽水试验的水源地,可不作试验性开采抽水试验。
§4.2抽水试验孔布置要求4.2.1 抽水孔的布置要求抽水孔的布置应符合下列要求:(1) 对勘察区水文地质条件具有控制意义的典型地段,应布置单孔抽水试验孔,根据单孔抽水试验资料计算的水文地质参数编制参数分区图;(2) 多孔抽水试验孔组,一般参照导水系数分区图,并结合水文地质条件布置,每个有供水意义的参数区至少布置一组,其抽水试验资料所求参数可作为该区计算参数(不用平均参数);(3) 群孔干扰抽水试验和试验性开采抽水试验应在拟建水源地范围内,选择有代表性的典型地段,并结合开采生产井布置。
4.2.2 观测孔的布置要求观测孔的布置应符合下列要求:(1) 为了计算水文地质参数,在抽水孔的一侧宜垂直地下水的流向布置2~3个观测孔。
(2) 为了测定含水层不同方向的非均质性或确定抽水影响半径,可以根据含水层的不同情况,以抽水孔为中心布置1~4条观测线;如有两条观测线,一条垂直地下水流向,另一条宜平行地下水流向。
(3) 群孔干扰抽水试验和试验性开采抽水试验应在抽水孔组中心布置一个观测孔;为查明相邻已采水源地的影响,应在连接两个开采中心方向布置观测孔。
为确定水位下降漏斗形态和补给(或隔水)边界,应在边界和外围一定范围内布设一定数量的观测孔。
(4) 多孔抽水孔组的第一个观测孔应尽量避开三维流的影响,相邻两观测孔的水位下降值相差不小于0.1m,最远观测孔的下降值不宜小于0.2m,各观测孔应在对数数轴上呈均匀分布。
(5) 在半承压水含水层进行抽水试验时,宜在观测孔附近覆盖层(半透水层或弱含水层)中布置副观测孔。
(6) 在进行试验性开采抽水试验时,应在水位下降漏斗范围内的重要建筑物附近增设工程地质、环境地质观测点。
§4.4非稳定流抽水试验要求4.4.1 钻孔涌水量钻孔涌水量应保持常量,其变化幅度不大于3%。
4.4.2 抽水延续时间抽水延续时间除满足表4-1的要求外,并可结合最远观测孔水位下降与时间关系曲线[S(或Δh2)-lg t]来确定。
(1) 当S(或Δh2)-lg t曲线至拐点后出现平缓段,并可以推出最大水位降深时,抽水方可结束;注意:在承压含水层中抽水,采用S-lg t曲线,在潜水含水层中抽水采用Δh2-lg t曲线。
Δh2是指潜水含水层在自然情况下的厚度H和抽水试验时的厚度h的平方差,即Δh2=H2-h2。
(2) 当S(或Δh2)-lg t曲线没有拐点或出现几个拐点,则延续时间宜根据试验的目的确定。
4.4.3 观测频率及精度要求观测频率及精度应符合下列要求:(1) 水位观测宜按第0.5、1、1.5、2、2.5、3、3.5、4、5、6、7、8、10、12、15、20、25、30、40、50、60、75、90、105、120 min进行观测,以后每隔30 min观测一次,其余观测项目及精度要求可参照稳定流抽水试验要求进行;(2) 抽水孔与观测孔水位必须同步观测;(3) 抽水结束后,或试验期间因故中断抽水时,应观测恢复水位,观测频率应与抽水时一致,水位应恢复到接近抽水前的静止水位。
4.4.4 群孔干扰抽水试验要求群孔干扰抽水试验除按非稳定流抽水要求进行外,还应满足下列要求:(1) 干扰孔之间的距离,应保证一孔抽水,使另一孔产生一定的水位削减;(2) 水位降深次数应根据设计目的而定,一般应尽抽水设备能力做一次最大降深;(3) 各干扰孔过滤器的规格和安装深度应尽量相同;(4) 各抽水孔抽水起、止时间应该相同;(5) 试验过程中,宜同时对泉和可能受影响的地表水点进行水位、流量和水温的观测。
4.4.5 试验性开采抽水试验试验性开采抽水试验除按群孔干扰抽水要求进行外,还应满足下列要求:(1) 抽水试验一般在枯水期进行;(2) 抽水钻孔总涌水量尽量接近设计需水量;(3) 水位下降漏斗中心水位稳定时间不宜少于一个月;(4) 若水位不能达到稳定,应及时调节总涌水量,使其达到稳定。
§4.5抽水试验资料整理及参数确定方法4.5.1 抽水试验资料整理试验期间,对原始资料和表格应及时进行整理。
试验结束后,应进行资料分析、整理,提交抽水试验报告。
单孔抽水试验应提交抽水试验综合成果表,其内容包括:水位和流量过程曲线、水位和流量关系曲线、水位和时间(单对数及双对数)关系曲线、恢复水位与时间关系曲线、抽水成果、水质化验成果、水文地质计算成果、施工技术柱状图、钻孔平面位置图等。
并利用单孔抽水试验资料编绘导水系数分区图。
多孔抽水试验还应提交抽水试验地下水水位下降漏斗平面图、剖面图。
群孔干扰抽水试验和试验性开采抽水试验还应提交抽水孔和观测孔平面位置图(以水文地质图为底图)、勘察区初始水位等水位线图、水位下降漏斗发展趋势图(编制等水位线图系列)、水位下降漏斗剖面图、水位恢复后的等水位线图、观测孔的S-t、S-lg t曲线、各抽水孔单孔流量和孔组总流量过程曲线等。
注意:①要消除区域水位下降值;②在基岩地区要消除固体潮的影响;③傍河抽水要消除河水位变化对抽水孔水位变化的影响。