基于SolidWorks配置和设计表的零部件变型设计
- 格式:doc
- 大小:210.50 KB
- 文档页数:7
SolidWorks是一款用于三维建模和设计的软件,它为工程师和设计师提供了丰富的工具和功能来创建各种复杂的零件和装配体。
在使用SolidWorks进行建模和设计过程中,经常会遇到一些需要进行弯曲、变形和扭曲的情况。
本文将针对SolidWorks中的弯曲、变形和扭曲进行详细介绍和讨论,希望能够对SolidWorks用户有所帮助。
一、弯曲在实际的机械设计中,经常会遇到需要进行金属板材弯曲的情况。
SolidWorks提供了强大的弯曲功能,用户可以通过简单的操作快速地对零件进行弯曲设计。
1. 创建弯曲特征在SolidWorks中,用户可以通过选择“弯曲”命令来创建弯曲特征。
在选择完要进行弯曲操作的零件后,用户需要指定弯曲的起始和结束位置、弯曲角度和弯曲轴线,然后SolidWorks会自动创建对应的弯曲特征。
2. 编辑弯曲特征用户还可以对已有的弯曲特征进行编辑,包括修改弯曲角度、弯曲轴线等参数。
这为用户在设计过程中进行弯曲特征的调整提供了便利。
3. 多次弯曲有时,用户可能需要对零件进行多次弯曲操作,SolidWorks也能够很好地支持这一需求。
用户可以通过不断添加新的弯曲特征来实现多次弯曲操作,保证零件的设计满足实际需求。
二、变形在进行零件设计过程中,用户可能会需要对零件进行变形操作,以使其适应特定的工作环境或装配需求。
SolidWorks提供了多种变形工具,方便用户进行变形设计。
1. 拉伸变形拉伸变形是SolidWorks中常用的变形操作之一,用户可以通过选择“拉伸”命令来对零件进行拉伸变形。
用户需要指定拉伸的方向、拉伸的距离和其他参数,SolidWorks会根据用户的指定对零件进行拉伸变形。
2. 弯曲变形用户还可以通过选择“弯曲”命令来对零件进行弯曲变形,实现零件在设计过程中的弯曲效果。
弯曲变形功能在实际的设计中具有较高的实用性,能够帮助用户满足特定的设计需求。
3. 曲面变形SolidWorks还提供了丰富的曲面变形工具,用户可以通过编辑曲面的参数和属性来实现对零件的曲面变形操作。
SolidWorks设计方案1. 引言SolidWorks是一款广泛应用于机械设计的三维建模软件。
本文档旨在介绍我们在使用SolidWorks进行设计时所采取的方案,包括设计流程、工具选择以及设计结果的评估。
2. 设计流程2.1 需求分析和概念设计在进行SolidWorks设计之前,我们首先需要通过与客户沟通和需求分析来确定设计的目标和功能。
在这个阶段,我们通过草图、手绘和简单的建模来进行概念设计,以便更好地理解产品的形状和结构。
2.2 详细设计在完成概念设计后,我们将开始进行详细设计。
这一阶段主要包括以下步骤:2.2.1 创建零部件根据产品的功能和结构,我们首先需要创建零部件。
我们可以使用SolidWorks的建模工具来创建各种形状和几何体,包括实体建模和表面建模。
我们还可以使用已有的模板来加快创建过程。
2.2.2 装配在创建零部件后,我们需要将它们装配到一起形成完整的产品。
通过使用SolidWorks的装配工具,我们可以将零部件自由组合并应用适当的约束和连接。
这样可以确保各个零部件之间的正确位置和运动关系。
2.2.3 导入和修改现有数据有时我们需要导入已有的设计数据进行修改或重用。
使用SolidWorks,我们可以导入常见的CAD文件格式,如STEP和IGES,并对其进行修改和更新。
2.3 模拟和优化完成详细设计后,我们将进行各种模拟和优化,以确保产品在使用过程中的性能和可靠性。
2.3.1 结构模拟通过使用SolidWorks的有限元分析(FEA)功能,我们可以模拟产品的结构行为,并评估其在负载和应力下的性能。
这有助于我们优化设计,并确保产品的强度和刚度满足要求。
2.3.2 流体模拟如果我们的设计涉及到流体流动或传热问题,我们可以使用SolidWorks进行流体模拟。
通过模拟流体的流动、速度、温度和压力分布,我们可以评估设计的效率和可靠性。
2.3.3 运动模拟在某些情况下,我们可能需要模拟产品的运动行为。
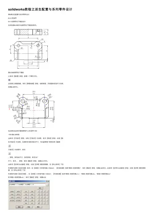
solidworks教程之派⽣配置与系列零件设计第6章派⽣配置与系列零件设计6.4上机指导6.4.1后侧导柱下模座设计完成如图6.29所⽰后侧导柱下模座标准件。
图6.29后侧导柱下模座(1)单击【新建】按钮,新建⼀个零件⽂件。
(2)选取上视基准⾯,单击【草图绘制】按钮,绘制草图,并按国标改变尺⼨名称,如图6.30所⽰。
SolidWorks2007基础教程与上机指导·150··150·图6.30草图(3)单击【⽅程式】按钮,出现【⽅程式】对话框,单击【添加】按钮,出现【添加⽅程式】对话框,在图形区域单击B/4尺⼨,“B/4@草图1”被添加到【编辑⽅程式】对话框中,单击、按钮,单击A2尺⼨、单击按钮、单击“A1”尺⼨、单击、、按钮,单击【确定】按钮,如图6.31所⽰。
(4)单击【拉伸凸台/基体】按钮,出现【拉伸】属性管理器,在【终⽌条件】下拉列表框内选择【给定深度】选项,在【深度】⽂本框内输⼊“50mm”,【所选轮廓】选择“草图1-局部范围1”,单击【确定】按钮,如图6.32所⽰。
(5)单击【拉伸凸台/基体】按钮,出现【拉伸】属性管理器,在【终⽌条件】下拉列表框内选择【给定深度】,在【深度】⽂本框内输⼊“40mm”,【所选轮廓】选择“草图1-局部范围<1>”、“草图1-局部范围<2>、“草图1-局部范围<3>”和“草图1-局部范围<4>”,单击【确定】按钮,如图6.33所⽰。
图6.31【编辑⽅程式】对话框图6.32“拉伸”特征第6章配置与系列零件设计·151··151·图6.33模座部分“拉伸”特征(6)单击【拉伸切除】按钮,出现【切除-拉伸】属性管理器,在【开始条件】下拉列表框内选择【曲⾯/⾯/基准⾯】选项,选择“⾯1”,在【终⽌条件】下拉列表框内选择【给定深度】选项,在【深度】⽂本框内输⼊“5mm ”,【所选轮廓】选择“草图1-局部范围1”,单击【确定】按钮,如图6.34所⽰。
基于SolidWorks的机械零件参数化设计王 东,蒲小琼(四川大学制造科学与工程学院,四川成都610065)摘 要:介绍了基于SolidWorks的机械零件参数化设计的两种方法;详尽阐述了用系列零件设计表生成配置和用Visual Basic调用SolidWorks API函数对其进行二次开发来分别实现机械零件参数化设计的基本思想和实现流程。
关键词:参数化设计;配置;SolidWorks;二次开发;Visual Basic中图分类号:TH122 文献标识码:A 文章编号:1671-5276(2004)05-0015-03Parametrical Design of Mechanical Parts Based on SolidWorksWANG Dong,PU Xiao-qiong(Sichuan University,Manufacture Science and Engineering Academy,SC Chengdu610065,China)A bstract:Two methods of parametrical design for mechanical parts based on SolidWorks are introduced in the paper.The paper explains the fundamental thought and the realization flow by means of Visual Basic,w hich calls for SolidWorks API to its further development.The paper also show s how to em ploy design table to pro-duce config uration realizing parametrical design fo r mechanical parts.Key words:parametrical desig n;configuration;further development of solidw orks;visual basic0 引言许多机械零件的形状结构具有共同特征,只是在相对大小或局部特征上存在一定的差异,如果能够通过一个模板模型衍生出不同的模型,就会大大提高设计效率。
基于SolidWorks的减震器三维造型设计摘要21世纪随着汽车的不断快速发展和人们生活水平不断的提高,人们对汽车的舒适度、平稳性等提出了更高的要求。
为了改善汽车行驶的平顺性,在汽车的悬架系统中安装了汽车减震器并且在不断的快速发展、改进和更新。
在汽车悬架系统中广泛采用的是筒式减振器。
在压缩和伸张行程中均能起减振作用的是双向作用式减振器,还有新式减振器,它包括充气式减振器和阻力可调式减振器。
近年来,中国的减震器市场保持着增长的态势。
2007年中国汽车销售879.15万辆,增长率在20%以上。
2008年汽车产销量达到938万辆,尽管增长率下降到6.7%,但依然是全球难得的保持增长的市场。
预计2010年国内汽车销售规模有望达到1150万辆。
作为汽车悬架主要的零件,减震器在中国市场需求相应增长,2008年需求规模约为4700万只。
预计未来将以10%左右的速度增长,2010年有望达到5700万只。
因此本论文主要围绕汽车减震器的设计来进行展开。
关键词:减震器的需求、减震器的类型、减震器的设计The 3D Modeling Design of the Shock Absorbers on SolidWorksAbstractAuthor:WangfeiTutor:As the 21st century, the car continued rapid development and continuous improvement of people's living standard, people car comfort, stability, etc. put forward higher requirements. In order to improve vehicle ride comfort traveling in the car's suspension system installed in the car shock absorbers, and the rapid development of continuously improved and updated.In the car suspension system widely used in the Shock Absorber. Done in the compression and damping trip can play the role of two-way role-type shock absorber, as well as new shock absorber, which includes inflatable adjustable shock absorber shock absorber and resistance.In recent years, the shock absorber market, maintained a growth trend. 2007 China car sales 8.7915 million, a growth of over 20%. Auto production and sales in 2008 reached 9.38 million, although the growth rate dropped to 6.7%, it is still rare to maintain the growth of the global market. Expected in 2010 the scale of the domestic automobile sales is expected to reach 11.5 million. As a major automotive suspension parts, shock absorbers corresponding growth in demand in the Chinese market in 2008, the scale of demand is about 47 million. The next will be about 10% of the rate of growth in 2010 is expected to reach 57 million.Therefore, this paper mainly focus on the design of automotive shock absorbers to be launched.Keywords:shock absorber needs, the type of shock absorber, shock absorber design目录1、前言2、减震器结构方案分析2.1、减震器的作用2.2、减震器的种类2.3、减震器的结构的确定3、减震器的结构设计3.1、减震器的结构分析及其选择3.2、主要参数选择3.3、强度计算4、SolidWorks的减震器设计4.1、减震器零件的绘制4.2、减震器的装配4.3、爆炸图的生成4.4、工程图的生成结束语致谢参考文献1前言21世纪随着汽车的不断快速发展和人们生活水平不断的提高,人们对汽车的舒适度、平稳性……提出了更高的要求。
基于Solidworks的扇形卡爪夹紧薄壁件的变形分析作者:赵兴仁来源:《科教导刊·电子版》2017年第36期摘要通过Solidworks有限元分析可知,在施加相同夹紧力的情况下,采用扇形卡爪和硬三爪两种方法夹紧工件时,硬三爪对工件产生的最大应力值是扇形卡爪的12倍,最大变形位移值是扇形卡爪的24倍,应力和变形位移值相差很大,说明扇形卡爪更适合夹紧易变形的薄壁件。
由于扇形卡爪的夹紧力分布均匀,选取多个夹紧位置运形算例,得出的位移值接近相等,所以,夹紧位置对变形的影响可以忽然不计。
关键词扇形卡爪有限元分析薄壁件变形中图分类号:TP39 文献标识码:A有限元分析是夹具设计与分析中一项不可忽视的指导性原则,它能合理确定夹紧力的大小、作用点、夹紧顺序,以使工件变形最小,从而提高工件的加工精度。
在实际加工中,工件的装夹总是伴随着不同的变形。
工件在机床上装夹精度是影响加工精度的重要因素。
20%-60%加工误差是由装夹引起的。
特别是薄壁件,由于刚性差,受到切削力、夹持力等载荷作用极易发生变形。
典型薄壁回转体零件通常采用车削加工。
在三爪夹紧力集中作用下,容易发生弹性变形,在距卡爪60的地方变形最大,向外突起。
即使在夹紧状态下车削或镗削出的孔为正圆,一旦松开卡爪,零件弹性恢复使内孔变成三棱形,出现圆度误差。
1扇形卡爪的使用常用的硬三爪夹紧工件会使其产生“三棱形”变形,而软爪可以成倍地增大与工件的夹紧面积,均匀多点的夹紧会减少工件的变形。
市场上出售能拆卸更换的扇形卡爪就是一种使用简单方便的软爪,使用时用螺丝把扇形卡爪固定在三爪卡盘的卡爪基体上,根据工件的直径精车卡爪内孔,使其内孔比工件外径大0.01mm,再夹紧工件外径加工,这是内扇形卡爪,还有一种撑住内孔加工外圆的外扇形卡爪,内扇形卡爪与外扇形卡爪不同之处在于前者保证了工件的圆度,而后者保证了内外援的同轴度公差,同时由于受力均匀,在自由状态下圆度仍保持不变。
solidworks机械设计经典案例Solidworks是一款常用的机械设计软件,广泛应用于各个行业。
下面列举了十个以Solidworks机械设计为主题的经典案例,展示了Solidworks在不同领域的应用。
1. 汽车零部件设计:使用Solidworks可以进行汽车零部件的设计和分析。
例如,可以使用Solidworks设计发动机零件,如曲轴、连杆和活塞等,并进行强度和耐久性分析,以确保零件的可靠性和性能。
2. 机械装配设计:Solidworks可以用于机械装配的设计和模拟。
例如,可以使用Solidworks设计和模拟机械传动系统,如齿轮传动和链传动,以确保装配的准确性和可靠性。
3. 机械结构设计:Solidworks可以用于机械结构的设计和优化。
例如,可以使用Solidworks设计机械结构,如机架和支架,并进行结构强度和刚度分析,以确保结构的稳定性和安全性。
4. 机械零件加工:Solidworks可以用于机械零件的加工和制造。
例如,可以使用Solidworks生成机械零件的加工图和工艺路线,以指导加工过程,并确保零件的精度和质量。
5. 机器人设计:Solidworks可以用于机器人的设计和仿真。
例如,可以使用Solidworks设计和模拟机器人的结构和运动,以评估其工作性能和效果。
6. 产品装配设计:Solidworks可以用于产品装配的设计和优化。
例如,可以使用Solidworks设计和模拟产品的装配过程,以评估装配的难度和效率,并进行优化改进。
7. 3D打印设计:Solidworks可以用于3D打印模型的设计和准备。
例如,可以使用Solidworks创建和优化3D打印模型的几何形状和支撑结构,并生成打印文件以进行打印。
8. 工装夹具设计:Solidworks可以用于工装夹具的设计和制造。
例如,可以使用Solidworks设计和优化夹具的结构和功能,并生成制造图和工艺指导,以指导夹具的制造和使用。
solidworks2019结构构件建模案例全文共四篇示例,供读者参考第一篇示例:SolidWorks是一款专业的三维CAD软件,被广泛应用于工程和设计领域。
在SolidWorks2019版本中,结构构件建模是其中一个重要的功能模块。
通过结构构件建模,用户可以快速而精确地创建各种复杂的工程构件,为工程设计提供有效的支持。
本文将介绍SolidWorks2019中的结构构件建模案例,以帮助读者更好地了解这一功能的具体应用和优势。
一、结构构件建模的基本原理在SolidWorks中,结构构件建模是基于特定形状的实体构件,通过对这些构件进行组合、操作和加工,实现需要的整体构件的建立。
结构构件建模的核心是实体建模,用户可以通过实体建模工具在三维空间内创建各种形状和对应的实体构件。
在SolidWorks2019中,用户可以利用各种建模命令和功能,如拉伸、旋转、合并、切割等,来创建和修改结构构件,满足不同的设计需求。
1. 创建基本几何体:通过SolidWorks2019中的各种基本几何体建模命令,用户可以快速地创建各种形状的实体构件,如立方体、圆柱体、锥体等。
这些基本几何体构件可以作为复杂结构构件的基础部件,通过组合和对齐等操作,实现整体构件的设计和建立。
2. 利用特征建模命令:SolidWorks2019提供了丰富的特征建模命令,如拉伸、扫掠、旋转、倒角、填充、半径等,用户可以通过这些命令对实体构件进行精细化建模和设计。
用户可以利用扫掠命令创建各种复杂的几何形状,通过倒角和填充命令对构件的边缘进行修饰,增强其外观和功能。
3. 进行实体操作和剖切处理:利用SolidWorks2019中的实体操作命令和剖切处理功能,用户可以对实体构件进行复杂的组合和剖面设计。
用户可以利用实体操作命令进行实体的合并、旋转、镜像等操作,实现构件的组合和装配;通过剖切处理功能,用户可以将实体构件按照指定平面或曲面进行截面,展示其内部结构和细节。
Solidworks是一种广泛应用于工程设计和制造的三维计算机辅助设计(CAD)软件。
它具有丰富的功能和易于使用的界面,可以帮助工程师和设计师快速有效地进行产品设计和开发。
其中,弯曲拉伸是Solidworks软件中常用的功能之一,它可以帮助用户快速准确地完成零件的设计和制造。
弯曲拉伸可以将平面零件在轴向方向上进行拉伸或压缩,同时在其它方向上加以弯曲。
这种功能在设计和制造薄壁零件时非常有用,可以帮助用户快速创建需要的形状和尺寸。
在Solidworks中进行弯曲拉伸操作时,通常需要按照以下步骤进行:1. 打开Solidworks软件并新建一个零件。
2. 在Feature Manager设计树中选择“拉伸”命令。
3. 在拉伸面上绘制所需要的轮廓,确定拉伸方向和距离。
4. 点击“拉伸”命令,对零件进行拉伸操作。
5. 在拉伸的可以通过添加弯曲特征来改变零件的形状。
弯曲拉伸操作在Solidworks中非常直观和灵活,用户可以根据自己的设计需求和制造要求来进行操作,并且可以实时预览零件形状的变化。
在工程设计和制造中,弯曲拉伸可以被广泛应用于各种领域和行业。
比如在汽车工业中,制造车身部件和结构件时就会使用弯曲拉伸功能来设计和制造薄壁零件,提高零件的强度和刚度。
在航空航天领域,弯曲拉伸可以用于设计和制造飞机的外壳和支架,满足飞行器的轻量化和高强度要求。
在机械制造领域,弯曲拉伸可以帮助工程师快速有效地设计和制造各种复杂零件,满足用户的实际需求。
Solidworks中的弯曲拉伸操作是一种非常强大和灵活的功能,它可以帮助工程师和设计师快速准确地完成各种零件的设计和制造。
在实际应用中,用户可以根据自己的需求和要求来灵活运用这一功能,为产品的设计和制造提供高效可靠的支持。
在实际的工程设计中,弯曲拉伸在Solidworks中的应用不仅局限于具体的零部件设计,还可以扩展到整体装配和产品仿真领域。
通过实时预览和仿真分析,工程师可以更加直观地了解零部件在弯曲拉伸过程中的变化及其对整体产品的影响。
基于SolidWorks的机械零部件虚拟装配体设计技术作者:沈袁诞来源:《科学与财富》2016年第22期摘要:在机械零部件虚拟装配体设计方面,SolidWorks软件得到了广泛的应用。
基于这种认识,本文对该软件及其在机械零部件建模中的应用进行了分析,然后对基于SolidWorks 的虚拟装配体的设计方法和步骤进行了探讨,从而为关注这一话题的人们提供参考。
关键词:SolidWorks;机械零部件;虚拟装配体;设计引言:由于拥有较多的零部件,机械产品的设计过程相对复杂。
而能否实现各个零部件的完美组装,将对机械产品的质量产生直接的影响。
为解决这一问题,SolidWorks软件得到了开发和应用。
作为一款三维造型软件,该软件能够用于完成机械零部件的虚拟装配体的设计,从而为机械产品的设计提供更多的技术支持。
因此,相关人员有必要对该种设计技术展开分析,以便更好的促进机械设计技术的发展。
1 SolidWorks软件及其在机械零部件建模中的应用所谓的SolidWorks,其实就是一种标准三维设计软件。
该软件拥有三维CAD系统,具有实体造型功能,不仅能够实现工程图纸的快速生成,同时也可以为模具制造提供辅助分析。
作为三维机械设计软件标准,SolidWorks拥有强大的功能和易学易用的特点,能够实现技术创新。
利用其强大的实体建模功能,就能为零件设计和装备设计提供支持。
而利用该软件的智能零件技术、智能装配技术等多种技术,则能够实现装配体的总体装配,并为完成整个产品的设计过程的编辑。
从软件界面操作上来看,该软件拥有“全动感”界面,能够提供动态界面,也能够使用户利用鼠标进行软件控制,所以能够使设计步骤得到减少。
此外,由于该软件是第一款基于网络的电子图板发布工具,并且拥有特征管理员和自顶向下的设计思想,因此能够实现技术创新。
在机械零部件产品设计上,应用SolidWorks能够完成产品模型的创建。
就目前来看,可以使用该软件的四种三维造型方法完成机械零部件建模。
Solidworks软件介绍S ol idw or ks公司是专业从事三维机械设计、工程分析和产品数据管理软件开发和营销的跨国公司,其软件产品So lid wo rks提供一系列的三维(3D)设计,帮助设计师减少设计时间,增加精确性,提高设计的创新性,并将产品更快推向市场。
S ol idw or ks软件组成:2D到3D转换工具将2D工程图拖到Sol id Wor ks工程图中的功能;支持包括外部参考的可重复使用2D几何;视图折叠工具,可以从DWG资料产生3D模型。
内置零件分析测试零件设计,分析设计的完整性。
机器设计工具具有整套熔接结构设计和文件工具,以及完全关联的钣金功能。
模具设计工具测试塑料射出制模零件的可制造性。
消费产品设计工具保持设计中曲率的连续性,以及产品薄壁的内凹零件,可加速消费性产品的设计。
对现成零组件的线上存取让3D CA D系统使用者透过市场上领先的线上目录使用现在的零组件。
模型组态管理在一个文件中产生零件或零组件模型的多个设计变化,简化设计的重复使用。
零件模型建构利用伸长、旋转、薄件特征、进阶薄壳、特征复制排列和钻孔来产生设计。
曲面设计使用有导引曲线的叠层拉伸和扫出产生复杂曲面、填空钻孔,拖曳控制点以进行简单的相切控制。
直观地修剪、延伸、图化、缝织曲面、缩放和复制排列曲面。
课程设计任务书学生姓名:专业班级:机自0801班指导教师:工作单位:机电工程学院题目: SolidWorks零件、装配体建模及工程图设计初始条件:给定小型装配体的轴测图、装配图或装配示意图(见附图)。
要求完成的主要任务:(包括课程设计工作量及其技术要求,以及说明书撰写等具体要求)1、分析装配体或装配图,自行确定(4-6个)相关零件的结构形状和尺寸;2、使用SolidWorks软件对零件和装配体进行建模;3、用软件生成零件图(A4)和装配图(A3)各一张,要求符合国家标准。
4、撰写设计任务说明书一份,包括:训练题目、训练要求、CAD软件功能、设计分析、零件建模分析和过程、装配体建模分析和过程、工程图设计过程心得体会、参考文献(不少于3篇)。
系列零件设计表§5。
0 概述配置:可以在单一的文件中对零件或装配体生成多个设计变化。
配置提供了简便的方法来开发与管理一组有着不同尺寸、零部件、或其他参数的模型。
配置的概念基本上和pro/e的familytable 相似。
配置的应用:配置主要有如下几个方面的应用:在两个特征相同的零件中,某些尺寸不一样。
如自己建立标准件库同一零件的不同状态:如需要开模的零件.模具是一个配置,加工后是一个配置相同产品的不同系列的需要:如同一产品中,对某零件、部件使用不同的方案。
特定的应用需要:可以简化模型,应用于零件的有限元分析(FEM);另外,可能需要特殊的模型用于快速成型(RP)改善系统性能:对于很复杂的零件,可以考虑压缩一些特征,以便于其他特征的建立。
装配方面的考虑:当装配零件很多,文件很大时,可以考虑压缩一些特征,便于装配。
配置的生成方法:要生成一个配置,先指定名称与属性,然后再根据您的需要来修改模型以生成不同的设计变化在零件文件中,配置使您可以生成具有不同尺寸、特征和属性的零件系列。
在装配体文件中,配置使您可以生成通过压缩或隐藏零部件来生成简化的设计使用不同的零部件配置、不同的装配体特征参数或不同的尺寸来生成装配体系列1。
手工生成:2。
采用系列零件设计表:配置的有关术语:压缩/解除压缩:不要某特征或不要某零部件(装配中)。
当一个特征或零件不压缩时,系统把它当作不存在来处理,并非真的删除。
设计表:利用设计表来控制系列零件的尺寸值。
同时,可以定义特征的显示状态(压缩/不压缩)使用配置:在零件或装配中可以使用配置,显示不同的配置。
而工程图不可以建立配置,但可以使用零件或装配的不同配置.5.1 手工生成配置—改变尺寸值我们利用下面的零件生成2个配置,简单说明以下制作过程.单击设计树底部的配置标签:在设计数中右键单击零件名称,选择添加配置,出现添加配置对话框。
分别输入配置名称以及你认为合适的备注内容,点击“确定"注意此时设计树中的内容。
基于Solidworks软件的起重机模块化设计新乡市起重设备厂樊修锴摘要:桥式起重机设备具有小批量、客户需求不统一等特点,这使的产品较难实现标准化生产。
模块化设计理念的提出为解决这一难题提供了方法。
本文运用模块化设计的理念,结合三维设计软件solidworks参数化设计功能,对桥式起重机桥架进行模块划分和参数化建模,并通过模块间的重组形成新的产品。
关键词:模块化设计 solidworks 参数化设计系列零件表0.引言桥式起重机设备属于特种设备,其性质决定了其生产方式为非标准的小批量模式。
现代经济的高速发现要求制造商不断地加快产品开发速度并缩减制造成本,传统的设计方法已较难满足这些要求。
模块化设计理念的提出及现代三维设计软件的发展为满足现代经济的要求提供了必要的保障。
模块化设计的核心思想是将产品划分为不同的模块,以模块为基本单元来进行产品的生产和设计。
新产品的研发亦可通过对某些模块的改进或变异设计来进行。
从技术层面上看,以面向模块功能分析为主要特征的模块化设计已经基本完成了从思想到技术的转变。
设计者能够通过模块的划分、设计、选择与组合来构成不同功能、多性能或不同规格的产品系列,缩短产品研发与制造周期,减少设计与制造成本,快速应对市场变化。
因此,模块化设计成为可能同时从设计与制造两个方面解决上述问题的较优选择,是实现产品多样化、系列化的关键技术之一。
现代三维设计软件的发展和参数化建模的日益普及,在缩短产品开发周期、降低产品开发成本方面同样取得了良好的效应。
将模块化设计理念与参数化设计相结合,为产品应对小批量、多样化的市场要求提供了更加便利的解决方案。
下图为模块化设计的一般流程。
图1 模块化设计流程框图图1所示模块化设计流程图涵盖面较广。
结合桥式起重机产品特点,以起重机的架体为例。
架体主要由主梁和端梁组成,起着承受载荷的功能。
不同吨位桥式起重机架体之间的主要区别在于主、端梁的截面和跨度,而其结构形式、部件间连接形式则相对固定,在模块划分上较符合以“结构交互为准则”来划分模块并形成系列型谱。
配置概述配置让您可以在单一的文件中对零件或装配体生成多个设计变化。
配置提供了简便的方法来开发及管理一组有着不同尺寸、零部件、或其他参数的模型。
要生成一个配置,先指定名称及属性,然后再根据您的需要来修改模型以生成不同的设计变化。
•在零件文档中,配置使您可以生成具有不同尺寸、特征和属性(包括自定义属性)的零件系列。
•在装配体文档中,配置使您可以生成:o通过压缩零部件的简化设计。
o使用不同的零部件配置、不同的装配体特征参数或不同的尺寸或配置特定的自定义属性的装配体系列。
•在工程图文档中,您可显示您在零件和装配体文档中所生成的配置的视图。
您可使用以下任何方法生成配置:•手工生成配置。
•使用系列零件设计表在 Microsoft Excel 电子表格中生成并管理配置。
您可在工程图中显示系列零件设计表。
•使用修改配置对话框为经常配置的参数生成和修改配置。
在系列零件设计表或修改配置对话框中生成的自定义属性自动添加到摘要信息对话框中的指定配置标签中。
ConfigurationManagerSolidWorks 窗口左边的 ConfigurationManager 为在文档中生成、选择和查看零件和装配体多个配置的手段。
您可将 ConfigurationManager 分割并显示两个 ConfigurationManager 实例,或将 ConfigurationManager 同 FeatureManager 设计树、PropertyManager、或使用窗格的第三方应用程序相组合。
在装配体中,ConfigurationManager 有一可控制显示状态的部分。
欲激活 ConfigurationManager:选择左窗格顶部的 ConfigurationManager 标签。
每个配置均被单独列出。
ConfigurationManager 中的图标表示配置是如何生成的:手工。
使用系列零件设计表。
手工,具有爆炸状态或派生的配置对于系列零件设计表,具有爆炸状态或派生的配置有些有时出现在 ConfigurationManager 中的图标包括:系列零件设计表。
基于SolidWorks配置和设计表的零部件变型设计发表时间:2012-7-31 作者: 鲁华*莫建霖*曾伯胜来源: 万方数据关键字: 零部件变型设计SolidWorks配置设计表基于SolidWorks配置和设计表的零部件变型设计运用SolidWorks实现某大型联合收割机输送部件的变型设计,使零部件变型设计更为直观和方便,达到有效加速设计进程、进行设计变更的目的,并给出了具体的实现方法和实例。
一、引言在日常设计过程中,经常会遇到许多相似的零部件设计,或是由于实际需求,必须对某些零部件在原有基础上进行变型,因此需要对原有零部件进行变型设计。
变型设计是指提取已存在的设计或设计计划,做特定的修改,以产生一个和原设计相似的新产品。
这种修改一般不破坏原设计的基本原理和基本结构特征,是一种参数的修改或结构的局部调整,或两者兼而有之,其目的是快速、高质量、低成本地设计新产品,以满足不断变化的市场的要求。
在此,笔者利用SolidWorks三维建模功能中的配合和设计表,结合实际应用,对零部件进行变型设计。
二、问题简述如图1所示为某大型联合收割机的输送部件。
在设计后期发现其从动轴部件与刮板部件之间的间隙较小,且与底板之间相对运动时存在干涉,如图2所示。
图1 输送部件图2 输送部件部分三维剖视图考虑到该机器工作环境较为恶劣,且在输送部件上容易堆积泥土造成卡滞。
因此需要对从动轴部件在原设计基础上进行变型设计。
变型设计的目标有两个:①从动轴部件结构的变型,增大从动轴部件与刮板部件、底板部件之间的间隙;②增加从动轴焊接部件法兰盘的强度,即增加法兰盘厚度。
分页三、变型设计过程1.从动轴焊接部件的变型设计在进行变型设计之前,要明确从动轴部件与其他部件之间需要保证的配合尺寸。
在此,从动轴部件需要保证的是链轮轴向中面与光轮轴向中面之间的距离为643.3mm,如图3所示。
图3 从动轴部件其中,从动轴焊接部件如图4所示。
可见尺寸643.3mm由从动轴焊接部件的法兰盘外侧面之间的距离所确定。
图4 从动轴焊接部件原从动轴焊接部件的法兰盘厚度为5mm,法兰盘外侧面之间距离为628.35mm,且法兰盘上的安装孔为φ13光孔。
进行变型设计时,需将从动轴焊接部件的法兰盘厚度增加至10mm,法兰盘外侧面之间间隔保持不变,法兰盘上的安装孔改为M12的螺纹孔。
打开法兰盘零件,原法兰盘零件的厚度为8mm,原从动轴焊接部件法兰盘加工后的厚度为5mm。
在变型设计中,加工后的从动轴焊接部件法兰盘厚度为10mm。
因此,需要增加法兰盘的厚度,并根据实际加工条件预留其后的加工余量。
变型后法兰盘零件的目标厚度为20mm。
(1)在SolidWorks中点击“插入”→“表格”→“设计表”,在左侧出现的“系列零件设计表”中按图5选项进行选择。
然后点击“确定”,在弹出的“尺寸”窗口中点击“取消”。
图5 系列零件设计表分页此时在SolidWorks绘图区的左上角会出现一个表格,如图6所示。
图6 法兰盘零件设计表(2)在表格中,原设计配置名称“法兰盘”的下一行(A列第4行)添加变型设计配置名称“法兰盘(加厚)”,在模型上点击需要进行变型设计的特征,并双击选择、添加需要变更的尺寸”D1@凸台-拉伸1”。
在表格的B4(B列第4行)输入变更后法兰盘零件的厚度尺寸20mm。
点击绘图区任意位置,完成表格输入。
弹出的提示窗口如图7所示。
图7 提示窗口此时,法兰盘零件的ConfigurationManager中可以看到已经增加了一个配置“法兰盘(加厚)”,如图8所示。
保存并关闭法兰盘零件文件。
图8 法兰盘零件配置在从动轴焊接部件中,首先需要将从动轴焊接部件法兰盘加工后的厚度从5mm增加至10mm。
采取前面相同步骤插入设计表,并将影响从动轴焊接部件法兰盘加工后厚度的两个装配特征尺寸值添加入设计表,并修改,得到如图9所示的设计表。
图9 从动轴焊接部件设计表点击绘图区任意位置,完成表格输入。
使用测量工具检查两法兰盘外侧面之间距离为638.35mm,比原距离增加了10mm,需要修改从动轴零件的尺寸以保证两法兰盘外侧面之间距离为628.35mm。
打开从动轴零件模型文件,采取前面相同步骤插入设计表,对轴段长度进行变型设计,将影响628.35mm的轴段长度尺寸添加入设计表并修改,得到结果如图10所示。
保存并关闭从动轴零件文件。
图10 从动轴零件设计表分页(3)返回从动轴焊接部件,在ConfigurationManager中展开“表格”项,右键点击“系列零件设计表”,在右键弹出菜单中选择“编辑表格”,添加相应的装配零件配置,如图11所示,以此对从动轴焊接部件进行变型设计。
从图11的设计表中可以看到,针对原设计”从动轴焊接部件”和变型设计“从动轴焊接部件(加厚法兰)”,调用了相应零件的不同配置,以达到变型的效果。
图12对比了从动轴焊接部件经过变形设计后的结果,可以看到,经过变形设计,法兰盘的厚度增加,但是法兰盘外侧面间距仍然保持不变。
图11 从动轴焊接部件设计表图12 从动轴焊接部件的不同配置从图2及图3中可以看到,从动轴部件的螺钉头与刮板部件侧板之间的间隙较小,螺钉头与底板部件之间有运动干涉。
要改善这种情况,较为简单的办法是将螺钉头移至链轮及光轮的外侧,同时,需将原从动轴部件设计的φ13光孔变更为M12的螺纹孔,将原链轮和光轮设计的M12螺纹孔变更为φ13光孔。
(4)在从动轴焊接部件中激活配置“从动轴焊接部件”,右键选择特征“φ13.0(13)直径孔1”,在右键弹出菜单中选择“配置特征”,再在弹出的“修改配置”窗口中勾选“从动轴焊接部件(加厚法兰)”一行所在的“压缩”单选框,如图13所示,点击“确定”。
图13 修改配置φ13光孔激活配置“从动轴焊接部件(加厚法兰)”,可以看到φ13光孔已被压缩,在相应位置使用“异型孔向导”添加M12螺纹孔,并进行圆周阵列。
右键选择特征“M12螺纹孔1”,在右键弹出菜单中选择“配置特征”,在弹出的“修改配置”窗口中勾选“从动轴焊接部件”一行所在的“压缩”单选框,如图14所示,点击“确定”。
图14 修改配置M12螺纹孔分页此时分别激活从动轴焊接部件的两个不同配置,可以看到法兰盘厚度从5mm增加置10mm,法兰盘外侧面间距保持不变,法兰盘上的安装孔从φ13光孔变为M12螺纹孔。
保存并关闭从动轴焊接部件文件。
对链轮和光轮模型文件进行前面的相同操作,可以得到如图15所示的包含有不同配置的模型文件。
图15 包含有不同配置的链轮和光轮2.从动轴部件的变型设计在从动轴部件文件的ConfigurationManager中右键点击空白区域,在右键弹出菜单中点击“添加配置”,输入配置名称“从动轴部件(加厚法兰)”,其余选项不变,点击“确定”,在ConfigurationManager中出现如图16所示配置。
图16 从动轴部件的配置经过前述光孔和螺纹孔的变化以后,可以对从动轴部件装配体的装配结构进行变型。
原装配中,弹性垫圈与法兰盘的安装孔有同心和重合配合,六角头螺栓与弹性垫圈有同心和重合配合,在变型以后的设计中,需要将弹性垫圈和六角头螺栓的头部从法兰盘内侧移至链轮和光轮的外侧,且螺栓长度发生变化。
激活配置“从动轴部件”,在FeatureManager设计树中右键点击选择弹性垫圈与法兰盘的重合配合,在右键弹出菜单中选择“配置特征”,如图17所示。
图17 配置特征菜单在弹出“修改配置”窗口中勾选“从动轴部件(加厚法兰)”一行所在的“压缩”单选框,点击“确定”。
对于弹性垫圈与法兰盘之间的同心配合进行同样操作。
此时,切换至配置“从动轴部件(加厚法兰)”,可以看到弹性垫圈在装配体中的配合已经都被压缩,弹性垫圈具有完全自由度。
分别为两个弹性垫圈与链轮之间、弹性垫圈与光轮之间添加同心配合和重合配合,使得两个弹性垫圈分别位于链轮、光轮的外侧,并对新创建的同心配合和重合配合进行配置特征操作,在弹出“修改配置”窗口中勾选“从动轴部件”一行所在的“压缩单选框”,点击“确定”。
此时,通过激活从动轴部件文件的两个不同配置可以看到,当激活“从动轴部件”配置时,弹性垫圈位于法兰盘内侧,当激活“从动轴部件(加厚法兰)”配置时,弹性垫圈位于链轮和光轮外侧,如图18所示。
图18 从动轴部件原设计与变型设计的整体对比由于六角头螺栓从动轴部件装配体中,在进行变型设计后,其长度及安装位置都已发生变化,所以需要进行三部分操作。
首先是对六角头螺栓的长度进行变型,得到六角头螺栓零件的不同长度配置;其次,在从动轴部件中插入设计表,针对从动轴部件的不同配置,采用六角头螺栓零件的不同长度配置;最后,使六角头螺栓在从动轴部件的不同配置中采用不同的配合方式。
分页四、变型设计结果比较图18和图19为变型设计结果与原设计之间的对比。
图19 螺钉头与刮板侧板之间的结构和距离对比从对比中可见,经过变型设计以后,链轮轴向中面与光轮轴向中面之间的距离保持643.3mm不变;六角螺钉头部与刮板侧板之间的结构以及距离发生较大的变化:螺钉头移至外侧,螺钉头与刮板侧板之间的距离从3.9mm变为44.4mm,从动轴部件在运动过程中与底板部件再无干涉,结果满足变型设计的要求。
五、结束语本文以某大型联合收割机输送部件的从动轴部件为例,以SolidWorks软件为工具,介绍了零部件变型设计过程。
SolidWorks的配置功能和设计表功能为设计人员提供了变型设计的便捷方法,帮助设计人员在进行类似零部件设计的过程中避免完全重复建模的过程,节省设计人员大量的精力,并有助于对产品进行系列化及标准化。