氩弧焊气焊安全操作规程考试试卷
- 格式:doc
- 大小:33.50 KB
- 文档页数:2
考件编号: 姓名: 准考证号:单位:
评分人:年月日核分人:年月日
考件编号: 姓名: 准考证号:单位:
题得零分,终止该项目考试。
操作中违反安全操作规范、造成设备或仪表损坏,考生该题得零分。
评分人:年月日核分人:年月日
考件编号: 姓名: 准考证号:单位:
备注:该题为口述题,考官对不同考生在测评4个要点中选一个题提问,考生回答一题正确即可得分。
评分人:年月日核分人:年月日
考件编号: 姓名: 准考证号:单位:
考件编号: 姓名: 准考证号:单位:
备注:该题为口述题,考官对不同考生在测评4个要点中选一个题提问,考生回答一题正确即可得分。
评分人:年月日核分人:年月日。
气焊工试题及答案一、选择题(每题2分,共10分)1. 气焊中使用的气体是()。
A. 氧气B. 乙炔C. 氧气和乙炔D. 氮气答案:C2. 气焊时,焊枪与工件的夹角一般为()。
A. 30°B. 45°C. 60°D. 90°答案:B3. 气焊时,焊丝应该()。
A. 放在火焰中心B. 放在火焰外焰C. 放在火焰内焰D. 放在火焰根部答案:B4. 气焊时,焊丝的直径一般为()。
A. 0.5mmB. 1.0mmC. 1.5mmD. 2.0mm答案:C5. 气焊时,焊缝的冷却速度应该()。
A. 快B. 慢C. 适中D. 不确定答案:A二、判断题(每题1分,共5分)1. 气焊时,氧气瓶和乙炔瓶应该并排放置。
()答案:×2. 气焊时,焊枪的火焰应该保持稳定。
()答案:√3. 气焊时,焊丝应该在火焰的中心位置。
()答案:×4. 气焊时,焊缝的冷却速度越慢越好。
()答案:×5. 气焊时,焊枪的火焰应该随着焊丝的移动而移动。
()答案:√三、简答题(每题5分,共10分)1. 简述气焊时,如何正确选择焊丝的直径?答案:气焊时,焊丝的直径应根据焊接工件的厚度、焊接位置和焊接速度来选择。
一般来说,工件厚度越大,焊丝直径应相应增加;焊接位置越复杂,焊丝直径应适当减小;焊接速度越快,焊丝直径应适当增加。
2. 气焊时,如何控制焊接速度?答案:气焊时,焊接速度的控制应根据焊接材料的熔点、焊缝的宽度和深度、以及焊接材料的厚度来调整。
焊接速度过快会导致焊缝不均匀,过慢则可能导致焊缝过热和变形。
通常,焊接速度应保持在焊丝熔化速度和焊缝成形速度之间,以确保焊缝的质量和美观。
四、操作题(共5分)1. 请描述气焊过程中,如何进行预热和焊接?答案:气焊过程中,预热和焊接的步骤如下:- 首先,打开氧气和乙炔阀门,调整火焰至中性火焰。
- 然后,将焊枪对准工件的待焊部位,保持适当的距离和角度,进行预热。
焊接操作安全试题及答案一、选择题1. 焊接操作中最常用的保护眼睛的装置是:A. 焊接迷宫B. 面具或面罩C. 安全眼镜D. 护目镜答案:B2. 在进行电弧焊接时,下列哪种操作是错误的?A. 脱掉所有金属首饰B. 戴上绝缘手套C. 确保电焊机接地良好D. 使用合适的焊接电流答案:B3. 下列哪种防护措施是错误的?A. 确保焊接区域通风良好B. 在焊接过程中穿戴防火服C. 使用合适的焊接材料D. 确保工作场所整洁答案:C4. 进行气体保护焊接时,下列哪种气体容器是不适合使用的?A. 钢瓶B. 铝瓶C. 玻璃瓶D. 塑料瓶答案:D5. 以下哪种情况下焊接操作是不安全的?A. 使用带有裂纹的焊丝B. 喷涂防护涂层后立即进行焊接C. 在潮湿的环境下进行焊接D. 使用不合适的焊接电流答案:C二、判断题判断下列说法是否正确,正确的在括号内打“√”,错误的打“×”。
1. (√) 焊接过程中不需要穿戴防护手套。
2. (×) 焊接区域不需要通风。
3. (√) 在进行气体保护焊接时,需要使用合适的防护面具。
4. (√) 在进行电弧焊接时,需要戴上防护眼镜。
5. (×) 焊接室内可以存放易燃物品。
6. (√) 在焊接完成后应及时清理焊接区域垃圾和残渣。
三、简答题1. 简要说明为什么穿戴防护装备在焊接操作中是必要的。
答案:穿戴防护装备在焊接操作中是必要的,因为焊接会产生高温、明火、烟尘和飞溅的金属颗粒等危险物质。
防护装备可以保护焊工的身体免受火焰、热量、辐射和飞溅物的伤害,减少发生意外的风险。
2. 请列举三种常见的焊接安全事故,并说明如何避免它们。
答案:a. 烟尘中毒事故:避免烟尘中毒可以通过保持良好的通风,佩戴适当的防护口罩或呼吸器,以及在必要时使用排烟设备来减少烟尘的累积。
b. 火焰引燃事故:避免火焰引燃事故可以通过保持焊接区域整洁,清除易燃物品,并确保周围环境没有明火或火源。
c. 电击事故:避免电击事故可以通过正确接地焊接设备,检查焊接电缆和插头是否损坏,避免将焊接设备暴露在潮湿的环境中,并正确使用绝缘手套和鞋子等防护装备。
电、气焊工安全知识试卷(附答案)一、选择题(每题2分,共40分)1.下列哪种场所禁止进行电、气焊作业?A.有易燃易爆气体或液体存在的场所B.有足够通风条件的场所C.干燥、通风良好的场所D.有足够照明条件的场所答案:A2.下列哪种情况下,禁止进行电、气焊作业?A.附近有易燃易爆物品B.附近有高压电线C.氧气瓶和乙炔瓶距离在5米以上D.气焊枪的火焰能够照射到易燃物品答案:ABD3.下列哪种设备不属于电、气焊设备?A.电焊机B.气焊机C.砂轮机D.切割机答案:C4.下列哪种气体是氧气?A.颜色为蓝色,有刺激性气味B.颜色为无色,无味C.颜色为黄色,有刺激性气味D.颜色为绿色,有刺激性气味答案:B5.下列哪种气体是乙炔?A.颜色为蓝色,有刺激性气味B.颜色为无色,无味C.颜色为黄色,有刺激性气味D.颜色为绿色,有刺激性气味答案:A6.下列哪种情况下,电、气焊作业人员应立即撤离现场?A.发现火情B.发现泄漏C.发现高温D.发现有害气体答案:A7.下列哪种物品不属于易燃易爆物品?A.汽油B.酒精C.木材D.炸药答案:C8.下列哪种行为不属于电、气焊作业人员的安全行为?A.穿防护服B.戴防护眼镜C.用手触摸电焊枪的金属部分D.戴防护手套答案:C9.下列哪种设备不属于电、气焊设备的防护设备?A.防护眼镜B.防护手套C.防护口罩D.电焊机答案:D10.下列哪种情况下,电、气焊作业人员应立即停止作业?A.发现火情B.发现泄漏C.发现高温D.领导 calling 叫停答案:D二、判断题(每题2分,共20分)11.电、气焊作业应在有足够照明条件的场所进行。
()12.电、气焊作业人员应穿防护服、戴防护眼镜、防护手套、防护口罩等防护设备。
()13.电、气焊作业人员应定期进行安全培训,提高安全意识。
()14.电、气焊作业前,应检查设备是否完好,连接是否牢固。
()15.电、气焊作业过程中,应保持火焰稳定,防止熄灭。
()16.电、气焊作业过程中,应随时关注火焰和焊接部位,防止烫伤。
焊工安全操作考试题目一、选择题1. 焊工在进行焊接作业时应该戴哪种个人防护用品?A. 护目镜B. 耳塞C. 安全帽D. 手套2. 焊工进行电弧焊接时应该戴哪种防护用品?A. 焊接手套B. 防护面罩C. 安全帽D. 护目镜3. 焊工在进行气体焊接时应该戴哪种眼部防护用品?A. 护目镜B. 防护面罩C. 安全帽D. 耳塞4. 焊工在电弧焊接过程中,应该避免什么行为?A. 直接用手触摸电极B. 使用破损的焊接电缆C. 在无风的地方进行焊接D. 忽略使用地面电线5. 焊工在进行焊接作业时应该遵守哪项安全规定?A. 在缺乏光线的条件下进行焊接B. 不佩戴个人防护用品C. 在有易燃物质的地方焊接D. 忽略周围的工作人员二、判断题6. 在进行焊接作业时,焊枪的线缆必须保持完好无损。
A. 对B. 错7. 焊工可以随意更改焊接设备的参数以适应工作需求。
A. 对B. 错8. 在焊接作业过程中,焊工应该时刻关注电缆和焊枪的接头是否松动。
A. 对B. 错9. 焊接作业场所应该保持通风良好,以排除焊接产生的有害气体。
A. 对B. 错10. 焊工在进行气体焊接时可以不戴防护面罩。
A. 对B. 错三、填空题11. 焊工应该定期对焊接设备进行 ______ 。
12. 焊工在进行焊接作业时应该穿戴符合安全要求的_______ 。
13. 焊工应该保持焊接场地的整洁和 ______ 。
14. 焊工进行气体焊接时,焊接前需要检查气体管道是否有______ 。
15. 焊工进行电弧焊接时应该确保焊接区域没有 _______ 。
电、气焊工安全知识试卷范本一、单项选择题1. 对于电焊机的使用,以下说法正确的是:a) 可以将电焊机放置在潮湿的地面上使用b) 可以将电焊机长时间连续使用c) 使用电焊机时应戴好绝缘手套d) 不需要对电焊机进行定期维护和检查2. 在气焊操作过程中,以下哪些措施是正确的?a) 确保气瓶固定可靠,要远离明火和高温b) 可将带有火花的物品放置在气瓶周围c) 在气焊过程中可以吸烟d) 使用气焊设备时可以不佩戴防护眼镜3. 以下哪些动作是正确的电焊操作步骤?a) 在焊接之前不需要观察和检查焊接工件b) 当焊接工艺规程不明确时,可以随意选择焊接电流和电压c) 可以在焊接过程中将焊枪放置在不稳定的位置d) 使用电焊机时应保持焊接区域干燥,避免水分接触4. 在气焊操作过程中,以下哪些做法是安全的?a) 使用湿润的手套操作焊枪和气焊设备b) 在焊接工件周围,可以堆放易燃易爆物品c) 使用应力大的气瓶连接器d) 操作和维护气焊系统时应遵守安全操作规程5. 在电焊操作中,以下哪些情况需要及时采取应急措施?a) 焊接工件出现裂纹b) 引起焊接区域火灾c) 发现焊接工件存在缺陷时无需处理d) 发现电焊机部件缺失时不必报修二、判断题1. 电焊操作时,可以将焊接电缆和电源线交叉使用。
( )2. 在气焊作业时,可将气瓶直接暴露在阳光下。
( )3. 在电焊作业前,不需要进行机器保养和检查。
( )4. 气焊操作时,可以在焊接区域周围摆放易燃易爆材料。
( )5. 焊接作业时,可以不佩戴防护眼镜和头盔。
( )三、简答题1. 请简要叙述电焊机的正确使用方法和注意事项。
2. 请列举至少三项气焊作业中需要注意的安全措施。
3. 请描述电焊或气焊作业中的三种常见事故,并阐述如何避免这些事故的发生。
四、提问题1. 电焊作业中,如何正确选择适当的焊接电流和电压?2. 气焊作业中,气瓶存放的位置有何要求?五、应急处理题1. 在进行电焊作业时,发现焊接工件出现火灾,应该采取哪些应急处理措施?2. 在进行气焊作业时,气瓶发生泄漏,应该如何应对处理?以上是电、气焊工安全知识试卷范本。
焊工操作规程试卷内容焊工操作规程试卷内容一、选择题(共40分)1. 焊工在进行焊接操作前,应进行的安全措施有:A. 穿戴防护装备B. 确保工作场所通风良好C. 检查焊接设备安全可用D. 所有选项都正确2. 下列哪种情况下焊工需要换电焊机触摸焊接部位?A. 电焊机触摸焊接部位发热B. 电焊机触摸焊接部位发出异响C. 电焊机触摸焊接部位产生火花D. 所有选项都正确3. 焊工在进行焊接操作时,所使用的气瓶应放置在:A. 干燥通风的地方B. 离火源远的位置C. 与人员保持一定距离的地方D. 所有选项都正确4. 焊工在进行焊接操作时应遵循的原则是:A. 选择合适的焊接材料B. 控制焊接过程中的电流和电压C. 控制焊接过程中的速度和温度D. 所有选项都正确5. 焊工在进行焊接操作时,应注意以下哪些事项:A. 避免长时间连续焊接,并进行适当休息B. 确保焊接部位的清洁和干燥C. 避免焊接操作过程中人员站在雷区D. 所有选项都正确二、判断题(共20分)1. 焊工在进行焊接操作时应佩戴防护眼镜。
(对/错)2. 焊工在进行焊接操作时应使用合格的焊接材料。
(对/错)3. 焊工在进行焊接操作时应保持焊枪与焊接部位之间的距离不超过10毫米。
(对/错)4. 焊工在进行焊接操作时应将焊接电流设定在合适的区间内。
(对/错)5. 焊工在进行焊接操作时应使用合适的焊接设备和工具。
(对/错)三、填空题(共40分)1. 焊工在进行焊接操作时,应佩戴____________防护装备。
2. 焊工在进行焊接操作时,应确保焊接设备的安全性和____________。
3. 焊工在进行焊接操作时,应将焊接电流设定在合适的____________内。
4. 焊工在进行焊接操作时,应将焊接速度和____________控制在合适的范围。
5. 焊工在进行焊接操作时,应确保焊接材料的____________和____________性。
参考答案:一、选择题1. D2. D3. D4. D5. D二、判断题1. 对2. 对3. 错4. 对5. 对三、填空题1. 个人2. 可用性3. 区间4. 温度5. 选择、适应。
焊工考试试题(含答案)一、单项选择题1.电焊机的接地电阻限值不得大于()A.4ΩB.20C.1700【答案】A2.钨极氩弧焊或等离子弧焊操作时,放射性物质危害形式是含有()及其衰变产物的烟尘。
A.钨B.铈C.钍【答案】C3.生产经营活动在谁的行政管辖范围内,即由谁负责管理其安全生产活动,这叫()管理原则A.直辖B.属地C.垂直D.直接【答案】B4.乙炔燃烧引起火灾时,绝对禁止使用()A.灭火器泡沫B.水C.二氧化碳D.四氯化碳【答案】D5.置换焊补防爆的关键是()A.用惰性介质多置换几遍B.安全隔离C.控制可燃物质的含量符合动火要求D.用小电流焊接【答案】C6.高压气瓶距暖气片、电气设备的距离应大于()mA.2B.5C.3D.10【答案】C7.多台焊机的接零线应采用()联方式接入零干线A.并B.串C.同D.多【答案】A8.熔化极气体保护焊英文表示为"GMAW",英文"MAG"则表示()。
A.惰性气体保护电弧焊B.实心焊丝氧化性混合气体保护电弧焊C.管状焊丝气体保护焊【答案】B9.在高频电磁场的作用下,器官组织及其功能将受到损伤称()。
A.电磁生理伤害B.焊工尘肺C.电伤【答案】A10.焊工的绝缘手套不得短于()mm,制作材料应为柔软的帆布或皮革。
A.100B.200C.300【答案】C11.乙炔瓶表面温度不应超过()度。
A.20~30B.30~40C.50~60B12.可燃物质爆炸下限越低,爆炸极限范围越宽,爆炸危险性()。
A.越小B.越大【答案】B13.焊接时人体直接受到()损害,会引起操作者眼睛和皮肤的疾病,因此焊工操作时应佩戴防护面具和穿工作服。
A.有害气体B.有害粉尘C.弧光辐射【答案】C14.氧气瓶放气和打开减压器时,动作必须()。
A.缓慢B.迅速【答案】A15.管道系统试压前,系统安装施工和支、吊、托架( )工程必须完成。
A、组装B、安装C、吊装D、连接【答案】B16.铝合金缝焊时采用( )缝焊质且最好。
氩弧焊接考试试题及答案一、选择题(每题2分,共40分)1. 氩弧焊接是一种利用氩气作为保护气体的焊接方法,其主要特点是()A. 电流稳定、熔深大B. 氩气能防止氧气和水蒸气进入焊接区域C. 可焊接多种金属材料D. 执行焊接时不会产生较多的热量答案:B2. 氩弧焊接常用的氩气流量一般为每分钟()立方米。
A. 1-2B. 2-4C. 4-6D. 6-8答案:B3. 下列哪个金属最适合进行氩弧焊接?A. 铝B. 铜C. 钢D. 镍答案:C4. 氩弧焊接过程中产生的电弧温度一般可达到()摄氏度。
A. 2000-3000B. 3000-4000C. 4000-5000D. 5000-6000答案:C5. 在氩弧焊接过程中,电弧能量对焊接质量的影响最大的因素是()。
A. 电流B. 电压C. 氩气流量D. 焊接速度答案:A二、判断题(每题2分,共20分)判断下列说法是否正确,正确的写“√”,错误的写“×”。
1. √ 氩弧焊接可用于焊接常用金属和合金。
2. ×氩弧焊接只能用直流电源执行。
3. ×氩气是氩弧焊接中必须的保护气体,不能使用其他气体替代。
4. √ 氩弧焊接的焊缝质量很高,焊接强度较大。
5. √ 氩弧焊接时需注意避免被电弧伤害,应佩戴防护设备。
答案:1.√ 2.× 3.× 4.√ 5.√三、简答题(每题10分,共50分)1. 请简要说明氩弧焊接的工作原理。
答案:氩弧焊接利用氩气作为保护气体,通过高温电弧产生热量将工件熔化,并在保护氛围中进行焊接。
氩气能阻止氧气和水蒸气进入焊接区域,防止氧化和污染,从而提高焊接质量。
2. 请列举氩弧焊接的优点和缺点各两点。
答案:优点:(1)焊接质量高,焊缝强度大;(2)适用于多种金属材料,具有广泛的应用范围。
缺点:(1)设备投资较高,操作技术要求高;(2)焊接速度相对较慢,生产效率较低。
3. 请描述氩弧焊接参数设置的原则。
氩弧焊接考试试题及答案氩弧焊接是一种常见的金属焊接方法,广泛应用于工业生产中。
对于从事氩弧焊接工作的人员来说,掌握相关知识和技能是非常重要的。
为了提高氩弧焊接工人的技能水平,许多企业会组织氩弧焊接考试。
本文将介绍一些常见的氩弧焊接考试试题及其答案,帮助读者更好地了解和掌握氩弧焊接知识。
1. 试题一:请简要说明氩弧焊接的原理和特点。
答案:氩弧焊接是利用惰性气体氩作为保护气体,通过电弧将金属材料熔化并连接在一起的焊接方法。
其特点是焊接过程中不产生明显的氧化和氮化现象,可以保证焊缝的质量和外观。
同时,氩弧焊接还具有焊接速度快、焊缝质量高、熔深大等优点。
2. 试题二:请列举氩弧焊接的常见应用领域。
答案:氩弧焊接广泛应用于船舶制造、航空航天、汽车制造、石油化工、电力设备等行业。
在船舶制造中,氩弧焊接常用于焊接船体结构和船舶管道;在航空航天领域,氩弧焊接常用于焊接飞机发动机部件和航天器结构;在汽车制造中,氩弧焊接常用于焊接汽车车身和底盘等。
3. 试题三:请简述氩弧焊接的操作步骤。
答案:氩弧焊接的操作步骤包括准备工作、设备调试、焊接参数设置、焊接操作和焊后处理。
准备工作包括清洁焊接材料表面、检查设备和工具是否完好等;设备调试包括连接电源、调整电流和电压等;焊接参数设置包括选择合适的焊接电流、电压和氩气流量等;焊接操作包括将电极接触焊件、触发电弧、控制焊接速度和焊缝质量等;焊后处理包括清理焊缝、检查焊接质量和进行必要的修整等。
4. 试题四:请简述氩弧焊接中常见的焊接缺陷及其原因。
答案:氩弧焊接中常见的焊接缺陷包括气孔、夹渣、裂纹和热裂纹等。
气孔的原因主要是焊接材料表面存在油污、水分等杂质,或者焊接过程中氩气流量不足;夹渣的原因主要是焊接材料表面存在氧化物、锈蚀物等杂质,或者焊接过程中未及时清理焊渣;裂纹和热裂纹的原因主要是焊接材料的热应力过大,或者焊接过程中温度控制不当。
5. 试题五:请简述氩弧焊接中常见的焊接材料和焊接方法。
管道电焊氩弧焊考试题答案一、选择题1. 氩弧焊的工作原理是什么?A. 利用电弧的热量熔化母材和填充材料B. 利用高频电流激发氩气产生弧光C. 通过电磁感应加热实现焊接D. 利用压缩空气将熔化金属喷射到工件上答案:A2. 下列哪种气体不适合作为氩弧焊的保护气?A. 氩气B. 氮气C. 二氧化碳D. 氦气答案:C3. 管道电焊氩弧焊时,焊缝的清洁度要求是什么?A. 无需清洁B. 轻度油污可接受C. 必须完全清洁、无油污D. 表面锈蚀不影响焊接质量答案:C4. 管道电焊氩弧焊的电流选择应根据什么来确定?A. 焊工的经验B. 焊接速度C. 管道材料和厚度D. 焊接环境温度答案:C5. 在管道电焊氩弧焊中,焊工应如何控制焊枪的角度?A. 保持垂直于管道B. 根据焊接位置调整角度C. 保持水平D. 角度不影响焊接质量答案:B二、判断题1. 管道电焊氩弧焊过程中,焊工可以随时中断焊接以节省保护气。
答案:错误2. 焊接前的预热可以提高管道材料的焊接质量。
答案:正确3. 管道电焊氩弧焊时,焊缝的宽度和深度可以根据焊工的喜好调整。
答案:错误4. 氩弧焊适用于所有金属材料的焊接。
答案:错误5. 管道电焊氩弧焊完成后,焊缝的后处理工作同样重要。
答案:正确三、简答题1. 请简述管道电焊氩弧焊的操作步骤。
答:首先,清理管道接口及其周围区域,确保无油污、锈蚀等杂质。
其次,根据管道材料和厚度选择合适的焊接电流和保护气流量。
然后,调整焊枪角度,均匀送入填充材料,保持稳定的焊接速度和电弧长度。
最后,完成焊接后,进行焊缝的清理和检查,必要时进行后续的热处理。
2. 为什么在管道电焊氩弧焊中要使用保护气?答:保护气的作用是在焊接区域形成保护层,隔绝空气中的氧气、氮气和其他有害气体,防止它们与熔池接触,从而避免焊缝金属的氧化和气孔等缺陷的产生,确保焊接质量。
3. 描述管道电焊氩弧焊中常见的焊接缺陷及其产生原因。
答:常见的焊接缺陷包括气孔、夹渣、裂纹和未焊透等。
氩弧焊及气体保护焊习题库一、填空题(1空2分;共40分)1、钨极氩弧焊焊不锈钢,焊缝表面呈黑色,说明氩气保护效果最差。
A灰色B黑色 C 红灰色D蓝色(好坏顺序D-C-A-B)2、通常进行氩弧焊接时,保护气体氩气储存罐体上“氩气”字样的颜色为绿色。
3、手工钨极氩弧焊的英文缩写为TIG,平常焊接时通常会用高频振荡器引弧。
4、氩弧焊可以根据焊接时采用的电流分为直流氩弧焊和交流氩弧焊。
5、自动焊用的焊丝是盘状。
6、焊接后根据焊缝的空间位置把焊缝分为、、、、平焊缝、横焊缝、立焊缝、仰焊缝。
7、交流氩弧焊用于焊接、、铝、镁、铝青铜等合金。
8、气体保护焊是利用气体作为电弧介质并保护电弧和焊接区的电弧焊,它又叫做气体保护电弧焊,简称为气体保护焊。
9、氩弧焊的焊接速度通常由焊工根据熔池大小形状和焊件融合情况随时调节。
10、氩弧焊又称氩气体保护焊,就是在电弧焊的周围通上保护性气体氩,将空气隔离在焊区之外,防止焊区的氧化。
二、选择题(1题3分;共18分)1、氩弧焊电弧能够稳定燃烧的原因包括()ABCA.氩气是单原子气体B.氩气是惰性气体C.氩气密度比空气大D.氩气具有较强的氧化性2、下列那些是氩弧焊接的特点()ABDA.电弧的光辐射很强B.焊接设备比较复杂C.可以焊接薄板D.焊缝质量高3、氩弧焊采用的压缩气瓶的安全技术要点包括()ABDA.不得靠近火源B.要带安全帽C.可以暴晒D.瓶内气体不可全部使尽,应留有余压4、钨极氩弧焊的设备包括()ABCDA.焊接电源B.引弧及稳弧装置C.焊枪D.供气系统5、易燃物品距离钨极氩弧焊场所不得小于()m。
BA.3B.5C.13D.156、CO2气体保护焊焊接时,CO2气体在高温下将发生分解,生成CO2气体以及产生大量的(),因此要保证工作环境有良好的通风。
BA.氮气B.烟尘C.臭氧D.碳的颗粒三、判断题(1题2分;共12分)1、氩弧焊是焊接金属的金属熔池发生了化学反应。
()×没有任何化学反应2、氩弧焊可以焊接化学活泼性强和已形成高熔点、氧化膜的镁、铝、钛及其合金。
手工钨极氩弧焊操作试题第一题手工钨极氩弧焊小径管水平固定对接单面焊双面成型其余1.操作要求(1)焊接方法为手工钨极氩弧焊。
(2)焊接位置为水平固定。
(3)焊件坡口形式为V形坡口,坡口面角度32°±2°。
(4)单面焊双面成型。
(5)钝边高度与间隙自定。
(6)焊前焊件坡口两侧10~20mm清油除锈,坡口内点固一点,长度≤20mm,点固焊时充许做反变形。
(7)定位装配后,将装配好的试件固定在操作架上;试件一经施焊不得任意更换和改变焊接位置。
(8)焊接过程中劳保用品穿戴整齐;焊接工艺参数选择正确,焊后焊件保持原始状态。
(9)焊接完毕,关闭电焊机和气瓶,工具摆放整齐,场地清理干净。
2.准备工作(1)材料准备12CrlMoV钢管2节,规格为φ60mm×5mm×100mm,坡口面角度32°±2°;焊丝H08CrMoV A(TIG-R31)φ2.5mm;钨极WCeφ2.5mm;氩气1瓶。
(2)设备准备高频氩弧焊机或钨极氩弧焊机1台,或直流手工焊机1台。
(3)工具准备台虎钳1台,克丝钳1把,钢丝刷、锉刀、活扳手、台式砂轮或角向磨光机、焊缝测量尺等。
(4)劳保用品准备自备3.考核时限基本时间:准备时间20min,正式操作时间30min。
时间允许差:每超过5mm扣总分1分,不足5min按5min计算,超过额定时间15min不得分。
4、评分项目及标准序号评分要素配分评分标准1 焊前准备 5 1.工件清理不干净,点固定位不正确,扣3分2.焊接参数调整不正确,扣2分2 焊缝外观质量201.焊缝余高>3mm,扣3分2.焊缝余高差>2mm,扣3分3.焊缝宽度差>3mm,扣3分4.焊缝直线度>2mm,扣3分5.咬边深度≤0.5mm,累计长度每5mm扣1分;咬边深度>0.5mm或累计长度>18mm,扣5分6.用φ42mm的钢球进行通球,通不过,扣3分注意;①焊缝表面不是原始状态,有加工、补焊、返修等现象或有裂纹、气孔、夹渣、未焊透、未熔合等任何缺陷存在,此项考试按不合格论。
氩弧焊工考试题(C)姓名:编号:得分:一、名词、术语解释(10分)1、焊接材料:2、焊条电弧焊:3、焊接应力:4、夹渣:5、焊接烟尘:二、填空(30分)1、锅炉压力容器、压力管道是生产和人民生活中广泛使用的可能引起燃烧、或中毒等危险性较大的特种设备。
2、焊工应按焊接或焊接施焊。
3、低碳钢在室温下的金相组织为加体。
4、铁碳合金中,碳的质量分数为0.02%—2%的铁碳合金,称为;碳的质量分数≤0.25%的钢,称为。
5、焊芯和焊丝的主要作用是并。
6、焊条药皮的类型有、、钛铁矿型、氧化铁型、、石墨型、盐基型8种。
7、弧焊电源的外特性主要分为特性和特性两大类。
8、焊接方法可分为、和钎焊3大类。
9、焊条电弧焊可用于焊接钢、钢和钢以及铸铁、铜、铝、镍等有色金属极其合金。
10、焊条电弧焊引燃电弧的方法有和两种。
11、氩弧焊氩气的纯度直接影响保护效果。
焊接铝、镁及其合金氩气纯度不应低于;焊接不锈钢、铜及其合金氩气纯度不应低于。
12、对接接头的应力集中系数小,能承受的静载荷,接头效率。
13、T型接头的应力分布不均匀,疲劳强度。
14、焊接区内充满大量的气体,这些气体主要是CO、、H2O、H2、N2及金属、溶渣的蒸汽等。
15、氮是提高钢焊缝强度、硬度,塑性和韧性的元素。
16、根据溶渣的分子理论,当溶渣碱度值K>1.3时为渣。
17、内力与外力大小,方向。
18、焊后工件沿焊缝长度方向发生缩短,这一收缩变形,称为变形。
19、母材金属的导热系数越大、线胀系数越大焊后的变形。
20、用氧乙炔火焰加热矫正变形时,一般采用火焰。
低碳钢和低合金钢加热温度应控制在℃左右。
21、在焊缝收弧弧坑处的裂纹,称为裂纹。
22、装配间隙也是产生为焊透的原因之一。
23、焊条电焊弧产生咬边的原因之一是大。
24、焊缝咬边部位容易引起,降低承载能力。
25、焊工施焊后应将焊缝表面的溶渣、飞溅物等清除干净,并进行,合格后交检。
26、无损检测方法可分为和检测两大类。
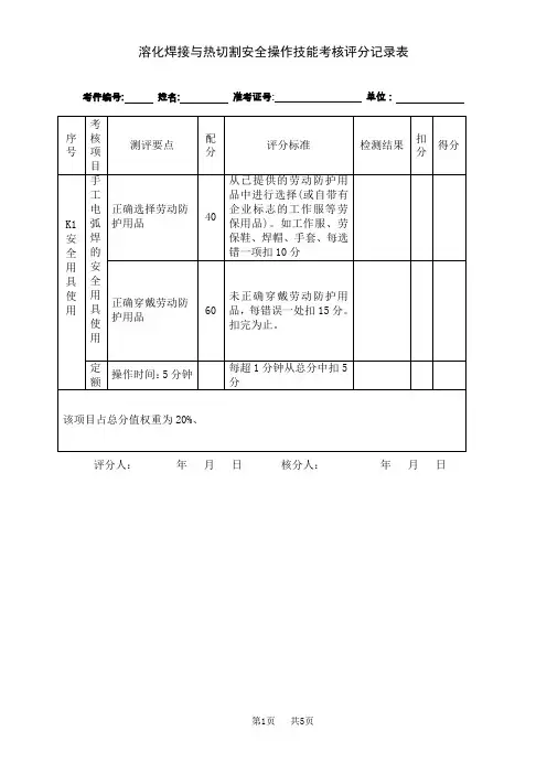
氩弧焊气焊安全操作规程考试试卷
单位姓名分数
一、填空题(每空2分,40分)
1“四不伤害”指的是:、
、。
2、生产过程中的“三违”现象是指:、、。
3、氩弧焊岗位危害因素有哪些、、。
4、气焊岗位危害因素有哪些、、。
5、氩弧焊作业前在接通电源之后,必须检查、,风机运转情况,确认程序后,方可和进入。
6、气焊在作业前检查施焊场地周围是否存在物品,检验气管是否及压力表是否。
二、判断题(正确的打“√”,错误的打“×”,每题2分,共计20分)
1、氩弧焊规范穿戴劳动防护用品后,可以裸露皮肤。
()
2、氩弧焊在室内进行作业时,工作地点要避风。
()
3、氩弧焊为减少高频对人体的危害,工作地点要保持干燥。
()
4、铅焊时场地应通风良好,皮肤外露部分应涂护肤油脂,工作完毕应洗漱()
5、燃烧的焊枪可以放在工件或地面上,不能对着人。
()
6、作业完成后将氧气瓶、乙炔气瓶阀门关好,拧上安全罩。
()
7、气瓶必须妥善摆放和保管,摆放时设有防倾倒装置。
( )
8、气焊作业时不得手持连接胶管的焊枪爬梯、登高。
()
9、氩弧焊机要有良好的接地或接零线。
()
10、在氩弧焊接作业时发生触电,首先救人然后在切断电源。
()
三、单项选择题(每题2.5分,共计40分)
1、作业人员需通过培训考核和取得()后方可上岗。
A、特种作业操作资格证
B、上岗证
C、上岗操作证
2、烫(烧)伤时用干净的冷水冲洗()分钟。
A、10
B、20
C、30
3、严禁在带压的容器或管道上焊、割,()应先切断电源。
A.带电设备B.旋转设备 C.运行设备
4、为降低高频对人体的危害,尽量减少高频的()
A、发射频率
B、强度
C、作用时间
5、贮存过易燃易爆及有毒物品的容器或管道上焊、割时,必须先()。
A、清除干净
B、焊枪烘烤
C、点火试探
6、气焊作业后注意事项精简:()。
A、关、察、请、记
B、观、察、清、记
C、关、查、清、记
7、氩弧焊在作业中必须注意工作地点()。
A、干燥、避风
B、干净、潮湿
C、干燥、通风
8、气焊作业结束后检查操作场地,确认无(),方准离开.
A 、杂物 B、其他人员 C、着火危险
9、氩弧焊作业结束后按照程序关(),关(),最后关()
A、气、水、电
B、水、电、气
C、电、气、水
10、遥控控制葫芦吊必须定人定岗作业,遥控器()保管。
A、专人
B、私人
C、任何人
11、气瓶必须妥善摆放和保管,摆放时设有()
A、防火装置
B、防盗装置
C、防倾倒装置
12、检验气管是否漏气,要用肥皂水,严禁用()
A、明火
B、手
C、眼睛观察
13、铅焊作业工作完毕应()。
A 、洗漱 B、洗手 C、刷牙
14、气割作业时严禁在()的容器或管道上焊、割。
A 、带压力 B、带电 C、带水
15、氩弧焊机要有良好的( ).
A 、接地或接零线 B、接电线 C、导线
16、气焊作业时不得手持连接胶管的焊枪()
A、爬梯登高作业
B、烘烤模具
C、照明。