岗位危险源告知书
- 格式:docx
- 大小:659.88 KB
- 文档页数:29
建设集团(西南)有限公司岗位危险源告知书前言为配合执行针对性安全技术交底,增强作业人员识险、辨险、控险能力,防范各工种特定事故伤害。
针对各工种、各施工场所危险因素的不同,特制定岗位危险告知书。
各项目经理部在进行安全技术交底的同时,应同时进行岗位危险源告知。
各项目经理部在进行岗位危险源告知时,可根据现场实际情况进行内容的完善和优化。
目录管理人员岗位告知书 (1)混凝土工岗位告知书 (3)架子工岗位告知书 (5)人工挖孔岗位告知书 (7)高空作业岗位告知书 (9)电焊(气焊)岗位告知书 (11)电工岗位告知书 (13)起重作业岗位告知书 (15)木工岗位告知书 (17)钢筋工岗位告知书 (19)风钻工岗位告知书 (21)普工岗位告知书 (23)钻孔灌注桩岗位告知书 (25)喷浆岗位告知书 (27)隧道开挖岗位告知书 (29)场内机械车辆操作岗位告知书 (31)机动车驾驶岗位告知书 (33)马路清扫及交通指挥工岗位告知书 (35)沥青混凝土岗位告知书 (37)桩机操作工岗位告知书 (40)轧石工岗位告知书 (42)衬砌岗位告知书 (43)张拉工岗位告知书 (45)涉爆作业岗位告知书 (47)管理人员岗位危险告知书:你将从事管理工作,存在着高处坠落、物体打击、触电等岗位危险,予以告知。
你在作业时务必遵守相关的规章制度、专项工程安全施工方案、安全技术措施,并熟记作业要点及其特性,掌握好相应的安全防范技能;进入作业场所后,要进行重新检查,发现异常情况和不安全因素必须及时采取有效措施排除;要正确使用和佩戴劳动保护用品,在做好自我防范的同时,还要认真贯彻联保互保。
同时对以下针对性措施必须经常对照执行:1、认真学习、贯彻执行国家和上级和项目部有关安全生产及操作规程的规定,保障施工生产中的安全技术措施的制定和实施。
2、在制定和审查施工组织设计和方案过程中,要在每个环节中贯穿安全技术措施。
对确定后的方案,若有变更,应及时组织修定。
危险源告知书施工班组:在你班组从事的施工作业现场,存在各种危险源,将危险源及预防措施告知你班组,并要求你班组将危险源及预防措施告知到每一位作业人员,严格遵守规章制度切实采取安全技术措施,认真做好安全防范,保证安全生产。
1、危险源:高处坠落,物体打击。
告知措施;(1)安装脚手架,模板等设施,应当编制拆装方案,制定安全施工安全措施,并在施工时有专业的技术人员现场监督。
(2)在高处作业时,要进行安全教育,提高安全意识。
(3)戴安全帽,系好安全带,挂好安全网。
(4)高空作业点下方不得有人逗留,工作中严禁上下抛掷工具和材料。
(5)严禁用绳索,软线,链条等物件代替安全带。
(6)在大雨和五级大风以上时,应停止高处露天工作,应停止高处大型构件起重吊装等作业。
(7)高处作业人员严禁穿硬底鞋。
(8)塔吊在挂钩的同时严格按照操作,坚持《十不吊》的原则(9)塔吊和指挥工操作是必须密切配合,信号清晰明确。
2、危险源:临边作业告知措施;(1)认真做好四口五临边防护,及时调整施工方法和采取预防措施。
(2)临边作业时必须戴好安全帽,系好挂好安全带。
3、危险源:挖孔桩施工告知措施;认真遵守《人工挖孔桩安全技术交底》4、危险源:触电告知措施(1)施工用电其设备绝缘必须良好,凡有裸露带点的电气设备和易发生点击的危险区,都要设围栏,护网,箱,闸等都要设置为栏设施。
(2)施工用电的线路及设备,应按施工组织设计安装设置,并符合供电部门的规定。
(3)严禁将电线线路搭靠或固定在机械,栏杆,钢管,及金属件上。
(4)手持电动工具应由专人管理,手柄绝缘良好,凡不符合要求的机具严禁使用。
(5)变,配电室严禁使用易燃的材料建筑,建筑结构应符合防火,水,漏,盗,防小动物串入通风良好的要求,在采用外来电源和自备发电机的两个电源交替使用时,必须安设能防止两个电源的连锁装置。
(6)施工现场生产和生活用电要统一规范,布局合理,并保持接地可靠,做到三级控制两级保护。
危险源告知书 SANY GROUP system office room 【SANYUA16H-危险源告知书各部门:在你部门从事的生产作业现场,存在各种危险源,现将危险源及预防措施告知你部门,并要求你部门将危险源及预防措施告知到每一位员工,严格遵守规章制度,切实采取安全技术措施,认真做好安全防范,保证安全生产。
1、危险源:变压器、有超负荷烧毁,漏电的危险告知措施。
(1)经常对变压器的使用情况进行检查,应定期维护,特别是用电高峰时期的用电维护,制定维护措施,有专业人员经常现场监管。
(2)教育员工,注意用电安全,防止线路短路,提高用电安全意识。
(3)在对变压器维护时一定要严格操作规程,做好个人防护措施。
(4)高空作业时应系好安全带,佩戴安全帽,作业点下方不得有人逗留,工作中严禁上下抛掷工具和材料。
(5)严禁用绳索、软线、链条等物件代替安全带。
(6)遇有雷雨天气应停止维护保养。
(7)作业人员禁止穿硬底鞋。
(8)对变压器维护的使用的专用工具要求经常检查维护,如绝缘杆是否有效等。
2、危险源、发电机(1)在起动发电机前应检查发电机动力机的机油,燃油情况检查是否有漏油,缺油现象发生。
(2)对发电机的配电盘进行检查,查看有无螺丝松动,电线踝露情况发生,如有应及时修复。
(3)起动发电机时,不能直接挂负荷,以免超负荷烧毁发电机。
(4)在发电作业时要有人经常看护,注意发电机运行变化,如有异常及时处置。
(5)严格操作规程,禁止违章操作。
(6)发生结束时应对发电机进行检查,及时调整,并正常维护保养,确保使用安全。
3、危险源、电热水器(1)要熟知电热水器的使用性能,对热水器经常维护保养。
(2)经常检查热水器的“注水线”,防止水位过低烧毁电器设备,或造成漏电伤人。
(3)对热水器定期检查,及时调整。
(4)热水器使用过程中应做到人走断电。
(5)教育员工和乘客注意安全使用热火器防止烫伤事故发生。
4、危险源、车辆线路牌(1)车辆线路牌属高空悬挂物,要经常检查其使用情况,防止线路牌因固定螺丝松动,掉落伤人。
施⼯岗位危险源告知书范本甲⽅(发包⽅/建设单位)信息:单位名称:__________________________________法定代表⼈/负责⼈:_________________________联系电话:__________________________________地址:______________________________________⼄⽅(承包⽅/施⼯单位)信息:单位名称:__________________________________法定代表⼈/项⽬负责⼈:_____________________联系电话:__________________________________地址:______________________________________鉴于:甲⽅委托⼄⽅进⾏_________(项⽬名称)的施⼯⼯作,为确保施⼯安全,根据《中华⼈⺠共和国安全⽣产法》、《建设⼯程安全⽣产管理条例》等相关法律法规要求,甲⽅特此向⼄⽅全⾯告知本项⽬施⼯过程中可能存在的危险源,并要求⼄⽅采取相应的预防和控制措施,确保施⼯安全。
⼀、施⼯岗位危险源概述⾼空作业危险:包括但不限于脚⼿架搭建与使⽤、外墙施⼯、吊装作业等,存在坠落⻛险。
电⽓作业危险:施⼯现场临时⽤电、电⽓设备操作不当易引发触电、短路、⽕灾等。
机械伤害危险:使⽤各类施⼯机械(如挖掘机、搅拌机、切割机等)时,操作不当或设备故障可能导致伤害。
坍塌危险:基坑开挖、模板⽀撑不稳固等易导致⼟⽅、结构坍塌。
物体打击危险:⾼空坠物、材料堆放不当等可能造成⼈员伤害。
化学危险品危险:油漆、焊接⽓体、清洗剂等化学品使⽤不当可能引起中毒、⽕灾或爆炸。
环境因素危险:⾼温、低温、潮湿、噪⾳、粉尘等恶劣环境条件影响作业⼈员健康。
⼆、甲⽅责任与义务提供安全信息:全⾯、准确地向⼄⽅提供施⼯现场的安全⽣产条件、危险源分布及相关资料。
监督指导:对施⼯过程进⾏安全监督,发现违章作业⽴即制⽌,并要求整改。
中交三航局厦门港东渡港区0#-4#泊位改建工程项目经理部进场危险源告知书进场施工作业人员:施工作业现场,存在各种危险源,现将危险源及预防措施告知,并要求严格遵守本工程项目部各项安全管理规章制度,切实采取安全技术措施,认真做好安全防范,保证安全生产。
一: 危险源:高处坠落,物体打击告知措施;1、高处作业应严格遵守安全操作规程。
2、必须戴安全帽,系好安全带,挂好安全网。
3、高处作业点下方不得有人逗留,工作中严禁上下抛掷工具和材料。
4、严禁用绳索,软线,链条等物件代替安全带。
5、在大雨和五级大风以上时,应停止高处露天、大型构件起重吊装等作业。
6、起重机械在挂钩的同时严格按照操作,坚持《十不吊》的原则7、起重作业操作人员和司索指挥工操作是必须密切配合,信号清晰明确。
二、危险源:临边作业告知措施;1、认真做好四口五临边防护,保持与临边孔洞的安全距离。
2、临边作业时必须采取防护措施,戴好安全帽,系好挂好安全带。
3、认真遵守《安全技术交底》、《操作规程》三、危险源:触电告知措施1、非专职电工禁止触碰电源和安拆用电设备。
施工用电的线路及设备,应按施工组织设计安装设置,并符合供电部门的规定。
2、严禁将电线线路搭靠或固定在机械,栏杆,钢管,及金属件上。
3、手持电动工具应由专人管理,手柄绝缘良好,凡不符合要求的机具严禁使用。
4、禁止在现场和生活区宿舍、办公区私拉乱拽电线。
5、电焊电工等特种作业人员必须持证上岗,电焊机必须接地,用毕后必须切断电源.。
四、危险源:机械伤害告知措施1、操作前首先要了解机器设备性能,掌握机器的操作规程。
2、操作工人要必须遵守机器的操作规程,进行操作,周边工人要保证足够的安全距离。
3、严禁非专业工人进行机器操作五、危险源:爆炸告知措施;1、氧气瓶、乙炔瓶固定放置,间隔不小于5m.2、氧气瓶乙瓶不能暴晒,要在通风良好的通风地方放置。
六、危险源:溺水告知措施;1、临水、临边作业必须穿救生衣。
2、严格遵守相关安全管理制度和操作规程。
危险源、职业病危害因素、环境因素告知书同志:您所在的无损检测岗位,生产作业过程中存在的危险源、职业危害因素、环境因素:射线辐射、物体坠落、起重吊运、物体打击、机械伤害、触电、环境不良。
如防护操作不当,该危险源、职业危害因素可能对您的身体造成损害。
导致职业病或职业伤害。
我公司已按照国家有关法律规定,对职业危害因素采取了防护措施,并配备了个人防护用品安全帽、工作服、防护手套、工作鞋、耳护具。
同时,为预防职业危害因素导致职业病及伤害事故的发生,依据《中华人民共和国安全生产法》、《中华人民共和国职业病防治法》及《中华人民共和国劳动合同法》的规定,我公司将对您进行:1、上岗前和在岗期间的职业安全卫生培训,指导您正确使用相关的职业病防护设备和个人防护用品。
2、我公司针对不同的岗位安排员工进行上岗前、在岗期间和离岗时的职业健康检查,并将检查结果如实告知员工。
您有义务按照公司的要求参加上岗前、在岗期间和离岗时的职业健康检查。
职业健康检查费用由本公司承担。
3、一旦您出现与本岗位职业病危害因素相关的疾病,并且通过国家职业病诊断机构确诊因接触本岗位的职业病危害因素导致职业病,本公司将按照《职业病防治法》、《工伤保险条例》的相关规定执行。
4、根据《中华人民共和国职业病防治法》的规定,您有义务履行以下规定:⑴自觉遵守我公司制定的本岗位职业卫生操作规程和制度;⑵正确使用职业病防护设备和个人防护用品;积极参加职业卫生知识培训;⑶定期参加职业健康检查;⑷发现职业病危害隐患、事故应当及时报告;⑸树立自我保护意识,积极配合用人单位,避免职业病的发生;⑹离职时,应该按照我公司的规定参加离职时的职业健康检查。
若因您不履行前款规定的义务导致本人或者他人损害并进而导致公司承担任何支付和补偿责任的,我公司将有权追究您的个人责任。
同时,欢迎您随时提出有效的预防职业病的建议。
特此告知。
本告知书为劳动合同附件我已仔细阅读了上述内容并同意。
单位盖章:员工签字:年月日年月日员工安全承诺书有限公司1.坚持认真贯彻“安全第一、预防为主、综合治理”的方针和国家劳动保护政策法律法规。
高空作业岗位危险告知书尊敬的高空作业人员:您即将从事的高空作业岗位,涉及到一系列的危险和风险。
为确保您的安全和健康,特向您发出本告知书,提醒您在进行高空作业时应注意的风险和防范措施。
一、高空作业的危险性1. 高度风险:高空作业涉及到从高处的位置进行工作,无论是在梯子、脚手架还是高处设备上,都存在高度风险。
一旦发生意外,可能导致严重的伤害甚至死亡。
2. 落空风险:由于高空作业的特殊环境,一旦从高处坠落,可能造成不可逆转的伤害。
因此,必须严格执行使用个人防护设备(如安全带)的规定,确保自身的安全。
3. 坠物伤害:高空作业过程中,可能会有工具、材料等从高处掉落造成伤害,对身边的他人产生危险。
因此,需要注意防止工具和材料的坠落,避免对他人造成伤害。
4. 天气条件:天气条件对高空作业带来重要影响,如恶劣的天气(如风雨、雪)可能使高处的工作环境更加危险。
需要根据天气预报进行合理的安排和调整,确保作业的安全。
5. 特殊技能要求:高空作业需要一定的技能和经验,只有熟悉操作规程和掌握相关技巧的人员才能进行此类工作。
对于未经培训的人员,严禁从事高空作业。
6. 健康问题:长时间进行高空作业可能对身体健康产生不利影响,如腰间盘突出、颈椎病等。
因此,需要合理安排工作时间和休息,以保护身体健康。
二、高空作业的防范措施:1. 合理选用和使用作业设备:根据工作环境的实际情况,选择稳定、可靠的高空作业设备。
在使用过程中,要严格按照操作要求进行操作,防止设备故障导致的事故发生。
2. 佩戴个人防护装备:高空作业人员必须佩戴适当的个人防护装备,如安全带、安全帽、护目镜、防滑鞋等,确保人身安全。
3. 定期检查设备:高空作业设备必须经常进行定期检查和维护,确保其正常工作。
一旦发现设备有损坏或故障,应立即停止使用,并及时报告相关人员进行维修和更换。
4. 防止坠物伤害:在高空作业过程中,必须采取措施防止工具和材料的坠落。
如钢丝网应设置在作业区域周围,要定期清理工具和材料,防止其造成伤害。
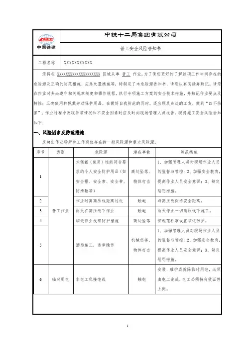
普工安全风险告知书
四、从业人员的权利和义务
1、享有的权利
(1)享受工伤保险待遇和人身伤害索赔权;(2)危险因素和应急措施的知情权;(3)安全管理的批评、检举、控告权;(4)拒绝违章指挥和强令冒险作业权;(5)危险情况下的停止作业和紧急撤离权;(6)获得符合国家标准和行业标准的劳动防护用品权;(7)获得安全生产教育和培训的权利;(8)对本单位安全生产工作的建议权。
2、应遵守的义务
(1)自律遵规的义务,即从业人员在作业过程中,应当遵守本单位的安全生产规章制度和操作规程,服从管理,正确佩戴和使用劳动防护用品;(2)自觉学习安全生产知识的义务,要求掌握本职工作所需的安全生产知识,提高安全生产技能,增强事故预防和应急处理能力;(3)危险报告义务,即发现事故隐患或者其它不安全因素时,应当立即向现场安全生产管理人员或者本单位负责人报告。
承诺书
本人已清楚了解所从事工作的安全风险,愿意承担此风险,在工作中严格遵守、落实相关措施,关注自身安全。
被告知人(签字):中铁十二局集团有限公司
XXXXXXXXXXXXXXXXXXXXXXXXXXXXX项目经理部
(章)
日期:年月日。
工厂装配作业危险源告知书尊敬的工厂装配作业人员:为了保障您的人身安全和健康,特向您发布本次工厂装配作业的危险源告知。
1.作业环境危险源1.1 高处作业:在工厂装配作业中,可能会需要进行高处作业,如上下梯子、攀爬、操作吊篮等。
请注意安全,使用合适的防护设备,确保身体平衡,防止高处坠落事故。
1.2 机械设备:工厂装配作业中经常会使用各种机械设备,如起重机、叉车、压力机等。
请严格按照操作规程使用这些设备,避免发生意外伤害。
1.3 电气设备:在工厂装配作业中,常常需要接触电气设备。
请确保设备的正常工作,并正确使用绝缘工具和个人防护装备,避免触电事故的发生。
2.物料危险源2.1 有毒物质:在工厂装配作业中,有可能接触有毒物质,如化学药品、有害气体等。
请戴好防护口罩和手套,并遵循相关操作规程,避免中毒事故。
2.2 易燃物质:工厂装配作业中常常使用易燃物质,如液化石油气、溶剂等。
请注意防火防爆措施,保持作业场所的通风良好,避免火灾发生。
2.3 重物压迫:在工厂装配作业中,可能会有重物压迫的风险,如吊装过程中的失控或翻滚等。
请确保操作符合标准,并使用合适的吊装设备。
3.人为因素3.1 人身伤害:请注意个人安全,不要随意触碰机械设备,避免被机械设备夹伤、划伤等。
3.2 疲劳作业:长时间的连续工作容易导致疲劳,增加工作事故的风险。
请合理安排工作时间和休息时间,避免疲劳作业。
4.应急措施4.1 在工厂装配作业中,如发生危险情况,请及时向上级汇报,采取紧急救援措施,并按照工厂的应急预案进行处理。
4.2 遇到紧急情况时,应用紧急停机按钮或设备提供的其他紧急停机方式,以避免事故进一步扩大。
总结本次工厂装配作业危险源告知涵盖了作业环境、物料和人为因素的危险源,以及相应的应急措施。
请各位工厂装配作业人员严格遵守相关规定和操作规程,并牢记安全第一的原则,共同维护好安全生产的大局。
祝工作顺利,平安无事!签字栏]。
危险源告知书
各位同事、工友:
在施工作业现场,存在各种危险源,现将危险源及预防措施告知您,请严格遵守规章制度,切实采取安全技术措施,认真做好安全防范,保障生产安全。
1、高处坠落、物体打击告知防范措施
(1)正确使用劳动防护用品,戴好安全帽,系好安全带,挂好安全网,穿好防滑鞋,禁止穿硬底鞋;(2)高空作业点下方设置警戒区域,下方不得有人逗留;(3)在大雨和五级大风以上时,禁止高处露天作业。
(4)注意四口五临边防护,及时采取预防措施;(2)临边作业必须戴好安全帽,系好挂好安全带。
3、触电、火灾
告知防范措施
(1)各线路不得超负荷运行,专业电工规范接线,禁止非专业电工接电。
(2)施工用电系统必须有保证灵敏可靠的两级以上漏电保护;施工用电与生活用电线路分开架设。
(3)发生电气设备触电事故时,首先切断电源,然后进行抢救、抢修。
(4)现场生产和生活用电要统一规范、布局合理,并保持接地、接零装置可靠,做到“三级配电”,“两级保护二
4、机械伤害、起重伤害
告知防范措施
(1)操作前首先要了解机器设备性能;(2)操作前首先要掌握机器的操作规程;
(3)现场作业时,要保证足够的安全距离;(4)严禁非专业人员进行机器操作。
5、爆炸、中毒、窒息
告知防范措施
(1)氧气瓶、乙瓶固定放置,间隔不小于5叱(2)氧气瓶乙瓶不能爆晒,要保存在通风良好的通风地方放置;(3)有限空间作业必须遵循“先通风、再检测、后作业”原则。
(4)必须佩戴好安全帽,系紧帽绳及其它防尘用品;高空作业必须系好安全带。
被告知人:。
岗位危险告知书
工种:高处作业编号:
你将从事的高处作业,作业存在着坠物伤人、物体打击、高处坠落、触电等岗位危险,予以告知。
你在作业时务必遵守相关的规章制度和操作规程,并熟记作业要点及其特性,掌握好相应的安全防范
技能;进入作业场所后,要进行重新检查,发现异常情况和不安全因素必须及时采取有效措施排除;要正确使用和佩戴劳动保护用品,在做
好自我防范的同时,还要认真贯彻联保互保。
同时对以下针对性措施必须经常对照执行:
1、作为人员须经安全教育,熟悉现场环境和施工安全要求,按《高处作业证》内容检查确认安全措施落实到位后,方可作业。
2、作业人员上班必须戴安全帽、拴安全带、穿防滑鞋,作业前要检查其符合相关安全标准,作业中应正确使用。
3、高处作业时须系好安全带,并正确使用个人防护用品,备带工具袋,严禁从高处向下乱扔物件等,严禁酒后进行高处作业。
4、在吊装作业中,提升或下降必须平稳,不准有冲击,振动等现象发生,不允许任何人随同吊装设备升降,在吊装过程中,如因故(停电等)中断,必须采取措施进行处理,不得使吊装物体悬空过夜。
5、在石棉瓦、瓦檀板等轻型材料上作业,应塔设并站在固定承重板上作业。
6、高处作业下方严禁站人,与其他作业交叉进行时,必须按指定的路线上下,禁止上下垂直作业,若必须垂直进行作业时,应采取可靠的隔离措施。
7、高处作业应有足够的照明,在电器设备(或线路)旁高处作业应符合安全距离要求,带电高处作业必须使用绝缘工具。
8、高空作业需通迅工具联系时,必须指定专人负责联系。
被告知者签字(指印):
单位:
时间:年月日
此告知书一式二份,一份交作业者本人留存,一份留项环保目部存档备查。
危险源告知书
施工班组:
在你班组从事的施工作业现场,存在各种危险源,现将危险源及简要防范措施告知你班组,并要求你班组将危险源及预防措施告知到每一位作业人员,严格遵守规章制度切实采取安全技术措施,认真做好安全防范,保证安全生产。
1、危险源:高处坠落、起重伤害、设备倾覆
告知措施:
(1)、使用架桥机进行梁板吊装作业,应当按照施工交底方案进行作业,严格执行预制构件安装作业和架桥机作业规程。
(2)、严禁酒后作业,禁止“三违”施工。
(3)、进入施工现场正确使用安全防护用品,高处、悬空作业系好安全带。
(4)、起重作业点下方不得有人逗留。
(5)、在大雨、大雾和六级以上大风时,应停止起重吊装作业。
(6)、高处作业人员严禁穿硬底鞋。
(7)、起重作业严格按照操作规程,坚持“十不吊”的原则。
(8)、吊装现场使用梯子时周围必须做好防护围挡。
2、危险源:触电
告知措施:
(1)、严禁将电线线路搭靠或固定在活树、机械设备、栏杆、钢管及其他金属件上。
(2)、开关箱必须设置漏电保护装置。
(3)、对用电设备、设施进行巡查,及时处理安全隐患。
(4)、非电工严禁进行电气专业。
3、危险源:梁板倒塌
告知措施:
梁板就位后及时进行加固和支撑。
告知人:被告知班组长:。
电工岗位危险告知书
尊敬的工作人员:
为了保障您的安全和健康,特此向您告知电工岗位的危险和防护措施,请务必仔细阅读并遵守以下内容:
电工岗位危险
1. 电击危险:在电工作业过程中,存在触及带电部分导致电击的危险。
2. 电弧危险:在电接触、拆卸电气设备或电缆时,产生电弧可能引发爆炸、火灾等危险。
3. 电烫伤危险:在高温电气设备附近作业时,未采取防护措施可能导致烫伤。
防护措施
1. 穿戴个人防护装备:在作业过程中,必须穿戴绝缘鞋、绝缘手套等符合安全要求的个人防护装备。
2. 注意绝缘:在接触电气设备时,请确保使用绝缘工具,避免直接接触带电部分。
3. 严禁擅自操作:未经授权或无相关技能的人员,严禁操作电工设备或进行维修。
4. 定期检查设备:对电气设备进行定期检查,确保其正常运行并消除安全隐患。
事故处理
在发生任何电工岗位事故或发现安全隐患时,请立即采取以下措施:
1. 立即切断电源:如果可能,第一时间切断电源,避免进一步事故扩大。
2. 寻求帮助:立即向负责人员或安全保障人员报告事故情况,并请求紧急救援。
3. 进行急救:在等待救援到达的过程中,可以根据情况自行进行急救措施。
请您务必始终注意电工岗位的安全,严格遵守防护措施,预防事故的发生。
谢谢您的合作!
注意:本告知书仅供参考,具体措施请根据实际情况制定。
岗位危险书面告知书工种:锅炉(熔盐炉、焙烧炉):你将从事的锅炉(熔盐炉、焙烧炉)作业,存在着高温、高压、泄漏等岗位危险,予以告知。
你在作业时务必遵守相关的规章制度和操作规程,并熟记作业要点及其特性,掌握好相应的安全防范技能;进入作业场所后,要进行重新检查,发现异常情况和不安全因素必须及时采取有效措施排除;要正确使用和佩戴劳动保护用品,在做好自我防范的同时,还要认真贯彻联保互保。
同时对以下针对性措施必须经常对照执行:1.上岗前必须穿戴齐全劳动防护用品。
2.严格执行安全操作规程,各负其职,互相配合。
3.操作炉前设备时,严格遵守操作制度,注意工作现场,防止将人撞伤、挤伤。
4.出渣机必须安排专人操作,转动前应鸣笛示警。
5.到煤气区作业时,必须两人以上同往并携带CO报警仪(且两人前后距离3米以上),必要时通知煤防人员现场监护。
6.严禁用未经烤干的凉铁器接触铁水,防止铁水遇冷爆炸伤人。
7.严禁在行车吊物下通过。
8.用氧气管制作的工具后部必须砸扁或封死;严禁用管制工具捅渣、铁水。
9.严禁用氮气或氧气吹扫身上灰尘。
10.出铁、放渣时禁止跨越主沟和下渣沟。
11.人工捅铁口时必须穿戴齐全劳保用品,站在主沟一侧,并侧身捅铁口,防止渣铁喷溅躲避不及,造成烧烫伤。
12.更换风口套时不得正对风口,必须戴好风帽、面罩,防止炉内塌料喷火烧伤。
13.炉前出铁场和风口平台严禁存放氧气瓶。
14.当铁口难开,放炭包等需要用氧气烧时:(1)装卸搬运氧气瓶必须小心轻放,防止损坏氧气瓶帽或安全阀,防止剧烈震动造成氧气瓶爆炸。
(2)氧气瓶严禁与油脂接触,氧气带必须脱脂,开氧气人员不得戴有油脂的手套。
(3)氧气瓶在阳光下暴晒,严禁放置与高温辐射区或危险区,距离明火必须保持在10米以上,并且10米内不准有接头和漏气。
15.当需要用大锤、钢钎时应注意事项:(1)扶钎人员必须戴手套,头部避开抡锤范围,且要检测钢钎有无毛刺,如有必须截掉后方可使用。
(2)打锤人员严禁戴手套,使用前检查锤头、锤把是否牢固,先试打方可用力。
:你将从事的挖掘机作业,存在着塌方、突水突泥、爆炸、物体打击、侧翻等岗位危险,予以告知。
你在作业时务必遵守相关的规章制度、专项工程安全施工方案、安全技术措施,并熟记作业要点及其特性,掌握好相应的安全防范技能;进入作业场所后,要进行重新检查,发现异常情况和不安全因素必须及时采取有效措施排除;要正确使用和佩戴劳动保护用品,在做好自我防范的同时,还要认真贯彻联保互保。
同时对以下针对性措施必须经常对照执行:1、作业前重点检查项目应符合下列要求:(1)照明、信号及报警装置等齐全有效;(2)燃油、润滑油、液压油符合规定;(3)各铰接部分连接可靠;(4)液压系统无泄漏现象2、从事基坑(漕)开挖时,先观察好周边土质情况和环境,在最坏的情况能够不伤及自身、设备和他人的情况下再作业。
3、挖掘悬壁时,应采用防护措施。
作业面不得留有伞沿及松动的大石块,当发现有塌方危险时,应立即处理或将挖掘机撤离至安全地带。
4、在电力线底下、光缆附近施工时,必须严格按照安全技术交底,时刻提高警惕,保护好电力电线、国防光缆。
5、向运土车辆装车时,宜降低挖铲斗,减小卸落高度,不得偏装或砸坏车厢。
在汽车未停稳或铲斗需越过驾驶室而操作人员未离开前不得装车。
6、工作时必须佩戴好劳动防护用品,带好安全帽并系好下额带。
7、禁止用挖斗载人或吊运物体。
8、工作时听从现场负责人统一指挥,严格遵守劳动纪律、三级安全教育及安全交底内容。
被告知者签字:项目部(盖章)年月日:你将从事的桩工作业,存在着物体打击、机械伤害、触电等岗位危险,予以告知。
你在作业时务必遵守相关的规章制度、专项工程安全施工方案、安全技术措施,并熟记作业要点及其特性,掌握好相应的安全防范技能;进入作业场所后,要进行重新检查,发现异常情况和不安全因素必须及时采取有效措施排除;要正确使用和佩戴劳动保护用品,在做好自我防范的同时,还要认真贯彻联保互保。
同时对以下针对性措施必须经常对照执行:1、作业前重点检查项目应符合下列要求:(1)照明、信号及报警装置等齐全有效;(2)燃油、润滑油、液压油符合规定;(3)各铰接部分连接可靠;(4)液压系统无泄漏现象2、作业之前必须检查钢丝绳是否完好,如有严重破损即停止使用。
危险源告知书班组:在你施工作业场所,存在各种危险源,将危险源及预防措施告知你,并要求你施工队将危险源及预防措施告知到每一位作业人员,严格遵守规章制度、安全操作规程,切实采取安全技术措施;加强作业人员的安全教育,认真做好安全防范,保证安全生产;一、危险源:违章用电、线路老化破损、作业人员未持证上岗告知措施:1、施工现场临时用电安全管理必须执行施工现场临时用电安全技术规范46-2005的规定;2、电气设备安装、维修或拆除等临时用电工程必须由专业持证电工进行,严禁无证操作,电工技术等级应同工程的难易程度和技术复杂性相适应;3、施工现场临时用电必须采用“TN-S的三相五线制”系统;采用“三级配电、两级保护”,一、二级配电箱外壳必须设重复接地,三级配电箱在比较集中的地方应设重复接地;4、电缆干线应采用埋地或架空敷设,严禁沿地面明敷设;5、架空线路应采用铁横担,水平架设,距地面一般不低于4米,跨越道路不低于6米;6、橡皮电缆应采用埋地穿保护管及沿墙或电杆等敷设,在沿墙或电杆敷设时用绝缘子固定,在金属构件上敷设时,应与金属构件之间做绝缘处理;7、电缆、电线严禁使用金属裸线绑扎固定;8、配电箱开关箱必须符合下列规定:1、开关箱与其所控制的固定式用电设备的水平距离不宜超过3米,漏电保护器应与所控制的设备容量相匹配;开关箱与二级配电箱的距离不得超过30米;各级配电箱周围2米以内不得堆放杂物,并且应设防雨措施;2 、各级配电箱内应设专用零线和保护零线端子,不得相互混接;箱内电气元件应排列整齐、牢固,配线横平竖直、美观,并且绑扎牢固;箱底引出线口应加橡皮绝缘互套,箱门应配锁;3、所有配电箱均应标明其名称、用途,并作出分路标记;4、所有配电箱门应配锁,配电箱和开关箱应由持证的电工负责使用管理;5、所有配电箱、开关箱应每月进行检查和维修一次;检查维修时必须按规定穿戴绝缘鞋、手套,必须使用电工绝缘工具;6、开关箱的操作人员必须熟悉开关电器的正确操作方法;7、配电箱、开关箱内不得放置任何杂物,并应保持经常维修和整洁;8、配电箱、开关箱内不得挂接其它临时用电设备,不准乱剪乱接电源线;9、配电箱、开关箱的进线和出线不得承受外力;严禁与金属尖锐断口和强腐蚀介质接触;9、电气倒闸操作按下述顺序进行1、送电操作顺序为:总配电箱--分配电箱--开关箱2、停电操作顺序为:开关箱--分配电箱--总配电箱出现电气故障的紧急情况除外;10、施工现场停止作业一小时以上时,应将动力开关箱断电上锁;11、对用电设备或者电气线路进行检查维修时,必须将其前一级相应的电源开头分闸断电,并悬挂“有人工作,严禁合闸”标牌,严禁带电作业;12、小型用电设备、发电机必须设防雨棚;13、发电机、配电箱、配电室内应设置灭火器材;14、电工随时检查用电线路是否老化、破损、接头裸露做好日常巡检;电工作业必须穿绝缘鞋、戴绝缘手套等防护用品,工具必须达到标准;二、危险源:机械故障、违章作业告知措施:1、操作人员、驾驶员必须持证上岗,严格遵守机械设备的安全操作规程;2、作业人员进入施工现场带好安全帽,高空作业挂好安全带,严禁违章指挥和违章作业;3、现场不得追逐打闹、睡觉等违反劳动纪律,严禁酒后上岗,衣着要正规,以防转动部位夹住;4、行走式的机械启动前做好照明、制动、档位系统的检查,排除安全隐患,严禁“带病”作业;5、启动前,观察周围是否有障碍物、人、动物等,确保周围安全的情况下,鸣笛启动,严禁在作业半径范围内作业人员以及机械设备作业;6、维修保养时,必须做到熄火,锁驾驶室,该垫的垫,该支的支,做好防护工作,人员离开时、必须熄火、锁驾驶室停到安全的位置;7、作业中驾驶员随时观察周围的情况,发现情况及时鸣笛警示;8、设备启动前,观察设备转动部位、皮带、用电线路是否正常,确保安全的情况下,鸣铃方可启动;9、作业时,随时观察设备转动部位、皮带、用电线路是否正常,发现异常情况,必须先停机后处理,不得在设备运行中从事清理、维修等工作;10、作业人员发现设备的异常情况,立即报告当班班长,先停机后清理、维修等工作;11、设备清理维修时,必须停机关总开关,锁配电室,悬挂“设备维修中,请入合闸”,并派专人监护,清理维修完后,作业人员全部离开危险部位,报告班长,确保安全的情况下,方可打开操作室合闸试机;三、危险源:违反动火作业规定、电气故障未及时检修告知措施:1、电气设备出现故障,未及时检修,容易导致火灾发生;2、氧气、乙炔瓶存放不合理分开10米、阴凉处存放,使用不规范分开5米,不检查输气管的老化、破裂会发生爆炸、火灾;3、发电机油桶旁无防火警示牌,消防设施不到位,作业人员在油库旁吸烟,使用明火,车辆加油时,不熄火容易发生火灾和爆炸;4、焊接作业时,火星四溅容易点燃周围的易燃物;四、危险源:高处作业未佩戴防护用品、未安装防护设施、违规作业告知措施:1、“三宝”防护措施1、进入施工现场的职工要戴安全帽;2、高空作业人员须系安全带;3、高处作业点的下方必须设安全网;2、临边、水上作业防护临边、水上平台的防护拦、铺板必须按照要求设置牢固,特别是水上作业,在施工平台周边必须设置防护栏杆,防护栏杆按照1.2m的标准高度设置,横杆离地高度规定为上杆~米,下杆~米,即位于中间;防护栏杆的受力性能和力学计算;防护栏杆的整体构造,应使栏杆上杆能承受来自任何方向的1000N的外力;护栏上加设安全网,平台通道满铺3mm厚的钢板,钢板必须具备防滑要求,并与平台工字钢焊接牢固,保证钢板的平稳,并在危险区域设置明显的警示标志;3、架子把住10道关1、材质关:严格按规定的质量、规格选择材料;2、尺寸关:严格按规定的间距尺寸搭设立杆、横杆、剪刀撑、栏杆等;3、铺板关:架板必须满铺,不得有空隙和探头板、飞跳板,并经常清除板上杂物,保持清洁、平整;木跳板厚度必须达5cm;4、栏护关:脚手架外侧和斜道两侧设1.2m高的栏杆和立网;5、连结关:按规定设剪刀撑和支撑;高于7m的架子必须连接牢固,不得摇晃;6、承重关:脚手架均布载荷,不超过27MPa;如超载,应采取加固措施以保证安全;7、上下关:为工人上下架子搭设马道或阶梯;严禁施工人员从架上爬上爬下,造成坠落事故;8、雷电关:必须做好脚手架的避雷和防电设施;9、挑梁关:悬吊式吊篮脚手架,除吊篮按规定加工、设篮护和立网外,挑梁架搭设要平坦和牢固;10、检验关:各种架子搭好后,施工现场负责人必须组织架工和使用工种共同检查验收,验收合格后方可上架操作;使用时,特别是大风、雷后,要检查架子是否稳固,发现问题及时加固,确保使用安全;五、危险源:起重作业违规操作、设备未年检、操作人员无证上岗告知措施:1、参加起重吊装的人员应持证上岗,并培训、考核,考核合格后方可上岗;2、作业前,应检查起重吊装所使用的起重机滑轮、吊索、卡环和地锚等,应确保其完好,符合安全要求;3、起重作业人员必须穿防滑鞋、戴安全帽,高处作业应佩挂安全带,并应系挂可靠和严格遵守高挂低用;4、吊装作业区四周应设置明显标志,严禁非操作人员入内;夜间施工必须有足够的照明;5、起重设备通行的道路应平整坚实;6、绑扎所用的吊索、卡环、绳扣等的规格应按计算确定;7、起吊前,应对起重机钢丝绳及连接部位和索具设备进行检查;8、高空吊装梁和斜吊法吊装柱时,应于构件两端绑扎溜绳,由操作人员控制构件的平衡和稳定;9、吊装大、重、新结构构件和采用新的吊装工艺时,应先进行试吊,确认无问题后,方可正式起吊;10、大雨天、雾天、大雪天及六级以上大风天等恶劣天气应停止吊装作业;事后应及时清理冰雪并应采取防滑和防漏电措施;雨雪过后作业前,应先试吊,确认制动器灵敏可靠后方可进行作业;11、吊起的构件应确保在起重机吊杆顶的正下方,严禁采用斜拉、斜吊,严禁起吊埋于地下或粘结在地面上的构件;12、起重机靠近架空输电线路作业或在架空输电线路下行走时,必须与架空输电线始终保持不小于国家现行标准施工现场临时用电安全技术规范JGJ46规定的安全距离;当需要在小于规定的安全距离范围内进行作业时,必须采取严格的安全保护措施,并应经供电部门审查批准;13、严禁超载吊装和起吊重量不明的重大构件和设备;14、起吊过程中,在起重机行走、回转、俯仰吊臂、起落吊钩等动作前,起重司机应鸣声示意;一次只宜进行一个动作,待前一动作结束后,再进行下一动作;14、开始起吊时,应先将构件吊离地面200~300mm后停止起吊,并检查起重机的稳定性、制动装置的可靠性、构件的平衡性和绑扎的牢固性等,待确认无误后,方可继续起吊;已吊起的构件不得长久停滞在空中;15、严禁在吊起的构件上行走或站立,不得用起重机载运人员,不得在构件上堆放或悬挂零星物件;16、起吊时不得忽快忽慢和突然制动;回转时动作应平稳,当回转未停稳前不得做反向动作;17、严禁在已吊起的构件下面或起重臂下旋转范围内作业或行走;18、因故天气、下班、停电等对吊装中未形成空间稳定体系的部分,应采取有效的加固措施;19、高处作业所使用的工具和零配件等,必须放在工具袋盒内,严防掉落,并严禁上下抛掷;20、吊装中的焊接作业应选择合理的焊接工艺,避免发生过大的变形,冬季焊接应有焊前预热包括焊条预热措施,焊接时应有防风防水措施,焊后应有保温措施;21、起重吊装“十不吊”规定1、起重臂吊起的重物下面有人停留或行走不准吊;2、无起重指挥或信号不明不准吊;3、钢筋、型材、管材等细长和多根物件必须绑扎牢靠,多点起吊;单头“千斤”或绑扎不牢靠不准吊;4、大型板、积灰斗不用四点吊或外挂墙板不用卸甲不准吊;5、吊装砌块、砖及埋件等小型料具,必须使用吊笼,并摆放整齐,叠放不整齐不准吊;6、吊物上站人不准吊;7、埋入地面的物件、粘结及附着的物件不准吊;8、氧气瓶、乙炔瓶等危险物品无安全措施不吊;9、遇六级以上强风不准吊;10、斜拉重物或超过机械允许荷载不准吊;六、危险源:超速行驶、违章行车告知措施:1、作业人员不得随意穿行高速公路特别是夜间;2、遵守交通规则,不得随意在高速公路上停车、违章行驶行驶;3、转弯、路口、栈桥口等危险处减速慢行限速5公里/小时、限重55t;七、危险源:照明不足、排水措施不完善、恶劣天气告知措施:夜间施工:做好场地的照明设施,机械设备的照明设施;雨季施工:做好排水措施,准备好应急物资,做好雨季施工防洪准备工作;风天施工:6级大风以上严禁高空作业;严禁吊装作业;告知人:告知时间:被告知人:告知时间:。
出纳岗位危险因素告知书模板示例1:[标题]出纳岗位危险因素告知书模板[正文]尊敬的员工:为了保障您的安全与健康,在您担任出纳岗位期间,我们特此向您提供以下的危险因素告知书。
请您仔细阅读,并严格遵守相关规定,以确保您的个人安全以及整个工作环境的安全。
1. 人身安全风险在出纳岗位上,您可能会面临以下人身安全风险:a. 抢劫和盗窃风险:由于处理大量现金和贵重物品,出纳岗位容易成为不法分子的目标。
请您保持警惕,提高警觉,避免和陌生人交谈或接触。
b. 伤害和意外风险:在操作硬币机、存款机等设备时,存在受伤或摔倒的风险。
请您在操作前确保设备安全,保持岗位整洁,注意使用安全防护装备。
2. 眼睛和耳朵健康风险出纳岗位可能面临以下眼睛和耳朵健康风险:a. 长时间盯着电脑屏幕:长时间盯着电脑屏幕可能导致眼疲劳和视力下降。
请您每隔一段时间进行眼部放松和休息,并确保工作区域的光线充足。
b. 噪音暴露:在工作过程中,您可能会遭遇噪音源,如打印机、传真机等,长时间暴露于噪音中可能对您的听力造成损害。
请您佩戴合适的听力保护设备,减少噪音暴露。
3. 心理压力风险出纳岗位可能会带来一定的心理压力,如:面对大量交易和跨部门的沟通等。
请您学会有效的心理压力管理方法,如定期休息、锻炼身体、与他人交流,以保持良好的心理健康。
4. 数据安全风险出纳岗位通常需要处理和管理大量的敏感数据和机密信息。
请您严格遵守公司的信息安全政策,确保数据的安全性和保密性。
同时,定期备份重要数据,以防止数据丢失或泄露的风险。
请您务必认真阅读以上内容,并严格遵守相关规定。
如有任何疑问或需要进一步的说明,请及时向上级主管或人力资源部门咨询。
最后,我们希望您能够保持高度警惕、严格遵守操作规程,确保您的个人安全和身心健康。
谢谢您的合作![公司名称][日期]示例2:标题:出纳岗位危险因素告知书模板尊敬的出纳岗位员工:为保障您的安全和健康,我们诚挚地向您提供一份出纳岗位危险因素告知书。
混凝土浇筑岗位危险告知书:你将从事的混凝土浇筑作业,存在着高处坠落、窒息、触电、坠物伤人等岗位危险,现予告知。
你在作业时务必遵守相关的规章制度、专项工程安全施工方案、安全技术措施及其他相关安全注意事项,并熟记作业要点及其特性,掌握好相应的安全防范技能;进入施工场所后,要进行重新检查,发现异常情况和不安全因素必须及时采取有效防范措施给予排除;要正确使用和佩戴劳动保护用品,在做好自我防范的同时,还要认真贯彻联保互保。
同时对以下针对性措施必须经常对照执行:1、捣墩柱、盖梁砼时平台外侧应设置可靠的栏杆和实现扶梯,墩高10米以上时,应加设安全网,施工过程中应设专人检查,保证牢固可靠,不得在模板上作业。
2、吊斗升降应有专人指挥,落斗下部不得有人停留,不得身倚栏杆推动吊斗,严禁吊斗碰撞模板和支架。
3、使用振捣器时,应由两人操作,一个控制振捣棒,一个配合控制电动机开关。
4、在进入较深的挖孔桩干灌砼或较高的墩柱模板内浇捣时,除做好个人防护外,必须佩戴好安全绳、安全帽、上下人员保持联系,必须机械通风,确保足够的氧气供给。
1、往沉井或基坑内运送砼时,应设滑槽或漏斗,并应与沉井或基坑内操作人员联系,通知躲开,方可倾倒砼。
2、发现振捣器有异常现象,应立即停止工作,检查修理。
3、操作捣固人员,必须穿胶鞋戴绝缘手套,湿手严禁触电气开关,电源线不得有破皮漏电。
4、混凝土浇筑现场必须设专人观摩模板承压变化情况,当发现异常时,立即停止浇筑,撤离所有参加作业人员,制定安全措施进行解决,只有当能够确保安全时方可重新开工作业。
被告知者签字:项目部年月日此告知书一式二份。
一份操作人员本人保留,一份留安质部存档备查。
架子工岗位危险告知书:你将从事的脚手架搭设作业,存在着坠物伤人、高空坠落、物体打击等岗位危险,现予告知。
你在作业时务必遵守相关的规章制度、专项工程安全施工方案、安全技术措施及其他相关安全注意事项,并熟记作业要点及其特性,掌握好相应的安全防范技能;进入施工场所后,要进行重新检查,发现异常情况和不安全因素必须及时采取有效防范措施给予排除;要正确使用和佩戴劳动保护用品,在做好自我防范的同时,还要认真贯彻联保互保。
同时对以下针对性措施必须经常对照执行:1、正确使用安全防护用品,在高处作业时必须系好安全带,穿防滑鞋,应将所需工具装在工具包内,传递工具不得抛掷或将工具放在平台或支架上,也不得插在腰带上,工具手柄设置碗口绳。
作业时精神要集中,团结协作、相互配合、听从统一指挥,不得“走过档、跳跃架子”等违章行为,严禁在架体上打闹开玩笑、更不能酒后作业。
2、必须严格执行安全技术交底,按照专项安全技术措施并结合各种型式脚手架的安全技术规范来搭设。
在特殊情况下必须遵循确保安全为原则完成架子架设。
3、认真检查脚手架所用材料,不符合规范的材料禁止使用。
4、遇到高温、大雨、大雪、大雾、六级以上大风等恶劣天气应停止高处露天作业。
被告知者签字(指印):项目部年月日此告知书一式二份。
一份操作人员本人保留,一份留安质部存档备查。
人工挖孔岗位危险告知书:你将从事的人工挖孔作业,存在着高空坠落、孔壁坍塌、触电、坠物伤人、有毒气体中毒和窒息等岗位危险,予以告之。
你在作业时务必遵守相关的规章制度、专项工程安全施工方案、安全技术措施,并熟记作业要点及其特性,掌握好相应的安全防范技能;进入施工场所后,要进行重新检查,发现异常情况和不安全因素必须及时采取有效措施排除;要正确和佩戴劳动保护用品,在做好自我防范的同时,还要认真贯彻联保互保。
同时对以下针对性措施必须经常对照执行:1、进入施工现场作业人员必须带好安全帽,佩戴相应的劳动保护用品。
井口的作业人员必须拴好安全带,系好保险钩。
2、浇注第一节砼护壁,应高出井沿20cm厚度同护壁。
要严格按照配合比施工、浇注护壁,确保护壁质量。
在浇注好后1天内禁止拆模。
3、井口周边2M范围以内不得堆放杂物,孔内运出的土石料应堆放在离进口2M以外的地方,并及时清理出场,保持作业场所整洁。
4、井下作业人员以持续作业时间2小时为宜,最长不超过3小时。
井下有人作业时,井上作业人员应每隔相应时间与其保持联系,不得擅自离开。
5、挖孔人员作业前,应先进行不少于15分钟的机械强制通风,出渣时,吊桶不得装的过满。
6、井底抽水时,应在挖孔作业人员上到地面后进行合闸抽水,抽水完立即关闭电源,严禁带电作业;进入井内的电源必须采用安全电压。
7、井下爆破时,必须由爆破员下井爆破,挖孔人员不得私自装药,爆破后,必须进行通风,当炮烟散净后方可下井作业。
入井人员必须逐级清除井沿、台阶上的浮渣,对护壁质量进行检查,发现开裂或破损时,必须先进行修复方可作业。
8、挖孔暂停或下班时,孔口应设置足够的强度罩盖。
被告知者签字(指印):项目部年月日此告知书一式两份,一份操作人员本人保留,一份留项目安质部存档备查。
高空作业岗位危险告知书:你将从事的高空作业,存在着高处坠落、坠物伤人、物体打击等岗位危险,现予告知。
你在作业时务必遵守相关的规章制度、专项工程安全施工方案、安全技术措施及其他相关安全注意事项,并熟记作业要点及其特性,掌握好相应的安全防范技能;进入施工场所后,要进行重新检查,发现异常情况和不安全因素必须及时采取有效防范措施给予排除;要正确使用和佩戴劳动保护用品,在做好自我防范的同时,还要认真贯彻联保互保。
同时对以下针对性措施必须经常对照执行:1、凡进入高处作业时,应使用脚手架、平台、梯子、防护栏杆、挡脚板、安全带和安全网,作业前应认真检查所用的安全设施是否牢固、可靠。
2、高空作业所用工具、材料严禁投掷,上下交叉作业确有需要时,可在中间设隔离设施。
3、高空作业应设扶梯,作业人员应沿扶梯上下,不得沿立杆与横杆攀登,高处作业时衣着要灵敏,禁止穿硬底和带钉易滑的鞋,不准赤脚。
4、当遇到各种恶劣天气时如:大风、大雾、雷雨等,不得进行露天高空作业。
5、作业时精神要集中,团结协作、相互配合、听从统一指挥,不得“走过档”和跳跃架子,严禁打闹开玩笑、酒后作业。
6、所用过程中要做好经常性检查、维修、禁止违章使用架子。
脚手架上作业人员在作业时,必须把安全带栓在安全可靠的钢管上,必须高挂低用。
7、高处作业人员,凡患有精神病、高血压、心脏病、癫痫病、贫血以及其他不适合于高处作业人员,不得从事高空作业。
身体不适或过度疲劳,不宜进行高空作业。
8、上下交叉作业人员的位置应错开,下部作业人员应处于上部落物的坠落半径范围外,不得在同一垂直方向上作业。
9、拆卸脚手架时必须从上而下进行逐层拆除,严禁从高空抛下。
被告知者签字(指印):项目部年月日此告知书一式两份,一份操作人员本人留存,一份留项目安质部存档备查。
电焊(气焊)工岗位危险告知书:你将从事的电焊(气焊)作业,存在着触电、灼烧、有毒气体、辐射和火灾等岗位危险,现予告知。
你在作业时务必遵守相关的规章制度、专项工程安全施工方案、安全技术措施及其他相关安全注意事项,并熟记作业要点及其特性,掌握好相应的安全防范技能;进入施工场所后,要进行重新检查,发现异常情况和不安全因素必须及时采取有效防范措施给予排除;要正确使用和佩戴劳动保护用品,在做好自我防范的同时,还要认真贯彻联保互保。
同时对以下针对性措施必须经常对照执行:1、金属焊接作业人员所用焊钳必须绝缘良好,严禁两台焊机共用一组保险丝。
2、氧气、乙炔钢瓶禁止暴晒、撞击,严禁放在接近热源的地方,两瓶间距离必须保持5米的安全距离。
3、气瓶上的截止阀、减压阀、回火阀装置应完好,使用气焊时必须按“先开乙炔,先关乙炔”的顺序操作。
4、必须遵守明火作业“十不焊割”制度。
5、焊工高空作业必须戴好安全帽、安全带,严禁将焊接电线、皮管缠在身上攀登。
6、盛装过易燃、易爆的液体、气体的容器等未经彻底清洗和测爆不能割焊。
7、输送氧气、乙炔的皮管应完好、不漏气、不可与油脂高温接触,严禁重物压管,同时电焊导线不得从氧气、乙炔或易爆气体管道附近通过,也不能与这些管道处于同一沟内,防止火花和锋利的材料落在胶管和导管上。
被告知者签字(指印):项目部年月日此告知书一式两份,一份操作人员本人留存,一份留项目安质部存档备查。
电工岗位危险告知书:你将从事的电工作业,存在着触电、灼伤、电气伤害等岗位危险,现予告知。
你在作业时务必遵守相关的规章制度、专项工程安全施工方案、安全技术措施及其他相关安全注意事项,并熟记作业要点及其特性,掌握好相应的安全防范技能;进入施工场所后,要进行重新检查,发现异常情况和不安全因素必须及时采取有效防范措施给予排除;要正确使用和佩戴劳动保护用品,在做好自我防范的同时,还要认真贯彻联保互保。
同时对以下针对性措施必须经常对照执行:1、电工作业必须经专业安全技术培训,考试合格并取得特种作业操作证后方可独立上岗操作,非电工人员严禁进行电气作业,电工作业应按规定正确使用防护个人用品,酒后不准进行电气操作。
2、电气设备的设置、安装、防护、使用、维修及线路架设必须符合有关安全技术规范要求。
3、线路上禁止带负荷接电或断电、电气设备、维修保养、线路检修、安装时,不得带电操作。
4、各线路不得超过额定容量运行,不可使用超过规定的容量保险丝,保险片。
5、施工用电系统必须有保证灵敏可靠的两级以上保护;施工用电与生活用电线路分开架设。
6、施工现场配电箱要有防雨措施,门锁齐全,有色标,统一编号,开关箱要做到一机一闸一漏一箱,箱内无杂物,开关箱、配电箱内严禁动力、照明混用。
7、各线路不得超过额定容量运行,不可使用超过规定的保险丝、保险片。
8、维修电器设备时,必须先切断电源,取下熔断丝,挂上警示牌,经验电确认无电方可作业,通电试验外壳要接地,禁止他人靠近。
9、高空作业必须有人监护、系安全带,使用竹木梯子要牢固平稳角度适合,不准上下抛物。
10、凡裸体带电荷的空架配电线路在通过各种容易发生危险的地段,应挂有警示标牌,引人注意。
11、遇有异常雷雨时,特别注意电气设备的用电安全,严防受潮漏电,必要时,应拉闸停电,确保安全。
12、发生电气设备触电事故时,首先切断电源,然后进行抢救、抢修。
相关人员需熟悉触电救护知识。
被告知者签字(指印):项目部年月日此告知书一式两份,一份操作人员本人留存,一份留项目安质部存档备查。
起重作业岗位危险告知书:你将从事的起重作业,存在着坠物伤人、物体打击、高空坠落、触电等岗位危险,现予告知。
你在作业时务必遵守相关的规章制度、专项工程安全施工方案、安全技术措施及其他相关安全注意事项,并熟记作业要点及其特性,掌握好相应的安全防范技能;进入施工场所后,要进行重新检查,发现异常情况和不安全因素必须及时采取有效防范措施给予排除;要正确使用和佩戴劳动保护用品,在做好自我防范的同时,还要认真贯彻联保互保。
同时对以下针对性措施必须经常对照执行:1、起重工必须经专门安全技术培训,考试合格后取得操作证后方可上岗,无证人员不得独立顶岗作业,作业时必须严格执行安全技术交底,听从统一指挥。