卫生间周边混凝土反边施工方案
- 格式:doc
- 大小:45.50 KB
- 文档页数:4
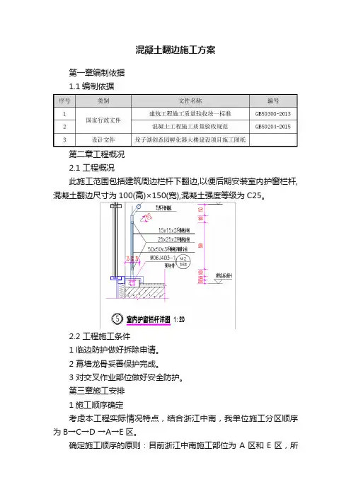
混凝土翻边施工方案第一章编制依据1.1编制依据第二章工程概况2.1 工程概况此施工范围包括建筑周边栏杆下翻边,以便后期安装室内护窗栏杆,混凝土翻边尺寸为100(高)×150(宽),混凝土强度等级为C25。
2.2 工程施工条件1 临边防护做好拆除申请。
2 幕墙龙骨妥善保护完成。
3 对交叉作业部位做好安全防护。
第三章施工安排1施工顺序确定考虑本工程实际情况特点,结合浙江中南,我单位施工分区顺序为B→C→D →A→E区。
确定施工顺序的原则:目前浙江中南施工部位为A区和E区,所以我单位先施工B、C、D区,最后施工A区和E区,极大降低交叉作业带来的安全隐患,同时减少成品保护的数量。
每个区施工时应自上而下施工。
2 施工时间每个区施工时间为5天,总工期为30天。
第四章施工准备与资源配置计划4.1施工人员准备木工6人,钢筋工3人,混凝土工4人,合计13人。
4.2施工机具准备电动运输车一辆,电钻2台,手锯3个,模板200平米。
第五章施工方法及工艺要求5.1施工方法及操作要点1 模板安装图2 混凝土翻边增加钢筋确保后期不被损坏,同时为了防止混凝土翻边位移,在内部植筋。
3 模板支设采用塑料模板,内部衬方管。
4 翻边混凝土采用商品混凝土,混凝土强度等级为C25。
混凝土浇筑前将模板内清理干净并用水将原结构充分湿润。
浇筑时用电动运输车运输至需用部位,然后人工铲入模板,并用钢筋插入振捣,确保振捣密实,表面压光。
然后用棉毡覆盖并洒水养护。
第六章成品保护1 混凝土浇筑时应轻轻铲入模板内,放置溅洒,振捣时快插慢拔,并避免混凝土浆液带出。
2 混凝土浇筑时应用无纺布将下一层及本层结构板上500mm幕墙龙骨包裹,做好成品保护。
3 混凝土铲入模板时应在铲入位置设置500mm高挡板,防止混凝土洒落至龙骨和地面。
4 若混凝土不慎沾染龙骨,应在一个小时内清理干净,避免干结,增加清理难度。
5 现场做到工完场清,洒落地面的混凝土应使用完毕,避免遗留浪费材料。
卫生间反边二次浇捣施工方案引言:在卫生间施工中,如果在墙面或地面的初次施工中发现了质量问题,需要进行重复施工。
本文将介绍卫生间反边二次浇捣施工方案,以确保施工质量和安全。
一、问题描述:初次施工中,发现卫生间墙面或地面存在以下问题:1.墙面表面不平整,存在凹凸不平的情况,可能导致瓷砖施工时出现空鼓。
2.地面存在不平整的情况,可能导致地面瓷砖施工时出现空鼓或破损。
3.墙面或地面的防水层存在破损或漏涂的情况,可能导致水漏或渗透。
二、施工方案:为了解决以上问题,需要对卫生间墙面和地面进行二次浇捣施工。
具体方案如下:1.准备工作:1.1清理施工区域:清除初次施工时残留的杂物,保持施工区域干净整洁。
1.2检查墙面和地面:仔细检查墙面和地面的问题,记录下需要修复或重做的地方。
1.3准备材料和工具:根据实际需要购买墙面和地面修复所需的材料,如水泥、砂浆、工具等。
2.修复墙面:2.1清理墙面:先用刷子将墙面的灰尘和污垢清理干净。
2.2补平墙面:将水泥和砂浆按一定比例混合,涂抹在墙面上,用抹刀刮平,确保墙面平整。
2.3抹灰:将水泥和砂浆按一定比例混合,用抹刀将其涂抹在墙面上,确保墙面光滑。
2.4保持干燥:施工完毕后,要保持墙面干燥,以便进行下一步的瓷砖施工。
3.修复地面:3.1清理地面:先用刷子将地面的灰尘和污垢清理干净。
3.2补平地面:将水泥和砂浆按一定比例混合,倒在地面上,用抹刀刮平,确保地面平整。
3.3铺设瓷砖:等待地面干燥后,进行瓷砖的铺设工作,确保每块瓷砖之间的间隔均匀,采用专业工具进行整齐铺贴。
3.4瓷砖填缝:等待铺贴完成后,用瓷砖勾缝剂填充瓷砖之间的缝隙,确保地面平整、美观。
3.5保持干燥:施工完毕后,要保持地面干燥,以便进行下一步的防水和验收。
4.防水和验收:4.1防水处理:在修复的墙面和地面上涂抹防水涂料,将其涂抹均匀,确保墙面和地面的防水性能。
4.2验收:对修复后的墙面和地面进行验收,检查其是否存在问题,如空鼓、漏涂等。
卫生间反边混凝土技术方案一、项目背景卫生间反边混凝土技术方案是指通过混凝土材料的应用和施工工艺优化,实现卫生间反边的防水、防潮和防腐蚀等功能。
卫生间反边通常是指卫生间墙面与地面的连接部位,由于其湿度较高、易受水蒸气的侵蚀,因此需要采取有效的措施进行防护处理。
二、技术方案1.材料选择(1)水泥:选择适合地面防渗透和抗裂的高性能水泥;(2)沙子:采用细河沙,颗粒均匀,含有适量的细粉石,提高沙浆的润湿性能;(3)骨料:选用级配合理的优质细骨料,能够提高混凝土的强度和耐久性;(4)外加剂:加入减水剂和凝胶材料,提高混凝土的流动性和粘结性;(5)防水剂:选用高效防水剂,提高混凝土的防渗性能。
2.施工工艺(1)准备工作:清理卫生间反边周围的杂物和污垢,确保施工环境清洁;(2)基层处理:将卫生间反边的墙面和地面进行打磨和清洁,确保基层光滑、无积水和油脂等杂物;(3)防护处理:使用专业的防水涂料或防水胶黏剂,对卫生间反边进行涂刷或粘贴,确保无渗漏和渗水现象;(4)混凝土浇筑:按照设计要求,将配制好的混凝土均匀浇筑到卫生间反边的墙面和地面上;(5)平整处理:使用铁皮或抹光板将混凝土表面进行平整处理,确保表面平整光滑;(6)养护工作:对新浇筑的混凝土进行适当的湿养护,以加强混凝土的强度和耐久性。
3.施工注意事项(1)施工环境:施工前要确保卫生间反边周围无积水和污垢,施工现场保持通风良好,确保施工材料的质量;(2)防护处理:涂刷或粘贴防水涂料或防水胶黏剂时,要确保涂料或胶黏剂的厚度均匀,无漏涂或疏漏现象;(3)混凝土浇筑:混凝土的配制要按照设计要求进行,浇筑时要注意均匀浇筑、不得有空洞和漏浇现象;(4)平整处理:在混凝土表面进行平整处理时,要注意力度和均匀性,避免表面出现凹凸不平的现象;(5)养护工作:新浇筑的混凝土在养护期间,要保持适当的湿度和湿润环境,防止混凝土开裂。
三、技术优势(1)防水性能好:通过采用有效的防水涂料或防水胶黏剂,能够有效防止水蒸气和水分进入卫生间反边,保证墙面和地面的干燥和防潮;(2)耐久性强:选用高性能水泥和优质骨料,通过适当的配合比和施工工艺,能够提高混凝土的强度和耐久性,延长卫生间反边的使用寿命;(3)施工工艺简单:卫生间反边混凝土技术方案的施工工艺简单明了,可操作性强,能够节约人力和时间成本;(4)环保健康:采用环保的混凝土材料和防水剂,不含有害物质,对人体健康无害。
卫生间翻边施工方案XX县环境监测执法业务用房工程卫生间翻边二次浇注施工方案编制单位:编制人:审核人:审批人:日期:一、工程概况:工程名称:XX县环境监测执法业务用房工程,地址:XX市XX县社保大厦旁,建筑面积2560.51㎡,结构为框架结构。
本工程的部分卫生间、厨房、阳台及屋面墙体的泛边砼在梁板混凝土浇筑时不宜一次性浇筑,容易导致混凝土成型后变形、偏离轴线,为避免此类现象的出现,故采取二次浇筑的方式施工。
二、施工顺序先清理楼面的垃圾,然后把楼面翻边浇筑部位的混凝土浮浆凿去并凿毛,弹好线,然后按放好的线安泛边的边模。
在浇筑翻边混凝土前,先用水冲洗干净,并把积水扫去,不能有积水。
然后浇筑翻边混凝土,振捣时要注意认真按要求用机械振捣,严禁人工振捣。
三、施工措施:1、混凝土浆用斗车装运,然后通过施工井架运至施工层,每天都有专人在下班时检查各楼层施工井架出入口处的卸料平台及周边围护,一经发现有问题,立即安排专人加固。
2、斗车装混凝土浆前先用水泥袋固定在斗内,并用水湿润,这样便于倒浆和清洗斗车。
且装浆时,不能装满,防止混凝土浆在运输过程中溢出太多。
3、在模板上标好泛边混凝土浇筑标高。
4、泛边的砼浇筑前应先清洗干净混凝土面的垃圾及灰尘,再均匀的淋一道水泥油,然后才能浇筑混凝土。
5、混凝土铲满模板内后需振捣时,振动棒应快插慢拔,快插是为了防止将表面混凝土振实而下面混凝土发生分层、离析现象;慢拔是为了使混凝土能填满振动棒抽出孔。
每次振动时需将振动棒上下抽动,保证振捣均匀,且插至离原混凝土面5cm即可,插点形式为行列式,插点距离250mm左右。
浇筑完后,用小锤轻轻敲打泛边侧模。
6、浇筑成型后,应在12小时内派专人浇水养护砼,且保持砼表面湿润。
养护时间不得少于7天。
卫生间周边砼反边工程专项施工方案一、施工准备1.熟悉施工图纸和设计要求,了解工程全部内容和要求。
2.准备好所需的施工材料和设备,包括混凝土、钢筋、模板、拆模油、脱模剂、振捣机等。
3.安排好人员,确定各个负责人和工作人员的职责和任务,并安排好工作时间。
4.根据工程规模和需求,确定合适的工期和施工进度。
5.检查施工现场的卫生环境和安全措施,确保施工面积的清洁和安全。
二、施工工艺1.根据设计图纸和要求,确定好砼反边的位置和高度,并进行测量和标线。
2.按照标线进行挖沟,探明地基情况,并清理沟内的杂物和泥土。
3.在挖沟的底部进行适当的压实处理,确保地基牢固和稳定。
4.制作好砼模板,根据设计要求和标线进行安装,并进行调整和检查。
5.在模板内铺设好钢筋网,根据设计要求和标线进行调整和固定。
6.准备好混凝土,在模板内进行浇筑,同时进行振捣处理,确保混凝土的密实和均匀。
7.等待混凝土凝固和硬化,根据设计要求和标线进行养护处理,确保施工成品的质量和强度。
8.待混凝土达到养护期要求后,进行模板的拆除和清理,同时进行外观检查和质量评估。
三、施工注意事项1.在施工过程中,严格按照设计要求和标准进行施工,确保施工成品符合要求。
2.注意施工现场的安全和卫生环境,及时清理施工面积内的杂物和泥土。
3.施工过程中,定期检查和测量施工成品的尺寸和高度,及时调整和修正施工偏差。
4.在施工过程中,严禁使用劣质材料和设备,确保施工质量和安全。
5.按照规定的养护时间和方式进行养护,以保证混凝土的强度和质量。
6.在施工过程中,注意与其他施工活动的协调,确保施工的连续性和进度。
以上即为卫生间周边砼反边工程专项施工方案,施工前需要进行充分的准备和调查,施工过程中要严格按照设计要求和标准进行施工,并注意施工中的安全和质量控制。
凭祥海关、缉私分局业务技术及生活配套用房卫生间翻边混凝土施工方案编制:日期:审核:日期:审批:日期:广西大业建设集团有限公司一、设计概况1、根据设计图纸要求,在卫生间四周设置翻边混凝土;2、卫生间反边混凝土高度按200㎜高防水进行施工,宽度同相应部位墙体厚度。
3、卫生间反边混凝土强度等级均为C25。
二、反边混凝土施工缝处理1、反边混凝土施工缝的留置原因及留设部位因卫生间混凝土反边在浇筑时,为加快工程施工进度,方便施工,在浇筑混凝土时在梁板与卫生间反边混凝土水平交接部位留置水平施工缝。
2、反边混凝土水平施工缝处理方法1)在施工缝处继续浇筑混凝土时,已浇筑混凝土抗压强度不应小于1.2N/㎜2。
2)在卫生间反边部位相应混凝土表面上继续浇筑混凝土前,应清除垃圾、水泥薄膜、表面上松动砂石和软弱混凝土层,同时进行凿毛处理,用水冲洗干净并充分湿润,一般不宜少于24h,并将残留在混凝土表面的积水予以清除。
3)在浇筑前,先在水平施工缝处刷一道素水泥浆结合层,然后铺上10~15㎜厚的水泥砂浆一层,水泥砂浆配合比与混凝土内的砂浆成分相同。
三、卫生间反边混凝土施工方法1、模板安装与拆除要求:1)反边混凝土模板安装必须牢固,尺寸、位置正确。
2)拆除模板时,反边混凝土强度不得小于1.2N/㎜2,即在反边混凝土浇筑2天后方可拆除模板。
2、砼采购、运输1)卫生间反边混凝土采用自拌混凝土;2)卫生间反边混凝土浇筑时间,与本楼层柱混凝土浇筑或上一层梁板混凝土浇筑施工时同时进行浇筑施工。
混凝土强度等级按该层柱或上一层梁板混凝土强度等级,但不得低于设计要求的相应部位反边混凝土的强度等级。
即卫生间反边混凝土强度等级不得低于C25。
3)砼运输由现场搅拌至现场后,再采用斗车运至各浇筑部位进行浇筑。
运送砼时,应防止水泥浆流失。
若有离析现象,应在浇筑地点进行人工二次拌和。
4、砼浇灌、振捣1)用水冲洗干净并湿润24小时后,先在水平施工缝处刷一道素水泥浆结合层,然后铺上10~15㎜厚的水泥砂浆一层,水泥砂浆配合比与混凝土内的砂浆成分相同,后浇筑混凝土并振捣密实。
卫生间砼翻边施工方案一、施工前准备在进行卫生间砼翻边施工之前,首先要对工程现场进行彻底清理,确保地面干净整洁,清除一切障碍物。
确认砼基面平整、无明显凹凸,符合施工要求。
准备好所需要的工具和材料,包括砼砂浆、翻边模板、砼砂石等。
二、砼砂浆的配制1.按照相关标准要求,将水和砼砂浆按照一定的比例混合均匀,直至达到要求的粘稠度;2.在搅拌砼砂浆的过程中,要严格控制水泥的用量和水的添加量,保证砂浆的质量。
三、翻边模板的安装1.将翻边模板按照设计要求放置在卫生间的墙角位置,并用螺丝固定好;2.确保翻边模板的位置水平且垂直,以确保最终施工效果的准确性。
四、砼翻边施工步骤1.使用铲子或砂铲将砼砂浆均匀涂抹在墙角处;2.紧贴翻边模板,用工具将砂浆进行压实,确保砂浆与基面完全结合;3.过一段时间后,用水刷将多余的砼砂浆去除,使砼翻边表面光滑整洁;4.完成施工后,需等待砂浆充分凝固后才能拆除翻边模板,以免影响施工效果。
五、施工注意事项1.施工过程中应注意保持翻边模板的清洁,避免污染砼砂浆;2.确保砼砂浆的配制比例准确,以保证施工效果的质量;3.在施工过程中,需及时处理翻边处的砼砂浆偏差,以确保最终效果的精准性。
六、施工验收标准1.砼翻边表面应平整光滑,无明显裂缝和空鼓现象;2.翻边与墙体之间应无明显缝隙,表面色彩应与周围墙体一致;3.翻边应符合设计要求的尺寸和形状,无明显偏差。
结语卫生间砼翻边施工是卫生间装修中的重要步骤,正确的施工方法和严格的操作流程能够保证翻边效果的准确性和美观度。
在进行施工时一定要注意施工细节,确保最终的施工效果符合设计要求。
目录一、工程概况 (2)二、材料选用及要求 (2)三、施工准备 (2)四、施工工艺 (3)五、质量标准 (3)六、注意各项及质量预防措施 (3)七、成品保护 (4)八、安全与环境、职业健康措施 (4)一、工程概况工程名称:建设单位:设计单位:监理单位:施工单位:XXXX工程位于XX市XX路,工程总建筑面积为75365.76 m2,其中:地下室建筑面积13190.14 m2,1#楼建筑面积34965.42 m2,2#楼建筑面积25914.30 m2,地下二层,地上33层,建筑高度99.60m;钢筋砼框架剪力墙结构,抗震设防烈度为6度,设计使用年限为50年。
根据设计图纸要求,卫生间混凝土反边采用同墙厚、高为15cm的混凝土浇筑。
因卫生间混凝土反边与楼板同时浇筑,其位置的准确性较难以控制,易造成偏位,其厚薄也不一,结构的位置也往往与建筑图不符;拆除卫生间侧模时易造成砼反边开裂、掉角、崩塌。
针对现浇卫生间混凝土反边的缺陷,为确保卫生间混凝土反边的质量,现采用后浇法施工,其宽度同墙厚,为符合砌块高度模数,则其高度由15cm改为20cm,混凝土强度等级为C20。
二、材料选用及要求1、熟悉图纸,对施工相关人员进行技术交底、安全技术交底,检验程序的确定以及施工记录的填写。
2、材料准备:C20混凝土, 6.5钢筋。
三、施工准备1、卫生间混凝土反边的基层清理干净,并用钢凿凿麻。
2、反边位置的水电预埋套管接长。
3、按建筑图把反边的位置用墨线弹好。
4、卫生间周边钢筋调直、除锈处理好(漏预埋的钢筋已植筋)。
5、安排木工班组按图纸要求把反边支好模板。
四、施工工艺1、工艺流程:清理基层→基层凿麻→调直钢筋处理→水电线管接长→模板安装→淋水基层→基层涂刷水泥油→混凝土浇筑→验收。
2、操作工艺:2.1清理基层:基层表面落地灰应铲平、油污应清除干净。
2.2调直钢筋处理:原预埋的反边钢筋调直,除锈绑扎好,漏预埋的钢筋应植筋。
2.3基层凿麻:基层表面用钢凿凿成麻面,增加新旧混凝土的粘力。
卫生间翻边二次浇捣施工方案
本工程为钦州市开发投资集团有限公司的钦州市河东工业园C3地块标准厂房(Ⅱ标段)工程,位于钦州市河东工业园C3地块内,建筑物B1型厂房2栋、C1型厂房5栋均为框架结构, 现浇钢筋混凝土空心楼板,B1型地上4层的厂房,总建筑面积为8854.76m2, 总高度为21.3m;C1型地上4层厂房,总建筑面积为4897.56㎡,总高度为21.3m。
本工程根据图纸设计,卫生间四周(除门口位置外)采用素砼将梁加高200mm形成卫生间防水翻边。
卫生间墙厚度为190mm。
但根据实际情况卫生间素砼防水翻边一次浇捣成型比较容易偏位及放样施工难度加大。
现计划采用二次浇捣的施工方法,为保证二次浇捣的施工质量,施工方法具体如下:
1、根据轴线定位将卫生间的墙体位置用墨斗线弹出。
2、为保证新旧砼良好的接触面采用沿卫生间防水翻边预埋竖
向 6 @ 300mm钢筋,并将原砼表面凿毛。
3、根据钢筋厚度及相应位置安装模板。
4、砼施工:首先用水冲洗干净,刷水泥浆结合层一遍,浇捣
C30砼。
并养护时间不少于7天。
卫生间砼翻边二次浇筑施工方案卫生间砼翻边二次浇筑施工方案一、基本概况:本工程总建筑面积45740.8m2, 主楼共20层,一层为架空车库,二层以上均为住宅。
一层主楼部分层高为6.75m,一层连接体部分的层高5.25m,二层以上层高均为2.9m。
本工程结构形式主楼为框支剪力墙结构,连接体部分为框架结构,填充墙为砖砌体。
本工程主体结构梁板砼强度等级:5#楼、6#楼和9#楼二层均为C40;三层及三层以上均为C25。
柱及剪力墙的砼强度等级:基础顶至一层为C40;二至六层均为C30,七层以上均为C25。
本工程设计图纸会审要求所有卫生间四周砖墙下设置砼翻边,翻边砼强度等级C20,卫生间翻边宽度同墙厚,高度比楼地面高200㎜。
为解决砼翻边与楼板砼同时浇捣容易出现跑模造成轴线偏差过大等问题,本工程楼板砼面上的卫生间翻边砼采用在卫生间四周砖墙砌筑前进行二次浇筑的施工方法。
二、施工方法:1、放线定位。
根据卫生间部位的主体结构轴线及建筑设计图纸对卫生间混凝土翻边模板的安装边线进行准确定位。
2、砼翻边模板安装。
要求定位准确,安装牢固,接缝严密不漏浆。
模板的垂直度、表面平整度等符合施工规范要求。
3、模板安装后,砼基层表面的木屑、浮浆等杂物清理干净,用水冲洗干净表面的灰尘、污物等。
4、严格按砼配合比拌制砼,使用的原材料质量合格。
5、在翻边范围内的楼板混凝土表面淋或满刷一遍纯水泥浆。
6、用铁铲将混凝土铲入安装好的模板内,用振动棒振捣密实,表面用铁抹子抹面收光。
7、卫生间翻边混凝土达拆模强度后方可拆模,注意拆模板不要用力过猛,避免撬坏翻边混凝土。
8、卫生间翻边混凝土淋水养护不少于14天。
三、质量要求与检查验收:除严格按本工程施工组织设计和现行《砼现浇结构施工质量验收规范》中对施工缝的规定和要求进行施工外,还应注意:1、楼板混凝土表面必须认真仔细地清理,检查合格后方可进行翻边混凝土的浇筑。
2、混凝土翻边的模板严禁采用铁丝穿通两侧模板的拉固方法。
崇左市八大住宅区天等小区项目(Ⅰ标段)工程卫生间反边施工方案(后浇)编制单位:广西建工集团第二建筑工程有限责任公司编制时间:二0一一年三月十九日目录施工组织设计(方案)会签表 (1)施工组织设计(方案)报审表 (2)一、编制依据 (3)二、工程概况 (3)三、施工部署 (3)四、施工准备 (3)五、施工工艺 (4)5.1主要措施 (4)5.2砼浇筑和振捣要求 (4)六、质量通病预防与措施 (5)七、混凝土缺陷处理 (6)八、产品保护 (6)九、安全措施 (7)施工组织设计(方案)会签表施工组织设计(方案)报审表工程名称:崇左市八大住宅区天等小区项目(Ⅰ标段)工程编号:一、编制依据1、《砼强度检验评定标准》(GB107-2010)2、《混凝土结构工程施工质量验收规范》(GB50204-2002)3、《混凝土泵送施工技术规程》(JGJ/T10-95)4、《建筑机械使用安全技术规程》(JGJ33-2001)5、《建筑施工安全检查标准》(JGJ59-99)6、《建设工程安全生产管理条例》7、《施工现场临时用电安全技术规范》(JGJ46-2005)8、本工程施工组织设计二、工程概况1、本工程位于广西崇左市城南区,建筑面积约63000㎡,其中地下建筑面积为51540.78㎡;地上建筑面积为11459.22㎡。
1#、2#楼框架剪力墙结构,地下室1层,地上17层,商铺2层,建筑高度为53.4m;3#楼框架结构,地下室1层,地上29层,建筑高度为89.4m。
本工程主体楼板混凝土强度有C30、C25,根据工程施工情况卫生间反边采用后浇筑施工方法。
三、施工部署采用商品砼,生产厂家为崇左市远程建材实业有限公司。
四、施工准备1、钢筋的隐蔽验收工作已经完成,并已核实线管、孔洞的位置、数量及固定情况无误。
2、模板的预检工作已经完成。
模板标高、位置、尺寸准确符合设计要求,支架稳定,支撑和模板固定可靠。
模板拼缝严密,符合规范要求。
欧景蓝湾7#楼卫生间反边施工方案编制单位:广西建工集团第二建筑工程有限责任公司编制日期:2009年7月10日目录一、编制依据 (4)二、工程概况 (4)三、施工方法选择 (4)四、施工准备 (4)4.1人员准备 (4)4.2材料准备 (4)4.3机具、工具准备 (5)4.4施工工期 (5)五、施工操作 (5)六、质量保证措施 (5)七、施工安全措施 (6)八、文明施工与环境保护措施 (6)一、编制依据《砼结构工程施工验收规范》(GB50204-2002);本工程施工图纸;本工程施工组织设计。
二、工程概况本工程为贵港市欧景蓝湾7#楼工程,位于贵港市金港大道与迎宾大道交汇处东北面,框架剪力墙结构,地上18+1层,一层层高4.0米,其余层高为3.0米,建筑总高度58.15米,建筑面积约为30099.2㎡。
卫生间反边的高度为200mm,宽120mm,长度沿卫生间墙体四周,混凝土强度为C30,采用素混凝土。
三、施工方法选择在卫生间反边施工时,模板安装较难固定,浇筑混凝土时也较容易出现偏位、蜂窝、麻面等,质量难以保证,也对后期的砌筑工作造成影响。
如果卫生间反边混凝土在楼板混凝土浇筑完成后另行单独施工,能较好的处理工程质量等问题,在施工过程中只需对卫生间反边部位的混凝土进行凿毛、清理、扫素水泥浆等处理,便能使新旧混凝土完全接合,起到防渗水作用。
故选用后浇的方法进行施工。
四、施工准备4.1人员准备施工由砼施工员负责组织实施,其他人员配合。
模板安装人员2名,砼浇筑人员3名,其它人员1名。
组织技术交底和安全技术交底。
施工人员已熟悉图纸。
4.2材料准备坍落度为120~160㎜。
4.3机具、工具准备砼搅拌运输车一辆、插入式振动器1台、井架1台、施工电梯1台。
斗车、钢抹子、木抹子、铁铲、塑料扫帚等配套。
4.4施工工期计划从2009年9月20日开始,于2010年2月20日结束。
五、施工操作1、对卫生间反边位置范围的垃圾进行凿毛、清扫,并用水冲洗干净。
卫生间砼翻边二次浇筑施工方案一、基本概况:湾城北路西侧、龙城大道南侧二期开发项目(湾城北路西侧、龙城大道南侧2.1期(17#-19#楼、2#地下室、1#中间变、4#小区变))由常州嘉宏东都置业发展有限公司开发,常州筑森建筑设计有限公司设计,常州中方建设监理咨询有限公司监理,常州三建建设有限公司承建。
本工程图纸要求所有厨卫间四周砖墙下设置砼翻边,翻边砼强度等级C30,卫生间翻边宽度同墙厚,高度比楼地面高300㎜,翻边与结平一体浇筑。
我方在现场实际操作中发现100厚砼翻边与楼板砼同时浇捣容易出现跑模造成轴线偏差过大等问题,所以本工程结平面上的100厚厨卫间翻边砼采用在墙体砌筑前进行二次浇筑的施工方法。
二、施工方法:1、我单位在浇筑结平时已在厨卫间100厚墙体位置预埋Φ8@200钢筋。
2、模板安装前将厨卫间100厚墙体部位结平板清理干净并打毛,根据厨卫间部位的主体结构轴线及建筑设计图纸对厨卫间混凝土翻边模板的安装边线进行准确定位,安装牢固,接缝严密不漏浆。
3、模板安装后,砼基层表面的木屑等杂物清理干净,用水冲洗干净表面的灰尘、污物等,然后用高强度水泥浆涂刷。
4、用铁铲将比楼层结平高一强度混凝土铲入安装好的模板内,用振动棒振捣密实,表面用铁抹子抹面收光。
5、卫生间翻边混凝土达拆模强度后方可拆模,注意拆模板不要用力过猛,避免撬坏翻边混凝土。
6、卫生间翻边混凝土淋水养护不少于14天。
7、最后将二次浇捣的翻边与结平板部位交接处清理干净,涂刷一层1.5厚水泥基JS防水涂料,用以加强。
三、质量要求与检查验收:除严格按本工程施工组织设计和现行《砼现浇结构施工质量验收规范》中对施工缝的规定和要求进行施工外,还应注意:1、楼板混凝土表面必须认真仔细地清理,检查合格后方可进行翻边混凝土的浇筑。
2、混凝土翻边的模板严禁采用铁丝穿通两侧模板的拉固方法。
3、翻边混凝土浇捣密实,无蜂窝、麻面等质量缺陷。
4、卫生间翻边混凝土无渗漏现象。
目录第1节工程概况 (2)第2节编制依据 (2)第3节施工工序流程 (2)第4节施工方法 (3)第5节防渗漏措施 (4)第6节施工要点及注意事项 (4)第1节工程概况1.1设计概况1.1.1建筑性质及建筑规模。
本工程为单栋单体高层公共建筑,总建筑面积为32400.0㎡,地上建筑面积为29403.0㎡。
建筑物1~3层为食堂、餐厅及报告厅;4~12层为发展用房;13~14层为单间带卫发展用房;15~23层为带卫标准间宿舍;24层为多功能厅。
1.1.2卫生间设置情况。
1~12层、24层为公共卫生间;其余为单独卫生间。
1.1.3卫生间反边设计做法。
本工程卫生间楼地面比周边楼地面低50mm及450㎜,其填充墙均为小型砼空心砌块。
砼翻边砼设计强度等级为C20,高度从楼面算起不少于300mm。
1.2施工情况为方便施工,考虑到施工过程中如与楼板砼一次浇筑成型,可能存在吊模定位不准的情况,导致浇捣成型的砼翻边位置不符合设计要求。
根据公司多年来的成功的施工经验,本工程卫生间隔墙砼翻边采取二次浇筑即后施工的方法,即在浇筑楼层梁板砼时砼翻边不一次浇筑成型,未同时浇筑卫生间隔墙砼翻边,翻边砼在后期施工中再重新放线定位支模进行浇筑。
第2节编制依据2.1《南宁市建设工程质量安全管理标准化图集》;2.2施工图设计文件;2.3本工程施工组织设计文件;2.4《混凝土工程施工质量验收规范》(GB5020);2.5《施工手册》(第四版缩印本);第3节施工工序流程3.1施工特点3.1.1翻边二次浇捣优点。
厨房、卫生间隔墙砼翻边采取二次浇注施工的方法,这种作法的优点是施工方便,经重新测量放线定位后,隔墙砼翻边的位置及载面尺寸较容易控制,定位准确,工程质量观感较好。
3.1.2翻边二次浇捣缺点。
翻边砼与楼面梁板砼不是一次浇筑完成,形成施工缝,整体性较一次浇注成型的砼翻边差,存在抗渗的可能,但只要施工措施采取得当,施工缝按规范要求进行处理及时,从已交付使用的工程证明,完全能杜绝因为二次施工存在的施工缝导致的渗漏现象。
目录第一章编制依据1一、编制目的1二、编制依据2第二章工程概况2一、工程概况2二、混凝土强度等级设计要求3第三章主要施工方法4第四章现场自搅拌混凝土的质量控制6一、施工准备6二、操作工艺6第五章质量标准6一、主控工程8二、一般工程8三、允许偏差工程9第六章成品保护10第七章平安保证措施10第一章编制依据一、编制目的由于主体构造施工时卫生间反边与梁混凝土一起浇筑施工难度较大,且难以准确定位,为此进展二次浇筑。
为提供较完整的技术指导文件,便于工程质量控制,确保能优质、快速、高效地完成卫生间反边混凝土二次浇筑的施工任务,并为监理、业主对工程的施工方法、质量、工程进度等各方面的详细了解提供依据。
二、编制依据1、工程构造施工图、建筑施工图;2、施工组织设计3、"建筑地面工程施工质量验收规"GB50209-20124、"施工手册"第四版5、"混凝土构造设计规"〔GB50010-2011〕6、"混凝土质量控制标准"GB50164—20117、"普通混凝土用碎石或卵石质量标准及检验方法"JGJ53—928、"建筑工程施工质量验收统一标准"GB50300-20139、"建筑施工平安检查标准"JGJ59-2011第二章工程概况一、工程概况工程名称:秀灵路康华药业商住小区“万汇华府〞工程建立单位:XX康华药业XX公司设计单位:市建筑XX监理单位:XX桂新监理咨询XX公司施工单位:XX建工集团联合建立XX建立地点:市秀灵路32号本工程位于市秀灵路北东侧,地面以上1*楼为三十三层商住楼,底部两层商铺,采用框架-抗震墙构造,2*、3*、4*楼为三十四层住宅,地下两层车库和设备用房,负二层局部人防地下室,构造体系为框架-抗震墙构造,1*楼高度99.80m,2*、3*、4*楼高度98.60m;高层住宅采用预应力静压管桩筏根底,纯地下室分别采用静压管桩、柱下独基和墙下条基。
目录
一、工程概况 (1)
二、材料选用及要求 (1)
三、施工准备 (1)
四、施工工艺 (2)
五、质量标准 (2)
六、注意事项 (2)
七、成品保护 (3)
八、安全环保措施 (3)
一、工程概况
1、本工程位于南宁市兴宁区东沟岭主干道西侧,一标段由13#、18#、20#、21#、22#、23#、25#、26#楼组成,总建筑面积:92000 m2 m2(共8栋), 框剪结构。
其中地上63637.50 m2,地下28362.50 m2;建筑总高度为57.6m,主体18层、地下室1层(HJ 区,)地下室2层(G区),地下室层高3.8m,一层层高为4.5m,标准层层高3m。
该工程为二类高层建筑耐火等级为一级,六度抗震设防,屋面及地下室防水为二级。
2、建设单位:广西保利房地产有限责任公司
设计单位:广州南方设计研究院
监理单位:广西建荣工程项目管理有限公司
施工单位:保利建设开发总公司
3、每栋楼每层有4~6个卫生间。
根据设计图纸要求,卫生间混凝土反边采用同墙厚、高为15cm的混凝土浇筑。
因卫生间混凝土反边与楼板同时浇筑,其位置的准确性较难以控制,易造成偏位,其厚薄也不一,结构的位置也往往与建筑图不符;拆除卫生间侧模时易造成砼反边开裂、掉角、崩塌。
针对现浇卫生间混凝土反边的缺陷,为确保卫生间混凝土反边的质量,现采用后浇法施工,其宽度同墙厚,为符合砌块高度模数,则其高度由15cm改为19cm,混凝土强度等级同相应梁板砼。
二、材料选用及要求
1、熟悉图纸,对施工相关人员进行技术交底、安全技术交底,检验程序的确定以及施工记录的填写。
2、材料准备:混凝土(强度同等同相应梁板砼)
三、施工准备
1、卫生间混凝土反边的基层清理干净,并用钢凿凿麻。
2、反边位置的水电预埋套管接长。
3、按建筑图把反边的位置用墨线弹好。
4、卫生间周边钢筋调直、除锈处理好(漏预埋的钢筋已植筋)。
5、安排木工班组按图纸要求把反边支好模板。
四、施工工艺
1、工艺流程:清理基层→基层凿麻→调直钢筋处理→水电线管接长→模板安装→淋水基层→基层涂刷水泥油→混凝土浇筑→验收。
2、操作工艺:
2.1清理基层:基层表面落地灰应铲平、油污应清除干净。
2.2调直钢筋处理:原预埋的反边钢筋调直,除锈绑扎好,漏预埋的钢筋应植筋。
2.3基层凿麻:基层表面用钢凿凿成麻面,增加新旧混凝土的粘力。
2.4 水电线管接长:卫生间水电线管要接长至19cm以上,不能把线管理埋置反边砼内。
2.5模板安装:按建筑图先把反边的位置用墨线弹好,再支好反边模板,模板高度为19cm。
2.6淋水基层:在混凝土之前应先把基层、模板淋水湿润。
2.7基层涂刷水泥油:为增加新旧砼面的粘牢能力,需在基层涂刷水泥油。
2.8混凝土浇筑:采用振动棒或用钢筋头振捣至密实。
2.9验收:砼浇筑后的淋水养护不少于7d,其外观尺寸应符合规范要求。
五、质量标准
1、保证项目
所用混凝土的品种、牌子及配合比必须符合设计要求和施工规范的规定,每批产品应有产品合格证及附使用说明等文件。
检验方法:检查出合格证、计量措施和现场抽样报告。
2、基本项目
表面应牢固、洁净、平整,无开裂、掉角、崩塌现象。
六、注意各项及质量预防措施
1、基层一经发现出现有强度不足引起的裂缝应立刻进行修补或重做。
2、配料要准确,搅拌要充分、均匀。
3、水电线管要符合施工图纸要求。
4、反边混凝土浇筑前,基层必须凿麻及淋水泥油,混凝土浇筑后需淋水养护。
七、成品保护
1、反边混凝土浇筑后,严防重物冲击及水电凿洞,确保反边混凝土的整体性。
2、施工中应按工序层次进行检验,合格后方可进行下道工序。
3、反边模板拆除时,应谨慎拆除,严防破坏反边混凝土。
八、安全与环境、职业健康措施
1、进入施工现场需戴好安全帽并系好帽绳,操作人员需戴好手套等劳保用品。
2、施工前,必须对施工人员做好“三级教育”和安全技术交底,以及队组班前安全教育。
3、使用手电锯等,应注意安全用电,工地上用电应由现场电工负责接拉。
及时清除边角料,做到工完场清。