圆形工作井(沉井)结构计算
- 格式:docx
- 大小:68.12 KB
- 文档页数:2
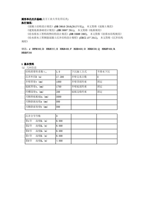
圆形单孔沉井基础(北方工业大学北岸沉井)执行规范:《混凝土结构设计规范》(GB 50010-2010(2015年版)), 本文简称《混凝土规范》《建筑地基基础设计规范》(GB 50007-2011), 本文简称《地基规范》《给水排水工程构筑物结构设计规范》(GB 50069-2002), 本文简称《给排水结构规范》《给水排水工程钢筋混凝土沉井结构设计规程》(CECS 137-2015), 本文简称《沉井结构规程》钢筋:d - HPB300; D - HRB335; E - HRB400; F - RRB400; G - HRB500; Q - HRBF400; R - HRBF500-----------------------------------------------------------------------1 基本资料(1) 几何信息(2) 土层信息ak(3) 荷载信息 荷载信息沉井几何简图组合系数(4) 钢筋砼信息纵筋保护层厚度(mm):井壁(内35,外35)、底板(上35,下35)、刃脚(内35,外35) 纵筋a s(mm):井壁顶部45、刃脚底部452 计算内容(1) 下沉验算(2) 抗浮验算(3) 地基承载力验算(4) 刃脚、井壁、底板内力配筋计算 (5) 井壁、底板裂缝抗裂度计算 (6) 水下封底混凝土厚度计算3 荷载标准值计算 (1) 沉井自重 井壁自重:底板自重:(2) 内水压力施工期间(不排水施工):水位低于刃脚踏面,内水压力为0。
使用期间:井内水深为0,内水压力为0。
(3) 外土压力施工期间外土压力:井壁顶端25.400m ,p ep =0.00kPa=G 11⨯()--t H 1t 1t 2ab /2()-D t c=⨯⨯⨯()--⨯1.000 6.000⨯1.7000.200⨯0.8000.500/2()-17.200 1.00025.00=6947.004kN =G 12⨯t H 2()-D t c=⨯⨯⨯⨯1.000 6.000()-17.200 1.00025.00=7634.070kN =G 13⨯t H 3()-D t c=⨯⨯⨯⨯1.000 6.000()-17.200 1.00025.00=7634.070kN =G 14⨯t H 4()-D t c=⨯⨯⨯⨯1.000 6.000()-17.200 1.00025.00=7634.070kN =G 15⨯t H 5()-D t c=⨯⨯⨯⨯1.000 4.000()-17.200 1.00025.00=5089.380kN =++++=G 1G 11G 12G 13G 14G 1534938.594kN=G 2()+-D/2t t 22t 1c=⨯⨯⨯()+-17.200/2 1.0000.20021.70025.00=8123.216kN刃脚踏面-2.600m,p ep=209.83kPa 使用期间外土压力:井壁顶端25.400m,p ep=0.00kPa刃脚踏面-2.600m,p ep=209.83kPa (4) 地面活荷载25.400m至19.400m,q m=15.01kPa19.400m至12.400m,q m=10.44kPa12.400m至7.400m,q m=11.52kPa7.400m至-2.600m,q m=8.12kPa (5) 外水压力施工期间外水压力:水位低于刃脚踏面,外水压力为0。
沉井工程量计算沉井工程是指在建筑物或其他工程中,为了排水或通风等目的而在地下开挖的井。
沉井工程量计算是沉井工程设计的重要环节之一,正确计算工程量可以保证工程的顺利进行和质量的保证。
下面介绍沉井工程量计算规则最新。
一、沉井工程量计算规则1. 沉井的计算方法沉井的计算方法有两种,一种是按照沉井的实际尺寸计算,另一种是按照沉井的设计尺寸计算。
一般情况下,按照实际尺寸计算比较准确,但是在设计时需要考虑到施工的难易程度和成本等因素,因此需要按照设计尺寸计算。
2. 沉井的计算公式沉井的计算公式为:V=π/4×(D1²-D2²)×H,其中V为沉井的体积,D1为沉井的上口直径,D2为沉井的下口直径,H为沉井的深度。
3. 沉井的计算单位沉井的计算单位一般为立方米,也可以根据实际情况选择其他单位。
4. 沉井的计算精度沉井的计算精度一般为小数点后两位,如果需要更高的精度,可以根据实际情况进行调整。
二、沉井工程量计算实例下面以一个实例来说明沉井工程量计算的具体步骤。
假设需要建造一个直径为2米,深度为3米的沉井,按照设计尺寸计算,计算公式为:V=π/4×(D1²-D2²)×H=π/4×(2²-1.8²)×3≈3.14立方米。
因此,这个沉井的工程量为3.14立方米。
三、注意事项1. 在进行沉井工程量计算时,需要考虑到施工的难易程度和成本等因素,选择合适的计算方法和计算精度。
2. 在进行沉井工程量计算时,需要注意单位的选择和换算,确保计算结果的准确性。
3. 在进行沉井工程量计算时,需要根据实际情况进行调整,避免出现误差。
4. 在进行沉井工程量计算时,需要注意安全问题,确保施工过程中的安全性和稳定性。
沉井结构计算施工一、沉井结构概述沉井结构是一种在水下或湿地地段,用于管道敷设、水下修筑等工程施工的人工建筑物。
它通常包括沉箱、管道、沉井浮吊等组成部分。
沉井结构的特点是在施工过程中只有垂直向下的固定力,施工结束后具有较好的抗水、抗波浪和抗土压性能。
二、沉井结构的计算1.沉井结构的设计目标沉井结构的设计目标主要包括保证沉箱安全下沉、达到合适的沉井竖向位置、提供足够的强度和刚度、满足相应的使用要求等。
2.沉井结构的正常工作状态下的计算(1)沉箱的沉井深度计算利用等效荷载法,按照施工荷载对沉箱造成的沉井深度进行计算。
根据施工过程中所受力效应,采用多种理论计算沉井深度,如平衡法、基于小孔面积的法、稳定法等。
(2)沉箱结构的强度计算通常采用有限元分析等方法,计算沉箱结构在施工和正常使用情况下的各个截面的受力情况,并对其进行验算。
(3)沉井浮吊的计算沉井浮吊计算主要包括沉箱所受总浮力的计算、沉井浮吊设计高度的选择、吊装索的计算等。
三、沉井结构的施工沉井结构施工的一般步骤如下:1.制作沉箱:根据设计要求,制作沉箱,并检查其强度、刚度等机械性能。
2.安装管道:将管道预先安装在沉箱上,固定好位置。
3.沉井准备:选择一个合适的施工场地,清理并平整施工区域。
4.沉箱下沉:使用吊装设备将沉箱从船上或岸上运到施工水域,根据设计要求完成下沉操作。
5.沉井位置调整:根据设计要求,对沉井位置进行调整,保证其竖直性和平面位置的准确。
6.沉箱固定:对沉箱进行固定,通常采用水泥封固、石料护岸等方式,保证沉井的稳定性和密封性。
7.沉井浮吊施工:安装沉井浮吊设备,提升管道至需求位置,并进行径向固定、竖向调整等工作。
8.沉井浮吊回收:工程完成后,通过吊装设备回收沉井浮吊。
9.沉箱拆除:根据设计要求,拆除沉箱,使工程达到最终状态。
四、沉井结构的应用领域沉井结构广泛应用于水下或湿地地段的管道敷设、桩基施工、海岸工程、修堤工程等。
它可以减少施工对水体的影响,提高工程施工的安全性和效率。
唐凡武汉市给排水工程设计院有限公司430034摘要:本文针对圆形沉井工作在顶力作用下的受力特点,采用土体对井壁的反力按向心余弦曲线分布在半圆上的计算假定,推导了结构内力分析计算公式,并结合算例与现行计算手册进行了比较。
关键词:圆形沉井顶管工作井结构分析Round in open caisson jacking force under the action of an internal force analysisTangFan wuhan city water supply and drainage engineering to design Co., LTD. 430034Abstract: this paper work in open caisson round top force under the action of mechanical characteristics, use of the soil wall reverse force to the heart cosine curve distribution according to the calculation of the assumption in half, the paper derives the structural internal force analysis and calculation formula, and an example and current calculation manual are compared. Keywords: circular pipe jacking in open caisson work well structure analysis1 前言给排水工程中,圆形沉井构筑物的管道采用顶管法施工时,一般利用沉井的井壁做顶管的后背。
利用沉井井壁做后背时,其后背的土压力分布图形比较复杂,较合理的假定为空间曲面分布,在结构近似分析中一般简化为3种反力图形:即向心均匀分布、三角形分布和正弦或余弦曲线分布。
圆形沉井结构计算sap2000圆形沉井结构是一种常见的工程结构形式,广泛应用于水利、交通、城市建设等领域。
它的主要特点是结构形式简单、承载力强、抗震性能好等。
在圆形沉井结构的计算设计中,SAP2000是一种常用的工程分析和设计软件。
本文将介绍如何使用SAP2000进行圆形沉井结构的计算。
首先,我们需要确定沉井的几何尺寸和材料特性。
圆形沉井通常由圆筒部分和底板组成。
沉井的直径和高度是计算的关键参数。
此外,还需要确定沉井的材料特性,如混凝土强度等。
在进行计算前,需要创建SAP2000模型。
根据实际情况,我们可以在SAP2000中选择适当的模板模型,如“框架模型”、“平板模型”等。
在模型中,我们需要添加沉井的节点和杆件。
节点用于表示沉井的连接点,杆件用于表示沉井的圆筒部分和底板。
接下来,我们需要给沉井的节点和杆件设置相应的属性。
对于节点,我们需要设置其坐标位置和边界条件。
对于杆件,我们需要设置其截面属性和材料属性。
在设置材料属性时,需要根据实际情况输入混凝土的强度参数。
完成节点和杆件的设置后,我们需要对沉井进行加载。
根据实际情况,我们可以给沉井施加静载荷或动载荷。
静载荷可以通过施加节点荷载的方式实现,动载荷可以通过施加动力分析的方式实现。
在施加节点荷载时,需要根据实际情况设置荷载的大小和作用位置。
完成加载设置后,我们可以进行沉井结构的分析和设计。
在SAP2000中,可以选择不同的分析方法,如静力分析、模态分析、谱响应分析等。
在进行分析时,需要选择适当的分析方法和设置相应的参数。
分析结果将会得到沉井结构的内力、位移、应变等信息。
根据分析结果,我们可以进行沉井结构的设计。
在设计过程中,需要根据沉井的强度要求和规范要求,对结构进行合理的尺寸和材料选择。
通过SAP2000提供的设计功能,可以进行结构的验证和优化,以满足强度和稳定性的要求。
最后,我们需要对设计结果进行复核和总结。
对于圆形沉井结构的计算设计,需要考虑多种因素,如强度、稳定性、耐久性、抗震性等。
深圳市城市轨道交通4号线工程主体工程4302标段二工区(沉井)结构计算书计算:校核: 审定:中铁二局工程××公司深圳市轨道交通4号线4302标二工区项目部2019年10月1目录1目录 (2)1.1顶管概况 (3)1.2顶管工作井、接收井尺寸 (3)1.31200mm管顶力计算 (3)1.3.1推力计算 (3)1.3.2壁板后土抗力计算: (4)1.3.3后背土体的稳定计算: (4)1.4工作井(沉井)下沉及结构计算 (4)1.4.1基础资料: (4)1.4.2下沉计算: (5)1.4.3下沉稳定计算: (5)1.4.4刃脚计算: (5)1.4.5沉井竖向计算: (6)1.4.6井壁内力计算:(理正结构工具箱计算) (7)1.4.7底板内力计算:(理正结构工具箱计算) (12)1.5接收井(沉井)下沉及结构计算 (13)1.5.1基础资料: (13)1.5.2下沉计算: (14)1.5.3下沉稳定计算: (14)1.5.4抗浮稳定计算(沉井下沉到设计标高浇注底板后): (14)1.5.5刃脚计算: (14)1.5.6沉井竖向计算 (15)1.5.7井壁内力计算:(理正结构工具箱计算) (16)1.1顶管概况(1)钢筋Ф—HRB335级钢筋强度设计值fy=fy′=300N/ mm2(2)圆管砼:采用C50,沉井采用C30。
(3)所顶土层为黏土,r=17KN/ m3本计算除井壁、底板外未采用专业计算软件。
1.2顶管工作井、接收井尺寸1、工作井尺寸的设计、核算由检查井的设计要求及顶管操作技术要求决定。
(1)、工作井的宽度计算公式B =D+2b+2c 式中:B——工作井宽度;D——顶进管节的外径尺寸;b——工作井内安好管节后两侧的工作空间,本工程采用每侧0.8m;c——护壁厚度,本工程采用0.4m;本工程的顶管直径为D1000,壁厚200。
工作井的宽度尺寸为 B=8.7mm;(2)工作井底的长度计算公式:L=L1+L2+L3+2L4+L5式中:L——工作井底部开挖长度;L1——管节长度取2m ;L2——顶镐机长度取1.1m ;L3——出土工作长度,取1.1m;;L4——后背墙的厚度,取0.4m;;L5——已顶进的管节留在导轨上的最小长度,取0.3m。
沉井计算书一、下沉验算1、沉井自重G k=[3.14×(5.52-4.52)×10.75÷4-(0.55+0.7)×0.15×3.14×2.325×2÷2-0.35×0.5×3.14×2.45×2÷2+0.15×2.3×3.14×2.8×2]×25+0.15×8.1×3.14×2.8×2×18=85.56×25+21.36×18=2523.56KN2、井壁摩阻力f Ka=(1.2×10+2.6×8+2.8×25+3.8×20)÷(1.2+2.6+2.8+3.8)=17.19Kpa摩阻力F fK=(2.5+3.2)×3.14×5.5×f Ka×2÷3+f Ka×2.3×3.14×5.8 =1128.11+720.05=1848.16KN下沉过程中的水的浮托力F fw.K=(85.56-3.53)×10=820.3KNK St=(G k-F fw.K)÷F Fk=(2523.56-820.3)÷1848.16=0.92下沉验算不符合要求。
二、外力计算按重液地压公式计算:P W+E=13h=13×11.4=148.2 KpaP W=10×10.75=107.5 Kpa三、结构内力计算及配筋1、计算截面所在土层的内摩擦角θ=13.4。
则θA=θ+5=18.4。
;θB=θ-5=8.4。
;tg2(45。
-θA/2)=0.520;tg2(45。
-θB/2)=0.745;m=0.745/0.520=1.43;m-1=0.43 考虑井内水压:压力差:P A=(13×9.8-91.5)=35.9KpaN A=35.9×1.27×2.65×(1+0.785×0.43)=161.63KN:N B=P A r c(1+0.5×0.43)=146.80KNM A=-0.1488 P A r c2W‘=-0.1488×35.9×1.27×2.652×0.43=-20.48KN·M M B=-0.1366 P A r c2W‘=-0.1366×35.9×1.27×2.652×0.43=-18.81KN·M 不考虑井内水压:P A=127.4×1.27=161.80KpaN A=161.80×2.65×(1+0.785×0.43)=573.6KN:N B=P A r c(1+0.5×0.43)=520.96KNM A=-0.1488 P A r c2W‘=-0.1488×161.80×2.652×0.43=-72.70KN·MM B=-0.1366 P A r c2W‘=-0.1366×161.80×2.652×0.43=-66.7KN·M 按内力:M A=-72.70 KN·M;N A=573.6KN计算配筋。
沉井受力结构分析一、圆井受力分析圆井:内直径7.6米,壁厚0.6米 地质:选最深的井的地质进行计算岩 土 描 述钻 孔 柱 状 图钻孔编号孔口标高工程名称地及质成时因代(m)分层度厚层序(m)标高底(m)底度深ZKA982.70层中山市东升镇污水处理厂管网一期工程层m 柱状图1501:2502622.109495550.707坐标Y:X:标准贯入深 度(m)钻孔深度勘察单位21.20中山市第三建筑设计院有限公司击 数m 静止水位取 样深 度(m)取样编号备注1.20共页第页m 开孔日期2008年10月14日终孔日期2008年10月14日编录审核陈华伟王强光11Q①0.50 2.20 2.20素填土:灰褐色,由砂粒及粘性土组成,松散,很湿。
Q ②-1-11.1013.8011.60淤泥质土:青灰色,灰黑色,由粘粒、粉粒组成,含腐植质,流塑,饱和,局部夹贝壳碎屑。
Q②-2-12.6015.30 1.50粉质粘土:灰黄色,由粘粒、粉粒及少量砂粒组成,湿,可塑。
Q②-3-16.0018.703.40f粉砂:灰褐色,成份为石英,次圆状,分选性差,饱和,稍密,局部中实。
Q②-6-18.5021.202.50z中砂:灰褐、灰白色,成份为石英,次圆状,分选性差,饱和,中密,局部密实。
10(7.4)14.05-14.35▼13(9.4)16.35-16.65▼16(11.0)19.65-19.95▼ZKA98-15.80-6.00●主动土压力:主动土压力计算 土容重γKN/m^3水容重KN/m ^3 最后容重KN/m^3土层深度(m) c Φ压力累加主动土压力梯形荷载结果 上边值(KN/m^2)下边值(KN/m^2)第一层土 第二层土水压力计算公式如下: 按最不利计算,水下水位线与地面线同,水深为13.8米 W=取竖向1米高板来进行计算取最底的1米沉井来计算,从上表可得外压力为:(+)=m^2不带隔墙下沉的圆形沉井,在下沉过程中井壁的水平内力可按不同高度截取闭合圆环计算,并假定在互成90°的两点处土壤内摩擦角的差值为5°~10°。
深圳市城市轨道交通4号线工程主体工程4302标段二工区(沉井)结构计算书计算:校核: 审定:中铁二局工程有限公司深圳市轨道交通4号线4302标二工区项目部2016年10月1目录1目录 (2)1.1顶管概况 (3)1.2顶管工作井、接收井尺寸 (3)1.31200mm管顶力计算 (3)1.3.1推力计算 (3)1.3.2壁板后土抗力计算: (4)1.3.3后背土体的稳定计算: (4)1.4工作井(沉井)下沉及结构计算 (4)1.4.1基础资料: (4)1.4.2下沉计算: (5)1.4.3下沉稳定计算: (5)1.4.4刃脚计算: (5)1.4.5沉井竖向计算: (6)1.4.6井壁内力计算:(理正结构工具箱计算) (7)1.4.7底板内力计算:(理正结构工具箱计算) (12)1.5接收井(沉井)下沉及结构计算 (13)1.5.1基础资料: (13)1.5.2下沉计算: (14)1.5.3下沉稳定计算: (14)1.5.4抗浮稳定计算(沉井下沉到设计标高浇注底板后): (14)1.5.5刃脚计算: (14)1.5.6沉井竖向计算 (15)1.5.7井壁内力计算:(理正结构工具箱计算) (16)1.1顶管概况(1)钢筋Ф—HRB335级钢筋强度设计值fy=fy′=300N/ mm2(2)圆管砼:采用C50,沉井采用C30。
(3)所顶土层为黏土,r=17KN/ m3本计算除井壁、底板外未采用专业计算软件。
1.2顶管工作井、接收井尺寸1、工作井尺寸的设计、核算由检查井的设计要求及顶管操作技术要求决定。
(1)、工作井的宽度计算公式B =D+2b+2c 式中:B——工作井宽度;D——顶进管节的外径尺寸;b——工作井内安好管节后两侧的工作空间,本工程采用每侧0.8m;c——护壁厚度,本工程采用0.4m;本工程的顶管直径为D1000,壁厚200。
工作井的宽度尺寸为 B=8.7mm;(2)工作井底的长度计算公式:L=L1+L2+L3+2L4+L5式中:L——工作井底部开挖长度;L1——管节长度取2m ;L2——顶镐机长度取1.1m ;L3——出土工作长度,取1.1m;;L4——后背墙的厚度,取0.4m;;L5——已顶进的管节留在导轨上的最小长度,取0.3m。
1.工程概况地质资料如下图所示,沉井内径D1=12.5米,沉井结构高度H=15.1米,沉井起沉标高低于地面500mm。
抗浮计算时,考虑施工时降水,地下水位于起沉标高下500mm;强度计算时,考虑施工过程中设备已进场,降水可能中止时出现的最高地下水位,即地下水位于原地面下500mm。
施工采用排水法,三次浇注两次下沉。
考虑地面堆载q m=10kPa。
上部第一层土考虑换填砂层。
企口宽度c=0.3m第一类截面壁厚d=0.65m井壁自重:(标准值)底板底以上G1k=2×(h1×d+h2×t+h3×c)×(b1+L2)×γ1=2354.70KN刃脚G2k=2×[(h7+h5+h6)×b+a×(h5+h6)+h4×a]×(b1+L2)×γ1=2749.50KN井壁自重G ok=G1K+G2K=5104.20KN底板自重G dk=(L1+2b)×(b1+2b)×γ1=5231.25KN封底混凝土自重G fk= 0.25×[L2-2×(a+b)]×[b2-2×(a+b)]×(h7+h6/2)×23=2382.05KN井壁上土重G tk=h1×(t-D)×(L2+b1)=-15.51KN抗浮验算K f= (G0k+G dk+G fk+G tk)/[γs×L2×b2×(H2-h8-h6/2)/4]= 1.89≥ 1.00满足《规范》抗浮要求三、下沉计算摩阻力计算(标准值)单位面积摩阻力f ka= (h1×f k1+h2×f k2+h3×f k3+h4×f k4+h5×f k5+h6×f k6)/(h1+h2+h3+h4+h5+h6)=16.25KPa总摩阻力F fk= (L2+b2)×(H2-h1+H1-2.5)×f ka=4706.77KN排水下沉系数K st= G0k/F fk= 1.08> 1.05满足《规程》下沉要求地基土极限承载力R j=160Kpa排水下沉稳定系数K st,s= G0k/{F fk+0.25×[L2×b2-(L2-2(a+b))×(b2-2(a+b))]×R j}=0.880=0.8~0.9满足《规程》下沉稳定要求29.05m0.75m 2m 刃脚h 6传来的荷载P A1=k 2×((c 1-c 2)×γ1+(c 2-c 3)×γ2)×λ1+k 4×(c 2-c 3)×γs +k 3×q m ×λ1=244.58kN/m 2P A2=k 2×((c 1-c 2)×γ1+(c 2-c 4)×γ2)×λ1+k 4×(c 2-c 4)×γs +k 3×q m ×λ1=255.91kN/m2P B1=k 2×((c 1-c 2)×γ1+(c 2-c 3)×γ2)×λ2+k 4×(c 2-c 3)×γs +k 3×q m ×λ2=284.92kN/m 2P B2=k 2×((c 1-c 2)×γ1+(c 2-c 4)×γ2)×λ2+k 4×(c 2-c 4)×γs +k 3×q m ×λ2=297.88kN/m2P A =0.5×(P A1+P A2)×(c 3-c 4)=150.15kN/m P B =0.5×(P B1+P B2)×(c 3-c 4)=174.84kN/m 截面受力q A =(k 2×((c 1-c 2)×γ1+(c 2-b 01)×γ2)×λ1+k 4×(c 2-b 01)×γs +k 3×q m ×λ1)×h c +P A=633.66kN/m q B =(k 2×((c 1-c 2)×γ1+(c 2-b 01)×γ2)×λ2+k 4×(c 2-b 01)×γs +k 3×q m ×λ2)×h c +P B =738.19kN/mω=q B /q A -1=0.1650-886.68KN·m/m -813.98KN·m/m 5403.99KN 5178.73KN2700mm 2/m 选筋d25@15029.30m截面受力:q A =k 2×((b 1-b 2)×γ1+(b 2-b 02)×γ2)×λ1+k 4×(b 2-b 02)×γs +k 3×q m ×λ1=237.04kN/m2q B =k 2×((b 1-b 2)×γ1+(b 2-b 02)×γ2)×λ2+k 4×(b 2-b 02)×γs +k 3×q m ×λ2=276.28kN/m 2ω=q B /q A -1=0.1655-332.82KN·m/m -305.53KN·m/m 2022.31KN/m 1937.76KN/m1700mm 2/m选筋d20@1501、计算截面一:取刃脚根部以上1.5倍井壁厚度一段进行环向计算2、计算截面二:取刃脚影响区以上单位高度井壁进行计算,计算点标高为底板底标高 刃脚根部段中心标高计算高度h c =1.5(a+b)=为便于计算取h c =h 5=截面内力:M A = -0.1488qAr2ω =M B = -0.1366qAr2ω =N A =qAr(1+0.7854ω) =N B =qAr(1+0.5ω) =截面内力:M A = -0.1488qAr2ω =M B =-0.1366qAr2ω =N A =qAr(1+0.7854ω) =N B =qAr(1+0.5ω) =按压弯构件强度配筋,由理正软件计算得内外侧均为构造配筋,面积= 按压弯构件强度配筋,由理正软件计算得内外侧均为构造配筋,面积=35.15m截面受力:q A =k 2×((c 1-c 2)×γ1+(c 2-b 03)×γ2)×λ1+k 4×(c 2-b 03)×γs +k 3×q m×λ1=126.66kN/m 2q B =k 2×((c 1-c 2)×γ1+(c 2-b 03)×γ2)×λ2+k 4×(c 2-b 03)×γs +k 3×q m ×λ2=149.89kN/m2ω=q B /q A -1=0.1834-197.03KN·m/m -180.88KN·m/m 1094.00KN/m 1043.95KN/m1700mm 2/m选筋d20@150五、纵向弯曲计算(四支点)90.50KN/m 108.60KN/m 7.550m 685.35KN·m/1328.29KN·m/643.97KN 205.18KN·m/11.86m 7.12m 321.05mm 2/m5d22622.24mm 2/m 4d25+2d20由于剪力和扭矩均较小,垂直钢筋按其他工况配置。
工作井尺寸:t=0.60m R=3.40m D=8.00m H=6.20m 接收井尺寸:t=0.50m R=2.40m D=5.80mH=7.60m(1)建筑结构荷载规范:GB50009-2001(2006版)(2)建筑地基基础设计规范:GB50007-2002(3)混凝土结构设计规范:GB50010-2002(4)给水排水构筑物结构设计规范:GB50069-2002(5)给水排水工程钢筋混凝土沉井结构设计规程:CECS 137:1.设计条件1.1 工程概况1.2 设计依据工作井筒筒身地面深度0.5m以下采用600mm厚钢筋混凝土砌筑,地面深度0.5m以上采用370mm厚砖墙砌筑,井筒内径直径6.8m,井筒总高6.2m,基础底板采用钢筋砼现浇600mm厚。
接收井筒筒身地面深度0.5m以下采用500mm厚钢筋混凝土砌筑,地面深度0.5m以上采用370mm 厚砖墙砌筑,井筒内径直径4.8m,井筒总高7.6m,基础底板采用钢筋砼现浇600mm厚。
(6)给水排水工程顶管技术规程:CECS 246:1.3 材料井身混凝土:C30f c =14.30MPa f t =1.43MPa 封底混凝土:C25f c =11.90MPaf t =1.27MPa钢筋:钢筋直径d<10mm 时,采用R235钢筋f y =270MPa钢筋直径≥10mm时,采用HRB335钢筋f y =300MPa1.4 地质资料岩土名称上标高(m)下标高(m)土层厚度(m)天然容重(KN/mm 3)粘聚力c(kPa)内摩擦角φ(°)承载力征q p (kPa)单位摩阻力(kPa)杂填土27.7524.75318.5898010粘土24.7521.553.220351526040地质资料如下表1所示,整个场地无统一地下水,勘探期间测得地下水位标高为22~27m,计算中按最不利27m计算,即井外水位高度为27m。
2.1 工作井井2.1.1 按承载能力2.1.1.1外力计算 (1)水土压力计算(考虑地下水作用)地面上堆载:q d =20.00kPa地下水位标高:27.00m图1-1 工作井、接收井构造图2.井壁水平框架的内力计算及结构配筋计算根据《给水排水工程钢筋混凝土沉井结构设计规程》(CECS 137:2002)(以下简称《沉井设计规程》)第6.2.3条规定,将井壁简化成平面圆形闭合刚架计算,计算截面取井壁底部1米一段进行环向计算。
工作井、接收井、沉井、顶管、模板计算书一、工作井尺寸设计根据《给水排水工程顶管技术规程》CECS246-2008第10.4节要求,对比公式①L≥L1+L3+k(10.4.1)②L≥L2+L3+L4+k(10.4.2)结果,取最大值来确定工作井尺寸。
L—工作井的最小内净长度(m)L1—顶管机下井时最小长度,取2.3mL2—下井管节长度为钢筋砼管,取2.5mL3—千斤顶长度,取2.0mL4—留在井内的管道最小长度,取0.5mk—后座和顶铁的厚度及安装富余量取0.8m计算①L=L1+L3+k=2.3+2.0+0.8=5.1m计算②L=L2+L3+L4+k=2.5+2.0+0.5+0.8=5.8m结论:综上所述L取最大值5.8m,即设计工作井最小净宽度为5.8m,本工程设计工作井内径为6.0m,符合规范要求。
二、接收井尺寸设计根据《给水排水工程顶管技术规程》CECS246-2008第11.2节要求,接收井的最小内净长度应满足顶管机在井内拆除和吊出的需求,接收井内最小宽度应按公式B=D1+2*1000计算。
B—接收井内净最小宽度(mm)D1—顶管机外径(mm)计算B=D1+2*1000=980+2*1000=2.98m结论:综上所述接收井内径最小宽度为2.98m,本工程设计工作井内径为4.5m,符合规范要求。
三、砂垫层厚度计算根据第一节沉井重量和垫层底部地基土的承载力,砂垫层的厚度按下式计算:(本工程1层素填土埋深较浅,考虑不作为沉井起沉平台,3层不在高度范围)h=(G k/F d-L)/2tanΦ其中:F d—地基承载力,参照表1.5.5根据土层分别取值,2-1粉质黏土层取150kPa,2-2黏土层取200kPa;G k—第一节沉井沿井壁长度单位长度的重量标准值(kN/m),按照φ6.0m工作井计算,G k =236.7 kN/m;φ—砂垫层扩散角,≯45°,一般取φ=22.5°;h—粗砂垫层厚度;求得①2-1粉质黏土层作起沉平台h =0.638m;②2-2黏土层作起沉平台h=0.161m。
一.主要材料及要求:1.混凝土: 混凝土强度等级为C25。
2.钢筋:Φ-HRB400级钢,fy=360N/mm 2 二.设计采用主要规范:1.《建筑结构荷载规范》(GB50009-2012); 2.《建筑地基基础设计规范》(GB50007-2011); 3.《混凝土结构设计规范》(GB50010-2010); 4.《给水排水工程构筑物结构设计规范》(GB50069-2002);三、决定沉井高度及各部分尺寸1.沉井高度根据施工要求定出沉井顶面标高为32.5m ,沉井底面标高为25m 。
2.沉井平面尺寸采用圆形沉井,圆端的外直径为6.9m 。
井壁厚度0.7m ,其它尺寸详见施工图。
刃脚踏面底宽度采用0.2m ,刃脚高度为0.866m ,刃脚内侧倾角为θ=60︒。
四、下沉系数计算1. 沉井自重计算 砼重度 γ=25 kN/m 3体积 V=π(3.452-2.752)×9.4=128m 3 自重 Q=128×25=3200kN 2. 井壁摩擦力计算该沉井穿过○1、○2、○3层土,取加权平均摩阻力单位摩阻力为18f KPa =。
h =9.4mu =2π×3.45 =21.7 m∑=u h f T =18×9.4×21.7=3672kN 3. 下沉系数计算施工采用排水下沉,下沉过程中水浮托力为零,则下沉系数为 Ksts=Q/T=3200/3672=0.87<1.05,不满足要求。
需要采用特殊施工工艺来使得沉井下沉。
五、抗浮验算1. 沉井底板自重计算 砼重度 γ=25 kN/m 3体积 V 1=π×2.752×0.7=16.6m 3 自重 Q 1=16.6×25=415kN 2. 水浮托力标准值计算水重度 γw =10 kN/m3水浮托力标准值 F fw,k =(π×3.452×8.2+1.2×0.7×π×3.1)×10=3146kN 3. 使用阶段抗浮计算施工采用排水下沉,采用干封底,无需进行封底抗浮计算。
圆形沉井施工工法1 前言沉井是修建深基础和地下深构筑物的主要基础类型和较广泛应用的方法之一,可在松软、不稳定、含水土层、人工填土、粘性土、砂土等地基中应用,并可减少对施工场地复杂、邻近有房屋、地下构筑物等障碍物的影响。
沉井的类型很多,具体类型根据建(构)筑物的使用功能,结构形式,地下土质情况而定,使用沉井法施工减少了使用其他方法施工的费用及难度,我单位在南京城北污水处理系统工程中施工获得成功,从而积累了大口径沉井施工相关的经验。
2特点2.1能适用于任何地层,不受持力层起伏和地下水位高低的限制。
2.2转复杂的地下施工为地表施工,施工方便,安全系数大大提高。
2.3施工机具、设备简单,操作方便,劳动强度低。
2.4分节制作,一次下沉,质量控制可靠。
2.5不足之处是用水量大,泥浆排放较多,对环境有一定的污染,要妥善处理泥浆排放问3 适用范围本沉井法施工适用于深坑、地下室、水泵房、设备深基础、码头等工程,并可在松软、不稳定含水土层、人工填土、粘性土、砂土、砂卵石等地基中应用,一般在施工场地复杂,邻近有铁路、房屋、地下构筑物等障碍物,加固、拆迁有困难或大开挖施工会影响周围邻近建(物)筑物安全时,应用最为合理、经济。
4材料性能4.1钢筋钢筋规格品种和质量必须符合设计和施工规范规定,钢筋出厂质保书、检测报告等资料齐全,制作符合相应验收规范规定。
4.2混凝土抗渗混凝土强度一般比设计强度提高5MPa,水泥应采用32.5级或42.5级普通水泥或矿渣水泥,石子宜用卵石、碎石,其最大粒径不大于钢筋最小净距的1/4,且不大于20mm,砂宜用中粗砂,水灰比不大于0.6,单位水泥用量不大于370kg/m3,含砂率宜为40%~45%,坍落度为16±2cm,混凝土初凝应满足浇灌和接头施工工艺要求。
4.3助沉用砂助沉用砂宜选用颗粒级配良好、质地坚硬的中粗砂,砂中不得含有杂草、树根等有机杂质,以形成良好的润滑助沉效果,并有良好的透水性。
圆形工作井(沉井)结构计算
本次计算结构简图如下:
15940
下沉计算
工作井采用排水下沉
地下水位埋深3.90m(根据地勘成果)。
根据地勘资料,素填土、淤泥、粉质粘土及砂质粘性土侧摩阻力系数f分别取20kPa 10kPa 25kPa 和25kPa。
多层土单位摩阻力标准值f k按各层土单位摩阻力标准值取加权平均值f ka,计算式如下:
n
20*6.03 10*2.5 25
*「3 25*「17 l8.85KPa (6.03+2.5+1.3+1.17 ) 沉井井壁自重 G=212.09X 25=5302 KN
当井外壁为阶梯形时,沉井与土间的总摩阻力 T 按下图计算:
相应公式及计算结果为:
3889KN
沉井排水下沉系数
抗浮验算
沉井井壁自重:
沉井底板自重: k st ^w, 530^^ T 3889 1.363 1.05
经计算,沉井下沉系数大于 1.05, 下沉系数满足规范要求。
g
罠
I.
r
r
1 卜
r
—IB T (f ka h 0.7 f ka H 5m h
(18.85 2.5 0.7 18.85
11 5 1
0.7f ka 2 1 2.5 — 0.7 18.85 5) 3.142 9.8 2 5m )n d G 1=5302.25KN G 2=3.142 X 42X 0.6 X
25=754.08KN f ki h si。