风险矩阵法(详细)
- 格式:doc
- 大小:253.00 KB
- 文档页数:3
附件2风险矩阵法(L·S)辨识出每个作业单元可能存在的危害,并判定这种危害可能产生的后果严重性及产生这种后果的可能性,二者相乘,得出所确定危害的风险。
然后进行风险分级,根据不同级别的风险,采取相应的风险控制措施。
风险的数学表达式为:R=L×S。
其中:R是指风险度;L是指事故发生的可能性;S是指事故后果的严重性。
从偏差发生频率、安全检查、操作规程、员工胜任程度、控制措施五个方面对危害事件发生的可能性(L)进行评价取值,取五项得分的最高的分值作为其最终的L值。
表3 风险矩阵说明:1.风险2.风险矩阵中事故发生的可能性见表1,事故后果严重程度等级见表2,风险等级划分标准见表3。
根据R的值的大小将风险级别分为以下四级:R=L×S=17~25:A级,重大风险/红色风险;R=L×S=13~16:B级,较大风险/橙色风险;R=L×S=8~12:C级,一般风险/黄色风险;R=L×S=1~7:D级,低风险/蓝色风险。
作业条件风险程度评价(LEC)基本原理是根据危险源辨识确定的危害及影响程度与危害及影响事件发生的可能性乘积确定风险的大小。
定量计算每一种危险源所带来的风险可采用如下方法:D=L×E×C。
其中:D—风险值;L—发生事故的可能性大小;E—暴露于危险环境的频繁程度;C—发生事故产生的后果。
当用概率来表示事故发生的可能性大小(L)时,绝对不可能发生的事故概率为0;而必然发生的事故概率为1。
从系统安全角度考虑,绝对不发生事故是不可能的,所以人为地将发生事故可能性极小的分数定为0.1,而必然要发生的事故的分数定为10,介于这两种情况之间的情况指定为若干中间值。
安全风险评价风险矩阵法(L·S)、LEC法标题:安全风险评价:风险矩阵法(L·S)与LEC法引言概述:安全风险评价是一种重要的管理工具,用于识别和评估潜在的危险和风险,以制定相应的应对措施。
本文将介绍两种常用的安全风险评价方法:风险矩阵法(L·S)和LEC法。
风险矩阵法通过将风险的可能性和严重性进行矩阵化,以确定风险的等级。
LEC法则通过计算风险事件的潜在损失、频率和控制效果,以评估风险的程度。
一、风险矩阵法(L·S)1.1 确定风险等级:风险矩阵法将风险的可能性和严重性分为不同的等级,通常以颜色或数字表示。
可能性和严重性的等级划分可以根据具体情况进行调整,以适应不同行业和组织的需求。
通过将可能性和严重性的等级相乘,可以确定风险的等级。
1.2 识别和评估风险:在使用风险矩阵法进行风险评估时,首先需要识别潜在的风险事件。
这可以通过风险识别工具、历史数据和专家意见等方式进行。
然后,对每个风险事件进行评估,确定其可能性和严重性等级,并计算出风险的等级。
1.3 制定应对措施:根据风险的等级,确定相应的应对措施。
对于高风险等级的事件,应采取紧急且有效的措施来降低风险。
对于中等和低等级的风险,可以采取相对较轻的措施或者接受一定的风险。
二、LEC法2.1 计算风险事件的潜在损失:LEC法通过对潜在损失的评估,确定风险事件的可能性和严重性。
潜在损失可以包括人员伤亡、财产损失、环境破坏等。
通过对不同类型的损失进行量化,可以更准确地评估风险的程度。
2.2 评估风险事件的频率:频率是指风险事件发生的次数或概率。
通过分析历史数据、统计信息和专家判断,可以估计风险事件的发生频率。
频率的评估可以帮助确定风险事件的可能性等级。
2.3 考虑控制效果:LEC法还考虑了控制措施对风险事件的影响。
不同的控制措施可以降低风险事件的可能性或严重性。
评估控制效果可以帮助确定风险的等级。
三、风险矩阵法(L·S)与LEC法的比较3.1 评估方法:风险矩阵法主要通过对可能性和严重性进行评估,而LEC法则考虑了潜在损失、频率和控制效果等因素。
精品文档.风险矩阵法 (矩阵风险评估表)严级风险后几率增人财环名ABCDEPARE从没发生本行发生本组发生本组容发本组经发0无伤无损无影无影(Ⅰ区1影轻影2小伤小损小影有损3影很影(Ⅱ区4影全影5影国影(Ⅲ区✍Ⅰ区:一般风险,需加强管理不断改进;✍Ⅱ区:中度风险,需制定风险削减措施;✍Ⅲ区:重大风险,不可忍受的风险,纳入目标管理或制定管理方案。
✍评价为一般风险和中度风险的危害因素应列入危害因素清单,评价为重大风险的危害因素应列入重要危害因素清单。
✍矩阵风险评估表中对人员、财产、环境、组织名誉的损害和影响的判别准则分别见表1、表2、表3、表4。
版本2精品文档.表1:对人的影响潜在影响定义0 无伤害对健康没有伤害1 轻微伤害对个人受雇和完成目前劳动没有伤害2 小伤害对完成目前工作有影响,如某些行动不便或需要一周以内的休息才能恢复3 重大伤害导致对某些工作能力的永久丧失或需要经过长期恢复才能工作4 一人死亡一人死亡或永久丧失全部工作能力5 多人死亡多人死亡版本2 潜在影响定义0 无伤害对健康没有伤害1 轻微伤害对个人继续受雇和完成目前劳动没有伤害2 小伤害对完成目前工作有影响,如某些行动不便或需要一周以内的休息才能恢复3 重大伤害导致对某些工作能力的永久丧失或需要经过长期恢复才能工作4 单独伤害个人永久丧失全部工作能力,也包括与事件紧密联系的多种灾难的可能(最多3个),如爆炸5 多种灾害包括4中与实践密切联系的灾害,或不同地点/或不同活动下发生的多种灾害(4个以上)精品文档.表2:对财产的影响表3:对环境的影响表4:对声誉的影响事故几率指标:A——不可能(每一千年发生一次)B——极少(每一百年至每一千年发生一次)C——偶尔(每十年至每一百年发生一次)D——可能(每年至每十年发生一次)E——经常(每年发生多过一次)。
风险矩阵法(矩阵风险评估表)I区:一般风险,需加强管理不断改进;n区:中度风险,需制定风险削减措施;山区:重大风险,不可忍受的风险,纳入目标管理或制定管理方案。
评价为一般风险和中度风险的危害因素应列入危害因素清单,评价为重大风险的危害因素应列入重要危害因素清单。
矩阵风险评估表中对人员、财产、环境、组织名誉的损害和影响的判别准则分别见表1、表2、表3、表4。
版本23.6风险矩阵在进行风险评价时,将风险事件的后果严重程度相对地定性分为若于级,将风险事件发生的可能性也相对地定性分为若干级.然后以严重性为衷列,以可能性为表行,制成表,在行列的交点上给出定性的加权指数口所有的加权指数构成一个矩阵,而每一个指数代表了—个风险等级「该方法的优点是简洁明了,易于拿握,适用范围广;缺点是确定风险口J能性、后果严亜度过于依赖经验,主观性较大。
级为可承受风险(低}。
低:加强管理不断改进;中度:采取控制措施 降低;■:无法承受。
表1 :对人的影响潜在影响 定义0 无伤害 对健康没有伤害1 轻微伤害 对个人受雇和完成目前劳动没有伤害2 小伤害 对完成目前工作有影响,如某些行动不便或需要一周以内的休息才能恢复3 重大伤害 导致对某些工作能力的永久丧失或需要经过长期恢复才能工作 4一人死亡 一人死亡或永久丧失全部工作能力 5多人死亡多人死亡版本2潜在影响定义0 无伤害 对健康没有伤害级别 危害程度人员P 财产恵 环境E在行业内 未听说过 E 在行业内 发生过 可能性(增加)「D 在公同内每 年多次发生 在公讨内 发生过 E在盛层经 常发生尢厉誉 无损先 无影响 无彫响轻微 轻微 损失轻微 影响小伤害 小损失 小影响 重大死亡 多人 死亡局部 损伤损失 特人 损伤局部直大影响 巨人 影响7-9级为不可承受风险1 4345 65656几5-6级为需关注风险(中度儿0-4全国 影响 国陥 影响轻微 影响 影响 很人 影响事故几率指标:A 不可能(每一千年发生一次)B――极少(每一百年至每一千年发生一次)C——偶尔(每十年至每一百年发生一次)D――可能(每年至每十年发生一次)E――经常(每年发生多过一次)。
风险矩阵法 (矩阵风险评估表)
Ⅰ区:一般风险,需加强管理不断改进;
Ⅱ区:中度风险,需制定风险削减措施;
Ⅲ区:重大风险,不可忍受的风险,纳入目标管理或制定管理方案。
评价为一般风险和中度风险的危害因素应列入危害因素清单,评价为重大风险的危害因素应列入重要危害因素清单。
矩阵风险评估表中对人员、财产、环境、组织名誉的损害和影响的判别准则分别见表1、表2、表3、表4。
版本2
事故几率指标:
A——不可能(每一千年发生一次)B——极少(每一百年至每一千年发生一次)C——偶尔(每十年至每一百年发生一次)D——可能(每年至每十年发生一次)E——经常(每年发生多过一次)。
风险矩阵法 (矩阵风险评估表)Ⅰ区:一般风险,需加强管理不断改进;Ⅱ区:中度风险,需制定风险削减措施;Ⅲ区:重大风险,不可忍受的风险,纳入目标管理或制定管理方案。
评价为一般风险和中度风险的危害因素应列入危害因素清单,评价为重大风险的危害因素应列入重要危害因素清单。
矩阵风险评估表中对人员、财产环境、组织名誉的损害和影响的判别准则分别见 1、表 2、表 3、表 4。
、表版本 2风险后果环境R无伤害轻微伤害小伤害重大伤害一人死亡多人死亡无损伤轻微损害小损伤局部损坏重大影响特大影响无影响轻微影响小影响局部影响重大影响巨大影响几率增加C本组织发生过D本组织容易发生E本组织经常发生(Ⅱ区)(Ⅲ区)名誉E无影响轻微影响有限损害很大影响全国影响国际影响B本行业发生过(Ⅰ区)严重级别0 1 2 3 4 5A从没有发生过财产A人员P表 1:对人的影响潜在影响定义0 无伤害对健康没有伤害1 轻微伤害对个人受雇和完成目前劳动没有伤害2 小伤害对完成目前工作有影响,如某些行动不便或需要一周以内的休息才能恢复3 重大伤害导致对某些工作能力的永久丧失或需要经过长期恢复才能工作4 一人死亡一人死亡或永久丧失全部工作能力5 多人死亡多人死亡版本 2潜在影响定义0 无伤害对健康没有伤害1 轻微伤害对个人继续受雇和完成目前劳动没有伤害2 小伤害对完成目前工作有影响,如某些行动不便或需要一周以内的休息才能恢复3 重大伤害导致对某些工作能力的永久丧失或需要经过长期恢复才能工作单独伤害个人永久丧失全部工作能力,也包括与事件紧密联系的多种灾难的可能(最多 3 4个),如爆炸多种灾害包括 4 中与实践密切联系的灾害,或不同地点 /或不同活动下发生的多种灾害 (4 5个以上)表 2:对财产的影响潜在影响 定义 0 无损失 对设备没有损坏1 轻微损失 对使用没有妨碍,只需要少量的修理费用2 小损失 给操作带来轻度不便,需要停工修理3 局部损失 装置倾倒,修理可以重新开始4 严重损失 装置部分丧失,停工5 特大损失 装置全部丧失,大范围损失 表 3:对环境的影响潜在影响 0 无影响 1 轻微影响 2 小影响 3 局部影响 4 严重影响 5 巨大影响表 4:对声誉的影响潜在影响 0 无影响 1 轻微影响 2 有限影响 3 很大影响4 国内影响5 国际影响事故几率指标:A ——不可能(每一千年发生一次)B ——极少(每一百年至每一千年发生一次)C ——偶尔(每十年至每一百年发生一次)D ——可能(每年至每十年发生一次)E ——经常(每年发生多过一次)没有公众反应公众对事件有反应,但是没有公众表示关注一些当地公众表示关注,受到一些指责;一些媒体有报道和一些政治上的重视 引起整个区域公众的关注, 大量的指责, 当地媒体大量反面的报道; 国家媒体或 当地/国家政策的可能限制措施或许可证影响;引发群众集会引起国内公众的反应,持续不断的指责,国家级媒体的大量负面报道;地区 /国 家政策的可能限制措施或许可证影响;引发群众集会引起国际影响和国际关注; 国际媒体大量反面报道或国际政策上的关注; 可能对 进入新的地区得到许可证或税务上有不利影响, 受到群众的压力; 对承包方或业 主在其他国家的经营产生不利影响没有环境影响可以忽略的环境影响,当地环境破坏在小范围内 破坏大到足以影响环境,单项超过基本或预定的标准 环境影响多项超过基本的或预设的标准,并超出了一定范围严重的环境破坏,承包商或业主被责令把污染的环境恢复到污染前水平 对环境 (商业、娱乐和自然生态) 的持续严重破坏或扩散到很大的区域,对承包 商或业主造成严重经济损失,持续破坏预先规定的环境界限定义定义。
风险矩阵法介绍风险矩阵法(Risk Matrix),也被称为风险评估矩阵或风险矩阵分析,是一种用于评估和分析风险的工具。
它通过将风险的可能性(Probability)和影响(Impact)量化,并将其在一个矩阵中进行可视化表示,帮助组织和项目团队更好地理解和管理风险。
下面是对风险矩阵法的详细介绍。
1.风险矩阵概述:风险矩阵是一种直观、简便的工具,用于将风险的可能性和影响以定量形式表示出来。
它通常由一个二维矩阵构成,其中横轴表示风险可能性,纵轴表示风险影响。
通过将可能性和影响的不同等级划分为几个离散的级别,可以将风险划分为不同的类别,便于识别和优先处理。
2.风险矩阵的构成:风险矩阵通常由以下组成部分构成:-风险可能性:风险发生的概率或频率,通常根据历史的统计数据或专家意见进行评估。
可能性可以被划分为多个级别,如低、中和高。
-风险影响:风险发生后对项目目标或组织利益的程度或严重程度。
影响也可以被划分为多个级别,如低、中和高。
-风险等级:结合可能性和影响来判定风险的级别,通常使用颜色或数字表示。
可能有多个风险等级,例如低、中、高和极高。
3.风险矩阵的使用方法:使用风险矩阵法进行风险评估和分析通常包括以下步骤:-风险识别:通过组织内部的经验、专家意见、历史数据等方法,识别与项目或组织目标相关的潜在风险。
-风险评估:对每个已识别的风险进行可能性和影响的评估。
可以使用定性或定量方法进行评估。
定性方法可以通过专家判断和经验来判断风险等级;定量方法可以基于数据和统计分析进行量化评估。
-风险矩阵绘制:将风险的可能性和影响在矩阵中进行可视化表示。
将可能性和影响的划分标准(如低、中、高)作为轴上的刻度,并用不同的颜色或数字表示风险等级。
-风险分类和优先处理:根据风险矩阵的结果,将风险划分为不同的类别,如低风险、中风险、高风险和极高风险。
根据风险的优先级,制定相应的风险应对措施和计划。
-风险监控和控制:在项目或组织执行过程中,持续监测和更新风险矩阵。
风险等级划分方法(矩阵法)
在确定风险概率和事故后果严重程度的基础上,明确风险等级划分标准,建立风险矩阵。
表1 风险矩阵
说明:1.风险 = 事故发生概率 * 事故后果严重程度。
2.风险矩阵中风险等级划分标准见表2,事故发生概率等级见表3,事故后果严重程度等级见表4。
表2 风险等级划分标准
表3 事故发生概率
表4 事故后果严重程度
说明:1. 表4中“员工伤害”和“财产损失”按照《中国石油天然气集团公司生产安全事故管理办法》(中油安字〔2007〕
571号)中事故分级确定,“环境影响”和“声誉”参照《中国石油天然气集团公司突发事件分类分级目录》
(厅发〔2013〕30号)中突发事件分级确定。
2. 各单位可以结合生产特点和风险性质等,确定事故后果严重程度等级。
3. “以上”包括本数,所称的“以下”不包括本数。
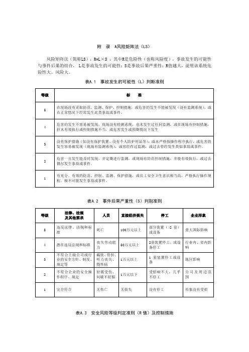
风险矩阵法(L·S)
辨识出每个作业单元可能存在的危害,并判定这种危害可能产生的后果严重性及产生这种后果的可能性,二者相乘,得出所确定危害的风险。
然后进行风险分级,根据不同级别的风险,采取相应的风险控制措施。
风险的数学表达式为:R=L×S。
其中:
R是指风险度;
L是指事故发生的可能性;
S是指事故后果的严重性。
从偏差发生频率、安全检查、操作规程、员工胜任程度、控制措施五个方面对危害事件发生的可能性(L)进行评价取值,取五项得分的最高的分值作为其最终的L值。
从人员伤亡情况、财产损失、法律法规符合性、环境破坏和对企业声誉损坏五个方面对后果的严
确定了S和L值后,根据R=L×S计算出风险度R的值。
表3 风险矩阵
说明:1.风险
2.风险矩阵中事故发生的可能性见表1,事故后果严重程度等级见表2,风险等级划分标准见表3。
根据R的值的大小将风险级别分为以下四级:
R=L×S=17~25:A级,重大风险/红色风险;
R=L×S=13~16:B级,较大风险/橙色风险;
R=L×S=8~12:C级,一般风险/黄色风险;
R=L×S=1~7:D级,低风险/蓝色风险。
作业条件风险程度评价(LEC)。
风险矩阵法(L·S)英国石油化工行业最先采取,即辨识出每个功课单元可能消失的伤害,并剖断这种伤害可能产生的效果及产生这种效果的可能性,二者相乘,得出所肯定伤害的风险.然落后行风险分级,依据不合级此外风险,采纳响应的风险掌握措施.风险的数学表达式为:R=L×S.个中:R—代表风险值;L—代表产生损害的可能性;S—代表产生损害效果的轻微程度.从误差产生频率.安然检讨.操纵规程.员工胜任程度.掌握措施五个方面临伤害事宜产生的可能性(L)进行评价取值,取五项得分的最高的分值作为其最终的L值.从人员伤亡情形.财宝损掉.司法律例相符性.情形破坏和对企业荣誉破坏五个方面临效果的轻微程度(S)进行评价取值,取五项得分最高的分值作为其最终的S值.肯定了S和L值后,依据R=L×S盘算出风险度R的值.依据R的值的大小将风险级别分为以下四级:R=L×S=17~25:A级,须要立刻暂停功课;R=L×S=13~16:B级,须要采纳掌握措施;R=L×S=8~12:C级,须要有限度管控;R=L×S=1~7:D级,须要跟踪监控或者风险可允许.功课前提风险程度评价(LEC)基起源基础理是依据风险点辨识肯定的伤害及影响程度与伤害及影响事宜产生的可能性乘积肯定风险的大小.定量盘算每一种安全源所带来的风险可采取如下办法:D=LEC.式中:D—风险值;L—产闹变乱的可能性大小;E—吐露于安全情形的频仍程度;C—产闹变乱产生的效果.当用概率来暗示变乱产生的可能性大小(L)时,绝对不成能产生的变乱概率为0;而必定产生的变乱概率为1.从体系安然角度斟酌,绝对不产闹变乱是不成能的,所以工资地将产闹变乱可能性微小的分数定为0.1,而必定要产生的变乱的分数定为10,介于这两种情形之间的情形指定为若干中央值.当肯定吐露于安全情形的频仍程度(E)时,人员出如今安全情形中的时光越多,则安全性越大,划定中断出如今安全情形的情形定为10,而异常罕有地出如今安全情形中定为0.5,介于两者之间的各类情形划定若干个中央值.关于产闹变乱产生的效果(C),因为变乱造成的人身损害与财宝损掉变更规模很大,划定其分数值为1100,把须要抢救的稍微毁伤或较小财宝损掉的分数划定为1,把造成多人逝世亡或重大财宝损掉的可能性分数划定为100,其他情形的数值均为1与100之间.风险值(D)求出之后,企业应依据现实情形肯定风险级此外界线值,以相符中断改良的思惟.下表可作为肯定风险级别界线值的参考.。
一般危险源风险评价方法—风险矩阵法(LS法)
一、风险矩阵法(LS法)的数学表达式为:
R = L×S (公式1)式中:R—风险值;
L—事故发生的可能性;
S—事故造成危害的严重程度。
二、L值的取值过程与标准
L值应由管理单位三个管理层级(分管负责人、部门负责人、运行管理人员)、多个相关部门(运管、安全或有关部门)人员按照以下过程和标准共同确定:
第一步:由每位评价人员根据实际情况和表1,参照附件5、附件6初步选取事故发生的可能性数值(以下用L c表示);
表1 L值取值标准表
第二步:分别计算出三个管理层级中,每一层级内所有
1。
安全风险评价风险矩阵法(L·S)、LEC法引言概述:安全风险评价是一种用于识别和评估潜在危(wei)险和风险的方法,以便采取适当的措施来降低或者消除这些风险。
在安全管理中,有许多方法可以用来评估风险,其中两种常见的方法是风险矩阵法(L·S)和LEC法。
本文将详细介绍这两种方法的原理和应用。
一、风险矩阵法(L·S)1.1 理论基础风险矩阵法是一种通过将风险的可能性和严重性进行量化,然后将其绘制在一个矩阵中来评估风险的方法。
其中,可能性通常用概率来表示,严重性可以通过评估潜在的损失、影响和后果来确定。
1.2 应用步骤风险矩阵法的应用步骤包括以下三个方面:1.2.1 确定可能性等级根据过去的经验和专业知识,将可能性分为几个等级,例如低、中、高。
每一个等级可以根据其发生的频率和概率来确定。
1.2.2 确定严重性等级根据潜在的损失和影响,将严重性分为几个等级,例如低、中、高。
每一个等级可以根据其对安全和业务的影响程度来确定。
1.2.3 绘制风险矩阵将可能性和严重性的等级绘制在一个矩阵中,形成一个二维表格。
根据矩阵中的交叉点,可以确定风险的等级,例如低、中、高。
根据风险等级,可以采取相应的措施来降低或者消除风险。
1.3 优点和局限性风险矩阵法的优点是简单易懂,能够直观地表示风险的等级。
然而,它也存在一些局限性,例如可能性和严重性的量化可能存在主观性,且矩阵的划分可能因组织和行业的不同而有所差异。
二、LEC法2.1 理论基础LEC法是一种基于概率论和统计学的方法,用于评估风险。
它通过计算风险的期望损失和标准差来量化风险,从而确定其等级。
2.2 应用步骤LEC法的应用步骤包括以下三个方面:2.2.1 确定风险事件根据组织的特定情况,确定可能发生的风险事件,并对其进行描述和分类。
2.2.2 估计概率和损失通过采集和分析相关数据,估计每一个风险事件发生的概率和可能的损失。
2.2.3 计算期望损失和标准差使用概率论和统计学的方法,计算每一个风险事件的期望损失和标准差。
风险矩阵法 (矩阵风险评估表)
Ⅰ区:一般风险,需加强管理不断改进;
Ⅱ区:中度风险,需制定风险削减措施;
Ⅲ区:重大风险,不可忍受的风险,纳入目标管理或制定管理方案。
评价为一般风险和中度风险的危害因素应列入危害因素清单,评价为重大风险的危害因素应列入重要危害因素清单。
矩阵风险评估表中对人员、财产、环境、组织名誉的损害和影响的判别准则分别见表1、表2、表3、表4。
版本2
版本2
表2:对财产的影响
表4:对声誉的影响
事故几率指标:
A——不可能(每一千年发生一次)B——极少(每一百年至每一千年发生一次)C——偶尔(每十年至每一百年发生一次)D——可能(每年至每十年发生一次)E——经常(每年发生多过一次)。