2021客户采购清单(标准版)
- 格式:xls
- 大小:59.00 KB
- 文档页数:2
9
盐酸分析纯试剂10碘分析纯试剂11碘化钾分析纯试剂12硫酸分析纯试剂13盐酸分析纯试剂14氨水分析纯试剂15硫化钠分析纯试剂16氯化铵
分析纯试剂17乙二胺四乙酸二钠(EDTA)
分析纯试剂18盐酸羟胺分析纯试剂19无水乙醇分析纯试剂20氯化镁分析纯试剂21葡萄糖分析纯试剂22无水碳酸钠分析纯试剂23硝酸分析纯试剂24硝酸银分析纯试剂25乙酸分析纯试剂26乙酸钠分析纯试剂271,10-菲啰琳分析纯试剂28硫酸亚铁铵分析纯试剂29过硫酸铵分析纯试剂30硫酸铁铵分析纯试剂31硫代硫酸钠分析纯试剂32重络酸钾基准试剂33氧化锌基准试剂34氯化钠优级纯35硫氰酸铵显色剂36亚甲基蓝试验液 1.5g/L
37硫酸铜(CuSO2·5H2O)
38四氯化碳39 甘油 40凡士林
备注:1、红色为后期加上的 2、四氯化碳部分仪器见图2、3(所
药品
图二
图三
3(所需仪器要3套)
图一图二图三。
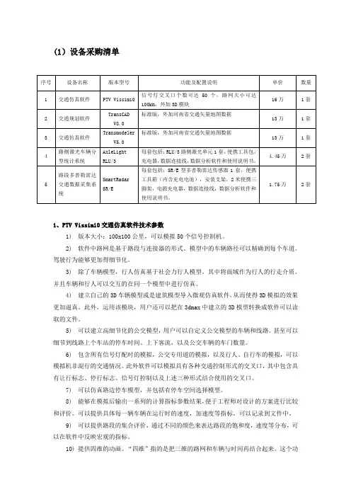
(1)设备采购清单1、PTV Vissim10交通仿真软件技术参数1) 版本大小:100x100公里,可以模拟50个信号控制机。
2) 软件中路网是基于路段与连接器的形式。
模型中的车辆路径可以精确到每个车道。
驾驶行为能够更加得细节化。
3) 除了车辆模型,行人仿真基于社会力行人模型。
其中将面域作为行人的行走介质。
并且车辆和行人可以交互的在同一个模型中进行仿真。
4) 建立自己的3D车辆模型或是建筑模型导入微观仿真软件,从而使得3D模拟的效果更加逼真。
此外,运用该模块,用户还可以把在3dmax中建立的3D模型转换成软件可以读取的文件。
5) 可以建立高细节化的公交模型,用户可以自定义公交模型的车辆和线路。
甚至可以细节到线路上个车站的停车时间、上下客流,以及公交车辆的车门数量。
6) 包含所有信号灯配时的模拟,公交专用道的模拟,以及行人、自行车的模拟,可以模拟机非混行的交通情况。
此外软件可以模拟具有各种交通控制形式的交叉口,其中包含具有让行标志、停行标志、信号灯控制以及上述三种形式结合使用的交叉口。
7) 可以仿真路边停车模型,并包括有停车空间选择模型。
8) 能够在模拟后输出一系列的计算指标参数结果,便于工程师对设计的方案进行比较和评价。
可以提供具体每一辆车辆在运行时的速度,加速度等指标。
可以记录到文件中。
9) 可以提供路段的集合评价,通过不同的颜色来表达路段的饱和度,速度等分布,可以在软件中反映宏观的指标。
10) 提供四维的动画。
“四维”指的是把三维的路网和车辆与时间再结合起来。
这个功能使得用户可以生成符合实际情况的录像片段,因而为项目的交流演示提供了一个非常出色的工具。
软件还可以把航拍图片和CAD文件作为仿真的背景文件。
11) 能够导入ANM文件,节点的几何信息就可以自动完成。
12) 显示三维信号灯。
2、TransCAD V8.0交通规划软件功能要求:用来储存、显示、管理和分析交通数据。
以交通规划四阶段法为基础,提供完善的交通规划模型算法。
采购货物报价清单〔智能教室系统〕采购编号:2021-NBHS-091A供应商〔盖章〕:法人〔或授权〕代表〔签字〕:年月日宁波市海曙区当局采购中心二00九年七月九日附件1:卓越智能教室系统技术需求一、系统说明:信息技术在中小学教育教学上的应用日益广泛,操纵视频摄录编系统对课堂教学的全过程进行实录,并运用全校〔区〕的教育网络系统向有关学校进行实时转播,是深化课堂教学鼎新、推进信息技术与课程整合,实现网上教研和提高教学质量的有效手段。
二、功能要求:*〔一〕、系统功能要求:*1、全自动多场景录制编纂:系统可实现教师、学生、黑板和多媒体设备等多个场景之间,依据动作、声音或其它因素自动切换,进行全过程、全场景的无人值守自动录制和自动编纂。
*2、录制过程常态化: 教师授课的同时,不需要助理或他人帮忙而自动完成授课全过程的录制(不得带后台控制设备)。
在录播过程中,授课教师可以自主的控制开始和结束。
为便利课间休息,需提供录播暂停功能,恢复后继续从原遏制位置录播,不另行生成文件,不影响最终录制成果。
*3、录制成果:要求为流媒体文件格式〔采用MPEG4算法〕,可通过Microsoft IE浏览器或通用的流媒体播放器播放。
录制画面的质量应达到1024 768分辨率,通过投影机能清晰回放。
*4、录制模式:录播系统在录制的过程中可自动地将现场画面进行网络直播,远端教室可用IE浏览器直接收看。
在多镜头和多视频设备同时工作时,只输出显示一个最符合用户要求的画面,而不是分屏显示。
同时系统可以按照用户需求,撑持画中画录制模式。
录播系统要能按照授课的进度,自动给出教师的近景镜头,中景/板书镜头,远景镜头,保持录制画面效果的生动真实。
〔在技术局部附各类镜头的具体参数〕*5、撑持电子文件和电脑软件:系统必需能够撑持任意格式电子文件和任何电脑软件,如PDF、Office、各种图片、CAD、Flash等,在教师讲课时按照需要同步录制。
*6、多媒体设备的统一控制:为便利教师使用,录播系统应提供一体化的人机操作面板,教师能通过统一的操作面板,使用所有的教学设备和控制录播进程。
完整版)客户反馈清单1.背景和目的本文档旨在对客户的反馈进行清单化整理,以便团队成员能够系统地记录并处理客户反馈。
通过该反馈清单,我们可以更好地了解客户需求,改进产品和服务,并提高客户满意度。
2.客户反馈清单反馈编号 | 反馈时间 | 反馈内容 | 处理状态 |001 | 2021-01-01 | 产品页面加载速度较慢 | 处理中 |002 | 2021-01-03 | 购物车商品无法结算 | 待处理 |003 | 2021-01-05 | 支付页面显示错误信息 | 已解决 |3.反馈详情反馈编号002反馈时间:2021-01-03反馈内容:购物车商品无法结算反馈人:___反馈渠道:电话处理状态:待处理处理进展2021-01-03:收到客户反馈,确认购物车结算问题存在。
2021-01-04:开发团队进行了初步排查,并确定问题原因是代码bug。
2021-01-05:开发团队修复了代码bug,并进行了测试,问题已解决。
2021-01-06:联系客户,确认问题已解决,感谢其反馈并致以歉意。
反馈编号003反馈时间:2021-01-05反馈内容:支付页面显示错误信息反馈人:___反馈渠道:邮件处理状态:已解决处理进展2021-01-05:收到客户反馈,确认支付页面显示错误信息。
2021-01-06:开发团队进行了排查,并发现错误是由于一个配置文件的错误设置导致。
2021-01-07:开发团队修改了配置文件,并进行了测试,问题已解决。
2021-01-08:联系客户,确认问题已解决,感谢其反馈并致以歉意。
4.下一步行动基于客户反馈清单,我们将采取以下行动:处理中的问题将优先分配给相关责任人,并追踪处理进展。
处理完成的问题将及时与客户确认,并向其表达感谢和歉意。
分析反馈的共性和趋势,形成改进意见,及时进行产品和服务的优化。
5.结论客户反馈清单是我们与客户保持良好关系、改进产品和服务的重要工具。
团队成员应将客户反馈及时记录、处理和追踪,以便及时解决问题,提高客户满意度。
材料购买清单【模板草案】1. 材料名称:____________________规格/型号:____________________数量:____________________单位:____________________单价(元):____________________总价(元):____________________采购员:____________________采购日期:____________________2. 材料名称:____________________规格/型号:____________________数量:____________________单位:____________________单价(元):____________________总价(元):____________________采购员:____________________采购日期:____________________3. 材料名称:____________________ 规格/型号:____________________ 数量:____________________单位:____________________单价(元):____________________ 总价(元):____________________ 采购员:____________________采购日期:____________________4. 材料名称:____________________ 规格/型号:____________________ 数量:____________________单位:____________________单价(元):____________________ 总价(元):____________________ 采购员:____________________采购日期:____________________5. 材料名称:____________________ 规格/型号:____________________数量:____________________单位:____________________单价(元):____________________ 总价(元):____________________ 采购员:____________________采购日期:____________________6. 材料名称:____________________ 规格/型号:____________________ 数量:____________________单位:____________________单价(元):____________________ 总价(元):____________________ 采购员:____________________采购日期:____________________7. 材料名称:____________________ 规格/型号:____________________ 数量:____________________单位:____________________单价(元):____________________ 总价(元):____________________ 采购员:____________________采购日期:____________________8. 材料名称:____________________ 规格/型号:____________________ 数量:____________________单位:____________________单价(元):____________________ 总价(元):____________________ 采购员:____________________采购日期:____________________9. 材料名称:____________________ 规格/型号:____________________ 数量:____________________单位:____________________单价(元):____________________ 总价(元):____________________采购员:____________________采购日期:____________________10. 材料名称:____________________规格/型号:____________________数量:____________________单位:____________________单价(元):____________________总价(元):____________________采购员:____________________采购日期:____________________注意事项:- 请根据实际需求填写材料名称、规格/型号、数量、单位、单价和总价。
采购需求一、采购货物清单二、采购货物技术和商务要求1.凡注明品牌型号的设备,投标人请在此范围内选择。
如未在此范围内选择,则必须是同等档次的品牌型号,并须经评标委员会三分之二以上专家确认,否则将被视为负偏离。
2、参考图片仅用作货物的外形示意及参考。
11 双门蒸饭车(电汽两用)说明:选用SUS304不锈钢板制作,板厚1.0mm,采用优质保温材料,不锈钢紧固件,配有一次型饭盘、饭铲。
功率:2×12KW/380V产量:100KG2 台11a 磁力开关品牌:德力西正泰施耐德型号:CDS2-32B32说明:12KW/380V4 个二XX市江北惠贞书院1 双门蒸饭车(电汽两用)说明:选用SUS304不锈钢板制作,板厚1.0mm,采用优质保温材料,不锈钢紧固件,配有一次型饭盘、饭铲。
功率:2×12KW/380V产量:100KG3 台1a 磁力开关品牌:德力西正泰施耐德型号:CDS2-32B32说明:12KW/380V6 个2 四门双温冷柜品牌:星星松下特博尔型号:QD1.0A4冷藏温度:0℃~10℃冷冻温度:-18℃~0℃规格:1220×760×19504 台三XX市XX区洪塘中心小学1 双层工作台说明:选用SUS304不锈钢板制作,台面δ=1.2mm,层板δ=0.8mm,加强筋采用δ=1.0mm不锈钢板,脚φ38×1.0mm磨砂脚管(配有可调子弹脚),脚杯φ50×100×0.8mm。
规格:1800×800×8002 张四XX区洪塘实验学校1 双门热风消毒柜品牌:Captain 美厨乐鹰型号:CXD-760GK功率:4.6KW/220V规格:1310×635×18802 台五XX市XX区中城小学1 四门双温冷柜品牌:星星松下特博尔型号:QD1.0A4冷藏温度:0℃~10℃冷冻温度:-18℃~0℃规格:1220×760×19501 台2 双层工作台说明:选用SUS304不锈钢板制作,台面δ=1.2mm,层板δ=0.8mm,加强筋采用δ=1.0mm不锈钢板,脚φ38×1.0mm磨砂脚管(配有可调子弹脚),脚杯φ50×100×0.8mm。
采购清单及配置参数及商务要求一、采购清单及配置参数序号货物服务名称项目特征描述数量单位备注1钢支撑、钢拉条1、构件类型:镀锌构件支架2、安装高度:48m3、按图纸施工9.1 t2 预埋铁件1、钢材种类:Q235B2、规格:20厚钢板3、铁件尺寸:220*266、220*2404、按图纸施工0.35 t3 植筋1、钢筋种类、规格:Φ16 L=2002、按图纸施工192 根4 建筑垂直运输1、建筑物建筑类型及结构形式:钢支撑屋面上2、建筑物檐口高度、层数:48m3、按图纸施工1项5金属面油漆1、构件名称:钢支撑焊缝处2、油漆品种、刷漆遍数:防锈漆二遍按图纸施工16m26美术字制作安装1、安装基层类型:钢支撑2、镌字材料品种、颜色:4mm厚红色亚克板面,1.2mm厚镀锌铁皮底3、单个字体规格、尺寸:5米*5米4、固定方式:焊接式5、按图纸施工8个7配套电气发光LED灯带1、制作方式:“百年名校当涂一中”八个字体每一笔画以LED灯带形式环绕。
2、亮度达到常规夜间明显可视水平。
1项稳压器400W26只国标6平方单股铜芯线400米国标2.5平方X2铜芯护导线300米控制交流器(配套定制) 1 只时控器(配套定制) 1 只电表箱(配套定制) 1 只φ25 PVC管120 米软管(配套定制)100 米8 施工及辅材完成本项目所需的辅材及施工内容1项注:1、以上报价为总费用报价(含税、措施费、材料费、安装费、安全文明施工费等一切费用)2、如果在技术参数或配置中标明了品牌或产地,则仅供参考,并非指定,供应商可以选用替代的方案,但这种替代整体上要优于或相当于询价通知书的相关要求。
3、为鼓励不同品牌的充分竞争,如某设备的某技术参数或要求属于个别品牌专有,则该技术参数及要求不具有限制性,供应商可对该参数或要求进行适当调整,并应当说明调整的理由,且该调整须经谈判小组审核认可。
4、以上规格参数内容为不允许负偏离的实质性要求和条件。
采购货物名称、数量与技术参数1. 背景本文档旨在详细记录采购货物的名称、数量以及相关的技术参数,以便采购部门能够准确地进行货物采购工作。
2. 货物名称和数量按照采购计划,以下是我们计划要采购的货物的名称及相应的数量:1.电脑配件–处理器: 100个–内存条: 200个–硬盘: 300个2.办公设备–打印机: 50台–复印机: 30台–传真机: 20台3.汽车配件–发动机: 10台–刹车片: 50个–轮胎: 100个4.化学试剂–酸性试剂: 100瓶–碱性试剂: 200瓶–中性试剂: 300瓶3. 技术参数3.1 电脑配件3.1.1 处理器•型号: Intel Core i7-9700K•主频: 3.6 GHz•缓存: 12MB•核心数: 8核心•线程数: 8线程3.1.2 内存条•型号: Kingston HyperX Fury DDR4•容量: 8 GB•频率: 2666 MHz3.1.3 硬盘•型号: Seagate Barracuda ST2000DM008 •容量: 2 TB•缓存: 64 MB•转速: 7200 RPM3.2 办公设备3.2.1 打印机•型号: HP LaserJet Pro M402n•打印速度: 40 ppm (黑白)•分辨率: 4800 x 600 dpi•支持纸张尺寸: A4、A5、A6、B5、B6 3.2.2 复印机•型号: Canon imageRUNNER 2206N•复印速度: 22 ppm (A4)•最大复印尺寸: A3•支持纸张容量: 最大1050张3.2.3 传真机•型号: Brother FAX-2840•传真速度: 33.6 Kbps•传真分辨率: 300 x 600 dpi•自动文稿进纸器: 支持最多30页3.3 汽车配件3.3.1 发动机•型号: Toyota 2jz-gte•排量: 3.0 L•最大马力: 330 hp•燃料类型: 汽油3.3.2 刹车片•适用车型: BMW 3系•材料: 高性能陶瓷金属•兼容性: OEM标准3.3.3 轮胎•品牌: Michelin Pilot Sport 4S•尺寸: 225/40ZR18•载重指数: 92•速度级别: Y(最高时速186 mph)3.4 化学试剂3.4.1 酸性试剂•品牌: Sigma-Aldrich•包装规格: 500 mL•酸度(pH): 1.53.4.2 碱性试剂•品牌: Fisher Scientific•包装规格: 1 L•碱度(pH): 12.53.4.3 中性试剂•品牌: Merck Millipore•包装规格: 1 L•pH值: 74. 结论本文档提供了采购部门所需的货物名称、数量和技术参数的详细信息。