探矿权申报程序
- 格式:doc
- 大小:466.00 KB
- 文档页数:93
探矿证—采矿证办理流程第一篇:探矿证—采矿证办理流程探矿证—采矿证办理流程一、探矿证办理1、实地踏勘,确定勘查区范围。
2、到当地国土资源局查询是否为空白区、是否与其他矿业权重叠等相关情况。
3、确认可新立探矿权后,编写实施方案,送审。
4、实施方案通过评审后,按国土局要求准备新立材料(清单见附件1),送国土局初审。
5、国土局初审通过,拿到初审意见,按省厅要求准备材料(与附件1差不多),送省厅审查。
6、省厅审查通过后,颁发勘查许可证(探矿证)。
二、勘查工作7、在矿区进行勘查工作,编写《储量报告》。
8、送审,取得评审意见。
9、备案,取得备案证明。
10、汇交,取得汇交证明。
三、划定矿区范围11、划定矿区范围,按国土局要求准备新立材料(清单见附件2),送国土局初审。
送省厅审查。
12、国土局初审通过,拿到初审意见,按省厅准备新立材料(与附件2差不多),送省厅审查。
13、省厅通过审查后,取得划定矿区范围批复。
14、编写《矿产资源开发利用方案》《土地复垦》《环境影响评价》《矿山地质环境保护与治理恢复方案》,并分别取得评审意见。
三、采矿证新立11、按国土局要求准备新立材料(清单见附件3),送国土局初审。
送省厅审查。
12、国土局初审通过,拿到初审意见,按省厅准备新立材料(与附件3差不多),送省厅审查。
13、省厅通过审查后,颁发采矿证。
附件1 探矿权新立申请材料:1、探矿权申请登记书4份2、申请的区块范围图4份3、企业法人营业执照或事业单位法人证书复印件1份4、勘查单位资质证书复印件1份5、勘查计划、合同1份6、资金证明文件1份7、勘查工作实施方案及附件4份8、交通位置图4份9、探矿权申请登记书(“探矿权报盘系统”生成的TXT格式的文件)10、合作勘查项目申请的,还应提交合作勘查合同1份11、涉外项目应提交军事部门出具是否同意勘查的证明文件附件2 划定矿区范围许可申请材料:1、区(市)政府批准文件、局初审意见 1份;2、工商部门企业名称预先核准登记书或营业执照复印件(验原件)5份;3、申请划定矿区范围的报告5份;4、地质报告 1套;5、储量审批文件及查明、占用储量登记证书 5份;6、矿区范围图(地质地形图或地质图为底图、西安80直角坐标系标定矿区范围)5份;7、1:5万矿山地理位置图(红色线条标注申请矿区范围、黑色线条标注勘察登记范围、蓝色线条标注矿体(床)水平投影范围)5份;8、有效期内的勘查许可证复印件(验原件)5份;9、转让取得的附转让批文5份;10、划定矿区电子表格软盘 1张;11、法律法规规定的其他资料。
如何取得探矿权采矿权探矿权和采矿权是指对矿产资源进行勘探和开采的法定权益。
在国家对矿产资源实施保护和管理的框架下,个人或组织可通过以下方式取得探矿权和采矿权。
一、取得探矿权1.准备工作在申请获得探矿权之前,需要进行一些准备工作。
首先,需要了解所需勘探的矿种、地理位置及其附近矿产资源的现状。
其次,需要获取相关的法律法规和政策,了解当地和国家对探矿权的具体要求和程序。
2.资格审查根据相关法律法规和政策,具备以下条件之一的个人或组织可以提出探矿权申请:具备矿产地质或地质勘查专业技术资格的机构和人员;具备开展矿产地质工作所需设备、技术人员和经费的机构和人员;具备与探矿目标储量规模相适应的探矿权开发能力的机构和人员。
3.申请材料准备具备资格的个人或组织需要准备探矿权申请书、申请人资质证明文件、勘探方案、勘探投资方案、矿产资源调查报告等相关文件和证明材料。
4.递交申请将准备好的申请材料递交给国土资源主管部门,并缴纳相关的费用。
5.资格审查和勘探权发放国土资源主管部门将对申请材料进行资格审查,并进行现场勘察,评估勘探计划的可行性和科学性。
若符合要求,国土资源主管部门将签发探矿权证书。
二、取得采矿权1.土地使用审批在获得探矿权并进行勘探后,如果发现矿产资源丰富且经济价值高,可以提交土地使用审批申请。
在土地使用方面,需要与当地国土资源主管部门进行沟通,确保土地使用权的合法性。
2.编制矿产开采方案在取得土地使用权后,需要对矿产资源进行测量、勘察和评估,编制矿产开采方案。
该方案应包括矿产储量、矿产资源保护措施、环境保护措施等内容。
3.采矿权申请准备好矿产开采方案后,可以向国土资源主管部门申请采矿权。
申请材料包括采矿权申请表、矿山资源分析报告、土地使用权证书、开采方案等。
4.资格审查和采矿权发放国土资源主管部门将对申请材料进行资格审查,并进行现场勘察。
若符合要求,国土资源主管部门将签发采矿权证书,并收取相关费用。
总结:取得探矿权和采矿权需要经过一系列的准备工作、资格审查、申请材料准备、申请递交、资格审查和发放采矿权证书等流程。
第1篇一、引言探矿权是指国家法律规定,公民、法人或者其他组织依法取得,对特定矿区进行勘查、开采、利用的权利。
探矿权的设立、变更、终止等法律问题,在我国《矿产资源法》、《探矿权采矿权转让管理办法》、《矿产资源勘查区块登记管理办法》等法律法规中均有明确规定。
本文将从探矿权的概念、法律依据、设立程序、权利内容、权利限制、权利保护等方面进行详细阐述。
二、探矿权的概念探矿权是指公民、法人或者其他组织依法取得,对特定矿区进行勘查、开采、利用的权利。
探矿权包括勘查权、开采权和利用权。
勘查权是指对矿区进行地质勘查的权利;开采权是指在勘查成果的基础上,对矿产资源进行开采的权利;利用权是指在开采过程中,对矿产资源进行加工、销售等活动的权利。
三、探矿权的法律依据1.《中华人民共和国矿产资源法》《矿产资源法》是我国矿产资源管理的基本法律,对探矿权的设立、变更、终止等进行了明确规定。
2.《探矿权采矿权转让管理办法》《探矿权采矿权转让管理办法》对探矿权的转让、变更、终止等进行了具体规定。
3.《矿产资源勘查区块登记管理办法》《矿产资源勘查区块登记管理办法》对探矿权的设立、变更、终止等进行了详细规定。
四、探矿权的设立程序1.提出申请申请人应当向省级以上人民政府自然资源主管部门提出探矿权设立申请。
2.审查批准自然资源主管部门对申请人提交的申请材料进行审查,对符合法定条件的,予以批准。
3.颁发勘查许可证自然资源主管部门批准探矿权设立后,向申请人颁发勘查许可证。
4.登记公告勘查许可证颁发后,申请人应当到登记机关进行登记,并公告。
五、探矿权的权利内容1.勘查权勘查权包括:①有权进入勘查矿区进行地质勘查;②有权对勘查矿区内的矿产资源进行勘查;③有权获取勘查成果。
2.开采权开采权包括:①有权对勘查矿区内的矿产资源进行开采;②有权对开采出的矿产资源进行加工、销售等。
3.利用权利用权包括:①有权对开采出的矿产资源进行加工、销售等;②有权对勘查矿区内的矿产资源进行综合利用。
探矿权审批依据、条件、程序、时限第一篇:探矿权审批依据、条件、程序、时限探矿权审批依据、条件、程序、时限一、探矿权审批依据《中华人民共和国矿产资源法》、《中华人民共和国矿产资源法实施细则》、《矿产资源勘查区块登记管理办法》、《国土资源部关于规范勘查许可证采矿许可证权限有关问题的通知》(国土资发〔2005〕200号)、《关于进一步规范矿业权出让管理的通知》(国土资发〔2006〕12号)、《关于推进探矿权市场化配置和管理的通知》(陕国土资发〔2008〕33号)。
二、探矿权审批条件(一)、按照矿法规定,申请范围必须属省级矿产资源主管部门审批登记颁发勘查许可证权限范围;(二)、申请登记的区块范围是否超出法定允许的最大范围,且为连续区块范围;(三)、申请登记区块范围不能与已受理、设置的探矿权、采矿权重叠;(四)、申请国家出资勘查并已形成矿产地探矿权的,需对探矿权价款进行评估,评估结果已经矿产资源主管部备案;(五)、申请人在90日之内,不得再次申请申请人已经注销区块范围内的探矿权;(六)、申请人受到被吊销勘查许可证处罚的, 6个月内不得再申请探矿权;(七)、申请人必须为企业法人,具有一定的资金实力从事勘查工作;(八)涉外企业申请探矿权必须经军事主管部门同意;(九)、矿产资源法律法规规定的其他条件。
三、探矿权审批程序厅办文窗口受理主办业务处室审查有关处室(局)(规划、资源、矿管、地环处、执法局)会审主办业务处室复核主管厅长审核报厅长办公议(厅专题会议)审定业务处室制证厅办文窗口颁发勘查许可证。
四、探矿权审批的时限40日内。
第二篇:采矿权审批事项依据、程序、要件和时限★项目名称:采矿权注销审批采矿权人在采矿许可证有效期内或者有效期届满,停办、关闭矿山的,应当自决定停办或者关闭矿山之日起30日内,向原发证机关申请办理采矿许可证注销登记手续。
项目审批程序:(一)受理1、条件:申请人须提交以下材料。
(1)采矿权注销登记表;(2)采矿许可证正、副本(原件);(3)市、县级国土资源部门出具的在采矿许可证有效期内缴纳矿产资源补偿费、采矿权使用费、采矿权价款及有无违反矿产资源法规情况的证明;(4)矿区范围资源尚未采完停办矿山的,应有矿产资源开发利用报告(要求同“采矿权延续登记”),以及带有矿区范围的矿山开采现状图(要求同“延续申请”),并核销所消耗的储量;(5)矿区范围资源枯竭关闭矿山的,应有闭坑地质报告及矿产资源储量备案证明和关闭矿山报告及主管部门的审批文件;(6)采矿权人可以委托代理人提出采矿权注销申请,受委托代理提出采矿权注销的申请人,要向采矿权登记管理机关提交由委托人(法定代表人)签名的委托书和委托人的身份证明;以及代理人的身份证明。
探矿权新设办理流程下载温馨提示:该文档是我店铺精心编制而成,希望大家下载以后,能够帮助大家解决实际的问题。
文档下载后可定制随意修改,请根据实际需要进行相应的调整和使用,谢谢!并且,本店铺为大家提供各种各样类型的实用资料,如教育随笔、日记赏析、句子摘抄、古诗大全、经典美文、话题作文、工作总结、词语解析、文案摘录、其他资料等等,如想了解不同资料格式和写法,敬请关注!Download tips: This document is carefully compiled by theeditor.I hope that after you download them,they can help yousolve practical problems. The document can be customized andmodified after downloading,please adjust and use it according toactual needs, thank you!In addition, our shop provides you with various types ofpractical materials,such as educational essays, diaryappreciation,sentence excerpts,ancient poems,classic articles,topic composition,work summary,word parsing,copy excerpts,other materials and so on,want to know different data formats andwriting methods,please pay attention!全面解析:探矿权新设办理的详细流程探矿权,是企业在进行地质勘查活动时的一项重要权利,它赋予了企业对特定区域内矿产资源的勘查权。
个人申请探矿权流程Applying for a mining right as an individual can be a complex process that requires careful consideration and planning. 作为个人申请探矿权可能是一个复杂的过程,需要仔细考虑和规划。
First and foremost, it is important to understand the regulations and laws governing mining rights in the specific jurisdiction where you plan to conduct mining activities. 首要的是,了解在您计划进行采矿活动的具体管辖区域中管理采矿权的法规和法律是很重要的。
Researching the requirements and regulations will help you navigate the application process smoothly and avoid potential pitfalls. 研究申请程序和规定将有助于您顺利进行申请过程,并避免潜在的困难。
It is also important to consider the environmental impact of your mining activities and ensure that you comply with all environmental protection laws and regulations. 同样重要的是,要考虑您的采矿活动对环境的影响,并确保您遵守所有环境保护法律和法规。
Before submitting your application for a mining right, it is advisable to consult with legal experts or professionals who have experience in the mining industry. 在提交您的采矿权申请之前,最好咨询在采矿业有经验的法律专家或专业人士。
探矿详查手续流程下载温馨提示:该文档是我店铺精心编制而成,希望大家下载以后,能够帮助大家解决实际的问题。
文档下载后可定制随意修改,请根据实际需要进行相应的调整和使用,谢谢!并且,本店铺为大家提供各种各样类型的实用资料,如教育随笔、日记赏析、句子摘抄、古诗大全、经典美文、话题作文、工作总结、词语解析、文案摘录、其他资料等等,如想了解不同资料格式和写法,敬请关注!Download tips: This document is carefully compiled by theeditor. I hope that after you download them,they can help yousolve practical problems. The document can be customized andmodified after downloading,please adjust and use it according toactual needs, thank you!In addition, our shop provides you with various types ofpractical materials,such as educational essays, diaryappreciation,sentence excerpts,ancient poems,classic articles,topic composition,work summary,word parsing,copy excerpts,other materials and so on,want to know different data formats andwriting methods,please pay attention!探矿详查手续流程一、申请探矿权阶段。
在进行探矿详查之前,首先要申请探矿权。
探矿权申请审批程序及有关规定(合集5篇)第一篇:探矿权申请审批程序及有关规定探矿权申请审批程序及有关规定[导读]一、新立登记。
(一)申请资料探矿权申请人委托具有资质的地质勘查单位按照《矿产资源勘查区块登记管理办法》的有关规定,向山东省国土资源厅勘查处提交以下申请资料:1、申请登记书和申请的区块范围图;2、勘查单位的资质证书的复印件;3、勘查工作计划、勘查合同或委托勘查的证明文件;4、勘查实施方案及附件;5、勘查项目的资金来源证明;6、上级地质矿产主管部门(部、省)规定提交的其它资料。
(二)矿权查询受省国土资源厅委托,县国土资源局对探矿权申请人申请探矿范围进行调查核实,填报《探矿权申请登记情况核实意见表》。
主要对项目名称、探矿权申请人情况、项目设立的位置、面积进行核实;对申请范围内矿权设置情况进行核实;调查核实探矿权申请项目是否在三区(城市规划区、经济开发区、地质地貌景观保护区)两线(公路、铁路)一定范围内,是否符合全县矿产资源开发利用总体规划,提出意见和建议,上报市国土资源局。
市国土资源局对探矿权申请材料和县局提交的《核实意见表》进行进一步审查后,出具意见上报省国土资源厅。
(三)审核审批省国土资源厅在收到申请之日起40日内,按照申请在先的原则做出准予登记或不准予登记的决定,并通知探矿权申请人。
准予登记的,探矿权申请人应当自收到通知之日起30日内到登记管理机关依照规定交纳探矿权使用费,并依照规定交纳探矿权价款,办理登记手续,领取勘查许可证,成为探矿权人;不予登记的,登记管理机关应说明原因,退回申请。
二、延续登记在勘查许可证规定的有效期内,未完成勘查工作,需延长勘查工作时间的,探矿权人应当在勘查许可证有效期满30日内到登记管理机关办理延续登记手续,办理新的勘查许可证。
三、变更登记在勘查许可证规定的有效期内,有在下列情形之一的,探矿权人应向登记管理机关申请变更探矿登记。
(一)扩大或者缩小勘查区块范围的;(二)改变勘查工作对象的;(三)经依法批准转让探矿权的;(四)探矿权人改变名称或者地址的。
全国矿业权人勘查开采系统申报流程下载温馨提示:该文档是我店铺精心编制而成,希望大家下载以后,能够帮助大家解决实际的问题。
文档下载后可定制随意修改,请根据实际需要进行相应的调整和使用,谢谢!并且,本店铺为大家提供各种各样类型的实用资料,如教育随笔、日记赏析、句子摘抄、古诗大全、经典美文、话题作文、工作总结、词语解析、文案摘录、其他资料等等,如想了解不同资料格式和写法,敬请关注!Download tips: This document is carefully compiled by theeditor.I hope that after you download them,they can help yousolve practical problems. The document can be customized andmodified after downloading,please adjust and use it according toactual needs, thank you!In addition, our shop provides you with various types ofpractical materials,such as educational essays, diaryappreciation,sentence excerpts,ancient poems,classic articles,topic composition,work summary,word parsing,copy excerpts,other materials and so on,want to know different data formats andwriting methods,please pay attention!全国矿业权人勘查开采信息公示系统的申报流程主要包括以下几个步骤:1. **登录系统**:- 打开浏览器,访问全国矿业权勘查开采信息公示系统网站。
探矿权使用费异地申报流程英文回答:Method of Declaring Exploration Right Usage Fees in Different Places.In China, the exploration right usage fee is a resource tax levied on the holder of the exploration right for the exploitation of mineral resources. The exploration right usage fee is calculated based on the quantity of minerals extracted and the unit price of the minerals. The exploration right usage fee is payable to the local tax authorities where the minerals are extracted.If the holder of the exploration right extracts minerals in a place other than the place where the exploration right is registered, the holder of the exploration right shall declare and pay the exploration right usage fee to the local tax authorities where the minerals are extracted. The holder of the exploration rightshall submit the following materials to the local tax authorities where the minerals are extracted:1. Application for declaration of exploration right usage fee;2. Copy of the exploration right certificate;3. Invoice or other documentary evidence of the sale of minerals;4. Other materials required by the local tax authorities.The local tax authorities shall review the materials submitted by the holder of the exploration right and issue a tax payment certificate. The holder of the exploration right shall pay the exploration right usage fee to the designated bank within the time limit specified in the tax payment certificate.中文回答:探矿权使用费异地申报流程。
第1篇一、引言探矿权是指国家根据矿产资源法及相关法律法规,对矿产资源进行勘查、开发的权利。
探矿权是矿产资源勘查开发的基础,对于保障国家能源资源安全、促进经济社会发展具有重要意义。
本文将围绕探矿权的法律规定,从探矿权的概念、设立条件、审批程序、权利内容、权利限制、法律责任等方面进行详细阐述。
二、探矿权的概念探矿权是指探矿权人依法在特定区域内进行矿产资源勘查的权利。
探矿权人是指在探矿权登记机关登记的,拥有探矿权的自然人、法人或者其他组织。
三、探矿权的设立条件1. 具备勘查资质:探矿权人应当具备相应的勘查资质,包括技术资质、财务资质、管理资质等。
2. 具备勘查能力:探矿权人应当具备勘查项目的实施能力,包括技术能力、人员能力、设备能力等。
3. 具备勘查资金:探矿权人应当具备勘查项目的资金保障,包括自有资金、融资等。
4. 具备勘查项目可行性:探矿权人应当对勘查项目进行可行性研究,确保勘查项目符合国家产业政策和矿产资源规划。
5. 符合法律法规:探矿权人应当遵守国家法律法规,包括矿产资源法、勘查区块登记管理办法等。
四、探矿权的审批程序1. 申请人向探矿权登记机关提交探矿权申请材料。
2. 探矿权登记机关对申请材料进行审查,符合设立条件的,予以登记。
3. 探矿权登记机关在勘查区块登记公告栏公告探矿权登记结果。
4. 探矿权人领取探矿权证书。
五、探矿权的权利内容1. 勘查权:探矿权人有权在探矿权登记的区块内进行矿产资源勘查。
2. 使用权:探矿权人有权使用勘查区块内的矿产资源。
3. 开发权:探矿权人有权对勘查区块内的矿产资源进行开发。
4. 收益权:探矿权人有权享有勘查区块内矿产资源的收益。
六、探矿权的权利限制1. 探矿权人应当遵守国家法律法规,不得损害国家利益、社会公共利益。
2. 探矿权人应当保护生态环境,不得破坏地质环境。
3. 探矿权人应当保护土地、水、森林等自然资源,不得侵占、破坏。
4. 探矿权人应当保护人民群众生命财产安全,不得危害人民群众的生产生活。
探矿权、采矿权审批及审查的有关问题一、探矿权、采矿权审批的程序和要求1、申请探矿权和采矿权的过程探矿权和采矿权审批及审查是矿产资源开发中的重要环节,对于保障国家资源安全、促进经济发展具有重要意义。
本文将围绕探矿权和采矿权审批及审查的有关问题展开讨论,首先介绍申请探矿权和采矿权的过程。
申请探矿权和采矿权的过程主要包括以下步骤:1、申请人准备申请材料。
申请探矿权和采矿权需要提交一系列材料,包括探矿权或采矿权申请书、申请人的企业法人营业执照、法定代表人的身份证明、矿山地质环境保护与恢复治理方案等。
申请人需要提前准备好这些材料,并向当地国土资源部门提出申请。
2、地市级国土资源部门受理申请并进行初步审查。
申请人提交的申请材料会被地市级国土资源部门进行初步审查,包括审核申请材料的完整性、合法性和规范性。
如果申请材料不符合要求,国土资源部门会通知申请人进行补正或修改。
3、省、自治区、直辖市国土资源部门进行复核并报国务院。
经过初步审查后,申请材料会提交给省、自治区、直辖市国土资源部门进行复核。
复核的主要内容包括申请人的资质、矿山的资源储量、环境保护等方面。
如果复核通过,申请材料会报送国务院审批。
4、国务院对申请进行审批并公告。
国务院会对申请材料进行审批,根据探矿权和采矿权管理的有关政策和标准,综合考虑各方面的因素,决定是否批准申请。
如果批准,国务院会公告探矿权或采矿权授予结果,并通知申请人领取探矿权或采矿权证。
申请探矿权和采矿权的过程需要严格遵守相关法律法规和政策规定,确保申请材料的完整性和合法性。
申请人需要了解相关政策和程序,以便顺利通过审批和审查。
2、审批机构和程序探矿权、采矿权审批及审查的有关问题矿产资源是国家经济发展的重要基础,也是社会生活不可或缺的能源来源。
在矿产资源的开发中,探矿权和采矿权是两个非常重要的概念。
探矿权是指对矿产资源进行勘探的权利,而采矿权则是在矿产资源探明后进行开采的权利。
这两种权利的审批和审查对于矿产资源的合理开发和利用具有重要意义。
探矿权申报程序 2 划定勘查作业区范围 一、受理范围 除下列情形由国土资源部审批外,其余均由省国土资源厅审批划定勘查作业区范围: 1、石油、烃类天然气、煤成(层)气、钨、稀土、放射性矿产勘查; 2、煤炭勘查区块面积大于30平方公里(含)的勘查项目; 3、锡、锑矿产勘查投资大于500万元人民币(含),或勘查区块面积大于15平方公里(含)的勘查项目; 4、油页岩、金、银、铂、锰、铬、钴、铁、铜、铅、锌、铝、镍、钼、磷、钾、锶、铌、钽矿产勘查投资大于500万元人民币(含)的勘查项目; 5、跨省、直辖市的矿产资源勘查。 二、审批依据 1、《矿产资源法》、《矿产资源法实施细则》、《矿产资源勘查区块登记管理办法》、《探矿权采矿权转让管理办法 》和《湖北省地质矿产勘查管理条例》等法律法规; 2、国家及省国民经济和社会发展中长期发展规划; 3、矿产资源规划和矿业权设置方案; 4、相关行业发展规划、产业政策及相关矿种勘查开采准入条件; 5、湖北省国土资源厅《关于规范勘查许可证采矿许可证审批发证权限的通知》(鄂土资发〔2006〕107号)、《关于矿业权出让管理暂行办法》(鄂土资发〔2006〕109号)、《关于进一步规范探矿权采矿权管理的暂行规定》(鄂土资规〔2009〕1号)等规范性文件。 三、审批条件
(一)不属于暂停审批和颁发勘查许可证的矿种; (二)符合矿产资源规划、产业政策、矿业权设置方案和相应矿种的勘查开采准入条件; (三)拟设置探矿权在空间上与已设置的矿业权互不重叠; (四)勘查阶段高于现有工作程度; (五)勘查投资者和作业者具备应有的资质条件; (六)外商投资勘查矿产资源的,必须符合外商投资产业指导目录的有关规定; (七)探矿权设置经过了现场踏勘和市、县审核,并有明确意见; (八)涉及其他主管部门管理范畴的,应提供相关主管部门意见; 3
(九)资料符合要求。 四、申报资料
申报资料时应同时呈报纸质报件(一套)和电子报件。远程报批的报件,审查通过后,由政府大厅通知申请人送交一套与远程报件完全一致的纸介质原件资料存档。 (一)根据鄂土资发〔2006〕109号文规定,以申请在先方式确定探矿权申请人、无偿出让探矿权项目,提供以下资料: 1、划定勘查作业区范围申请书(样式见附件); 2、申请的勘查区块范围图; 3、初步的勘查实施方案(附交通位置图、区域地形地质图); 4、项目现场踏勘报告; 5、探矿权申请人企业名称预核准通知书或工商营业执照(扫描); 6、合作勘查协议; 7、勘查单位的资质证书(扫描); 8、勘查登记管理机关要求的其它资料。 (二)根据鄂土资发〔2006〕109号文规定,以协议方式出让探矿权项目,提供以下资料: 1、协议出让探矿权的批准文件或证明资料; 2、划定勘查作业区范围申请书(样式见附件); 3、申请的勘查区块范围图; 4、初步的勘查实施方案(附交通位置图、区域地形地质图); 5、项目现场踏勘报告; 6、探矿权申请人企业名称预核准通知书或工商营业执照(扫描); 7、合作勘查协议; 8、勘查单位的资质证书(扫描); 9、勘查登记管理机关要求的其它资料。 (三)根据鄂土资发〔2006〕109号文规定,以招标拍卖挂牌方式出让探矿权项目,由市或县级国土资源管理部门提出划定勘查作业区范围申请,并提供以下资料: 1、市或县级国土资源管理部门关于以招标拍卖挂牌方式出让探矿权划定勘查作业区范围申请文件; 2、划定勘查作业区范围申请书(样式见附件); 4
3、申请的勘查区块范围图; 4、初步的地质勘查实施方案(附交通位置图、区域地形地质图); 5、项目现场踏勘报告; 6、勘查登记管理机关要求的其它资料。 (四)省内国有地勘单位申请属于申报在先、无偿出让探矿权新立项目,可直接向省国土资源厅申报,并提供以下资料: 1、划定勘查作业区范围申请书(样式见附件,可不附市、县国土资源局核实意见); 2、申请的勘查区块范围图; 3、初步的地质勘查实施方案(附交通位置图、区域地形地质图); 省国土资源厅收到申请后,发函征求市、县国土资源部门意见。有关市、县国土资源部门在收到调查函后20个工作日内,组织现场踏勘,并提供以下材料: 4、项目现场踏勘报告; 5、市、县国土资源部门关于设置探矿权的书面意见。 五、办理程序及时限 1、主办处室:矿产开发管理处 2、协办处室:规划处、矿产资源储量处、地质勘查处 3、办理时限:自收到申请30个工作日内,通过会审方式做出同意或者不同意设置探矿权和划定勘查作业区范围的决定,并通知探矿权申请人。听证及资料补正所需时间不计算期限。 4、办理程序
(1)申请受理。政务大厅接收探矿权申请人提交的划定勘查作业范围申请材料,并在2个工作日内对申报资料进行初审。申报资料齐全、完整、符合要求的,受理人在报件申请登记表上签收后向申请人发出《湖北省国土资源厅政务大厅报件受理凭证》,在2个工作日内提出拟办意见,并将申报资料转送相关处室审查。对于不符合要求的,不予受理,并一次性告知不予受理的原因。
(2)处室审查。各有关处室在收到报件后,按照各自的职责,在4个有效工作日内完成审查工作,在会签责任表上签署意见,转主办处室汇总。
(3)综合审查汇总与集中会审。主办处室在7个工作日内汇总各处室意见,提出综合审查意见,形成汇总表,送政务大厅安排会审。集中会审时间另行计算。 5
(4)形成会审纪要。集中会审后,在5个工作日内,由政务大厅起草会审纪要、相关处室审核、分管厅领导签批。
(5)结果通知。准予设置探矿权并划定范围的,由主办处室在6个工作日内提出审查、审核、复核意见交分管厅领导签批后,出具《划定勘查作业区范围通知书》,交政务大厅送达申请人;出具《湖北省国土资源厅退件、补正告知通知书》,由主办处室以书面形式一次性告知申请人。
六、收费事项 无 6
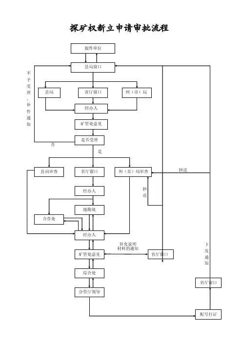
七、流程图 划定勘查作业区范围流程图
探矿权申请人提交申报资料
资料不全(或不符合要求)退回
转交有关处室 审 查
未通过会审的
政务大厅受理 矿 产 资 源 储 量 处
矿 管 处 地 勘 处 矿管处汇总 厅会审会审议 规 划 处
形成会审纪要 市、县国土资源局核实
省内国有地勘
矿管处审查、审核、复核,起 7
印制划定勘查作业区范围通知书 政务大厅送达申请人 立卷归档 8 划定勘查作业区范围
申 请 书 9 申请人 (盖章) 年 月 日 10 填 写 说 明 申请人:填写申请划定勘查作业区范围的法人单位。 地址:划定勘查作业区范围申请人单位所在地地址(填至县级)。 项目名称:由项目所在省(区、市)名+县级行政区划名称+勘查作业区的主要特征地名+勘查主矿种+勘查阶段组成。勘查范围跨县级以上行政区域的,县级以上行政区划名称只填写勘查作业区所在的主要行政区划名称。 勘查矿种:应填写预期勘查的主矿种。原则上应按照《矿产资源法实施细则》附件“矿产资源分类细目”中的矿种填写。 申请理由:说明划定勘查作业区范围的目的、依据。其中,市、县国土资源局申请划定勘查作业区范围的,说明划定范围后以市场方式出让探矿权;申请人为直接向国家申请探矿权、且勘查矿种为低风险矿种或勘查作业区范围内有国家出资查明矿产地的,说明定向出让探矿权的依据及相关批准文号。 探矿权出让方式及处置方式:由市、县国土资源局审核填写。根据矿产资源分类管理与探矿权分类出让制度,分别确定为申报在先无偿出让、协议出让和招标、拍卖、挂牌出让。属于协议出让的,应规定何时完成有偿化处置。属于招标、拍卖、挂牌出让范围的勘查项目,不能由探矿权申请人直接申报。 勘查作业区范围坐标:以国家直角坐标填写矿区范围拐点坐标。并注明共有多少拐点圈定。 勘查作业区范围面积:按矿区实际面积,填写其平方公里数。 计划勘查投资:按初步勘查实施方案或设计的投资规模填写。 保留期限:由审批机关填写。 11
申请人 单位负责人 地 址 邮政编码 联系人 电话号码 项目名称 勘查矿种 申请理由 探矿权 出让方式及处置方式
勘 查 区 范 围 坐 标 (填入经纬度坐标)
序号 经度 纬度
勘查作业区面积 平方公里
申请勘查作业区内地质矿产概况 12
工 作 任 务 与 主 要 目 的
计划 勘查 投资
主 要 实 物 工 作 量 13
县 国 土 资 源 局 核 实 意 见
(印章) 年 月 日
市 (州) 国 土 资 源 局 复 核 意 见
(印章) 年 月 日
审 批 机 关 意 见
(印章) 年 月 日 保留期限 年 月 至 年 月
法定代表人(或单位负责人): 填表人: