9-19离心风机参数
- 格式:doc
- 大小:118.50 KB
- 文档页数:4
高压离心机9-19机号:4#-6.3# 风量:824-7729 m3/h 风压:3110-9650 Pa特点:采用A式直联传动,风压高、效率高、高效区宽、结构紧凑、运行可靠应用:高压强制通风,如锻冶炉等场合9-19高压离心风机机号:7.1#-12.5# 风量:3297-19986 m3/h 全压:3320-12350 Pa特点:采用D式联轴器直联传动,风压高、效率高、高效区宽、结构紧凑、运行可靠应用:高压强制通风,如锻冶炉等场合一、9-19 离心风机性能参数表机号转速(rpm)风量(m3/h)全压(Pa)功率(kW)重量(kg)4A29008241017 366037502.268机号转速(rpm)风量(m3/h)全压(Pa)功率(kW)重量(kg)120937201401 1594 1786 197836103470329031103764.5A29001174144817211995469048004760463041002269254328174450425040405.51205A2900161019862361273758505980594057707.5136311334883864558053305080111845.6A290022622790 74207560112089D145046955790688648404930491015720798190761017211267479046404470428018.577010D14506440794394451094812451602061306090595, , , 05780308901395315456557053603792011.2D1450904811115913270755076907640451360153811749274607250751600331775203845 4373 4901 54297320708067906500152406.3A290032213972472394809650959018.528854756226697877299360908087208370303687.1D2900461056856761121401235012280377007837891299881106412000116601123010810458608D290065941514075104019603217146990672096059907288878610183115813290335033303250315015123012979143763030291018.5130012.5D14501257815513184489410957095207517002138324317272523018793009030870083701102150960832710271412042002214008133 9672 1121115690 15600 1523012759 14288 15827148001426013720110107014503297406748363790386038407.5570560563757144791337403620347033201163012214417014157161001804319986408039603820367037154014D96011699144281715850045090504737230019888226182534828078491747094494424975297016D960174632153825613657066826627753780296876456110398033762 37837 419126180 5898 55759-26 离心风机性能参数表机号转速(rpm)风量(m3/h)全压(Pa)功率(kW)重量(kg)机号转速(rpm)风量(m3/h)全压(Pa)功率(kW)重量(kg)4A290021982473274830223297393038503740359034205.51149D14501251914804511050403090015649172141877920344219094920477045904380416045970 35723847321030007.51204.5A290035723847501049207.51323912 4303 4695 5086 5477479046104400416039001118010D14501717319320214666350625061105510902361325760279063005359405730548052207512505A2900429348305367590362306130596057501521011.2D14502412727143301593317579607850767074501102150 64406977751355105220492018.52305.6A29006030378678707740223003619039206718068701322250 75407540303508294 9048 9802 1055673007000667063104222265509601597417970199672196434703420334032403014606.3A290088589662107351002098609630454901180912882139561502993408990857081405558023961259572795431202980283037155012.5D9602220724982277584350428041904517907.1D29001229313830128001261075105015366169031233011970110150030534333104070392075224018439 19976 215131154011050105203608638862375035708.0D 290017585197831625016010132162014D960311993509954505370753100 2198221180263782857630774156501520014660140301336020017603899842898467985069854598525051004920471044801103220 1450879398921099140203950385018.571516D960465715239258213712070206860160370012090131893730358030800640356985666606420250466014289 14288 1538734103220756778149961505850二、9-19 9-26系列风机外形尺寸9-19 9-26系列4A-6.3A离心风机外形尺寸图、表系列机号D1D2D3n1-Φd1A1A2A3A4A5A6X Y n2-Φd29-194A1802202508-7128174214921381783210-7 4.5A2002502808-71441982301041521923210-7 5A2242653058-71602062461151602023210-75.6A2503083488-101792252651291742153210-76.3A2803353758-102022462881451892313210-7系列机号D1D2D3n1-Φd1A1A2A3A4A5A6X Y n2-Φd29-264A2242542848-71962282501281651844314-7 4.5A2502803108-1022125227514417723004314-7 5A2803203608-102452842991601922164314-75.6A3153553958-102743043281792162355414-76.3A3553954358-103093403652022362615410-7系列机号E F G K M N a b c d e f9-194A1083616922867154202003505030038535 4.5A1203447163227824502403905034043039 5A12637678825886850034045050440495435.6A14041587440196255035048050450534486.3A15746197545110856204505706057062655系列机号E F G K M N a b c d e f9-264A1323607112877614502403905034043049 4.5A1474057993228495003404505044049555 5A16545088735993955035048550450534615.6A186504993402105362045057060570626686.3A2095671117451116768055072070690780779-19 9-26系列7.1D-16D离心风机外形尺寸图、表系列机号D1D2A1A2A3A4A5A6n-Φd n1×b1n2×b29-197.1D31539522727231316321824814-103×684×68 8D35543625631234218424429414-103×764×74 9D40050628834839820726331318-104×635×66 10D45055032038642623030034018-101×695×7211.2D50062035942048425832838818-124×795×8312.5D56068040045648928834438020-124×866×7614D63075044851655732240544822-125×816×86 16D71083051257462136844048424-125×887×82系列机号D1D2A1A2A3,A4A5A6n-Φd n1×b1n2×b29-267.1D400500, <,/P>34839041422727229620-104×686×65 8D45055039343245825630032520-104×756×72 9D50062044148350728833035720-104×82.56×80.5 10D56068049052855632035638920-104×896×8811.2D63075054960063835841045026-125×828×7512.5D71083061366470240045649228-126×768×83 14D80092068674779544851656430-126×869×83 16D9001040,78484089351258862834-127×8410×84系列机号E F G H K N L0L W i jε9-197.1D17746668012005076561230210011504004504-68D20052576013505727331256222012504405204-6 9D22659085015206448211289193014005006004-6 10D25065694016807239081317206015005506506-811.2D2807351050189080110251595244017006008006-8 12.5D3138201160210089511401633255019007009008-10 14D350920128024001001127020302900205080095012-14 16D40010501440270011441460209034002250880104012-14系列机号E F G H K N L0L W i jε9-267.1D23763973012605097161317229012004205204-6 8D262720810141057408031349233014005006004-6 9D29481092015906469001392214015005506506-810D327900100017607179951433226016006007006-811.2D36710081130198080311221724266018507008508-1012.5D41811251240219089612471755269019507409408-10 14D4691260145025001003138022003350205080095012-14 16D52414401540280011481610227036502300900110012-14。
9—19离心风机参数离心风机是一种常见的通风设备,广泛应用于建筑、工业、冷却等领域。
在选用或使用离心风机时,需要了解其参数以及相关的技术指标。
以下将详细介绍9—19离心风机的参数。
9—19离心风机是离心风机中的一种,其名称中的“9—19”是指风机的进口直径与出口直径的比值。
其进口直径为9英寸,出口直径为19英寸。
该尺寸的离心风机通常被用于中小型的通风系统中,比如加热、通风和空调系统。
1.风机尺寸参数:9—19离心风机的进出口直径已经提到,该参数是选择离心风机的首要指标,根据实际使用需求来确定。
2.风量参数:离心风机的风量指的是单位时间内通过风机的空气量。
通常以立方米每秒(m³/s)为单位。
9—19离心风机的风量会根据不同工况而有所变化,可以通过实验或计算得出具体数值。
3.风压参数:离心风机的风压是指在运行过程中所产生的压力差。
风压与风量息息相关,一般在设计或使用过程中根据实际需求确定。
4.功率参数:离心风机所需的功率是指风机在工作时所需要的电能或热能,也称为风机功耗。
该参数可以通过实验或计算得出。
5. 转速参数:离心风机的转速是指风机转子的转速,一般以每分钟转数(rpm)为单位。
转速对风机的性能和噪音有一定的影响,通常需要根据使用要求来确定。
6.噪音参数:离心风机运行时会产生一定的噪音,一般以分贝(dB)为单位来衡量。
合理选择离心风机可以降低噪音水平。
7.效率参数:离心风机的效率指的是输入功率与输出功率之间的比值,通常用百分比表示。
效率越高,说明风机运行得越经济和高效。
8.材质参数:离心风机常见的材质有铁、铝、不锈钢等,不同的材质适应不同的环境和工况要求。
9.控制方式参数:离心风机的控制方式有多种选择,常见的有手动控制、自动控制、变频控制等。
选择合适的控制方式可以提高风机的运行效率和控制精度。
以上是9—19离心风机的部分参数介绍,通过了解这些参数,可以更好地选择和使用离心风机,以满足实际需求。
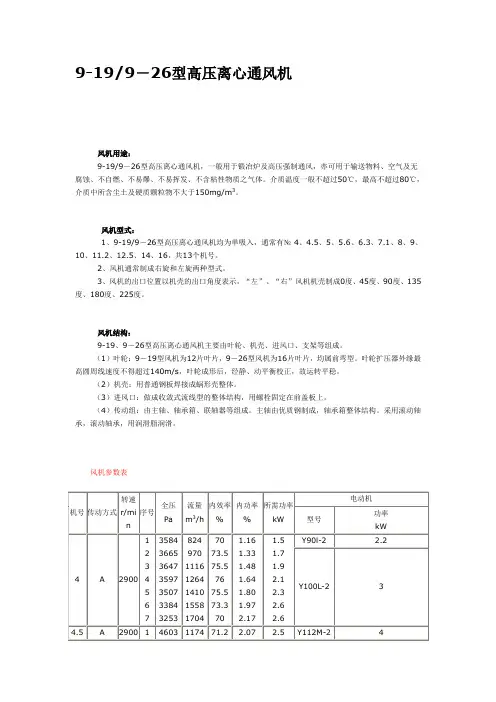
9-19/9-26型高压离心通风机
风机用途:
9-19/9-26型高压离心通风机,一般用于锻冶炉及高压强制通风,亦可用于输送物料、空气及无腐蚀、不自燃、不易爆、不易挥发、不含粘性物质之气体。
介质温度一般不超过50℃,最高不超过80℃,介质中所含尘土及硬质颗粒物不大于150mg/m3。
风机型式:
1、9-19/9-26型高压离心通风机均为单吸入,通常有№ 4、4.5、5、5.6、6.3、7.1、8、9、10、11.
2、12.5、14、16,共13个机号。
2、风机通常制成右旋和左旋两种型式。
3、风机的出口位置以机壳的出口角度表示,“左”、“右”风机机壳制成0度、45度、90度、135度、180度、225度。
风机结构:
9-19、9-26型高压离心通风机主要由叶轮、机壳、进风口、支架等组成。
(1)叶轮:9-19型风机为12片叶片,9-26型风机为16片叶片,均属前弯型。
叶轮扩压器外缘最高圆周线速度不得超过140m/s,叶轮成形后,经静、动平衡校正,故运转平稳。
(2)机壳:用普通钢板焊接成蜗形壳整体。
(3)进风口:做成收敛式流线型的整体结构,用螺栓固定在前盖板上。
(4)传动组:由主轴、轴承箱、联轴器等组成。
主轴由优质钢制成,轴承箱整体结构。
采用滚动轴承,滚动轴承,用润滑脂润滑。
9-19型高压离心风机性能参数
9-26型高压离心通风机性能参数。
9-19、9-26型离心通风机一、用途1.1 9-19、9-26型离心通风机,一般用于锻冶炉及高压强制通风,并可广泛用于输送物料、输送空气及无腐蚀性不自燃、不含粘性物质之气体。
介质温度一般不超过50℃(最高不超过80℃),介质中所含尘土及硬质颗粒不大于150mg/m3。
二、规格与结构特征2.1风机叶轮直径的分米数即为风机的机号,用阿拉伯数字表示。
机号后的字母表示风机的传动方式,传动方式常用的有:“A”式——表示与电动机直联传动(叶轮装在电机轴上)。
“C”式——表示通风机悬臂,皮带轮在轴承外侧传动。
“D”式——表示通风机悬臂,有支撑、联轴节传动。
2.2风机的旋向分为左、右旋二种,其区分方法是,从传动方向正视叶轮,风机工作时叶轮顺时针旋转的为右旋,反之则为左旋。
2.3风机的出气口方向一般均制成90度,如用户有特殊要求,可在定单上注明(风机的各种出口角度见图1)。
以下视图均从电机一端正视图1为便于客户安装、调试,同时供应钢结构的整体支架及减振支架。
2.4 风机主要由叶轮、机壳、进风圈、轴承座等部件组成。
其中叶轮由曲线型轮盖、叶片、直板轮盘组成,并经静、动平衡校正。
轴承座采用滚动轴承用钙基脂润滑。
三、风机的性能3.1风机的性能参数可见性能表 3.2在性能表各工况点,所需电机功率: **()102*mP QN K kw ηη=3600*式中:Q---------流量(M 3/h ) N---------电机功率(kw ) P--------全压(mmH 2O ) η--------全压效率ηm ------机械效率“A ”式为1,“C ”式为0.96K-------电机容量安全系数,2-5kw 取K=1.2,大于5kw,取K=1.153.3、所附性能参数表是在一定转速下,标准状态下风机性能参数,如通风机的转速、叶轮直径或气体密度发生变化,则性能参数换算公式如下:四、安装、调试和运转3.1安装前应对风机各部件进行全面的检查,叶轮与机壳的旋转方向是否一致,各部联接是否牢固,叶轮转动后有无碰擦,如发现问题应立即给予调整。
9-19、9-26型高压离心通风机说明书产品概述9-19、9-26型高压离心通风机是一种新型通风设备,广泛应用于电厂、冶金、化工、建筑材料及矿山等行业中的大型通风系统。
它具有输出风量大、风压高、效率高、噪音低、外形美观、结构紧凑等优点,适用于输送空气、非腐蚀性气体和易燃、易爆气体等。
技术参数型号风量 (m3/h) 风压(Pa)转速(r/min)功率(kW)9-19 10986-33443 355-793 2900-1450 1.1-18.59-26 15534-61028 480-2246 2900-1450 5.5-75结构9-19、9-26型高压离心通风机采用前后导流式结构,前导叶片翼角较大,后导叶片翼角较小,中心角度两侧差异逐渐增大,进气时可使气体在前导叶片产生旋转,随后在后导叶片的作用下产生强制离心运动,从而提高了风机的效率。
使用方法1.确认通风机的型号和技术参数。
2.选择安装地点时应注意其安全性、稳定性和便于安装、维护。
3.安装前应先清洗风机内部和叶轮表面,振动量不能超过安装规定值。
4.安装风机前,应检查各部位是否齐全、电气系统是否正常。
5.在使用过程中,定期检查风机的各个部件和电气系统,确保安全、正常、高效运行。
维护保养1.检查电气系统是否正常,尤其是接线是否松脱、老化、损坏。
2.每年或风机运行时间累计达5000小时时对轴承、油封等部件进行检查和维护。
3.清洗轴承、油封,加上必需量的润滑油,清除气道内积存的污物。
4.定期清洗风机内部和外部表面,保持清洁干燥。
5.确保风机内部没有异物和积存的杂物,以保证其正常运行。
注意事项1.严禁在场内处于无人看管的状态下运行。
2.严禁在风机旁有易燃、易爆等危险物品和气体。
3.风机维护前,必须切断电源,以免发生意外伤害。
4.风机在故障时应及时停机维修,以免影响正常的生产运行。
以上就是9-19、9-26型高压离心通风机的说明书,详细介绍了该产品的技术参数、结构、使用方法、维护保养和注意事项,在生产运行中,合理、规范的使用和维护将有助于提高设备的效率和使用寿命,保障生产线的正常运行。
9-19风机
产品特点:
9-19型高压离心通心机,与国内外同类型的风机相比具有效率高、噪音低、性能曲线平坦,高效区宽广等优点。
适用范围:
该风机一般用锻冶炉及高压强制通风,并可广泛用于输送物料、输送空气及无腐蚀性不自然,不含粘性物质之气体。
介质温度最高不超过80度,但也可根据用户要求制成高温风机。
介质中所含尘土及硬质颗料不大于150mg/立方米。
本风机为单吸入式,有4,4.5,5,5.6,6.3,7.1,8,9,10,11.2,12.5,14,16共13个机号。
均可做成左、右旋0度、45度、90度、135度、180度、225度六种角度。
传动方式为A式和D式两种。
9-19高压离心通风机性能参数表。
9-19/9-26型高压离心通风机
风机用途:
9-19/9-26型高压离心通风机,一般用于锻冶炉及高压强制通风,亦可用于输送物料、空气及无腐蚀、不自燃、不易爆、不易挥发、不含粘性物质之气体。
介质温度一般不超过50℃,最高不超过80℃,介质中所含尘土及硬质颗粒物不大于150mg/m3。
风机型式:
1、9-19/9-26型高压离心通风机均为单吸入,通常有№ 4、4.5、5、5.6、6.3、7.1、8、9、10、11.
2、12.5、14、16,共13个机号。
2、风机通常制成右旋和左旋两种型式。
3、风机的出口位置以机壳的出口角度表示,“左”、“右”风机机壳制成0度、45度、90度、135度、180度、225度。
风机结构:
9-19、9-26型高压离心通风机主要由叶轮、机壳、进风口、支架等组成。
(1)叶轮:9-19型风机为12片叶片,9-26型风机为16片叶片,均属前弯型。
叶轮扩压器外缘最高圆周线速度不得超过140m/s,叶轮成形后,经静、动平衡校正,故运转平稳。
(2)机壳:用普通钢板焊接成蜗形壳整体。
(3)进风口:做成收敛式流线型的整体结构,用螺栓固定在前盖板上。
(4)传动组:由主轴、轴承箱、联轴器等组成。
主轴由优质钢制成,轴承箱整体结构。
采用滚动轴承,滚动轴承,用润滑脂润滑。
风机参数表
9-26型高压离心通风机性能参数。
9-19、9-26型高压离心风机一、特性及应用9-19、9-26型高压离心通风机,一般用于锻冶炉及高压强制通风,并广泛用于输送空气和其他不自燃的、对人体无害的、对钢铁材料无腐蚀性的气体。
气体内不含粘性物质,所含尘土及硬质颗粒物不大于150mg/m3,气体温度不得超过80℃。
二、型式9-19、9-26型高压离心通风机均可制成右旋转和左旋转两种型式。
从电动机一侧正视,叶轮顺时针旋转称右旋风机,以“右”表示;叶轮逆时针旋转称左旋风机,以“左”表示。
风机的出口位置,以机壳的出风口角度表示。
“左”、“右”均可制成0°、45°、90°、135°、180°、225°共六种角度。
风机的传动方式为A(No.4~6.3)和D(No.7.1~16)两种。
三、结构特点No.4~6.3主要有叶轮、机壳、进风口等部分配直联电动机组成,No.7.1~16除具有上述部分外还有传动部分。
(1)、叶轮:9-19型风机叶片为12片,9-26型风机叶片为16,均属前向弯曲型叶片。
叶轮扩压器外缘最高圆周速度不超过140m/s。
叶轮成型后经静、动平衡校正,空气性能优良,效率高,运转平稳可靠。
(1)、叶轮:9-19型风机叶片为12片,9-26型风机叶片为16,均属前向弯曲型叶片。
叶轮扩压器外缘最高圆周速度不超过140m/s。
叶轮成型后经静、动平衡校正,空气性能优良,效率高,运转平稳可靠。
(2)、机壳:机壳是用优质钢板焊接而成的蜗形体。
No.2.8~12.5机壳做成整体,不能拆开。
No.16、No.20的机壳制成两开式,沿中分水平面分为两半,用螺栓连接。
(3)、进风口:进风口制成收敛式流线型整体结构,装于风机的侧面;与轴向平行的截面为曲线形状,能使气体顺利进入叶轮,且损失较小。
(4)、传动组:传动部分由主轴、轴承箱、联轴器等组成。
主轴由优质钢制成。
轴承箱整体结构采用球轴承,用轴承润滑脂润滑。
9-19型、9-26型高压离心通风机、特点和用途9-19型、9-26型高压离心通风机,一般用于锻冶炉及高压强制通风,并可广泛用于输送物料和输送空气及无腐蚀性、不自燃、不含粘性物质之气体。
介质温度一般不超过50℃(最高不超过80℃),介质中所含尘土及硬质颗粒不大于150mg/m3。
二、9-19型、9-26型高压离心通风机性能参数表性能表中提供的参数,若无特殊说明均按风机的标准进口状态来计算,即介质为空气,压力为101325Pa,温度为20℃,密度为1.2kg/m3,相对湿度为50%的标产品型号转速r/min序号流量 m3 / h 全压 Pa电动机型号功率kW9-19№4A 2900 1 824~1264 3584~3597 Y90L-2 2.22 1410~1704 3507~3253 Y100L-2 39-19№4.5A 2900 1 1174~2062 4603~4447 Y112M-2 42 2281~2504 4297~4112 Y132S1-2 5.59-19№5A 2900 1 1610~3166 5697~5323 Y132S2-2 7.52 3488 5080 Y160M1-2 119-19№5.6A 2900 1 2262~3619 7182~7109 Y160M1-2 112 3996~4901 6954~6400 Y160L-2 18.59-19№6.3A 2900 1 3220~5153 9149~9055 Y160L-2 18.52 5690~6978 8857~8148 Y200L1-2 309-19№7.1D 2900 1 4610~737611717~11596Y200L2-2 37 2 8144~998811340~10426Y250M-2 559-19№8D 2900 1 6594~1164915034~14546Y280S-2 75 2 12968~1428714021~13362Y315S-2 110三、型式和结构通风机为单吸入式,可制成顺时针和逆时针两种型式。
9-19、9-26 型离心通风机,一般承受于锻冶炉及高压强制通风,并可广泛用于输送物料、输送空气及无腐蚀性不自然、不含粘性物质之气体。
介质温度一般不超过50℃〔最高不超过80℃〕,介质中所含尘土及硬质颗粒不大于150mg/m 。
二、通风机的型式本通风机为单吸入式,有№ 4、风机的传动方式为 A 式〔№4~6.3 〕4.5 、5、5.6 、6.3 、7.1 、8、9、10、11.2 、12.5 、14、16 共 13 个机号。
通风机可制成右旋和左旋两种型式。
从电机一端正视,如叶轮顺时针旋转称右旋风机,以“右”表示;逆时针旋转称左旋风机,以“左”表示。
风机的出口位置以机壳的出口角度表示。
“ 左”、“ 右” 均可制成0°、45 °、90 °、135 °、180 °、225 °共六种角度。
图 1. 9 -19 №10 样机无因次性能曲线叶轮:9-19型风机叶片为12片,9-26 型风机叶片为 16 片。
均属前向弯曲叶型。
叶轮扩压器外缘最高圆周速度不超过 140m/s 。
叶轮成型后经静、动平衡校正,故运转平稳。
机壳:用一般钢板焊接成蜗壳型整体。
进风口:做成收敛式流线型的整λ0.03247 0.0389 0.0451 0.05125 0.05785 0.065 0.0725ηin 0.765 0.800 0.815 0.810.782 0.745 0.700ρρ-进气密度〔kg/m3〕19 -19 与9 -26 型风机只给K -全压压缩性系数№10样机的无因次性能表及曲线。
由给出的无因次性能表或曲线计算№10以上风机的有因次性能。
由无因次计算有因次参数的公式:1. Q=900πD 2×U×Φ〔m3/h〕2 22. K =ρ×U 2 ×Ψ/101300/[( ρ×ρ 2 2 1 U 2×Ψ/354550+1)3.5–1]23.P=ρ×U2×Ψ/ K (Pa)1 ρN -内功率〔KW〕inN -所需功率〔KW〕reη-机械效率m〔A 式传动取 1,D 式传动取 0.98〕K -电机贮存系数当使用状态为非标准状态时,必需把非标准状态的性能换算到标准状态的性能,然后依据换算性能选择风机。
9—19离心风机参数
9—19离心风机参数指的是离心风机的外形尺寸和性能参数,它是由一系列的数字和单位组成的。
下面详细介绍一下9—19离心风机参数:
一、外形尺寸
1、前后直径:9—19离心风机的前后直径大小一般是φ355mm;
2、中心距:一般,9—19离心风机的中心距是
360mm;
3、高度:9—19离心风机的高度大小一般是420mm;
4、净重:9—19离心风机的净重一般是27.5kg。
二、性能参数
1、风量:9—19离心风机的风量一般是2880m³/h;
2、静压:9—19离心风机的静压一般是2000pa;
3、功率:9—19离心风机的功率一般是2.2kw;
4、电流:9—19离心风机的电流一般是7.6A;
5、转速:9—19离心风机的转速一般是1410r/min;
6、噪声:9—19离心风机的噪声一般是≤63dB(A);
7、进口温度:9—19离心风机的进口温度一般是
≤60℃;
8、出口温度:9—19离心风机的出口温度一般是
≤100℃。
三、安装要求
1、安装方式:9—19离心风机通常采用立式安装方式;
2、安装地点:9—19离心风机通常应安装在室内、室外平坦无摩擦的地面上;
3、管道连接:9—19离心风机的管道可采用法兰连接;
4、电气连接:9—19离心风机应使用专用电缆连接,并采用合理的接头。
9—19离心风机参数是根据不同型号的离心风机而有所不同,在选择离心风机前,应根据使用的要求,选择合适的离心风机型号,以满足使用需求。
一般情况下,离心风机可以满足室内外的正常通风及空调系统的需要,如果要求更高,可以考虑采用特殊型号的离心风机,满足更高的性能要求。