有限空间作业安全风险辨识
- 格式:docx
- 大小:34.42 KB
- 文档页数:18
有限空间安全风险辨识表一、引言在我国,有限空间安全事故屡见不鲜,给企业和个人带来了严重的损失。
为了防止类似事故的再次发生,提高有限空间作业的安全性,我们必须对有限空间的安全风险进行深入的辨识。
二、有限空间的安全风险辨识1.窒息性气体:有限空间内可能积聚有毒或无毒的窒息性气体,如二氧化碳、氮气等,长时间暴露可能导致窒息。
2.毒性气体:有限空间内可能存在有毒气体,如硫化氢、氯气等,短时间内暴露即可导致中毒。
3.爆炸性气体:有限空间内可能存在可燃性气体,如天然气、沼气等,遇到火源容易引发爆炸。
4.粉尘爆炸:有限空间内粉尘积聚过多,遇到火源可能导致粉尘爆炸。
5.机械伤害:有限空间内存在机械设备,操作不当或设备故障可能导致机械伤害。
6.物体打击:有限空间内施工或作业过程中,物体失控可能导致打击伤害。
7.触电风险:有限空间内存在电气设备,未按照规定安装和使用可能导致触电事故。
8.温度湿度风险:有限空间内温度湿度不适宜,可能导致作业人员中暑或感冒等疾病。
三、如何进行安全风险辨识1.了解有限空间的基本信息:在开展安全风险辨识前,首先要了解有限空间的基本情况,如空间大小、形状、用途、作业内容等。
2.现场勘察:亲自前往有限空间现场,对空间内的设施、环境等进行实地勘察。
3.调查相关事故案例:了解有限空间事故案例,分析事故原因,总结经验教训。
4.分析安全风险因素:结合现场勘察和事故案例,分析可能导致安全事故的风险因素。
四、制定安全风险管理措施1.通风换气:确保有限空间内空气流通,降低窒息性气体和毒性气体的危害。
2.气体监测:对有限空间内的气体进行实时监测,确保气体浓度在安全范围内。
3.安全防护设备:为作业人员配备相应的安全防护设备,如防护口罩、安全帽、防护手套等。
4.培训和教育:加强作业人员的安全培训和教育,提高他们的安全意识。
5.应急预案:制定针对有限空间事故的应急预案,确保在事故发生时能迅速有效地处置。
五、结论有限空间安全风险辨识是保障作业人员生命安全的重要环节。
(简化版)有限空间风险辨认有限空间风险辨识概述有限空间指的是进入或操作受限、无法容纳足够人员工作的环境,例如大型、储罐、地下洞穴或管道等。
由于有限空间内的特殊环境和潜在风险,使用和操作有限空间需要特别注意安全事项。
风险辨识的重要性正确辨识有限空间的风险对于保护工作人员的安全至关重要。
了解和识别可能存在的风险可以帮助预防事故的发生,因此风险辨识是必不可少的。
风险辨识步骤以下是进行有限空间风险辨识的主要步骤:1. 确定有限空间的边界:确定有限空间的入口和出口位置,并标识出边界范围。
这样可以确保只有经过培训和授权的人员进入有限空间。
2. 识别可能的危险源:对有限空间内可能存在的危险源进行全面评估。
这包括但不限于有毒气体、可燃性气体、缺氧、噪音、热量和振动等。
3. 评估潜在的风险:根据识别的危险源,评估每个风险的严重性和可能性。
使用合适的评估工具,例如风险矩阵或风险分级指南。
4. 制定控制措施:根据评估的风险,制定并实施相应的控制措施。
这可以包括工作程序、个人防护装备、气体检测和监控设备等。
5. 基于辨识结果进行培训:根据辨识的风险,进行相关培训,包括有限空间的安全操作程序、应急预案和使用个人防护装备的正确方法。
6. 定期审查和更新:定期审查和更新有限空间风险辨识,以确保与环境变化和新的风险相适应。
结论有限空间风险辨识是保障工作人员安全的重要步骤。
通过正确辨识风险并实施相应的控制措施,可以有效减少事故发生的可能性。
在进入或操作有限空间之前,务必进行全面的风险辨识,以确保工作人员的安全和健康。
有限空间作业安全风险分析一、引言有限空间作业由于其封闭、通风不良等特点,存在着较高的安全风险。
为了有效预防和应对这些风险,确保作业人员的生命安全,本文将对有限空间作业的安全风险进行深入分析。
二、有限空间作业定义与特点有限空间作业是指在相对封闭或受限的空间内进行的作业活动,如储罐、容器、管道、地下室等。
这些空间通常存在通风不良、氧气含量低、有害气体聚集等问题,给作业人员带来严重的安全威胁。
三、安全风险分析1.窒息风险:由于有限空间内氧气含量低,作业人员在长时间作业过程中可能因缺氧而窒息。
此外,有限空间内还可能存在其他有害气体,如硫化氢、一氧化碳等,进一步加剧窒息风险。
2.中毒风险:有限空间内有害气体浓度可能超标,如硫化氢、甲烷等。
作业人员长时间暴露在这样的环境中,可能导致中毒甚至生命危险。
3.火灾与爆炸风险:有限空间内可能存在易燃易爆物质,如油气、粉尘等。
一旦遇到火源或静电火花,可能引发火灾或爆炸事故。
4.机械伤害风险:有限空间作业过程中,作业人员可能因操作不当或设备故障而遭受机械伤害,如碰撞、挤压等。
5.其他风险:有限空间作业还可能面临坠落、淹溺等其他风险,需引起作业人员的高度重视。
四、风险应对措施1.加强通风换气:在进行有限空间作业前,应确保空间内通风良好,降低有害气体浓度。
必要时,可使用专业通风设备进行强制通风。
2.检测有害气体浓度:在作业过程中,应定期检测有限空间内的有害气体浓度,确保作业环境安全。
3.佩戴防护用品:作业人员应佩戴合适的防护用品,如防毒面具、防护服等,降低窒息和中毒风险。
4.严格火源管理:在有限空间作业区域内,应严禁烟火和明火作业,防止火灾和爆炸事故的发生。
5.制定应急预案:企业应制定有限空间作业应急预案,明确应急处理程序和救援措施,确保在发生事故时能够迅速响应。
五、结论有限空间作业安全风险较高,企业和作业人员应高度重视。
通过加强通风换气、检测有害气体浓度、佩戴防护用品、严格火源管理以及制定应急预案等措施,可以有效降低有限空间作业的安全风险,确保作业人员的生命安全。
有限空间风险辨识引言有限空间是指容积比较小,通风条件不好,进出口限制,在一定时间内只能供少数人员进入的空间。
例如,油罐、船舱、井下、管道、贮槽、化工罐、锅炉、雪橇和航天器等。
有限空间内存在各种危险因素,例如污染物、爆炸品、火灾、窒息、突然断电等。
因此,有限空间是高危险的工作区域,必须进行严格的风险评估和控制。
本文旨在介绍有限空间的风险识别方法,帮助人们正确地辨识有限空间的风险,并采取适当的控制措施,保障工作人员的安全与健康。
有限空间的特点有限空间具有以下特点:•容积比较小,进出口限制。
•通风条件不好,氧气含量低。
•常受到化学、物理、生物等因素的影响。
•危险因素复杂多样,不易识别和控制。
•作业环境恶劣,工作强度大。
有限空间的风险识别方法有限空间的风险识别包括两个方面:确定危险因素和评估危险程度。
确定危险因素危险因素是指有害的物质、现象或行为,对人体健康和安全构成潜在或明显的威胁。
有限空间内可能存在的危险因素包括:•化学物质:如有毒气体、腐蚀性物质、易燃易爆物质等。
•物理现象:如高温、低温、高压、低压、噪声、辐射、振动等。
•生物因素:如细菌、病毒、霉菌等。
•作业行为:如起重、切割、焊接、喷涂等。
需根据不同的有限空间进行识别和评估,制定相应的预案和控制措施。
识别方法包括:•询问工厂或厂区环保、安全主管和监管部门;•参考有限空间的通风、排放、标识、通道等控制设施;•对任务需求、作业环境、可能存在的危险性进行全面分析,找出影响作业人员身体健康和生命安全的因素。
评估危险程度评估危险程度是指对有限空间内危险因素的性质、浓度、频率、暴露方式、作业量、作业时间、作业方式等进行综合判断,确定危险性的潜在程度或现实程度。
评估危险程度方法有以下几种:制定安全计划根据进入有限空间的计划,列出所有的相关危险因素,估计每种因素可能的风险和严重程度,制定相应的安全预案。
使用风险矩阵风险矩阵是一种将概率和影响程度相结合的图表,并将其归类到可接受程度或不可接受程度的工具。
有限空间作业安全风险辨识一、气体危害辨识方法对于中毒、缺氧窒息、气体燃爆风险,主要从有限空间内部存在或产生、作业时产生和外部环境影响3 个方面进行辨识。
二、内部存在或产生的风险1、有限空间内是否储存、使用、残留有毒有害气体以及可能产生有毒有害气体的物质,导致中毒。
2、有限空间是否长期封闭、通风不良,或内部发生生物有氧呼吸等耗氧性化学3、反应,或存在单纯性窒息气体,导致缺氧。
4、有限空间内是否储存、残留或产生易燃易爆气体,导致燃爆。
三、作业时产生的风险1、作业时使用的物料是否会挥发或产生有毒有害、易燃易爆气体,导致中毒或燃爆。
2、作业时是否会大量消耗氧气,或引入单纯性窒息气体,导致缺氧。
3、作业时是否会产生明火或潜在的点火源,增加燃爆风险。
四、外部环境影响产生的风险1、与有限空间相连或接近的管道内单纯性窒息气体、有毒有害气体、易燃易爆气体扩散、泄漏到有限空间内,导致缺氧、中毒、燃爆等风险。
2、对于中毒、缺氧窒息和气体燃爆风险,使用气体检测报警仪进行针对性的检测是最直接有效的方法。
检测后,各类气体浓度评判标准如下:3、有毒气体浓度应低于《工作场所有害因素职业接触限值第1 部分:化学有害因素》规定的最高容许浓度或短时间接触容许浓度,无上述两种浓度值的,应低于时间加权平均容许浓度。
有限空间常见有毒气体浓度判定限值参见附录1。
4、氧气含量体积分数、应在19.5%~23.5%。
5、可燃气体浓度应低于爆炸下限的10%。
五、其他安全风险辨识方法1、对淹溺风险,应重点考虑有限空间内是否存在较深的积水,作业期间是否可能遇到强降雨等极端天气导致水位上涨。
2、对高处坠落风险,应重点考虑有限空间深度是否超过2 m,是否在其内进行高于基准面2 m 的作业。
3、对触电风险,应重点考虑有限空间内使用的电气设备、电源线路是否存在老化破损。
4、对物体打击风险,应重点考虑有限空间作业是否需要进行工具、物料传送。
5、对机械伤害,应重点考虑有限空间内的机械设备是否可能意外启动或防护措施失效。
有限空间作业主要安全风险及安全风险辨识一、有限空间作业主要安全风险类别有限空间作业存在的主要安全风险包括中毒、缺氧窒息、燃爆以及淹溺、高处坠落、触电、物体打击、机械伤害、灼烫、坍塌、掩埋、高温高湿等。
在某些环境下,上述风险可能共存,并具有隐蔽性和突发性。
(一)中毒有限空间内存在或积聚有毒气体,作业人员吸入后会引起化学性中毒,甚至死亡。
有限空间中有毒气体可能的来源包括:有限空间内存储的有毒物质的挥发,有机物分解产生的有毒气体,进行焊接、涂装等作业时产生的有毒气体,相连或相近设备、管道中有毒物质的泄漏等。
有毒气体主要通过呼吸道进入人体,再经血液循环,对人体的呼吸、神经、血液等系统及肝脏、肺、肾脏等脏器造成严重损伤。
引发有限空间作业中毒风险的典型物质有:硫化氢、一氧化碳、苯和苯系物、氰化氢、磷化氢等。
1.硫化氢(H2S)硫化氢是一种无色、剧毒气体,比空气重,易积聚在低洼处。
硫化氢易燃,与空气混合能形成爆炸性混合气体,遇明火、高热等点火源将引发燃烧爆炸。
硫化氢易存在于污水管道、污水池、炼油池、纸浆池、发酵池、酱腌菜池、化粪池等富含有机物并易于发酵的场所。
低浓度的硫化氢有明显的臭鸡蛋气味,可被人敏感地发觉;浓度增高时,人会产生嗅觉疲劳或嗅神经麻痹而不能觉察硫化氢的存在;当浓度超过 1000mg/m3时,数秒内即可致人闪电型死亡。
2.一氧化碳(CO)一氧化碳是一种无色无味的气体,比重与空气相当。
一氧化碳与血红蛋白的亲和力比氧与血红蛋白的亲和力高200~300倍,因此一氧化碳极易与血红蛋白结合,形成碳氧血红蛋白,使血红蛋白丧失携氧的能力和作用,造成组织窒息,甚至导致人员死亡。
一氧化碳易燃,与空气混合能形成爆炸性混合气体,遇明火、高热等点火源将引发燃烧爆炸。
含碳燃料的不完全燃烧和焊接作业是一氧化碳的主要来源。
3.苯和苯系物【苯(C6H6)、甲苯(C7H8)、二甲苯(C8H10)】苯、甲苯、二甲苯都是无色透明、有芬芳气味、易挥发的有机溶剂;易燃,其蒸气与空气混合能形成爆炸性混合物。
常见有限空间作业主要安全风险辨识示
一、缺氧风险
有限空间内可能存在氧气不足的情况,如果作业人员长时间处于这样的环境中,可能会因为缺氧而出现生命危险。
二、有毒气体风险
有限空间内可能存在有毒气体,如硫化氢、一氧化碳等,这些气体可能会对作业人员的健康造成严重危害。
三、易燃易爆气体风险
有限空间内可能存在易燃易爆气体,如果遇到火源或高温,可能会导致爆炸或火灾等危险情况。
四、机械伤害风险
有限空间内可能存在机械设备,如果作业人员不慎接触到这些设备,可能会造成机械伤害。
五、淹溺风险
有限空间内可能存在水,如果作业人员不慎跌入水中,可能会造成淹溺。
六、温度过高的风险
有限空间内可能存在高温环境,如果作业人员长时间处于这样的环境中,可能会因为中暑或热射病等导致生命危险。
七、照明不足的风险
有限空间内可能存在照明不足的情况,如果作业人员在
这样的环境中工作,可能会因为看不清环境而跌倒或受伤。
八、通讯不畅的风险
有限空间内可能存在通讯不畅的情况,如果作业人员遇到危险情况需要求救时,无法及时与外界联系。
九、作业空间狭小的风险
有限空间内可能存在作业空间狭小的情况,这会给作业人员的工作带来很大的不便和安全隐患。
有限空间风险辨识及防范措施有限空间是指具有进入口、狭小、有限通风或限制性通风条件的工作环境,包括油箱、管道、垃圾箱、储罐、坑道、地下室等地方。
由于空间狭小、通风不良,存在着一系列的风险和危险,因此需要进行风险辨识和采取防范措施。
在进行有限空间风险辨识时,首先需要了解该空间可能存在的风险。
常见的有限空间风险包括:缺氧、有毒气体、可燃气体、高温、高湿度、粉尘、噪音、物理障碍等。
具体的风险要根据不同的空间环境进行具体分析,找出空间的潜在危险。
针对有限空间的风险,需要采取一系列的防范措施来保障工作人员的安全。
以下是几项常用的防范措施:1.建立安全导则和程序:制定并建立针对有限空间的详细安全管理导则和程序。
包括进入前的准备工作、必要的培训、安全设备的使用和维护等内容,确保工作人员了解并按照规定进行操作。
2.进入前的风险评估:在进入有限空间之前,需要进行全面的风险评估,包括评估空间内可能存在的危险物质、空气质量、通风情况等。
只有评估结果符合安全标准,才能允许工作人员进入。
3.维持通风质量:有限空间必须保持良好的通风质量,以防止空气中毒、缺氧等危险。
如果可能的话,应使用通风设备,将新鲜空气引入有限空间,并排出有毒气体和污浊空气。
4.使用个人防护装备:工作人员在进入有限空间之前,必须穿戴适当的个人防护装备,如呼吸器、防护服、防护手套等。
这些装备能够有效地减少工作人员接触到的危险物质,提供更多的安全保障。
5.建立沟通和监控系统:在有限空间工作期间,需要建立有效的沟通和监控系统,以确保工作人员的安全。
这些系统包括良好的通信设备、紧急救援机制等,可以及时发现和处理突发情况。
6.培训与演练:对工作人员进行有限空间的安全培训,并定期进行模拟演练,以使其熟悉有限空间工作环境,并掌握应对突发情况的正确方法。
总之,有限空间的风险辨识和防范措施是确保工作人员安全的重要环节。
只有在全面了解风险的基础上,采取切实有效的防范措施,才能降低有限空间工作中的风险,保障工作人员的安全。
有限空间风险辨识及防范措施有限空间风险辨识及防范措施1. 引言有限空间指的是无法进行自由移动的封闭或半封闭环境,如储罐、沉箱、地下室等。
这些区域常常存在各种危险因素,如有害气体、低氧气体、窒息、高温、爆炸等,给工作人员的健康和安全带来潜在威胁。
对有限空间风险的辨识和防范措施至关重要。
本文旨在全面探讨有限空间风险的辨识和防范措施,以帮助工作人员更好地理解并应对这一挑战。
2. 有限空间风险辨识在进入有限空间前,需要通过风险辨识来识别潜在的危险因素。
以下是常见的有限空间风险辨识要点:2.1 空气质量检测:检测有毒气体、可燃气体和低氧气体的浓度,确保工作区域的空气质量符合安全标准。
2.2 安全设备和工具:确认是否配备了必要的安全设备和工具,如通风设备、监测仪器、照明设备等。
2.3 环境因素:评估天气条件、温度、湿度等环境因素是否会对有限空间内工作人员的健康和安全产生不利影响。
2.4 潜在危害源:考虑有限空间内可能存在的潜在危险源,如有害物质的泄漏、机械设备的故障、电力供应等。
3. 有限空间风险防范措施为了保障工作人员的安全,必须采取一系列的风险防范措施。
以下是几项关键的防范措施:3.1 许可制度:建立严格的许可制度,确保只有通过培训和考核的人员才能进入有限空间。
3.2 工作程序:建立详细的工作程序,包括进入和离开有限空间的步骤、通风、监测和紧急救援等。
3.3 通风和气体监测:确保有限空间内有适当的通风,并且持续进行气体监测,及时发现异常情况。
3.4 紧急救援计划:制定完善的紧急救援计划,并进行培训和演练,以便在发生意外情况时能够迅速作出反应。
3.5 个人防护装备:工作人员应佩戴适当的个人防护装备,如呼吸器、防护服、安全带等。
4. 个人观点和理解有限空间是工作中常见的高风险环境,需要高度重视和有效的防范措施。
在我的理解中,有限空间风险辨识和防范对于工作人员的健康和安全至关重要。
我们应该始终牢记风险辨识的重要性,通过有效的手段来识别和评估潜在的危险因素。
有限空间安全风险辨识介绍有限空间是指具有限制进出口的封闭或半封闭空间,如储罐、管道、船舱等。
在这些有限空间中,存在着一系列潜在的安全风险,如缺氧、有毒气体、火灾爆炸等。
因此,对有限空间的安全风险进行辨识是非常重要的,以便采取适当的措施来保障人员的安全。
有限空间安全风险辨识的重要性有限空间的安全风险可能导致人员伤亡、财产损失甚至环境污染。
因此,进行有限空间安全风险辨识对于保障人员安全、遵守法律法规、维护企业声誉具有重要意义。
有限空间安全风险辨识的步骤有限空间安全风险辨识通常包括以下步骤:1. 识别有限空间首先需要确定哪些空间属于有限空间,这些空间具有限制进出口的特点。
2. 收集相关信息收集有关有限空间的相关信息,包括空间的结构、功能、使用情况等。
3. 识别潜在的安全风险根据收集到的信息,识别有限空间中可能存在的潜在安全风险,如缺氧、有毒气体、火灾爆炸等。
4. 评估风险程度对识别到的安全风险进行评估,确定其风险程度,以便确定采取适当的控制措施。
5. 制定控制措施根据评估结果,制定适当的控制措施,以减少或消除有限空间的安全风险。
6. 实施控制措施将制定的控制措施付诸实施,并确保其有效性。
7. 监督和改进定期监督控制措施的执行情况,并根据实际情况进行改进,以提高有限空间的安全性。
有限空间安全风险辨识的挑战有限空间安全风险辨识面临着一些挑战,如以下几点:1. 复杂的空间结构有限空间往往具有复杂的结构,使得辨识安全风险变得困难。
2. 潜在的隐患有限空间中可能存在一些潜在的隐患,如隐蔽的气体泄漏、不稳定的结构等,这增加了辨识安全风险的难度。
3. 人员素质差异不同人员对于安全风险的认知和理解存在差异,这可能导致在辨识安全风险过程中存在主观性和误判。
4. 缺乏专业知识辨识有限空间的安全风险需要具备一定的专业知识,缺乏相关知识的人员可能无法准确识别安全风险。
有限空间安全风险辨识的案例分析以下是一个有限空间安全风险辨识的案例分析:1. 案例背景某化工厂的储罐是一个有限空间,用于储存有毒气体。
有限空间风险辨识及防范措施有限空间指的是具有限制进出通道、有限氧气供应或可能存在有害物质的工作空间,如储罐、地下管道、井道、河道或其他封闭空间。
在这些空间中工作可能存在一系列潜在的风险,包括以下几个方面:1. 窒息和缺氧风险:由于空间内氧气含量低或有害气体积聚,工作人员可能面临窒息和缺氧的风险。
这可能是由于空间内氧气消耗、不完全燃烧、有害气体泄漏或工作过程中生成的有害气体导致。
2. 火灾和爆炸风险:在有限空间中,积聚的有害气体或可燃物质可能导致火灾和爆炸。
这可能是由于操作失误、火焰或电火花的引入或其他火源的存在导致。
3. 机械伤害风险:有限空间中可能存在机械设备、管道、淤泥或其他障碍物,这可能会导致工作人员受到夹伤、压伤或其它机械伤害。
针对上述风险,应采取以下措施进行辨识和防范:1. 风险评估和安全计划:在进入有限空间之前,进行详细的风险评估,确定可能存在的危险,并制定相应的安全计划。
这包括识别可能存在的有害气体、氧气含量、火灾和爆炸风险以及机械伤害风险。
2. 充分通风:在进入有限空间之前,确保空间内充分通风,以减少有害气体的积聚并维持适宜的氧气含量。
使用合适的通风设备如风扇或通风管道,并确保通风系统正常工作。
3. 使用适当的个人防护装备:工作人员在进入有限空间时,应佩戴适当的个人防护装备,如呼吸器、防爆服、安全帽、安全鞋等。
根据风险评估的结果提供必要的装备。
4. 进行适当的培训和教育:为所有进入有限空间的工作人员提供必要的培训和教育,使其了解潜在的风险并知道如何应对紧急情况。
这包括培训工作人员如何正确使用个人防护装备、急救措施和紧急撤离程序。
5. 建立有效的沟通与监控系统:在有限空间中工作时,确保与外部人员建立有效的沟通和监控系统,以便在紧急情况下能及时提供帮助。
这可以使用无线通讯设备、监视摄像头和紧急报警系统等。
总之,通过进行全面的风险评估,提取合适的防范措施,并为工作人员提供适当的培训和装备,可以有效地进行有限空间风险的辨识和防范。
有限空间安全风险辨识表一、引言在各种工程建设和生产活动中,有限空间作业已成为一种常见的作业方式。
然而,由于有限空间内环境复杂、风险因素众多,导致事故频发,给企业和从业人员带来了严重的生命财产安全威胁。
为了提高有限空间作业的安全性,本文将对有限空间的安全风险进行辨识,并提出相应的管理措施。
二、有限空间的安全风险辨识1.窒息性气体:在有限空间内,由于通风不良,可能导致空气中氧气浓度降低,造成作业人员窒息。
2.毒性气体:有限空间内可能存在有毒气体,如沼气、化学物质泄漏等,对人体产生毒性作用。
3.爆炸性气体:有限空间内可能积累可燃性气体,如石油、天然气等,遇到火源易发生爆炸事故。
4.粉尘爆炸:在有限空间内,粉尘颗粒达到一定浓度,遇到火源可能发生粉尘爆炸。
5.机械伤害:有限空间内存在各种机械设备,如不当操作,可能导致机械伤害。
6.物体打击:有限空间内可能存在物料、工具等,未妥善存放易导致物体打击事故。
7.触电风险:有限空间内可能存在电气设备,如未采取防护措施,存在触电风险。
8.坍塌风险:有限空间周边土壤、建筑结构等不稳定,可能导致坍塌事故。
三、如何识别有限空间1.空间特征:有限空间通常具有以下特征:进出口较小、空间内部固定、内部环境复杂等。
2.物理环境:识别有限空间的物理环境,如空间大小、形状、进出口位置等。
3.工作内容:了解有限空间内进行的作业内容,如物料储存、设备安装、清洗等。
四、安全风险评估与管理1.评估方法:采用科学的方法对有限空间进行安全风险评估,如半定量评估、定量评估等。
2.风险等级划分:根据评估结果,将风险划分为不同等级,以便有针对性地采取措施。
3.风险控制措施:针对不同风险等级,制定相应的风险控制措施,如加强通风、清除有毒气体、严禁火源等。
4.应急预案:制定有限空间事故应急预案,确保在事故发生时能迅速有效地进行救援。
五、结论有限空间安全风险辨识是保障作业人员生命安全的重要环节。
通过对有限空间内的各种风险因素进行辨识,并采取有效的管理措施,可以降低事故发生的概率,确保从业人员的生命安全。
有限空间作业危险特性及风险辨识1. 引言有限空间作业是指人员在限制通风、进出困难、环境复杂、空间狭小的场所中进行的作业活动。
这种作业活动存在着高度的危险性,如窒息、中毒、爆炸、火灾、坍塌等。
因此,在进行有限空间作业时,需要对其风险进行辨识,并采取相应的措施进行控制和管理,以保证工作安全。
2. 有限空间作业的危险特性2.1 空气质量不佳有限空间内通风条件较差,空气循环不畅,易产生有害气体和二氧化碳等。
这些气体在人体呼吸过程中会对人体造成伤害,导致情况危急。
2.2 窒息和中毒由于空间太小,人员活动受限制,危险物质不易扩散,一旦有有毒气体或有害物质泄漏,很容易导致人员窒息和中毒,导致生命危险。
2.3 爆炸和火灾在有限空间中作业,易产生静电,如果有燃烧性物质,可能导致爆炸和火灾,造成重大伤害和财产损失。
2.4 溶液泄漏在有限空间内进行化学实验或清洗设备时,可能会发生溶液泄漏,导致地面湿滑,容易打滑,造成人员受伤。
3. 风险辨识风险评估是有限空间作业风险辨识和控制的基础。
以下是进行风险评估的一些关键步骤:3.1 识别危险源对有限空间作业的场所、环境和装备进行评估,识别潜在的危险源,包括化学、物理和生物的危险源。
3.2 评估风险对识别出的危险源进行风险评估,包括确定风险的发生概率和可能对人员造成的危害程度。
3.3 制定措施根据危险源的风险评估结果,制定相应的措施来减轻或消除潜在的危险源,包括使用个人防护装备、提高安全意识、提高设备维护保养的水平等措施。
3.4 监督和审核对制定的风险控制措施进行监督和审核,确保其有效性和及时性,避免潜在风险转化为事故。
4. 结论有限空间作业存在多种危险特性,需要进行风险评估和控制措施的制定,以确保人员安全和作业质量。
进行有限空间作业时,应该加强安全管理和培训,提高作业人员的安全意识,确保作业安全和环境保护。
建筑工地有限空间作业风险辨识评估
建筑工地的有限空间作业风险辨识评估是非常重要的,因为有限空间作业往往存在一些特殊的风险和挑战。
首先,我们需要考虑的是有限空间可能会导致通风不良,这可能会导致工人缺氧或者中暑的风险。
另外,有限空间还可能会导致工人受困的风险,特别是在紧急情况下,如火灾或者其他意外事件发生时,工人可能无法及时逃生。
此外,有限空间作业还可能会增加工人受到机械伤害的风险,因为在狭窄的空间内操作机械设备可能会更加困难,增加意外发生的可能性。
为了辨识和评估这些风险,我们可以采取一些措施。
首先,需要对工作场所进行全面的评估,包括空间大小、通风情况、紧急逃生通道等方面的考量。
其次,需要对可能存在的风险进行识别和评估,包括缺氧、中暑、受困、机械伤害等方面的风险。
针对不同的风险,需要制定相应的控制措施,比如加强通风设备、设立紧急逃生通道、提供紧急救援设备等。
除此之外,还需要对工人进行培训,让他们了解有限空间作业的风险和应对措施,提高他们的安全意识和自救能力。
另外,定期进行风险评估的复查和更新也是必不可少的,因为工地环境和作业
条件可能会发生变化,需要及时调整和更新风险评估和控制措施。
总之,建筑工地有限空间作业风险辨识评估是一个复杂而重要的工作,需要全面考虑各种可能的风险因素,并采取相应的控制和预防措施,以确保工人的安全和健康。
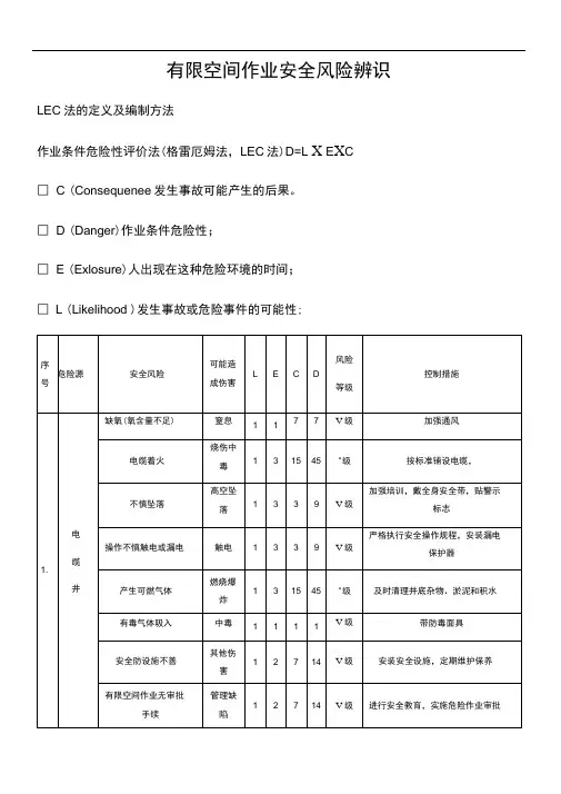
有限空间作业安全风险辨识有限空间作业安全风险辨识LEC法的定义及编制方法作业条件危险性评价法(格雷厄姆法,LEC法)D=L×E×C □C(Consequence)发生事故可能产生的后果。
□D(Danger)作业条件危险性;□E(Exlosure)人出现在这种危险环境的时间;□L(Likelihood)发生事故或危险事件的可能性;序号危险源安全风险可能造成伤害L E C D风险等级控制措施1.电缆井缺氧(氧含量不足)窒息1 1 7 7Ⅴ级加强通风电缆着火烧伤中毒1 31545Ⅳ级按标准铺设电缆,不慎坠落高 1 3 3 9 Ⅴ加强培训,戴全身空坠落级安全带,张贴警示标志操作不慎触电或漏电触电1 3 3 9Ⅴ级严格执行安全操作规程,安装漏电保护器产生可燃气体燃烧爆炸1 31545Ⅳ级及时清理井底杂物、淤泥和积水有毒气体吸入中毒1 1 1 1Ⅴ级带防毒面具安全防范设施不善其他伤害1 2 714Ⅴ级安装安全设施,定期维护保养有限空间作业无审批手续管理缺陷1 2 714Ⅴ级进行安全教育,实施危险作业审批未设置有限管 1 2 7 1Ⅴ设置有限空间警空间警示标志理缺陷4 级示标志未配备应急救援物资管理缺陷1 2 714Ⅴ级按要求配备应急救援物资未与相关方签订有限空间作业安全协议管理缺陷1 2 714Ⅴ级与承包方签订安全生产协议2.污水井(池)缺氧(氧含量不足)窒息1 1 7 7Ⅴ级加强通风坠入污水池淹溺1 2 714Ⅴ级增设防护栏和警示标志有毒气体吸入中毒1 1 1 1Ⅴ级带防毒面具产生可燃气燃烧、1 3 14Ⅳ及时清理井底杂体爆炸5 5 级物、淤泥和积水有限空间作业无审批手续管理缺陷1 2 714Ⅴ级进行安全教育,实施危险作业审批未设置有限空间警示标志管理缺陷1 2 714Ⅴ级设置有限空间警示标志未配备应急救援物资管理缺陷1 2 714Ⅴ级按要求配备应急救援物资未与相关方签订有限空间作业安全协议管理缺陷1 2 714Ⅴ级与承包方签订安全生产协议3.化缺氧(氧含窒 1 1 7 7 Ⅴ加强通风粪池量不足)息级坠入化粪池淹溺1 2 714Ⅴ级增设防护栏和警示标志有毒气体吸入中毒1 31545Ⅳ级带防毒面具产生可燃气体燃烧、爆炸1 31545Ⅳ级及时清理井底杂物、淤泥和积水有限空间作业无审批手续管理缺陷1 2 714Ⅴ级进行安全教育,实施危险作业审批未设置有限空间警示标志管理缺陷1 2 714Ⅴ级设置有限空间警示标志未配备应急救援物资管理缺陷1 2 714Ⅴ级按要求配备应急救援物资未与相关方签订有限空间作业安全协议管理缺陷1 2 714Ⅴ级与承包方签订安全生产协议4.蓄水池坠入蓄水池淹溺1 2 714Ⅴ级增设防护栏和警示标志有限空间作业无审批手续管理缺陷1 2 714Ⅴ级进行安全教育,实施危险作业审批未设置有限空间警示标志管理缺陷1 2 714Ⅴ级设置有限空间警示标志未配备应急救援物资管理缺陷1 2 714Ⅴ级按要求配备应急救援物资未与相关方签订有限空间作业安全管理缺1 2 714Ⅴ级与承包方签订安全生产协议协议陷5.地沟暗沟坑道下水道沟盖被盗或破损人身伤害、车辆伤害1 2 714Ⅴ级及时更换沟盖;采取沟盖加固措施缺氧(氧含量不足)窒息1 1 7 7Ⅴ级加强通风有毒气体吸入中毒1 31545Ⅳ级带防毒面具产生可燃气体燃烧、爆炸1 31545Ⅳ级及时清理井底杂物、淤泥和积水有限空间作业无审批手续管理缺1 2 714Ⅴ级进行安全教育,实施危险作业审批陷未设置有限空间警示标志管理缺陷1 2 714Ⅴ级设置有限空间警示标志未配备应急救援物资管理缺陷1 2 714Ⅴ级按要求配备应急救援物资未与相关方签订有限空间作业安全协议管理缺陷1 2 714Ⅴ级与承包方签订安全生产协议6.电梯井道缺氧(氧含量不足)窒息1 1 7 7Ⅴ级加强通风电缆着火烧伤、中毒1 31545Ⅳ级按标准铺设电缆,不慎坠落高 1 2 7 1Ⅴ加强培训,戴全空坠落4 级身安全带,张贴警示标志操作不慎触电或漏电触电1 31545Ⅳ级严格执行安全操作规程,安装漏电保护器有毒气体吸入中毒1 31545Ⅳ级带防毒面具安全防范设施不全其他伤害1 2 714Ⅴ级安装安全设施,定期维护保养有限空间作业无审批手续管理缺陷1 2 714Ⅴ级进行安全教育,实施危险作业审批未设置有限空间警示标志管理缺陷1 2 714Ⅴ级设置有限空间警示标志未配备应急管 1 2 7 1Ⅴ按要求配备应急救援物资理缺陷4 级救援物资未与相关方签订有限空间作业安全协议管理缺陷1 2 714Ⅴ级与承包方签订安全生产协议7.压力容器缺氧(氧含量不足)窒息1 1 7 7Ⅴ级加强通风有毒气体吸入中毒1 1 1 1Ⅴ级带防毒面具作业未使用36v以下安全电压触电1 31545Ⅳ级使用36v以下安全电压有可燃介质明火作业爆炸1 31545Ⅳ级严禁明火作业未安装安全阀、压力表或未按期检爆炸1 31545Ⅳ级安装安全阀、压力表并按期检验验未定期维护保养设备事故1 31545Ⅳ级定期维护保养安全防范设施不全其他伤害1 2 714Ⅴ级安装安全设施,定期维护保养有限空间作业无审批手续管理缺陷1 2 714Ⅴ级进行安全教育,实施危险作业审批未设置有限空间警示标志管理缺陷1 2 714Ⅴ级设置有限空间警示标志未配备应急救援物资管理缺陷1 2 714Ⅴ级按要求配备应急救援物资未与相关方签订有限空间作业安全协议管理缺陷1 2 714Ⅴ级与承包方签订安全生产协议8.管道烟道缺氧(氧含量不足)窒息1 1 7 7Ⅴ级加强通风有毒气体吸入中毒1 1 1 1Ⅴ级带防毒面具作业未使用36v以下安全电压触电1 31545Ⅳ级使用36v以下安全电压有可燃介质明火作业爆炸1 31545Ⅳ级严禁明火作业未安装安全阀、压力表或未按期维护爆炸1 31545Ⅳ级安装安全阀、压力表并按期维护安全防范设施不全其他1 2 714Ⅴ级安装安全设施,定期维护保养伤害有限空间作业无审批手续管理缺陷1 2 714Ⅴ级进行安全教育,实施危险作业审批未设置有限空间警示标志管理缺陷1 2 714Ⅴ级设置有限空间警示标志未配备应急救援物资管理缺陷1 2 714Ⅴ级按要求配备应急救援物资未与相关方签订有限空间作业安全协议管理缺陷1 2 714Ⅴ级与承包方签订安全生产协议9.煤缺氧(氧含量不足)窒息1 1 7 7Ⅴ级加强通风气天然气转供设备有毒气体吸入中毒1 1 1 1Ⅴ级带防毒面具或全身防护服电气设备不是防爆型设备爆炸1 31545Ⅳ级使用防爆型设备有可燃介质明火作业爆炸1 31545Ⅳ级严禁明火作业未安装通风除尘设施及通风管道或未按期维护中毒1 31545Ⅳ级安装通风除尘设施及通风管道并按期维护安全防范设施不全其他伤害1 2 714Ⅴ级安装安全设施,定期维护保养有限空间作业无审批手续管理缺陷1 2 714Ⅴ级进行安全教育,实施危险作业审批未设置有限空间警示标管理1 2 714Ⅴ级设置有限空间警示标志志缺陷未配备应急救援物资管理缺陷1 2 714Ⅴ级按要求配备应急救援物资未与相关方签订有限空间作业安全协议管理缺陷1 2 714Ⅴ级与承包方签订安全生产协议未与相关方签订有限空间作业安全协议管理缺陷1 2 714Ⅴ级与承包方签订安全生产协议可能性设备环境及管理的因素人的因素分值行为能力极可能无安全控制措施,无管理控制措施,无法避免事故发生作业区一年内出现10次与此危险源相关的安全隐患(不安全状态)习惯性违章作业作业区一年内出现10次与此危险源相关的安全隐患(不安全行为)无证作业,实习期独立作业10较可能无安全控制措施,但有管理控制措施或在同类作业中发生过多起事故,无法有效避免事故的发生。
作业区一年内出现6-9次与此危险源相关的安全隐患(不安全状态)在缺少监督的情况下时常发生违章作业,疲劳作业作业区一年内出现6-9次与此危险源相关的安全隐患(不安全行为)带病作业(包括服用影响作业安全的药物后作业)6C (Consequence )发生事故可能产生的后果D 危险源等级可能安全控制措施不全,有管理控制措施或在同类作业中三年内曾经发生过事故或事件,无法有效杜绝事故的发生。
作业区一年内出现3-5次与此危险源相关的安全隐患(不安全状态)在生产作业节奏较快情况下,偶尔发生的违章作业作业区一年内出现3-5次与此危险源相关的安全隐患(不安全行为)操作不熟练或影响员工注意力的其他因素3较少可能本质安全化控制设施不全,有管理控制和有效的异常报警、监控手段,能预防事故发生,在同类作业中曾经发生过事故、事件。
作业区一年内出现1-2次与此危险源相关的安全隐患(不安全状态)偶尔的失误或误操作作业区一年内出现1-2次与此危险源相关的安全隐患(不安全行为)1不可能安全控制措施齐全有效,实现设备本质安全,在误操作情况下能避免人员伤害,有效杜绝事故发生 0.1可能结果分数值 大灾难(10人及以上死亡) 100 灾难(3人及以上死亡40 非常严重(群伤、急性中毒、放射病或1-2人死亡) 15 重伤或慢性职业病7 轻伤3 不构成失能的伤害或惊吓1危险等级危险程度 推荐分级标准(D 值)原则分级标准(D 值)Ⅰ级极度危险不能工作,≥90确定为重要危险源>320≥260Ⅱ级 高度危险须立即整改 320~160 259~125 Ⅲ级 很危险需整改 159~70 124~62 Ⅳ级可能危险需要注意69~2061~20Ⅴ级稍有危险可接受<20<20 E(Exlosure)人出现在这种危险环境的时间出现于危险环境的情况分数值连续处于危险环境中10每天在有危险的环境中工作 6每周一次出现于危险环境中 3每月一次 2每年一次 1几年一次出现在危险环境中0.5。