五金手册常用查询
- 格式:xls
- 大小:73.50 KB
- 文档页数:18
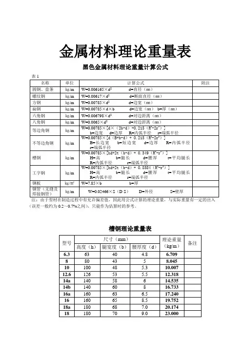
金属材料理论重量表
黑色金属材料理论重量计算公式
表1
注:由于型材在制造过程中有允许偏差值,因此用公式计算的理论重量,与实际重量有一定的出入(误差一般约为0.2~0.7%之间),只能作为估算时的参考。
槽钢理论重量表
圆钢直径和方钢边长及理论重量表表1-1
2、表中带*者不推荐使用。
3、螺纹钢6、7、8、9、10、12、1
4、16、18、20、22、2
5、28、32、3
6、40的理论重量同
圆钢的理论重量。
工字钢理论重量
无缝钢管理论重量
D 为钢管的公称外径(㎜);S 为钢管的公称壁厚(㎜)。
花纹钢板理论重量
钢丝绳理论重量
等边角钢理论重量
不等边角钢理论重量。
五金手册查询表金属材料理论重量表JINSHU CAILIAO LILUNZHONGLIANGBIAO古:17X ■■< _1 ' - . ■•- ■號;:乂■ . ■- I .-rf-;. 乙气.2006年1月编制黑色金属材料理论重量计算公式注:由于型材在制造过程中有允许偏差值,因此用公式计算的理论重量,与实际重量有一定的出入(误差一般约为0.2〜0.7%之间),只能作为估算时的参考。
槽钢理论重量表表1-1圆钢直径和方钢边长及理论重量表注:1、表中的理论重量是按钢的密度为7.85计算的。
2、表中带*者不推荐使用。
3、螺纹钢6、7、8、9、10、12、14、16、18、20、22、25、28、32、36、40的理论重量同圆钢的理论重量。
工字钢理论重量无缝钢管理论重量76 83 89 5.40 6.26 7.107798387.938719388.759621039.5 10.3 6 11.14 11.91 12.67 13.4214.110.51 11.39 12.26 13.1 213.9611.3312.28 13.22 14.1615.0614.8715.915.6816.7514.3216.4817.7715.5217.2618.68 16.282 18.003 19.4895 102121 133 7.98058.9896710.04 11.10 12.1413.17 14.1915.110.82 11.910.26 11.49 12.76 13.09 14.21 15.3116.413.9916.117.4817.1618.1319.0920.08 18.5519.620.64 21.6)15.09 16.27 17.4418.510.85 12.15 13.44 14.72 159 8 17.2318.411.54 12.9 14.30 15.67 17.02 18.3519.612.13 13..59 15.0416.4817.912.73 14.26 15.7719.7820.90 19.32 20.7 222.18 17.29 18.79 20.2821.7523.2919.720.9922.223.4124.6320.8122.1923.5824.8626.1621.9223.3824.8723.0124.4626.14 26.1927.5I 27.5228.93 20.96722.69824.178 25.65227.37328.853 30.33140 146 152 面168 180 15.04 16.65 18.24 19.83 21.4 22.9 624.51 26.0427.57 29.0330.515.7 17.316.37 18.117.15 18.9919.0318.86 20.72 22.3624.C25.62 27.2 3 28.8230.4131.97 21.6 23.32 25.0 326.7328.49 20.82 22.64 24.4526.220.121522.04 23.9923.74 28.02 29.77 25.89 27.79 29.625.75 27.7 29.8 731.9931.5133.91 30.09 31.57 33.43 35.98 31.7433.35 33.2935.0335.2537.9937.1539.9732.66833.54935.023 36.753 38.975 41.92194 203 219 245 273 299 23.3 125.627.82 30.0 32.28 34.529.14 31.5 33.83 36.136.76 38.4 740.731.52 34.06 36.6 39.12 41.638.23 41.09 43.8546.742.64 45.9249.1 53.952.2157.438.8344.1649.5855.4160.8941.0743.0246.6652.3558.6964.3643.2645.3149.0855.161.7767.83 45.383 47.598 51.457 57.953 64.863 71.27325 351 37758.74 62.5466.35 70.1473.967.67 71.8 75.9 180.02 77.681 84.181.63 86.1 90.51 注:钢管的理论重量(密度为7.85 )按公称尺寸计算,其计算公式为P=0.02466*S(D-S),式中:D为钢管的公称外径(mm);S为钢管的公称壁厚(mm)。
以下为您提供一些五金手册速查的方法:
1. 查阅手册的目录:首先,查看手册的目录,了解手册包含的内容和章节。
这有助于您快速找到所需的信息。
2. 查找关键术语:使用手册中的关键词或术语来查找所需的信息。
例如,如果您需要查找关于螺丝的知识,可以在手册中使用“螺丝”作为关键词进行搜索。
3. 使用索引:如果手册提供了索引或关键词索引,请使用它们来查找信息。
索引通常按照字母顺序排列,方便您快速找到所需的信息。
4. 参考示例和图表:手册中通常包含示例和图表,这些示例和图表可以帮助您更好地理解所需的信息。
如果您需要查找特定产品的使用方法或规格,可以参考手册中的示例和图表。
5. 交叉引用:如果手册提供了交叉引用或链接,请使用它们来查找信息。
交叉引用通常是指在不同章节或页面之间建立链接,方便您快速跳转到相关内容。
6. 搜索在线资源:如果您无法在手册中找到所需的信息,可以尝试搜索在线资源,例如网站、数据库或论坛。
这些在线资源通常包含更详细的信息和最新的资料。
总之,五金手册速查需要您熟悉手册的结构和组织方式,并使用关键词、索引、示例、图表和交叉引用等工具来快速查找所需的信息。
如果您无法找到所需的信息,可以尝试搜索其他在线资源或咨询专业
人士。
金属材料理论重量表
黑色金属材料理论重量计算公式
表1
注:由于型材在制造过程中有允许偏差值,因此用公式计算的理论重量,与实际重量有一定的出入(误差一般约为0.2~0.7%之间),只能作为估算时的参考。
槽钢理论重量表
圆钢直径和方钢边长及理论重量表表1-1
2、表中带*者不推荐使用。
3、螺纹钢6、7、8、9、10、12、1
4、16、18、20、22、2
5、28、32、3
6、40的理论重量同
圆钢的理论重量。
工字钢理论重量
无缝钢管理论重量
D 为钢管的公称外径(㎜);S 为钢管的公称壁厚(㎜)。
花纹钢板理论重量
钢丝绳理论重量
等边角钢理论重量
不等边角钢理论重量。
金属材料理论重量表JINSHU CAILIAO LILUN
ZHONGLIANGBIAO
2006年1月编制
黑色金属材料理论重量计算公式
注:由于型材在制造过程中有允许偏差值,因此用公式计算的理论重量,与实际重量有一定的出入(误差一般约为0.2~0。
7%之间),只能作为估算时的参考。
槽钢理论重量表
圆钢直径和方钢边长及理论重量表
表1—1
2、表中带*者不推荐使用。
3、螺纹钢6、7、8、9、10、12、1
4、16、18、20、22、2
5、28、32、3
6、40的理论重量同
圆钢的理论重量。
工字钢理论重量
无缝钢管理论重量
中:D 为钢管的公称外径(㎜);S 为钢管的公称壁厚(㎜)。
花纹钢板理论重量
钢丝绳理论重量
等边角钢理论重量
不等边角钢理论重量。
金属材料理论重量表黑色金属材料理论重量计算公式表1名称单位计算公式附注圆钢、盘条㎏/m W=0.006165×d2d=直径(㎜)螺纹钢㎏/m W=0.00617×d2 d=断面直径(㎜)方钢㎏/m W=0.00785×d2d=边宽(㎜)扁钢㎏/m W=0.00785×d×b d=边宽(㎜)b=厚(㎜)六角钢㎏/m W=0.006798×d2d=对边距离(㎜)八角钢㎏/m W=0.0065×d2d=对边距离(㎜)等边角钢㎏/m W=0.00785×[d×(2b-d)+0.215(R2-2r2)] b=边宽d=边厚R=内弧半径r=端弧半径不等边角钢㎏/m W=0.00785×[d(B+b-d)+ 0.215(R2-2r2)]B=长边宽b=短边宽d=边厚R=内弧半径r=端弧半径槽钢㎏/m W=0.00785×[hd+2t(b-d)+ 0.349(R2-r2)]H=高b=腿长d=腰厚t=平均腿长R=内弧半径r=端弧半径工字钢㎏/m W=0.00785×[hd+2t(b-d)+ 0.8584(R2-r2)]H=高b=腿长d=腰厚t=平均腿长R=内弧半径r=端弧半径钢板㎏/㎡W=7.85×b b=厚钢管(无缝及焊接钢管)㎏/m W=0.02466×S(D-S)D=外径S=壁厚注:由于型材在制造过程中有允许偏差值,因此用公式计算的理论重量,与实际重量有一定的出入(误差一般约为0.2~0.7%之间),只能作为估算时的参考。
槽钢理论重量表型号尺寸(mm)理论重量(kg/m)备注高度(h)腿宽度(b)腰厚度(d)6.3 63 40 4.8 6.709 8 80 43 5 8.045 10 100 48 5.3 10.007 12.6 126 53 5.5 12.318 14a 140 58 6 14.535 14b 140 60 8 16.733 16a 160 63 6.5 17.240 16 160 658.5 19.75218a 180 68 7.0 20.17418 180 70 9.0 23.00020a 200 73 7 22.63720 200 75 9 25.77722a 220 77 7 24.99922 220 79 9 28.45324a 240 78 7.0 26.86024b 240 80 9.0 30.62824c 240 82 11.0 34.39625a 250 80 7 27.41025b 250 82 9 31.33525c 250 82 11 35.26027a 270 82 7.5 30.83827b 270 84 9.5 35.07727c 270 86 11.5 39.31628a 280 82 7.5 31.42728b 280 84 9.5 35.82328c 280 86 11.5 40.21930a 300 85 7.5 34.46330b 300 87 9.5 39.17330c 300 89 11.5 43.88332a 320 88 8 38.08332b 320 90 10 43.10732c 320 92 12 48.13136a 360 96 9 47.81436b 360 98 11 53.46636c 360 100 13 59.11840a 400 100 10.5 58.92840b 400 102 12.5 65.20840c 400 104 14.5 71.488圆钢直径和方钢边长及理论重量表表1-1圆钢直径d 方钢边长a (㎜)理论重量(㎏/m)圆钢直径d方钢边长a(㎜)理论重量(㎏/m)圆钢直径d方钢边长a(㎜)理论重量(㎏/m)圆钢方钢圆钢方钢圆钢方钢5.5 0.186 0.237 *27 4.49 5.72 *68 28.51 36.306 0.222 0.238 28 4.83 6.15 70 30.21 38.47 6.5 0.260 0.332 *29 5.18 6.60 75 34.86 44.167 0.302 0.385 30 5.55 7.06 80 39.46 50.248 0.395 0.502 *31 5.93 7.54 85 44.55 56.729 0.499 0.636 32 6.31 8.04 90 49.94 63.5910 0.617 0.785 *33 6.71 8.55 95 55.64 70.85*11 0.746 0.950 34 7.13 9.07 100 61.65 78.5012 0.888 1.13 *35 7.55 9.62 105 68.97 86.5013 1.043 1.33 36 36 36 110 74.60 95.0014 1.209 1.54 38 8.90 11.24 115 81.5 10415 1.388 1.77 40 9.87 12.56 120 88.78 11316 1.58 2.01 42 10.87 13.85 125 96.33 12317 1.783 2.27 45 12.48 15.90 130 104.20 13318 1.999 2.54 48 14.21 18.09 140 120.84 15419 2.227 2.82 50 15.42 19.63 150 138.72 17720 2.468 3.14 53 17.30 22.10 160 157.83 20121 2.72 3.46 *55 18.65 23.75 170 178.18 22722 2.984 3.80 *56 19.33 24.61 180 200.00 254*23 3.26 4.15 *58 20.74 26.41 190 223.00 28324 3.55 4.52 60 22.19 28.26 200 247.00 31425 3.85 4.91 63 24.47 31.16 220 298.40 -26 4.17 5.30 *65 26.05 33.17 250 385.34 - 注:1、表中的理论重量是按钢的密度为7.85计算的。
金属材料理论重量表
黑色金属材料理论重量计算公式
表1
注:由于型材在制造过程中有允许偏差值,因此用公式计算的理论重量,与实际重量有一定的出入(误差一般约为0.2~0.7%之间),只能作为估算时的参考。
槽钢理论重量表
圆钢直径和方钢边长及理论重量表表1-1
2、表中带*者不推荐使用。
3、螺纹钢6、7、8、9、10、12、1
4、16、18、20、22、2
5、28、32、3
6、40的理论重量同
圆钢的理论重量。
工字钢理论重量
无缝钢管理论重量
D 为钢管的公称外径(㎜);S 为钢管的公称壁厚(㎜)。
花纹钢板理论重量
钢丝绳理论重量
等边角钢理论重量
不等边角钢理论重量。
金属材料理论重量表黑色金属材料理论重量计算公式表1名称单位计算公式附注圆钢、盘条㎏/m W=0.006165×d2d=直径(㎜)螺纹钢㎏/m W=0.00617×d2 d=断面直径(㎜)方钢㎏/m W=0.00785×d2d=边宽(㎜)扁钢㎏/m W=0.00785×d×b d=边宽(㎜)b=厚(㎜)六角钢㎏/m W=0.006798×d2d=对边距离(㎜)八角钢㎏/m W=0.0065×d2d=对边距离(㎜)等边角钢㎏/m W=0.00785×[d×(2b-d)+0.215(R2-2r2)] b=边宽d=边厚R=内弧半径r=端弧半径不等边角钢㎏/m W=0.00785×[d(B+b-d)+ 0.215(R2-2r2)]B=长边宽b=短边宽d=边厚R=内弧半径r=端弧半径槽钢㎏/m W=0.00785×[hd+2t(b-d)+ 0.349(R2-r2)]H=高b=腿长d=腰厚t=平均腿长R=内弧半径r=端弧半径工字钢㎏/m W=0.00785×[hd+2t(b-d)+ 0.8584(R2-r2)]H=高b=腿长d=腰厚t=平均腿长R=内弧半径r=端弧半径钢板㎏/㎡W=7.85×b b=厚钢管(无缝及焊接钢管)㎏/m W=0.02466×S(D-S)D=外径S=壁厚注:由于型材在制造过程中有允许偏差值,因此用公式计算的理论重量,与实际重量有一定的出入(误差一般约为0.2~0.7%之间),只能作为估算时的参考。
槽钢理论重量表型号尺寸(mm)理论重量(kg/m)备注高度(h)腿宽度(b)腰厚度(d)6.3 63 40 4.8 6.709 8 80 43 5 8.045 10 100 48 5.3 10.007 12.6 126 53 5.5 12.318 14a 140 58 6 14.535 14b 140 60 8 16.733 16a 160 63 6.5 17.240 16 160 658.5 19.752 18a 180 68 7.0 20.174 18 180 70 9.0 23.00020a 200 73 7 22.63720 200 75 9 25.77722a 220 77 7 24.99922 220 79 9 28.45324a 240 78 7.0 26.86024b 240 80 9.0 30.62824c 240 82 11.0 34.39625a 250 80 7 27.41025b 250 82 9 31.33525c 250 82 11 35.26027a 270 82 7.5 30.83827b 270 84 9.5 35.07727c 270 86 11.5 39.31628a 280 82 7.5 31.42728b 280 84 9.5 35.82328c 280 86 11.5 40.21930a 300 85 7.5 34.46330b 300 87 9.5 39.17330c 300 89 11.5 43.88332a 320 88 8 38.08332b 320 90 10 43.10732c 320 92 12 48.13136a 360 96 9 47.81436b 360 98 11 53.46636c 360 100 13 59.11840a 400 100 10.5 58.92840b 400 102 12.5 65.20840c 400 104 14.5 71.488圆钢直径和方钢边长及理论重量表表1-1圆钢直径d 方钢边长a (㎜)理论重量(㎏/m)圆钢直径d方钢边长a(㎜)理论重量(㎏/m)圆钢直径d方钢边长a(㎜)理论重量(㎏/m)圆钢方钢圆钢方钢圆钢方钢5.5 0.186 0.237 *27 4.49 5.72 *68 28.51 36.306 0.222 0.238 28 4.83 6.15 70 30.21 38.476.5 0.260 0.332 *29 5.18 6.60 75 34.86 44.167 0.302 0.385 30 5.55 7.06 80 39.46 50.248 0.395 0.502 *31 5.93 7.54 85 44.55 56.729 0.499 0.636 32 6.31 8.04 90 49.94 63.5910 0.617 0.785 *33 6.71 8.55 95 55.64 70.85*11 0.746 0.950 34 7.13 9.07 100 61.65 78.5012 0.888 1.13 *35 7.55 9.62 105 68.97 86.5013 1.043 1.33 36 36 36 110 74.60 95.0014 1.209 1.54 38 8.90 11.24 115 81.5 10415 1.388 1.77 40 9.87 12.56 120 88.78 11316 1.58 2.01 42 10.87 13.85 125 96.33 12317 1.783 2.27 45 12.48 15.90 130 104.20 13318 1.999 2.54 48 14.21 18.09 140 120.84 15419 2.227 2.82 50 15.42 19.63 150 138.72 17720 2.468 3.14 53 17.30 22.10 160 157.83 20121 2.72 3.46 *55 18.65 23.75 170 178.18 22722 2.984 3.80 *56 19.33 24.61 180 200.00 254*23 3.26 4.15 *58 20.74 26.41 190 223.00 28324 3.55 4.52 60 22.19 28.26 200 247.00 31425 3.85 4.91 63 24.47 31.16 220 298.40 -26 4.17 5.30 *65 26.05 33.17 250 385.34 - 注:1、表中的理论重量是按钢的密度为7.85计算的。
金属材料理论重量表
黑色金属材料理论重量计算公式
表1
注:由于型材在制造过程中有允许偏差值,因此用公式计算的理论重量,与实际重量有一定的出入(误差一般约为0.2~0.7%之间),只能作为估算时的参考。
槽钢理论重量表
圆钢直径和方钢边长及理论重量表表1-1
2、表中带*者不推荐使用。
3、螺纹钢6、7、8、9、10、12、1
4、16、18、20、22、2
5、28、32、3
6、40的理论重量同
圆钢的理论重量。
工字钢理论重量
无缝钢管理论重量
D 为钢管的公称外径(㎜);S 为钢管的公称壁厚(㎜)。
花纹钢板理论重量
钢丝绳理论重量
等边角钢理论重量
不等边角钢理论重量
友情提示:本资料代表个人观点,如有帮助请下载,谢谢您的浏览!。
令狐采学创作
金属材料理论重量表
令狐采学
JINSHU CAILIAO LILUN
ZHONGLIANGBIAO
2006年1月编制
黑色金属材料理论重量计算公式
表1
注:由于型材在制造过程中有允许偏差值,因此用公式计算的理论重量,与实际重量有一定的出入
(误差一般约为0.2~0.7%之间),只能作为估算时的参考。
槽钢理论重量表
圆钢直径和方钢边长及理论重量表表1-1
注:1、表中的理论重量是按钢的密度为7.85计算的。
2、表中带*者不推荐使用。
3、螺纹钢6、7、8、9、10、12、1
4、16、18、20、22、
25、28、32、36、40的理论重量同圆钢的理论重量。
工字钢理论重量
无缝钢管理论重量
注:钢管的理论重量(密度为7.85)按公称尺寸计算,其计算公式为P=0.02466*S(D-S),式中:D为钢管的公称外径(㎜);S为钢管的公称壁厚(㎜)。
花纹钢板理论重量
钢丝绳理论重量
说明:表中前者为6芯钢丝绳,后者为8芯钢丝绳.
等边角钢理论重量
不等边角钢理论重量。