技术部质量诚信因素识别和评价表
- 格式:xls
- 大小:64.00 KB
- 文档页数:2
德信诚培训网采购部诚信因素识别评价表序号过程名称因素类别诚信因素分析失信表现失信结果控制措施失信风险评价分析是否重大可能性严重性1 供应商选择与评定人员结构诚信意识负责供应商选择和评价的员工诚信意识不强,工作责任心不足影响选择与评定供应商过程的公正性,导致选择的供应商不合格,公司原辅料的质量和供应得不到保证。
1.负责评价的员工上岗前进行诚信和职业道德教育,确保其认真负责完成选择评价工作;2.严格执行公司的“忠、公、能、勤”用人要求,确保员工具备相应道德素质和工作责任心。
不可能严重否岗位技能1.负责供应商选择和评价的员工不符合岗位任职要求。
2.负责供应商选择和评价的员工工作效率低,执行力和分析力差,难以胜任本职工作影响选择与评定供应商过程合理性和准确性,导致选择的供应商不合格,公司原辅料的质量和供应得不到保证。
1.办公室加强人员招聘管理2.上岗后加强岗位技能培训力度,按照“忠、公、能、勤”的用人要求规范训员工行为,让其掌握供应商选择和评价的技能不可能严重否人员配备人员配备不足或者不合理(如缺少品管、生产人员的参与)影响选择与评定供应商过程的准确性和合理性,导致选择的供应商不合格,公司原辅料的质量和供应得不到保证。
严格按照《采购控制程序》供方评定中有关人员配备的要求进行人员配备。
不可能严重否环境设施社会诚信环境社会的诚信大环境不良,存在人情关系网,存在暗箱操作等不良社会氛围。
进行供应商选择和评价时讲人情影响选择与评定供应商过程的合理性和公正性,导致选择的供应商不合格,公司原辅料的质量和供应得不到保证。
1.负责评价的员工上岗前进行诚信和职业道德教育,确保其不受这些不良社会氛围的影响。
2.加强公司企业文化建设,培养诚信文化,抵御不诚信行为。
极少严重是不讲原则制度履行《采购控制程序》的供方评定1.《采购控制程序》的供方评定内容不符合法律法规要求。
2.未按《采购控制程序》的供方评定的规定要求执行选择供应商的不理想、不合格,导致公司原辅料的质量和供应得不到保证。
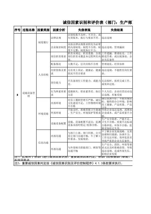
质量诚信因素识别和评价表
信息沟通相关法律法规、制度的
宣传,与相关方的交流
不了解相关法律法规
、制度,相关法律法
规、制度在员工中的
宣传不到位,与相关
方缺乏交流
影响公司工作效率,出现违
规事件,造成公司经济损
失,影响公司信用度
及时获取相关法律法规,认
真学习、贯彻,加强在员工
中的宣传,加强与相关方的
沟通交流
极少严重否
注:此表为企业各部门进行诚信因素识别的思路用表,各部门应根据部门职责、岗位职责进行细化,找出各部门自身容易失信的因素,并加以控制。
填表人: 审核人: 批准人:。
公司诚信管理体系建设为保持公司诚信管理体系的有效运行,实现诚信方针和目标,任命乐晓歌同志为公司诚信负责人,授权:1.全权代表公司建立、实施和推进诚信管理体系的运行;2.负责资源调配,确保诚信管理系统所需程序的建立实施。
3.向最高管理者报告诚信管理体系的运行情况,包括业绩和改进需求,并取得最高管理者的支持,在体系评价中提供诚信管理体系运行报告,组织内部审核;4.协调处理与诚信管理系统有关事宜的外部联络,包括与诚信体系建设有关的宣传、诚信标识的使用、体系改进的通报、社区沟通、社会征信、公益活动策划与沟通;5.处理协调内部诚信事务,批准内部核查计划;同时任命诚信管理小组成员兼内审员,由诚信负责人担任小组组长,具体见07诚信小组成员及职责。
兹任命质量部为公司诚信管理体系实施部门,具体负责公司内部诚信管理体系的策划、建立、实施的具体工作,联系诚信管理体系评价事宜;推进各部门诚信管理体系的有效运行和持续改进。
诚信管理体系组织机构图厂长生产部财务部行政部人事部工程部质量部生产维修现场品控化验锅炉制冷机修污水处理生产计划仓库采购水处理诚信小组项目部诚信管理体系职责分配表注:▲归口管理部门△相关职能部门诚信管理小组成员及职责1范围1.1目的本公司依据QB/T 4111-2010《食品工业企业诚信管理体系(CMS)建立及实施通用要求》这一标准并结合本公司实际,建立并实施诚信管理体系,严格遵守法律法规、政策、诚信管理体系标准和相关的产品标准、服务标准、章程和制度等的要求。
通过诚信管理体系的有效实施,有利于提高公司诚信意识和管理水平;有利于提高公司核心竞争力;有利于提高公司经济运行效率;有利于公司行为符合法规要求,避免违法责任;有利于构建和谐社会;有利于公司文化的文明传承。
1.2 适用范围本手册规定了公司建立及实施诚信管理体系的要求,使灭菌乳、乳饮料的生产、贮存和服务的全过程及相关活动能够根据法律法规、政策和应遵守的其他要求,以及诚信因素信息,制定和实施诚信方针与承诺目标,建立及实施并保持诚信管理体系。
填表注意事项:1、首次编制本表内容,“诚信因素分析”内容为《检验检测机构诚信基本要求》(GB/T31880)的诚信要求;
2、当执行控制措施发现体系文件中没有相关文件规定或文件规定不符合基本要求时,应当予以建立和补充;
3、经多次填报和执行控制措施后,已经被证明达到基本要求的文件规定,可不再编制在内,关注重点转为执行情况;
3、填写者应当根据本人情况和相应的岗位职责选择相应的条款填写“有关诚信信息”(本表仅提供部分范例以便员工参考),填报经审核后认为确与本人无关的条款可在以后填报时予以删除;
4、“失信表现”、“失信结果”、“失信影响”、“控制措施建议”均为举例,并非固定不变,当有不同或新的或具体表现时应当编制在内,填写者也可以建议修改;
5、与《检验检测机构资质认定评审准则》条款要求一致的基本要求(即“诚信因素分析”),可直接引用内部审核或管理评审的结果做为证明.。