每日消毒记录表
- 格式:ppt
- 大小:270.50 KB
- 文档页数:1
疫情期间办公楼卫生间消毒记录
一、记录目的
为了确保办公楼卫生间的卫生环境,在疫情期间加强消毒工作,本文档旨在记录办公楼卫生间的消毒情况,以便管理人员查阅和监管。
二、记录方式
1. 每日消毒记录表
每天对办公楼卫生间进行消毒后,消毒人员应填写每日消毒记
录表。
记录表包括以下内容:
- 日期
- 消毒人员姓名
- 消毒开始时间和结束时间
- 使用的消毒剂名称和浓度
- 消毒部位(如地面、马桶、水龙头等)
- 备注(如消毒消耗的物品、消毒效果等)
2. 环境自查记录表
每天办公楼卫生间的使用者应填写环境自查记录表,记录表包
括以下内容:
- 日期
- 自查人员姓名
- 发现的问题(如卫生间有异味、有污渍等)
- 处理情况(如清洁了哪些地方、使用了什么清洁剂等)
- 备注(如需要注意的卫生惯、卫生用品的补充等)
三、记录保存和监管
1. 保存
每日的消毒记录和环境自查记录应由管理人员负责收集、整理
和保存。
记录应按照日期顺序存档,并至少保存三个月。
2. 监管
管理人员应定期审核记录,并对发现的问题及时采取措施解决。
如发现消毒工作不到位或卫生问题无法解决的情况,应及时上报,
并与相关部门协商改进措施。
四、附录
1. 每日消毒记录表样本
2. 环境自查记录表样本。
消毒记录表----470a979b-7161-11ec-9a13-7cb59b590d7d
班第项目茶杯擦手毛巾餐巾餐桌厕所痰盂拖把午睡房空气、教室空气玩具、图书水龙头、门把手茶杯箱、毛巾架、保温桶被褥床单、被套消毒时间与方式一每天消毒柜消毒30分钟(喝牛奶、豆浆加一次)每天清洗消毒每餐前消毒每餐餐前用清水、消毒水、清水擦早、晚各用消毒水冲洗消毒每天消毒水浸泡消毒每天清洗消毒传染病时期每天消毒每周紫
外线灯或臭氧灯消毒传染病时期每天消毒每周紫外线灯或阳光晒每周消毒水擦每周消毒水
擦每两周消毒灯或阳光晒每月带回清洗一次填表人
整个公园的消毒记录
详见各班消毒记录表
详见各班次消毒记录
详见各班消毒记录表
详见各班次消毒记录
详见各班消毒记录表
详见各班次消毒记录
详见各班消毒记录表
详见各班次消毒记录
班级消毒记录表
物品表、午睡室空气、教室空气水龙头、门把手玩具、图书馆和教室通风亲自填充:
消毒时间和方法1:传染病期间每天饭前用清水、消毒剂和水擦拭,传染病期间每天消毒,每周用消毒剂消毒,冬季每周用紫外线或阳光擦拭:每次20分钟
班级消毒记录表
物品表、午睡室空气、教室空气水龙头、门把手玩具、图书馆和教室通风亲自填充:
消毒时间和方法1:传染病期间每天饭前用清水、消毒剂和水擦拭,传染病期间每天消毒,每周用消毒剂消毒,冬季每周用紫外线或阳光擦拭:每次20分钟。
学校消毒记录表一、消毒时间每日对学校各个区域进行定期消毒,以确保学生的健康和安全。
以下为每日消毒记录表,详细记录了消毒工作的实施情况。
二、消毒区域本次消毒记录表涉及的区域包括:教室、食堂、图书馆、实验室、体育馆、洗手间等学校主要场所。
三、消毒方法根据不同区域的特性,采用不同的消毒方法。
例如,对于教室和图书馆等公共场所,采用喷雾消毒法;对于洗手间等潮湿区域,采用擦拭消毒法;对于体育馆等大型场所,采用紫外线消毒法。
四、消毒用品本次消毒工作使用的消毒用品包括:84消毒液、酒精、紫外线灯等。
每次消毒前,都会仔细检查消毒用品的有效期、浓度等指标,确保其符合国家标准。
五、消毒人员本次消毒工作由学校卫生部门的专业人员负责实施,他们经过专业培训,具备丰富的消毒经验和技术。
同时,学校也会安排其他教职工和学生志愿者协助消毒工作,以提高工作效率。
六、消毒效果为了确保消毒效果,学校会定期对消毒区域进行抽查和检测。
如果发现消毒效果不佳,会及时调整消毒方法或更换消毒用品,以确保所有区域都达到国家标准。
七、备注在记录表中,我们会记录每次消毒过程中发现的问题和注意事项,如:某些区域存在卫生死角、某些物品不适合使用某些消毒方法等。
这些信息有助于我们不断改进消毒工作,提高工作效率和质量。
八、总结通过每日的消毒记录表,我们可以清晰地了解学校各个区域的消毒情况,及时发现并解决问题。
同时,这也为学校卫生部门提供了重要的数据支持,有助于他们制定更加科学、合理的卫生政策。
此外,通过与其他部门的合作,共同提高学校整体卫生水平,为学生的健康和安全提供更好的保障。
以上就是本次学校消毒记录表的内容。
在实施过程中,我们发现有一些特殊情况需要特别注意:1.季节性传染病高发期:在春季和秋季等季节性传染病高发期,学校需要加强消毒工作,增加消毒频次和范围。
2.人员密集区域:如教室、食堂等人员密集区域,需要特别关注空气质量和卫生状况,定期进行通风和清洁。
3.特殊物品处理:对于易感染或传染的物品,如实验室器材、学生用品等,需要进行特殊的处理和消毒。
厨房卫生消毒记录表
1. 概述
本文档旨在记录厨房的卫生消毒情况,以确保食品安全和公共卫生。
2. 记录表格
3. 使用说明
- 每天记录一次消毒情况,填写日期、消毒对象、消毒方法、
消毒时间和备注栏目。
- 消毒对象可以包括但不限于:切菜板、刀具、餐具、碗碟、
厨房地面、冰箱内部等。
- 消毒方法可以包括但不限于:煮沸、浸泡漂白水、喷洒消毒剂、擦拭消毒剂等。
- 记录消毒时间的起止时间,以分钟为单位。
- 在备注栏目中可以填写针对该次消毒的其他补充信息。
4. 注意事项
- 按照食品安全和公共卫生标准,厨房应该保持干净和卫生。
- 消毒方法应根据消毒对象的不同进行选择,确保彻底杀灭细
菌和病原体。
- 消毒剂的使用应遵循正确的比例和操作方法,注意安全使用。
- 记录表格的信息应真实准确,不得随意填写或遗漏记录。
5. 效果评估
通过定期填写和记录厨房的卫生消毒情况,可以评估卫生措施
的有效性,及时发现和解决问题,提高食品安全和公共卫生水平。
---
(字数:202)。
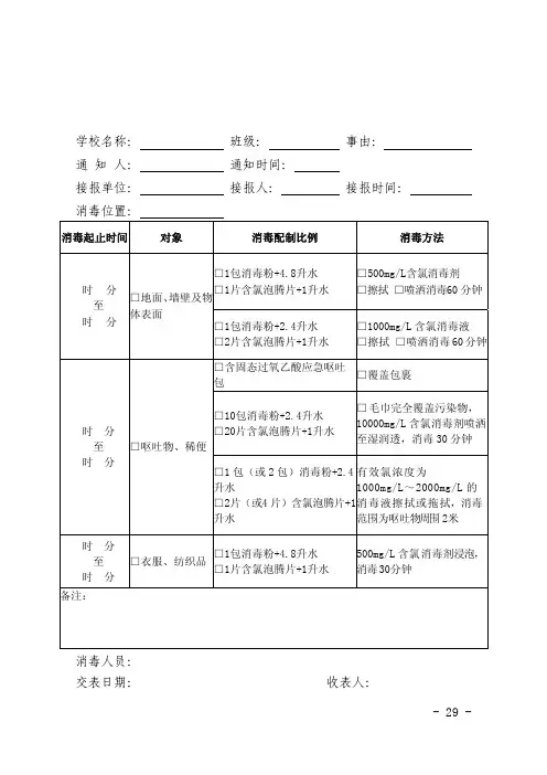
- 29 -随时(应急)消毒工作记录 学校名称: 班级: 事由: 通 知 人: 通知时间: 接报单位: 接报人: 接报时间: 消毒位置:
消毒起止时间 对象 消毒配制比例
消毒方法 □1 包消毒粉+4.8 升水
□1 片含氯泡腾片+1 升水 □500mg/L 含氯消毒剂 □擦拭 □喷洒消毒 60分钟
时 分 至 时 分 □地面、墙壁及物体表面 □1 包消毒粉+2.4 升水 □2 片含氯泡腾片+1 升水
□1000mg/L 含氯消毒液
□擦拭 □喷洒消毒60分钟□含固态过氧乙酸应急呕吐包
□覆盖包裹 □10 包消毒粉+2.4 升水
□20 片含氯泡腾片+1 升水 □毛巾完全覆盖污染物,10000mg/L 含氯消毒剂喷洒
至湿润透,消毒30分钟 时 分
至 时 分 □呕吐物、稀便
□1包(或2包)消毒粉+2.4升水 □2 片(或 4片)含氯泡腾片+1升水 有效氯浓度为
1000mg/L~2000mg/L 的
消毒液擦拭或拖拭,消毒
范围为呕吐物周围 2 米
时 分 至 时 分
□衣服、纺织品 □1 包消毒粉+4.8 升水 □1 片含氯泡腾片+1 升水 500mg/L 含氯消毒剂浸泡,
消毒30 分钟 备注:
消毒人员:
交表日期: 收表人:。