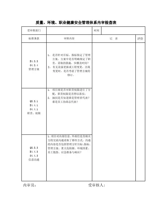
职业健康检查机构质量管理体系内部审核检查表范本
- 格式:doc
- 大小:250.00 KB
- 文档页数:13
质量、环境和职业健康安全技术部内部审核检查表1. 检查目的本检查表旨在确保质量、环境和职业健康安全技术部的作业过程符合行业标准和公司政策,以及履行监管要求。
2. 检查范围本次检查的范围为质量、环境和职业健康安全技术部的各项管理活动,包括但不限于以下方面:- 质量管理体系是否符合ISO 9001标准要求;- 环境管理体系是否符合ISO 14001标准要求;- 职业健康安全管理体系是否符合OHSAS 18001标准要求。
3. 检查内容本次审核将根据以下内容进行检查:3.1. 质量管理体系- 确定管理责任,包括制定政策和目标、分配职责、组建质量团队、进行内部审核和对外合作;- 制定质量手册和程序文件,以确保标准化管理和文件控制;- 制定质量档案,记录关键步骤、变更规定和测试结果,以及往来信函和复盘记录;- 实施质量培训,包括培训需要评估、计划、交付和效果评估,确保所有员工能够满足岗位要求;- 实施内部审核和流程监测,以确保各项管理活动符合监管要求和标准要求;- 确保客户满意度,包括收集和分析客户反馈、处理客户投诉和反馈、及时回访,确保超过客户期望值。
3.2. 环境管理体系- 实施环保方案,指定环保目标和目标指标、进行环保评估,制定监测和保障措施,在环保方案实施结束时进行评估与总结并制定下一个周期的环保方案;- 如实披露环境信息,制定环保技术文件、环保应急预案,开展环境意识教育和培训,建立环境数据监控系统;- 管理必要的环境许可和认证,对环境事故进行风险评估、应急措施和事故调查;- 制定环保管理责任体系文件,包括技术管理和行政管理两个方面,分别制定相关程序文件和档案。
3.3. 职业健康安全体系- 制定管理责任,包括安全政策和目标、分配职责、组建安全团队、进行内部审核和对外合作;- 设定职业健康安全方案,包括制定目标和控制措施,进行评价和监测,汇总数据以便有效管理;- 实施职业健康安全培训,包括培训需要评估、计划、交付和效果评估,确保所有员工能够满足岗位要求;- 制定职业健康安全文件,保证管理措施标准化;- 实施内部审核和流程监测,以确保各项管理活动符合监管要求和标准要求。
用心、精心、决心、匠心职业健康安全管理体系审核通用检查表(适合各部门)注:“检查结果记录”栏:符合O,轻微不符合△,严重不符合X(有不符合时要记录证据并要求受审核部门当事人签名确认)。
注:“检查结果记录”栏:符合O,轻微不符合△,严重不符合X(有不符合时要记录证据并要求受审核部门当事人签名确认)。
注:“检查结果记录”栏:符合O,轻微不符合△,严重不符合X(有不符合时要记录证据并要求受审核部门当事人签名确认)。
注:“检查结果记录”栏:符合O,轻微不符合△,严重不符合X(有不符合时要记录证据并要求受审核部门当事人签名确认)。
注:“检查结果记录”栏:符合O,轻微不符合△,严重不符合X(有不符合时要记录证据并要求受审核部门当事人签名确认)。
注:“检查结果记录”栏:符合O,轻微不符合△,严重不符合X(有不符合时要记录证据并要求受审核部门当事人签名确认)。
注:“检查结果记录”栏:符合O,轻微不符合△,严重不符合X(有不符合时要记录证据并要求受审核部门当事人签名确认)。
注:“检查结果记录”栏:符合O,轻微不符合△,严重不符合X(有不符合时要记录证据并要求受审核部门当事人签名确认)。
注:“检查结果记录”栏:符合O,轻微不符合△,严重不符合X(有不符合时要记录证据并要求受审核部门当事人签名确认)。
注:“检查结果记录”栏:符合O,轻微不符合△,严重不符合X(有不符合时要记录证据并要求受审核部门当事人签名确认)。
注:“检查结果记录”栏:符合O,轻微不符合△,严重不符合X(有不符合时要记录证据并要求受审核部门当事人签名确认)。
注:“检查结果记录”栏:符合O,轻微不符合△,严重不符合X(有不符合时要记录证据并要求受审核部门当事人签名确认)。
注:“检查结果记录”栏:符合O,轻微不符合△,严重不符合X(有不符合时要记录证据并要求受审核部门当事人签名确认)。
注:“检查结果记录”栏:符合O,轻微不符合△,严重不符合X(有不符合时要记录证据并要求受审核部门当事人签名确认)。
质量、环境和职业健康安全检验部内部审核检查表本检查表旨在协助质量、环境和职业健康安全检验部开展内部审核工作,确保公司产品和服务质量符合相关标准和法规要求,同时保证环境和职业健康安全的合规性。
一、质量管理系统内部审核1.审核范围审核质量管理体系文件、程序、标准的制定和实施情况,对质量管理活动的有效性、可持续性和连续改进过程进行审核。
2.审核内容(1) 质量方针和质量目标的制定情况是否符合公司战略发展要求;(2) 质量管理文件是否齐全、有效,并符合质量管理体系标准的要求;(3) 质量保证、质量控制、质量检验的流程和操作是否规范和有效;(4) 不符合项处理、内审结果和改进措施的执行情况是否符合要求;(5) 质量管理评审会议记录是否完整、准确;(6) 对管理体系实施的有效性、可持续性、改进过程的审核。
3.审核重点(1) 公司重要决策是否符合质量管理要求,是否部署到实际操作中;(2) 产品和服务交付质量是否符合客户要求和公司标准;(3) 内部不同部门间反馈和沟通情况是否畅通,流程是否协同有效。
二、环境管理体系内部审核1.审核范围审核环境管理体系的文件、程序、标准的制定和实施情况,对环境管理活动的有效性、可持续性和连续改进过程进行审核。
2.审核内容(1) 环境方针和环境目标的制定情况是否符合公司制定的环保政策;(2) 环境管理文件是否齐全、有效,并符合环境管理体系标准的要求;(3) 环境影响评价、环境管理计划、环境管理实施方案的制订及执行情况;(4) 环境管理体系内审和管理评审会议记录;(5) 对管理体系实施的有效性、可持续性、改进过程的审核。
3.审核重点(1) 对环境管理政策和目标的执行情况;(2) 环境监测、控制过程,及时处理环境问题;(3) 涉及环境的产品和服务的合规性是否符合环保相关法规。
三、职业健康安全管理体系内部审核1.审核范围审核职业健康安全管理体系的文件、程序、标准的制定和实施情况,对职业健康安全管理活动的有效性、可持续性和连续改进过程进行审核。
内审检查表审查员:受审查部门管理层标准条款审查内容、方法时间审查建议基符不不本符适说明合符用合合Q/E:4.1 组织环境Q/E:4.2 理解有关方的需乞降希望Q/E:4.3 确立质量管理系统的范围O: 4.1 总要求Q/E:(5.1 领导作用和承诺)Q/E:5.2 目标职业健康安全目标1、组织在策划管理系统时有无考虑内外面环境的影响?2、有无对管理系统进行评估?1 、有无确立与系统有关的有关方,包含顾客、供方(外包方)、合作方、上司主管部门、第三方等对这些有关方的要求是否确立并融入组织系统中1、管理系统范围有无明确?2 、有无形成文件?在什么文件中进行明确?3、能否适合?1、咨询最高管理者有无肩负管理系统的责任?2、有无保证管理目标和目标的拟订?能否适合?有无交流?资源配置能否知足?3、系统交融度是怎样考虑的?4、过程方法和鉴于风险的思想运用程度怎样?有无追踪结果?对有关事务有无落实?5、怎样表现知足顾客和法律、法例要求的重要性及资源投入状况6、咨询怎样理解以顾客为关注焦点1 、公司管理目标的拟订、贯彻与交流情况怎样?与公司主旨能否一致?2、目标能否表现了公司的主旨及承诺?3、能否反应了顾客的希望与要求及法律法例的切合性?4、有无形成文件?怎样宣贯?1、有无公司明确的组织架构图?2 、有关管理岗位、重点岗位的职责权限Q/E:5.3 组织的岗有无获得明确并交流?位、职责和权限3、职责权限分派能否合理?4、可否保证管理系统的有效运转?1、能否保证在组织的职能和层次上成立管理目标?Q/E:6.2 目标及其2、管理目标能否包含知足产品要求所需实现的策划的内容?O:4.3.3 目标和方3、管理目标能否可丈量,并与质量目标案保持一致?4、管理目标实现状况的丈量结果,能否实现了连续改良?内审检查表审查员:受审查部门管理层标准条款审查内容、方法时间审查建议基符不不本符适说明合符用合合资源O:4.4.1 资源、作用、职责、责任和权限Q/E:9.1.1 总则管理评审1 、资源需求能否确立并供给,有无包含了内部和外面的资源知足?2、有无公司明确的组织架构图?3 、有关管理岗位、重点岗位的职责权限有无获得明确并交流?4 、职责权限分派能否合理?可否保证管理系统的有效运转?1)有无确立需要监督丈量的对象?2 )能否策划并实行监督、丈量、剖析和改良过程的方法?3)监督丈量的机遇能否明确?4 )有无确立剖析评论的机遇?可否保证系统的切合性?5)策划的监督丈量能否适合?1、最高管理者能否按策划的时间间隔评审管理系统,以保证其连续的适合性、充足性和有效性 ?2、评审能否包含评论系统改良的机遇和改正的需要?3、能否保持管理评审的记录?4、评审输入能否知足标准要求?5 、评审输出能否包含:与系统及其过程有效性的改良、与顾客要求有关的产品的改良、资源需求、系统的改正、有关的任何决定和举措1、组织有无确立并选择改良机遇,能否包含纠正、纠正举措、连续改良、突变、创新和重组。
职业健康检查机构质量管理体系内部审核检查表被审核部门内审员日期审核依据职业健康检查机构资质审定条件、职业健康监护管理办法;GBZ 188职业健康监护技术规范、放射工作人员职业健康管理办法、GBZ 235放射工作人员职业健康监护技术规范管理要求审核内容检查记录审核结果1. 组织机构具有独立法人资格持有有效的《医疗机构执业许可证》有职业健康检查专门科室和岗位有专门或兼顾的质量管理科室或岗位科室或岗位设置与开展的职业健康检查项目相适应科室或岗位职责明确、接口顺畅,运行有效能独立开展相应职业健康检查工作职业健康检查机构应维护和保证其工作的独立性,包括不受用人单位、劳动者和其他行政意见的影响和干预2. 质量管理体系应有与其组织结构、资源、所开展服务项目相适用的职业健康检查质量管理体系质量管理体系应能维护和保证其工作的独立性,包括不受用人单位、劳动者和其他行政意见的影响和干预体检机构应遵守职业健康监护的伦理道德规范,保护劳动者的隐私采取必要的措施防止职业健康检查结果被用于其他目的应有文件化的职业健康检查质量管理体系审核内容检查记录审核结果职业健康检查机构质量体系文件构成层次一般可分为:质量手册、程序文件、作业指导书、记录表格2.1 质量手册的内容应包括但不限于质量方针、质量目标、公正性声明或服务承诺组织机构或科室及岗位结构质量管理、行政管理、技术或业务管理的职责权规定应任命关键岗位或关键技术人员,并对其职位、职能、责任、权限作出规定如:业务负责人、技术负责人、质量负责人、各部门或岗位的业务负责人、授权签字人、主检医师、检查检验医技师、结果评价人员、质量监控或审核人员等科室及岗位职责权规定科室及岗位之前工作接口沟通程序组织机构图职业健康检查与报告工作流程图主要管理负责人、技术负责人、质量负责人的说明人员一览表仪器设备一览表各类人员职责质量监控或考核档案管理等2.2 质量手册或程序文件应包括但不限于以下内容职业健康危害因素界定与职业健康监护规程审核内容检查记录审核结果职业健康监护人群界定与操作规程职业健康监护分类和周期控制程序职业卫生调查与职业健康监护资料信息的收集和应用控制程序;程序应对与职业健康监护相关信息、资料的收集、应用、保存、报名、安全,以及对资料信息的完整性、准确性和及时更新作出规定职业健康监护目标疾病控制程序职业健康监护检查检验项目确认与控制程序;程序应分别对目标疾病为国家职业病目录和对目标疾病为非国家职业病目录分别制定检查检验项目的确认依据、方法与内容做出规定职业健康监护检查检验方法确认程序职业健康检查的委托、要求或合同控制程序职业健康检查方案或计划控制程序职业健康检查服务标识及可追溯性控制程序职业健康体检操作程序职业健康检查生物材料采集操作规程门诊个体职业健康体检操作规程门诊团体职业健康体检操作规程用人单位现场职业健康体检操作规程职业健康体检结果质量保证程序职业健康检查结果评价程序职业健康检查报告书编写程序职业健康检查报告控制程序审核内容检查记录审核结果职业健康监护档案和和管理档案控制程序人员培训或继续教育程序;程序应规定:为保证从事职业健康检查的相关人员应具备的专业技能需求制定培训计划、考核计划、培训效果评价等职业健康检查质量体系内部审核程序职业健康检查质量体系管理审核程序保持公正和诚信管理程序,程序应为维护和保证其工作的独立性,包括不受用人单位、劳动者和其他行政意见的影响和干预做出的规定保护劳动者隐私和职业健康检查结果使用控制程序程序应为遵守职业健康监护的伦理道德,保护劳动者的隐私,防治职业健康检查结果被用于其他目的做出规定应备有但不限于下列外部文件或专业资料:相关职业健康、职业卫生、职业病诊断国家标准、规范;有关职业病防治法律、法规、规章性文件;职业健康、职业病防治专业书籍、资料程序文件还应对拟向用人单位或卫生行政部门出具或提交的报告、通知等文件的格式、项目内容等进行规范管理这些文件应包括:职业健康检查服务合同(协议)书(用人单位)职业健康检查表(用人单位)放射工作人员职业健康检查表(用人单位)职业健康检查复查通知书(用人单位)疑似职业病告知书(用人单位)职业禁忌症告知书(用人单位)疑似职业病报告单(用人单位)职业病报告卡(用人单位)审核内容检查记录审核结果疑似职业病(职业病禁忌症)报告表(卫生行政部门)职业健康检查个体结论报告书格式及编制规范职业健康检查结果总结报告书格式及编制规范年度职业健康监护检查结果汇总表(按用人单位统计)(卫生行政部门)年度职业健康监护检查结果汇总表(按危害因素类别统计)(卫生行政部门)年度职业健康检查发现职业禁忌人员汇总表(卫生行政部门)年度职业健康检查发现疑似职业病人汇总表(卫生行政部门)2.3作业指导书包括但不限于以下内容职业健康体检(项目)检查操作规程职业健康检查仪器设备操作规程职业健康体检(项目)检验操作规程职业健康检查检验仪器设备操作规程3人员应有与开展职业健康监护检验项目相适应的管理、技术和质量控制人员主管业务负责人或技术负责人、质量负责人、授权签字人、主检医师、结果总结及评价人员必须具备中级以上专业技术职称,应熟悉本专业业务或从事相关专业工作五年以上从事职业健康检查技术人员的专业、数量和构成与开展的服务项目相符合从事职业健康检查人员应具备相应的职业病防治与职业健康检查工作的知识和经验主检医师应有全面的职业病临床专业知识和基本的内科临床知识,同时还应熟悉工作场所可能存在的职业病危害因素及其对健康的危害,以便分析判断劳动者的健康状况与其所从事的职业活动的关系审核内容检查记录审核结果与体检相关人员应熟悉职业健康监护相关法律法规、标准规范,以及本机构质量管理好质量控制体系专业技术人员必须经培训、考核合格,有相关上岗证明文件职业健康检查医师具有执业医师资格并经医师注册取得执业证书检验人员应具备检验专业学历,熟悉职业病临床毒物检测和临床检验方法4 工作场所具有固定的工作场所工作场所面积、照明、温度、噪声、环境条件等满足职业健康检查需要的场所检验室内布局合理、便于安全操作,仪器设备放置妥当,有通风、排毒设施5 仪器设备应有与所开展的职业健康检查或检查具体项目所必备的仪器设备仪器设备的种类、数量、性能、进度能满足所开展的服务项目工作的需要,并能正常运行;应得到正常维护属于计量检定规程的仪器设备,应有自行编制的校准和检验方法并进行定期校验无计量检定规程的仪器设备,应有自行编制的校准和检验方法并进行定期校验仪器设备备有完整的操作规程,包括:仪器设备使用操作规程、维护保养规程、期间核查规程;仪器设备的档案资质与使用记录控制程序仪器设备使用记录:操作准备、操作过程记录、使用记录、维修保养、期间核查记录6 实验室检验实验室所开展的检验项目应满足所申请职业健康检查项目的要求检验项目所用方法应符合国家规定的要求实验室操作有质量控制制度,有常规质控记录、质控考核或室间比对记录审核内容检查记录审核结果有检验报告管理程序检验报告及填写要求:内容规范,格式符合规定,项目完整、数据真实、清楚,更改处有签名或有签章,有明确的检验、符合程序,有相关人员的签名,原始数据保存完整7 职业健康检查体检机构应当在省卫生行政部门批准的职业健康检查项目范围内开展职业健康检查工作必须按照有关规定开展科学、客观、真实的职业健康检查服务职业健康检查应当遵循科学、公正、公开、公平、及时、便民的原则职业健康检查应开展包括从事职业病危害因素作业人员上岗前、在岗期间、离岗时和离岗后以及应急健康检查7.1 职业健康检查的前期工作应有年度职业健康检查工作计划年度职业健康检查工作计划应向当地卫生行政部门、卫生监督部门或安全生产监管部门通报或报告,以取得执政管理部门的执法监督或工作支持,方便体检工作的开展如果以委托或合同方式提供职业健康体检服务,应有职业健康体检的合同控制程序每项合同都按程序进行合同评审,评审过程应确保a. 检查项目或内容要求应清晰明确,形成文件,并易于理解b. 根据用人单位劳动者所接触职业病危害因素类别,按《职业健康监护管理办法》、《职业健康检查项目、周期》、《职业健康监护技术规范》及要求签订其体检项目c. 体检机构的技术能力及资源能满足合同要求d. 合同内容是否符合国家法律法规、相关国家标准、规范以及财务规定的要求委托、合同或协议内容应包括双方的职责和义务、接触职业病危害因素种类、接触人数、体检人数、日受检人数、检查项目、检查时间及地点、完成期限、体检费用及支付办法、用人单位应该提供的材料、体检工作支持等审核内容检查记录审核结果如到用人单位进行职业健康检查时还需明确检查场所、环境的要求体检前应根据需要向用人单位约定相关材料,应有材料收集方案或计划;收集的材料应包括:用人单位的基本情况(生产技术、生产工艺、原材料、中间产品、产品、职业病危害因素防护设施,应急救援设施等)劳动者相关信息清单(如劳动者姓名、性别、年龄、工龄、工种、接触职业病危害因素名称、分布、程度、接害人数、职业病危害因素现场检测情况等)近几年来职业病危害因素相关材料(接触职业病危害因素的种类、浓度或强度及接触人数)近年来职业健康检查情况职业健康检查实施主检医师技术负责制主检医师应对用人单位提供材料进行确认、综合分析、确认职业病危害因素种类和名称;分析判断劳动者的健康状况与其所从事的职业活动的关系。
质量管理体系内审检查表
1 / 121
2 / 121
3 / 121
4 / 121
注1:文件查阅含记录的查阅注2:“检查结果记录”栏:符合○,轻微不符合△,严重不符合×(有不符合时要记录证据,并要求受审核部门当事人签名确认)。
表
5 / 121
2 / 121
表
5 / 121
3 / 121
4 / 121
注1:文件查阅含记录的查阅注2:“检查结果记录”栏:符合○,轻微不符合△,严重不符合×(有不符合时要记录证据,并要求受审核部门当事人签名确认)。
表
6 / 121
4 / 121
5 / 121
6 / 121
7 / 121
注1:文件查阅含记录的查阅注2:“检查结果记录”栏:符合○,轻微不符合△,严重不符合×(有不符合时要记录证据,并要求受审核部门当事人签名确认)。
表
6 / 121
6 / 121
7 / 121
8 / 121
9 / 121
表
7 / 121
8 / 121
9 / 121
10 / 121
表
8 / 121
9 / 121
10 / 121
表
9 / 121
11 / 121
表
10 / 121
12 / 121
表
11 / 121
12 / 121
13 / 121
13 / 121
续表
13 / 121
15 / 121
续表
17 / 121
14 / 121
续表
16 / 121。
2023年职业健康安全管理体系内部审核检查表一、引言本文是2023年职业健康安全管理体系内部审核的检查表,旨在确保组织在职业健康安全方面的合规性和持续改进。
本文将重点关注职业健康安全管理体系的核心要素,在每个要素下将提供相应的审核问题,以便审核人员进行评估。
二、领导承诺1. 是否有明确的职业健康安全政策?2. 领导层是否积极参与职业健康安全目标的制定和落实?3. 是否有为领导层提供职业健康安全培训的计划和措施?三、责任和职权1. 是否明确了职业健康安全责任的分工和职权?2. 是否有有效的沟通机制确保相关信息的传递和理解?3. 是否建立了职业健康安全监控和报告的制度?四、资源管理1. 是否进行了职业健康安全风险评估?2. 是否有足够的人力、技术和经济资源来执行职业健康安全计划?3. 是否建立了职业健康安全培训和意识提升的机制?五、风险管理1. 是否建立了职业健康安全风险评估的程序和方法?2. 是否定期进行职业健康安全风险评估,并采取相应的风险控制措施?3. 是否建立了灾难应急计划,包括职业病防治和事故应对预案?六、计划和目标1. 是否建立了职业健康安全管理体系的目标和计划?2. 是否对目标和计划的执行进行了监控和评估?3. 是否及时进行了调整和改进,并记录相关措施和结果?七、培训和意识提升1. 是否建立了职业健康安全培训的计划和方法?2. 是否对员工进行了职业健康安全的培训和意识提升?3. 是否建立了培训和意识提升效果的评估和反馈机制?八、绩效评估1. 是否建立了职业健康安全绩效评估的指标和方法?2. 是否定期对职业健康安全管理体系的绩效进行评估?3. 是否进行绩效评估结果的反馈和改进?九、持续改进1. 是否建立了职业健康安全管理体系的持续改进机制?2. 是否定期进行管理评审,以确保职业健康安全目标的持续改进?3. 是否记录和跟踪相关改进措施的实施情况和效果?十、总结通过对以上问题的审核和评估,组织可以验证其职业健康安全管理体系的有效性和合规性。
目录1-5、公司领导6-13、行政办公室14-20、贯标办21-22材料设备处23-28、技术质量处29-36、生产计划处37-38、经营处39-51、项目部职业健康安全管理体系内部审核检查表及现场记录表R14—01 第页职业健康安全管理体系内部审核检查表及现场记录表R14-01 第页职业健康安全管理体系内部审核检查表及现场记录表R14—01 第页职业健康安全管理体系内部审核检查表及现场记录表R14—01第 页职业健康安全管理体系内部审核检查表及现场记录表R14-01第 页职业健康安全管理体系内部审核检查表及现场记录表R14—01第 页职业健康安全管理体系内部审核检查表及现场记录表R14-01第 页职业健康安全管理体系内部审核检查表及现场记录表R14—01第 页职业健康安全管理体系内部审核检查表及现场记录表R14—01第 页职业健康安全管理体系内部审核检查表及现场记录表R14-01第 页职业健康安全管理体系内部审核检查表及现场记录表R14—01第 页职业健康安全管理体系内部审核检查表及现场记录表R14—01第 页职业健康安全管理体系内部审核检查表及现场记录表R14—01第 页职业健康安全管理体系内部审核检查表及现场记录表R14-01第 页职业健康安全管理体系内部审核检查表及现场记录表R14—01第 页职业健康安全管理体系内部审核检查表及现场记录表R14—01第 页职业健康安全管理体系内部审核检查表及现场记录表R14—01第 页职业健康安全管理体系内部审核检查表及现场记录表R14-01第 页职业健康安全管理体系内部审核检查表及现场记录表R14—01第 页职业健康安全管理体系内部审核检查表及现场记录表R14—01第 页职业健康安全管理体系内部审核检查表及现场记录表R14—01第 页职业健康安全管理体系内部审核检查表及现场记录表R14—01第 页职业健康安全管理体系内部审核检查表及现场记录表R14—01第 页职业健康安全管理体系内部审核检查表及现场记录表R14-01第 页职业健康安全管理体系内部审核检查表及现场记录表R14—01第 页职业健康安全管理体系内部审核检查表及现场记录表R14—01第 页职业健康安全管理体系内部审核检查表及现场记录表R14-01第 页职业健康安全管理体系内部审核检查表及现场记录表R14-01 第页职业健康安全管理体系内部审核检查表及现场记录表R14—01第 页职业健康安全管理体系内部审核检查表及现场记录表R14—01第 页全管理体系内部审核检查表及现场记录表R14—01第 页职业健康安全管理体系内部审核检查表及现场记录表R14—01第 页职业健康安全管理体系内部审核检查表及现场记录表R14—01第 页职业健康安全管理体系内部审核检查表及现场记录表R14—01第 页职业健康安全管理体系内部审核检查表及现场记录表R14-01第 页职业健康安全管理体系内部审核检查表及现场记录表R14—01第 页职业健康安全管理体系内部审核检查表及现场记录表R14—01第 页职业健康安全管理体系内部审核检查表及现场记录表R14—01第 页职业健康安全管理体系内部审核检查表及现场记录表R14-01第 页职业健康安全管理体系内部审核检查表及现场记录表R14—01第 页职业健康安全管理体系内部审核检查表及现场记录表R14—01第 页职业健康安全管理体系内部审核检查表及现场记录表R14-01第 页职业健康安全管理体系内部审核检查表及现场记录表R14—01第 页职业健康安全管理体系内部审核检查表及现场记录表R14—01第 页职业健康安全管理体系内部审核检查表及现场记录表R14—01第 页职业健康安全管理体系内部审核检查表及现场记录表R14-01第 页职业健康安全管理体系内部审核检查表及现场记录表R14-01第 页职业健康安全管理体系内部审核检查表及现场记录表R14—01第 页职业健康安全管理体系内部审核检查表及现场记录表R14—01第 页职业健康安全管理体系内部审核检查表及现场记录表R14—01第 页职业健康安全管理体系内部审核检查表及现场记录表R14—01第 页。
目录1-5、公司领导6-13、行政办公室14-20、贯标办21-22材料设备处23-28、技术质量处29-36、生产计划处37-38、经营处39-51、项目部职业健康安全管理体系内部审核检查表及现场记录表R14—01 第页职业健康安全管理体系内部审核检查表及现场记录表R14—01 第页职业健康安全管理体系内部审核检查表及现场记录表R14—01 第页职业健康安全管理体系内部审核检查表及现场记录表R14—01 第页职业健康安全管理体系内部审核检查表及现场记录表R14—01 第页职业健康安全管理体系内部审核检查表及现场记录表R14—01 第页职业健康安全管理体系内部审核检查表及现场记录表R14—01 第页职业健康安全管理体系内部审核检查表及现场记录表R14—01 第页职业健康安全管理体系内部审核检查表及现场记录表R14—01 第页职业健康安全管理体系内部审核检查表及现场记录表R14—01 第页职业健康安全管理体系内部审核检查表及现场记录表R14—01 第页职业健康安全管理体系内部审核检查表及现场记录表R14—01 第页职业健康安全管理体系内部审核检查表及现场记录表R14—01 第页职业健康安全管理体系内部审核检查表及现场记录表R14—01 第页职业健康安全管理体系内部审核检查表及现场记录表R14—01 第页职业健康安全管理体系内部审核检查表及现场记录表R14—01 第页职业健康安全管理体系内部审核检查表及现场记录表R14—01 第页职业健康安全管理体系内部审核检查表及现场记录表R14—01 第页职业健康安全管理体系内部审核检查表及现场记录表R14—01 第页职业健康安全管理体系内部审核检查表及现场记录表R14—01 第页职业健康安全管理体系内部审核检查表及现场记录表R14—01 第页职业健康安全管理体系内部审核检查表及现场记录表R14—01 第页职业健康安全管理体系内部审核检查表及现场记录表R14—01 第页职业健康安全管理体系内部审核检查表及现场记录表R14—01 第页职业健康安全管理体系内部审核检查表及现场记录表R14—01 第页职业健康安全管理体系内部审核检查表及现场记录表R14—01 第页职业健康安全管理体系内部审核检查表及现场记录表R14—01 第页职业健康安全管理体系内部审核检查表及现场记录表R14—01 第页职业健康安全管理体系内部审核检查表及现场记录表R14—01 第页职业健康安全管理体系内部审核检查表及现场记录表R14—01 第页全管理体系内部审核检查表及现场记录表R14—01 第页职业健康安全管理体系内部审核检查表及现场记录表R14—01 第页职业健康安全管理体系内部审核检查表及现场记录表R14—01 第页职业健康安全管理体系内部审核检查表及现场记录表R14—01 第页职业健康安全管理体系内部审核检查表及现场记录表R14—01 第页职业健康安全管理体系内部审核检查表及现场记录表R14—01 第页职业健康安全管理体系内部审核检查表及现场记录表R14—01 第页职业健康安全管理体系内部审核检查表及现场记录表R14—01 第页职业健康安全管理体系内部审核检查表及现场记录表R14—01 第页职业健康安全管理体系内部审核检查表及现场记录表R14—01 第页职业健康安全管理体系内部审核检查表及现场记录表R14—01 第页职业健康安全管理体系内部审核检查表及现场记录表R14—01 第页职业健康安全管理体系内部审核检查表及现场记录表R14—01 第页职业健康安全管理体系内部审核检查表及现场记录表R14—01 第页职业健康安全管理体系内部审核检查表及现场记录表R14—01 第页职业健康安全管理体系内部审核检查表及现场记录表R14—01 第页职业健康安全管理体系内部审核检查表及现场记录表R14—01 第页职业健康安全管理体系内部审核检查表及现场记录表R14—01 第页职业健康安全管理体系内部审核检查表及现场记录表R14—01 第页。