YJK操作入门
- 格式:doc
- 大小:3.15 MB
- 文档页数:40
YJK-ABAQUS接口软件使用说明1简介ABAQUS软件在弹塑性时程分析中有使用越来越广的趋势。
该软件计算稳定,求解效率高。
提供建筑结构中梁、柱、斜撑、板与墙分析用的梁、壳单元,包含弹性材料与众多非线性材料模型。
内嵌的混凝土损伤本构模型,与10版混凝土规范建议的本构模型理论基本一致。
同时提供隐式积分与显示积分动力微分方程求解方法,显示积分求解可直接接力隐式求解结果,在隐式求解结果基础上进行后续时程分析;二次开发的难度相对较低,用户自定义的混凝土材料本构子程序可通过Fortran语言实现,简单的编译环境配置后即可将子程序编译链接到ABAQUS主程序中。
然而,ABAQUS用于建筑结构分析与设计时显得针对性偏差,YJK软件一直专注于建筑结构的设计功能,建模迅速、方便、快捷,能准确根据规范的各项分析计算与调整要求做出配筋设计。
YJK与ABAQUS接口软件,极大的方便工程师将YJK模型快速导入到ABAQUS中,使用ABAQUS的单元/自定义单元、本构模型进行非线性求解,并将结果输出。
接口软件的主要特点有:A.各类构件(板、梁、柱、斜撑、墙)正确转换,包含钢-混凝土组合截面,弧梁(墙)自动转换为多段的直线梁(墙)。
B.杆构件采用纤维梁模型,墙板采用分层壳模型。
C.非线性分析之前,施加重力荷载作为结构的初始内力状态,复杂结构初始内力来自于施工模拟,转入的施工模拟顺序与YJK中指定相同。
D.依据《混规》附录C建议值给出钢筋及混凝土的本构模型。
E.读取YJK施工图中的实际配筋面积作为结构的配筋。
F.非线性分析后,提供弹塑性层间位移角、节点位移时程曲线等后处理所需数据。
依据10版《混规》附录C建议的单轴本构模型,采用Fortran语言编制的Umat/Vumat 子程序,附带在安装目录下,Umat子程序适用于单调加载,Vumat适用于往复加载。
且未考虑箍筋对混凝土性能的影响,工程师可依据相关文献酌情提高混凝土强度以模拟箍筋的有利贡献。
YJK结构设计软件操作入门这里以一个十分简单的工程如下图所示,讲解最主要的操作步骤,使初学者用户可以很快地入门。
对软件功能更深入的了解和应用应参阅用户手册。
该模型共7层,分为3个标准层,各层层高:第一层为3600,2-7层为3300。
是一个简单的框架-剪力墙结构。
模型中柱子尺寸为500*500,框架梁尺寸为300*600,次梁、封口梁250*500,剪力墙厚度为200mm,门洞1200*2400,窗洞1500*1500,一层板厚150mm,其他楼层板厚100mm。
楼面承担恒载5kN/m2,活载2kN/m2。
部分梁上施加2kN/m的恒载、8kN的集中力活荷载。
风荷载为基本风压m2,地面粗糙度为B类。
地震设防烈度为7度(),场地特征周期为。
第一章模型荷载输入第一节启动YJK双击屏幕上的YJK图标,进入YJK软件的启动界面。
在启动界面的左上角点击【新建】按钮。
在弹出的新建对话框中选择已建好的子目录并输入模型的名称。
我们事先已在D盘建立子目录“Test”,此时在弹出的对话框中选择D盘的“Test”子目录并在下面“文件名”栏输入工程名“Test”。
如果对已有模型进行查看和修改,点击【打开】按钮,在弹出的对话框中选择模型所在目录和模型文件。
注意:每做一项新的工程,都应建立一个新的子目录,并在新子目录中操作,这样不同工程的数据才不致混淆。
第二节结构模型输入点击【保存】按钮后,程序自动进入“模型荷载输入”,开始进行结构人机交互建模输入。
这是YJK最重要的一步操作,它要逐层输入各层的轴线、网格,输入每层的柱、梁、墙、门窗洞口、荷载等信息,最后通过楼层组装完成整个结构模型输入。
屏幕上方自动将一级菜单“模型荷载输入”展开为轴线网格、构件布置、楼板布置、荷载输入、楼层组装五个二级菜单。
屏幕中间是模型视图窗口,显示模型信息内容,屏幕左下部分是命令提示行栏,显示各命令执行情况,也可以人工键入常用命令操作。
屏幕右下部是通用菜单栏,列出每个模块下的常用菜单命令;最下一行是状态栏,显示当前光标所在位置的X,Y,Z 坐标和几个绘图辅助工具按钮。
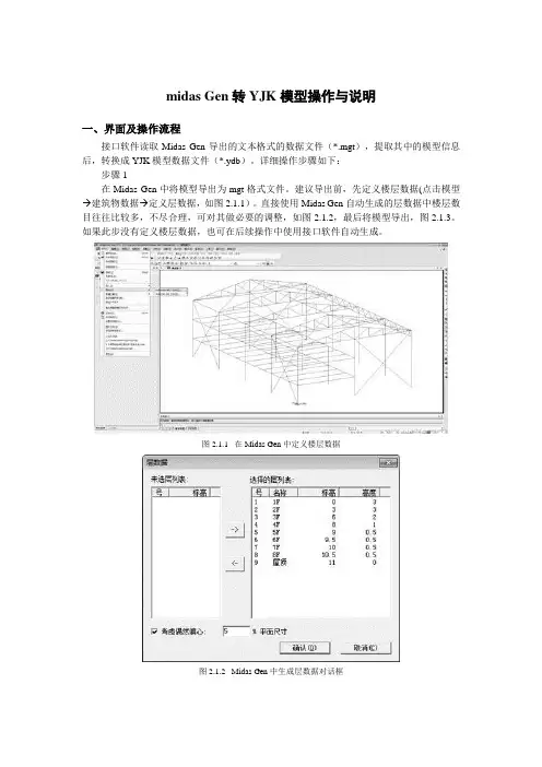
midas Gen转YJK模型操作与说明一、界面及操作流程接口软件读取Midas Gen导出的文本格式的数据文件(*.mgt),提取其中的模型信息后,转换成YJK模型数据文件(*.ydb)。
详细操作步骤如下:步骤1在Midas Gen中将模型导出为mgt格式文件。
建议导出前,先定义楼层数据(点击模型→建筑物数据→定义层数据,如图2.1.1)。
直接使用Midas Gen自动生成的层数据中楼层数目往往比较多,不尽合理,可对其做必要的调整,如图2.1.2,最后将模型导出,图2.1.3。
如果此步没有定义楼层数据,也可在后续操作中使用接口软件自动生成。
图2.1.1 在Midas Gen中定义楼层数据图2.1.2 Midas Gen中生成层数据对话框图2.1.3 从Midas Gen中导出mgt格式模型文件步骤2点击主界面中“转Midas模型”按钮如图2.1.4,在弹出对话框中,如图2.1.5,选择“导入MIDAS Gen”,并按“确定”按钮后即可启动Midas Gen转YJK接口软件。
图2.1.4 YJK与Midas Gen接口软件启动界面图2.1.5 转换操作选择界面点击上图确定按钮后,弹出如图2.1.6所示对话框,指定mgt文件所在路径,转换后的ydb文件所在路径及文件名称。
点击确定后开始转换,转换完成后会有转换成功提示。
图2.1.6 Midas Gen接口主界面步骤3点击设置按钮设置转换参数,如图 2.1.7。
此步并不是必须执行的步骤,用户可以按默认参数设置对模型进行转换。
图2.1.7 接口软件的参数设置对话框中有以下参数可供用户调整:(1)斜角小于该角度(与xy平面)的杆件转为斜梁:与xy平面夹角小于该角度的构件,转入YJK后,属性为梁,能参与房间生成并导荷;如果转为斜撑,则不能参与房间围区,后续的设计如弯矩调幅也不会执行;如果杆件的截面为圆管,即使与xy平面的夹角小于该角度,转入YJK后仍然为斜杆属性。
YJK参数设置详细解析YJK是一种常用的参数设置方法,在不同的领域都有应用,比如图像处理、机器学习、统计学等等。
在本文中,我们将详细解析YJK参数设置的原理、方法和实际应用。
YJK参数的原理YJK参数是一种颜色空间,它是根据颜色的主体部分(Y)、颜色的亮度部分(J)和颜色的色度部分(K)来表示的。
具体来说,Y表示颜色的明度或亮度,J表示颜色的差异,K表示颜色的饱和度。
YJK参数通常用于比较颜色之间的差异,因为它更能反映颜色的本质特征。
YJK参数设置的方法在实际应用中,YJK参数的设置需要考虑多种因素,包括颜色的光谱、亮度、饱和度、颜色的场景等等。
在这里,我们将介绍一种基本的YJK参数设置方法。
1. 调整颜色的亮度首先,要调整颜色的亮度,使其符合实际情况。
一般来说,亮度比较高的颜色更容易被大多数人感知到,而亮度比较低的颜色则相对难以被感知。
因此,在设置YJK参数的时候,需要根据实际情况适当调整颜色的亮度。
2. 调整颜色的饱和度其次,要调整颜色的饱和度,使其符合实际情况。
饱和度高的颜色在视觉上更加鲜明、鲜艳,而饱和度低的颜色则相对比较柔和、淡雅。
因此,在设置YJK参数的时候,需要根据实际情况适当调整颜色的饱和度。
3. 调整颜色的色度最后,要调整颜色的色度,使其符合实际情况。
颜色的色度决定了其在人眼中的色彩,不同的色度可以产生不同的效果。
在设置YJK参数的时候,需要根据实际情况适当调整颜色的色度。
YJK参数的实际应用YJK参数在实际应用中有着广泛的应用,下面介绍几个常见的应用场景。
1. 图像处理在图像处理中,YJK参数经常被用于图像的色域转换和色彩校正。
通过对图像的像素点进行YJK参数转换,可以得到图像的真实色彩,并实现图像的颜色调整。
2. 机器学习在机器学习中,YJK参数被用作特征向量表示。
通过对样本颜色进行YJK参数提取,可以得到更加准确的模型结果。
3. 统计学在统计学中,YJK参数被用于样本的聚类分析和统计分析。
(完整版)YJK参数设置详细解析结构总体信息1、结构体系:按实际情况填写。
1)框架结构:框架结构是指由梁和柱以刚接或者铰接相连接⽽成,构成承重体系的结构,即由梁和柱组成框架共同抵抗使⽤过程中出现的⽔平荷载和竖向荷载。
结构的房屋墙体不承重,仅起到围护和分隔作⽤,⼀般⽤预制的加⽓混凝⼟、膨胀珍珠岩、空⼼砖或多孔砖、浮⽯、蛭⽯、陶粒等轻质板材等材料砌筑或装配⽽成。
2)框剪结构:框架-剪⼒墙结构,俗称为框剪结构。
主要结构是框架,由梁柱构成,⼩部分是剪⼒墙。
墙体全部采⽤填充墙体,由密柱⾼梁空间框架或空间剪⼒墙所组成,在⽔平荷载作⽤下起整体空间作⽤的抗侧⼒构件。
适⽤于平⾯或竖向布置繁杂、⽔平荷载⼤的⾼层建筑。
3)框筒结构:如果把框剪结构剪⼒墙布置成筒体,围成的竖向箱形截⾯的薄臂筒和密柱框架组成的竖向箱形截⾯,可称为框架-筒体结构体系。
具有较⾼的抗侧移刚度,被⼴泛应⽤于超⾼层建筑。
4)筒中筒结构:筒中筒结构由⼼腹筒、框筒及桁架筒组合,⼀般⼼腹筒在内,框筒或桁架筒在外,由内外筒共同抵抗⽔平⼒作⽤。
由剪⼒墙围成的筒体称为实腹筒,在实腹筒墙体上开有规则排列的窗洞形成的开孔筒体称为框筒;筒体四壁由竖杆和斜杆形成的桁架组成则称为桁架筒。
5)剪⼒墙结构:剪⼒墙结构是⽤钢筋混凝⼟墙板来代替框架结构中的梁柱,能承担各类荷载引起的内⼒,并能有效控制结构的⽔平⼒,这种⽤钢筋混凝⼟墙板来承受竖向和⽔平⼒的结构称为剪⼒墙结构。
这种结构在⾼层房屋中被⼤量运⽤。
6)部分框⽀剪⼒墙结构:框⽀剪⼒墙指的是结构中的局部,部分剪⼒墙因建筑要求不能落地,直接落在下层框架梁上,再由框架梁将荷载传⾄框架柱上,这样的梁就叫框⽀梁,柱就叫框⽀柱,上⾯的墙就叫框⽀剪⼒墙。
这是⼀个局部的概念,因为结构中⼀般只有部分剪⼒墙会是框⽀剪⼒墙,⼤部分剪⼒墙⼀般都会落地的。
7)板柱-剪⼒墙结构:柱-剪⼒墙结构(slab-column shearwall structure),是由⽆梁楼板与柱组成的板柱框架和剪⼒墙共同承受竖向和⽔平作⽤的结构。
弹性时程分析——YJK软件操作篇操作菜单1上部结构计算——弹性时程分析2常用活动菜单——计算参数+计算分析3结果菜单——WDYDA+层位移+层位移角+层剪力+层弯矩+反应谱对比计算参数根据《建筑抗震设计规范》(GB50011-2010)表5.1.2-2,多遇地震,自动对主次方向的峰值加速度取值1第一级对话框——参数输入-弹性时程分析信息次方向的峰值加速度取值取为默认值时,CQC 法结果是考虑了主次波组合情况下的计算结果。
WZQ 中CQC 法的计算结果始终是单向地震下的分量计算结果,未考虑双向地震组合。
所以两份文件的CQC 法计算结果只有在单向地震情况下,次方向的峰值加速度取值取为0时保持一致2只计算主方向地震效应:程序对结构地震波效应的计算结果分为0°与90°两种情况,每种情况又各自有主次两个方向分量的效应。
在后续对弹性时程结果的运用中,次方向的效应一般不会用到3第二级对话框——地震波选择对话框1本级菜单一般条件下无需进行调整2查看反应谱——PGA、EPA、加速度谱、速度谱、位移谱第三级对话框——自动筛选最优地震波组合1地震波组合晒选限制条件➢单条地震波基底剪力满足规范要求——±35%➢地震波组合平均基地剪力满足规范要求——±20%➢平台与第一周期领域平均值筛选——《结构时程分析法输入地震波的选择控制指标》——仅供参考!①一是同欧洲规范,对地震记录加速度反应谱值在[0.1, Tg]平台段的均值进行控制,要求所选地震记录加速度谱在该段的均值与设计反应谱相差不超过10%②二是对结构基本周期T1附近[T1-DT1,T1+DT2 ]段加速度反应谱均值进行控制,要求与设计反应谱在该段的均值相差不超过10%③由于实际结构在大震作用下常进入非线性状态,结构刚度发生退化,结构基本周期随之不断延长,在选取DT1和DT2时,可使DT2=0.5s>=DT1。
Tol为限值1地震波组合晒选限制条件➢单条考虑各地震波组合在第1,2阶周期的平均反应谱值➢必要时,适当增加相邻特征周期的可选地震波或者放宽主次方向地震峰值加速度值以满足以上的限制条件选波文本结果一:wavecombin 2选波文本结果二:wdynaSpec3原则上,任一组合均满足规范要求!计算结果文本结果——wdyna 、wdynaSpec 1内力及位移图形结果——层位移+层位移角+层剪力+层弯矩2地震波与反应谱对比结果3。
YJK操作入门范文YJK(英文名:YJK Operating System)是一种操作系统,它基于Linux内核,并针对桌面和移动设备进行了优化。
YJK操作系统具有简单易用、高性能和高度安全的特点,因此受到许多用户的青睐。
本文将介绍YJK操作系统的入门知识,帮助读者快速上手使用。
一、YJK操作系统的安装2.启动安装介质:将制作好的启动盘插入计算机,并选择从启动盘启动。
如果使用虚拟机软件,请打开虚拟机并选择加载安装镜像文件。
3.进入安装界面:启动后,您将看到YJK操作系统的安装界面。
请按照界面上的指示进行安装,包括选择安装语言、时区、分区、用户名和密码等配置信息。
4.完成安装:安装过程可能需要一些时间,请耐心等待。
安装完成后,您可以重新启动计算机,进入新安装的YJK操作系统。
二、YJK操作系统的桌面环境1.应用程序:-点击桌面右上角的菜单图标,选择“应用程序”,可以打开应用程序启动器。
在启动器中,您可以找到已安装的应用程序并快速启动它们。
- 如果您需要安装新的应用程序,可以打开应用商店(默认为Ubuntu软件中心),并安装您需要的应用程序。
2.文件管理器:-点击桌面右上角的菜单图标,选择“文件”或“文件管理器”,可以打开文件管理器。
通过文件管理器,您可以浏览、复制、粘贴和删除文件,以及创建和管理文件夹。
3.系统设置:-点击桌面右上角的菜单图标,选择“设置”,可以打开系统设置界面。
在系统设置界面中,您可以进行各种系统配置,包括Wi-Fi、声音、显示、用户账户等。
三、YJK操作系统的常用应用程序2. 网络浏览器(Firefox、Chrome):用于浏览互联网和访问网页。
3. 邮件客户端(Thunderbird):用于接收和发送电子邮件。
4.多媒体播放器(VLC):支持播放各种音频和视频文件。
5. 办公套件(LibreOffice):包括文字处理、电子表格、演示文稿等功能。
6. 图片浏览器(Evince):用于浏览和打印PDF文件。
广厦转YJK模型操作与说明一、界面及操作流程广厦的模型数据本身为可读的文本文件,其中工程文件后缀名为prj,标准层结构数据文件后缀名为相应标准层号,标准层轴线图元文件后缀名为n+相应标准层号,广厦- YJK接口从上述三种文件中提取广厦模型数据,转换为YJK模型。
所以上述三种文件要放在同一目录中。
广厦转YJK详细操作步骤如下:步骤1在广厦中建模阶段的注意事项:○1务必建立轴网;○2无论以哪种方式建立轴网,务必选择“炸开轴网”选项,如图所示:步骤2在YJK主界面中,点击“广厦接口”如下图:图2.1.4 YJK与广厦接口软件启动界面进入转换接口选择界面,如下图:图2.1.5 转换操作选择界面选择“GSCAD--->YJK”,“确定”后进入广厦转YJK主界面,如下图:图2.1.6 广厦-YJK转换主界面图2.1.7 广厦-YJK转换设置界面设置中:广厦次梁转为YJK主梁:勾选后广厦中的次梁构件将转为YJK主梁构件。
斜杆与z轴夹角:小于该角度时,YJK的斜杆构件采用一点定位,另一端点用与定位点偏移值表示;否则将采用两点定位。
节点归并距离:主要针对广厦模型中建模不准的部分,多见于构件相交处和网格、构件端点处,可设置一定距离,将多余节点归并。
选择需要转换的prj文件,点击转换后开始转换,如下图:二、单位接口程序可以实现广厦中各种单位与YJK相应单位的自动转换。
三、材料接口程序可以实现广厦中各种材料强度等级与YJK相应材料强度等级的对应,如图所示:a) 广厦中的材料定义和标准层材料信息b) YJK中的材料定义和标准层材料信息图2.1.8 广厦-YJK材料信息对应图四、截面当前用于建筑结构分析的单元按维数分主要有两类,即一维与二维单元。
其中,一维单元主要用于桁架、梁、柱、斜撑构件的分析,二维单元主要用于楼板、墙构件的分析。
一维单元的主要描述参数为截面,二维单元的描述参数为厚度。
1、参数化普通截面根据各种截面的类型、具体尺寸将截面转换成YJK截面,这类截面包括:矩形、圆形、正多边形、箱形、槽形、圆管、十字形、双槽形、交叉工字形、梯形、钢管混凝土、工形劲、箱形劲、十字工形劲、圆形劲等。
结构总体信息1、结构体系:按实际情况填写。
2、结构材料信息:按实际情况填写。
3、结构所在地区:一般选择“全国”。
分为全国、上海、广东,分别采用中国国家规范、上海地区规程和广东地区规程。
B类建筑和A类建筑选项只在坚定加固版本中才可选择。
4、地下室层数:定义与上部结构整体分析的地下室层数,根据实际情况输入,无则填0。
5、嵌固端所在层号:(P219~224)抗规6.1.14条:地下室结构的楼层侧向刚度不宜小于相邻上部楼层侧向刚度的2倍。
如果地下室首层的侧向刚度大于其上一层侧向刚度的2倍,可将地下一层顶板作为嵌固部位;如果不大于2倍,可将嵌固端逐层下移到符合要求的部位,直到嵌固端所在层侧向刚度大于上部结构一层的2倍。
由于剪切刚度比的计算只与建筑结构本身的特性有关,与外界条件(如回填土的影响、是否为地下室等)无关,所以在计算侧向刚度比是宜选用剪切刚度比。
在YJK中的结果文件wmass.out中,剪切刚度是RJX1、RJY1,可从地下一层逐层计算与地上一层的剪切刚度比,出现大于2或四舍五入大于2的,该层顶板即可作为嵌固端。
如果地下室各层都不满足嵌固条件,应将嵌固部位设定在基础顶板处,嵌固端所在层号填0。
6、与基础相连构件最大底标高:7、裙房层数:程序不能自动识别裙房层数,需要人工指定。
应从结构最底层起算(包括地下室),例如:地下室3层,地上裙房4层时,裙房层数应填入7。
8、转换层所在层号:应按楼层组装中的自然层号填写,例如:地下室3层,转换层位于地上2层时,转换层所在层号应填入5。
程序不能自动识别转换层,需要人工指定。
对于高位转换的判断,转换层位置以嵌固端起算,即以(转换层所在层号-嵌固端所在层号+1)进行判断,是否为3层或3层以上转换。
9、加强层所在层号:人工指定。
根据《高规》10.3、《抗规》6.1.10条并结合工程实际情况填写。
10、底框层数:用于框支剪力墙结构。
高规10.211、施工模拟加载层步长:一般默认1.12、恒活荷载计算信息:(P66)1)一般不允许不计算恒活荷载,也较少选一次性加载模型;2)模拟施工加载一模式:采用的是整体刚度分层加载模型,该模型应用与各种类型的下传荷载的结构,但不使用与有吊柱的情况;3)按模拟施工二:计算时程序将竖向构件的轴向刚度放大十倍,削弱了竖向荷载按刚度的重分配,柱墙上分得的轴力比较均匀,传给基础的荷载更为合理。
YJK参数设置详细解析YJK是一种电力系统中常用的静态无功补偿设备,可以有效地提高电网的功率因数和电压质量。
在使用YJK设备时,需要进行一些参数设置,以确保设备的正常运行和最佳性能。
本文将详细解析YJK参数设置的相关内容。
1. 额定容量(Rated Capacity):YJK设备的额定容量是指设备能够提供的无功补偿功率值。
根据实际需要,在选择YJK设备时应根据负载的特点和无功功率的需求来确定额定容量。
2. 电压等级(Voltage Level):YJK设备应根据电力系统的电压等级来选择,以保证设备与电网的匹配。
通常,电压等级有低压(LV)、中压(MV)和高压(HV)等不同级别,用户应根据实际情况选择适当的电压等级。
3. 运行模式(Operation Mode):YJK设备有手动模式和自动模式两种运行方式。
在手动模式下,设备需要由人工监控和调整其运行状态;在自动模式下,设备能够根据预设的控制逻辑实现自动运行和调节。
4. 控制方式(Control Mode):YJK设备有电流控制方式和无功功率因数控制方式两种控制模式。
在电流控制模式下,设备根据电网电流大小来控制无功功率的输出;在无功功率因数控制模式下,设备根据电网功率因数大小来控制无功功率的输出。
5. 接线方式(Connection Mode):YJK设备的接线方式有三种,分别是并联式、串联式和混联式。
并联式适用于大容量设备,能够独立运行;串联式适用于小容量设备,能够避免电流的返馈问题;混联式则是并联式和串联式的结合,具有较强的适应性。
6. 响应速度(Response Time):YJK设备的响应速度是指设备在受到外界负荷变化时,所需的无功功率调整时间。
通常,响应速度越快,设备对电网负荷变化的适应能力就越强。
7. 过载能力(Overload Capacity):YJK设备的过载能力是指设备在短时间内承受额外负荷的能力。
合理选择YJK设备的过载能力可以避免设备因负荷过载而损坏。
YJK中消防车荷载的定义方法1、在工况设置中定义消防车荷载消防车荷载不参与地震作用的组合,故与地震有关的系数均设置为0,荷载分项系数、组合值系数、频遇值系数、准永久值系数等指标详见《荷载规范》5.1节;2、针对主梁的不同的荷载折减系数①对于大板,主梁和次梁这件系数均为0。
8;②对于主次梁(井字梁)的情况,主梁折减系数为主梁荷载/楼板荷载,次梁折减系数为0。
8. 本节以30t消防车为例,覆土厚度1。
5m,结构布置如下:恒载和活载输入如下:大板区域消防车荷载为20KN,考虑覆土折减系数1.0,主、次梁折减系数0.8;主次梁区域消防车荷载为35KN,考虑覆土折减系数0。
79,荷载为27.65KN,主梁荷载为20x0。
8=16KN,故主梁折减系数为16/27。
65=0.58,取0。
6;次梁折减系数为0。
8。
消防车荷载工况输入如下:3、前处理及计算参数①荷载组合----组合表中勾选“采用自定义组合"。
注:若不勾选,后续设计偏不利,消防车起控制作用的组合为:1。
2恒载+0.98大板荷载+0.98主次梁荷载。
②荷载组合————自定义工况组合中,选择“包络”,并生成默认数据,生成结果如下;将第三项删除,第二项中“主次梁荷载"处输入“1”。
注:如不进行修改,则大板荷载和主次梁荷载分别计算,如:1。
2恒载+1。
4活荷载1.2恒载+1.4大板荷载1。
2恒载+1。
4主次梁荷载二者分别与活荷载包络设计,设计偏不利。
进行上述操作后,荷载组合如下:1。
2恒载+1.4活荷载1.2恒载+1。
4大板荷载+1。
4主次梁荷载。
基础计算流程YJK一、基础计算的流程与上部结构计算类似基础计算流程的菜单安排和上部结构类似,概括说是三大步操作:生成数据、计算、计算结果查看。
详见“基础计算及结果显示”菜单,三大步为红框中的菜单。
无论何种基础形式,都是这样的三步主要操作。
二、计算前处理的内容计算菜单之前的内容为前处理部分1、计算参数:设置整体有限元计算和沉降计算的控制参数;2、生成数据:生成基础计算的数据,内容有计算模型的整理、对筏板和复杂承台自动单元划分等;3、计算简图和网格划分图:计算简图是显示各类基础的平面简图和编号,网格划分图显示自动划分网格的效果图;4、基床系数和桩刚度图:根据地质资料自动生成(或者人工布置)的基床系数和桩刚度,按照网格划分的单元输出基床系数;按照桩位输出桩刚度。
用户在这里可以修改基床系数和桩刚度。
下图分别为基床系数和桩刚度修改输入的对话框。
5、荷载的查看和修改:对于上部结构传来的荷载,软件提供了各种内容的查看,下左图示为上部荷载查看的对话框。
附加荷载用来查询用户输入的附加荷载,下中图示为附加荷载查看对话框。
板面荷载用来查询或修改筏板上的板面荷载,下右图为板面荷载对话框。
覆土重菜单查看和修改各基础的覆土重,下图为覆土重对话框基础自重菜单用来查看软件自动生成的基础自重。
三、统一的基础计算菜单计算菜单将完成各类型基础的计算,软件将自动按照一定的流程完成各项必要内容的计算。
1、不同类别基础按固定次序计算:如布置有拉梁和独基时或拉梁和承台时,软件先进行拉梁的计算,并将拉梁承担的荷载传导到拉梁下的独立基础或者桩承台基础,然后才进行独立基础或者桩承台基础的计算;如布置有防水板和承台时或防水板和独立基础时,软件先进行防水板的计算,此时以独基、承台为支撑防水板的不动支座,防水板计算完后将把支承反力传给桩承台或者独立基础,然后才进行独立基础或者桩承台基础的计算。
2、不同类别基础等协调计算:如布置有连在一起的独基和地基梁时,以前的软件是让两类基础同时接受上部荷载并分别计算两类基础,造成对上部荷载的重复承担而浪费。
YJK结构设计软件操作入门这里以一个十分简单的工程如下图所示,讲解最主要的操作步骤,使初学者用户可以很快地入门。
对软件功能更深入的了解和应用应参阅用户手册。
该模型共7层,分为3个标准层,各层层高:第一层为3600,2-7层为3300。
是一个简单的框架-剪力墙结构。
模型中柱子尺寸为500*500,框架梁尺寸为300*600,次梁、封口梁250*500,剪力墙厚度为200mm,门洞1200*2400,窗洞1500*1500,一层板厚150mm,其他楼层板厚100mm。
楼面承担恒载5kN/m2,活载2kN/m2。
部分梁上施加2kN/m的恒载、8kN的集中力活荷载。
风荷载为基本风压0.45kN/m2,地面粗糙度为B类。
地震设防烈度为7度(0.1g),场地特征周期为0.25s。
第一章模型荷载输入第一节启动YJK双击屏幕上的YJK图标,进入YJK软件的启动界面。
在启动界面的左上角点击【新建】按钮。
在弹出的新建对话框中选择已建好的子目录并输入模型的名称。
我们事先已在D盘建立子目录“Test”,此时在弹出的对话框中选择D盘的“Test”子目录并在下面“文件名”栏输入工程名“Test”。
如果对已有模型进行查看和修改,点击【打开】按钮,在弹出的对话框中选择模型所在目录和模型文件。
注意:每做一项新的工程,都应建立一个新的子目录,并在新子目录中操作,这样不同工程的数据才不致混淆。
第二节结构模型输入点击【保存】按钮后,程序自动进入“模型荷载输入”,开始进行结构人机交互建模输入。
这是YJK最重要的一步操作,它要逐层输入各层的轴线、网格,输入每层的柱、梁、墙、门窗洞口、荷载等信息,最后通过楼层组装完成整个结构模型输入。
屏幕上方自动将一级菜单“模型荷载输入”展开为轴线网格、构件布置、楼板布置、荷载输入、楼层组装五个二级菜单。
屏幕中间是模型视图窗口,显示模型信息内容,屏幕左下部分是命令提示行栏,显示各命令执行情况,也可以人工键入常用命令操作。
YJK结构设计软件操作入门这里以一个十分简单的工程如下图所示,讲解最主要的操作步骤,使初学者用户可以很快地入门。
对软件功能更深入的了解和应用应参阅用户手册。
该模型共7层,分为3个标准层,各层层高:第一层为3600,2-7层为3300。
是一个简单的框架-剪力墙结构。
模型中柱子尺寸为500*500,框架梁尺寸为300*600,次梁、封口梁250*500,剪力墙厚度为200mm,门洞1200*2400,窗洞1500*1500,一层板厚150mm,其他楼层板厚100mm。
楼面承担恒载5kN/m2,活载2kN/m2。
部分梁上施加2kN/m的恒载、8kN的集中力活荷载。
风荷载为基本风压0.45kN/m2,地面粗糙度为B类。
地震设防烈度为7度(0.1g),场地特征周期为0.25s。
第一章模型荷载输入第一节启动YJK双击屏幕上的YJK图标,进入YJK软件的启动界面。
在启动界面的左上角点击【新建】按钮。
在弹出的新建对话框中选择已建好的子目录并输入模型的名称。
我们事先已在D盘建立子目录“Test”,此时在弹出的对话框中选择D盘的“Test”子目录并在下面“文件名”栏输入工程名“Test”。
如果对已有模型进行查看和修改,点击【打开】按钮,在弹出的对话框中选择模型所在目录和模型文件。
注意:每做一项新的工程,都应建立一个新的子目录,并在新子目录中操作,这样不同工程的数据才不致混淆。
第二节结构模型输入点击【保存】按钮后,程序自动进入“模型荷载输入”,开始进行结构人机交互建模输入。
这是YJK最重要的一步操作,它要逐层输入各层的轴线、网格,输入每层的柱、梁、墙、门窗洞口、荷载等信息,最后通过楼层组装完成整个结构模型输入。
屏幕上方自动将一级菜单“模型荷载输入”展开为轴线网格、构件布置、楼板布置、荷载输入、楼层组装五个二级菜单。
屏幕中间是模型视图窗口,显示模型信息内容,屏幕左下部分是命令提示行栏,显示各命令执行情况,也可以人工键入常用命令操作。
屏幕右下部是通用菜单栏,列出每个模块下的常用菜单命令;最下一行是状态栏,显示当前光标所在位置的X,Y,Z坐标和几个绘图辅助工具按钮。
一、键盘鼠标基本操作用户应具备基本的图形操作知识,如了解Autocad的基本操作,YJK和Autocad基本操作相同。
要了解键盘、鼠标左、中、右各键功能等。
鼠标左键=键盘【Enter】,用于点取菜单、选择、输入等;鼠标右键=用于确认、重复上次命令;键盘空格键=确认;鼠标中滚轮往上滚动:连续放大图形;鼠标中滚轮往下滚动:连续缩小图形;鼠标中滚轮按住滚轮平移:拖动平移显示的图形;【Ctrl】+按住滚轮平移:三维线框显示时变换空间透视的方位角度;【F1】=帮助热键,提供必要的帮助信息;键盘【Esc】:放弃、退出。
二、“轴线输入”菜单程序中梁、柱、墙、支撑是根据网格线定位的,首先应输入布置柱、梁、墙、支撑的轴线网格。
点取【轴线网格】菜单,展开了轴线网格的下级菜单如图:程序提供各种基本的画线图素功能,如画节点、两点直线、圆弧、平行直线、折线、矩形、辐射线、圆来满足各种轴网的需求。
对较规则的轴网,程序提供正交轴网和圆弧轴网输入菜单快速输入形式。
同时程序还可以直接将Autocad中的轴网信息直接导入进来。
对于已有的轴网程序提供复制、移动、旋转、镜像、偏移、延伸、截断和对齐等编辑命令。
对于大多数工程,在YJK程序中可以通过对话框输入轴网和单根网格线输入相结合的方式来完成轴网系统的建立。
本工程轴网相对简单,可以通过正交轴网、圆弧轴网的拼装及绘制弧线和两点直线完成。
模型的平面如下图所示,下面我们根据操作顺序详细介绍软件的操作过程。
1、用正交网格命令建立轴网的左边部分点击轴线网格下的【正交网格】弹出如下对话框。
在开间和进深中通过鼠标双击常用值或者在轴网数据录入和编辑中通过输入形式输入轴网的数据。
不同房间数据之间用空格键或者英文逗号隔开,当几个连续房间具有相同的开间或者进深时,可以使用开间/进深*开间数/进深数来快速输入,这里在“下开间”输入6000*6,在“左进深”输入6000*3。
在“输轴号”上打勾,程序可对每根轴线自动编号。
从左到右从1号开始,自下至上从A开始。
开间、进深输入完成后点击确定按钮插入至屏幕中。
2、用正交网格命令插入轴网中倾斜的轴网部分使用正交网格命令输入本模型中的右半部分,在下开间、左进深栏各输入6000*3,在转角栏输入60度。
基点是网格在平面上布置时的插入点或者捕捉点,由于这部分新输的网格需要和平面上已有的网格在左上角的节点相交,因此需要调整基点的位置到左上角的节点。
程序初始设置的基点在左下角,它是对话框画的网格中左下角加亮的点,因此点取对话框中“改变基点”按钮,直到基点移到左上角点。
最后点击确定按钮,将轴网插入模型平面中,并移动鼠标使新轴网的基点和原有轴网的右上角节点捕捉相交。
3、用圆弧和射线命令建立中间连接部分的轴网点击【圆弧】命令下的【圆心,起点,端点】按钮。
左下角的命令栏中提示输入圆心,将光标放置在如下图中的点1处,并点击鼠标左键,此时命令栏中提示请输入起始点,将光标放置在如下图中的点2处,并点击鼠标左键,命令栏的提示变为请输入终点,移动鼠标,在平面图上白色弧线轨迹随着光标的位置移动,将鼠标移动至点3处,点击鼠标左键。
这条弧线绘制完毕。
再次点击【圆弧】下的【圆心,起点,端点】按钮或者点击鼠标右键进入下一条弧线的输入。
使用相同的输入方法将所有弧线绘制出来。
绘制后如下图所示。
点击【辐射线】按钮,左下角命令栏中提示请输入基点,将光标移动至下图中的点1,点击鼠标左键,命令栏中提示请输入第二个点,将光标移动至下图中的弧线2的中点,点击鼠标左键,命令栏中提示请输入第三个点,将光标移动至下土中的弧线3的中点,点击鼠标左键,命令栏中提示请输入复制角度增量,(次数),在命令栏中输入-15并在键盘中点击空格键,命令栏中仍提示请输入复制角度增量,(次数),在命令栏中输入30并点击空格键。
4、用两点直线方式输入轴网中的单根轴线绘制单根轴线最方便的是追踪线输入方式加键盘坐标输入方式。
追踪线输入方式为用户输入一点后该点即出现橙黄色的方形框套住该点,随后移动鼠标在某些特定方向、比如水平或垂直方向时,屏幕上会出现拉长的虚线,这时输入一个数值即可得到延虚线方向该数值距离的点,我们称这种虚线为追踪线。
点击两点直线按钮,将鼠标放置在点1处,当在1点出现橙色的方框后沿轴线向上移动鼠标出现白色引导线,在命令行中输入2点至1点的距离2250,并按下空格键确定绘制的起始点2,移动鼠标至绘制的网格线的终点3附近与相交的网格线,出现垂足标示的三角形,点击鼠标左键完成该根轴线的绘制。
绘制完轴线后如图所示。
5、用修改命令删除轴网中的多余部分点击修改中的删除按钮,用鼠标点击或框选需要删除的轴线和节点。
删除模型中多余的网格线。
删除后最终输入的轴线网格如图所示。
三、构件布置当前标准层的轴线网格定义完毕后,即可在轴网上布置各类构件。
点击二级菜单中的【构件布置】按钮,程序由轴线网格直接切换到构件布置菜单下。
通过本菜单在轴网上布置柱、梁、墙、墙洞、斜杆、次梁等构件为了提高输入效率,我们把构件信息分成截面信息和布置信息两类。
截面信息主要描述构件断面形状类型,尺寸,材料等信息。
布置信息是描述了构件的相对位置信息。
对于柱需要输入相对某一节点的偏心、转角等信息,而对于梁、墙等构件需要相对某一网格的偏心信息;还有一些构件需要更多的信息如门、窗、楼板洞口等。
构件的输入都是先定义截面数据,再将其布置到网格、节点上。
操作过程如下:1.点取【柱】按钮布置柱在轴网的节点上布置柱。
点取【柱】按钮,弹出柱布置对话框,见下图:左侧为柱截面列表框,右侧为柱的布置参数输入框点柱截面列表框上的【添加】按钮来实现柱截面的定义。
点【添加】按钮后出现柱截面输入的对话窗口,在“截面类型”下拉菜单中列出了各截面的名称,在“截面类型”选择列表中列出各种类型柱的图形,在“截面类型”下拉菜单或者在选择列表中选择所需要增加的截面,我们选择矩形。
程序出现矩形柱定义对话框,如下图所示,在矩形截面宽度栏的下拉列表中选择500或者直接输入500,在矩形截面高度栏的下拉列表中选择500或者直接输入500,在材料类别的下拉列表中选择混凝土,混凝土代号是6,或者直接输入6,点击确定按钮完成柱截面500X500的定义。
截面列表出现500×500字样,表示已输入一个500×500的柱截面。
见下图:用同样方法定义其它尺寸的柱截面。
上面是柱截面定义操作过程,梁、墙等其它构件的定义过程与柱相似。
下面将定义过截面信息的柱布置到平面图或三维轴测图中。
用鼠标在柱截面定义列表中点取一种柱截面后,移动鼠标到平面上需要的位置,点击鼠标左键即可完成一根柱的布置。
如果该柱存在偏心、转角,可同时在屏幕上的柱布置参数框中填写相应的参数值。
每个节点上只能布置一根柱,在已经布置柱的节点上再布置新柱时,新柱截面将替换已有的截面。
2、平面视图和轴侧视图下的布置(1)在平面图布置点取右下平面视图菜单,当前即处于平面视图下。
选择刚刚定义好的500x500的柱,然后移动光标靶到某一节点上,节点上以白亮色预显柱截面布置后的状态,按鼠标左键,则将柱截面布放在该节点上。
(2)三维轴测图中布置。
点取右下的轴侧视图菜单,可以切换到轴测视图状态。
或者在平面视图下使用【Ctrl】+鼠标滚轮拖动模型,也可把视角转换到三维轴测图的某一视角下。
在三维状态下显示时,在平面上画的红色网格节点上会自动衍生出便于柱梁布置的三维空间网格,即在节点上生出竖向直线,在楼层高度位置生出和平面网格对应的同样网格,这些衍生出的网格是灰色的。
这些生出的三维网格是为了便于构件的布置,如柱是垂直的,布置时可以点取竖向网格,梁的位置在楼层顶部,布置时可以点取楼层高度处的网格。
3、成批布置方式除了逐根布置方式外,程序还有窗口布置、轴线布置、围区布置方式。
在布置参数对话框上给出光标、轴线、围区布置三种方式选项,“光标”表示逐根布置方式。
光标布置和窗口布置是自动切换的,比如布置柱时,光标点到了节点后马上完成了该节点上柱的布置,但是如果光标点到空白处后将自动拉出一个窗口,再点一下确定窗口大小后,该窗口内所有节点上都会布置上柱,这就是窗口布置方式。
“轴线”布置方式是在同一条轴线上的所有节点上布置柱。
“围区”布置方式是由用户勾画一个任意多边形,程序在该多边形内的所有节点上布置柱。
布置柱时,柱的宽度所在的方向就是柱的布置方向。
光标、窗口、围区方式布置柱时,柱宽方向的角度就是柱布置参数中的角度方向。
轴线方式布置柱时,柱宽方向平行于所选轴线方向。
在本例中,可以采用“轴线”方式布置所有的柱。
4.点取【梁】按钮布置梁在网格线上布置梁。