t汽车吊起重性能表
- 格式:docx
- 大小:3.46 MB
- 文档页数:2
汽车起重机选型汽车起重机吨位选择依靠特性曲线表,根据站车位置确定站车幅度,再根据起吊高度等确定出杆长度,进而根据特性曲线表选择合理的起重机规格,节约吊装成本。
8吨汽车起重机性能表.....................................20吨汽车吊机额定性能表..................................25吨汽车起重机起重性能表(主臂)........................30吨汽车起重机性能表(一)..............................50吨汽车起重机性能表(主表)............................80吨汽车起重机起重性能表(一) ............................100t汽车吊性能表........................................120吨汽车起重机起重性能表...............................150吨汽车起重机性能表(一) ...............................150吨汽车起重机性能表(二) ...............................160t汽车吊性能表........................................200吨汽车吊车...........................................260吨吊车性能表.........................................LTM1300/1-300t全液压汽车吊机............................LTM1500-500t全液压汽车吊机..............................LTM1500-500t全液压汽车吊机..............................8吨汽车起重机性能表主要技术参数 6.95m吊臂8.50m吊臂10.15m吊臂11.70m吊臂20吨汽车吊机额定性能表以下工况仅供参考,实际请与本公司业务员联系!25吨汽车起重机起重性能表(主臂)以下工况仅供参考,实际请与本公司业务员联系!(注:本表内红字及红字以上栏目的数字为吊臂强度所决定,其下面栏目数字为倾翻力矩决定)25吨汽车起重机起重性能表(副臂)主臂主角7.5副臂副臂倾角5度副臂倾角30度80度 2.5 1.2575度 2.5 1.2570度 2.05 1.1565度 1.75 1.160度 1.55 1.0555度 1.3 1.050度 1.05 0.8 30吨汽车起重机性能表(一)主要技术参数主臂起重性能工作半径(m)支腿全伸不用支腿名称参数10.00m17.00m24.00m31.00m10.00m 全车总重32.2t 3.0030.00 20.00 8.00 最大爬坡能力31% 3.3530.00 20.00 7.00 最大提升高度34.00m 3.5028.10 20.00 6.40 吊臂全伸时长度31.00m 4.0024.20 20.00 5.10 吊臂全缩时长度10.00m 4.5021.40 20.00 13.00 4.20 最小转弯半径11.50m 4.820.00 20.00 13.00 3.70 最大仰角80° 5.019.20 19.20 13.00 3.40 30t吊钩重0.35t 5.517.50 17.50 13.00 2.80 12t吊钩重0.20t 6.016.00 16.00 13.00 2.30 4t吊钩重0.10t 6.514.60 14.60 13.00 9.00 1.90 10m吊臂时钢丝绳数8根7.013.50 13.50 12.00 9.00 1.60 10-17m时钢丝绳数5根7.512.00 12.00 11.20 9.00 1.30 24m时钢丝绳数4根8.010.50 10.50 10.50 9.00 1.00 31m时钢丝绳数3根8.59.40 9.40 9.009.87.20 7.20 7.7010.0 6.95 6.95 7.5011.0 5.80 5.80 6.4012.0 4.90 4.90 5.5514.0 3.45 3.45 4.2016.0 2.50 3.2018.0 1.80 2.4520.0 1.30 1.9022.00.85 1.5024.0 1.1026.00.7527.00.65 (注:本表内红字及红字以上栏目的数字为吊臂强度所决定,其下面栏目数字为倾翻力矩决定) ?30吨汽车起重机性能表(二)吊臂角度工作半径使用8.45m 副臂倾角5°吊臂角度工作半径使用13.5m副臂倾角5°80°7.9 4.00 80°9.3 2.5078.5°9.5 4.00 77°12.0 2.5078°10.2 3.80 76°12.7 2.3576°11.2 3.30 74°14.1 2.1074°12.2 2.90 72°15.6 1.9572°13.4 2.70 70°17.1 1.8070°14.6 2.50 68°18.5 1.6568°16.0 2.35 66°19.9 1.5066°17.3 2.20 64°21.3 1.4064°18.5 2.10 62°22.7 1.3062°19.8 2.05 60°24.0 1.2060°20.7 1.85 58°25.3 1.1558°21.9 1.65 55°27.1 1.0555°23.6 1.30 54°27.70.9554°24.1 1.15 52°28.80.8052°25.00.95 50°29.90.6550°25.80.75 48°30.90.5548°26.80.60注:1、若副臂在工作位置,但仍用主臂吊装,主臂的起重性能应相应的减去1.4t2、使用副臂吊装时,主臂的角度不得大于45,否则将倾翻50吨汽车起重机性能表(主表)以下工况仅供参考,实际请与本公司业务员联系!不支第五支腿,吊臂位于起重机前方或后方;支起第五支腿,吊臂位于侧方、后方、前方工作半径(m)主臂长度(m)10.7018.0025.4032.7540.103.050.003.543.004.038.004.534.005.030.0024.705.528.0023.506.024.00 22.20 16.306.521.0020.0015.007.018.50 18.00 14.10 10.208.014.5014.0012.409.207.509.011.50 11.20 11.10 8.30 6.5010.09.2010.007.50 6.0012.0 6.40 7.50 6.80 5.2014.0 5.10 5.70 4.6016.0 4.00 4.70 3.9018.0 3.10 3.70 3.3020.0 2.20 2.90 2.9022.0 1.60 2.30 2.4024.0 1.80 2.0026.0 1.40 1.5028.0 1.2030.00.90各臂伸缩率(%)二0 100 100 100 100 三0 0 33 66 100 四0 0 33 66 100 五0 0 33 66 100钢丝绳倍率12 8 5 4 3吊钩重量0.515 0.215(注:本表内红字及红字以上栏目的数字为吊臂强度所决定,其下面栏目数字为倾翻力矩决定)50吨汽车起重机性能表(副臂)吊臂位于起重机侧方或后方主臂仰角(°)吊臂长度(m)40.10+5.10主臂+副臂40.10+9.00主臂+副臂40.10+16.10主臂+副臂0°20°0°20°0°20°78 4.0 3.6 3.2 1.9 1.5 0.8 75 3.8 3.2 3.0 1.8 1.30.8 72 3.2 2.9 2.8 1.7 1.2 0.7 70 3.0 2.5 2.5 1.6 1.20.6 65 2.5 2.0 2.0 1.4 1.1 0.5 60 1.9 1.6 1.5 1.00.80.5 55 1.4 0.8 1.0 0.6 0.6 0.4各节臂伸缩率(%) 二100 三四五钢丝绳倍率 1吊钩重量0.180吨汽车起重机起重性能表(一)以下工况仅供参考,实际请与本公司业务员联系!主臂起重性能表工作半径(m)吊臂长度(支腿全伸)吊臂长度(不伸支腿) 12.0m18.0m24.0m30.0m36.0m40.0m44.0m12.0m2.580.0 45.0 15.03.080.045.035.015.03.580.0 45.0 35.0 15.04.070.045.035.011.74.562.0 45.0 35.0 27.0 9.55.056.040.032.027.08.05.550.0 37.0 29.2 27.0 22.06.86.045.034.327.225.022.0 5.86.539.4 31.5 25.3 23.2 22.0 18.0 5.07.035.629.123.721.520.318.0 4.38.027.8 25.4 21.0 18.8 17.7 15.7 12.0 3.29.520.820.817.815.714.613.212.0 2.010.019.2 19.2 17.0 15.0 13.8 12.6 11.4 1.711.016.515.613.512.411.410.411.814.7 14.7 12.6 11.4 10.6 9.712.014.214.212.411.210.49.513.012.5 12.5 11.3 10.2 9.3 8.814.610.010.010.09.08.57.815.09.4 9.4 9.4 8.7 8.2 7.616.08.18.18.17.77.117.8 6.2 6.2 6.2 6.8 6.320.0 4.5 4.5 4.5 5.1 5.622.0 3.4 3.4 4.0 4.423.0 3.0 3.0 3.5 3.926.0 1.7 2.2 2.627.0 1.9 2.228.0 1.6 1.930.0 1.0 1.331.0 1.180吨汽车起重机起重性能表(二)主要技术参数副臂起重性能主臂仰角支腿全伸在两侧或后部吊装名称参数44m主臂+9.5m副臂5°夹角44m主臂+15m副臂5°夹角工作半径(m)起重性能(t) 工作半径(m)起重性能(t)全车总重63.00t 81.3°10.0 6.00 11.5 4.00 主臂全伸时长度44.00m 80.4°11.0 6.00 12.6 4.00 主臂全缩时长度12.00m 80.1°11.3 5.90 13.0 4.00 最大仰角82°78.6°13.0 5.20 14.6 3.75 最大爬坡能力16% 75.2°16.0 4.40 18.2 3.05 最小转弯半径15.40% 70.8°20.0 3.60 22.5 2.55 最大提升高度58.50m 66.0°24.0 3.00 27.2 2.10 80t主吊钩重1t 63.8°26.0 2.7529.1 2.05 80t辅助吊钩0.5t 58.0°30.3 1.50 34.0 1.20重6t副吊钩重0.25t 55.4°32.0 1.20100t汽车吊性能表120吨汽车起重机起重性能表以下工况仅供参考,实际请与本公司业务员联系!工作半径(m)主臂长度(m)12.612.616.620.624.528.532.536.540.544.548.552.556.03120 1113.510710292495 94 88 81 694.586827566579 76 70 62 516666662554940756 56 55 49 44.5 38 32 23.6848.54847444038.53222.120.1942 41.5 40.5 40 36.5 32.5 29.8 21.3 19.9 15.8103736.535.535.533.530.527.921.319.715.814.912.6 1229.1 28 28.9 27.8 26.2 24.5 21.3 18.7 15.8 14.5 11.8 1424.822.723.522.522.521.618.916.81513.311.1 1618.3 19.4 18.4 19 19.1 16.9 15.1 13.6 12.2 10.3 1815.815.815.216.816.31513.512.311.19.6 2013.2 13.8 14.1 14.2 13.4 12.2 11.1 10.2 8.9 2211.512.412.212.111.710.910.19.48.3 2410.7 10.5 10.4 10 9.9 9.2 8.6 7.7 269.39.298.58.68.387.2 288 8 7.3 7.4 7.6 7.4 6.7 3077.2 6.5 6.3 6.5 6.9 6.3 32 6.3 6 5.6 6 6.1 5.8 34 5.5 5.6 5.2 5.6 5.3 5.2 36 5.1 4.8 5.1 4.5 4.5 38 4.7 4.5 4.44 3.9 40 4.2 4 3.5 3.7 42 3.9 3.6 3.2 3.5 44 3.2 2.8 2.7 46 2.6 2.4 2.7150吨汽车起重机性能表(一)以下工况仅供参考,实际请与本公司业务员联系!(注:本表内红字及红字以上栏目的数字为吊臂强度所决定,其下面栏目数字为倾翻力矩决定)150吨汽车起重机性能表(二)工作半径(m)吊臂长度 (m)13.917.721.325.028.732.336.039.643.152.83.0 140.03.6 131.3 65.9 64.44.0 122.6 65.0 63.74.5 109.2 65.0 63.7 56.65.0 100.2 64.9 61.2 55.46.0 80.3 64.9 56.5 51.7 46.6 41.27.0 68.9 62.0 52.5 47.2 43.9 37.8 33.1 31.58.0 58.7 57.1 48.1 44.6 39.0 34.4 31.9 30.39.0 49.5 49.3 44.8 40.9 35.8 31.9 29.5 27.1 27.510.0 43.041.9 41.6 35.6 33.4 29.6 27.4 25.3 24.912.0 31.9 31.9 31.3 27.7 24.6 22.6 22.0 21.3 17.614.0 24.624.6 24.6 24.6 21.4 20.3 19.3 18.2 15.916.0 18.518.518.518.4 17.5 16.8 15.4 13.718.0 14.7 14.7 14.7 14.714.7 14.4 12.5 12.020.0 11.8 11.8 11.8 11.811.8 11.4 10.623.0 8.5 8.5 8.5 8.58.59.026.0 6.2 6.2 6.2 6.2 6.2 7.629.0 4.4 4.3 4.2 4.2 6.132.0 2.9 2.9 2.1 4.335.0 1.7 1.7 2.838.0 0.3 2.041.0 1.244.0 1.0(注:本表内红字及红字以上栏目的数字为吊臂强度所决定,其下面栏目数字为倾翻力矩决定) 160t汽车吊性能表200吨汽车吊车260吨吊车性能表LTM1300/1-300t全液压汽车吊机LTM1300/1-300t全液压汽车吊机主臂额定性能表:支腿开距=8.85×8.5m、旋转角度=360°、标准配重=87.5t回转半径(m)1520.225.430.535.740.946.151.256.4603 3.5300201200185 1524 4.51311201201121161101141119593765 6113100104921059210492918875696059 497 8898082738273827381726464575748453938.5329 1072616559655965596558645956544340.536.53531.530.525.525.412 145449.55348.553485449.55148383633.532.529.828.524.924.516 1842 413540.53642.536.5423631.528.328.9262623.62321.420 2230.5 3228.331.527.93127.225.823.523.42121.519.619.618.124 2625.1 24.722.124.121.421.820.419.217.617.916.416.715.428 3019.8 19.117.119.217.716.315.115.113.914.313.232 341613.31614.51413.212.811.812.211.336 3813.211.312.411.711.210.610.59.840 4211.210.2109.49.18.744 468.98.58.37.948 507.5 7.15254 5658伸1 缩2 工3 况4 (%)0 0/0 0/0/0 46/0/0 46/0/0 92/46/0 92/46 92/46 92 100 0 46/0 46/0/0 46/0/0 46/46/0 46/92/92 92/92/92 92/92 92 100 0 0/0 0/46/0 46/46/92 46/46/46 46/46/92 46/92/92 92/92 92 100 0 0/46 0/46/92 0/46/46 0/46/46 46/46/46 46/46/92 46/92 92 100LTM1500-500t全液压汽车吊机主臂额定性能表1:支腿开距=10×9.6m、旋转角度=360°、标准配重=135t。
汽车起重机起重性能表集团标准化办公室:[VV986T-J682P28-JP266L8-68PNN]
20—500t汽车吊额定性能表
20吨汽车吊机额定性能表
(注:本表内黑格及黑格以上栏目的数字为吊臂强度所决定,其下面栏目数字为倾翻力矩决定)
25吨汽车起重机起重性能表(副臂)
30吨汽车起重机性能表(一)
30吨汽车起重机性能表(二)
注:1、若副臂在工作位置,但仍用主臂吊装,主臂的起重性能应相应的减去1.4t?2、使用副臂吊装时,主臂的角度不得大于45,否则将倾翻
50吨汽车起重机性能表(主表)
(注:本表内黑格及黑格以上栏目的数字为吊臂强度所决定,其下面栏目数字为倾翻力矩决定)
50吨汽车起重机性能表(副臂)
80吨汽车起重机起重性能表(一)
80吨汽车起重机起重性能表(二)
120吨汽车起重机起重性能表
150吨汽车起重机性能表(一)
(注:本表内黑格及黑格以上栏目的数字为吊臂强度所决定,其下面栏目数字为倾翻力矩决定)
150吨汽车起重机性能表(二)
(注:本表内黑格及黑格以上栏目的数字为吊臂强度所决定,其下面栏目数字为倾翻力矩决定)
200吨汽车吊性能表
TM1500-500t全液压汽车吊机。
各种吨数汽车吊性能表8吨汽车起重机性能表
20吨汽车吊机额定性能表
25吨汽车起重机起重性能表(主臂)
(注:本表内红字及红字以上栏目的数字为吊臂强度所决定,其下面栏目数字为倾翻力矩决定)
25吨汽车起重机起重性能表(副臂)
30吨汽车起重机性能表(一)
(注:本表内红字及红字以上栏目的数字为吊臂强度所决定,其下面栏目数字为倾翻力矩决定)
30吨汽车起重机性能表(二)
注:1、若副臂在工作位置,但仍用主臂吊装,主臂的起重性能应相应的减去1.4t
2、使用副臂吊装时,主臂的角度不得大于45,否则将倾翻
50吨汽车起重机性能表(主表)
(注:本表内红字及红字以上栏目的数字为吊臂强度所决定,其下面栏目数字为倾翻力矩决定) 50吨汽车起重机性能表(副臂)
80吨汽车起重机起重性能表(一)
)
80吨汽车起重机起重性能表(二
120吨汽车起重机起重性能表
150吨汽车起重机性能表(一)
(注:本表内红字及红字以上栏目的数字为吊臂强度所决定,其下面栏目数字为倾翻力矩决定)
150吨汽车起重机性能表(二)
(注:本表内红字及红字以上栏目的数字为吊臂强度所决定,其下面栏目数字为倾翻力矩决定)。
汽车吊性能全参数表(徐)(总23页)本页仅作为文档封面,使用时可以删除This document is for reference only-rar21year.March8--500吨汽车吊性能参数表8吨汽车起重机性能表.................................................................................... 错误!未定义书签。
20吨汽车吊机额定性能表.............................................................................. 错误!未定义书签。
25吨汽车起重机起重性能表(主臂).......................................................... 错误!未定义书签。
30吨汽车起重机性能表(一)...................................................................... 错误!未定义书签。
50吨汽车起重机性能表(主表).................................................................. 错误!未定义书签。
80吨汽车起重机起重性能表(一) ................................................................... 错误!未定义书签。
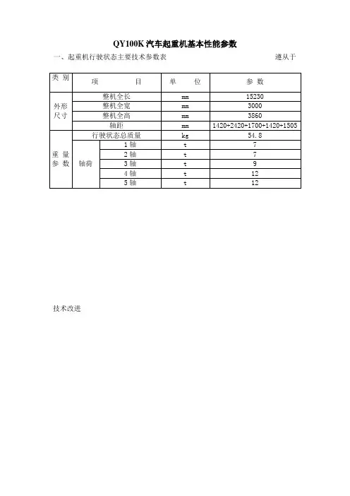
100t汽车吊性能表 .......................................................................................... 错误!未定义书签。
120吨汽车起重机起重性能表........................................................................ 错误!未定义书签。
8吨汽车起重机性能表2之迟辟智美创作20吨汽车吊机额定性能表325吨汽车起重机起重性能表(主臂)430吨汽车起重机性能表(一)650吨汽车起重机性能表(主表)880吨汽车起重机起重性能表(一)10100t汽车吊性能表12120吨汽车起重机起重性能表14150吨汽车起重机性能表(一)15150吨汽车起重机性能表(二)16160t汽车吊性能表17200吨汽车吊车18260吨吊车性能表19LTM1300/1-300t全液压汽车吊机20LTM1500-500t全液压汽车吊机23LTM1500-500t全液压汽车吊机248吨汽车起重机性能表以下工况仅供参考,实际请与本公司业务员联系!20吨汽车吊机额定性能表以下工况仅供参考,实际请与本公司业务员联系!25吨汽车起重机起重性能表(主臂)以下工况仅供参考,实际请与本公司业务员联系!(注:本表内红字及红字以上栏目的数字为吊臂强度所决定,其下面栏目数字为倾翻力矩决定)25吨汽车起重机起重性能表(副臂)30吨汽车起重机性能表(一)以下工况仅供参考,实际请与本公司业务员联系!(注:本表内红字及红字以上栏目的数字为吊臂强度所决定,其下面栏目数字为倾翻力矩决定)30吨汽车起重机性能表(二)注:1、若副臂在工作位置,但仍用主臂吊装,主臂的起重性能应相应的减去1.4t 2、使用副臂吊装时,主臂的角度不得年夜于45,否则将倾翻50吨汽车起重机性能表(主表)以下工况仅供参考,实际请与本公司业务员联系!(注:本表内红字及红字以上栏目的数字为吊臂强度所决定,其下面栏目数字为倾翻力矩决定)50吨汽车起重机性能表(副臂)80吨汽车起重机起重性能表(一)以下工况仅供参考,实际请与本公司业务员联系!80吨汽车起重机起重性能表(二)100t汽车吊性能表120吨汽车起重机起重性能表以下工况仅供参考,实际请与本公司业务员联系!150吨汽车起重机性能表(一)以下工况仅供参考,实际请与本公司业务员联系!(注:本表内红字及红字以上栏目的数字为吊臂强度所决定,其下面栏目数字为倾翻力矩决定)150吨汽车起重机性能表(二)200吨汽车吊车LTM1300/1-300t全液压汽车吊机LTM1300/1-300t全液压汽车吊机主臂额定性能表:支腿开距×、旋转角度=360°、标准配重以下工况仅供参考,实际请与本公司业务员联系!LTM1500-500t全液压汽车吊机主臂额定性能表1:支腿开距=10×9.6m、旋转角度=360°、标准配重=135t.以下工况仅供参考,实际请与本公司业务员联系!LTM1500-500t全液压汽车吊机主臂额定性能表2:支腿开距=10×9.6m、旋转角度=360°、标准配重=135t.。
8吨汽车起重机性能表以下工况仅供参考,实际请与本公司业务员联系!20吨汽车吊机额定性能表25吨汽车起重机起重性能表(主臂)(注:本表内红字及红字以上栏目的数字为吊臂强度所决定,其下面栏目数字为倾翻力矩决定)25吨汽车起重机起重性能表(副臂)30吨汽车起重机性能表(一)(注:本表内红字及红字以上栏目的数字为吊臂强度所决定,其下面栏目数字为倾翻力矩决定)30吨汽车起重机性能表(二)注:1、若副臂在工作位置,但仍用主臂吊装,主臂的起重性能应相应的减去1.4t2、使用副臂吊装时,主臂的角度不得大于45,否则将倾翻50吨汽车起重机性能表(主表)(注:本表内红字及红字以上栏目的数字为吊臂强度所决定,其下面栏目数字为倾翻力矩决定)50吨汽车起重机性能表(副臂)吊臂位于起重机侧方或后方主臂仰角(°)吊臂长度(m)40。
10+5.10主臂+副臂40.10+9。
00主臂+副臂40.10+16。
10主臂+副臂0°20°0°20°0°20°78 4。
0 3.6 3。
2 1.9 1。
5 0.8 75 3.8 3。
2 3。
0 1.8 1.3 0。
8 72 3.2 2。
9 2.8 1.7 1.2 0.7 70 3.0 2。
5 2。
5 1.6 1。
2 0。
6 65 2。
5 2.0 2.0 1。
4 1.1 0。
5 60 1。
9 1.6 1。
5 1.0 0.8 0。
5 55 1。
4 0.8 1.0 0。
6 0.6 0。
4各节臂伸缩率(%)二100 三四五钢丝绳倍率 1 吊钩重量0。
180吨汽车起重机起重性能表(一)80吨汽车起重机起重性能表(二)100t汽车吊性能表单位(UNIT):吨120吨汽车起重机起重性能表130吨汽车起重机性能表(注:本表内红字及红字以上栏目的数字为吊臂强度所决定,其下面栏目数字为倾翻力矩决定)160t汽车吊性能表QAY200吨汽车吊车QAY200全地面起重机副臂起重性能表(支腿全伸)65t平衡重-全伸支腿,臂长11.55mQAY240吨汽车吊车QAY260吨吊车性能表65t吨配重,支腿全伸QAY300吨吊车性能表支腿8。