地铁车站计算书
- 格式:doc
- 大小:3.24 MB
- 文档页数:104
一、工程概况广州市轨道交通某线某车站站位于汉溪大道与旧105国道的交叉路口的东侧,设置在宽50m,双向8车道的汉溪大道的北侧。
其周边为某车站村庄,多为1~3层的民宅或厂房。
场地路面高差起伏较大,地面高程约10.9m~14.3m,最大高差达3.4m。
本站设站后存车线,车站长度较大。
施工场地较为紧张,需要拆迁某车站的民房。
车站为地下两层岛式站台车站,采用明挖顺作法结合部分盖挖法施工。
基坑围护结构采用地下连续墙加内支撑的结构形式。
车站主体为现浇钢筋混凝土两层两跨箱形框架结构,结构外设置外包防水层。
车站有效站台中心里程为YDK8+578.000,车站起点里程为YDK8+187.500 ,终点里程为YDK8+659.100。
车站全长471.6m,标准段宽19.9m,车站覆土厚度约3.0m,底板埋深标准段为16.43m;车站西端为盾构吊出,东端为盾构始发,西端设置轨排井。
站位处于汉溪大道的北侧,车站主体施工时需占用部分汉溪大道路面。
汉溪大道为城市主干道,通行车辆较多。
车站主体施工主要利用北侧某车站的场地。
施工围蔽后的汉溪大道交通疏解能满足双向六车道的要求,由于车站两端主体施工围蔽,汉溪大道右转旧105国道的车辆需掉头进入;汉溪大道在市广路上的掉头匝道取消,改由向东直行至南国奥园路口掉头。
车站管线根据施工具体情况分两期迁改,车站范围内管线根据具体情况采用临迁、临拆、悬吊和永迁处理。
对大直径.重力管,临时迁改时需做好管下垫层.对一些临拆影响不大的管线如空管,在征得管线权属部门同意后可直接废除,以后恢复。
迁改时改用钢管,以减少基坑开挖时的不利影响。
其余管线根据实际情况和管线部门意见可暂按临时废除处理。
车站东端横跨一条排水渠,考虑该渠兼有排洪功能,因此车站施工时不能截流,为了最大程度的减小对施工的影响,确保施工工期,拟在基坑部分钢筋砼结构箱涵结合基坑两端钢筋砼明渠导流,该水渠考虑临时迁改,在本工程主体结构施工完成后根据当地水利部门意见再对水渠进行原样恢复,另外考虑到雨期暴雨的突发情况,建议施工准备潜水泵,通过在箱涵上架设水管排水。
四、计算模型因车站主体是一个狭长的建筑物,纵向很长,横向相对尺寸较小。
主体计算取延米结构,作为平面应变问题来近似处理,考虑地层与结构的共同作用,采用荷载-结构模型平面杆系有限元单元法。
计算模型为支承在弹性地基上对称的平面框架结构,框架结构底板下用土弹簧模拟土体抗力,车站结构考虑水平及竖向荷载。
按荷载情况、施工方法,模拟开挖、回筑和使用阶段不同的受力状况,按最不利内力进行计算。
中柱根据等效EA 原则换算墙厚。
本站围护桩与主体结构之间设置柔性防水层,按重合墙考虑,即围护结构与内衬墙之间只传递径向压力而不传递切向剪力,SAP 计算时,采用二力杆单元来模拟围护桩与内衬墙的这种作用。
车站断面的计算模型如图2-1-1所示。
图2-1-1 车站断面计算模型五、荷载组合与分项系数5.1、荷载分类荷载类荷载名称 荷载取值 永久 荷载结构自重按实际重量 覆土重 土容重按18~20kN/m 3侧水、土压力 施工阶段按主动侧土压力计算,使用阶段按静水浮力 按地质资料提供的稳定水位计算设备重量 设备区荷载按8kPa 计,当设备荷载大于8kPa 可变荷载基本可 变荷载 地面超载20kPa 均匀活载 地面超载引起的侧向土压力 按土压力侧向系数确定 人群荷载 公共区人群荷载按4kPa 计 地铁车辆荷载及其动力作用列车荷载按列车满载条件确定 其他可 温度变化影响5.2、荷载组合根据《建筑结构荷载规范》(GB50009-2012)、《建筑抗震设计规范》、《人民防空地下室设计规范》(GB 50038-94)和《地铁设计规范》(GB 50157-2003)的规定,按结构在施工阶段和使用阶段可能出现的最不利情况进行荷载组合,各种荷载组合及分项系数见下表。
荷载组合表六车站结构断面计算6.1 结构主要尺寸车站标准段横断面盾构井段横断面主体外挂段横断面6.2标准段断面计算6.2.1 计算的钻孔资料计算采用钻孔M7Z3-SXSZ-013。
相应土层的地质参数如下:6.2.2 计算过程设计中考虑地震和人防等荷载偶然组合,并按照承载力极限状态和正常使用极限状态两种工况验算结构在施工阶段和使用阶段的结构受力。
计算书及相关施工图纸12.1模板及支撑系统设计取值高大模板支撑架采用φ48.3mm×3.6mm(验算按φ48mm×3.0mm)钢管及构配件搭设碗扣式钢管满堂支撑架、可调托撑(底板厚度5mm,螺杆外径36mm)搭设,模板采用18mm厚竹胶板、100mm×100mm截面松木方(验算按95mm ×95mm)次楞、2[10槽钢(用于侧墙及梁板)或φ48.3mm×3.6mm扣件式双钢管(用于立柱)主楞。
模板分类布置如下:板:次楞间距250mm,顶板立杆双向间距600mm,中板立杆横向900mm、纵向600mm,边立杆距侧墙及梁侧≤400mm,水平杆步距1200mm;两侧加腋部位范围内的立杆横向间距加密至450mm。
侧墙:次楞竖向布置、间距250mm,主楞横向布置、间距400mm、600mm (对应水平杆顶撑步距),横向钢管支撑纵向间距600mm,竖向间距1200mm,两侧距墙横向4跨(5根立杆)、竖向3步(350+1200×3=3950)范围内均加密至400mm、竖向3步以上至板底加密至600mm(端头井负二层净高7280mm,加密区为竖向4步)。
梁:中板梁次楞间距200mm,梁下布置4根立杆,纵距600mm;顶板梁次楞间距200mm,梁下布置6根立杆,纵距600mm;梁下立杆不升至板底,纵横水平杆步距1200mm。
柱:次楞竖向布置间距250mm,主楞横向布置间距450mm。
由于涉及到的模板及支撑系统选型较多,现将模板及支撑系统采用的设计值列于下表12.1-1所示:表12.1-1 模板及支撑系统采用的设计值12.2模板及支撑系统设计验算说明12.2.1设计验算原则(1)应满足模板在运输、安装、使用过程中的强度、刚度及稳定性的要求; (2)从本工程实际出发,优先选用定型化、标准化的模板支撑和模板构件; (3)采取符合实际的力学模型进行计算。
12.2.2模板及支架系统的力学参数 (1)碗扣式支撑架(2)木材(3)钢材12.2.3模板变形值的规定为了保证结构表面的平整度,模板及模板支架必须具有足够的刚度,验算时其变形值不超过下列规定:(1) 对结构表面外露的模板,为模板构件计算跨度的1/400;结构表面隐蔽的模板,为模板构件计算跨度的1/250;(2)支架体系的压缩变形值或弹性挠度,为相应的结构计算跨度的1/1000; (3)柱箍最大容许变形值为3mm 或B/500; 12.3侧墙模板设计验算根据《建筑施工模板安全技术规范》(JGJ162-2008)、《建筑施工临时支撑结构技术规范》(JGJ300-2013)、《混凝土结构工程施工规范》(GB50666-2011)进行模板设计验算。
XX市城市轨道交通XX线工程XXX站主体结构施工图设计专业:结构计算书XX工程集团有限责任公司20 年月XX市城市轨道交通XX线工程XXX站主体结构施工图设计专业:结构计算书XX工程集团有限责任公司20 年月一.工程概况XXX站位于XX路与XX路交叉的十字路口北侧,顺XX路呈南北向偏东布置。
XX路规划宽43m,道路现已形成,路面车流量大,交通繁忙。
十字路口东北象限为海雅百货、世博广场;东南象限为夏威夷阁住宅小区;西南象限为中惠华庭住宅小区、中国移动;西北象限为华润万家购物广场和XX老饭店。
车站四周商业建筑多,较繁华,客流量大。
二.设计依据及采用规范1、《XX市城市快速轨道交通XX线工程详细勘察阶段XXX站岩土工程勘察报告》,中铁XX工程集团有限责任公司,2010年1月2、业主、总体组及其它相关部门提供的基础资料3、设计采用的规范、规程和标准《地铁设计规范》(GB50157-2003)《地下铁道工程施工及验收规范》(GB50299-1999)(2003年版)《建筑结构荷载规范》(GB50009-2001)(2006年版)《混凝土结构设计规范》(GB50010-2002)《轨道交通工程人民防空设计规范》(RFJ 02-2009)《人民防空工程设计规范》(GB50225-2005)(2006版)《钢结构设计规范》(GB50017-2003)《地下工程防水技术规范》(GB50108-2008)《建筑抗震设计规范》(GB50011-2010)《混凝土结构工程施工质量验收规范》(GB50204-2008)《建筑工程抗震设防分类标准》(GB50223-2004)国家及广东省、XX市的其它现行相关规范、规程。
三.计算原则及计算标准1、车站主体结构安全等级为一级;结构按设计使用年限100年的要求进行耐久性设计;结构重要性系数。
2、车站主体结构可按底板支承在弹性地基上的平面框架进行内力分析,计算时宜考虑所有构件的弯曲、剪切和压缩变形的影响。
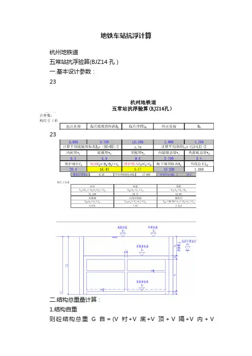
地铁车站抗浮计算杭州地铁道五常站抗浮验算(BJZ14孔)一.基本设计参数:2323二.结构总重量计算:1.结构自重则砼结构总重G自=(V衬+V底+V顶+V隔+V内+V铺)×25=1737.5(kn)2.地下墙结构自重围护结构总截面积A 地=2×t 6×L 2=2.4 (m 2)底板底以上重量G 地上=25×A 地×C 2=985.8(kn)底板底以下围护结构重量G 地下=15×A 地×C 3= 128.5(kn)则围护结构总重力G 地=G 地上+G 地下=1114.34.覆土重量覆土厚度h 2=B 4-B 3=2.8mG 覆=18×h 2×〔(L 1+2t 1)×L2-A特〕+A 特×H 特×γ特=1002.96(kn)5.结构总重量结构总重力G=G 自+G 地+G 覆=3854.8(kn)三.围护结构(地下墙)摩阻力计算:外2f外1896.48(kn)内2f内3.围护结构(地下墙)总摩阻力T计算安全系数K=2则提供的抗浮力特征值T=(T外+T内)/γs=1896.5(kn)四.抗拔桩抗拔力计算:设抗拔桩根数n=单根桩抗拔力特征值P 单=1695.59(kn)则抗拔桩提供的抗浮力特征值P=nP 单=0.0(kn)五.结构总浮力计算抗浮地下水位标高B 5=重要性系数γ0=1则总浮力F=10×γ0×(L 1+2t 1+2t 6)×L 2×(B 5-B 2+t 2)=3010.5(kn)六.抗浮验算:抗浮系数K=(G+T+P)/F= 1.91040857≥1.1,满足抗浮要求结构标高已围护桩底为0向上计算。
计算书及相关施工图纸12.1模板及支撑系统设计取值高大模板支撑架采用φ48.3mm×3.6mm(验算按φ48mm×3.0mm)钢管及构配件搭设碗扣式钢管满堂支撑架、可调托撑(底板厚度5mm,螺杆外径36mm)搭设,模板采用18mm厚竹胶板、100mm×100mm截面松木方(验算按95mm ×95mm)次楞、2[10槽钢(用于侧墙及梁板)或φ48.3mm×3.6mm扣件式双钢管(用于立柱)主楞。
模板分类布置如下:板:次楞间距250mm,顶板立杆双向间距600mm,中板立杆横向900mm、纵向600mm,边立杆距侧墙及梁侧≤400mm,水平杆步距1200mm;两侧加腋部位范围内的立杆横向间距加密至450mm。
侧墙:次楞竖向布置、间距250mm,主楞横向布置、间距400mm、600mm(对应水平杆顶撑步距),横向钢管支撑纵向间距600mm,竖向间距1200mm,两侧距墙横向4跨(5根立杆)、竖向3步(350+1200×3=3950)范围内均加密至400mm、竖向3步以上至板底加密至600mm(端头井负二层净高7280mm,加密区为竖向4步)。
梁:中板梁次楞间距200mm,梁下布置4根立杆,纵距600mm;顶板梁次楞间距200mm,梁下布置6根立杆,纵距600mm;梁下立杆不升至板底,纵横水平杆步距1200mm。
柱:次楞竖向布置间距250mm,主楞横向布置间距450mm。
由于涉及到的模板及支撑系统选型较多,现将模板及支撑系统采用的设计值列于下表12.1-1所示:表12.1-1 模板及支撑系统采用的设计值次楞:100×100方木@250对拉螺栓长边柱箍中间加一道M16 根并排2柱箍:3.6mm (壁厚48.3mm )钢管@450 模板及支撑系统设计验算说明12.2.1设计验算原则 安装、使用过程中的强度、刚度及稳定性的要求;(1)应满足模板在运输、 从本工程实际出发,优先选用定型化、标准化的模板支撑和模板构件;(2) (3)采取符合实际的力学模型进行计算。
计算书1模板配置概况表模板支架配置表2材料的物理力学性能指标及计算依据2.1材料的物理力学性能指标1)材料的物理力学性能指标①碗扣支架钢管截面特性根据JGJ166-2008规范表5.1.6、5.1.7采用:φ=,壁厚t=3.5mm,按壁厚3.0mm计算。
截面积A=4.24cm2,自外径48mm重q=33.1N/m,抗拉、抗弯抗压强度设计值f=205N/mm2,抗剪强度设计值fv=125N/mm2,弹性模量E=2.06×105N/mm2。
回转半径i=1.59cm,截面模量W=4.49cm3,截面惯性矩I=10.78cm4。
②方木根据《建筑施工模板安全技术规范》(JGJ162-2008)附录 A 3.1-3 木材的强度设计值和弹性模量采用;方木采用红皮云杉,弹性模量E=9000N/mm2,抗弯强度设计值f=13N/mm2,承压强度设计值f=10N/mm2,顺纹抗拉强度设计值fm=8.0 N/mm2,顺纹抗剪强度设计值fv=1.4N/mm2。
截面尺寸85mm×85mm,惯性矩I=bh3/12=4.350×10-6m4 ,抗弯截面模量W=bh2/6=1.024×10-4m3, 静矩S= bh2/8=7.677×10-5m3截面尺寸100mm×100mm,惯性矩I=bh3/12=8.333×10-6m4 ,抗弯截面模量W=bh2/6=1.667×10-4m3, 静矩S= bh2/8=1.250×10-4m3截面尺寸120mm×120mm,惯性矩I=bh3/12=1.728×10-5m4 ,抗弯截面模量W=bh2/6=2.88×10-4m3, 静矩S= bh2/8=2.16×10-4m3③木胶合板(参照产品试验性能参数)模板采用胶合面板,规格2440mm×1220mm×18mm抗弯强度设计值f=11.5N/mm2,承压抗拉强度设计值fm=8.0 N/mm2,抗剪强度设计值fv=1.3N/mm2,弹性模量E=6000 N/mm2;取1m宽模板,惯性矩: I=bh3/12=1000×183/12=4.86×10-7 m4;模板的截面抵抗矩为:w=bh2/6=1000×182/6=5.40×10-5m3;静矩: S= bh2/8=1000×182/8=4.05×10-5m3;④钢模板面板钢模板采用大模板,面板为6mm厚Q235A钢板,规格2m×3m。
附件一:基坑主体支架计算书顶板厚度为80cm ,中板厚度为40cm 。
顶板检算分为顶板以及顶板梁两部分检算。
一、中板检算1.1 荷载分析根据《建筑施工模板安全技术规范》查得:模板及其支架自重标准值G1K=0.5KN/㎡;施工人员及设备荷载因本工程用泵送混凝土,故计算时取均布荷载Q1k =4.0KN/㎡,集中荷载P =4.0KN 。
振捣混凝土产生的荷载标准值Q2k:水平模板取2KN/㎡;根据《建筑施工碗扣式脚手架安全技术规范》查得:新浇筑混凝土自重标准值G2K=25.5KN/m3(包括钢筋),400mm 厚新浇混凝土板自重标准值为25.5×0.4=10.2KN/㎡;永久荷载分项系数K1=1.35,可变荷载分项系数K2=1.4;安全系数1.1。
1.2 中板模板验算1.2.1 横向方木验算本方案采用的木材为东北落叶松,根据木结构设计规范(GB50005-2003)东北落叶松抗弯强度Mpa f m 17=,顺纹抗剪强度为:Mpa f v 6.1=,弹性模量Mpa E 31010⨯=。
本施工方案中中板及梁模板采用15mm 竹胶板,支架采用0.9m ×0.9m (纵*横)间距脚手架,上设可调快拆顶托,底模横向采用cm cm 1010⨯方木,按间距m 3.0布置横向方木,其下方设纵向双拼Ф48×3.0钢管分配梁,按间距m 9.0布置,每根支架立杆上布置一根。
按均布线荷载考虑时:Q1=((G1K+G2K )*1.35+(Q1k+Q2k )*1.4)*0.3*1.1=((0.5+10.2)*1.35+(4+2)*1.4)*0.3*1.1=7.54KN/m ;简化为三等跨连续梁计算:M 中=0.08q 1l 2=0.08×7.54×0.92=0.49KN ·mM 中=0.1q 1l 2=0.1×7.54×0.92=0.61KN ·m施工人员及设备按集中荷载最不利位置布置计算时Q2=(G1K+G2K )*1.35*0.3*1.1=(0.5+10.2)*1.35*0.3*1.1=4.9KN/m ; P=6*1.4*1.1=9.3KN跨中最大弯矩M 中=0.08q 2l 2+0.213PL =0.08×4.9×0.92+0.213×9.3×0.9=2.1KN ·m支座最大弯矩M中=-0.1q 2l 2-0.175PL =-0.1×4.9×0.92-0.175×9.3×0.9=-1.86KN ·m综上所述弯矩值,取跨中最大弯矩值M =2.1KN ·m 进行截面验算。
大坪站台板计算 一,站台层板计算荷载(10米站台) 永久荷载:(1) 站台层面层装修荷载:0.10x20=2.0KN/m2 可变荷载:(1) 人群荷载:4 KN//m2 (2) 设备区荷载8 KN//m2二,站台设备区楼板26.1 基本资料26.1.1 工程名称:大坪站台层26.1.2 结构构件的重要性系数 γo = 1.1 考虑活荷不利组合 考虑受压纵向钢筋26.1.3 混凝土容重 γc = 26kN/m 箍筋间距 Sv = 100mm26.1.4 可变荷载的分项系数 γQ = 1.4 可变荷载的组合值系数 ψc = 0.7 可变荷载的准永久值系数 ψq = 0.626.1.5 C30 混凝土强度: fc = 14.3N/mm ft = 1.43N/mm ftk = 2.01N/mm Ec = 29791N/mm26.1.6 钢筋强度设计值: fy = 300N/mm fy' = 300N/mm fyv = 210N/mm Es = 200000N/mm26.1.7 纵筋合力点至近边距离 as = 35mm 受拉钢筋最小配筋率 ρmin = 0.21%26.2 几何信息最左端支座:铰支 i ———跨号 Li ———第 i 跨跨度(mm ) b ———截面宽度(mm ) h ———截面高度(mm ) bf'———上翼缘高度(mm ) hf'———上翼缘高度(mm ) bf ———下翼缘高度(mm ) hf ———下翼缘高度(mm )-------------------------------------------------------------------------- i Li 截面 b h bf' hf' bf hf 右节点-------------------------------------------------------------------------- 1 5200 矩形 1000 200 铰支 2 5200 矩形 1000 200 铰支 --------------------------------------------------------------------------26.3 荷载信息i 、j ———跨号、节点号 P 、P1———单位:kN/m 、kN M —————单位:kN ·M X 、X1———单位:mm26.3.1 跨中荷载------------------------------------------------------------------- i 恒、活荷 荷载类型 P 或 M P1 X X1 ------------------------------------------------------------------- 1 活荷 均布荷载 8.00 1 恒荷 均布荷载 2.00 2 恒荷 均布荷载 2.00 2 活荷 均布荷载 8.00 梁自重 ----------------------------------------------------------- 1 恒荷 均布荷载 5.20 2 恒荷 均布荷载 5.20-------------------------------------------------------------------26.4 计算结果26.4.1 梁内力设计值及配筋V ——剪力(kN ),以绕截面顺时针为正; M ——弯矩(kN ·M ),以下侧受拉为正; As ———纵筋面积(mm ); Asv ———箍筋面积(mm )----------------------------------------------------------------------- i I 2 4 6 J ----------------------------------------------------------------------- 1 M - 0.0 0.0 0.0 -14.2 -67.1 As 面 筋 0 281 317 341 1686 As / bho 0.00% 0.17% 0.19% 0.21% 1.02% x / ho 0.000 0.000 0.000 0.030 0.150 裂缝宽度 0.000 0.000 0.000 0.110 0.234 实配面筋 0 281 317 341 1686M + 0.0 38.3 43.0 14.2 0.0 As 底 筋 0 937 1057 341 506 As / bho 0.00% 0.57% 0.64% 0.21% 0.31% x / ho 0.000 0.083 0.094 0.030 0.000 裂缝宽度 0.000 0.234 0.233 0.110 0.000 实配底筋 0 937 1057 341 506V 42.3 16.5 -12.9 -38.7 -64.5 Asv 14 14 14 14 14 构造配筋 As,min = 430 Asv,min = 14 Dmin =φ6 Smax = 200 挠度验算 截面 4 : f = -24.7 f / Li = 1/211....................................................................... 2 M - -67.1 -14.2 0.0 0.0 0.0 As 面 筋 1686 341 317 281 0 As / bho 1.02% 0.21% 0.19% 0.17% 0.00% x / ho 0.150 0.030 0.000 0.000 0.000 裂缝宽度 0.234 0.110 0.000 0.000 0.000 实配面筋 1686 341 317 281 0M + 0.0 14.2 43.0 38.3 0.0 As 底 筋 506 341 1057 937 0 As / bho 0.31% 0.21% 0.64% 0.57% 0.00% x / ho 0.000 0.030 0.094 0.083 0.000 裂缝宽度 0.000 0.110 0.233 0.234 0.000 实配底筋 506 341 1057 937 0V 64.5 38.7 12.9 -16.5 -42.3 Asv 14 14 14 14 14 构造配筋 As,min = 430 Asv,min = 14 Dmin =φ6 Smax = 200 挠度验算 截面 4 : f = -24.7 f / Li = 1/211三,站台非设备区楼板26.1 基本资料26.1.1 工程名称:大坪站台层26.1.2 结构构件的重要性系数 γo = 1.1 考虑活荷不利组合 考虑受压纵向钢筋26.1.3 混凝土容重 γc = 26kN/m 箍筋间距 Sv = 100mm26.1.4 可变荷载的分项系数 γQ = 1.4 可变荷载的组合值系数 ψc = 0.7 可变荷载的准永久值系数 ψq = 0.626.1.5 C30 混凝土强度: fc = 14.3N/mm ft = 1.43N/mm ftk = 2.01N/mm Ec = 29791N/mm26.1.6 钢筋强度设计值: fy = 300N/mm fy' = 300N/mm fyv = 210N/mm Es = 200000N/mm26.1.7 纵筋合力点至近边距离 as = 35mm 受拉钢筋最小配筋率 ρmin = 0.21%26.2 几何信息最左端支座:铰支 i ———跨号 Li ———第 i 跨跨度(mm ) b ———截面宽度(mm ) h ———截面高度(mm ) bf'———上翼缘高度(mm ) hf'———上翼缘高度(mm ) bf ———下翼缘高度(mm ) hf ———下翼缘高度(mm )-------------------------------------------------------------------------- i Li 截面 b h bf' hf' bf hf 右节点 -------------------------------------------------------------------------- 1 5200 矩形 1000 200 铰支 2 5200 矩形 1000 200 铰支 --------------------------------------------------------------------------26.3 荷载信息i 、j ———跨号、节点号 P 、P1———单位:kN/m 、kN M —————单位:kN ·M X 、X1———单位:mm26.3.1 跨中荷载------------------------------------------------------------------- i 恒、活荷 荷载类型 P 或 M P1 X X1 ------------------------------------------------------------------- 1 活荷 均布荷载 4.00 1 恒荷 均布荷载 2.00 2 恒荷 均布荷载 2.00 2 活荷 均布荷载 4.00 梁自重 ----------------------------------------------------------- 1 恒荷 均布荷载 5.20 2 恒荷 均布荷载 5.20-------------------------------------------------------------------26.4 计算结果26.4.1 梁内力设计值及配筋V ——剪力(kN ),以绕截面顺时针为正; M ——弯矩(kN ·M ),以下侧受拉为正; As ———纵筋面积(mm ); Asv ———箍筋面积(mm )----------------------------------------------------------------------- i I 2 4 6 J ----------------------------------------------------------------------- 1 M - 0.0 0.0 0.0 -7.1 -48.1 As 面筋 0 192 210 169 1189 As / bho 0.00% 0.12% 0.13% 0.10% 0.72% x / ho 0.000 0.000 0.000 0.015 0.106 裂缝宽度 0.000 0.000 0.000 0.036 0.257实配面筋 0 192 210 169 1189M + 0.0 26.4 28.8 7.1 0.0 As 底筋 0 641 700 169 357 As / bho 0.00% 0.39% 0.42% 0.10% 0.22% x / ho 0.000 0.057 0.062 0.015 0.000 裂缝宽度 0.000 0.253 0.248 0.036 0.000实配底筋 0 641 700 169 357V 29.6 11.1 -9.3 -27.8 -46.3 Asv 14 14 14 14 14 构造配筋 As,min = 430 Asv,min = 14 Dmin =φ6 Smax = 200挠度验算截面 4 : f = -23.5 f / Li = 1/222.......................................................................2 M - -48.1 -7.1 0.0 0.0 0.0 As 面筋 1189 169 210 192 0 As / bho 0.72% 0.10% 0.13% 0.12% 0.00% x / ho 0.106 0.015 0.000 0.000 0.000 裂缝宽度 0.257 0.036 0.000 0.000 0.000实配面筋 1189 169 210 192 0M + 0.0 7.1 28.8 26.4 0.0 As 底筋 357 169 700 641 0 As / bho 0.22% 0.10% 0.42% 0.39% 0.00% x / ho 0.000 0.015 0.062 0.057 0.000 裂缝宽度 0.000 0.036 0.248 0.253 0.000实配底筋 357 169 700 641 0V 46.3 27.8 9.3 -11.1 -29.6 Asv 14 14 14 14 14 构造配筋 As,min = 430 Asv,min = 14 Dmin =φ6 Smax = 200挠度验算截面 4 : f = -23.5 f / Li = 1/222。
目录第1章车站概况 (1)1.1 工程概况 (1)1.2 地形地貌 (1)1.3 工程地质与水文地质条件 (1)1.3.1 地层岩性 (1)1.3.2 岩土物理力学性质表 (4)1.3.3 地质构造 (5)1.3.4 水文条件 (5)1.3.5 工程地质评价 (6)第2章车站建筑设计 (7)2.1 主要设计原则 (7)2.2 主要技术标准 (8)2.3 车站总平面布置 (9)2.4 车站规模 (11)2.4.1 车站预测客流与客流组织 (11)2.4.2 站台有效长度及宽度的计算 (12)2.4.3 售检票设施数量计算 (13)2.4.4 站台层的事故疏散时间检算 (14)2.4.5 车站总建筑面积及各部分建筑面积 (15)2.5 车站防灾设计 (16)2.5.1 防火及防烟分区 (16)2.5.2 紧急情况客流组织 (16)2.5.3 人防等级 (16)2.5.4 其他灾害防治 (17)第3章车站维护结构设计 (18)3.1 维护结构选型 (18)3.2 维护结构计算 (20)3.2.1 维护结构计算 (20)3.2.2 计算结果及分析 (20)3.2.3 横撑压杆稳定验算 (25)3.2.4连续墙配筋 (26)第4章车站结构设计 (27)4.1 结构设计原则 (27)4.2 主要技术标准 (28)4.3 结构方案选择 (29)4.3.1 主体结构方案 (29)4.3.2 车站结构尺寸的拟定 (29)4.3.3 建筑材料 (30)4.4 结构计算 (30)4.4.1 计算荷载及组合 (30)4.4.2 主体结构荷载计算 (31)4.4.3 结构内力计算 (33)4.5 结构配筋 (37)4.5.1 配筋计算截面 (37)4.5.2 车站顶板配筋计算 (38)4.5.3 车站中板配筋计算 (45)4.5.4 车站底板配筋计算 (47)4.5.5 车站边墙配筋计算 (55)4.5.6 车站中柱配筋计算 (62)4.6 车站纵梁配筋计算 (63)4.6.1 纵梁的计算思路 (63)4.6.2 车站顶板纵梁的配筋计算 (63)4.6.3 车站中板纵梁的配筋计算 (70)4.6.4 车站底板纵梁的配筋计算 (76)4.7 车站结构抗浮验算 (82)第5章施工组织 (84)5.1 施工方案比选与论证 (84)5.1.1 施工方法概述 (84)5.1.2 施工方法论证 (85)5.2 主要施工步骤 (85)5.3 指导性施工组织及进度安排 (87)5.3.1 施工组织的要求 (87)5.3.2 施工进度安排 (88)5.4 维护结构施工 (89)5.5 主体结构施工 (90)5.6 施工场地布置及交通疏解方案 (91)5.6.1 场地平面布置 (91)5.6.2 施工交通疏解 (93)5.7 管理目标及环境保护措施 (93)5.8 施工监控量测 (95)5.9 防水设计 (96)5.9.1 防水设计原则及标准 (96)5.9.2 防水施工的要求及措施 (96)第6章工程量概算 (98)6.1 预算定额 (98)6.1.1 概念 (98)6.1.2 预算定额的作用 (98)6.2 编制预算原则、依据和方法 (98)6.2.1 预算编制原则 (98)6.2.2 预算定额的编制依据 (99)6.3 工程预算 (99)附录 (101)第1章车站概况1.1工程概况根据深圳市轨道交通规划网络方案,地铁3号线一期工程东起红岭站经老街站后过东门中路站,经人民医院站,田贝路站等共设车站22座,终点至龙岗双龙站,全长32.86km,均为地下线。
毕业设计说明书学生姓名:学号:学院:土木工程与力学学院专业年级: 2010级城市地下空间专业题目:长沙地铁3号线地铁车站初步设计指导教师:评阅教师:2014年4月摘要随着21世纪经济的不断发展,越来越多的城市拔地而起,越来越多的人涌向城市。
在繁荣的背后,也给整个社会带来了众多难题,交通压力无疑是其中的一个。
稍有留意,就会发现我们身边多了越来越多的“堵城”,很难想象,在高峰早晚班时期,一两个小时的寸步难行已经成为常态。
因此,众多城市将减缓交通压力放在了公共交通建设上面,并大力提倡市民乘坐公共交通出行,有的城市,例如北京,早已实施限号的措施。
相对于其它公共交通工具,地铁的优势是明显的,例如快速、便捷、载客量大、对地面交通无影响。
当然,地铁的缺点也是相对的,例如造价高、施工难度大、运营成本高。
但是,有限的缺点,并不能阻止地铁的发展,因为它给一个城市所带来的远期效益难以预估。
地铁车站的设计,相对于普通建筑设计,无疑使相对较难的,地层的复杂性以及准确预测的困难性,都是其中的原因。
本毕业设计按照《地铁设计规范GB50157-2003》和《混凝土结构设计规范GB50010-2010》等规范,根据长沙地铁2号线靳江路站的运营要求、站址环境和工程水文地质条件等,本着经济合理、安全实用的原则,对该站进行建筑设计、结构设计、结构配筋和施工方案设计等。
本毕业设计的主要内容如下:1、根据靳江路车站远期规划要求,选择“适用、经济、美观”的建筑设计方案。
2、在建筑设计方案的基础上进行结构设计,结构设计要合理,并且满足相关规范。
3、选择合理的基坑支护形式,选择经济、对地面影响较小的方案,并且进行基坑支护设计。
4、使用ANSYS有限元设计软件对结构进行内力分析,得出结构的内力图。
5、根据内力结果,对主体结构进行配筋,配筋要符合相关规范。
6、绘制车站建筑施工图、结构施工图以及地下连续墙施工图。
5、进行车站的施工组织设计。
关键词:地铁;地铁车站;建筑设计;基坑支护;结构设计;ANSYS有限元分析Abstract:With the continuous development of the economy of the 21st century, more and more cities going up, more and more people flock to the city. Behind this prosperity, but also to the entire community has brought many problems, traffic pressure is undoubtedly one of them. A little attention, you will find around us more and more "city block", it is difficult to imagine, unable to move during the peak morning and evening classes, an hour or two has become the norm. Therefore, many cities will slow down the traffic pressure on the public transport construction above, and vigorously promote the public by public transport, and in some cities, such as Beijing, has long been the implementation of measures to limit the number. Relative to other modes of public transport, metro advantages are obvious, such as fast, convenient, large capacity, groundtransportation. Of course, the shortcomings of the subway is relative, such as high cost, difficulty of construction, high operating costs. However, a limited number of shortcomings, and can not stop the development of the subway, because it brings to a city long-term benefits are difficult to predict.The design of the subway station, as opposed to ordinary architectural design undoubtedly is relatively difficult, the complexity of the formation and accurately predict the difficulties are the reason. The graduation project in accordance with the Metro design specification GB50157-2003 "and" concrete structure design specifications GB50010-2010 specification, Changsha Metro Line 2 Jin Jiang Road Station operational requirements, site environmental and engineering hydrogeological conditions, in line with economic reasonable, safe and practical principles, architectural design, structural design, structural reinforcement and construction program design of the station.The graduate design the following major elements:1, according to Jin Jiang Road Station term planning requirements, select the "applicable, economic, aesthetic, architectural design program. 2, on the basis of the architectural design, structural design, structural design is reasonable, and meet the relevant specifications.3, select a reasonable foundation pit support form the economic impact on smaller programs on the ground, and Pit Bracing Design.4, using ANSYS finite element design software structure analysis of internal forces, to draw the internal force diagram of the structure. 5, according to the results of the internal forces, the main structure of the reinforcement, reinforcement to comply with the relevant specifications.Draw station construction drawings, construction drawing and underground continuous wall construction plans.6, the construction design of the station.Keywords: Metro; station; architectural design; foundation pit support; structural design; ANSYS finite element analysis; construction program目录第一章绪论 (3)1.1国内外地铁发展概况 (3)1.2城市地铁优缺点概述 (8)1.3地铁建造 (9)1.4本设计的主要内容、目标与方法 (10)第二章工程地质及水文地质条件 (11)2.1地层岩性 (11)2.2岩土物理力学指标 (12)2.3场地土类型、场地复杂程度及场地类别 (13)2.4地震基本烈度 (13)2.5土壤最大冻结深度 (13)2.6水文地质特征 (13)2.7不良地质作用 (13)2.8特殊岩土工程地质 (13)2.9工程环境控制 (14)第三章车站建筑设计 (15)3.1设计依据、范围 (15)3.2主要设计思路和原则 (15)3.3主要设计标准 (16)3.4车站规模 (21)3.5车站各层建筑布置及功能分区 (26)第四章基坑支护设计(地下连续墙设计) (29)4.1地下连续墙简介 (29)4.2支护结构选型 (31)4.3地下连续墙结构设计 (32)第五章ANSYS软件结构分析 (46)5.1荷载计算 (46)5.2计算模型的确定 (49)5.3ANSYS简介 (50)5.4ANSYS计算 (51)第六章车站主体结构计算 (56)6.1钢筋构造及技术要求 (56)6.2耐久混凝土材料 (56)6.3主体结构内力图的绘制 (57)6.4标准截面截面检算 (57)6.5标准截面配筋计算 (62)6.6端头扩大截面配筋计算 (102)6.7主体结构纵梁配筋 (138)第七章施工组织与施工方法 (165)7.1编制依据及原则 (165)7.2工程概况 (165)7.3施工工艺 (166)7.4资源配置 (168)7.5施工方法 (168)7.6主体结构防水 (178)7.7施工测量 (180)7.8施工安全措施 (182)7.9文明施工及环境保护措施 (185)参考文献 187感谢 (188)第一章绪论地下铁道,简称地铁,亦简称为地下铁,狭义上专指在地下运行为主的城市铁路系统或捷运系统;但广义上,由于许多此类的系统为了配合修筑的环境,可能也会有地面化的路段存在,因此通常涵盖了都会地区各种地下与地面上的高密度交通运输系统。
(整理)地铁车站计算.⽬录第1章车站概况 (1)1.1 ⼯程概况 (1)1.2 地形地貌 (1)1.3 ⼯程地质与⽔⽂地质条件 (1)1.3.1 地层岩性 (1)1.3.2 岩⼟物理⼒学性质表 (4)1.3.3 地质构造 (5)1.3.4 ⽔⽂条件 (5)1.3.5 ⼯程地质评价 (6)第2章车站建筑设计 (7)2.1 主要设计原则 (7)2.2 主要技术标准 (8)2.3 车站总平⾯布置 (9)2.4 车站规模 (11)2.4.1 车站预测客流与客流组织 (11)2.4.2 站台有效长度及宽度的计算 (12)2.4.3 售检票设施数量计算 (13)2.4.4 站台层的事故疏散时间检算 (14)2.4.5 车站总建筑⾯积及各部分建筑⾯积 (15)2.5 车站防灾设计 (16)2.5.1 防⽕及防烟分区 (16)2.5.2 紧急情况客流组织 (16)2.5.3 ⼈防等级 (16)2.5.4 其他灾害防治 (17)第3章车站维护结构设计 (18)3.1 维护结构选型 (18)3.2 维护结构计算 (20)3.2.1 维护结构计算 (20)3.2.2 计算结果及分析 (20)3.2.3 横撑压杆稳定验算 (25)3.2.4连续墙配筋 (26)第4章车站结构设计 (27)4.1 结构设计原则 (27)4.2 主要技术标准 (28)4.3 结构⽅案选择 (29)4.3.1 主体结构⽅案 (29)4.3.2 车站结构尺⼨的拟定 (29)4.3.3 建筑材料 (30)4.4 结构计算 (30)4.4.1 计算荷载及组合 (30)4.4.2 主体结构荷载计算 (31)4.4.3 结构内⼒计算 (33)4.5 结构配筋 (37)4.5.1 配筋计算截⾯ (37)4.5.2 车站顶板配筋计算 (38)4.5.3 车站中板配筋计算 (45)4.5.4 车站底板配筋计算 (47)4.5.5 车站边墙配筋计算 (55)4.5.6 车站中柱配筋计算 (62)4.6 车站纵梁配筋计算 (63)4.6.1 纵梁的计算思路 (63)4.6.2 车站顶板纵梁的配筋计算 (63)4.6.3 车站中板纵梁的配筋计算 (70)4.6.4 车站底板纵梁的配筋计算 (76)4.7 车站结构抗浮验算 (82)第5章施⼯组织 (84)5.1 施⼯⽅案⽐选与论证 (84)5.1.1 施⼯⽅法概述 (84)5.1.2 施⼯⽅法论证 (85)5.2 主要施⼯步骤 (85)5.3 指导性施⼯组织及进度安排 (87)5.3.1 施⼯组织的要求 (87)5.3.2 施⼯进度安排 (88)5.4 维护结构施⼯ (89)5.5 主体结构施⼯ (90)5.6 施⼯场地布置及交通疏解⽅案 (91)5.6.1 场地平⾯布置 (91)5.6.2 施⼯交通疏解 (93)5.7 管理⽬标及环境保护措施 (93)5.8 施⼯监控量测 (95)5.9 防⽔设计 (96)5.9.1 防⽔设计原则及标准 (96)5.9.2 防⽔施⼯的要求及措施 (96)第6章⼯程量概算 (98)6.1 预算定额 (98)6.1.1 概念 (98)6.1.2 预算定额的作⽤ (98)6.2 编制预算原则、依据和⽅法 (98)6.2.1 预算编制原则 (98)6.2.2 预算定额的编制依据 (99)6.3 ⼯程预算 (99)附录 (101)第1章车站概况1.1⼯程概况根据深圳市轨道交通规划⽹络⽅案,地铁3号线⼀期⼯程东起红岭站经⽼街站后过东门中路站,经⼈民医院站,⽥贝路站等共设车站22座,终点⾄龙岗双龙站,全长32.86km,均为地下线。
地铁车站计算书————————————————————————————————作者:————————————————————————————————日期:ﻩ一设计依据二设计说明2.1 工程概况2.2 环境条件2.3 地质概况2.3.1地形地貌2.3.2 岩土分层及其特性2.3.3 水文及工程地质2.3.4场地抗震设防附岩土物理力学参数表2.4 基坑支护形式2.5 基坑计算本工程围护结构主要采用理正软件进行设计计算,并利用岩土工程有限元分析程序plaxis对终点里程端头井基坑开挖过程进行模拟,作为对理正软件计算结果进行补充和验证。
钻孔灌注桩作临时结构考虑,即:开挖施工期间,钻孔灌注桩作为围护结构,承受全部的水土压力及地面超载。
使用阶段不考虑钻孔灌注桩的作用。
理正深基坑软件模拟了施工过程,遵循“先变位,后支撑”的原则,在计算中计入结构的先期位移值及支撑变形,应用基于弹性理论的进行围护结构计算,岩土体对围护结构侧向作用力采用朗肯土压力理论计算,土体与结构相互作用采用一系列仅受压弹簧进行模拟(温克尔地基梁计算模型),最终的位移及内力值为各阶段累加值。
Plaxis为基于有限元理论的岩土专业分析程序,能较为真实地反映基坑开挖过程中岩土及结构物的应力变形发展,将终点里程处端头井简化为平面应变模型,利用地下水渗流分析功能对基坑开挖降水过程进行模拟,同时输出“半截桩”支护的变形与内力。
抗震分析采用地震系数法进行横向抗震分析。
经计算地震作用对结构影响较小,故在设计中仅采用相应的构造措施来提高整体的抗震能力。
2.5.1湘府路终点里程端头井围护结构计算计算所用地质资料取自地质勘查文件,钻孔编号为JZ-Ⅳ10-湘府路补10。
2.5.1.1支护方案排桩(钻孔灌注桩)支护2.5.1.2 设计信息1.基坑概况参数内力计算方法增量法规范与规程《建筑基坑支护技术规程》JGJ 120-99基坑等级一级基坑侧壁重要性系数γ01.10基坑深度H(m)22.650嵌固深度(m)6.000桩顶标高(m)0.000桩截面类型圆形└桩直径(m) 1.000桩间距(m) 1.150混凝土强度等级C35有无冠梁有├冠梁宽度(m) 1.400├冠梁高度(m) 1.000└水平侧向刚度(MN/m) 75.031放坡级数0超载个数1支护结构上的水平集中力02.超载信息超载类型超载值作用深度作用宽度距坑边距形式长度序号(kPa,kN/m)(m)(m)(m)(m)120.000---------------3.土层信息土层数7坑内加固土否内侧降水最终深度(m)24.000外侧水位深度(m)0.000内侧水位是否随开挖过程变化是内侧水位距开挖面距离(m) 1.000弹性计算方法按土层指定ㄨ弹性法计算方法m法4.土层参数层号土类名称层厚重度浮重度粘聚力内摩擦角(m)(kN/m3)(kN/m3)(kPa)(度)1杂填土 1.4017.07.0 2.008.002粉土4.4020.210.217.5014.50 3粘性土 3.4020.310.338.5320.26 4圆砾0.8020.010.00.0030.005强风化岩0.9020.010.0 5.0035.00 6强风化岩9.1021.011.0 2.0040.00 7微风化岩10.9022.012.02.0045.00层号与锚固体摩粘聚力内摩擦角水土计算方法m,c,K值抗剪强度擦阻力(kPa)水下(kPa)水下(度)(kPa)116.02.008.00分算m法0.68---265.017.5014.50分算m法 4.51---380.038.5320.26分算m法10.04---4150.00.0030.00分算m法15.00---5200.06.0033.00分算m法21.60---6250.0 2.0040.00分算m法28.20---7120.0 2.0045.00合算m法36.20---5.支锚信息支锚道数6支锚支锚类型水平间距竖向间距入射角总长锚固段道号(m)(m)(°)(m)长度(m)1内撑8.0000.500---------2内撑8.0005.700---------3内撑 2.5004.500---------4内撑 2.5001.500---------5内撑2.500 2.500---------6内撑 2.500 3.500---------支锚预加力支锚刚度锚固体工况锚固力材料抗力材料抗力道号(kN)(MN/m)直径(mm)号调整系数(kN)调整系数10.003101.00---2~20---20160000.001.0020.003101.00---4~18---20160000.001.0030.00755.00---6~16---6140330.001.0040.00755.00---15~---6140330.001.0050.00755.00---8~14---6140330.001.0060.00755.00---10~13---6140330.001.006.土压力模型及系数调整ﻩ弹性法土压力模型:ﻩ经典法土压力模型:ﻩ层号土类名称水土水压力主动土压力被动土压力被动土压力调整系数调整系数调整系数最大值(kPa)1杂填土分算1.0001.000 1.00010000.0002粉土分算 1.0001.0001.00010000.0003粘性土分算1.000 1.0001.00010000.000 4圆砾分算1.0001.000 1.00010000.0005强风化岩分算1.000 1.000 1.00010000.0006强风化岩分算 1.0001.0001.00010000.000 7微风化岩合算1.000 1.0001.00010000.0007.工况信息工况工况深度支锚号类型(m)道号1开挖 1.000---2加撑--- 1.内撑3开挖6.700---4加撑--- 2.内撑5开挖11.200---6加撑---3.内撑7开挖15.200---8加撑---5.内撑9开挖18.700---10加撑--- 6.内撑11开挖22.650---12刚性铰21.950---13拆撑---6.内撑14拆撑--- 5.内撑15加撑---4.内撑16拆撑---3.内撑17刚性铰9.450---18拆撑---2.内撑19刚性铰 1.900---20拆撑---1.内撑2.5.1.3 各工况内力计算结果各工况:内力位移包络图:2.5.1.4 整体稳定性计算计算方法:瑞典条分法应力状态:总应力法条分法中的土条宽度: 0.40m滑裂面数据整体稳定安全系数 Ks = 2147.366圆弧半径(m) R = 78.729圆心坐标X(m) X = 13.449圆心坐标Y(m) Y = 71.7382.5.1.5抗倾覆稳定性验算抗倾覆安全系数:K s M p M aﻩM p——被动土压力及支点力对桩底的抗倾覆弯矩,对于内支撑支点力由内支撑抗压力ﻩ决定;对于锚杆或锚索,支点力为锚杆或锚索的锚固力和抗拉力的较小值。
Ma——主动土压力对桩底的倾覆弯矩。
ﻩ注意:锚固力计算依据锚杆实际锚固长度计算。
工况1:注意:锚固力计算依据锚杆实际锚固长度计算。
序号ﻩ支锚类型 材料抗力(kN /m)ﻩ锚固力(kN/m)ﻩ 1 内撑ﻩ 0000.ﻩ ---ﻩ 2 内撑 0.000 ---3 内撑 0.000 --- 4ﻩ 内撑ﻩ 000.0ﻩ ---5 内撑 0.000 ---ﻩ 6ﻩ 内撑 0.000ﻩ ---ﻩ=K s +226292.943 0.0008305.204ﻩK s = 27.247 >= 1.200, 满足规范要求。
工况2:注意:锚固力计算依据锚杆实际锚固长度计算。
序号 支锚类型 材料抗力(kN/m) 锚固力(kN/m)ﻩ 1 内撑ﻩ 0000.002025ﻩ --- ﻩ 2 内撑ﻩ 0.000 --- ﻩ 3 内撑 0.000ﻩ --- 4ﻩ 内撑 0.000ﻩ ---ﻩ 5ﻩ 内撑 0.000ﻩ ---ﻩ 6ﻩ 内撑ﻩ 000.0 ---=K s +226292.943 70937999.0398305.204K s = 8568.638 >= 1.200, 满足规范要求。
工况3:注意:锚固力计算依据锚杆实际锚固长度计算。
序号ﻩ支锚类型ﻩ材料抗力(kN /m)ﻩ锚固力(kN/m)ﻩ 1 内撑 2520000.000ﻩ ---2ﻩ 内撑 0.000ﻩ ---3 内撑 0.000ﻩ --- ﻩ 4ﻩ 内撑ﻩ 0.000 ---5 内撑 0.000 --- ﻩ 6ﻩ 内撑 0.000ﻩ ---=K s +141751.556 70937999.03925798.202ﻩK s = 2755.220 >= 1.200, 满足规范要求。
工况4:注意:锚固力计算依据锚杆实际锚固长度计算。
序号 支锚类型ﻩ材料抗力(kN /m) 锚固力(kN /m)1 内撑 2520000.000ﻩ --- ﻩ2 内撑ﻩ 0002520000.ﻩ ---ﻩ 3 内撑ﻩ 0000.ﻩ --- 4ﻩ 内撑ﻩ 0.000 --- 5ﻩ 内撑 0.000 --- ﻩ 6ﻩ 内撑 0.000ﻩ ---ﻩ=K s +141751.556 127511998.55825798.202Ks = 4948.164 >= 1.200, 满足规范要求。
工况5:注意:锚固力计算依据锚杆实际锚固长度计算。
ﻩ序号 支锚类型 材料抗力(k N/m) 锚固力(k N/m) ﻩ 1 内撑ﻩ 0002520000.ﻩ --- 2ﻩ 内撑 2520000.000ﻩ --- ﻩ 3ﻩ 内撑 0.000 --- ﻩ 4ﻩ 内撑ﻩ 00.00 --- ﻩ 5ﻩ 内撑 0.000ﻩ --- ﻩ 6ﻩ 内撑 0.000 ---=K s +83050.209 127511998.55834141.521K s = 3737.239 >= 1.200, 满足规范要求。
工况6:注意:锚固力计算依据锚杆实际锚固长度计算。
ﻩ序号 支锚类型ﻩ材料抗力(k N/m)ﻩ锚固力(kN/m)1 内撑 2520000.000ﻩ --- ﻩ 2 内撑ﻩ 000.0025200 --- ﻩ 3ﻩ 内撑ﻩ .0003224561 --- ﻩ 4ﻩ 内撑ﻩ 000.0 --- ﻩ 5ﻩ 内撑 0.000ﻩ --- ﻩ 6 内撑ﻩ 0.000 ---=K s +83050.209 171599567.49034141.521 K s = 5028.558 >= 1.200, 满足规范要求。
工况7:注意:锚固力计算依据锚杆实际锚固长度计算。