钢筋外观尺寸和重量偏差表(国标)
- 格式:doc
- 大小:74.50 KB
- 文档页数:4
进场钢筋检查允许偏差
沟槽开挖的允许偏差
管道基础允许偏差
井室的允许偏差
刚性管道沟槽回填土压实度
柔性管道沟槽回填土压实度
立缘石、平缘石安装允许偏差
铺砌允许偏差
收水井、支管允许偏差
沥青混凝土沥青路面施工质量检查标准
钢筋外观尺寸和重量偏差表
公称直径 (mm ) 公称横截面面积
(mm 2
) 理论重量(kg/m )
直径2
×0.617×0.01 带肋钢筋
带肋钢筋
光圆
光圆
实际重量与理论重量的偏差% 内径公称尺寸
允许偏差 允许偏差 实际重量与理论重量的偏差%
6(6.5)
28.27(33.18)
0.222(0.260)
+7
5.8 +0.3
+0.3
+7
8 50.27 0.395 7.7
+0.4
10 78.54 0.617 9.6 12 113.1 0.888 11.5 14 153.9 1.21 +5
13.4 +0.4
+5
16 201.1 1.58
15.4 18 254.5 2.00 17.3 20 314.2 2.47 19.3 +0.5
22
380.1
2.98
+4
21.3 25
490.9
3.85
24.2
试样应从不同根钢筋上用切割机截取,两端平滑,数量不少于15根,每支试样长度不小于500mm(通常取500~520mm之间),截取的钢筋上应有表面标识。
钢筋外观尺寸和重量偏差自检记录表。
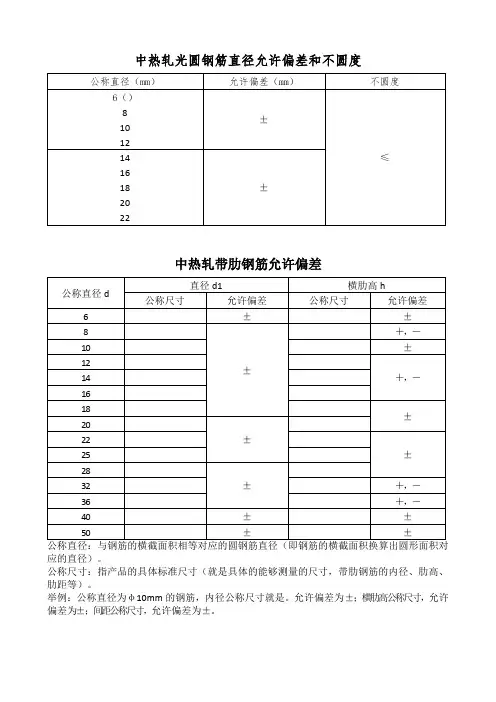
中热轧光圆钢筋直径允许偏差和不圆度
中热轧带肋钢筋允许偏差
应的直径)。
公称尺寸:指产品的具体标准尺寸(就是具体的能够测量的尺寸,带肋钢筋的内径、肋高、肋距等)。
举例:公称直径为φ10mm的钢筋,内径公称尺寸就是。
允许偏差为±;横肋高公称尺寸,允许偏差为±;间距公称尺寸,允许偏差为±。
热扎钢筋的直径、横截面面积和重量
质监站要求(按截面面积的4%),其允许偏差如下:
瘦身钢筋直径推定值
关于规范中盘卷和直条钢筋调直后检查方法的说明,近期监督人员对瘦身钢筋的检查中,提出如何对瘦身钢筋进行检查,怎样判断是否为瘦身钢筋。
现就规范规定解答如下:
一、在《混凝土结构工程施工质量验收规范》(2011 年版)中,要求“钢筋进场时,应按国家现行相关标准的规定抽取试件做力学性能和重量偏差检验,检验结果必须符合有关标准的规定”。
原材料重量偏差允许值如以下两表所示。
二、在《混凝土结构工程施工质量验收规范》(2011 年版)中,要求“钢筋调直后应进行力学性能和重量偏差的检验,其强度应符合有关标准的规定。
采用无延伸功能的机械设备调直的钢筋,可不进行本条规定的检验”。
调直后的断后伸长率、重量负偏差应符合下表规
合要求,现将调直后钢筋允许重量偏差最大值换算成钢筋直径偏差(见下表),该表仅限于现场检查快速初判,仅供参考,不作为最终判定标准。
当低于表中数值或有怀疑时,应取样(不小于500mm 长度)到有资质的试验室进行重量偏差检验,最终以试验室检测数据为准。
盘卷和直条钢筋调直后直径推定值。
中热轧光圆钢筋直径允许偏差和不圆度中热轧带肋钢筋允许偏差公称直径:与钢筋的横截面积相等对应的圆钢筋直径(即钢筋的横截面积换算出圆形面积对应的直径)。
公称尺寸:指产品的具体标准尺寸(就是具体的能够测量的尺寸,带肋钢筋的内径、肋咼、肋距等)。
举例:公称直径为© 10m m的钢筋,内径公称尺寸就是。
允许偏差为土;横肋高公称尺寸, 允许偏差为土;间距公称尺寸,允许偏差为土热扎钢筋的直径、横截面面积和重量注:公式X钢筋直径的平方=理论重量质监站要求(按截面面积的4%,其允许偏差如下:瘦身钢筋直径推定值关于规范中盘卷和直条钢筋调直后检查方法的说明,近期监督人员对瘦身钢筋的检查中,提出如何对瘦身钢筋进行检查,怎样判断是否为瘦身钢筋。
现就规范规定解答如下:一、在《混凝土结构工程施工质量验收规范》(2011年版)中,要求“钢筋进场时, 应按国家现行相关标准的规定抽取试件做力学性能和重量偏差检验,检验结果必须符合有关标准的规定”。
原材料重量偏差允许值如以下两表所示。
表一热轧光圆钢筋实际重量与理论重量的偏差要求注:上表摘自第条表二热轧带肋钢筋实际重量与理论重量的偏差要求注:上表摘自第二、在《混凝土结构工程施工质量验收规范》(2011年版)中,要求“钢筋调直后应进行力学性能和重量偏差的检验,其强度应符合有关标准的规定。
采用无延伸功能的机械设备调直的钢筋,可不进行本条规定的检验”。
调直后的断后伸长率、重量负偏差应符合下表规定。
三、由于重量偏差需要在检测站进行测量计算,为了便于检查人员现场快速推定钢筋是否符合要求,现将调直后钢筋允许重量偏差最大值换算成钢筋直径偏差(见下表),该表仅限于现场检查快速初判,仅供参考,不作为最终判定标准。
当低于表中数值或有怀疑时,应取样(不小于500mm长度)到有资质的试验室进行重量偏差检验,最终以试验室检测数据为准。
盘卷和直条钢筋调直后直径推定值。
国家规定钢筋允许误差I级钢的标准为GB13013-91《钢筋混凝土用热轧光圆钢筋》:II级和III级钢的标准为GB1499-1998《钢筋混凝土用热轧带肋钢筋》。
1.热轧带肋钢筋尺寸、外形、重量和允许偏差,1)公称直径范围及推荐直径钢筋的公称直径范围为6~25mm,标准推荐的钢筋公称直径为6、8、10、12、14、16、18、20、22、25、32、40、50mm;内径为5.8、7.7、9.6、11.5、13.4、15.4、17.3、19.3、21.3、24.2、31.0、38.7、48.52)带肋钢盘的表面形状(见附图)及尺寸允许偏差、带肋钢筋横肋应符合下列基本规定:横肋与钢盘轴线的夹角β不应小于45度,当该夹角不大于70度时,钢筋相对两面上横肋的方向应相反;横肋与间距l不得大于钢筋公称直径的0.7倍;横肋侧面与钢筋表面的夹角α不得小于45度;钢筋相对两面上横肋末端之间的间隙(包括纵肋宽度)总和不应大于钢筋公称周长的20%;当钢筋公称直径不大于12mm时,相对肋面积不应小于0.055;•公称直径为14mm和16mm,相对肋面积不应小于0.060;公称直径大于16mm时,相对肋面积不应小于0.065。
3)长度及允许偏差a、长度:钢筋通常按定尺长度交货,具体交货长度应在合同中注明;•钢筋以盘卷交货时,每盘应是一条钢筋,允许每批有5%•的盘数(不足两盘时可有两盘)由两条钢筋组成。
其盘重及盘径由供需双方协商规定。
b、长度允许偏差:钢筋按定尺交货时的长度允许偏差不得大于+50mm。
c、弯曲度和端部:直条钢筋的弯曲变应不影响正常使用,总弯曲度不大于钢筋总长度的40%;钢筋端部应剪切正直,局部变形应不影响使用。
4)重量允许偏差:直径6~12mm为±7%,14~20mm为±5%,22~50mm为±4%。
续;图中:d-钢筋内径;α-横肋斜角;h-横肋高度;β-横肋与轴线夹角;h1-纵肋高度;θ-纵肋斜角;a-纵肋顶宽;l-横肋间距;b-横肋顶宽2.热轧光圆钢筋尺寸、外形:1). 钢筋的公称直径范围为8mm~20mm,推荐的钢筋公称直径为8、10、12、14、16、18、20mm.2). 钢筋的公称直径、横截面积列于下表:公称直径公称截面面积公称质量(mm)(mm2 kg/m)8 50.27 0.39510 78.54 0.61712 113.1 0.88814 153.9 1.2116 201.1 1.5818 254.5 2.0020 314.2 2.473). 钢筋的直径允许偏差:A级精度+0.40mm B级精度+0.30mm C级精度+0.15mm4). 通常长度:钢筋按直条交货时,其通常长度为3.5m~12mm,其中长度为3.5m至小于6 m 之间的钢筋不得超过每批质量的3%。
关于发布国家标准《混凝土结构工程施工质量验收规范》局部修订的公告第849号现批准《混凝土结构工程施工质量验收规范》GB 50204-2002局部修订的条文,自2011年8月1日起实施。
其中第5.2.1、5.2.2条为强制性条文,必须严格执行。
经此次修改的原条文同时废止。
局部修订的条文及具体内容,将刊登在我部有关网站和近期出版的《工程建设标准化》刊物上。
中华人民共和国住房和城乡建设部2010年12月20日国家标准《混凝土结构工程施工质量验收规范》局部修订的条文及条文说明5.2 原材料主控项目5.2.1 钢筋进场时,应按国家现行相关标准的规定抽取试件作力学性能和重量偏差检验,检验结果必须符合有关标准的规定。
检查数量:按进场的批次和产品的抽样检验方案确定。
检验方法:检查产品合格证、出厂检验报告和进场复验报告。
【条文说明】钢筋对混凝土结构的承载能力至关重要,对其质量应从严要求。
本次局部修订根据建筑钢筋市场的实际情况,增加了重量偏差作为钢筋进场验收的要求。
与热轧光圆钢筋、热轧带肋钢筋、余热处理钢筋、钢筋焊接网性能及检验相关的国家现行标准有:《钢筋混凝土用钢第1部分:热轧光圆钢筋》GB1499.1、《钢筋混凝土用钢第2部分:热轧带肋钢筋》GB1499.2、《钢筋混凝土用余热处理钢筋》GB13014、《钢筋混凝土用钢第3部分:钢筋焊接网》GB1499.3。
与冷加工钢筋性能及检验相关的国际标准有:《冷轧带肋钢筋》GB13788、《冷轧扭钢筋》JG 190及《冷轧带肋钢筋混凝土结构技术规程》JGJ 95、《冷轧扭钢筋混凝土构件技术规程》JGJ 115、《冷拔低碳钢丝应用技术规程》JGJ 19等。
钢筋进场时,应检查产品合格证和出厂检验报告,并按相关标准的规定进行抽样检验。
由于工程量、运输条件和各种钢筋的用量等的差异,很难对钢筋进场的批量大小作出统一规定。
实际检查时,若有关标准中对进场检验作了具体规定,应遵照执行;若有关标准中只有对产品出厂检验的规定,则在进场检验时,批量应按下列情况确定:1.对同一厂家、同一牌号、同一规格的钢筋,当一次进场的数量大于该产品的出厂检验批量时,应划分为若干个出厂检验批量,按出厂检验的抽样方案执行;2.对同一厂家、同一牌号、同一规格的钢筋,当一次进场的数量小于或等于该产品的出厂检验批量时,应作为一个检验批量,然后按出厂检验的抽样方案执行;3.对不同时间进场的同批钢筋,当确有可靠依据时,可按一次进场的钢筋处理。
国标钢筋负公差表我国的国家建筑标准混凝土用钢筋一般为两种即:热轧光圆钢筋和热轧带肋钢筋;国标钢筋的误差范围也是按两种不同钢筋来规定的。
一、热轧光圆钢筋的有关误差范围如下:1、钢筋直径、不圆度的允许偏差范围:公称直径(mm)允许偏差(mm)不圆度(mm)6(6.5)±0,3 ≤0.48 ±0,3 ≤0.410 ±0,3 ≤0.412 ±0,3 ≤0.414 ±0.4 ≤0.416 ±0.4 ≤0.418 ± 0.4 ≤0.420 ± 0.4 ≤0.422 ± 0.4 ≤0.42、钢筋长度的允许偏差:按定尺长度交货的长条钢筋长度偏差允许范围为0—50mm3、弯曲度:总弯曲不大于钢筋总长度的0.4%4、钢筋实际重量与理论重量的允许偏差:公称直径(mm)实际重量与理论重量的允许偏差(%)6—12 ±714--22 ±5二、热轧带肋钢筋的允许偏差内容较多在此就不在一一列出,请查看国标1499.2 2007《钢筋混凝土用钢第二部分热轧带肋钢筋》规范里很齐全。
绑扎钢筋网的长与宽±10绑扎钢筋网网眼尺寸±20绑扎钢筋骨架宽度、高度±5绑扎钢筋骨架的长度±10受力钢筋间距±10受力钢筋排距±5钢筋弯起点位置20绑扎箍筋、横向钢筋间距±20焊接预埋件中心线位置5水平高差+3,0受力筋保护层基础±10梁、柱+5墙、板、壳±3以上是钢筋安装允许的误差范围。
钢筋的直径允许偏差:A级精度+0.40mm B级精度+0.30mm C级精度+0.15mm。
在GB1499-99热轧带肋钢筋规范中说钢筋偏差有尺寸和重量两种偏差依据。
1.热轧带肋钢筋尺寸、外形、重量和允许偏差,1)公称直径范围及推荐直径钢筋的公称直径范围为6~25mm,标准推荐的钢筋公称直径为6、8、10、12、14、16、18、20、22、25、32、40、50mm;内径为5.8、7.7、9.6、11.5、13.4、15.4、17.3、19.3、21.3、24.2、31.0、38.7、48.52)带肋钢盘的表面形状(见附图)及尺寸允许偏差、带肋钢筋横肋应符合下列基本规定:横肋与钢盘轴线的夹角β不应小于45度,当该夹角不大于70度时,钢筋相对两面上横肋的方向应相反;横肋与间距l不得大于钢筋公称直径的0.7倍;横肋侧面与钢筋表面的夹角α不得小于45度;钢筋相对两面上横肋末端之间的间隙(包括纵肋宽度)总和不应大于钢筋公称周长的20%;当钢筋公称直径不大于12mm时,相对肋面积不应小于0.055;•公称直径为14mm和16mm,相对肋面积不应小于0.060;公称直径大于16mm时,相对肋面积不应小于0.065。
3)长度及允许偏差a、长度:钢筋通常按定尺长度交货,具体交货长度应在合同中注明;•钢筋以盘卷交货时,每盘应是一条钢筋,允许每批有5%•的盘数(不足两盘时可有两盘)由两条钢筋组成。
其盘重及盘径由供需双方协商规定。
b、长度允许偏差:钢筋按定尺交货时的长度允许偏差不得大于+50mm。
c、弯曲度和端部:直条钢筋的弯曲变应不影响正常使用,总弯曲度不大于钢筋总长度的40%;钢筋端部应剪切正直,局部变形应不影响使用。
4)重量允许偏差:直径6~12mm为±7%,14~20mm为±5%,22~50mm为±4%。