美的故障代码
- 格式:docx
- 大小:17.81 KB
- 文档页数:14
美的空调故障代码大全收藏版美的空调故障代码大全故障代码故障内容维修措施适用型号E0EEPROM参数错误指示E系列、M系列、H系列、G系列直流变频挂机E1室内机和室外机通信故障E2过零检测出错E3风机速度失控E4温度保险丝断开保护E5室外温度传感器故障E6室内温度传感器故障P0模块保护P1电压过高或过低保护P2压缩机顶部温度保护P4直流变频压缩机位置保护故障代码故障内容适用型号E0EEPROM参数错误指示N系列、W系列直流变频挂机E1室内机和室外机通信故障E2过零检测出错E3风机速度失控E4温度保险丝断开保护E5室外温度传感器故障或室外807EEPROM故障E6室内温度传感器故障P0模块保护P1电压过高或过低保护P2压缩机顶部温度保护P4直流变频压缩机位置保护故障代码故障内容适用型号E1EEPROM参数错误指示C系列全直流变频挂机E2室内机和室外机通信故障E3过零检测出错E4风机速度失控E5室外温度传感器故障或室外E方参数故障E6室内温度传感器故障E7室外风机速度失控故障E8显示板通信故障E9IPM模块故障P0模块保护P1电压过高或过低保护P2压缩机顶部温度保护P3室外温度过低保护P4直流变频压缩机位置保护故障代码故障内容适用型号E0EEPROM参数错误指示I系列直流变频挂机E1室内机和室外机通信故障E2过零检测出错显示代码指示内容E3风机速度失控E5室外温度传感器故障或室外E方参数故障E6室内温度传感器故障E7室外风机速度失控故障E8除尘复位故障P0模块保护P1电压过高或过低保护P2压缩机顶部温度保护P3室外温度过低保护P4直流变频压缩机位置保护故障代码故障内容适用型号E0EEPROM参数错误指示J、K、L、R、K(太阳能)系列直流变频挂机E1室内机和室外机通信故障E2过零检测出错E3风机速度失控E5室外温度传感器故障或室外E方参数故障E6室内温度传感器故障E7室外风机速度失控故障E8模式冲突P0模块保护显示代码指示内容P1电压过高或过低保护P2压缩机顶部温度保护P3室外温度过低保护P4直流变频压缩机位置保护故障代码故障内容适用型号E01一个小时四次模块保护50FBPY、50BPY变频柜机 E03一个小时三次排气温度保护P01室内板与室外板2分钟通讯不上保护P02IPM模块保护P03高低电压保护P04室内温度传感器开路或短路(房间、温度)P05室外温度传感器开路或短路(高温或低温)P06室内蒸发器温度保护关压缩机(高温或低温)P07室外冷凝器高温保护关压缩机P09室外排气温度过高关压缩机P10压缩机顶部温度保护P11化霜或防冷风P12室内风机温度过热P13室内板与开关板3分钟通讯不上故障代码故障内容适用型号E0上电时读EEPROM参数出错美的系列侧出风嵌入式空调器E1室内房间温度T1传感器开路或短路E2室内蒸发器温度T2传感器开路或短路E3冷凝器温度T3传感器开路或短路Pd四次电流保护故障代码故障内容适用型号E1上电时读EEPROM参数出错Q1系列、Q2系列、Q3系列、U系列、V系列、J系列、V1系列、N系列、X系列、GA系列、、V1系列、H系列、A系列、B系列、K系列、W系列、FA系列、FB系列、FC系列、HA系列、HB系列、GC系列分体机 E2过零检测出错E3风机速度失控E4四次电流保护E5室内房间温度传感器开路或短路E6室内蒸发器温度传感器开路或短路故障代码故障内容适用型号E1上电时读EEPROM参数出错P系列分体机E2过零检测出错E3风机速度失控E4四次电流保护E5室内房间温度传感器开路或短路E6室内蒸发器温度传感器开路或短路E8过滤网复位故障故障代码故障内容适用型号E1T1传感器故障Q系列E2T2传感器故障E3T3传感器故障E4T4传感器故障E5网络通信故障E6室外保护E7加湿器故障E8静电除尘故障E9EEPROM出错故障代码故障内容适用型号E1T1传感器故障S1、S2、S3、S6型系列、Q1、Q2、Q3系列、U(U1)系列、、P系列、K系列柜机、V系列、J系列、R系列柜、V2系列、W系列、GA系列、N系列E2T2传感器故障E3T3/T4传感器故障E4T4传感器故障(变频机用)E5网络通信故障E6室外故障E7加湿器故障E8静电除尘故障E9自动门故障PAU进风格栅保护故障代码故障内容适用型号E1T1传感器故障5匹柜机系列新电控方案E2T2传感器故障E3T3/T4传感器故障E4T4传感器故障E5室内外通信故障E10压缩机低压故障E13压缩机缺相故障E14压缩机相序反接故障故障代码故障内容适用型号E1T1传感器故障E2系列、E3系列、DC系列、DE系列、HA系列、F系列、I系列、G系列、GC系列、IA系列、IB系列柜机E2T2传感器故障E3T3传感器故障E4T4传感器故障E5负载板与显示板通信故障E8室内外通信故障E9开关门故障EA压缩机低压故障Eb室内直流风机失速Ed压缩机缺相故障EE压缩机相序反接故障PAU进风格栅保护故障代码故障内容适用型号E0EEPROM参数错误指示R型交流变频系列、S型交流变频系列、V型交流变频分体机系列E1室内机和室外机通信故障E2过零检测出错E3风机速度失控E4温度保险丝断开保护E5室外温度传感器故障E6室内温度传感器故障P0模块保护P1电压过高或过低保护P2压缩机顶部温度保护故障代码故障内容适用型号E0EEPROM参数错误指示U型全直流变频、V型全直流变频分体机系列E1室内机和室外机通信故障E2过零检测出错E3风机速度失控E4温度保险丝断开保护E5室外温度传感器故障E6室内温度传感器故障E7室外风机速度失控(V型全直流变频)P0模块保护P1电压过高或过低保护P2压缩机顶部温度保护P3室外温度过低保护(预留)P4压缩机位置检测故障。
美的变频空调故障代码汇总表一、变频分体机1、KFR-28GW/BPY,KFR-32GW/BPY,KFR-45GW/BPY室内机故障指示1.1室内机故障显示功能KFR-28GW/BPY,KFR-32GW/BPY,KFR-45GW/BPY室内机故障指示化霜灯定时灯自动灯运行灯 LED 状态××○☆模块保护○××☆压缩机顶部温度保护×○×☆室外温度传感器开路或短路○×○☆制冷或制热室外温度过低、室外温度过高×○○☆电压过高或过低保护○○×☆电流保护○○○☆室内房间温度、蒸发器温度传感器开路或短路○×☆☆室内蒸发器高温保护或低温保护×○☆☆抽湿模式室内温度过低保护○○☆☆风机速度失控☆×○☆过零检测出错☆○×☆温度保险丝断保护☆○☆☆机型不匹配☆☆☆☆室内机和室外机通信保护○----亮×----熄☆----闪1.2 室外主控板LED显示L4 运行/待机指示灯:运行----长亮待机----闪烁KFR-28GW/BPY,KFR-32GW/BPY,KFR-45GW/BPY室外主控板故障指示L3 L2 L1 故障说明①②③ (LED指示灯从左到右)×××正常运行○○○正常待机××○电流保护×☆☆环境温度传感器故障☆×☆盘管温度传感器故障○☆○室外电压太高或太低×○× IPM模块保护×○○压机顶部温度保护○××二分钟通信故障保护×☆×预热○——常亮☆——闪烁×——常灭2、KFR-26GW/I1BPY,KFR-32GW/I1BPY,KFR-26GW/CBPY,KFR-32GW/CBPY变频分体机2.1 室内机故障显示功能KFR-26GW/I1BPY,KFR-32GW/I1BPY,KFR-26GW/CBPY,KFR-32GW/CBPY室内机故障指示室内机故障指示化霜灯定时灯自动灯(或换气灯)注1 运行灯 LED 状态××○☆模块保护○××☆压缩机顶部温度保护×○×☆室外温度传感器开路或短路×○○☆电压过高或过低保护○○○☆室内房间温度、蒸发器温度传感器开路或短路○○☆☆风机速度失控☆×○☆过零检测出错☆○×☆温度保险丝断保护××☆☆ EEPROM参数错误指示☆○☆☆机型不匹配☆☆☆☆室内机和室外机通信保护○——常亮☆——闪烁×——常灭注1:对KFR-26GW/I1BPY,KFR-32GW/I1BPY为自动灯;对KFR-26GW/CBPY,KFR-32GW/CBPY 为自动换气及连续换气灯;2.2 室外主控板LED显示室外只有L4 运行/待机/指示灯:运行:长亮待机:0.5HZ闪烁故障:1HZ闪烁3、KFR-26GW/BPY-R、KFR-35GW/BPY-R、KFR-26GW/BPY-S、KFR-35GW/BPY-S、KFR-26GW/BPUYP-V、KFR-32GW/BPUYP-V变频分体机3.1 室内机故障显示KFR-26GW/BPY-R,KFR-35GW/BPY-R,KFR-26GW/BPY-S,KFR-35GW/BPY-S室内机故障指示显示内容故障或保护E0 EEPROM参数错误E1 室内外机通信故障E2 过零检测出错E3 风机速度失控E4 温度保险丝断保护E5 室外温度传感器故障E6 室内温度传感器故障P0 模块保护P1 电压过高或过低保护P2 压缩机顶部温度保护3.2 室外主控板LED显示室外只有L4 运行/待机/指示灯:运行:长亮待机:0.5HZ闪烁故障:1HZ闪烁3.3 KFR-26GW/BPY-R1、KFR-35GW/BPY-R1室内机故障指示化霜灯定时灯干燥防霉灯强劲灯 LED状态☆ X X X EEPROM参数错误☆ O O O 模块保护☆ O X X 压缩机顶部温度保护☆ X X O 室外温度传感器开路或短路☆ X O O 电压过高或过低保护☆ X O X 室内温度传感器开路或短路☆ O X O 风机速度失控☆ O O X 过零检测出错☆☆☆☆室内机和室外机通信保护备注:O———常亮☆———2HZ闪烁 X———常灭4、KFR-26GW/BP2UYP-U、KFR-32GW/BP2UYP-U、KFR-26GW/BP2UYP-V、KFR-32GW/BP2UYP-V直流变频分体机4.1 室内机故障显示KFR-26GW/BP2UYP-U、KFR-32GW/BP2UYP-U、KFR-26GW/BP2UYP-V、KFR-32GW/BP2UYP-V室内机故障指示显示内容故障或保护E0 EEPROM参数错误E1 室内外机通信故障E2 过零检测出错E3 风机速度失控E4 温度保险丝断保护E5 室外温度传感器故障E6 室内温度传感器故障E7 室外风机失速故障(对V型全直流变频)P0 模块保护P1 电压过高或过低保护P2 压缩机顶部温度保护P3 室外温度过低保护(预留)P4 压缩机位置检测故障4.2 室外主控板LED显示室外有4个LED灯,分别为电源灯(LED1)、状态灯(LED2、LED3、LED4)室外机LED显示功能:LED1 电源灯上电后长亮LED4 LED3 LED2 故障说明绿黄红 (LED指示灯从左到右)X X X 正常运行○○○正常待机○ X X 电流保护☆ X X 排气温度传感器故障☆☆ X 环境温度传感器故障☆ X ☆冷凝器温度传感器故障○☆○电压保护X ○ X IPM模块保护○○ X 压缩机顶部温度保护X X ○ 2分钟通信故障保护☆☆○压缩机驱动保护☆ X ○室外直流风机失速保护备注:○——常亮☆——闪烁 X——常灭闪烁频率为2Hz/s二、变频柜机1、KFR-50LW/BPY,KFR-50LW/FBPY,KFR-61LW/FBPY变频柜机1.1 室内机LCD显示保护信息代码(可恢复的保护)KFR-50LW/BPY,KFR-50LW/FBPY,KFR-61LW/FBPY室内机故障指示代码内容P01 室内板与室外板2分钟通信不上保护P02 IPM 模块保护P03 高低电压保护P04 室内温度传感器开路或短路(房间、温度)P05 室外温度传感器开路或短路(冷凝器、环境、排气温度)P06 室内蒸发器温度保护关压缩机(高温或低温)P07 室外冷凝器高温保护关压缩机P08 抽湿模式室内温度过低关压缩机P09 室外排气温度过高关压缩机P10 压缩机顶部温度保护P11 化霜或防冷风P12 室内风机温度过热P13 室内板与开关板3分钟通信不上1.2 室内主控板LED显示室内机设置5个LED,其中LED0为工作指示灯,正常时LED0亮,异常时LED0以5HZ 的频率闪烁KFR-50LW/BPY,KFR-50LW/FBPY,KFR-61LW/FBPY室内主控板故障指示LED4 LED3 LED2 LED1 LED0 LED 状态×××○☆模块保护××○×☆压缩机顶部温度保护×○××☆室内房间温度、蒸发器温度传感器开路或短路○×××☆室外温度传感器开路或短路××○○☆制冷或制热室外温度过低、室外温度过高×○×○☆排气温度过高×○○×☆电压过高或过低保护○×○×☆电流保护○○××☆室内蒸发器高、低温度保护×○○○☆机型不匹配○×○○☆抽湿模式室内温度过低保护○○×○☆室内机和室外机通信保护○○○×☆室内机和开关板通信保护○○○○☆温度保险丝断保护××××○正常状态(频率值为零)○○××○正常状态(频率值不为零)○----亮×----熄☆----闪1.3 室外主控板LED显示L4 运行/待机/指示灯:运行----长亮待机----0.5HZ闪烁KFR-50LW/BPY,KFR-50LW/FBPY,KFR-61LW/FBPY室内主控板故障指示L3 L2 L1 故障说明①②③ (LED指示灯从左到右)×××正常运行○○○正常待机××○电流保护×☆☆环境温度传感器故障☆×☆盘管温度传感器故障○☆○室外电压太高或太低×○× IPM模块保护×○○压机顶部温度保护○××二分钟通信故障保护×☆×预热○——常亮☆——闪烁×——常灭2、KFR-50LW/F2BPY变频柜机2.1 室内机故障显示KFR-50LW/F2BPY室内机故障指示LED指示故障运行灯定时灯预热化霜灯电流保护×☆☆压缩机顶部温度保护☆×☆室外机传感器故障××☆室内机温度传感器故障×☆×模块保护☆××电压保护○☆☆室内外机型不匹配☆☆×室内外机通讯保护☆☆☆○——常亮☆——闪烁×——常灭2.2 室外主控板LED显示室外只有L4 运行/待机/指示灯:运行:长亮待机:0.5HZ闪烁故障:1HZ闪烁3. KFR-50LW/MBPY,KFR-60LW/MBPY变频柜机3.1 室内机故障显示KFR-50LW/MBPY,KFR-60LW/MBPY室内机故障指示保护内容故障内容P1 室内外2分钟通信保护 E1 室内温度传感器故障P2 模块保护 E2 预留P3 高低电压保护 E3 预留P4 室内蒸发器高温或低温保护 E4 室外温度传感器故障P5 室外冷凝器高温保护 E5 室内板与显示板3分钟通信故障P6 预留 E6 预留P7 室外排气温度过高保护 E7 预留P8 压缩机顶部温度保护 E8 静电除尘故障P9 化霜 E9 EEPROM故障3.2 室外主控板LED显示室外只有L4 运行/待机/指示灯:运行:长亮待机:0.5HZ闪烁故障:1HZ闪烁4.KFR-50LW/BPY-R,KFR-60LW/BPY-R变频柜机4.1 室内机故障显示当空调出现故障时,温度显示区自动显示故障保护代码5秒钟,然后隐去,恢复显示设定温度。
合肥美的空调维修资料故障代码大全美的空调故障代码美的空调故障代码大全KFR-120L/WD3S"1 不工作(E2故障)E2故障Q106、Q107、Q108、Q109、D115、D116、PC101失效2 不工作(E1故障)E1故障Q103、Q104、D103失效3 不工作(F3故障)F3故障R121、D107、PC102失效"KFR-75W/WD3S美的空调故障代码大全KFR-120W/WDS"1 外机不工作不通电ZNR201短路(引起烧保险)2 不工作(F5故障)F5故障R240、R241开路,D222、D201、IC205、IC211失效3 不工作(E2故障)E2故障Q203、Q205、Q204、D210、D226、Q211失效美的空调故障代码大全KFR-120L/MAS1 不工作外机动作,室内机不工作D41、D42开路2 不工作(无内机通讯)E1故障Q7、Q8失效美的空调故障代码大全KFR-120W/MAS1 不工作(P5故障)P5故障R28、R31开路,D4、D5、PC5、PC6、Q7、Q8失效2 不工作(E4故障)E4故障L1、Q10失效"美的空调故障代码大全KFR-71LW/M美的空调故障代码大全KFR-120LW/MAS(三洋)"1 不工作(P6故障,显示异常或无通信)P6故障或无通讯或显示异常S1、S2、S3、S4、S5、S6等开关位置错误或氧化后接触不良美的空调故障代码大全KFR-50W/WBQ1 不工作(P4故障)P4故障VD311、VD310、VD309、VD312失效(其中一个或几个)2 不通电不通电IC307、VD307短路,R321开路"KFR-51(71)L/DFS(FS系列相同)" 1 不工作(不叫,传感无温度,不通电)不叫,无传感器温度,不通电D201失效2 不工作(不叫)不叫V201短路3 显示异常漏光VD201短路4 不工作(E1故障)E1故障V202短路,D201失效"美的空调故障代码大全KFR-71L/WDAS(1、2条也适合于KFR-50L/WDCS)" 1 不工作(传感器温度异常)传感器温度异常CN301失效2 不通电不通电D101失效,L101开路,F101开路3 不工作(F1故障)F1故障E301失效,R310开路4 不工作(F2故障)F2故障E302失效,R311开路5 不工作(F3故障)F3故障E303失效,R315开路,XS306处零线炸开美的空调故障代码大全KFR-28GW/BC31 不制热(冷)且手动关机后运行灯闪无通讯D108、D109烧坏,VD501、D500、D501烧坏,R57开路,T01、D101模块失效美的空调故障代码大全KFR-25(28)(40)G/BQ1 不开机不通电R01、R02开路,IC01失效2 不制热(冷)无通讯C501失效美的空调故障代码大全KFR-40(+25)W/BQ1 不制热(冷)且灯闪不通电Q200、DB01、IC101失效,F01开路2 不制热(冷)且灯闪开机保护IC203、IC204、IC205、IC207、IC200、IC201失效3 不制热(冷)且灯闪开机保护C302、C308、C312缺损/开路,Q302、Q303、Q304、Q305、Q306、Q307参数异常4 制热(冷)效果不好电子膨胀阀切换异常IC11开路,IC14开路(副板)"美的空调故障代码大全KFR-36GW/BMF美的空调故障代码大全KFR-40GW/BM"1 运行灯闪且不开机运行灯闪E2PROM插座氧化2 运行灯闪,手动关机后1灯直亮运行灯闪PC10、PC11、IC14、T11失效,R42开路3 运行灯闪,手动关机后2灯直亮运行灯闪D29、C52、C59、C60、C61模块失效,PC13~PC18失效美的空调故障代码大全KFR-32G/DL1 运行灯闪长鸣传感器电路异常2 运行灯闪制热后运行灯闪CPU坏美的空调故障代码大全KFR-30GW/WDS1 整机工作异常(运行一会儿停机)运行一会儿停机D101失效(+5V对地短路)2 整机不工作不启动R109开路(+24V、+12V、+5V正常)美的空调故障代码大全KFR-34GW/WCS1 遥控不开机不遥控C115参数失调2 三灯闪且不开机三灯闪D107程序丢失3 能遥控但不开机且手动不开机手动不开机S101失效美的空调故障代码大全KFR-32GW/A11 不通电不通电D105失效〈+12V偏低,无+5V,D105发热〉2 关机后压缩机不停压缩机一直转(D106第16脚一直处于低电平)D106失效"KFR-32G/DC2(适用于DC2、DC3系列)" 1 不通电不通电变压器开路FS、DFS系列控制面板1 不工作(不叫)不叫V101、V102、V103、D101失效2 显示异常漏光D103失效,C105失效3 不工作E1故障V101、V103、D101失效KFR-71L/WDAS、KFR-50L/WDCS、KFR-60L/DXS、DA系列控制面板1 不工作(不叫)不叫V201、V202、V203失效及D101失效2 不通电不显示C101短路,G301、D101失效"KFR-75L/WD3SKFR-120L/WDS控制面板" 1 按键全无作用按键失效K301开路或IC301失效,K301位置不正确2 不工作(不叫)不叫Q303、Q306、IC301失效3 不通电不通电IC301、IC302、X301、D311、C312失效KFR-71L/D控制面板1 不工作(不叫)不叫Q302、Q303、Q304、Q305、IC301失效2 无夜光无夜光Q307、RG301、R335、背光源、IC301失效"KFR-51L/D(KFR-48L基本相同)" 1 不工作(不叫)不叫Q303、Q302、Q305、Q306、IC301失效2 不通电不通电IC303、IC301、X301、IC302、C312、C318失效美的:机型代码可能故障原因F1 室内温度传感器异常F2 室内盘管温度传感器异常F3 室外环境温度传感器异常KFR-45LW/WDQ F4 室外盘管温度传感器异常KFR-45LW/WBQ F5 压缩机排气温度传感器异常KFR-50LW/WBQ P1 压缩机排气温度传感器异常P2 CT电流异常P4 JPM故障保护P5 四通阀切换异常E1 室内主控板与控制面板之间通讯异常E2 室内主控板与室外控制板之间通讯异常E1 主控板与面板之间通讯错误E2 主控板与室外板之间通讯错误F1 高压开关保护F2 室外风扇电机热保护器动作KF-75LW/WDS F3 室内风扇电机热保护器动作KF-75W/W3S F4 低压开关保护KFR-75LW/WDES F5 逆相保护KFR-120LW/WDS F6 缺相保护KF-120LW/WS H1 压缩机过电流保护H2 压缩机堵转保护H3 检测不到压缩机电流P1 制冷过载保护P2 制热过载保护P3 系统异常保护P4 自动模式下室内温度传感器异常无显示制冷剂不足E1 控制面板测到从室内机传来的异常信息E2 控制面板测到从室内机传来的异常信息E3 室内机测到从控制面板传来的异常信息E4 室内机测到从室外机传来的异常信息E5 室内机测到从室外机传来的异常信息E6 室外机测到从室内机传来的异常信息E7 室外机测到从室内机传来的异常信息P1 室内风扇电机热保护器动作P2 室外风扇电机与压缩机热保护器动作KFR-120LW/M P3 排气温度异常KFR-120LW/MAS P4 高压开关动作KFR-71LW/M P5 逆相保护(对KFR-71LW/M是主控板上开关位置设置错误) P6 室内机与室外机的模式不兼?F1 室内机热敏电阻断路或者受损F2 室内机热敏电阻断路或者受损F4 室外机热敏电阻断路或者受损F5 室外机热敏电阻断路或者受损F6 室外机热敏电阻断路或者受损F7 室外机热敏电阻断路或者受损F8 室外机热敏电阻断路或者受损H1 压缩机电机过流H2 压缩机电机堵转H3 压缩机电流检测异常H6 低压开关动作H7 连接室内机和室外机线路或管道接错E1 通讯异常48LWP1 制冷过载60系列P2 制热过载51系列P3 系统异常保护P4 自动模式下室内温度传感器异常KFR-7ILW/D E1 通信异常KFR-71LW/WD P1 制冷过载KF-71LW P2 制热过载P3 系统异常保护P4 自动模式室内温度传感器异常F1 高压开关保护(序号线接错或断裂,控制板上光藕或R205损坏) F2 室外风扇电机热保护(热保护器坏,控制板上光藕或R205损坏) F3 室内风扇电机热保护(热保护器坏,控制板上光藕或R205损坏)KFR-50LWWDFB E1 通信异常KF-50LWWDF P1 制冷过载KF-60LWWDF P2 制热过载KF-71LWWDF F1 高压开关保护KFR-51LWWDFB F2 室外风扇电机热保护KFR-60LWWDFB F3 室内风扇电机热保护F7 温度传感器损坏或异常F8 系统保护异常机型代码可能故障原因F1 室内温度传感器异常F2 室内盘管温度传感器异常F3 室外环境温度传感器异常KFR-45LW/WDQ F4 室外盘管温度传感器异常KFR-45LW/WBQ F5 压缩机排气温度传感器异常KFR-50LW/WBQ P1 压缩机排气温度传感器异常P2 CT电流异常P4 JPM故障保护P5 四通阀切换异常E1 室内主控板与控制面板之间通讯异常E2 室内主控板与室外控制板之间通讯异常E1 主控板与面板之间通讯错误E2 主控板与室外板之间通讯错误F1 高压开关保护F2 室外风扇电机热保护器动作KF-75LW/WDS F3 室内风扇电机热保护器动作KF-75W/W3S F4 低压开关保护KFR-75LW/WDES F5 逆相保护KFR-120LW/WDS F6 缺相保护KF-120LW/WS H1 压缩机过电流保护H2 压缩机堵转保护H3 检测不到压缩机电流P1 制冷过载保护P2 制热过载保护P3 系统异常保护P4 自动模式下室内温度传感器异常无显示制冷剂不足E1 控制面板测到从室内机传来的异常信息E2 控制面板测到从室内机传来的异常信息E3 室内机测到从控制面板传来的异常信息E4 室内机测到从室外机传来的异常信息E5 室内机测到从室外机传来的异常信息E6 室外机测到从室内机传来的异常信息E7 室外机测到从室内机传来的异常信息P1 室内风扇电机热保护器动作P2 室外风扇电机与压缩机热保护器动作KFR-120LW/M P3 排气温度异常KFR-120LW/MAS P4 高压开关动作KFR-71LW/M P5 逆相保护(对KFR-71LW/M是主控板上开关位置设置错误) P6 室内机与室外机的模式不兼?F1 室内机热敏电阻断路或者受损F2 室内机热敏电阻断路或者受损F4 室外机热敏电阻断路或者受损F5 室外机热敏电阻断路或者受损F6 室外机热敏电阻断路或者受损F7 室外机热敏电阻断路或者受损F8 室外机热敏电阻断路或者受损H1 压缩机电机过流H2 压缩机电机堵转H3 压缩机电流检测异常H6 低压开关动作H7 连接室内机和室外机线路或管道接错E1 通讯异常48LW P1 制冷过载60系列P2 制热过载51系列P3 系统异常保护P4 自动模式下室内温度传感器异常KFR-7ILW/D E1 通信异常KFR-71LW/WD P1 制冷过载KF-71LW P2 制热过载P3 系统异常保护P4 自动模式室内温度传感器异常F1 高压开关保护(序号线接错或断裂,控制板上光藕或R205损坏)F2 室外风扇电机热保护(热保护器坏,控制板上光藕或R205损坏)F3 室内风扇电机热保护(热保护器坏,控制板上光藕或R205损坏)KFR-50LWWDFB E1 通信异常KF-50LWWDF P1 制冷过载KF-60LWWDF P2 制热过载KF-71LWWDF F1 高压开关保护KFR-51LWWDFB F2 室外风扇电机热保护KFR-60LWWDFB F3 室内风扇电机热保护F7 温度传感器损坏或异常F8 系统保护异常机型序号整机故障现象印制板故障现象故障位号"KFR-36GW/D(KFR-35GW/WDS与其基本相同)" 1 不通电不通电D1-D4、D5、D6、D9短路,IC6短路,保险管开路2 无风电机不转DC10变质3 无风电机抖动,无+8.2V 调节R284 压缩机工作一会停机无压缩机CT电流CT1开路大清快EQ系列1 不通电(通电指示灯不亮)不通电C1、C4、C19变质,T1、R4、R60开路,VDZ2、D3、VD4、VD6、VD3、VD2、VD16、VD17、VC1短路2 无风遥控大电机不转VD1、VD15、D6、V3、R10失效3 工作一会停机,指示灯闪工作一会电机停,指示灯闪V2变质4 不工作不通电(无晶振电压)C10、C11变质"KFR-28GW/BP模块(KFR-28GW/BMF同)" 1 室外压缩机不启动压机不动模块短路或参数失调及开路2 外机不工作外机不通电E2失效,BT1、R2开路,Z1短路"KFR-28G/BP(KFR-28G/BMF同)室内主板" 1 不停机通电室内电机就转C503、IC203失效2 不通电不通电F504、RL401失效3 室内机不工作电机不转DQ201失效KFR-28W/BMF 1 室外机不工作不通电F101、F102、RT201开路,K505失效2 室外压缩机不工作压缩机不启动D303、D301失效,R504、R509开路,D403、T202失效3 外机不工作(无通讯)外机不动L102、C207、C205、D400、D402失效,D303失效KFR-28W/BP 1 室外风扇不转风机不转C501变质,RL502、RL503、IC401失效2 外机不通电不通电FUSE101、FUSE102、PTC501开路3 室外压缩机不工作压缩机不动R504、R509、BT202、PC401失效4 不工作(无通讯)无通讯PC400、PC402失效,R502开路5 工作一会停机压缩机启动一会就停BT202、C207、C205失效KFR-60L/WDES 1 不工作E1故障V104、V105变质或虚焊KFR-71L/WDS 1 不通电不通电IC102、IC103失效,L102、D122开路2 不工作不叫(E1故障)Q104、Q105变质3 不工作(F1故障)F1故障高压开关坏,R205开路,D202、IC202失效4 不工作(F2故障)F2故障外风机坏,R201开路,D201、IC201失效5 不工作(F3故障)F3故障内风机坏,R209开路,D203、IC203失效"KFR-75L/WD3SKFR-120L/WD3S" 1 不工作(E2故障)E2故障Q106、Q107、Q108、Q109、D115、D116、PC101失效2 不工作(E1故障)E1故障Q103、Q104、D103失效3 不工作(F3故障)F3故障R121、D107、PC102失效"KFR-75W/WD3SKFR-120W/WDS" 1 外机不工作不通电ZNR201短路(引起烧保险)2 不工作(F5故障)F5故障R240、R241开路,D222、D201、IC205、IC211失效3 不工作(E2故障)E2故障Q203、Q205、Q204、D210、D226、Q211失效KFR-120L/MAS 1 不工作外机动作,室内机不工作D41、D42开路2 不工作(无内机通讯)E1故障Q7、Q8失效KFR-120W/MAS 1 不工作(P5故障)P5故障R28、R31开路,D4、D5、PC5、PC6、Q7、Q8失效2 不工作(E4故障)E4故障L1、Q10失效"KFR-71LW/MKFR-120LW/MAS(三洋)" 1 不工作(P6故障,显示异常或无通信)P6故障或无通讯或显示异常S1、S2、S3、S4、S5、S6等开关位置错误或氧化后接触不良KFR-50W/WBQ 1 不工作(P4故障)P4故障VD311、VD310、VD309、VD312失效(其中一个或几个)2 不通电不通电IC307、VD307短路,R321开路"KFR-51(71)L/DFS(FS系列相同)" 1 不工作(不叫,传感无温度,不通电)不叫,无传感器温度,不通电D201失效2 不工作(不叫)不叫V201短路3 显示异常漏光VD201短路4 不工作(E1故障)E1故障V202短路,D201失效"KFR-71L/WDAS(1、2条也适合于KFR-50L/WDCS)" 1 不工作(传感器温度异常)传感器温度异常CN301失效2 不通电不通电D101失效,L101开路,F101开路3 不工作(F1故障)F1故障E301失效,R310开路4 不工作(F2故障)F2故障E302失效,R311开路5 不工作(F3故障)F3故障E303失效,R315开路,XS306处零线炸开KFR-28GW/BC3 1 不制热(冷)且手动关机后运行灯闪无通讯D108、D109烧坏,VD501、D500、D501烧坏,R57开路,T01、D101模块失效KFR-25(28)(40)G/BQ 1 不开机不通电R01、R02开路,IC01失效2 不制热(冷)无通讯C501失效KFR-40(+25)W/BQ 1 不制热(冷)且灯闪不通电Q200、DB01、IC101失效,F01开路2 不制热(冷)且灯闪开机保护IC203、IC204、IC205、IC207、IC200、IC201失效3 不制热(冷)且灯闪开机保护C302、C308、C312缺损/开路,Q302、Q303、Q304、Q305、Q306、Q307参数异常4 制热(冷)效果不好电子膨胀阀切换异常IC11开路,IC14开路(副板)"KFR-36GW/BMFKFR-40GW/BM" 1 运行灯闪且不开机运行灯闪E2PROM插座氧化2 运行灯闪,手动关机后1灯直亮运行灯闪PC10、PC11、IC14、T11失效,R42开路3 运行灯闪,手动关机后2灯直亮运行灯闪D29、C52、C59、C60、C61模块失效,PC13~PC18失效KFR-32G/DL 1 运行灯闪长鸣传感器电路异常2 运行灯闪制热后运行灯闪CPU坏KFR-30GW/WDS 1 整机工作异常(运行一会儿停机)运行一会儿停机D101失效(+5V对地短路)2 整机不工作不启动R109开路(+24V、+12V、+5V正常)KFR-34GW/WCS 1 遥控不开机不遥控C115参数失调2 三灯闪且不开机三灯闪D107程序丢失3 能遥控但不开机且手动不开机手动不开机S101失效KFR-32GW/A1 1 不通电不通电D105失效〈+12V偏低,无+5V,D105发热〉2 关机后压缩机不停压缩机一直转(D106第16脚一直处于低电平)D106失效"KFR-32G/DC2(适用于DC2、DC3系列)" 1 不通电不通电变压器开路FS、DFS系列控制面板1 不工作(不叫)不叫V101、V102、V103、D101失效2 显示异常漏光D103失效,C105失效3 不工作E1故障V101、V103、D101失效倚窗远眺,目光目光尽处必有一座山,那影影绰绰的黛绿色的影,是春天的颜色。
故障代码故障说明处理方法E0 操作面板通讯故障 (二线连接) 1、检查主控板与操作面板之间连接信号线是否受到干扰或接触不良 2、主控板或操作面板损坏,无信号输出E1 水箱温度感温头T1短路或开路检查水箱温度感温头T1是否脱落,探头线端接触不良或探头短路。
备注:常温25度时感温头阻值10KΩE2 水流开关断路如未装水流开关:、检查保护线水流保护端是否短接好或KS与COM之间是否短接;安装有水流开关:1、检查水泵是否运转;2、水泵运转时,水流量是否充足(检查方法:进水管与出水管温度相差超过5度说明水流量不足)处理检查:进水管道有空气或堵塞(排空或清洗管道)3、水流开关损坏(正常状态是:有水流时触点闭合,无水流或水流不足时触点开路)注:水流断、流检测:加热循环泵继电器得电20秒后才真正检测水流开关状态.E3 相序保护动作 1、三相电源相序错相:调换进主机电源三相线相位; 2、缺相:检查进主机电源三相线之间是否有380V; 3、逆相器损坏。
E4 压缩机1排所压力过高或过低 1、水流量不足,检查水泵是否运转,管道是否堵塞,这种情况冷凝器的进出水管会很烫(进水管与出水管温度相差超过5度说明水流量不足),一般压缩机运行5分钟--15分钟后出现故障或水温升到40度以上开始出现高压保护器故障; 2、水温设置过高,夏天不宜超过52,冬天不宜超过55度,此故障过几天内周期出现; 3、传感器T1从水箱中脱落,水温不断的上升机组不停机导致高压保护出现; 4、系统漏雪种导致低压保护,此故障开机1分钟内马上显示; 5、高低压开关损坏,此故障开机马上显示E4; 6、系统内堵【膨胀阀(可调节)、毛细管等堵】E5 压缩机2排所压力过高或过低故障处理方法同E4E6 压缩机1高压或低压频繁保护(1.4电控版本)故障处理方法同E4E7 压缩机高压或低压频繁保护故障处理方法同E4E8 水温传感器T2短路检查回水温度感温头T2是否脱落,探头线端接触不良或探头烧毁。
最新美的空调故障代码大全及解决处理最新美的空调故障代码大全及解决处理办法聚信口碑网汇总最新美的空调故障代码解释,能排除的可以对照排除解决,解决不了的联系美的售后服务报修。
美的空调用户对出现的故障代码介绍处理,调试或报修,对新型变频空调故障代码报的比较多,真故障报修之前也可以使用断电重启大招试试,不要笑,这一招可以减少30%的报修单,对保外用户更是省了不少费用。
故障代码故障内容维修措施适用型号E0EEPROM参数错误指示E系列、M系列、H系列、G系列直流变频挂机E1室内机和室外机通信故障E2过零检测出错E3风机速度失控E4温度保险丝断开保护E5室外温度传感器故障E6室内温度传感器故障P0模块保护美的空调维修P1电压过高或过低保护P2压缩机顶部温度保护P4直流变频压缩机位置保护故障代码故障内容适用型号E0EEPROM参数错误指示N系列、W系列直流变频挂机E1室内机和室外机通信故障适用型号C系列全直流变频挂机P0模块保护P1电压过高或过低保护P2压缩机顶部温度保护P3室外温度过低保护P4直流变频压缩机位置保护故障代码故障内容适用型号E0EEPROM参数错误指示I系列直流变频挂机E1室内机和室外机通信故障E2过零检测出错显示指示内容代码E3风机速度失控E5室外温度传感器故障或室外E方参数故障E6室内温度传感器故障E7室外风机速度失控故障E8除尘复位故障P0模块保护美的空调维修P1电压过高或过低保护P2压缩机顶部温度保护P3室外温度过低保护P4直流变频压缩机位置保护故障代码故障内容适用型号E0EEPROM参数错误指示J、K、L、R、K(太阳能)系列直流变频挂机E1室内机和室外机通信故障E2过零检测出错E3风机速度失控E5室外温度传感器故障或室外E方参数故障E6室内温度传感器故障E7室外风机速度失控故障E8模式冲突P0模块保护显示指示内容代码P1电压过高或过低保护P2压缩机顶部温度保护P3室外温度过低保护P4直流变频压缩机位置保护故障故障内容适用型号代码E01一个小时四次模块保50FBPY、50BPY变频柜机护E03度保护P01室内板与室外板2分钟通讯不上保护P02IPM模块保护P03高低电压保护P04室内温度传感器开路或短路(房间、温度)P05室外温度传感器开路或短路(高温或低温)P06室内蒸发器温度保护关压缩机(高温或低温)P07室外冷凝器高温保护关压缩机P09室外排气温度过高关压缩机P10 压缩机顶部温度保护P11 化霜或防冷风P12 室内风机温度过热P13 室内板与开关板3分钟通讯不上故障代码 故障内容适用型号 E0 上电时读EEPROM 参数出错美的系列侧出风嵌入式空调器 E1 室内房间温度T1传感器开路或短路E2 室内蒸发器温度T2传感器开路或短路E3 冷凝器温度T3传感器开路或短路Pd四次电流保护故障代码故障内容适用型号 E1 上电时读EEPROM参数出错Q1系列、Q2系列、Q3系列、U 系列、V 系列、J 系列、V1系列、N 系列、X 系列、GA 系列、、V1系列、H 系列、A 系列、B 系列、K 系列、W 系列、FA 系列、FB 系列、FC 系列、HA 系列、HB 系列、GC 系列分体机 E2过零检测出错E3 风机速度失控 E4 四次电流保护 E5 室内房间温度传感器开路或短路E6 室内蒸发器温度传感器开路或短路故障代码 故障内容适用型号 E1 上电时读EEPROM参数出错P 系列分体机E2过零检测出错E3风机速度失控E4四次电流保护E5室内房间温度传感器开路或短路E6室内蒸发器温度传感器开路或短路E8过滤网复位故障故障故障内容适用型号代码E1T1传感器故障Q系列E2T2传感器故障E3T3传感器故障E4T4传感器故障E5网络通信故障E6室外保护E7加湿器故障E8静电除尘故障E9EEPROM出错故障故障内容适用型号代码E1T1传感器故障S1、S2、S3、S6型系列、Q1、Q2、Q3系列、U(U1)系列、、P系列、K系列柜机、E2T2传感器故障V系列、J系列、R系列柜、E3T3/T4传感器故障V2系列、W系列、GA系列、N系列E4T4传感器故障(变频机用)E5网络通信故障E6室外故障E7加湿器故障E8静电除尘故障E9自动门故障PAU进风格栅保护故障代码故障内容适用型号E1T1传感器故障5匹柜机系列新电控方案E2T2传感器故障E3T3/T4传感器故障E4T4传感器故障E5室内外通信故障E10压缩机低压故障E13压缩机缺相故障E14压缩机相序反接故障故障代码故障内容适用型号E1T1传感器故障E2系列、E3系列、DC系列、DE系列、HA系列、F系列、E2T2传感器故障I系列、G系列、GC系列、IA 系列、IB系列柜机E3T3传感器故障E4T4传感器故障E5负载板与显示板通信故障E8室内外通信故障E9开关门故障EA压缩机低压故障Eb室内直流风机失速Ed压缩机缺相故障EE压缩机相序反接故障PAU进风格栅保护故障代码故障内容适用型号E0EEPROM参数错误指示R型交流变频系列、S型交流变频系列、V型交流变频分体机系列E1室内机和室外机通信故障E2过零检测出错E3风机速度失控E4温度保险丝断开保护E5室外温度传感器故障E6室内温度传感器故障P0模块保护P1电压过高或过低保护P2压缩机顶部温度保护故障代码故障内容适用型号E0EEPROM参数错误指示U型全直流变频、V型全直流变频分体机系列E1室内机和室外机通信故障E2过零检测出错E3风机速度失控E4温度保险丝断开保护E5室外温度传感器故障E6室内温度传感器故障E7室外风机速度失控(V型全直流变频)P0模块保护P1电压过高或过低保护P2压缩机顶部温度保护P3室外温度过低保护(预留)P4压缩机位置检测故障美的 KFR-25、35F、F1系列空调故障代码工作灯定时灯化霜灯指示内容〇〇 × 电流保护(PRI-5MIN PRI-3SEC)☆☆ × 风机速度失控☆〇 × 过零检测出错☆☆ × 主芯片和计算机通信不上☆〇 × 室内蒸发器温度传感器开路或短路☆ × × 室内房间温度传感器开路或短路〇☆ × 温度保险丝断开保护(FUSED)☆〇 × 室内蒸发器高温保护或低温保护☆ × × 抽湿模式室内温度过低保护× 〇〇上电时写EEPROM参数出错〇〇〇上电时读EEPROM参数出错〇 × ☆运行时写EEPROM参数出错美的空调维修美的KFR--40GW/BPY-R E0 参数错误空调故障代码E1 室内外机通信故障E2 过零检测出错E3 风机速度失控E4 温度保险丝断保护E5 室外温度传感器故障E6 室内温度传感器故障P0 模块保护P1 电压过高或过低保护P2 压缩机顶部温度美的KFR-75LW/BD空调故障代码维修资料1.故障指示功能:当系统处于某种故障或保护状态时,液晶显示器上显示“检查”和故障类型(利用时间显示段,但时钟仍在内部运作不会显示)其它不显示。
美的空调故障代码大全室内机显示灯故障原因电源定时运转闪灭灭室内环温传感器闪亮亮室内热交传感器亮亮闪室外除霜传感器闪亮灭压机排气温度传感器闪灭亮室外传感器异常闪灭亮压机运转异常闪闪亮 1.DC电流检知2.过电流保护动作3.功率模块温度过高保护4.功率模块低电压检知室内机显示灯故障原因电源定时运转闪闪灭过电流保护动作AC电流检知闪闪闪制热时,蒸发器温度上升(68度以上),或室内风机风量小闪灭闪 CT断线保护亮闪亮功率模块异常灭灭闪通讯异常灭闪灭排气管温度超过120度灭闪亮电压不足解释原因,让用户断电10-15分钟后重新上电开机灭亮闪控制基板异常灭亮闪室内机EEPROM异常闪亮闪室外机EEPROM异常故障代码故障原因E1 功率模块过热、过流、短路E2 电流传感器感应电流太小E4 制热时压机温度传感器温度超过120℃E5 过电流保护E6 室外温度传感器故障E7 室外盘管传感器故障Ea 电源超欠压Ec 制冷时室外热交传感器温度超过70℃保护Ee 单片机读入EEPROM数据有错误F1 室温传感器故障F2 室内盘管传感器故障F4 制热时室内盘管传感器超过72℃保护F5 制冷时室内盘管温度传感器低于0℃以下保护F7 室内主板与控制面板通讯故障(一)分体壁挂式空调器1、25、35F2、清爽星3、清静星4星光型(23(故障判断时,只用以上所列的三个灯判断,不去判断其它灯的状态)5、星彩型(50A、60A、70A)系列分体机6、I7、H8、三匹系列大分体机:KF(R)-60GW/Y KF(R)-70GW/YKF(R)9、T6系列大分体机10、主芯片统一后分体机:KF(R)-23GW/Y KF(R)-26/32GW/(D)Y KF(R)-25/28/30GW/Y KF(R)-36/43GW/Y KF(R)-25GW/EY KF(R)-28GW/EY KF(R)-35GW/Y KF(R)-26GW/CY KF(R)-33GW/C11KF(C)-36(43、45)GW/Y KFR-23(36)GW/YKFR-43(45)GW/Y室内代码情况表:使用遥控器进行判断(该判断方法适用于原机灰色遥控器):将遥控器电池最右边按键按下持续3秒后,遥控器显示00,用温度调节按扭可改变显示的数字并通过遥控器发射给主机(只要电控正常,在任何情况下均能接收并通过显示灯显示出来),对于无问题的项目,仅定时灯闪烁,否则定时灯及运行灯均闪。
美的空调故障代码美的KFR-25、35F、F1系列顺序:工作灯、定时灯、化霜灯。
☆闪○亮×灭〇〇×电流保护(PRI-5MINPRI-3SEC)☆☆×风机速度失控☆○ × 过零检测出错☆☆×主芯片和计算机通信不上☆○ ×室内蒸发器温度传感器开路或短路☆× ×室内房间温度传感器开路或短路○ ☆×温度保险丝断保护(FUSED)☆○ × 室内蒸发器高温保护或低温保护☆× ×抽湿模式室内温度过低保护× ○ ○ 上电时写EEPROM参数出错○ ○○ 上电时读EEPROM参数出错○ × ☆运行时写EEPROM参数出错KFR--40GW/BPY-R E0 参数错误E1 室内外机通信故障E2 过零检测出错E3 风机速度失控E4 温度保险丝断保护E5 室外温度传感器故障E6 室内温度传感器故障P0 模块保护P1 电压过高或过低保护P2 压缩机顶部温度美的KFR-75LW/BD维修资料1.故障指示功能:当系统处于某种故障或保护状态时,液晶显示器上显示“检查”和故障类型(利用时间显示段,但时钟仍在内部运作不会显示)其它不显示。
同时,运行状态保留。
保护期间不响应除ON/OFF以外的任何按键;开关板上的LED1快闪。
当保护恢复后,工作正常。
2.开关板上的故障类型显示。
备注:故障代码利用时钟的分钟的两位表示故障类型,时钟不显示。
当室外机故障时,室内主板LED2快闪,关室外机,同时通知开关板故障类型,室外主板LED3快闪,关室外机,同时通知室内机主板保护类型。
同时故障类型显示灯(LED4,5,6)指示内容如下:管路过压ON 室外保护管路欠压ON ON 室外保护电压过压ON 电压过欠压电压欠压ON ON 电压过欠压相序错误ON ON ON 室外保护缺A相闪室外保护缺B相闪室外保护缺C相闪室外保护其他室外保护万网互联支持(0) 中立(0) 反对(0) 陈可敬小大 2楼个性首页| 博客| 信息| 搜索| 邮箱| 主页| UC加好友发短信等级:论坛六级帖子:327积分:5113 威望:0 精华:1注册:2006-5-2 18:05:50Post By:2006-5-26 14:35:593.美的变频空调故障代码汇总表一、变频分体机1、KFR-28GW/BPY,KFR-32GW/BPY,KFR-45GW/BPY室内机故障指示1.1室内机故障显示功能KFR-28GW/BPY,KFR-32GW/BPY,KFR-45GW/BPY室内机故障指示化霜灯定时灯自动灯运行灯LED 状态× × ○ ☆模块保护○ × × ☆压缩机顶部温度保护× ○ × ☆室外温度传感器开路或短路○ × ○ ☆制冷或制热室外温度过低、室外温度过高× ○ ○ ☆电压过高或过低保护○ ○ × ☆电流保护○ ○ ○ ☆室内房间温度、蒸发器温度传感器开路或短路○ × ☆☆室内蒸发器高温保护或低温保护× ○ ☆☆抽湿模式室内温度过低保护○ ○ ☆☆风机速度失控☆× ○ ☆过零检测出错☆○ × ☆温度保险丝断保护☆○ ☆☆机型不匹配☆☆☆☆室内机和室外机通信保护○----亮×----熄☆----闪1.2 室外主控板LED显示L4 运行/待机指示灯:运行----长亮待机----闪烁KFR-28GW/BPY,KFR-32GW/BPY,KFR-45GW/BPY室外主控板故障指示L3 L2 L1 故障说明①②③(LED指示灯从左到右)×××正常运行○ ○ ○ 正常待机× × ○ 电流保护×☆☆环境温度传感器故障☆×☆盘管温度传感器故障○ ☆○ 室外电压太高或太低× ○ × IPM模块保护× ○ ○ 压机顶部温度保护。
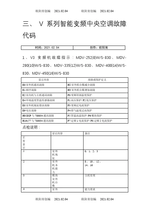
三、 V系列智能变频中央空调故障代码1、V3变频机故障指示:MDV-252(8)W/S-830、MDV-280(10)W/S-830、MDV-335(12)W/S-830、显示内容故障或保护定义E0室外机通讯故障H2室外机台数减少故障E1相序故障H3室外机台数增加故障E2室内机与主机通讯故障P0变频顶部温度保护E4环境温度管温传感器故障P1高压保护/ P2低压保护E8室外机地址错误故障P3变频过电流保护E9电压故障P4排气温度过高保护H0 DSP与780034通讯故障P5管温高温保护/ P6模块保护H19177与780034通讯故障P7定频1电流保护/ P8定频2电流保护显示内容备注正常显示1 室外机地址0,1,2,32 室外机本机能力8,10,12,14,163 模块室外机台数主机有效4 室外机总能力能力需求5 室内机能力总需求主机有效6 主机修正后的总能力需求主机有效7 运转模式0,1,2,3,48 该外机实际运行能力能力需求9 风机状态0,1,210 T2平均实际值11 T3管温实际值12 T4环境温度实际值13 变频排气温度实际值14 定频1排气温度实际值15 定频2排气温度实际值16 变频电流实际值17 定频1电流实际值18 定频2电流实际值19 电子膨胀阀A开度实际值×820 电子膨胀阀B开度实际值×821 室内机台数实际值22 最后一次故障或保护代码没有保护或故障显示002、V4直流变频机故障指示:MDV-252(8)W/DSN1-840 、MDV-280(10)W/DSN1-840、MDV-335(12)W/DSN1-840、MDV-400(14)W/DSN1-830、MDV-450(16)W/DSN1-830显示故障或保护定义备注E0 室外机通讯故障仅主机显示E1 相序故障E2 室内机与主机通讯故障E4 环境温度管温传感器故障E8 室外机地址错误故障E9 电压故障H0 IR341与780034通讯故H1 9177与780034通讯故障H2 室外机台数减少故障仅主机显示H3 室外机台数增加故障仅主机显示H4 30分钟内出现3次P6保护不能自动恢复H7 内机减少故障检测到最大台数10秒消失P0 变频顶部温度保护P1 高压保护P2 低压保护P3 变频过电流保护P4 排气温度过高保护P5 管温高温保护P6 模块保护P7 定频1电流保护P8 定频2电流保护L0 模块故障故障灯以5HZ闪8下L1 直流母线低电压保护故障灯以5HZ闪9下L2 直流母线高电压保护故障灯以5HZ闪10下L3 故障灯以5HZ闪11下L4 故障/同步/闭环故障灯以5HZ闪12下L5 零速度保护故障灯以5HZ闪13下L6 故障灯以5HZ闪14下L7 相序错误保护故障灯以5HZ闪15下L8 前一时刻和后一时刻速度变>15Hz保护故障灯以5HZ闪16下化>15Hz保护L9 设定速度和实际运转速度差>15Hz保护故障灯以5HZ闪17下3、V4+全直流变速中央空调室外机故障指示:MDV-252(8)W/DSN1-840(A)、MDV-280(10)W/DSN1-840(A)、MDV-335(12)W/DSN1-840(A)、MDV-400(14)W/DSN1-830(A)、显示故障或保护定义备注E0 室外机通讯故障仅从机显示E1 相序故障E2 室内机与主机通讯故障初次上电20分后或20分后内外通信中断2分以上E3 保留E4 T4传感器故障E5 保留E6 保留E8 室外机地址错误显示故障或保护定义备注E9 保留H0 IR341与780034通讯故障H1 0537与780034通讯故障H2 室外机台数减少故障仅主机显示H3 室外机台数增加故障仅主机显示H4 30分钟内3次P6保护不能恢复H5 30分钟内3次P2保护H6 100分钟内3次P4保护H7 内机减少故障内机丢失3分钟以上不可恢复直到恢复台数H9 风机或风机模块保护第三次P9后,需要掉电才能恢复显示故障或保护定义备注P0 变频顶部温度保护P0P1 高压保护P1P2 低压保护30分钟内出现3次P2保护不能恢复P3 变频过流保护P4 排气温度过高保护100分钟内出现3次P4保护不能恢复P5 管温高温保护P6 模块保护30分钟内出现3次P6保护,不能恢复P7 定频1电流保护P8 定频2电流保护P9 风机模块保护L0 模块故障故障灯以5HZ闪8下L1 直流母线低电压保护故障灯以5HZ闪9下显示故障或保护定义备注L2 直流母线高电压保护故障灯以5HZ闪10下L3 故障灯以5HZ闪11下L4 MCE故障/同步/闭环故障灯以5HZ闪12下L5 零速度保护故障灯以5HZ闪13下L6 故障灯以5HZ闪14下L7 相序错误保护故障灯以5HZ闪15下L8 前一刻和后一刻速度变化>15HZ故障灯以5HZ闪16下保护故障灯以5HZ闪17下L9 设定速度和实际运转速度差>15HZ保护MDV-252(8)W/DSN1-840i(A)、MDV-280(10)W/DSN1-840i(A)、MDV-335(12)W/DSN1-840i(A)、MDV-400(14)W/DSN1-830i(A)、MDV-450(16)W/DSN1-830i(A)、MDV-500(18)W/DSN1-910i(A)、显示故障或保护定义备注E0 室外机通讯故障仅从机显示E1 相序故障E2 室内机与主机通讯故障E3 保留E4 T4温度传感器故障E5 保留E6 保留E7 冷媒过多保护E8 室外机地址错误E9 保留H0 IR341与780034通讯故障H1 0537与780034通讯故障H2 室外机台数减少故障仅主机显示H3 室外机台数增加故障仅主机显示H4 30分钟内出现三次P6保护H5 30分钟内出现三次P2保护H6 100分钟内出现三次P4保护H7 内机减少故障直到检测台数最多为止H8 排气压力传感器故障H9 风机或风机模块故障第三次P9显示需掉电恢复P0 变频顶部温度保护P1 高压保护P2 低压保护P3 变频过流保护P4 排气温度过高保护P5 管温高温保护P6 模块保护P7 定频1电流保护P8 定频2电流保护P9 风机模块保护L0 模块故障L1 直流母线低电压保护L2 直流母线高电压保护L3L4 MCE故障/同步/闭环L5 零速度保护L6L7 相序错误保护L8 前一刻和后一刻速度变化>15HZ保护L9 设定速度和实际运转速度差>15HZ保护显示内容故障或保护定义——待机压缩机运行频率正常运行dF 化霜P1 高压保护P2 低压保护P3 压缩机电流保护P4 压缩机排气温度保护P5 室外冷凝器高温保护P6 模块保护E1 相序错误E2 室内外机通信故障E3 室外变频通信故障E4 室外温度传感器故障E5 电压保护E6 水位报警故障6、MDV-280W/BS点检代码故障内容99 线控制器接线端子A0 出口温度传感器 (TD1) 回路。
美的空调故障代码2009-08-30 12:08美的空调故障代码一.柜机1.适用于S系列;K2系列;F2系列;H1系列保护代码表示内容定时灯以5Hz闪烁 T1室温传感器检测口异常运行灯以5Hz闪烁 T2蒸发器传感器检测口异常化霜灯以5Hz闪烁 T3冷凝器传感器检测口异常运行、定时、化霜灯同时以5Hz闪烁室外机保护注1:当室外机保护和温度传感器检测口异常同时发生时,优先指示室外机保护故障。
注2:强制制冷期间发生室外机保护,故障清除后恢复到强制制冷状态2)适用于E系列柜机保护代码表示内容故障代码表示内容P 02 压缩机过载(保留) E 01 温度传感器开路,短路故障P 03 室内蒸发器温度过低(制冷) E 02 压缩机过流(保留)P 04 室内蒸发器温度过高(制热) E 03 压缩机欠流(第一次上电检)(保留)P 05 室内出风口温度过高(制热) E 04 室外机保护E 05 温度传感器开路,短路故障注:故障期间LED以2Hz频率闪,而保护期间LED显示正常.3)适用于S1系列;S2系列;S3系列;S6系列;Q系列;R系列;Q1系列;V系列;Q2 系列;U系列;U1系列柜机保护代码表示内容故障代码表示内容P3 高低电压保护(变频机用) E1 T1传感器故障P4 室内蒸发器保护关压缩机(高温或低温) E2 T2传感器故障P5 室外冷凝器高温保护关压缩机 E3 T3传感器故障P7 室外排气温度过高关压缩机(变频机用) E4 T5传感器故障(变频机用)P8 压缩机顶部温度保护(变频机用) E5 网络通信故障P9 化霜保护或防冷风关风机 E6 室外机故障 E7 加湿器故障E8 静电除尘故障E9 自动门故障PAU 进风格栅保护二.分体机1)适用于T系列;T1系列;I4系列;26Z系列;32Z系列;G系列; 工作灯定时灯 LED 状态☆ X 风机速度失控(SPABF) 5Hz☆ O 室内温度和蒸发器温度传感器开路或短路(PREVP)5HzX ☆ 四次电流保护O ☆ 上电时读EEPROM参数出错O (亮) X (熄)☆ (闪)2)适用于T3系列;T6系列; T2系列;T4系列;T5系列运行灯定时灯故障类型☆ X 风机速度失控☆ O 室内温度和蒸发器温度传感器开路或短路X ☆ 四次电流保护☆ ☆ 上电时读EEPROM参数出错或过零检测出错O (亮) X (熄)☆ (闪)3) 适用于Q1系列;Q2系列;U系列;V系列故障代码表示内容E1 上电时读EEPROM参数出错E2 过零检测出错E3 风机速度失控E4 四次电流保护E5 室内房间温度传感器开路或短路E6 室内蒸发器温度传感器开路或短路4)适用于I1,A系列(UPD780021芯片)工作灯定时灯化霜灯 LED 状态☆X ☆ 四次电流保护☆ X X 风机速度失控☆ ☆ ☆ 过零检测出错☆ ☆ O 主芯片和计算机通信不上X X ☆ 室内蒸发器温度传感器开路或短路X ☆ X 室内房间温度传感器开路或短路☆ ☆ X 温度保险丝断保护(FUSED)O O O 上电时读EEPROM参数出错O (亮) X (熄)☆ (闪)(MC68HC908JL3统一芯片方案)工作灯定时灯化霜灯 LED 状态☆ X ☆ 四次电流保护☆ X X 风机速度失控☆ ☆ ☆ 过零检测出错X X ☆ 室温或管温传感器开路或短路5) 适用于20Z、22Z战斗机(S8M7217统一芯片)、I2系列;I5系列;Q系列运行灯定时灯故障类型☆ X 风机速度失控☆ O 室内温度和蒸发器温度传感器开路或短路X ☆ 四次电流保护O ☆ 上电时读EEPROM参数出错☆ ☆ 过零检测出错O (亮) X (熄)☆ (闪)美的全健康Q1型挂机故障代码显示内容故障类型E1上电时读EEPROM参数出错E2过零检测出错E3风机速度失控E4四次电流保护E5室内房间温度传感器开路或短路E6室内蒸发器温度传感器开路或短路美的B(C)型分体落地机故障显示代码L(R)F-7.5WB(D) L(R)F-12WB L(R)F-7.5WC(D) L(R)F-12WCKF(R)-48LW/Y KF(R)-61LW/Y KF(R)-75LW/B(C)(S )(D) KF(R)-120LW/B(C)(S)(D)开关板上的故障类型显示(开关板上LED1快闪),保护恢复后工作正常故障类型显示代码室外机故障01电源过欠压02制冷时室内蒸发器温度过低03制热时室内蒸发器温度过高04室内出风口温度过高05室内主控板与显示板不能通信06室内机电路故障07室外机故障时,室外LED3快闪,室外故障类型显示灯(LED4,5,6)指示故障内容:LED6LED5LED4保护类型过流保护 ON室外保护欠流保护 ON 室外保护管路过压ON 室外保护管路欠压 ONON室外保护电压过压ON ON电压过压电压欠压ONON 电压欠压相序错误ONONON室外保护缺A相☆室外保护缺B相☆室外保护缺C相☆室外保护其它室外保护美的A型落地空调器故障指示LF-8W(单相、三相) RF-8W(单相、三相) LF-12W RF-12W 室外故障检测故障指示灯表示的故障类型:亮灯情况指示的内容LED1亮电压过高LED2亮电压过低LED3亮管路压力过高,压缩机过流或过热LED4亮管路压力过低LED1和LED2亮室外机温度检测大于80度LED1和LED3亮室外机温度检测小于-40度美的KFR-50(60)LW/MBPY故障代码保护代码内容故障代码内容P1室内外2分钟通信保护E1室内温度传感器故障P2模块保护E2预留P3高低电压保护E3预留P4室内蒸发器温度高温或低温保护E4室外温度传感器故障P5室外冷凝器高温保护关压缩机E5室内板与显示板3分钟通信故障P6预留E6预留P7室外排气温度过高保护E7预留P8压缩机顶部温度保护E8静电除尘故障P9化霜E9EEPROM故障美的50FBPY、50BPY变频柜机代码开关板显示代码(其中故障为不可恢复的保护)代码内容E01一个小时四次模块保护E02(暂无)E03一个小时三次排气温度保护P01室内板与室外板2分钟通讯不上保护P02IPM模块保护P03高低电压保护P04室内温度传感器开路或短路(房间、温度)P05室外温度传感器开路或短路(高温或低温)P06室内蒸发器温度保护关压缩机(高温或低温)P07室外冷凝器高温保护关压缩机P08抽湿模式室内温度过低关压缩机P09室外排气温度过高关压缩机P10压缩机顶部温度保护P11化霜或防冷风P12室内风机温度过热P13室内板与开关板2分钟通讯不上室内机故障显示功能(其中LED0为工作指示灯,正常时LED0亮,异常时LED0以5HZ的频率闪烁)KFR--40GW/BPY-R显示内容故障或保护定义E0参数错误E1室内外机通信故障E2过零检测出错E3风机速度失控E4温度保险丝断保护E5室外温度传感器故障E6室内温度传感器故障P0模块保护P1电压过高或过低保护P2压缩机顶部温度KFR-26GW/I1BPY KFR-32GW/I1BPY运行时LED的显示㈠、正常1、工作灯正常开机时(工作灯)LED4 亮正常关机时(工作灯)LED4 灭2、化霜灯化霜或防冷风功能有效时(化霜灯)LED1 亮化霜或防冷风功能无效时(化霜灯)LED1 灭3、定时灯定时功能有效时(定时灯)LED2 亮定时功能无效时(定时灯)LED2 灭4、换气灯连续换气运行时(连续换气灯)LED3、LED5 亮连续换气停止时(连续换气灯)LED3、LED5 灭自动换气运行时(自动换气灯)LED6、LED7 亮自动换气停止时(自动换气灯)LED6、LED7 灭㈡室内机故障显示功能LED4 工作灯 LED2 化霜灯 LED1 定时灯 LED3、LED5 连续换气灯LED2化霜 LED1定时 LED3、5、6、7连续、自动换气 LED4工作 LED 状态X X O ☆ 模块保护(PRMOD PRMOD1)O X X ☆ 压缩机顶部温度保护(PRCOM)X O X ☆ 室外温度传感器开路或短路(PROUTD)X O O ☆ 电压过高或过低保护(PRVAC)O O O ☆ 室内房间温度、蒸发器温度传感器开路或短路(PREVP 、PRROM)O O ☆ ☆ 风机速度失控(SPABF)☆ X O ☆ 过零检测出错(ACBAD)X X ☆☆ EEPROM参数错误指示☆ O X ☆ 温度保险丝断保护(FUSED)☆ O ☆ ☆ 机型不匹配(TYPER)☆ ☆ ☆ ☆ 室内机和室外机通信保护(PRTRN)O (亮) X (熄)☆ (闪)(三)、室外机故障自我诊断显示只设L4故障指示灯:L4 运行/待机指示灯运行:长亮待机:0.5HZ闪烁故障:1HZ闪烁16.2对于KFR-26(32)GW/I1BPY,室内设置4个LED。
美的家用空调故障代码及检修方法(一)、常见故障代码表(14年及以后生产新品故障维修代码表(定速/变频,挂机/柜机全适用)1、数码管、液晶显示方式:2、变频空调检测仪故障代码表3、变频室外售后通用板拨码开关选择对照表1)无源分体室外通用电控盒(编码:2033372SH002)拨码开关选择对照表2)有源分体室外通用电控盒(编码:2033323SH013)拨码开关选择对照表(1)压缩机型号与拨码开关对照表(2)机型选择对照表3)51变频柜机室外通用电控盒(编码:2033481SH002)拨码开关选择对照表4)72变频柜机室外通用电控盒(编码:2033483SH002)拨码开关选择对照表(二)、故障具体检修方法一、电流保护1、将主板电流互感器中的线体抽出,观察是否还出现故障:若还出现故障,则为主板故障:2、检査性能系统是否脏堵,压缩机性能系统。
二、风机速度失控(PG电机)1、检查风轮装配是否出现松脱或者卡死的现象:若有则进行调整;2、检査室内电控风机接线是否牢固可靠;若有问题则进行调整:3、上电空调开送风模式,若风机不能动作,检测风机强电输出端口红线与黑线之间交流电压:(1)若无交流电压输出,则为主板故障:(2)若有交流电压输出,用手沿风轮转动方向拨动风轮,若风机能正常启动,则为主板故障: 若风机仍不能正常工作,则为电机故障:4、上电空调开启送风模式,若风机能正常动作(1)检测风机反馈端口 1/3脚之间直流电压:① 无电压输出,则判断为主板故障:② 有电压输出,则测量风机反馈端口 2/3脚之间电压:A、若测量电压为5.5V,则判断为主板故障:B、若测量电压为2.5-3V,则判读为电机故障。
三、主芯片和计算机通信不上故障排査方法1、检査电控与计算机之间接线是否正常;2, 更换室内电控主板。
四、室内蒸发器传感器温度开路或短路、室内房间温度传感器开路或短路、冷凝器传感器检测异常故障排査方法1、检査传感器本体线组是否破皮或者断裂;若有则进行更换;2、检査传感器本体与电控主板之间接线是否牢固可靠,若存在问题则进行调整:3、用万用表检测传感器阻值,若阻值为0或者无穷大,则说明为传感器故障;否则可判定为室内主板故障。
美的变频空调故障代码汇总表一、变频分体机1、KFR-28GW/BPY,KFR-32GW/BPY,KFR-45GW/BPY室内机故障指示1.1室内机故障显示功能KFR-28GW/BPY,KFR-32GW/BPY,KFR-45GW/BPY室内机故障指示化霜灯定时灯自动灯运行灯LED 状态× × ○ ☆模块保护○ × × ☆压缩机顶部温度保护× ○ × ☆室外温度传感器开路或短路○ × ○ ☆制冷或制热室外温度过低、室外温度过高× ○ ○ ☆电压过高或过低保护○ ○ × ☆电流保护○ ○ ○ ☆室内房间温度、蒸发器温度传感器开路或短路○ × ☆☆室内蒸发器高温保护或低温保护× ○ ☆☆抽湿模式室内温度过低保护○ ○ ☆☆风机速度失控☆× ○ ☆过零检测出错☆○ × ☆温度保险丝断保护☆○ ☆☆机型不匹配☆☆☆☆室内机和室外机通信保护○----亮 ×----熄☆----闪1.2 室外主控板LED显示L4 运行/待机指示灯:运行----长亮待机----闪烁KFR-28GW/BPY,KFR-32GW/BPY,KFR-45GW/BPY室外主控板故障指示L3 L2 L1 故障说明①②③(LED指示灯从左到右)× × ×正常运行○ ○ ○ 正常待机× × ○ 电流保护×☆☆环境温度传感器故障☆×☆盘管温度传感器故障○ ☆○ 室外电压太高或太低× ○ × IPM模块保护× ○ ○ 压机顶部温度保护○ × × 二分钟通信故障保护×☆×预热○——常亮☆——闪烁 ×——常灭2、KFR-26GW/I1BPY,KFR-32GW/I1BPY,KFR-26GW/CBPY,KFR-32GW/CBPY变频分体机2.1 室内机故障显示功能KFR-26GW/I1BPY,KFR-32GW/I1BPY,KFR-26GW/CBPY,KFR-32GW/CBPY室内机故障指示室内机故障指示化霜灯定时灯自动灯(或换气灯)注1 运行灯LED 状态× × ○ ☆模块保护○ × × ☆压缩机顶部温度保护× ○ × ☆室外温度传感器开路或短路× ○ ○ ☆电压过高或过低保护○ ○ ○ ☆室内房间温度、蒸发器温度传感器开路或短路○ ○ ☆☆风机速度失控☆× ○ ☆过零检测出错☆○ × ☆温度保险丝断保护× ×☆☆EEPROM参数错误指示☆○ ☆☆机型不匹配☆☆☆☆室内机和室外机通信保护○——常亮☆——闪烁 ×——常灭注1:对KFR-26GW/I1BPY,KFR-32GW/I1BPY为自动灯;对KFR-26GW/CBPY,KFR-32GW/CBPY为自动换气及连续换气灯;2.2 室外主控板LED显示室外只有L4 运行/待机/指示灯:运行:长亮待机:0.5HZ闪烁故障:1HZ闪烁3、KFR-26GW/BPY-R、KFR-35GW/BPY-R、KFR-26GW/BPY-S、KFR-35GW/BPY-S、KFR-26GW/BPUYP-V、KFR-32GW/BPUYP-V变频分体机3.1 室内机故障显示KFR-26GW/BPY-R,KFR-35GW/BPY-R,KFR-26GW/BPY-S,KFR-35GW/BPY-S室内机故障指示显示内容故障或保护E0 EEPROM参数错误E1 室内外机通信故障E2 过零检测出错E3 风机速度失控E4 温度保险丝断保护E5 室外温度传感器故障E6 室内温度传感器故障P0 模块保护P1 电压过高或过低保护P2 压缩机顶部温度保护3.2 室外主控板LED显示室外只有L4 运行/待机/指示灯:运行:长亮待机:0.5HZ闪烁故障:1HZ闪烁3.3 KFR-26GW/BPY-R1、KFR-35GW/BPY-R1室内机故障指示化霜灯定时灯干燥防霉灯强劲灯LED状态☆X X X EEPROM参数错误☆O O O 模块保护☆O X X 压缩机顶部温度保护☆X X O 室外温度传感器开路或短路☆X O O 电压过高或过低保护☆X O X 室内温度传感器开路或短路☆O X O 风机速度失控☆O O X 过零检测出错☆☆☆☆室内机和室外机通信保护备注:O———常亮☆———2HZ闪烁X———常灭4、KFR-26GW/BP2UYP-U、KFR-32GW/BP2UYP-U、KFR-26GW/BP2UYP-V、KFR-32GW/BP2UYP-V直流变频分体机4.1 室内机故障显示KFR-26GW/BP2UYP-U、KFR-32GW/BP2UYP-U、KFR-26GW/BP2UYP-V、KFR-32GW/BP2UYP-V室内机故障指示显示内容故障或保护E0 EEPROM参数错误E1 室内外机通信故障E2 过零检测出错E3 风机速度失控E4 温度保险丝断保护E5 室外温度传感器故障E6 室内温度传感器故障E7 室外风机失速故障(对V型全直流变频)P0 模块保护P1 电压过高或过低保护P2 压缩机顶部温度保护P3 室外温度过低保护(预留)P4 压缩机位置检测故障4.2 室外主控板LED显示室外有4个LED灯,分别为电源灯(LED1)、状态灯(LED2、LED3、LED4)室外机LED显示功能:LED1 电源灯上电后长亮LED4 LED3 LED2 故障说明绿黄红(LED指示灯从左到右)X X X 正常运行○ ○ ○ 正常待机○ X X 电流保护☆X X 排气温度传感器故障☆☆X 环境温度传感器故障☆X ☆冷凝器温度传感器故障○ ☆○ 电压保护X ○ X IPM模块保护○ ○ X 压缩机顶部温度保护X X ○ 2分钟通信故障保护☆☆○ 压缩机驱动保护☆X ○ 室外直流风机失速保护备注:○——常亮☆——闪烁 X——常灭闪烁频率为2Hz/s二、变频柜机1、KFR-50LW/BPY,KFR-50LW/FBPY,KFR-61LW/FBPY变频柜机1.1 室内机LCD显示保护信息代码(可恢复的保护)KFR-50LW/BPY,KFR-50LW/FBPY,KFR-61LW/FBPY室内机故障指示代码内容P01 室内板与室外板2分钟通信不上保护P02 IPM 模块保护P03 高低电压保护P04 室内温度传感器开路或短路(房间、温度)P05 室外温度传感器开路或短路(冷凝器、环境、排气温度)P06 室内蒸发器温度保护关压缩机(高温或低温)P07 室外冷凝器高温保护关压缩机P08 抽湿模式室内温度过低关压缩机P09 室外排气温度过高关压缩机P10 压缩机顶部温度保护P11 化霜或防冷风P12 室内风机温度过热P13 室内板与开关板3分钟通信不上1.2 室内主控板LED显示室内机设置5个LED,其中LED0为工作指示灯,正常时LED0亮,异常时LED0以5HZ 的频率闪烁KFR-50LW/BPY,KFR-50LW/FBPY,KFR-61LW/FBPY室内主控板故障指示LED4 LED3 LED2 LED1 LED0 LED 状态× × × ○ ☆模块保护× × ○ × ☆压缩机顶部温度保护× ○ × × ☆室内房间温度、蒸发器温度传感器开路或短路○ × × × ☆室外温度传感器开路或短路× × ○ ○ ☆制冷或制热室外温度过低、室外温度过高× ○ × ○ ☆排气温度过高× ○ ○ × ☆电压过高或过低保护○ × ○ × ☆电流保护○ ○ × × ☆室内蒸发器高、低温度保护× ○ ○ ○ ☆机型不匹配○ × ○ ○ ☆抽湿模式室内温度过低保护○ ○ × ○ ☆室内机和室外机通信保护○ ○ ○ × ☆室内机和开关板通信保护○ ○ ○ ○ ☆温度保险丝断保护× × × × ○ 正常状态(频率值为零)○ ○ × × ○ 正常状态(频率值不为零)○----亮 ×----熄☆----闪1.3 室外主控板LED显示L4 运行/待机/指示灯:运行----长亮待机----0.5HZ闪烁KFR-50LW/BPY,KFR-50LW/FBPY,KFR-61LW/FBPY室内主控板故障指示L3 L2 L1 故障说明①②③(LED指示灯从左到右)× × ×正常运行○ ○ ○ 正常待机× × ○ 电流保护×☆☆环境温度传感器故障☆×☆盘管温度传感器故障○ ☆○ 室外电压太高或太低× ○ × IPM模块保护× ○ ○ 压机顶部温度保护○ × × 二分钟通信故障保护×☆×预热○——常亮☆——闪烁 ×——常灭2、KFR-50LW/F2BPY变频柜机2.1 室内机故障显示KFR-50LW/F2BPY室内机故障指示LED指示故障运行灯定时灯预热化霜灯电流保护×☆☆压缩机顶部温度保护☆×☆室外机传感器故障× ×☆室内机温度传感器故障×☆×模块保护☆× ×电压保护○ ☆☆室内外机型不匹配☆☆×室内外机通讯保护☆☆☆○——常亮☆——闪烁 ×——常灭2.2 室外主控板LED显示室外只有L4 运行/待机/指示灯:运行:长亮待机:0.5HZ闪烁故障:1HZ闪烁3. KFR-50LW/MBPY,KFR-60LW/MBPY变频柜机3.1 室内机故障显示KFR-50LW/MBPY,KFR-60LW/MBPY室内机故障指示保护内容故障内容P1 室内外2分钟通信保护E1 室内温度传感器故障P2 模块保护E2 预留P3 高低电压保护E3 预留P4 室内蒸发器高温或低温保护E4 室外温度传感器故障P5 室外冷凝器高温保护E5 室内板与显示板3分钟通信故障P6 预留E6 预留P7 室外排气温度过高保护E7 预留P8 压缩机顶部温度保护E8 静电除尘故障P9 化霜E9 EEPROM故障3.2 室外主控板LED显示室外只有L4 运行/待机/指示灯:运行:长亮待机:0.5HZ闪烁故障:1HZ闪烁4.KFR-50LW/BPY-R,KFR-60LW/BPY-R变频柜机4.1 室内机故障显示当空调出现故障时,温度显示区自动显示故障保护代码5秒钟,然后隐去,恢复显示设定温度。
三、V 系列智能变频中央空调故障代码1、V3 变频机故障指示:MDV-252(8)W/S-830、MDV-280(10)W/S-830、MDV-335(12)W/S-830、MDV-400(14)W/S-830、MDV-450(16)W/S-830显示内容故障或保护定义H2 室外机台数减少故障E0 室外机通讯故障E1 H3 室外机台数增加故障相序故障E2 P0 变频顶部温度保护室内机与主机通讯故障E4 低压保护P1 高压保护/ P2 环境温度管温传感器故障E8 室外机地址错误故障P3 变频过电流保护E9 电压故障P4 排气温度过高保护H0 DSP与P5 管温高温保护/ P6 模块保护780034 通讯故障H19177与780034 电流保护P7 定频1 / P8 定频2 电流保护通讯故障点检说明:显示内容备注正常显示3,2,0,11室外机地址16,12,148,10,室外机本机能力2模块室外机台数主机有效3室外机总能力能力需求4室内机能力总需求5主机有效主机修正后的总能力需求主机有效64,0,1,2,3运转模式7该外机实际运行能力能力需求820,1,风机状态9T2 平均实际值10T3 管温实际值11T4 环境温度12实际值变频排气温度实际值13定频1 排气温度实际值14定频2 排气温度15实际值变频电流实际值16定频1电流17实际值定频2电流实际值18电子膨胀阀实际值× A 开度819电子膨胀阀 B 8实际值×开度20室内机台数实际值2100没有保护或故障显示最后一次故障或保护代码222 、V4 直流变频机故障指示:MDV-252(8)W/DSN1-840 、MDV-280(10)W/DSN1-840、MDV-335(12)W/DSN1-840、MDV-400(14)W/DSN1-830、MDV-450(16)W/DSN1-830显示故障或保护定义备注仅主机显示室外机通讯故障E0相序故障E1室内机与主机通讯故障E2环境温度管温传感器故障E4室外机地址错误故障E8电压故障E9通讯故780034 IR341 与H0通讯故障780034 9177 与H1仅主机显示室外机台数减少故障H2仅主机显示室外机台数增加故障H3保护3 次P6 30 分钟内出现不能自动恢复H4检测到最大台数10 秒消失内机减少故障H7变频顶部温度保护P0高压保护P1低压保护P2变频过电流保护P3排气温度过高保护P4管温高温保护P5模块保护P6电流保护 1 定频P7电流保护 2 定频P8故障灯以5HZ闪8 下模块故障L0故障灯以5HZ闪9 下直流母线低电压保护L1故障灯以5HZ闪10 下直流母线高电压保护L2故障灯以5HZ闪11 下L3故障/同步/闭环故障灯以5HZ闪12 下L4故障灯以5HZ闪13 下零速度保护L5故障灯以5HZ闪14 下L6故障灯以5HZ闪15 下相序错误保护L7故障灯以5HZ前一时刻和后一时刻速度变>15Hz保护闪16 下L8保护>15Hz化故障灯以5HZ闪保护>15Hz设定速度和实际运转速度差17 下L93 、V4+全直流变速中央空调室外机故障指示:MDV-252(8)W/DSN1-840(A)、MDV-280(10)W/DSN1-840(A)、MDV-335(12)W/DSN1-840(A)、MDV-400(14)W/DSN1-830(A)、MDV-450(16)W/DSN1-830(A)。
美的空调故障代码获取更多故障代码,请回复相关空调品牌。
例如:回复“格力”、“美的”;即可查询对应品牌空调的故障代码。
E系列、M系列、H系列、G系列直流变频挂机E0-EEPROM参数错误指示E1-室内机和室外机通信故障E2-过零检测出错E3-风机速度失控E4-温度保险丝断开保护E5-室外温度传感器故障E6-室内温度传感器故障P0-模块保护P1-电压过高或过低保护P2-压缩机顶部温度保护P4-直流变频压缩机位置保护N系列、W系列直流变频挂机E0-EEPROM参数错误指示E1-室内机和室外机通信故障E2-过零检测出错E3-风机速度失控E4-温度保险丝断开保护E5-室外温度传感器故障或室外807EEPROM故障E6-室内温度传感器故障P0-模块保护P1-电压过高或过低保护P2-压缩机顶部温度保护P4-直流变频压缩机位置保护C系列全直流变频挂机E1-EEPROM参数错误指示E2-室内机和室外机通信故障E3-过零检测出错E4-风机速度失控E5-室外温度传感器故障或室外E方参数故障E6-室内温度传感器故障E7-室外风机速度失控故障E8-显示板通信故障E9-IPM模块故障P0-模块保护P1-电压过高或过低保护P2-压缩机顶部温度保护P3-室外温度过低保护P4-直流变频压缩机位置保护I系列直流变频挂机E0-EEPROM参数错误指示E1-室内机和室外机通信故障E2-过零检测出错E3-风机速度失控E5-室外温度传感器故障或室外E方参数故障E6-室内温度传感器故障E7-室外风机速度失控故障E8-除尘复位故障P0-模块保护P1-电压过高或过低保护P2-压缩机顶部温度保护P3-室外温度过低保护P4-直流变频压缩机位置保护J、K、L、R、K(太阳能)系列直流变频挂机E0-EEPROM参数错误指示E1-室内机和室外机通信故障E2-过零检测出错E3-风机速度失控E5-室外温度传感器故障或室外E方参数故障E6-室内温度传感器故障E7-室外风机速度失控故障E8-模式冲突P0-模块保护P1-电压过高或过低保护P2-压缩机顶部温度保护P3-室外温度过低保护P4-直流变频压缩机位置保护50FBPY、50BPY变频柜机E01-一个小时四次模块保护E03-一个小时三次排气温度保护P01-室内板与室外板2分钟通讯不上保护P02-IPM模块保护P03-高低电压保护P04-室内温度传感器开路或短路(房间、温度)P05-室外温度传感器开路或短路(高温或低温)P06-室内蒸发器温度保护关压缩机(高温或低温)P07-室外冷凝器高温保护关压缩机P09-室外排气温度过高关压缩机P10-压缩机顶部温度保护P11-化霜或防冷风P12-室内风机温度过热P13-室内板与开关板3分钟通讯不上美的系列侧出风嵌入式空调器E0-上电时读EEPROM参数出错E1-室内房间温度T1传感器开路或短路E2-室内蒸发器温度T2传感器开路或短路E3-冷凝器温度T3传感器开路或短路Pd-四次电流保护P系列分体机E1-上电时读EEPROM参数出错E2-过零检测出错E3-风机速度失控E4-四次电流保护E5-室内房间温度传感器开路或短路E6-室内蒸发器温度传感器开路或短路E8-过滤网复位故障Q系列E1-T1传感器故障E2-T2传感器故障E3-T3传感器故障E4-T4传感器故障E5-网络通信故障E6-室外保护E7-加湿器故障E8-静电除尘故障E9-EEPROM出错5匹柜机系列新电控方案E1-T1传感器故障E2-T2传感器故障E3-T3/T4传感器故障E4-T4传感器故障E5-室内外通信故障E10-压缩机低压故障E13-压缩机缺相故障E14-压缩机相序反接故障R型交流变频系列、S型交流变频系列、V型交流变频分体机系列E0-EEPROM参数错误指示E1-室内机和室外机通信故障E2-过零检测出错E3-风机速度失控E4-温度保险丝断开保护E5-室外温度传感器故障E6-室内温度传感器故障P0-模块保护P1-电压过高或过低保护P2-压缩机顶部温度保护U型全直流变频、V型全直流变频分体机系列E0-EEPROM参数错误指示E1-室内机和室外机通信故障E2-过零检测出错E3-风机速度失控E4-温度保险丝断开保护E5-室外温度传感器故障E6-室内温度传感器故障E7-室外风机速度失控(V型全直流变频)P0-模块保护P1-电压过高或过低保护P2-压缩机顶部温度保护P3-室外温度过低保护(预留)P4-压缩机位置检测故障E2系列、E3系列、DC系列、DE系列、HA系列、F系列、I系列、G系列、GC系列、IA系列、IB系列柜机T1-传感器故障E2-T2传感器故障E3-T3传感器故障E4-T4传感器故障E5-负载板与显示板通信故障E8-室内外通信故障E9-开关门故障EA-压缩机低压故障Eb-室内直流风机失速Ed-压缩机缺相故障EE-压缩机相序反接故障PAU-进风格栅保护S1、S2、S3、S6型系列、Q1、Q2、Q3系列、U(U1)系列、、P系列、K系列柜机、V系列、J系列、R系列柜、V2系列、W系列、GA系列、N系列T1-传感器故障E2-T2传感器故障E3-T3/T4传感器故障E4-T4传感器故障(变频机用)E5-网络通信故障E6-室外故障E7-加湿器故障E8-静电除尘故障E9-自动门故障PAU-进风格栅保护Q1系列、Q2系列、Q3系列、U系列、V系列、J系列、V1系列、N系列、X系列、GA系列、、V1系列、H系列、A系列、B系列、K系列、W系列、FA系列、FB系列、FC系列、HA系列、HB 系列、GC系列分体机E1-上电时读EEPROM参数出错E2-过零检测出错E3-风机速度失控E4-四次电流保护E5-室内房间温度传感器开路或短路E6-室内蒸发器温度传感器开路或短路。
美的空调故障代码大全室内机显示灯故障原因电源定时运转闪灭灭室内环温传感器闪亮亮室内热交传感器亮亮闪室外除霜传感器闪亮灭压机排气温度传感器闪灭亮室外传感器异常闪灭亮压机运转异常闪闪亮1.DC电流检知2.过电流保护动作3.功率模块温度过高保护4.功率模块低电压检知室内机显示灯故障原因电源定时运转闪闪灭过电流保护动作AC电流检知闪闪闪制热时,蒸发器温度上升(68度以上),或室内风机风量小闪灭闪CT断线保护亮闪亮功率模块异常灭灭闪通讯异常灭闪灭排气管温度超过120度灭闪亮电压不足解释原因,让用户断电10-15分钟后重新上电开机灭亮闪控制基板异常灭亮闪室内机EEPROM异常闪亮闪室外机EEPROM异常故障代码故障原因E1 功率模块过热、过流、短路E2 电流传感器感应电流太小E4 制热时压机温度传感器温度超过120℃E5 过电流保护E6 室外温度传感器故障E7 室外盘管传感器故障Ea 电源超欠压Ec 制冷时室外热交传感器温度超过70℃保护Ee 单片机读入EEPROM数据有错误F1 室温传感器故障F2 室内盘管传感器故障F4 制热时室内盘管传感器超过72℃保护F5 制冷时室内盘管温度传感器低于0℃以下保护F7 室内主板与控制面板通讯故障(一)分体壁挂式空调器1、25、35F2、清爽星3、清静星4星光型(23(故障判断时,只用以上所列的三个灯判断,不去判断其它灯的状态)5、星彩型(6、I7、H8、三匹系列大分体机:KF(R)-60GW/Y KF(R)-70GW/Y KF(R)9、T610、主芯片统一后分体机:KF(R)-23GW/Y KF(R)-26/32GW/(D)Y KF(R)-25/28/30GW/Y KF(R)-36/43GW/Y KF(R)-25GW/EY KF(R)-28GW/EY11、美的— KF (C )-36(43、45)GW/Y KFR-23(36)GW/Y KFR-43(45)GW/Y 室内代码情况表:使用遥控器进行判断(该判断方法适用于原机灰色遥控器):将遥控器电池最右边按键按下持续3秒后,遥控器显示00,用温度调节按扭可改变显示的数字并通过遥控器发射给主机(只要电控正常,在任何情况下均能接收并通过显示灯显示出来),对于无问题的项目,仅定时灯闪烁,否则定时灯及运行灯均闪。
美的空调故障代码大全室内机显示灯故障原因电源定时运转闪灭灭室内环温传感器闪亮亮室内热交传感器亮亮闪室外除霜传感器闪亮灭压机排气温度传感器闪灭亮室外传感器异常闪灭亮压机运转异常闪闪亮1.DC电流检知2.过电流保护动作3.功率模块温度过高保护4.功率模块低电压检知室内机显示灯故障原因电源定时运转闪闪灭过电流保护动作AC电流检知闪闪闪制热时,蒸发器温度上升(68度以上),或室内风机风量小闪灭闪CT断线保护亮闪亮功率模块异常灭灭闪通讯异常灭闪灭排气管温度超过120度灭闪亮电压不足解释原因,让用户断电10-15分钟后重新上电开机灭亮闪控制基板异常灭亮闪室内机EEPROM异常闪亮闪室外机EEPROM异常故障代码故障原因E1 功率模块过热、过流、短路E2 电流传感器感应电流太小E4 制热时压机温度传感器温度超过120℃E5 过电流保护E6 室外温度传感器故障E7 室外盘管传感器故障Ea 电源超欠压Ec 制冷时室外热交传感器温度超过70℃保护Ee 单片机读入EEPROM数据有错误F1 室温传感器故障F2 室内盘管传感器故障F4 制热时室内盘管传感器超过72℃保护F5 制冷时室内盘管温度传感器低于0℃以下保护F7 室内主板与控制面板通讯故障(一)分体壁挂式空调器1、25、35F、F1系列分体机? 〇(亮)???? ☆(闪)????? ×(灭)2、清爽星26、3、清静星26、4、星彩型(26A、32A、36A、43A)系列分体机星光型(23、26、32I1)系列、22Y系列分体机(故障判断时,只用以上所列的三个灯判断,不去判断其它灯的状态)5、星彩型(50A6、I型系列分体机KF(R)-23GW/IY7、H型系列分体机KF(R)-25GW/HY8、三匹系列大分体机:KF(R)-60GW/Y ???KF(R)-70GW/YKF(R)9、T610、主芯片统一后分体机:? ??KF(R)-23GW/Y?? KF(R)-26/32GW/(D)Y??? KF(R)-25/28/30GW/Y?? ?? KF(R)-36/43GW/Y??? KF(R)-25GW/EY??? ????KF(R)-28GW/EY? 11、美的—东芝系列分体机:?? KF(C)-36(43、45)GW/Y??? KFR-23(36)GW/Y? ?KFR-43(45)GW/Y? ???????室内代码情况表:????使用遥控器进行判断(该判断方法适用于原机灰色遥控器):将遥控器电池最右边按键按下持续3秒后,遥控器显示00,用温度调节按扭可改变显示的数字并通过遥控器发射给主机(只要电控正常,在任何情况下均能接收并通过显示灯显示出来),对于无问题的项目,仅定时灯闪烁,否则定时灯及运行灯均闪。
美的故障代码清静星26、33C1系列分体机代码指示内容P0连续4次电流保护P1室内风机速度失控P2室内板与开关板2分钟通信不上P3室内蒸发器温度传感器开路或短路P4室内房间温度传感器开路或短路P5室内风机温度保险丝断开P6过零检测故障P7机型选择错误天朗星触摸屏系列柜机(M系列)室内代码情况表:保护代码指示内容故障代码指示内容P3高低电压保护(变频机用)E1T1传感器故障P4室内蒸发器温度保护关压缩机(高温或低温)E2T2传感器故障P5室外冷凝器高温保护关压缩机E3T3传感器故障P7室外排气温度过高关压缩机(变频机用)E4T4传感器故障(变频机用)P8压机顶部温度保护(变频机用)E5室内板与显示板3分钟通信不上P9压缩机顶化霜保护或防冷风关风机E6室外保护E7加湿器故障E8静电除尘故障E9EEPROM出错E、F、F1、K、K1、H、I系列柜机:室内代码情况表:类型代码指示内容保护P02压缩机过载(保留)P03室内蒸发器温度过低(制冷)P04室内蒸发器温度过高(制热)P05室内出风口温度过高(制热)故障E01温度传感器开路,短路故障E02压缩机过流(保留)E03压缩机欠流(第一次上电检)(保留)E04室外机保护注:故障期间LED以2HZ频率闪,而保护期间LED显示正常室外代码情况表:E、F、F1、K、K1、H、I系列柜机:室内代码情况表:类型代码指示内容保护P02压缩机过载(保留)P03室内蒸发器温度过低(制冷)P04室内蒸发器温度过高(制热)P05室内出风口温度过高(制热)故障E01温度传感器开路,短路故障E02压缩机过流(保留)E03压缩机欠流(第一次上电检)(保留)E04室外机保护C1型系列柜机:室内代码情况表:类型显示代码指示内容保护P02压缩机过载保护P03室内蒸发器温度过低(制冷)保护P04室内蒸发器温度过高(制热)故障E01温度传感器开路,短路故障故障E02压缩机过流故障E04室外机保护注:故障期间LED以2HZ频率闪,而保护期间LED显示正常B(C)型系列柜机L(R)F-7.5WB(D) L(R)F-12WB L(R)F-7.5WC(D)L(R)F-12WC KF(R)-48LW/Y KF(R)-61LW/YKF(R)-75LW/B(C)(S)(D) KF(R)-120LW/B(C)(S)(D)室内代码情况表:开关板上故障时LED1快闪,保护恢复后工作正常显示代码指示内容1室外机故障2电源过欠压3制冷时室内蒸发器温度过低4制热时室内蒸发器温度过高5室内出风口温度过高6室内机主控板与显示板不能通信7室内机电路故障A型系列柜机:LF-8W(单相、三相)RF-8W(单相、三相)LF-12W RF-12W室外代码情况表:LED状态指示内容LED1亮电压过高LED2亮电压过低LED3亮管路压力过高,压缩机过流或过热LED4亮管路压力过低LED1和LED2亮室外机温度检测大于80℃LED1和LED3亮室外机温度检测小于-40℃l 61型冷暖机借用KFR-61W/I,压缩机为ZR-28K3-PFJ-522;l 50型冷暖机借用KFR-50W/I,压缩机改为上海日立SHW33TC4-U,配管也做了相应的调整。
l 61型借用KFR-61L/IDY,蒸发器借用61K,室内风机为YDK36-8M, 风机电容为3uF.l 50型在KFR-50L/IDY上改动,室内风机为YDK36-8M, 风机电容为2.5uF.在测试运行状态下,可按测试维修按键检查以下内容:T1,T2,T3,T4,保护代码、故障代码。
室内代码情况表:保护代码指示内容故障代码指示内容P3高低电压保护(变频机用)E1T1传感器故障P4室内蒸发器温度保护关压缩机(高温或低温)E2T2传感器故障P5室外冷凝器高温保护关压缩机E3T3传感器故障P7室外排气温度过高关压缩机(变频机用)E4T4传感器故障P8压缩机顶部温度保护(变频机用)E5室内板与显示板3分钟通信不上P9压缩机顶化霜保护或防冷风关风机E6室外保护E7加湿器故障E8静电除尘故障Q型系列柜机室内代码情况表:保护指示内容故障代码? 指示内容代码P3高低电压保护(变频机用)E1T1传感器故障P4室内蒸发器保护关压缩机(高温或低温)E2T2传感器故障P5室外冷凝器高温保护关压缩机E3T3传感器故障P7室外排气温度过高关压缩机(变频机用)E4T4传感器故障P8压缩机顶部温度保护(变频机用)E5网络通信故障P9化霜保护或防冷风关风机E6室外保护E7加湿器故障E8静电除尘故障E9EEPROM出错S1、S2、S3、S6型系列、R系列柜机、Q1、Q2、Q3系列、U(U1)系列、V系列、J系列室内代码情况表:保护代码指示内容故障代码指示内容P3高低电压保护(变频机用)E1T1传感器故障P4室内蒸发器保护关压缩机(高温或低温)E2T2传感器故障P5室外冷凝器高温保护关压缩机E3T3传感器故障P7室外排气温度过高关压缩机(变频机用)E4T4传感器故障(变频机用)P8压缩机顶部温度保护(变频机用)E5网络通信故障P9化霜保护或防冷风关风机E6室外故障E7加湿器故障E8静电除尘故障E9自动门故障PAU进风格栅保护全直流数字变频型分体机(25、32BP2Y)室内代码情况表:保护代码指示内容保护代码指示内容P0一个小时四次电流保护E0一个小时四次模块保护P1风机速度失控E1室内外2分钟通信不上保护P2室内与开关板2分钟通信不上保护E2IPM模块保护P3室内蒸发器温度保护关压缩机(高温或低温)E3高低电压保护P4室内房间温度传感器开路或短路E4室外温度传感器开路或短路(冷凝器、环境、排气温度)P5室内风机温度保险丝断开E5室内蒸发器温度保护关压缩机(高温或低温)P6室内风机过零检测故障E6室外排气温度过高关压缩机P7机型选择错误E7室外环境温度过高、过低保护P8室内蒸发器温度防冷风或化霜(显示“HS”)P9压缩机顶部温度保护室外代码情况表:R型交流变频系列、S型交流变频系列、V型交流变频分体机系列室内代码情况表:类型显示代码指示内容故障E0EEPROM参数错误指示故障E1室内机和室外机通信故障故障E2过零检测出错故障E3风机速度失控保护E4温度保险丝断开保护故障E5室外温度传感器故障故障E6室内温度传感器故障保护P0模块保护保护P1电压过高或过低保护保护P2压缩机顶部温度保护室外代码情况:只设L4指示灯,L4 长亮(运行):L4以0.5HZ闪烁(待机);L4以1HZ闪烁(故障)。
U型全直流变频、V型全直流变频分体机系列室内代码情况表:返回目录类型显示代码指示内容故障E0EEPROM参数错误指示E1室内机和室外机通信故障E2过零检测出错E3风机速度失控E4温度保险丝断开保护E5室外温度传感器故障E6室内温度传感器故障E7室外风机速度失控(V型全直流变频)P0模块保护P1电压过高或过低保护P2压缩机顶部温度保护P3室外温度过低保护(预留)P4压缩机位置检测故障50FBPY、50BPY变频柜机开关板情况表:(其中故障为不可恢复的保护)类型显示代码指示内容保护E01一个小时四次模块保护E03一个小时三次排气温度保护P01室内板与室外板2分钟通讯不上保护P02I PM模块保护P03高低电压保护故障P04室内温度传感器开路或短路(房间、温度)P05室外温度传感器开路或短路(高温或低温)P06室内蒸发器温度保护关压缩机(高温或低温)P07室外冷凝器高温保护关压缩机P09室外排气温度过高关压缩机保护P10压缩机顶部温度保护P11化霜或防冷风故障P12室内风机温度过热P13室内板与开关板3分钟通讯不上KFR-50(60)LW/MBPY交流变频柜机室内代码情况表:保护代码指示内容故障代码指示内容P1室内外2分钟通信保护E1室内温度传感器故障P2模块保护E2预留P3高低电压保护E3预留P4室内蒸发器温度高温或低温保护E4室外温度传感器故障P5室外冷凝器高温保护关压缩机E5室内板与显示板3分钟通信故障P6预留E6预留P7室外排气温度过高保护E7预留P8压缩机顶部温度保护E8静电除尘故障P9化霜E9EEPROM故障R系列交流变频柜机室内代码情况表:(当空调出现故障时,温度显示区自动显示故障保护代码5秒钟,然后隐去,恢复显示设定温度:按“试运行”键,可进入检查状态,再按“▲”或“▼”键,可察看T1(室内温度)、返回目录T2(室内管温)、T3(室外管温)、T4(室外温度)、故障代码)保护代码指示内容故障代码指示内容P1室内外2分钟通信保护E1室内温度传感器故障P2模块保护E2预留P3高低电压保护E3预留P4预留E4室外温度传感器故障P5预留E5预留P6等离子故障E6预留P7预留E7预留P8压缩机顶部温度保护E8预留P9化霜或放冷风E9EEPROM故障。