施工安全风险分级划分表68946
- 格式:doc
- 大小:74.50 KB
- 文档页数:12
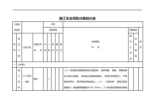
施工安全风险分级划分表工程项开竣工时间目名称风险等级单控制措施备序位风险分析可一较重特分部工程综述注号工综述控般大大大程一公共部分施( 1)低压架空线路的路径应合理选择,避开易撞、易碰、易腐蚀场所以及热力管道。
架空线必须使用绝缘线,架设在专用电杆上,严禁架设在树木、脚手架及工 1.1.1 架触电√其他设施上。
( 2)“三相五线”制低压架空线路的 L 线绝缘铜线截面不小于用空线路10mm。
( 3)低压架空线路架设高度不得低于 2.5m,交通要道及车辆通行处,架设电高度不低于 5m。
( 1)电缆中必须包含全部工作芯线和用作保护零线或保护线的芯线;需要三相四线制配电的电缆线路必须采用五芯电缆。
(2)电缆直接埋地敷设的深度不应小于0 . 7m。
严禁沿1.1.2 敷地面明设,并应避免机械损伤和介质腐蚀。
埋地电缆路径应设方位标志。
(3)埋地电缆设直埋电触电√的接头应设在地面上的接线盒内,接线盒应能水、防尘、防机械损伤,并应远离易燃、缆易爆、易腐蚀场所。
( 4)架空电缆应沿电杆、支架或墙壁敷设,并采用绝缘子固定,绑扎线必须采用绝缘线,固定点间距应保证电缆能承受自重所带来的荷载,最大弧垂距地不得小于 2m。
1.1.3 配( 1)配电系统应设置配电柜或总配电箱、分配电箱、开关箱,实行三级配电。
配电系统宜三相负荷平衡。
220V或 380V单相用电设备宜接入220 / 380V三相四线系统;当单电箱及开触电√相照明线路电流大于30A时宜采用220 / 380V 三相四线制供电。
( 2)总配电箱应设在靠关箱安装近电源的区域,分配电箱应设在用电设备或负荷相对集中的区域,分配电箱与开关箱的距离不得超过 30m ;开关箱与其控制的固定式用电设备的水平距离不宜超过3m ,距离大于 3m时应使用移动式开关箱 (或便携式卷线盘);移动式开关箱至固定式开关箱之间的引线长度不得大于 30m , 且只能用橡套软电缆。
( 3) 配电箱、 开关箱的电源进线端严禁采用插头和插座做活动连接。
建筑施工分部分项工程安全风险等级划分表序号分部分项工程风险等级重大风险较大风险1 基坑支护、降水工程1、开挖深度超过5m(含5m)的基坑(槽)的土方开挖、支护、降水工程;2、开挖深度虽未超过5m,但地质条件、周围环境和地下管线复杂,或影响毗邻建筑(构筑)物安全的基坑(槽)的土方开挖、支护、降水工程。
开挖深度超过3m(含3m)或虽未超过3m但地质条件和周边环境复杂的基坑(槽)支护、降水工程。
2 土方开挖工程开挖深度超过3m(含3m)的基坑(槽)的土方开挖工程。
3 模板工程及支撑体系1、工具式模板工程:包括滑模、爬模、飞模工程;2、混凝土模板支撑工程:搭设高度8m及以上;搭设跨度18m及以上;施工总荷载15kN/m2及以上;集中线荷载20kN/m及以上;3、承重支撑体系:用于钢结构安装等满堂支撑体系,承受单点集中荷载700Kg以上。
1、各类工具式模板工程:包括大模板、滑模、爬模、飞模等工程;2、混凝土模板支撑工程:搭设高度5m及以上;搭设跨度10m及以上;施工总荷载10kN/m2及以上;集中线荷载15kN/m及以上;高度大于支撑水平投影宽度且相对独立无联系构件的混凝土模板支撑工程;3、承重支撑体系:用于钢结构安装等满堂支撑体系。
4 起重吊装及安装拆卸工程1、采用非常规起重设备、方法,且单件起吊重量在100kN及以上的起重吊装工程;2、起重量300kN及以上的起重设备安装工程;高度200m及以上内爬起重设备的拆除工程。
1、采用非常规起重设备、方法,且单件起吊重量在10KN及以上的起重吊装工程;2、采用起重机械进行安装的工程;3、起重机械设备自身的安装、拆卸。
5 脚手架工程1、搭设高度50m及以上落地式钢管脚手架工程;2、提升高度150m及以上附着式整体和分片提升脚手架工程;3、架体高度20m及以上悬挑式脚手架工程。
1、搭设高度24m及以上的落地式钢管脚手架工程;2、附着式整体和分片提升脚手架工程;3、悬挑式脚手架工程;4、吊篮脚手架工程;5、自制卸料平台、移动操作平台工程;6、新型及异型脚手架工程。
施工风险等级划分
项目名称:XXXX工程
日期:XXXX年XX月XX日
风险等级划分表:
| 风险等级 | 风险描述
| 风险影响 | 风险控制措施
|
| -------- | ------------------------------------------------------------ | ------------------------------------------ |
------------------------------------------------------------ |
| 高风险 | 在施工过程中可能造成严重人员伤亡或工程质量问题,严重影响项目
进展和预算 | 高:可能导致项目延期、超预算甚至无法完成 | 在施工前进行全面安全分
析和评估,严格按照相关安全规范进行操作 |
| 中风险 | 在施工过程中可能引起轻微人员伤亡或工程影响问题,对项目进展和
预算有一定的影响 | 中:可能导致项目进度延迟,预算超支 | 加强施工组织与
管理,提高施工人员安全意识,落实岗位责任制 |
| 低风险 | 在施工过程中可能发生轻微事故或存在工程质量问题,对项目进展和
预算影响较小 | 低:可能导致项目进度变化较小,预算偏离较小 | 严格执行工程质量标
准和施工规范,定期进行质量检查和隐患排查 |
备注:以上风险等级划分仅供参考,具体风险评估需根据具体工程和实际情况进行调整。
在实施施工风险控制措施时,应遵循相关法律法规以及现场安全、环保、质量等要求,确保项目顺利进行。
建筑施工安全危险等级划分表工程名称工程地址层次结构地上:层总高:米设计单位地下:层结构:建设单位施工单位监理单位勘察单位安全等级分部分项工程工程内容评识结论(有、无)Ⅰ级Ⅰ级一、人挖桩、深基坑及其他地下工程1、开挖深度超过5m(含5m)的基坑(槽)的土方开挖、支护、降水工程2、开挖深度虽未超过5m,但地质条件、周围环境和地下管线复杂,或影响毗邻建筑物、构筑物安全的基坑(槽)的土方开挖、支护、降水工程3、开挖深度超过16m的人工挖孔桩工程4、地下暗挖工程、顶管工程、水下作业工程二、模板工程及支撑体系1、工具式模板工程:包括滑模、爬模、飞模工程2、混凝土模板支撑工程:搭设高度8m及以上;搭设跨度18m及以上;施工总荷载15K N/m2及以上;集中线荷载20K N/m及以上3、承重支撑体系:用于钢结构安装等满堂支撑体系,承受单点集中荷载700kg以上三、起重吊装及安装拆卸工程1、采用非常规起重设备、方法、且单件起吊重量在100KN及以上的起重吊装工程2、起重量300KN及以上的起重设备安装工程;高度200m及以上内爬起重设备的拆除工程3、施工高度50m及以上的建筑幕墙安装工程4、跨度大于36m及以上的钢结构安装工程;跨度大于60m及以上的网架和索膜结构安装工程四、脚手架工程1、搭设高度50m及以上落地式钢管脚手架工程2、提升高度150m及以上附着式整体和分片提升脚手架工程3、架体高度20m及以上悬挑式脚手架工程五、拆除、爆破工程1、采用爆破拆除的工程2、码头、桥梁、高架、烟囱、水塔或拆除中容易引起有毒有害气(液)体或粉尘扩散、易燃易爆事故发生的特殊建筑物、构筑物的拆除工程3、可能影响行人、交通、电力设施、通讯设施或其他建筑物、构筑物安全的拆除工程4、文物保护建筑、优秀历史建筑或历史文化风貌区控制范围的拆除工程六、其他1、应划分危险等级Ⅰ级的采用新技术、新工艺、新材料、新设备及尚无相关技术标准的危险性较大的分部分项工程2、其他在建建筑工程施工过程中存在的、应划入危险等级Ⅰ级的可能导致作业人员群死群伤或造成重大不良社会影响的分部分项工程一、基坑支护、降水工程开挖深度超过3m(含3m)或虽未超过3m,但地质条件和周边环境复杂的基坑(槽)支护、降水工程二、土方开挖、人挖桩、地1、开挖深度超过3m(含3m)的基坑(槽)的土方开挖工程2、人工挖扩孔桩工程Ⅱ级下及水下作业工程3、地下暗挖、顶管及水下作业工程三、模板工程及支撑体系1、各类工具式模板工程:包括大模板、滑模、爬模、飞模等工程2、混凝土模板支撑工程:搭设高度5m及以上;搭设跨度10m及以上;施工总荷载10KN/m2及以上;集中线荷载15KN/m及以上;高度大于支撑水平投影宽度且相对独立无联系构件的混凝土模板支撑工程3、承重支撑体系;用于钢结构安装等满堂支撑体系四、起重吊装及安装拆卸工程1、采用非常规起重设备、方法,且单件起吊重量在10KN及以上的起重吊装工程2、采用起重机械进行安装的工程3、起重机械设备自身的安装、拆卸4、建筑幕墙安装工程5、钢结构、网架和索膜结构安装工程6、预应力工程五、脚手架工程1、搭设高度24m及以上的落地式钢管脚手架工程2、附着式整体和分片提升脚手架工程3、悬挑式脚手架工程4、吊篮脚手架工程5、自制卸料平台、移动操作平台工程6、新型及异型脚手架工程六、拆除、爆破工程1、建筑物、构筑物拆除工程2、采用爆破拆除工程七、其他1、应划入危险等级Ⅱ级的采用新技术、新工艺、新材料、新设备及尚无相关技术标准的分部分项工程2、其他建筑工程在施工过程中存在的应划入危险等级Ⅱ级的,可能是导致作业人员群死群伤或造成重大不良社会影响的分部分项工程Ⅲ级除Ⅰ级、Ⅱ级以外的其他工程施工内容建设单位:项目负责人:技术负责人:(公章)施工单位:项目经理:技术负责人:项目技术负责人:安全负责人:项目安全负责人:(公章)监理单位:项目总监:总监代表:专业监理工程师:(公章)涉及其它参建单位:项目负责人:技术负责人:(公章)年月日。
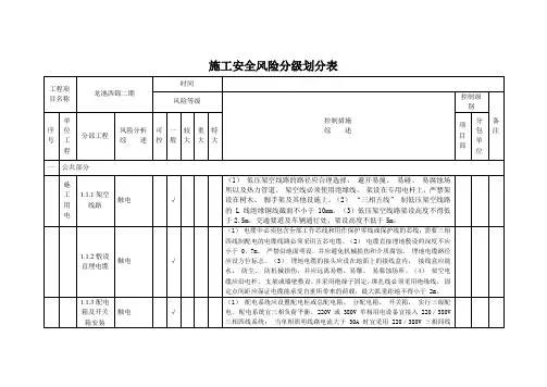
施工安全风险分级划分表
工程项目名称开竣工时间
风险等级
控制措施
综述注
序号单
位工程
分部
工程
风险分
析
综述
可
控
一
般
较
大
重
大
特
大
一公共部分
施
工用电
1.1.1
架空线路
触电√
(1)低压架空线路的路径应合理选择,避开易撞、易碰、易腐蚀场所以及
热力管道。
架空线必须使用绝缘线,架设在专用电杆上,严禁架设在树木、脚手
架及其他设施上。
(2)“三相五线” 制低压架空线路的 L 线绝缘铜线截面不小于
10mm。
(3)低压架空线路架设高度不得低于2.5m,交通要道及车辆通行处,架设高
度不低于5m。
1.1.2
敷设直埋
电缆
触电√
(1)电缆中必须包含全部工作芯线和用作保护零线或保护线的芯线;需要三相四线制
配电的电缆线路必须采用五芯电缆。
(2)电缆直接埋地敷设的深度不应小于 0.7m。
严禁
沿地面明设,并应避免机械损伤和介质腐蚀。
埋地电缆路径应设方位标志。
(3)埋地电
缆的接头应设在地面上的接线盒内,接线盒应能水、防尘、防机械损伤,并应远离易燃、
易爆、易腐蚀场所。
(4)架空电缆应沿电杆、支架或墙壁敷设,并采用绝缘子固定,绑
扎线必须采用绝缘线,固定点间距应保证电缆能承受自重所带来的荷载,最大弧垂距地不
得小于 2m。
1.1.3
配电箱及
触电√
(1)配电系统应设置配电柜或总配电箱、分配电箱、开关箱,实行三级配电。
配电
系统宜三相负荷平衡。
220V 或 380V 单相用电设备宜接入 220/380V 三相四线系统;当单相
12
12
12
12
12
12
12
12
12
12
12
风险识别与控制措施工程名称:
施工单位:
日期:
12。