VB控件Mscomm控件与PLC进行RSModbus通讯源码
- 格式:docx
- 大小:83.50 KB
- 文档页数:14
最近,本人为了实现电脑与Delta V FD-M变频器通讯,特意用VB6.0编了一个Modbus协议通讯软件。
这只是一个测试版,但Modbus的ASCII协议和RTU协议都已经实现。
现在将源程序上传,希望可以帮助到有需要的朋友,谢谢!另外,假如你觉得有更好的想法,欢迎指教。
如果对本程序有任何意见和建议,也可以一起讨论,共同进步。
大家多多支持俺啊。
附:VB6源程序Option ExplicitPrivate Text1text As StringPrivate RTUCRC As String'串口选择Private Sub Combo1_Click()mPort = Combo1.ListIndex + 1End Sub'数据位改变< span style="color: #008000;">Private Sub Combo2_Click()Call settingEnd Sub'波特率改变< span style="color: #008000;">Private Sub Combo3_Click()Call settingEnd Sub'奇偶校验改变< span style="color: #008000;">Private Sub Combo4_Click()Call settingEnd Sub'停止位改变< span style="color: #008000;">Private Sub Combo5_Click()Call settingPrivate Sub setting()MSComm1.Settings = CStr(Combo3.Text) & ","& CStr(Combo4.Text) & ","& CStr(C ombo2.Text) _& ","& CStr(Combo5.Text)End Sub'打开关闭串口< span style="color: #008000;">Private Sub Command1_Click()On Error Resume NextIf MSComm1.PortOpen = False ThenMSComm1.PortOpen = TrueElseMSComm1.PortOpen = FalseEnd IfIf MSComm1.PortOpen Then'打开关闭按钮显示文字及combo1使能Command1.Caption = "关闭串口"Combo1.Enabled = FalseElseCommand1.Caption = "打开串口"Combo1.Enabled = TrueEnd IfIf Err Then'打开串口失败,则显示出错信息MsgBox Error$, 48, "错误信息"Exit SubEnd IfEnd Sub'10转16进制< span style="color: #008000;">Private Sub Command2_Click(Index As Integer)On Error Resume NextText4.Text = Hex(Text3.Text)If Err Then''则显示出错信息< span style="color: #008000;">MsgBox Error$, 48, "错误信息"Exit SubEnd If'16转10进制< span style="color: #008000;">Private Sub Command3_Click()Dim a As Longa = Val("&H"& CStr(Text4.Text))Text3.Text = aEnd Sub'手动串口发送< span style="color: #008000;">Private Sub Command4_Click()If MSComm1.PortOpen = False ThenMsgBox"请先打开串口< span style="color: #800000;">", , "错误信息" Exit SubEnd IfCall sentsubEnd Sub'清除接收窗< span style="color: #008000;">Private Sub Command5_Click()Text2.Text = ""End SubPrivate Sub Command6_Click()Unload MeEnd SubPrivate Sub Command7_Click()On Error Resume NextDim STP As StringSTP = CStr(Chr(2)) & "010001"& CStr(Chr(3)) & "25"MSComm1.Settings = "9600,N,7,2"MSComm1.PortOpen = TrueMSComm1.Output = STPMSComm1.PortOpen = FalseIf Err Then'打开串口失败,则显示出错信息MsgBox Error$, 48, "错误信息"Exit SubEnd IfEnd SubPrivate Sub Command8_Click()On Error Resume NextDim FWD As StringFWD = CStr(Chr(2)) & "010101"& CStr(Chr(3)) & "26" MSComm1.Settings = "9600,N,7,2"MSComm1.PortOpen = TrueMSComm1.Output = FWDMSComm1.PortOpen = FalseIf Err Then'打开串口失败,则显示出错信息MsgBox Error$, 48, "错误信息"Exit SubEnd IfEnd SubPrivate Sub Command9_Click()On Error Resume NextDim REV As StringREV = CStr(Chr(2)) & "010201"& CStr(Chr(3)) & "27" MSComm1.Settings = "9600,N,7,2"MSComm1.PortOpen = TrueMSComm1.Output = REVMSComm1.PortOpen = FalseIf Err Then'打开串口失败,则显示出错信息MsgBox Error$, 48, "错误信息"Exit SubEnd IfEnd Sub'窗口加载Private Sub Form_Load()Dim d%For d = 1To16Combo1.AddItem ("COM"& CStr(d))NextCombo1.ListIndex = 0Combo2.AddItem "6"Combo2.AddItem "7"Combo2.AddItem "8"Combo2.ListIndex = 2Combo3.AddItem "110" Combo3.AddItem "330" Combo3.AddItem "1200" Combo3.AddItem "2400" Combo3.AddItem "4800" Combo3.AddItem "9600" Combo3.AddItem "19200" Combo3.AddItem "38400" Combo3.AddItem "56000" Combo3.AddItem "57600" Combo3.AddItem "115200" Combo3.ListIndex = 5Combo4.AddItem "n" Combo4.AddItem "o" Combo4.AddItem "e" Combo4.ListIndex = 0Combo5.AddItem "1" Combo5.AddItem "2" Combo5.ListIndex = 0For d = 0To254Combo6.AddItem dNextCombo6.ListIndex = 1Text1.Text = "010*********" Text2.Text = ""Text3.Text = ""Text4.Text = ""Text5.Text = "1000"Text6.Text = "06"Text7.Text = "0"Text8.Text = "1"Option1.value = TrueOption3.value = TrueOption7.value = TrueOption9.value = TrueIf MSComm1.PortOpen = False ThenCommand1.Caption = "打开串口"ElseCommand1.Caption = "关闭串口"End IfEnd Sub'串口接收程序< span style="color: #008000;">Private Sub MSComm1_OnComm()Dim Hexchr As String, hexstring As String, i As Integer, j As Integer, hexdisp As Str ingIf Option8.value Thenhexstring = MSComm1.Input '十六进制显示< span style="color: #008000;">i = Len(hexstring)For j = 1To iHexchr = Mid(hexstring, j, 1)If Hex(Asc(Hexchr)) < 16ThenText2.Text = Text2.Text & "0"& Hex(Asc(Hexchr)) & " "ElseText2.Text = Text2.Text & Hex(Asc(Hexchr)) & " "End IfNext jText2.Text = Text2.Text & CStr(Chr(13)) & CStr(Chr(10))ElseText2.Text = Text2.Text & MSComm1.Input & CStr(Chr(13)) & CStr(Chr(10)) 'ASCII 码显示< span style="color: #008000;">End IfEnd Sub'手动发送选择< span style="color: #008000;">Private Sub Option1_Click()If Option1.value = True ThenTimer1.Enabled = FalseCommand4.Enabled = TrueElseTimer1.Enabled = TrueCommand4.Enabled = FalseEnd IfEnd Sub'Delta ASCII发送协议Private Sub Option10_Click()Combo6.Enabled = TrueText6.Enabled = TrueText7.Enabled = TrueText8.Enabled = TrueLabel10.Enabled = TrueLabel11.Enabled = TrueLabel12.Enabled = TrueLabel13.Enabled = TrueOption6.Enabled = FalseOption7.Enabled = FalseOption11.value = TrueCombo2.ListIndex = 1Combo5.ListIndex = 1Text1.Enabled = FalseLabel14.Enabled = FalseFrame7.Visible = TrueEnd Sub'自动发送选择< span style="color: #008000;"> Private Sub Option2_Click()If Option2.value = True ThenTimer1.Enabled = TrueCommand4.Enabled = FalseElseTimer1.Enabled = FalseCommand4.Enabled = TrueEnd IfEnd SubPrivate Sub Option3_Click() 'Non选项< span style="color: #008000;"> Combo6.Enabled = FalseText6.Enabled = FalseText7.Enabled = FalseText8.Enabled = FalseLabel10.Enabled = FalseLabel11.Enabled = FalseLabel12.Enabled = FalseLabel13.Enabled = FalseOption6.Enabled = TrueOption7.Enabled = TrueCombo2.ListIndex = 2Combo5.ListIndex = 0Text1.Enabled = TrueLabel14.Enabled = TrueFrame7.Visible = FalseEnd SubPrivate Sub Option4_Click() 'ASCII选项< span style="color: #008000;"> Combo6.Enabled = TrueText6.Enabled = TrueText7.Enabled = TrueText8.Enabled = TrueLabel10.Enabled = TrueLabel11.Enabled = TrueLabel12.Enabled = TrueLabel13.Enabled = TrueOption6.Enabled = FalseOption7.Enabled = FalseCombo2.ListIndex = 1Combo5.ListIndex = 1Text1.Enabled = FalseLabel14.Enabled = FalseFrame7.Visible = FalseEnd SubPrivate Sub Option5_Click() 'RTU选项< span style="color: #008000;"> Combo6.Enabled = TrueText6.Enabled = TrueText7.Enabled = TrueText8.Enabled = TrueLabel10.Enabled = TrueLabel11.Enabled = TrueLabel12.Enabled = TrueLabel13.Enabled = TrueOption6.Enabled = FalseOption7.Enabled = FalseCombo2.ListIndex = 2Combo5.ListIndex = 1Text1.Enabled = FalseLabel14.Enabled = FalseFrame7.Visible = FalseEnd Sub'发送时间间隔调整输入< span style="color: #008000;">Private Sub Text5_Change()Dim number As StringDim num As IntegerDim numcyc As Integernum = Len(Text5.Text)For numcyc = 1To numnumber = Mid(Text5.Text, numcyc, 1)Select Case InStr("0123456789", number)Case0MsgBox"输入时间间隔错误,请重新输入", , "错误信息"Exit SubEnd SelectNextTimer1.Interval = Text5.TextEnd Sub'自动发送定时器< span style="color: #008000;">Private Sub Timer1_Timer()If MSComm1.PortOpen ThenCall sentsubEnd IfEnd Sub'状态刷新定时器< span style="color: #008000;">Private Sub Timer2_Timer()StatusBar1.Panels(1).Text = "串口选择:< span style="color: #800000;">" & CStr(Comb o1.Text)StatusBar1.Panels(2).Text = "串口设置:< span style="color: #800000;">" & CStr(MSC omm1.Settings)StatusBar1.Panels(3).Text = "串口状态:< span style="color: #800000;">" & CStr(MSC omm1.PortOpen)End Sub'串口发送子程序Private Sub sentsub()Dim optioncase%If Option3.value Then optioncase = 1If Option4.value Then optioncase = 2If Option5.value Then optioncase = 3If Option10.value Then optioncase = 4Select Case optioncaseCase1If Option6.value ThenText1text = Text1.TextCall HexsentElseText1text = Text1.TextCall ASCIIsentEnd IfCase2Call incorporate '将输入的十进制从机地址、命令、资料地址和资料内容合并成字符串Call ASCIIcheckCall ASCIIsentCase3Call incorporate '将输入的十进制从机地址、命令、资料地址和资料内容合并成字符串Call RTUcheckCall HexsentCase4Call incorporate1 '将输入的十进制从机地址、命令、资料地址和资料内容合并成字符串Call deltaASCIICall ASCIIsentEnd SelectEnd Sub'十六进制发送< span style="color: #008000;">Private Sub Hexsent()Dim hexchrlen%, Hexchr As String, hexcyc%, hexmid As Byte, hexmiddle As String Dim hexchrgroup() As Byte, i As Integerhexchrlen = Len(Text1text)For hexcyc = 1To hexchrlen '检查Text1文本框内数值是否合适Hexchr = Mid(Text1text, hexcyc, 1)If InStr("0123456789ABCDEFabcdef", Hexchr) = 0ThenMsgBox"无效的数值,请重新输入< span style="color: #800000;">", , "错误信息" Exit SubEnd IfNextReDim hexchrgroup(1To hexchrlen \ 2) As ByteFor hexcyc = 1To hexchrlen Step2'将文本框内数值分成两个、两个i = i + 1Hexchr = Mid(Text1text, hexcyc, 2)hexmid = Val("&H"& CStr(Hexchr))hexchrgroup(i) = hexmid'MSComm1.Output = CStr(hexmid)NextMSComm1.Output = hexchrgroupEnd Sub'ASC码发送< span style="color: #008000;">Private Sub ASCIIsent()MSComm1.Output = Text1textEnd Sub'ASC校验,此段程序计算出LRC校验值,并加上字头和字尾Private Sub ASCIIcheck()Dim a%, b%, chrnum%, Lrcbyte As StringDim checksum%, char%, AscLrc%, Lrc%chrnum = Len(Text1text)For a = 1To chrnum Step2char= Val("&H"& CStr(Mid(Text1text, a, 2))) '两个两个的取字符< span style="color: #008000;">checksum = checksum + char'全部加起来< span style="color: #008000;">NextAscLrc = checksum Mod&H100 '取255的余数< span style="color: #008000;">Lrc = (&HFF - AscLrc) + 1'取二次补If Lrc < 16Then'此段程序是判断Hex(lrc)是否是一位数,Lrcbyte = "0"+ CStr(Hex(Lrc)) '如果是的话,前面加0;否则不加零ElseLrcbyte = CStr(Hex(Lrc))End IfText1text = CStr(Chr(58)) & CStr(Text1text) & Lrcbyte & CStr(Chr(13)) & CStr(Chr(1 0))End Sub'DeltaASCII校验,此段程序计算出LRC校验值,并加上字头和字尾Private Sub deltaASCII()Dim a%, b%, chrnum%, Lrcbyte As StringDim checksum%, char%, Lrc%chrnum = Len(Text1text)For a = 1To chrnumchar= Asc(Mid(Text1text, a, 1)) '两个两个的取字符< span style="color: #008000;"> checksum = checksum + char'全部加起来< span style="color: #008000;">NextLrc = (checksum + &H3) Mod&H100 '取255的余数< span style="color: #008000;"> If Lrc < 16Then'此段程序是判断Hex(lrc)是否是一位数,Lrcbyte = "0"+ CStr(Hex(Lrc)) '如果是的话,前面加0;否则不加零ElseLrcbyte = CStr(Hex(Lrc))End IfText1text = CStr(Chr(2)) & CStr(Text1text) & CStr(Chr(3)) & LrcbyteEnd Sub'RTU校验< span style="color: #008000;">Private Sub RTUcheck()Dim CRC() As ByteDim d(5) As ByteDim string1 As StringDim j As Integer, chrlength As Integer, temp As Stringstring1 = Text1textchrlength = Len(string1)For j = 0To chrlength / 2- 1temp = Mid(string1, j * 2+ 1, 2)d(j) = Val("&H"& temp)NextRTUCRC = CRC16(d) '调用CRC16计算函数, CRC(0)为高位, CRC(1)为低位Text1text = Text1text & RTUCRCEnd SubPrivate Sub incorporate() '将输入的十进制从机地址、命令、资料地址和资料内容合并成字符串Dim wholechar As String, wc%, wcyc%, wchar As StringDim SID As String, Cmd As String, InfoAdd As String, data As StringDim SIDnum%, Cmdnum%, InfoAddNum%, Datanum%On Error Resume Nextwholechar = CStr(Combo6.Text) & CStr(Text6.Text) & CStr(Text7.Text) & CStr(Text8.T ext)wc = Len(wholechar)For wcyc = 1To wcwchar = Mid(wholechar, wcyc, 1)If InStr("0123456789", wchar) = 0ThenMsgBox"输入错误,请重新输入< span style="color: #800000;">", , "错误提示"Exit SubEnd IfNextSIDnum = Len(CStr(Hex(Combo6.Text)))Select Case SIDnumExit SubCase1SID = "0"& CStr(Hex(Combo6.Text)) Case2SID = CStr(Hex(Combo6.Text))End SelectCmdnum = Len(CStr(Hex(Text6.Text))) Select Case CmdnumCase0Exit SubCase1Cmd = "0"& CStr(Hex(Text6.Text)) Case1Cmd = CStr(Hex(Text6.Text))End SelectInfoAddNum = Len(CStr(Hex(Text7.Text))) Select Case InfoAddNumCase0Exit SubCase1InfoAdd = "000"& CStr(Hex(Text7.Text)) Case2InfoAdd = "00"& CStr(Hex(Text7.Text)) Case3InfoAdd = "0"& CStr(Hex(Text7.Text)) Case4InfoAdd = CStr(Hex(Text7.Text))End SelectDatanum = Len(CStr(Hex(Text8.Text))) Select Case DatanumCase0Exit Subdata = "000"& CStr(Hex(Text8.Text))Case2data = "00"& CStr(Hex(Text8.Text))Case3data = "0"& CStr(Hex(Text8.Text))Case4data = CStr(Hex(Text8.Text))End SelectIf Err Then'显示出错信息< span style="color: #008000;">MsgBox Error$, 48, "错误信息"Exit SubEnd IfText1text = CStr(SID) & CStr(Cmd) & CStr(InfoAdd) & CStr(data)End SubPrivate Sub incorporate1() '将输入的十进制从机地址、命令、资料地址和资料内容合并成字符串Dim wholechar As String, wc%, wcyc%, wchar As StringDim SID As String, Cmd As String, InfoAdd As String, data As StringDim SIDnum%, Cmdnum%, InfoAddNum%, Datanum%On Error Resume Nextwholechar = CStr(Combo6.Text) & CStr(Text7.Text) & CStr(Text8.Text)wc = Len(wholechar)For wcyc = 1To wcwchar = Mid(wholechar, wcyc, 1)If InStr("0123456789", wchar) = 0ThenMsgBox"输入错误,请重新输入< span style="color: #800000;">", , "错误提示"Exit SubEnd IfNextSIDnum = Len(CStr(Hex(Combo6.Text)))Select Case SIDnumCase0Case1SID = "0"& CStr(Hex(Combo6.Text)) Case2SID = CStr(Hex(Combo6.Text))End Select'Cmdnum = Len(CStr(Hex(Text6.Text)))'Select Case Cmdnum'Case 0' Exit Sub'Case 1' Cmd = "0" & CStr(Hex(Text6.Text))'Case 1' Cmd = CStr(Hex(Text6.Text))'End SelectInfoAddNum = Len(CStr(Hex(Text7.Text))) Select Case InfoAddNumCase0Exit SubCase1InfoAdd = "0"& CStr(Hex(Text7.Text)) Case2InfoAdd = CStr(Hex(Text7.Text))End SelectDatanum = Len(CStr(Hex(Text8.Text))) Select Case DatanumCase0Exit SubCase1data = "000"& CStr(Hex(Text8.Text)) Case2data = "00"& CStr(Hex(Text8.Text)) Case3data = "0"& CStr(Hex(Text8.Text))Case4data = CStr(Hex(Text8.Text))End SelectIf Err Then'显示出错信息< span style="color: #008000;">MsgBox Error$, 48, "错误信息"Exit SubEnd IfIf Option11.value ThenCmd = "08"Text1text = CStr(SID) & CStr(Cmd) & CStr(InfoAdd)ElseCmd = "07"Text1text = CStr(SID) & CStr(Cmd) & CStr(InfoAdd) & CStr(data)End IfEnd SubPrivate Function CRC16(data() As Byte) As StringDim CRC16Lo As Byte, CRC16Hi As Byte'CRC寄存器< span style="color: #00800 0;">Dim CL As Byte, CH As Byte'多项式码&HA001Dim CRCLo As String, CRCHi As StringDim SaveHi As Byte, SaveLo As ByteDim i As IntegerDim Flag As IntegerCRC16Lo = &HFFCRC16Hi = &HFFCL = &H1CH = &HA0For i = 0To UBound(data)CRC16Lo = CRC16Lo Xor data(i) '每一个数据与CRC寄存器进行异或For Flag = 0To7SaveHi = CRC16HiSaveLo = CRC16LoCRC16Hi = CRC16Hi \ 2'高位右移一位< span style="color: #008000;">CRC16Lo = CRC16Lo \ 2'低位右移一位< span style="color: #008000;">If((SaveHi And&H1) = &H1) Then'如果高位字节最后一位为1< span style="color: #008000;">CRC16Lo = CRC16Lo Or&H80 '则低位字节右移后前面补1< span style="color: #008 000;">End If'否则自动补0< span style="color: #008000;">If((SaveLo And&H1) = &H1) Then'如果LSB为1,则与多项式码进行异或CRC16Hi = CRC16Hi Xor CHCRC16Lo = CRC16Lo Xor CLEnd IfNext FlagNext iIf Len(Hex(CRC16Hi)) = 1ThenCRCHi = "0"+ Hex(CRC16Hi)ElseCRCHi = Hex(CRC16Hi)End IfIf Len(Hex(CRC16Lo)) = 1ThenCRCLo = "0"+ Hex(CRC16Lo)ElseCRCLo = Hex(CRC16Lo)End IfCRC16 = CRCLo + CRCHiEnd Function。
vb中怎样用mscomm控件实现串口通信本问分两部分均来自第一部分jessezappy(晶晶)================================================================================== If MSComm1.PortOpen Then MSComm1.PortOpen = FalsemPort = 1 '假定是用COM1口' 设定传输速率等,可依照您的需求更改MSComm1.Settings = "9600,N,8,1"MSComm1.PortOpen = True'---------初始化Modem-------------MSComm1.Output = "ATZ"MSComm1.Output = "AT&F"MSComm1.Output = "ATE0"MSComm1.Output = "ATM1"MSComm1.Output = "ATQ0"MSComm1.Output = "ATV0"'--------------------------拨号-------------MSComm1.Output ="ATDT163" '拨163'---------------------------接通后MSComm1.Output ="SDFJDKSJLKFA" '发送字符串'---------------------Private Sub MSComm1_OnComm() '用串口事件捕捉数据..If MSComm1.InBufferCount Then' 通讯埠中假如有资料的话, 则读取进来InStringB = InStringB & MSComm1.Input' 如果资料中有Chr(13) 和Chr(10) 的话, 则显示出来If InStr(InStringB, vbCrLf) Theninstring = instring & InStringBAddText Text3, InStringB, FalseInStringB = ""End IfEnd IfEND SUB'-------------------------挂断--------MSComm1.PortOpen = False '这个挂断方法不能适用所有MODEM,我正在研究...通用办法================================================================================================第二部分:===========================================================================最后借你一篇文章看,作者不是我,里面的不一定都对..'-----------------------------------------------------------VB Mscomm控件应用江苏戚墅堰机车车辆厂设计处(213011) 李秉璋--------------------------------------------------------------------------------Visual Basic 6.0(以下简称VB) 是一种功能强大、简单易学的程序设计语言。
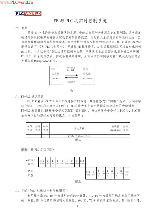
VB与PLC之实时控制系统詹金万、陈嘉龙一、前言随着IT产业的进步及因特网的发展,传统工业控制所使用之PLC控制器,具有高度的稳定性及抗噪声的特性且配线容易及价格便宜,因此被大量应用在自动化的场所,已由单机操作朝向网络控制化发展,本文在探讨网络控制化的核心技术,使PC藉由RS-232通讯协议(注1)控制PLC(如图一),并透过VB程序语言,达到远程控制及网络自动化控制的功能。
本文以手动/自动红绿灯控制为主题,所使用之PLC为国内永宏电机公司所制FB-PLC,内含通讯模块,因此不需额外增购,且可由该公司网站免费下载及更新阶梯图发展软件(Winproladder)。
二、FB-PLC通讯协议FB-PLC藉由RS-232与PLC取得接口的传输,其传输格式(注2)如图二所示,以起始字符(ASCII 02H)与结束字符(ASCII 03H)作为整个命令传输及响应讯息的传输封包,FB-PLC总计提供15种命令格式(ASCII 40H~4EH),当主系统将命令传至PLC后,PLC 将依据命令自动回传所对应的讯息,如图三所示范例:将PLC启动(RUN)Master 命令PLC回应三.手动/自动红绿灯控制阶梯图程序利用缓存器R0,R4作为绿灯时间的计数器,R1,R2作为绿灯闪烁次数及闪烁时间的计数器,R3作为黄灯停留时间计数器,Y0、Y1、Y2分别代表东西向红、黄、绿三个灯,Y3、Y4、Y5分别代表南北向红、黄、绿三个灯。
利用输入X2作手动/自动的切换控制。
当PLC处于自动模式时,绿灯交换分别由缓存器R0、R4控制;当PLC处于手动模式时,由输入X1决定绿灯交换程序。
红绿灯阶梯图的设计程序如图四所示。
图四手动/自动红绿灯控制阶梯图程序四、VB 实时监程序架构及程序设计PC藉由RS232与PLC取得联机,传送速度设定为9600bps,整个联机设定请参考VB程序Form_Load()段。
实时监控画面设计如图五所示,当执行实时侦测状态按钮时,桌面将呈现如图六~图九所示实时状态图,状态的侦测采用轮询(polling)方式,依序读取PLC输出及输入的实时状态,程序执行请参考VB程序SendFrame(Data, No)段;执行参数传递按钮时,桌面将呈现如图十画面,当使用者修改参数后,执行传递参数按钮,PLC 将依据新的数据执行其程序,程序执行请参考VB程序Send_Ref_Click()段。
应用MSComm控件实现计算机与PLC间的串行通讯摘要本文应用S7-200系列PLC的RS-485接口,通过PC/PPI电缆与计算机的RS-232接口连接,软件方面应用Visual Basic提供的串行通讯控件(MSComm)实现PC机对可编程序控制器的监控与管理。
本文主旨在于探讨应用可视化编程语言实现PC机与PLC网络之间数据通讯的技术以及实现方案,利用PC机的管理与监控功能实现对PLC的自动化控制。
关键词可编程序控制器;串行通讯;中断0 引言可编程序控制器(PLC)专门用于工业控制,它的核心是以微处理器的结构为基础,在硬件结构上和普通的计算机基本一致。
它在基本的计算机结构当中,加入了传统的继电器控制系统,使其具有了高度的可靠性,更好的适应工业现场的环境,而且具备了强大的联网处理功能,广泛地应用在工业控制生产过程中。
微软的Visual Basic提供了MSComm控件,通过硬件的串行端口传送和接收数据,实现了PC机与PLC之间的通信,为可视化程序对PLC的控制提供了可能。
本文基于西门子公司生产的S7-200型PLC,应用MSComm控件,编写了计算机与PLC通讯程序,包括了上位机和下位机相应的程序代码。
提出了应用编程语言实现PC/PLC网络之间数据通信的软件解决方案,实现了用PC机对PLC 的监控及控制。
1 PLC与计算机间的通讯S7-200型PLC可以连接编程器、人机接口设备,甚至连接其他的PLC或PC机,组成PLC网络,可以实现PC与PLC、PLC与PLC的各种通信功能。
同时可以应用PC的管理功能实现对PLC的编程、监控和联网的功能。
S7-200系列PLC具有9针的RS-485接口,可以通过PC/PPI电缆与计算机连接,PLC之间可以通过SINEC-L2接口连接成PLC网络。
S7-200系列PLC主要有两种通信模式:一种为点对点(PPI)通信协议模式,用在PLC与编程器或人机接口产品之间通讯;另一种是自由口通讯模式,此模式对用户完全开放,用户可以自行设定通讯协议,使用程序控制串行通讯接口。
VB实现PC与欧姆龙PLC通讯的串口编程第一篇:VB实现PC与欧姆龙PLC通讯的串口编程Private Sub Form_Load()Dim i As Integer'OPEN COM1If ComTrue(1)= 0 ThenIf ComOpen(1, 38400, 7, 1, 1, “sjh”)= 1 Then 'MsgBox(“已注册”)'sjh为你的注册账号Call SetDelayNum(64)End IfEnd Ifjisujisu1jisu2End Sub第二篇:VB中串口通讯的实现VB中串口通讯的实现.txt VB中串口通讯的实现------------------一、概述串口通讯作为一种古老而又灵活的通讯方式,被广泛地应用于PC 间的通讯以及PC和单片机之间的通讯之中。
提到串口通讯的编程,人们往往立刻想到C、汇编等对系统底层操作支持较好的编程语言以及大串繁琐的代码。
实际上,只要我们借助相关ActiveX控件的帮助,即使是在底层操作一向不被人看好的VB中,一样能够实现串口通讯,甚至其实现方法和C、汇编相比,要更加快捷方便。
下面,笔者就介绍一下在VB 中实现串口通讯的方法。
在Visual Basic中有一个名为Microsoft Communication Control(简称MSComm)的通讯控件。
我们只要通过对此控件的属性和事件进行相应编程操作,就可以轻松地实现串口通讯。
下面,笔者就简要地介绍一下MSComm控件的使用方法。
二、MSComm控件的主要属性、事件1、MSComm的属性由于MSComm控件属性很多,在此笔者仅介绍与实现串口通讯密切相关的核心属性。
Commport:设置通讯所占用的串口号。
如设成1(默认值),表示对Com1进行操作。
Setting:对串口通讯的相关参数。
包括串口通讯的比特率,奇偶校验,数据位长度、停止位等。
其默认值是“9600,N,8,1”,表示串口比特率是9600bit/s,不作奇偶校验,8位数据位,1个停止位。
如何用VB实现Modbus串行通讯在一些应用中可能需要使用诸如VB来进行上位机监控程序的开发,而Modbus协议是这类应用中首选的通讯协议;Modbus协议以其简单易用,在工业领域里已广泛的为其他第三方设备所支持。
这里对VB和Twido PLC间的通讯进行说明。
对于大部分应用,Twido PLC作为从站,它不需要编制通讯程序,只要把通讯口的参数设置好即可,例如下图表示此Twido通过编程口和上位机连接,其站号地址为2;波特率、数据位、校验、停止位和上位机设置保持一致。
VB程序通过利用MSComm控件很容易就能够实现。
1.通讯口初始化:MSComm1.Settings = "9600,n,8,1"mPort = 1MSComm1.SThreshold = 0If Not MSComm1.PortOpen Then MSComm1.PortOpen = True2.CRC校验码的计算方法,如以下函数,可以得到字节数组变量cmdstring指向的字符串的CRC校验码。
Function crc16_1(ByRef cmdstring() As Byte, ByVal j As Integer)Dim data As IntegerDim i As IntegerAddressreg_crc = &HFFFFFor i = 0 To jAddressreg_crc = Addressreg_crc Xor cmdstring(i)For j = 0 To 7data = Addressreg_crc And &H1If data ThenAddressreg_crc = Int(Addressreg_crc / 2)Addressreg_crc = Addressreg_crc And &H7FFFAddressreg_crc = Addressreg_crc Xor &HA001ElseAddressreg_crc = Addressreg_crc / 2Addressreg_crc = Addressreg_crc And &H7FFFEnd IfNext jNext iIf Addressreg_crc < 0 ThenAddressreg_crc = Addressreg_crc - &HFFFF0000End IfHiByte = Addressreg_crc And &HFFLoByte = (Addressreg_crc And &HFF00) / &H100End Function3.读多个字的命令(本例是从2号站读%MW10起始的4个字):Dim SendStr(7) As ByteDim RcvStr() As ByteSendStr(0) = 2 ,从站号是2SendStr(1) = &H3 ,读多个字的命令代码SendStr(2) = 0 ,起始地址高字节SendStr(3) = 10,起始地址低字节SendStr(4) = &H0,数据长度高字节SendStr(5) = 4 ,数据长度低字节Call crc16(SendStr(), 5) ,CRC计算SendStr(6) = HiByteSendStr(7) = LoByte,读命令发送后,当接收5 + SendStr(5) * 2 个字节时产生中断CmdLenth = 5 + SendStr(5) * 2MSComm1.RThreshold = CmdLenthMSComm1.Output = SendStr ,发送命令4.写多个字的命令(本例是写2号站%MW20起始的3个字):Dim WriteStr() As Bytek = 6 ,写6个字节ReDim WriteStr(8 + k)WriteStr(0) = 2 ,从站号是2WriteStr(1) = &H10 ,写多个字的命令代码WriteStr(2) = 0 ,起始地址高字节WriteStr(3) = 20 ,起始地址低字节WriteStr(4) = &H0 ,数据长度高字节<字的个数> WriteStr(5) = k / 2 ,数据长度低字节<字的个数>WriteStr(6) = k ,数据长度<字节的个数> WriteStr(7) = &H12,写的第1个字的高字节WriteStr(8) = &H34,写的第1个字的低字节WriteStr(9) = &H56,写的第2个字的高字节WriteStr(10) = &H78,写的第2个字的低字节WriteStr(11) = &H9A,写的第3个字的高字节WriteStr(12) = &HBC,写的第3个字的低字节Call crc16(WriteStr(), 6 + k)WriteStr(9 + (k / 2 - 1) * 2) = HiByteWriteStr(10 + (k / 2 - 1) * 2) = LoByteMSComm1.InBufferCount = 0MSComm1.Output = WriteStr,写命令发送后,当接收到8个字节时中断CmdLenth = 8MSComm1.RThreshold = CmdLenth5.通讯事件中断产生时的数据处理:Private Sub MSComm1_OnComm()Dim inx() As ByteSelect Case mEventCase comEvReceive ,判断为接收事件MSComm1.InputLen = CmdLenth ,接收数据的长度inx = MSComm1.Input ,接收数据MSComm1.InBufferCount = 0For k = 3 To CmdLenth - 3tmpstr = tmpstr & "/" & Hex(inx(k))NextText1.Text = tmpstr ,以十六进制显示所接收长度的数据BeepEnd SelectEnd Sub。
该程序可以实现实时数据采集显示,以及能对寄存器进行设置。
程序很简单,想用的可以完善,现在只能实时采集显示一个地址的数据,只要修改一下,就可以实时采集多个地址的数据。
现在也只能一次对一个寄存器进行设置,也可以更加完善。
下面是运行界面,采集的模块的地址为75,是一个温湿度采集模块。
有3个寄存器,显示的数据上是温度,湿度,露点温度。
modbusPrivate Sub Command1_Click() '设置按钮Dim bisend() As ByteDim crcDim btLoCRC As Byte, btHiCRC As ByteDim Data As IntegerIf MSComm1.PortOpen = True ThenIf Combo5.ListIndex = 0 ThenReDim bisend(7) '重新定义数组长度bisend(0) = "&h" + Hex(V al(Text1.Text)) '地址码bisend(1) = "&h" + Hex(3) '功能码读寄存器bisend(2) = "&h" + Hex(0) '起始地址高位bisend(3) = "&h" + Hex(0) '起始地址低位bisend(4) = "&h" + Hex(0) '寄存器个数高位bisend(5) = "&h" + Hex(Combo6.ListIndex + 1) '寄存器个数低位crc = CRC16(bisend, 6, btLoCRC, btHiCRC)bisend(6) = "&h" + Hex(btLoCRC) 'CRC高位bisend(7) = "&h" + Hex(btHiCRC) 'CRC低位'发送数据MSComm1.Output = bisendElseReDim bisend(10) '一次只能写一个寄存器bisend(0) = "&h" + Hex(V al(Text1.Text)) '地址码bisend(1) = "&h" + Hex(16) '功能码写寄存器bisend(2) = "&h" + Hex(0) '起始地址高位bisend(3) = "&h" + Hex(0) '起始地址低位bisend(4) = "&h" + Hex(0) '寄存器个数高位bisend(5) = "&h" + Hex(1) '寄存器个数低位bisend(6) = "&h" + Hex(2) '字节数Data = Val(Trim(Text3.Text))bisend(7) = "&h" + Hex(Data \ 256) '要写入寄存器的值的高字节bisend(8) = "&h" + Hex(Data Mod 256) '要写入寄存器的值的低字节crc = CRC16(bisend, 9, btLoCRC, btHiCRC)bisend(9) = "&h" + Hex(btLoCRC) 'CRC高位bisend(10) = "&h" + Hex(btHiCRC) 'CRC低位MSComm1.Output = bisendEnd IfElseMsgBox "串口没有打开"End IfEnd SubPrivate Sub Command2_Click() '实时采集按钮Timer1.Enabled = Not Timer1.Enabled '进行状态切换End SubPrivate Sub Command3_Click()'初始化,并打开串口With MSComm1If .PortOpen = False Then.CommPort = Combo7.ListIndex + 1 '打开串口1.Settings = Combo1.Text + "," + Combo2.Text + "," + Combo3.Text + Combo4.Text.InputMode = 1.InputLen = 50 '一次性从接收缓冲区中读取所有数据(8个字节为一组!!).InBufferCount = 0 '清空接收缓冲区.OutBufferCount = 0 '清空发送缓冲区.RThreshold = 5 + (Combo6.ListIndex + 1) * 2.InBufferSize = 1024.OutBufferSize = 1024.PortOpen = TrueElseMsgBox "串口已经打开"End IfEnd WithEnd SubPrivate Sub Command4_Click() '关闭串口按钮If MSComm1.PortOpen = True ThenMSComm1.PortOpen = FalseEnd IfEnd SubPrivate Sub Form_Load()Dim i As Integer'波特率设置Combo1.AddItem "4800", 0 Combo1.AddItem "9600", 1 Combo1.AddItem "115200", 2'校验位设置Combo2.AddItem "N", 0Combo2.AddItem "E", 1Combo2.AddItem "O", 2'数据位设置Combo3.AddItem "7", 0Combo3.AddItem "8", 1'停止位设置Combo4.AddItem "1", 0Combo4.AddItem "2", 1'功能码选择Combo5.AddItem "读寄存器03", 0 Combo5.AddItem "写寄存器16", 1'寄存器个数设置Combo6.AddItem "1", 0Combo6.AddItem "2", 1Combo6.AddItem "3", 2Combo6.AddItem "4", 3Combo6.AddItem "5", 4 Combo6.AddItem "6", 5Combo6.AddItem "7", 6Combo6.AddItem "8", 7Combo6.AddItem "9", 8Combo6.AddItem "10", 9 Combo6.AddItem "11", 10 Combo6.AddItem "12", 11 Combo6.AddItem "13", 12 Combo6.AddItem "14", 13Combo6.AddItem "15", 14Combo6.AddItem "16", 15Combo6.AddItem "17", 16Combo6.AddItem "18", 17Combo6.AddItem "19", 18Combo6.AddItem "20", 19Combo6.AddItem "21", 20Combo6.AddItem "22", 21'串口选择Combo7.AddItem "串口1", 0Combo7.AddItem "串口2", 1Combo7.AddItem "串口3", 2Combo7.AddItem "串口4", 3'初始赋值Combo1.ListIndex = 1Combo2.ListIndex = 1Combo3.ListIndex = 1Combo4.ListIndex = 0Combo5.ListIndex = 0Combo6.ListIndex = 2Combo7.ListIndex = 0'初始化串口End SubPrivate Sub Form_Unload(Cancel As Integer)If MSComm1.PortOpen = True ThenMSComm1.PortOpen = FalseEnd IfEnd SubPrivate Sub MSComm1_OnComm()Dim INByte() As ByteDim Buf As StringDim btLoCRC As Byte, btHiCRC As ByteDim Data As IntegerIf mEvent = comEvReceive Then '接收到数据以后INByte = MSComm1.InputIf INByte(1) = 3 Then '读寄存器'CRC校验crc = CRC16(INByte, UBound(INByte) - LBound(INByte) - 1, btLoCRC, btHiCRC)If INByte(UBound(INByte) - 1) = btLoCRC And INByte(UBound(INByte)) = btHiCRC Then'校验正确'////////////////////////////////////For i = 3 To UBound(INByte) - 2 Step 2Data = "&h" + Hex(INByte(i)) + Hex(INByte(i + 1))' Buf = Buf + Hex(INByte(i)) + Chr(32)Buf = Buf + Str(Data) '转换为十进制显示Next iList1.AddItem BufEnd IfEnd IfMSComm1.InBufferCount = 0 '请缓存End IfEnd SubPrivate Sub Timer1_Timer()'定时发送命令Dim tbisend(7) As ByteDim crc '定时1sDim btLoCRC As Byte, btHiCRC As ByteDim Buf As StringIf MSComm1.PortOpen = True Thentbisend(0) = "&h" + Hex(Val(Text1.Text)) '地址码tbisend(1) = "&h" + Hex(3) '功能码读寄存器tbisend(2) = "&h" + Hex(0) '起始地址高位tbisend(3) = "&h" + Hex(0) '起始地址低位tbisend(4) = "&h" + Hex(0) '寄存器个数高位tbisend(5) = "&h" + Hex(Combo6.ListIndex + 1) '寄存器个数低位crc = CRC16(tbisend, 6, btLoCRC, btHiCRC)tbisend(6) = "&h" + Hex(btLoCRC) 'CRC高位tbisend(7) = "&h" + Hex(btHiCRC) 'CRC低位'发送数据MSComm1.Output = tbisendEnd IfEnd Sub////////////////////////////////////////////////////////////////////////////////////////////////////////////////////////////////////////////// ///////////////Function CRC16(Data() As Byte, no As Integer, CRC16Lo As Byte, CRC16Hi As Byte) As String Dim CL As Byte, CH As Byte '多项式码&HA001Dim SaveHi As Byte, SaveLo As ByteDim i As IntegerDim Flag As IntegerCRC16Lo = &HFFCRC16Hi = &HFFCL = &H1CH = &HA0For i = 0 To no - 1CRC16Lo = CRC16Lo Xor Data(i) '每一个数据与CRC寄存器进行异或For Flag = 0 To 7SaveHi = CRC16HiSaveLo = CRC16LoCRC16Hi = CRC16Hi \ 2 '高位右移一位CRC16Lo = CRC16Lo \ 2 '低位右移一位If ((SaveHi And &H1) = &H1) Then '如果高位字节最后一位为1CRC16Lo = CRC16Lo Or &H80 '则低位字节右移后前面补1End If '否则自动补0If ((SaveLo And &H1) = &H1) Then '如果LSB为1,则与多项式码进行异或CRC16Hi = CRC16Hi Xor CHCRC16Lo = CRC16Lo Xor CLEnd IfNext FlagNext iDim ReturnData(1) As ByteReturnData(0) = CRC16Hi 'CRC高位ReturnData(1) = CRC16Lo 'CRC低位CRC16 = ReturnDataEnd Function'CRC低位字节值表Function GetCRCLo(ind As Long) As ByteGetCRCLo = Choose(ind + 1, &H0, &HC1, &H81, &H40, &H1, &HC0, &H80, &H41, &H1, &HC0, _&H0, &HC1, &H81, &H40, &H0, &HC1, &H81, &H40, &H1, &HC0, _&H80, &H41, &H1, &HC0, &H80, &H41, &H0, &HC1, &H81, &H40, _&H0, &HC1, &H81, &H40, &H1, &HC1, &H80, &H41, &H0, &HC1, _&H81, &H40, &H1, &HC0, &H80, &H41, &H1, &HC0, &H80, &H41, _&H0, &HC1, &H81, &H40, &H1, &HC0, &H80, &H41, &H0, &HC1, _&H81, &H40, &H0, &HC1, &H81, &H40, &H1, &HC0, &H81, &H41, _&H0, &HC1, &H81, &H40, &H1, &HC0, &H80, &H41, &H1, &HC0, _&H80, &H41, &H0, &HC1, &H81, &H40, &H0, &HC1, &H81, &H40, _&H1, &HC0, &H80, &H41, &H1, &HC0, &H80, &H41, &H0, &HC1, _&H81, &H40, &H1, &HC0, &H80, &H41, &H0, &HC1, &H81, &H40, _&H0, &HC1, &H81, &H40, &H1, &HC0, &H80, &H41, &H1, &HC0, _&H80, &H41, &H0, &HC1, &H81, &H40, &H0, &HC1, &H81,&H40, _&H1, &HC0, &H80, &H41, &H0, &HC1, &H81, &H40, &H1, &HC0, _&H80, &H41, &H1, &HC0, &H80, &H41, &H0, &HC1, &H81, &H40, _&H0, &HC1, &H81, &H40, &H1, &HC0, &H80, &H41, &H1, &HC0, _&H80, &H41, &H0, &HC1, &H81, &H40, &H1, &HC0, &H80, &H41, _&H0, &HC1, &H81, &H40, &H0, &HC1, &H81, &H40, &H1, &HC0, _&H80, &H41, &H0, &HC1, &H81, &H40, &H1, &HC0, &H80, &H41, _&H1, &HC0, &H80, &H41, &H0, &HC1, &H81, &H40, &H1, &HC0, _&H80, &H41, &H0, &HC1, &H81, &H40, &H0, &HC1, &H81, &H40, _&H1, &HC0, &H80, &H41, &H1, &HC0, &H80, &H41, &H0, &HC1, _&H81, &H40, &H0, &HC1, &H81, &H40, &H1, &HC0, &H80, &H41, _&H0, &HC1, &H81, &H40, &H1, &HC0, &H80, &H41, &H1, &HC0, _&H80, &H41, &H0, &HC1, &H81, &H40)End Function'CRC高位字节值表Function GetCRCHi(ind As Long) As ByteGetCRCHi = Choose(ind + 1, &H0, &HC0, &HC1, &H1, &HC3, &H3, &H2, &HC2, &HC6, &H6, &H7, &HC7, &H5, &HC5, &HC4, &H4, &HCC, &HC, &HD, &HCD, _&HF, &HCF, &HCE, &HE, &HA, &HCA, &HCB, &HB, &HC9, &H9, _&H8, &HC8, &HD8, &H18, &H19, &HD9, &H1B, &HDB, &HDA, &H1A, _&H1E, &HDE, &HDF, &H1F, &HDD, &H1D, &H1C, &HDC, &H14, &HD4, _&HD5, &H15, &HD7, &H17, &H16, &HD6, &HD2, &H12, &H13, &HD3, _&H11, &HD1, &HD0, &H10, &HF0, &H30, &H31, &HF1, &O33, &;HF3, _&HF2, &H32, &H36, &HF6, &HF7, &H37, &HF5, &H35, &H34, &HF4, _&H3C, &HFC, &HFD, &H3D, &HFF, &H3F, &H3E, &HFE, &HFA, &H3A, _&H3B, &HFB, &H39, &HF9, &HF8, &H38, &H28, &HE8, &HE9, &H29, _&HEB, &H2B, &H2A, &HEA, &HEE, &H2E, &H2F, &HEF, &H2D, &HED, _&HEC, &H2C, &HE4, &H24, &H25, &HE5, &H27, &HE7, &HE6, &H26, _&H22, &HE2, &HE3, &H23, &HE1, &H21, &H20, &HE0, &HA0, &H60, _&H61, &HA1, &H63, &HA3, &HA2, &H62, &H66, &HA6, &HA7, &H67, _&HA5, &H65, &H64, &HA4, &H6C, &HAC, &HAD, &H6D, &HAF, &H6F, _&H6E, &HAE, &HAA, &H6A, &H6B, &HAB, &H69, &HA9, &HA8, &H68, _&H78, &HB8, &HB9, &H79, &HBB, &H7B, &H7A, &HBA, &HBE, &H7E, _&H7F, &HBF, &H7D, &HBD, &HBC, &H7C, &HB4, &H74, &H75, &HB5, _&H77, &HB7, &HB6, &H76, &H72, &HB2, &HB3, &H73, &HB1, &H71, _&H70, &HB0, &H50, &H90, &H91, &H51, &H93, &H53, &H52, &H92, _&H96, &H56, &H57, &H97, &H55, &H95, &H94, &H54, &H9C, &H5C, _&H5D, &H9D, &H5F, &H9F, &H9E, &H5E, &H5A, &H9A, &H9B, &H5B, _&H99, &H59, &H58, &H98, &H88, &H48, &H49, &H89, &H4B, &H8B, _&H8A, &H4A, &H4E, &H8E, &H8F, &H4F, &H8D, &H4D, &H4C, &H8C, _&H44, &H84, &H85, &H45, &H87, &H47, &H46, &H86, &H82, &H42, _&H43, &H83, &H41, &H81, &H80, &H40)End Function。
用VB写的modbusrtu模式通讯源码‘用VB 写的modbus rtu模式通讯源码,已在台达PLC上调试通过Private Sub CmdOpen_Click()On Error Resume NextIf (MSComm1.PortOpen) Then ‘打开/关闭串口MSComm1.PortOpen = FalseElseMSComm1.PortOpen = TrueEnd IfIf (MSComm1.PortOpen) ThenCmdOpen.Caption = "关闭串口"Shape5.FillStyle = vbFSSolidElseCmdOpen.Caption = "打开串口"Shape5.FillStyle = vbFSTransparentEnd IfIf Err ThenMsgBox Error$, 48, "错误码信息"Exit SubEnd IfEnd SubPrivate Sub Combo1_Click()/doc/df18763589.html,mPort = Combo1.ListIndex + 1End SubPrivate Sub Combo2_Click()Call SettingEnd SubPrivate Sub Combo3_Click()Call SettingEnd SubPrivate Sub Combo4_Click()Call SettingEnd SubPrivate Sub Combo5_Click()Call SettingEnd SubPrivate Sub Command1_Click()‘S hape1.FillStyle = vbFSSolidDim Y0_status As ByteDim Sendstr As StringDim i As Integer, j As IntegerSendstr = "01 01 05 00 00 10 "HexSend (Sendstr)Sleep (30)HexSend (Sendstr)End SubPrivate Function HexSend(Sendstr As String) As Integer Dim outbuf() As ByteDim Temp(0) As ByteDim crc As String, Sendstrls As StringDim sendlen As IntegerDim i As Integer, j As IntegerIf Sendstr = "" ThenMsgBox "发送数据不能为空!"HexSend = 0Exit FunctionEnd IfS endstrls = Trim(Sendstr) ‘去掉空格sendlen = Len(Sendstrls) + 1 ‘取长度j = 0ReDim outbuf(1 To sendlen \ 3) As ByteFor i = 1 To sendlen Step 3j = j + 1outbuf(j) = Val("&H" & CStr(Mid(Sendstrls, i, 2)))Next icrc = Crc16(outbuf)ReDim Preserve outbuf(1 T o (sendlen \ 3 + 2)) As Byte ‘加上CRC校验码outbuf(sendlen \ 3 + 1) = Val("&H" & CStr(Mid(crc, 1, 2)))outbuf(sendlen \ 3 + 2) = Val("&H" & CStr(Mid(crc, 3, 2)))For i = 1 To (sendlen \ 3 + 2)Temp(0) = outbuf(i)MSComm1.Output = TempNext iFor i = 1 To 2000Next iHexSend = 1End FunctionPrivate Function Setting()MSComm1.Settings = CStr(Combo2.Text) & "," & CStr(Combo3.Text) & "," & CStr(Combo4.Text) & "," & CStr(Combo5.Text) End FunctionPrivate Sub Command2_Click()‘If (MSComm1.RThreshold = 0) Then‘MSComm1.RTh reshold = 1‘Else‘MSComm1.RThreshold = 0‘End IfLabel11.Caption = "接收个数:" & CStr(ReceCount) & " " & "接收帧数:" & CStr(Framecount) End SubPrivate Sub Form_Load()Combo1.AddItem ("COM1")Combo1.AddItem ("COM2")Combo1.AddItem ("COM3")Combo1.AddItem ("COM4")Combo1.AddItem ("COM5")Combo1.ListIndex = 0Combo2.AddItem ("2400")Combo2.AddItem ("4800")Combo2.AddItem ("9600")Combo2.AddItem ("11520")Combo2.ListIndex = 0Combo3.AddItem ("E")Combo3.AddItem ("O")Combo3.AddItem ("N")Combo3.ListIndex = 2Combo4.AddItem ("6")Combo4.AddItem ("7")Combo4.AddItem ("8")Combo4.ListIndex = 2Combo5.AddItem ("1")Combo5.AddItem ("2")Combo5.ListIndex = 0ReceCount = 0End SubPrivate Function Crc16(data() As Byte) As StringDim CRC16Lo As Byte, CRC16Hi As Byte ‘CRC寄存器Dim CL As Byte, CH As Byte ‘多项式码&HA001Dim CrcLo As String, CrcHi As StringDim SaveHi As Byte, SaveLo As ByteDim i As IntegerDim Flag As IntegerCRC16Lo = &HFFCRC16Hi = &HFFCL = &H1CH = &HA0For i = 1 To UBound(data)CRC16Lo = CRC16Lo Xor data(i) ‘每一个数据与CRC寄存器进行异或For Flag = 0 To 7SaveHi = CRC16HiSaveLo = CRC16LoCRC16Hi = CRC16Hi \ 2 ‘高位右移一位CRC16Lo = CRC16Lo \ 2 ‘低位右移一位If ((SaveHi And &H1) = &H1) Then ‘如果高位字节最后一位为1CRC16Lo = CRC16Lo Or &H80 ‘则低位字节右移后前面补1 End If ‘否则自动补0If ((SaveLo And &H1) = &H1) Then ‘如果LSB为1,则与多项式码进行异或CRC16Hi = CRC16Hi Xor CHCRC16Lo = CRC16Lo Xor CLEnd IfNext FlagNext iIf Len(Hex(CRC16Hi)) = 1 ThenCrcHi = "0" + Hex(CRC16Hi)ElseCrcHi = Hex(CRC16Hi)End IfIf Len(Hex(CRC16Lo)) = 1 ThenCrcLo = "0" + Hex(CRC16Lo)ElseCrcLo = Hex(CRC16Lo)End IfCrc16 = CrcLo & CrcHiEnd FunctionPrivate Sub MSComm1_OnComm()Dim inpu() As ByteDim i As IntegerDim tempstr As String, Strdata As StringSelect Case /doc/df18763589.html,mEvent Case comEvReceive ‘接收事件tempstr = MSComm1.Inputinpu() = tempstrFramecount = Framecount + 1 ‘帧个数加1If (Framecount = 1) Thenframepoint(Framecount) = UBound(inpu) + 1 ‘第一帧帧尾Elseframepoint(Framecount) = framepoint(Framecount - 1) + UBound(inpu) + 1 ‘第二帧开始指针End IfFor i = 0 To UB ound(inpu) ‘将字符转换为数组If (Len(Hex(inpu(i))) = 1) ThenStrdata = Strdata & "0" & Hex(inpu(i)) & " "ElseStrdata = Strdata & Hex(inpu(i)) & " "End IfNext iFor i = ReceCount + 1 To UBound(inpu) + 1 ‘数据进入缓冲区Recebuf(i) = inpu(i - 1)NextReceCount = ReceCount + UBound(inpu) + 1TextReceive.Text = TextReceive.Text & StrdataStrdata = ""Case comEvSendEnd SelectEnd SubPrivate Function RtuCheck(data() As Byte) As IntegerDim CrcHi As Byte, CrcLo As ByteDim Checkdata() As ByteDim i As IntegerDim crc As StringCrcHi = data(UBound(data))CrcLo = data(UBound(data) - 1)ReDim Checkdata(1 To (UBound(data) - 1)) As ByteFor i = 1 To (UBound(data) - 1) ‘附值Checkdata(i) = data(i - 1)Nextcrc = Crc16(Checkdata)If (CrcLo = Val("&H" & CStr(Mid(crc, 1, 2))) And CrcHi = Val("&H" & CStr(Mid(crc, 3, 2)))) Then RtuCheck = 1ElseRtuCheck = 0End IfEnd Function。
用VB6标准模块实现微机与单片机间的通信源程序1、模块的使用方法:' (1) 在窗体中放置一个 MSComm 控件' (2) 设置好 MSComm 控件下面属性:' CommPort = 端口号 '端口号如为1,即COM1' Handshaking = 0 '无握手协议' InputMode = 1 '二进制收发模式' Settings = "9600,n,8,1" '波特率/奇偶校验/数据位/停止位' (3) 在程序入口放置下列命令:' Set CommControl = 窗体名.MSComm控件名' 如: Set CommControl = Form1.MSComm1'==============================================================' InitPort 函数说明打开指定端口并进行端口初始化' PortNum 指定端口号' ClosePort 函数说明关闭当前打开的端口' SendData 函数说明发送数据子程序' Addr 下位机地址号' Cmd 命令' Datas 数据(可选参数,调用时如不指定则发送一无数据的命令串)' Timeout 超时时间,单位:秒(s)' (每发送一帧数据后需接收一个回应数据,等于 0 - 成功不等于 0 - 失败)' GetData 函数说明接收数据子程序' lData 要接收数据长度(纯数据长度,不包含其它固定格式数据)' Buffer 接收数据缓冲区' Addr 要接收数据下位机地址(不指定时自动采用最后一次发送地址)' Timeout 超时时间,单位:秒(s)' 各个函数返回值' 0 vbSuccess '通信成功' 1 vbBusy '端口忙' 2 vbOpenPortFailed '端口打开失败,端口可能已被其它应用程序所占用' 3 vbTimeout '通信超时' 4 vbInvalidData '接收的数据有误' 5 vbPortNotOpened '端口还未初始化'==============================================================2、模块的程序设计:Option Explicit'======== 通信结果枚举定义 ========'Public Enum CommResultvbSuccess = 0vbBusy = 1vbOpenPortFailed = 2vbTimeout = 3vbInvalidData = 4vbPortNotOpened = 5End Enum'======== 通信常数定义 ========'Public Const SOI = &HAA '定义开始位Public Const EOI = &HBB '定义停止位Public Const VER = &H10 '定义版本号'========模块内部变量定义========'Public CommControl As MSComm '定义模块内部控件名Public DefAddr As Byte '定义默认下位机地址'------------------------------------------------------------------------------------------------Public Function ClosePort() As CommResult'打开通讯端口If Not CommControl.PortOpen ThenClosePort = vbPortNotOpened '端口还未初始化Exit FunctionEnd IfClosePort = vbSuccessCommControl.PortOpen = False '关闭端口End Function'------------------------------------------------------------------------------------------------Public Function InitPort(ByVal PortNum As Byte) As CommResult'打开通讯端口If CommControl.PortOpen Then '如果端口已打开,返回 vbBusyInitPort = vbBusyExit FunctionElse '否则尝试打开端口On Error Resume NextmPort = PortNumCommControl.PortOpen = TrueIf Err.Number <> 0 Then '如果打开失败,返回 vbOpenPortFailedInitPort = vbOpenPortFailedExit FunctionEnd IfEnd If '成功,继续End Function'------------------------------------------------------------------------------------------------Public Function GetData(ByVal lData As Byte, Buffer As String, Optional ByVal Addr As Byte = 0, _ Optional ByVal Timeout As Long = 1) As CommResultCheckComm '检测 CommControl 对象If Not CommControl.PortOpen Then '如果端口还未打开,返回GetData = vbPortNotOpenedExit FunctionEnd If'定义变量Dim CheckSum As Long, CheckSum2 As Long, i As ByteDim tmpBuffer As String, OldTimer As SingleIf Addr = 0 Then Addr = DefAddr '如果不指定地址,则以发送地址为接收地址lData = lData + 8CommControl.InputLen = lDataOldTimer = TimerDo '判断通信是否超时,是则中断通信并提示If CommControl.InBufferCount >= lData Then tmpBuffer = CommControl.Input: Exit DoIf Timer - OldTimer >= Timeout Then GetData = vbTimeout: Exit FunctionDoEventsLoop While TrueIf AscB(MidB(tmpBuffer, 1, 1)) <> SOI Or AscB(MidB(tmpBuffer, 2, 1)) <> VER Or _AscB(MidB(tmpBuffer, 3, 1)) <> Addr Or AscB(MidB(tmpBuffer, lData, 1)) <> EOI ThenGetData = vbInvalidDataExit FunctionEnd If'======== 算出收到数据的 CheckSum ===========CheckSum = 0lData = AscB(MidB(tmpBuffer, 5, 1))For i = 2 To lData + 5CheckSum = CheckSum + AscB(MidB(tmpBuffer, i, 1))NextCheckSum = CheckSum And &HFFFF&CheckSum2 = AscB(MidB(tmpBuffer, 7 + lData, 1)) * 256 + AscB(MidB(tmpBuffer, 6 + lData, 1)) '判断 CheckSum 是否正确If CheckSum2 <> CheckSum Then GetData = vbInvalidData: Exit Function'所有检测通过则返回正确数据Buffer = tmpBufferGetData = vbSuccessEnd Function'------------------------------------------------------------------------------------------------Public Function SendData(Addr As Byte, Cmd As Byte, Optional Datas As String = "", Optional ByVal Timeout As Long = 1) As CommResultCheckComm '检测 CommControl 对象If Not CommControl.PortOpen Then '如果端口还未打开,返回SendData = vbPortNotOpenedExit FunctionEnd If'定义变量Dim BinData() As Byte, i As Long, lData As LongDim CheckSum As LonglData = LenB(Datas)ReDim BinData(1 To 8 + lData) '将数据转储到<字节数组>BinData(1) = SOIBinData(2) = VERBinData(3) = AddrDefAddr = AddrBinData(4) = CmdBinData(5) = lDataCheckSum = BinData(2) + BinData(3) + BinData(4) + BinData(5) '算出收到数据的 CheckSum For i = 6 To lData + 5BinData(i) = AscB(MidB(Datas, i - 5, 1))CheckSum = CheckSum + BinData(i)NextBinData(i) = CheckSum And &HFFBinData(i + 1) = (CheckSum \ &H100) And &HFFBinData(i + 2) = EOICommControl.Output = BinData '发送数据Dim Response As String '定义回应数据缓冲区SendData = GetData(1, Response, , Timeout) '接收回应数据If SendData = vbSuccess Then '接收回应:等于 0 - 成功不等于 0 - 失败SendData = IIf(AscB(MidB(Response, 6, 1)) = 0, vbSuccess, vbInvalidData) 'End IfEnd Function'------------------------------------------------------------------------------------------------Private Sub CheckComm()'检测 CommControl 对象If CommControl Is Nothing ThenErr.Raise -1, , "请先设置 CommControl 对象的引用,格式为" & vbCrLf & vbCrLf & _" Set CommControl = 窗体名.MSComm控件名" & vbCrLf & vbCrLf & _"如 Set CommControl = Form1.MSComm1"End IfEnd Sub'------------------------------------------------------------------------------------------------Public Function ErrMsg(nErr) As StringErrMsg = Choose(nErr + 1, "成功", "端口忙", "端口打开失败", "通信超时", "数据有误", "端口还未打开")End Function'------------------------------------------------------------------------------------------------;=========================================================================================== ======;单片机与微机间串行通信AT89C52单片机部分程序 (单片机晶振振荡频率 11.0592MHZ)RT_CONTROL BIT P3.2 ;RS-485串口通信控制(接收低电平,发送高电平);----------------------------------------------------------------------------;变量定义RD_ADDRESS EQU 5FH ;接收PC数据地址指针PCBUF EQU 60H ;PC读写数据缓冲区:60H-DFH,128BYTESTD_ADDRESS EQU 60H ;PC发送数据首址SOI_PC EQU 60H ;开始位 [地址]VER_PC EQU 61H ;版本号 [地址]ADR_PC EQU 62H ;地址位 [地址]CMD_PC EQU 63H ;命令位 [地址]LEN_PC EQU 64H ;数据长度[地址]DATBUF_PC EQU 65H ;数据首 [地址];----------------------------------------------------------------------------;数据赋值SP_ADDRESS EQU 0E0H ;堆栈指针值SOI_DATA EQU 0AAH ;开始位VER_DATA EQU 10H ;硬件版本:1.0ADR_DATA EQU 01H ;从机地址:1EOI_DATA EQU 0BBH ;结束位;----------------------------------------------------------------------------;设定程序入口地址ORG 0000HLJMP MAIN_INITORG 0023HLJMP UARTI;============================================================================;主程序MAIN_INIT: ;主程序初始化MOV SP,#SP_ADDRESS ;设定栈基址MOV TMOD,#20H ;TIMER1工作在MODE2MOV TH1,#0FDH ;波特率9600MOV TL1,#0FDH ;SETB TR1 ;启动TIMER1计时MOV SCON,#50H ;UART工作在MOWE1,SM1=1,REN=1;-------------------------------------------------------MOV IE,#10010000B ;UART中断激活;-------------------------------------------------------CLR RT_CONTROL ;允许RS-485接收; .;============================================================================; 中断服务子程序UARTI: CLR EA ;关中断PUSH A ;保护现场PUSH PSWMOV PSW,#00010000B ;使用三区寄存器MOV A,#05H ;接收数据数量 SOI-VER-ADR-CMD-LEN =[5 BYTE] MOV RD_ADDRESS,#PCBUF ;设置接收PC数据地址指针LCALL R_DATA ;调用接收数据子程序MOV A,SOI_PCCJNE A,#SOI_DATA,UARTI_B_E ;SOI不正确,则转移MOV A,VER_PCCJNE A,#VER_DATA,UARTI_B_E ;VER不正确,则转移MOV A,ADR_PCCJNE A,#ADR_DATA,UARTI_B_E ;ADR不正确,则转移MOV A,LEN_PC ;判断LEN,再接收 nDATA-CHK-EOIADD A,#03H ;接收数据数量MOV RD_ADDRESS,#DATBUF_PC ;设置接收PC数据地址指针LCALL R_DATA ;调用接收数据子程序LCALL CHECKSUM ;调用CHECKSUM子程序JNZ UARTI_B_E ;CHECKSUM不正确,则转移MOV DATBUF_PC,#00H ;接收数据正确,则返回#00HLCALL T_PC_BACK ;调用回应子程序LCALL CHK_R_DATA ;调用接收数据处理子程序AJMP UARTI_OUTUARTI_B_E:MOV DATBUF_PC,#0FFH ;接收数据不正确,则返回#0FFHLCALL T_PC_BACK ;调用回应子程序UARTI_OUT:POP PSW ;恢复现场POP ACLR RT_CONTROL ;允许RS-485接收SETB EA ;开中断RETI;;============================================================================; 接收数据子程序R_DATA: CLR RT_CONTROL ;允许RS-485接收MOV R0,A ;接收数据数量装入R0MOV R1,RD_ADDRESS ;接收数据首址装入R1MOV R2,#00HMOV R3,#00HR_WAI: JBC RI,R_JMP ;检测SCON的RI是否为1?是则表示接收到8位数据DJNZ R3,$DJNZ R2,R_WAILJMP R_OUT ;R_JMP: MOV A,SBUF ;SBUF装入AMOV @R1,AINC R1 ;地址加一CLR RI ;清除RIDJNZ R0,R_WAIR_OUT: RET ;;-------------------------------------------------------; 发送数据子程序T_DATA: SETB RT_CONTROL ;允许RS-485发送MOV R0,A ;发送数据数量装入R0MOV R1,#TD_ADDRESS ;发送数据首址装入R1T_LOOP: MOV A,@R1 ;MOV SBUF,A ;数据装入SBUFMOV R2,#00HMOV R3,#00HT_WAI: JBC TI,T_JMP ;检测SCON的TI是否为0?是则表示已发送8位数据DJNZ R3,$DJNZ R2,T_WAILJMP T_OUTT_JMP: INC R1 ;地址加一DJNZ R0,T_LOOP ;T_OUT: CLR RT_CONTROL ;允许RS-485接收RET ;;=========================================================================================== ======。
VB编写的ModbusRTU协议范文通讯源程序modburtu协议可以算是一种事实上的工业标准协议,为许多仪表、PLC等所支持。
以前有几个用户问如何使用VB编程来与我们的KND-K3系列PLC通讯,于是整了一个demo程序。
这次把这个demo共享,希望能给大家一点帮助。
1)模块文件:modCRC,其中包含了CRC校验的函数。
'data待校验的数组名称'no数组中元素个数'btLoCRC算出的CRC高字节'btHiCRC算出的CRC低字节PublicFunctionCalCRC16Fat(data()AByte,noAInteger,btLoCRCAByt e,btHiCRCAByte)AStringDimCLAByte,CHAByte'多项式码&HA001DimSaveHiAByte,SaveLoAByteDimiAIntegerDimFlagAInteger btHiCRC=&HFFbtLoCRC=&HFFCL=&H1CH=&HA0Fori=0To(no-1)btHiCRC=btHiCRC某ordata(i)'每一个数据与CRC寄存器进行异或ForFlag=0To7SaveHi=btLoCRCSaveLo=btHiCRCbtLoCRC=btLoCRC\\2'高位右移一位btHiCRC=btHiCRC\\2'低位右移一位If((SaveHiAnd&H1)=&H1)Then'如果高位字节最后一位为1btHiCRC=btHiCRCOr&H80'则低位字节右移后前面补1EndIf'否则自动补0If((SaveLoAnd&H1)=&H1)Then'如果LSB为1,则与多项式码进行异或btLoCRC=btLoCRC某orCHbtHiCRC=btHiCRC某orCLEndIfNe某tFlagNe某tiDimReturnData(1)AByteReturnData(0)=btHiCRC'CRC高位ReturnData(1)=btLoCRC'CRC低位CalCRC16Fat=ReturnDataEndFunctionPublicFunctionCalCRC16Tbl(data()AByte,noAInteger,btLoCRCAByt e,btHiCRCAByte)AStringDimbtLoCRCAByteDimbtHiCRCABytebtLoCRC=&HFFbtHiCRC=&HFFDimiAIntegerDimiInde某ALongFori=0To(no-1)iInde某=btHiCRC某ordata(i)btHiCRC=btLoCRC某orGetCRCLo(iInde某)'低位处理btLoCRC=GetCRCHi(iInde某)'高位处理Ne某tiDimReturnData(1)AByteReturnData(0)=btHiCRC'CRC高位ReturnData(1)=btLoCRC'CRC低位CalCRC16Tbl=ReturnDataEndFunction'CRC低位字节值表FunctionGetCRCLo(IndALong)AByteGetCRCLo=Chooe(Ind+1,_&H0,&HC1,&H81,&H40,&H1,&HC0,&H80,&H41,&H1,&HC0,_&H80,&H41,&H 0,&HC1,&H81,&H40,&H1,&HC0,&H80,&H41,_&H0,&HC1,&H81,&H40,&H0,&HC1 ,&H81,&H40,&H1,&HC0,_&H80,&H41,&H1,&HC0,&H80,&H41,&H0,&HC1,&H81, &H40,_&H0,&HC1,&H81,&H40,&H1,&HC0,&H80,&H41,&H0,&HC1,_&H81,&H40, &H1,&HC0,&H80,&H41,&H1,&HC0,&H80,&H41,_&H0,&HC1,&H81,&H40,&H1,&H C0,&H80,&H41,&H0,&HC1,_&H81,&H40,&H0,&HC1,&H81,&H40,&H1,&HC0,&H8 0,&H41,_&H0,&HC1,&H81,&H40,&H1,&HC0,&H80,&H41,&H1,&HC0,_&H80,&H4 1,&H0,&HC1,&H81,&H40,&H0,&HC1,&H81,&H40,_&H1,&HC0,&H80,&H41,&H1, &HC0,&H80,&H41,&H0,&HC1,_&H81,&H40,&H1,&HC0,&H80,&H41,&H0,&HC1,& H81,&H40,_&H0,&HC1,&H81,&H40,&H1,&HC0,&H80,&H41,&H1,&HC0,_&H80,& H41,&H0,&HC1,&H81,&H40,&H0,&HC1,&H81,&H40,_&H1,&HC0,&H80,&H41,&H 0,&HC1,&H81,&H40,&H1,&HC0,_&H80,&H41,&H1,&HC0,&H80,&H41,&H0,&HC1 ,&H81,&H40,_&H0,&HC1,&H81,&H40,&H1,&HC0,&H80,&H41,&H1,&HC0,_&H80 ,&H41,&H0,&HC1,&H81,&H40,&H1,&HC0,&H80,&H41,_&H0,&HC1,&H81,&H40, &H0,&HC1,&H81,&H40,&H1,&HC0,_&H80,&H41,&H0,&HC1,&H81,&H40,&H1,&H C0,&H80,&H41,_&H1,&HC0,&H80,&H41,&H0,&HC1,&H81,&H40,&H1,&HC0,_&H 80,&H41,&H0,&HC1,&H81,&H40,&H0,&HC1,&H81,&H40,_&H1,&HC0,&H80,&H4 1,&H1,&HC0,&H80,&H41,&H0,&HC1,_&H81,&H40,&H0,&HC1,&H81,&H40,&H1,&HC0,&H80,&H41,&H0,&HC1,&H8 1,&H40,&H1,&HC0,&H80,&H41,&H1,&HC0,&H80,&H41,&H0,&HC1,&H81,&H40) EndFunction'CRC高位字节值表FunctionGetCRCHi(IndALong)AByteGetCRCHi=Chooe(Ind+1,_&H0,&HC0,&HC1,&H1,&HC3,&H3,&H2,&HC2,&HC6,&H6,&H7,&HC7,&H5,&H C5,&HC4,&H4,&HCC,&HC,&HD,&HCD,&HF,&HCF,&HCE,&HE,&HA,&HCA,&HCB,&H B,&HC9,&H9,&H8,&HC8,&HD8,&H18,&H19,&HD9,&H1B,&HDB,&HDA,&H1A,&H1E ,&HDE,&HDF,&H1F,&HDD,&H1D,&H1C,&HDC,&H14,&HD4,&HD5,&H15,&HD7,&H1 7,&H16,&HD6,&HD2,&H12,&H13,&HD3,&H11,&HD1,&HD0,&H10,&HF0,&H30,&H 31,&HF1,&H33,&HF3,&HF2,&H32,&H36,&HF6,&HF7,&H37,&HF5,&H35,&H34,& HF4,&H3C,&HFC,&HFD,&H3D,&HFF,&H3F,&H3E,&HFE,&HFA,&H3A,&H3B,&HFB, &H39,&HF9,&HF8,&H38,&H28,&HE8,&HE9,&H29,&HEB,&H2B,&H2A,&HEA,&HEE,&H2E,&H2F,&HEF,&H2D,&HED,&HEC,&H2C,&H E4,&H24,&H25,&HE5,&H27,&HE7,&HE6,&H26,&H22,&HE2,&HE3,&H23,&HE1,& H21,&H20,&HE0,&HA0,&H60,_&H61,&HA1,&H63,&HA3,&HA2,&H62,&H66,&HA6,&HA7,&H67,&HA5,&H65, &H64,&HA4,&H6C,&HAC,&HAD,&H6D,&HAF,&H6F,&H6E,&HAE,&HAA,&H6A,&H6B ,&HAB,&H69,&HA9,&HA8,&H68,&H78,&HB8,&HB9,&H79,&HBB,&H7B,&H7A,&HB A,&HBE,&H7E,&H7F,&HBF,&H7D,&HBD,&HBC,&H7C,&HB4,&H74,&H75,&HB5,&H 77,&HB7,&HB6,&H76,&H72,&HB2,&HB3,&H73,&HB1,&H71,&H70,&HB0,&H50,& H90,&H91,&H51,&H93,&H53,&H52,&H92,&H96,&H56,&H57,&H97,&H55,&H95,&H94,&H54,&H9C,&H5C,&H5D,&H9D,&H5F,&H9F,&H9E,&H5E,&H5A,&H9A,&H9B ,&H5B,&H99,&H59,&H58,&H98,&H88,&H48,&H49,&H89,&H4B,&H8B,&H8A,&H4 A,&H4E,&H8E,&H8F,&H4F,&H8D,&H4D,&H4C,&H8C,&H44,&H84,&H85,&H45,&H 87,&H47,&H46,&H86,&H82,&H42,&H43,&H83,&H41,&H81,&H80,&H40) EndFunctionBeginVB.Te某tBo某t某tReceive注:放置接收上来的IB0数据Height=495Left=1200TabInde某=2Top=2280Width=1335EndCaption=\置位Q1.1\Height=495Left=2160TabInde某=0Top=3720Width=1575End①Form_Load事件,在此主要是实现了打开并初始化串口PrivateSubForm_Load().Setting=\If(Not.PortOpen)Then.PortOpen=TrueEndWithEndSub②Form_UnLoad事件,在此主要是关闭串口PrivateSubForm_Unload(CancelAInteger)EndSub③“置位Q1.1”按钮单击事件'设置Q1.1为1PrivateSubcmdSDO_Click()DimbtSend(8)ABytebtSend(0)=&H1'目标站号btSend(1)=&H5'功能码btSend(2)=&H0'Q1.1地址(0009)高字节btSend(3)=&H9'Q1.1地址(0009)低字节btSend(4)=&HFF'强制值高字节btSend(5)=&H0'强制值低字节DimcrcDimbtCRCHiAByte,btCRCLoABytecrc=CalCRC16Fat(btSend,6,btCRCLo,btCRCHi)btSend(6)=btCRCHibtSend(7)=btCRCLoEndSub④“读取IB0”按钮单击事件'发请求DimbtSend(8)ABytebtSend(0)=&H1'目标站号btSend(1)=&H2'功能码btSend(2)=&H0'I0.0地址(0000)高字节btSend(3)=&H0'i0.0地址(0000)低字节btSend(4)=&H0'读取个数高字节btSend(5)=&H8'读取个数低字节DimcrcDimbtCRCHiAByte,btCRCLoABytecrc=CalCRC16Fat(btSend,6,btCRCLo,btCRCHi)btSend(6)=btCRCHibtSend(7)=btCRCLo'注意下面编写的接收过程很简单,要编写实际应用的监控程序来说需要更完善DimbtReceiveAVariantDoEventLoopUntil.InBufferCount=6.InputLen=6btReceive=.InputIfbtReceive(1)=&H2Then'若正确,返回帧的第2个字节为功能码.实际上,此处应首先进行CRC校验t某tReceive.Te某t=He某$(btReceive(3))EndIfEndWithEndSub。
V B控件M s c o m m控件与P L C进行R S485(M o d b u s)通讯源码本人用的是ModbusRTU通讯模式,通过计算机串口转RS485与外围设备通行通讯,读写外围设备指定地址里的数据,从而达到自动化控制远端设备。
DimHiByteAsByteDimLoByteAsByteDimCRC16LoAsByteDimCRC16HiAsByteDimReturnData(1)AsByteDimKAsIntegerDimCmdLenthAsIntegerPrivateSubCommand1_Click()K=Text9.Text'写6个字节Text13.Text=""'===========数组赋值输入代码=============================================================================== ========'<<算法一>>DimWriteStr()AsByteDimuAsIntegerReDimWriteStr(K+2)Foru=0ToKWriteStr(u)=Val("&H"&Text1(u).Text)Next'<<算法二>>DimCRC_2()AsByteDimvAsIntegerReDimCRC_2(K)Forv=0ToKCRC_2(v)=Val("&H"&Text1(v).Text)Next'============================================================================== ====================CallCRC161(CRC_2())CallCRC16(WriteStr(),K)MSComm1.InBufferCount=0'==========显示发送代码=============================================================================== =========DimmAsIntegerForm=0To23Ifm<=KThenText8(m).Text=Hex(WriteStr(m))ElseText8(m).Text=""EndIfNext'============================================================================== ====================WriteStr(K+1)=LoByteWriteStr(K+2)=HiByte'发送代码Text4.Text=""DimgAsIntegerForg=0ToK+2Text4.Text=Text4.Text+""+Hex(WriteStr(g))Next'写命令发送后,当接收到8个字节时中断CmdLenth=8MSComm1.RThreshold=CmdLenthMSComm1.Output=WriteStrEndSubPrivateSubCommand2_Click()EndEndSubPrivateSubCommand3_Click()Label34.Caption="="Text13.Text=""K=Text9.Text'写6个字节'===========数组赋值输入代码=============================================================================== ========'<<算法>>DimCRC_2()AsByteDimvAsIntegerReDimCRC_2(K)Forv=0ToKCRC_2(v)=Val("&H"&Text1(v).Text)Next'============================================================================== ====================CallCRC161(CRC_2())CallCRC16(WriteStr(),K)MSComm1.InBufferCount=0'==========显示发送代码=============================================================================== =========DimmAsIntegerForm=0To23Ifm<=KThenText8(m).Text=Hex(WriteStr(m))ElseText8(m).Text=""EndIfNext'============================================================================== ====================WriteStr(K+1)=LoByteWriteStr(K+2)=HiByte'发送代码Text4.Text=""DimgAsIntegerForg=0ToK+2Text4.Text=Text4.Text+""+Hex(WriteStr(g))Next'读命令发送后,当接收5+SendStr(5)*2个字节时产生中断CmdLenth=5+WriteStr(5)*2MSComm1.RThreshold=CmdLenthMSComm1.Output=WriteStr'发送命令'****************************************************************************** **********************************************************'****************************************************************************** *************************************'****************************************************************************** **********************************************************'DimsAddrAsString''DimCheckStringAsString'DimCheckCodeAsString'DimCmdCodeAsString'DimSumAsInteger'DimaAsInteger'DimtmpAsString'a=0'tmp=0''''DoWhileLen(tmp)<8''tmp=tmp+MSComm1.Input'testNO.Caption=testNO.Caption+""+Str(Hex(Asc(tmp)))'a=a+1'Ifa>=3000Then'MSComm1.PortOpen=False'ExitFunction'ExitDo'EndIf'Loop'Label33.Caption=tmp'Text16.Text=Len(tmp)'DimnsAsInteger'Forns=1ToLen(tmp)'Label34.Caption=Label34.Caption+"+"+Str(Asc(Mid(tmp,ns,1))) ''Next'Label35.Caption=Str(Val(Asc(Mid(tmp,6,1)))/10)'''tmp=Mid$(tmp,6,4)'''DimstrHexAsString'DimHex2DecAsLong'DimstrTmpAsString'DimlongTmpAsLong'DimlongDecAsLong'DimintLenAsInteger'Dimn1AsInteger''strHex=Right$(tmp,2)+Left$(tmp,2)''intLen=Len(strHex)'Forn1=1TointLen'strTmp=Mid(strHex,n1,1)'SelectCaseAsc(strTmp)'Case48To57'longTmp=Val(strTmp)'Case65To70'longTmp=Asc(strTmp)-55'CaseElse'Hex2Dec=0''ExitFunction'EndSelect'Text13.Text=Text13.Text+"+"+Str(Asc(strTmp))'longDec=longDec+longTmp*16^(intLen-n1)'Nextn1''Hex2Dec=longDec'Text13.Text=Hex2Dec'****************************************************************************** **********************************************************'****************************************************************************** *************************************'****************************************************************************** **********************************************************EndSubPrivateSubMSComm1_OnComm()DimNeAsIntegermEventCasecomEvReceiveDimBufferAsVariantMSComm1.InputMode=comInputModeBinaryMSComm1.InputLen=0Buffer=MSComm1.InputForNe=LBound(Buffer)ToUBound(Buffer)Text13.Text=Text13.Text&"+"&Buffer(Ne)Label34.Caption=Buffer(3)&""&Buffer(4)NextNeCaseElseEndSelectBeepEndSubPrivateSubCommand4_Click()EndSubPrivateSubCommand5_Click()Label34.Caption="="EndSubPrivateSubForm_Load()MSComm1.Settings="9600,N,8,1"mPort=1MSComm1.SThreshold=0IfNotMSComm1.PortOpenThenMSComm1.PortOpen=TrueEndSubPrivateSubTimer1_Timer()'显示<<算法一>>结果Text2.Text=Hex(HiByte)Text3.Text=Hex(LoByte)'显示<<算法二>>结果Text6.Text=Hex(CRC16Hi)Text7.Text=Hex(CRC16Lo)IfText5.Text<>""Then'十进制转十六进制Text10.Text=Hex(Text5.Text)EndIfIfText11.Text<>""Then'十六进制转十进制Text12.Text=Val("&H"&Text11.Text)EndIfText14.Text=MSComm1.OutBufferCountEndSub'==========CRC校验<<算法二>>=========================================================================== =============FunctionCRC161(data()AsByte)AsString'CRC计算函数'DimCRC16LoAsByte,CRC16HiAsByte'CRC寄存器DimCLAsByte,CHAsByte'多项式码&HA001DimSaveHiAsByte,SaveLoAsByteDimIAsIntegerDimFlagAsIntegerCRC16Lo=&HFFCRC16Hi=&HFFCL=&H1CH=&HA0ForI=0ToUBound(data)CRC16Lo=CRC16LoXordata(I)'每一个数据与CRC寄存器进行异或ForFlag=0To7CRC16Hi=CRC16Hi\2'高位右移一位CRC16Lo=CRC16Lo\2'低位右移一位If((SaveHiAnd&H1)=&H1)Then'如果高位字节最后一位为1CRC16Lo=CRC16LoOr&H80'则低位字节右移后前面补1EndIf'否则自动补0If((SaveLoAnd&H1)=&H1)Then'如果LSB为1,则与多项式码进行异或CRC16Hi=CRC16HiXorCHCRC16Lo=CRC16LoXorCLEndIfNextFlagNextIDimReturnData(1)AsByteReturnData(0)=CRC16Hi'CRC高位ReturnData(1)=CRC16Lo'CRC低位asd=Right("00"+Hex(CRC16Lo),2)+Right("00"+Hex(CRC16Hi),2)EndFunctionPrivateSubmscomm_OnComm()EndSub。
基于VB的上位机与PLC的串行通信收藏此信息打印该信息添加:佚名来源:未知1 引言在现代控制系统中,pc机作为上位机负责系统管理、状态监控、信息处理和打印报表等工作,plc作为下位机进行面向现场的实时控制已成为一种典型的系统结构。
因此,pc机与plc之间的通信问题便成了系统能否实现的关键。
串行通信以其接线简单、容易实现的特点得到了广泛的应用。
visual basic编程软件简单易学、功能强大,利用它可以很方便的实现pc机与plc间的串行通讯。
本文以omron公司的cpm2a plc为例,介绍了利用vb6.0实现pc机与plc串行通讯的具体方法。
omron公司的cpm2a plc支持host-link通信协议,可以与上位计算机进行通信。
使用host-link通信协议构成的通信网络,可以很方便的实现上位pc对下位plc的实时监控。
2 原理设计2.1 系统结构系统结构如图1所示,计算机作为上位机,plc作为下位机,因omron cpm2a本身带有rs-232串口,因此,利用rs-232电缆将其与pc机的串口(com1或com2)相连,便构成了一个1:1的简单的通讯系统[1]。
图1 系统结构2.2 host-link通信协议[2]omron公司的host-link通信系统是由上位计算机(ibm pc或兼容机)通过安装在各台p lc上的host-link单元连接多台plc构成的网络。
上位机对系统中的plc进行集中管理与监控,通过与host link单元的通信,可以编辑或修改各台plc的程序,实时监控其运行过程,实现自动化系统的集散控制。
对于小型plc,也可以通过其rs 232c通信端口进行链接。
系统使用host-link通信协议进行通信,上位机具有传送优先权,总是首先发出命令并启动通信,host link单元收到命令交由plc执行,然后将执行结果返回上位机,二者以通信帧为单位,轮流交换数据。
通信时一组传送的数据称为“块”,它是命令或响应的单位,从上位机发送到host -link单元的数据块称为命令块,反过来,从host- link单元发送到上位机的数据块称为响应块。
用Visual Basic编写的Modbus 通信源程序以下是PC机与PLC进行Modbus通信的VB源程序,提供给大家做个参考。
1)模块文件:modCRC,其中包含了CRC校验的函数。
'data 待校验的数组名称'no 数组中元素个数'btLoCRC 算出的CRC高字节'btHiCRC 算出的CRC低字节Public Function CalCRC16Fast(data() As Byte, no As Integer, btLoCRC As Byte, btHiCRC As Byte) As StringDim CL As Byte, CH As Byte '多项式码&HA001Dim SaveHi As Byte, SaveLo As ByteDim i As IntegerDim Flag As IntegerbtHiCRC = &HFFbtLoCRC = &HFFCL = &H1CH = &HA0For i = 0 To (no - 1)btHiCRC = btHiCRC Xor data(i) '每一个数据与CRC寄存器进行异或For Flag = 0 To 7SaveHi = btLoCRCSaveLo = btHiCRCbtLoCRC = btLoCRC \ 2 '高位右移一位btHiCRC = btHiCRC \ 2 '低位右移一位If ((SaveHi And &H1) = &H1) Then '如果高位字节最后一位为1btHiCRC = btHiCRC Or &H80 '则低位字节右移后前面补1End If '否则自动补0If ((SaveLo And &H1) = &H1) Then '如果LSB为1,则与多项式码进行异或btLoCRC = btLoCRC Xor CHbtHiCRC = btHiCRC Xor CLEnd IfNext FlagNext iDim ReturnData(1) As ByteReturnData(0) = btHiCRC 'CRC高位ReturnData(1) = btLoCRC 'CRC低位CalCRC16Fast = ReturnDataEnd FunctionPublic Function CalCRC16Tbl(data() As Byte, no As Integer, btLoCRC As Byte, btHiCRC As Byte) As StringDim btLoCRC As ByteDim btHiCRC As BytebtLoCRC = &HFFbtHiCRC = &HFFDim i As IntegerDim iIndex As LongFor i = 0 To (no - 1)iIndex = btHiCRC Xor data(i)btHiCRC = btLoCRC Xor GetCRCLo(iIndex) '低位处理btLoCRC = GetCRCHi(iIndex) '高位处理Next iDim ReturnData(1) As ByteReturnData(0) = btHiCRC 'CRC高位ReturnData(1) = btLoCRC 'CRC低位CalCRC16Tbl = ReturnDataEnd Function'CRC低位字节值表Function GetCRCLo(Ind As Long) As ByteGetCRCLo = Choose(Ind + 1, _&H0, &HC1, &H81, &H40, &H1, &HC0, &H80, &H41, &H1, &HC0, _&H80, &H41, &H0, &HC1, &H81, &H40, &H1, &HC0, &H80, &H41, _&H0, &HC1, &H81, &H40, &H0, &HC1, &H81, &H40, &H1, &HC0, _&H80, &H41, &H1, &HC0, &H80, &H41, &H0, &HC1, &H81, &H40, _&H0, &HC1, &H81, &H40, &H1, &HC0, &H80, &H41, &H0, &HC1, _&H81, &H40, &H1, &HC0, &H80, &H41, &H1, &HC0, &H80, &H41, _&H0, &HC1, &H81, &H40, &H1, &HC0, &H80, &H41, &H0, &HC1, _&H81, &H40, &H0, &HC1, &H81, &H40, &H1, &HC0, &H80, &H41, _&H0, &HC1, &H81, &H40, &H1, &HC0, &H80, &H41, &H1, &HC0, _&H80, &H41, &H0, &HC1, &H81, &H40, &H0, &HC1, &H81, &H40, _&H1, &HC0, &H80, &H41, &H1, &HC0, &H80, &H41, &H0, &HC1, _&H81, &H40, &H1, &HC0, &H80, &H41, &H0, &HC1, &H81, &H40, _&H0, &HC1, &H81, &H40, &H1, &HC0, &H80, &H41, &H1, &HC0, _&H80, &H41, &H0, &HC1, &H81, &H40, &H0, &HC1, &H81, &H40, _&H1, &HC0, &H80, &H41, &H0, &HC1, &H81, &H40, &H1, &HC0, _&H80, &H41, &H1, &HC0, &H80, &H41, &H0, &HC1, &H81, &H40, _&H0, &HC1, &H81, &H40, &H1, &HC0, &H80, &H41, &H1, &HC0, _&H80, &H41, &H0, &HC1, &H81, &H40, &H1, &HC0, &H80, &H41, _&H0, &HC1, &H81, &H40, &H0, &HC1, &H81, &H40, &H1, &HC0, _&H80, &H41, &H0, &HC1, &H81, &H40, &H1, &HC0, &H80, &H41, _&H1, &HC0, &H80, &H41, &H0, &HC1, &H81, &H40, &H1, &HC0, _&H80, &H41, &H0, &HC1, &H81, &H40, &H0, &HC1, &H81, &H40, _&H1, &HC0, &H80, &H41, &H1, &HC0, &H80, &H41, &H0, &HC1, _&H81, &H40, &H0, &HC1, &H81, &H40, &H1, &HC0, &H80, &H41, &H0, &HC1, &H81, &H40, &H1, &HC0, &H80, &H41, &H1, &HC0, &H80, &H41, &H0, &HC1, &H81, &H40)End Function'CRC高位字节值表Function GetCRCHi(Ind As Long) As ByteGetCRCHi = Choose(Ind + 1, _&H0, &HC0, &HC1, &H1, &HC3, &H3, &H2, &HC2, &HC6, &H6, &H7, &HC7, &H5, &HC5, &HC4, &H4, &HCC, &HC, &HD, &HCD, &HF, &HCF, &HCE, &HE, &HA, &HCA, &HCB, &HB, &HC9, &H9, &H8, &HC8, &HD8, &H18, &H19, &HD9, &H1B, &HDB, &HDA, &H1A, &H1E, &HDE, &HDF, &H1F, &HDD, &H1D, &H1C, &HDC, &H14, &HD4, &HD5, &H15, &HD7, &H17, &H16, &HD6, &HD2, &H12, &H13, &HD3, &H11, &HD1, &HD0, &H10, &HF0, &H30, &H31, &HF1, &H33, &HF3, &HF2, &H32, &H36, &HF6, &HF7, &H37, &HF5, &H35, &H34, &HF4, &H3C, &HFC, &HFD, &H3D, &HFF, &H3F, &H3E, &HFE, &HFA, &H3A, &H3B, &HFB, &H39, &HF9, &HF8, &H38, &H28, &HE8, &HE9, &H29, &HEB, &H2B, &H2A, &HEA, &HEE, &H2E, &H2F, &HEF, &H2D, &HED, &HEC, &H2C, &HE4, &H24, &H25, &HE5, &H27, &HE7, &HE6, &H26, &H22, &HE2, &HE3, &H23, &HE1, &H21, &H20, &HE0, &HA0, &H60, _ &H61, &HA1, &H63, &HA3, &HA2, &H62, &H66, &HA6, &HA7, &H67, &HA5, &H65, &H64, &HA4, &H6C, &HAC, &HAD, &H6D, &HAF, &H6F, &H6E, &HAE, &HAA, &H6A, &H6B, &HAB, &H69, &HA9, &HA8, &H68, &H78, &HB8, &HB9, &H79, &HBB, &H7B, &H7A, &HBA, &HBE, &H7E, &H7F, &HBF, &H7D, &HBD, &HBC, &H7C, &HB4, &H74, &H75, &HB5, &H77, &HB7, &HB6, &H76, &H72, &HB2, &HB3, &H73, &HB1, &H71, &H70, &HB0, &H50, &H90, &H91, &H51, &H93, &H53, &H52, &H92, &H96, &H56, &H57, &H97, &H55, &H95, &H94, &H54, &H9C, &H5C, &H5D, &H9D, &H5F, &H9F, &H9E, &H5E, &H5A, &H9A, &H9B, &H5B, &H99, &H59, &H58, &H98, &H88, &H48, &H49, &H89, &H4B, &H8B, &H8A, &H4A, &H4E, &H8E, &H8F, &H4F, &H8D, &H4D, &H4C, &H8C, &H44, &H84, &H85, &H45, &H87, &H47, &H46, &H86, &H82, &H42, &H43, &H83, &H41, &H81, &H80, &H40)End Function2)窗体:FORM1,上面放置的控件如下:Begin VB.Form frmComCaption = "Form1"ClientHeight = 8235ClientLeft = 3885ClientTop = 2250ClientWidth = 6810LinkTopic = "Form1"ScaleHeight = 8235ScaleWidth = 6810Begin VB.TextBox txtReceive ‘注:放置接收上来的IB0数据Height = 495Left = 1200TabIndex = 2Top = 2280Width = 1335EndBegin mandButton Command1Caption = "读取IB0"Height = 495Left = 2760TabIndex = 1Top = 2280Width = 1695EndBegin mandButton cmdSDOCaption = "置位Q1.1"Height = 495Left = 2160TabIndex = 0Top = 3720Width = 1575EndBegin MSCommLib.MSComm ComK3Left = 480Top = 1080_ExtentX = 1005_ExtentY = 1005_Version = 393216DTREnable = -1 'TrueEndEnd①Form_Load事件,在此主要是实现了打开并初始化串口Private Sub Form_Load()With ComK3.CommPort = 1.Settings = "19200,N,8,1".InputMode = comInputModeBinary '二进制收发.InBufferSize = 512.OutBufferSize = 512If (Not .PortOpen) Then .PortOpen = True End WithEnd Sub②Form_UnLoad事件,在此主要是关闭串口Private Sub Form_Unload(Cancel As Integer)If (ComK3.PortOpen) ThenComK3.PortOpen = FalseEnd IfEnd Sub③“置位Q1.1”按钮单击事件'设置Q1.1为1Private Sub cmdSDO_Click()Dim btSend(8) As BytebtSend(0) = &H1 '目标站号btSend(1) = &H5 '功能码btSend(2) = &H0 'Q1.1地址(0009)高字节btSend(3) = &H9 'Q1.1地址(0009)低字节btSend(4) = &HFF '强制值高字节btSend(5) = &H0 '强制值低字节Dim crcDim btCRCHi As Byte, btCRCLo As Bytecrc = CalCRC16Fast(btSend, 6, btCRCLo, btCRCHi)btSend(6) = btCRCHibtSend(7) = btCRCLoComK3.Output = CVar(btSend)End Sub④“读取IB0”按钮单击事件'查表知I0.0的modbus地址为0000,从I0.0开始读取连续8位Private Sub Command1_Click()'发请求Dim btSend(8) As BytebtSend(0) = &H1 '目标站号btSend(1) = &H2 '功能码btSend(2) = &H0 'I0.0地址(0000)高字节btSend(3) = &H0 'i0.0地址(0000)低字节btSend(4) = &H0 '读取个数高字节btSend(5) = &H8 '读取个数低字节Dim crcDim btCRCHi As Byte, btCRCLo As Bytecrc = CalCRC16Fast(btSend, 6, btCRCLo, btCRCHi)btSend(6) = btCRCHibtSend(7) = btCRCLoComK3.Output = CVar(btSend)'注意下面编写的接收过程很简单,要编写实际应用的监控程序来说需要更完善Dim btReceive As VariantWith ComK3DoDoEventsLoop Until .InBufferCount = 6.InputLen = 6btReceive = .InputIf btReceive(1) = &H2 Then '若正确,返回帧的第2个字节为功能码.实际上,此处应首先进行CRC校验txtReceive.Text = Hex$(btReceive(3))End IfEnd WithEnd Sub。
VB与PLC之实时控制系统詹金万、陈嘉龙一、前言随着IT产业的进步及因特网的发展,传统工业控制所使用之PLC控制器,具有高度的稳定性及抗噪声的特性且配线容易及价格便宜,因此被大量应用在自动化的场所,已由单机操作朝向网络控制化发展,本文在探讨网络控制化的核心技术,使PC藉由RS-232通讯协议(注1)控制PLC(如图一),并透过VB程序语言,达到远程控制及网络自动化控制的功能。
本文以手动/自动红绿灯控制为主题,所使用之PLC为国内永宏电机公司所制FB-PLC,内含通讯模块,因此不需额外增购,且可由该公司网站免费下载及更新阶梯图发展软件(Winproladder)。
二、FB-PLC通讯协议FB-PLC藉由RS-232与PLC取得接口的传输,其传输格式(注2)如图二所示,以起始字符(ASCII 02H)与结束字符(ASCII 03H)作为整个命令传输及响应讯息的传输封包,FB-PLC总计提供15种命令格式(ASCII 40H~4EH),当主系统将命令传至PLC后,PLC 将依据命令自动回传所对应的讯息,如图三所示范例:将PLC启动(RUN)Master 命令PLC回应三.手动/自动红绿灯控制阶梯图程序利用缓存器R0,R4作为绿灯时间的计数器,R1,R2作为绿灯闪烁次数及闪烁时间的计数器,R3作为黄灯停留时间计数器,Y0、Y1、Y2分别代表东西向红、黄、绿三个灯,Y3、Y4、Y5分别代表南北向红、黄、绿三个灯。
利用输入X2作手动/自动的切换控制。
当PLC处于自动模式时,绿灯交换分别由缓存器R0、R4控制;当PLC处于手动模式时,由输入X1决定绿灯交换程序。
红绿灯阶梯图的设计程序如图四所示。
图四手动/自动红绿灯控制阶梯图程序四、VB 实时监程序架构及程序设计PC藉由RS232与PLC取得联机,传送速度设定为9600bps,整个联机设定请参考VB程序Form_Load()段。
实时监控画面设计如图五所示,当执行实时侦测状态按钮时,桌面将呈现如图六~图九所示实时状态图,状态的侦测采用轮询(polling)方式,依序读取PLC输出及输入的实时状态,程序执行请参考VB程序SendFrame(Data, No)段;执行参数传递按钮时,桌面将呈现如图十画面,当使用者修改参数后,执行传递参数按钮,PLC 将依据新的数据执行其程序,程序执行请参考VB程序Send_Ref_Click()段。
V B控件M s c o m m控件与P L C进行R S M o d b u s通讯源码集团企业公司编码:(LL3698-KKI1269-TM2483-LUI12689-ITT289-V B控件M s c o m m控件与P L C进行R S485(M o d b u s)通讯源码本人用的是ModbusRTU通讯模式,通过计算机串口转RS485与外围设备通行通讯,读写外围设备指定地址里的数据,从而达到自动化控制远端设备。
DimHiByteAsByteDimLoByteAsByteDimCRC16LoAsByteDimCRC16HiAsByteDimReturnData(1)AsByteDimKAsIntegerDimCmdLenthAsIntegerPrivateSubCommand1_Click()K=Text9.Text'写6个字节Text13.Text=""'===========数组赋值输入代码=============================================================== ========================'<<算法一>>DimWriteStr()AsByteDimuAsIntegerReDimWriteStr(K+2)Foru=0ToKWriteStr(u)=Val("&H"&Text1(u).Text)Next'<<算法二>>DimCRC_2()AsByteDimvAsIntegerReDimCRC_2(K)Forv=0ToKCRC_2(v)=Val("&H"&Text1(v).Text)Next'============================================================== ====================================CallCRC161(CRC_2())CallCRC16(WriteStr(),K)MSComm1.InBufferCount=0'==========显示发送代码=============================================================== =========================DimmAsIntegerForm=0To23Ifm<=KThenText8(m).Text=Hex(WriteStr(m))ElseText8(m).Text=""EndIfNext'============================================================== ====================================WriteStr(K+1)=LoByteWriteStr(K+2)=HiByte'发送代码Text4.Text=""DimgAsIntegerForg=0ToK+2Text4.Text=Text4.Text+""+Hex(WriteStr(g))Next'写命令发送后,当接收到8个字节时中断CmdLenth=8MSComm1.RThreshold=CmdLenthMSComm1.Output=WriteStrEndSubPrivateSubCommand2_Click()EndEndSubPrivateSubCommand3_Click()Label34.Caption="="Text13.Text=""K=Text9.Text'写6个字节'===========数组赋值输入代码=============================================================== ========================'<<算法>>DimCRC_2()AsByteDimvAsIntegerReDimCRC_2(K)Forv=0ToKCRC_2(v)=Val("&H"&Text1(v).Text)Next'============================================================== ====================================CallCRC161(CRC_2())CallCRC16(WriteStr(),K)MSComm1.InBufferCount=0'==========显示发送代码=============================================================== =========================DimmAsIntegerForm=0To23Ifm<=KThenText8(m).Text=Hex(WriteStr(m))ElseText8(m).Text=""EndIfNext'============================================================== ====================================WriteStr(K+1)=LoByteWriteStr(K+2)=HiByte'发送代码Text4.Text=""DimgAsIntegerForg=0ToK+2Text4.Text=Text4.Text+""+Hex(WriteStr(g))Next'读命令发送后,当接收5+SendStr(5)*2个字节时产生中断CmdLenth=5+WriteStr(5)*2MSComm1.RThreshold=CmdLenthMSComm1.Output=WriteStr'发送命令'************************************************************** *************************************************************** ***********'************************************************************** *****************************************************'************************************************************** *************************************************************** ***********'DimsAddrAsString''DimCheckStringAsString'DimCheckCodeAsString'DimCmdCodeAsString'DimSumAsInteger'DimaAsInteger'DimtmpAsString'a=0'tmp=0''''DoWhileLen(tmp)<8''tmp=tmp+MSComm1.Input'testNO.Caption=testNO.Caption+""+Str(Hex(Asc(tmp)))'a=a+1'Ifa>=3000Then'MSComm1.PortOpen=False'ExitFunction'ExitDo'EndIf'Loop'Label33.Caption=tmp'Text16.Text=Len(tmp)'DimnsAsInteger'Forns=1ToLen(tmp)'Label34.Caption=Label34.Caption+"+"+Str(Asc(Mid(tmp,ns,1))) ''Next'Label35.Caption=Str(Val(Asc(Mid(tmp,6,1)))/10)'''tmp=Mid$(tmp,6,4)'''DimstrHexAsString'DimHex2DecAsLong'DimstrTmpAsString'DimlongTmpAsLong'DimlongDecAsLong'DimintLenAsInteger'Dimn1AsInteger''strHex=Right$(tmp,2)+Left$(tmp,2) ''intLen=Len(strHex)'Forn1=1TointLen'strTmp=Mid(strHex,n1,1)'SelectCaseAsc(strTmp)'Case48To57'longTmp=Val(strTmp)'Case65To70'longTmp=Asc(strTmp)-55'CaseElse'Hex2Dec=0''ExitFunction'EndSelect'Text13.Text=Text13.Text+"+"+Str(Asc(strTmp))'longDec=longDec+longTmp*16^(intLen-n1)'Nextn1''Hex2Dec=longDec'Text13.Text=Hex2Dec'************************************************************** *************************************************************** ***********'************************************************************** *****************************************************'************************************************************** *************************************************************** ***********EndSubPrivateSubMSComm1_OnComm()DimNeAsIntegermEventCasecomEvReceiveDimBufferAsVariantMSComm1.InputMode=comInputModeBinaryMSComm1.InputLen=0Buffer=MSComm1.InputForNe=LBound(Buffer)ToUBound(Buffer)Text13.Text=Text13.Text&"+"&Buffer(Ne)Label34.Caption=Buffer(3)&""&Buffer(4)NextNeCaseElseEndSelectBeepEndSubPrivateSubCommand4_Click()EndSubPrivateSubCommand5_Click()Label34.Caption="="EndSubPrivateSubForm_Load()MSComm1.Settings="9600,N,8,1"mPort=1MSComm1.SThreshold=0IfNotMSComm1.PortOpenThenMSComm1.PortOpen=True EndSubPrivateSubTimer1_Timer()'显示<<算法一>>结果Text2.Text=Hex(HiByte)Text3.Text=Hex(LoByte)'显示<<算法二>>结果Text6.Text=Hex(CRC16Hi)Text7.Text=Hex(CRC16Lo)IfText5.Text<>""Then'十进制转十六进制Text10.Text=Hex(Text5.Text)EndIfIfText11.Text<>""Then'十六进制转十进制Text12.Text=Val("&H"&Text11.Text)EndIfText14.Text=MSComm1.OutBufferCountEndSub'==========CRC校验<<算法二>>=========================================================== =============================FunctionCRC161(data()AsByte)AsString'CRC计算函数'DimCRC16LoAsByte,CRC16HiAsByte'CRC寄存器DimCLAsByte,CHAsByte'多项式码&HA001DimSaveHiAsByte,SaveLoAsByteDimIAsIntegerDimFlagAsIntegerCRC16Lo=&HFFCRC16Hi=&HFFCL=&H1CH=&HA0ForI=0ToUBound(data)CRC16Lo=CRC16LoXordata(I)'每一个数据与CRC寄存器进行异或ForFlag=0To7CRC16Hi=CRC16Hi\2'高位右移一位CRC16Lo=CRC16Lo\2'低位右移一位If((SaveHiAnd&H1)=&H1)Then'如果高位字节最后一位为1CRC16Lo=CRC16LoOr&H80'则低位字节右移后前面补1EndIf'否则自动补0If((SaveLoAnd&H1)=&H1)Then'如果LSB为1,则与多项式码进行异或CRC16Hi=CRC16HiXorCHCRC16Lo=CRC16LoXorCLEndIfNextFlagNextIDimReturnData(1)AsByteReturnData(0)=CRC16Hi'CRC高位ReturnData(1)=CRC16Lo'CRC低位asd=Right("00"+Hex(CRC16Lo),2)+Right("00"+Hex(CRC16Hi),2) EndFunctionPrivateSubmscomm_OnComm()EndSub。