汽车起重机起重性能表
- 格式:doc
- 大小:715.45 KB
- 文档页数:16
汽车起重机起重性能表(总16页)
--本页仅作为文档封面,使用时请直接删除即可--
--内页可以根据需求调整合适字体及大小--
20—500t汽车吊额定性能表
20吨汽车吊机额定性能表
1
(注:本表内黑格及黑格以上栏目的数字为吊臂强度所决定,其下面栏目数字为倾翻力矩决定)
25吨汽车起重机起重性能表(副臂)
2
30吨汽车起重机性能表(一)
3
30吨汽车起重机性能表(二)
4
注:1、若副臂在工作位置,但仍用主臂吊装,主臂的起重性能应相应的减去 2、使用副臂吊装时,主臂的角度不得大于45,否则将倾翻
50吨汽车起重机性能表(主表)
5
(注:本表内黑格及黑格以上栏目的数字为吊臂强度所决定,其下面栏目数字为倾翻力矩决定)
50吨汽车起重机性能表(副臂)
6
80吨汽车起重机起重性能表(一)
7
80吨汽车起重机起重性能表(二)
8
120吨汽车起重机起重性能表
150吨汽车起重机性能表(一)
(注:本表内黑格及黑格以上栏目的数字为吊臂强度所决定,其下面栏目数字为倾翻力矩决定)
150吨汽车起重机性能表(二)
(注:本表内黑格及黑格以上栏目的数字为吊臂强度所决定,其下面栏目数字为倾翻力矩决定)
200吨汽车吊性能表
LTM1300/1-300t全液压汽车吊机
TM1500-500t全液压汽车吊机
主臂额定性能表1:支腿开距=10×、旋转角度=360°、标准配重=135t。
LTM1500-500t全液压汽车吊机。
各种吨数汽车吊性能表8吨汽车起重机性能表
20吨汽车吊机额定性能表
25吨汽车起重机起重性能表主臂
注:本表内红字及红字以上栏目的数字为吊臂强度所决定,其下面栏目数字为倾翻力矩决定
25吨汽车起重机起重性能表副臂
30吨汽车起重机性能表一
注:本表内红字及红字以上栏目的数字为吊臂强度所决定,其下面栏目数字为倾翻力矩决定
30吨汽车起重机性能表二
注:1、若副臂在工作位置,但仍用主臂吊装,主臂的起重性能应相应的减去
2、使用副臂吊装时,主臂的角度不得大于45,否则将倾翻
50吨汽车起重机性能表主表
注:本表内红字及红字以上栏目的数字为吊臂强度所决定,其下面栏目数字为倾翻力矩决定50吨汽车起重机性能表副臂
80吨汽车起重机起重性能表一
80吨汽车起重机起重性能表二
120吨汽车起重机起重性能表
150吨汽车起重机性能表一
注:本表内红字及红字以上栏目的数字为吊臂强度所决定,其下面栏目数字为倾翻力矩决定
150吨汽车起重机性能表二
注:本表内红字及红字以上栏目的数字为吊臂强度所决定,其下面栏目数字为倾翻力矩决定。
汽车起重机起重性能表集团标准化办公室:[VV986T-J682P28-JP266L8-68PNN]
20—500t汽车吊额定性能表
20吨汽车吊机额定性能表
(注:本表内黑格及黑格以上栏目的数字为吊臂强度所决定,其下面栏目数字为倾翻力矩决定)
25吨汽车起重机起重性能表(副臂)
30吨汽车起重机性能表(一)
30吨汽车起重机性能表(二)
注:1、若副臂在工作位置,但仍用主臂吊装,主臂的起重性能应相应的减去1.4t?2、使用副臂吊装时,主臂的角度不得大于45,否则将倾翻
50吨汽车起重机性能表(主表)
(注:本表内黑格及黑格以上栏目的数字为吊臂强度所决定,其下面栏目数字为倾翻力矩决定)
50吨汽车起重机性能表(副臂)
80吨汽车起重机起重性能表(一)
80吨汽车起重机起重性能表(二)
120吨汽车起重机起重性能表
150吨汽车起重机性能表(一)
(注:本表内黑格及黑格以上栏目的数字为吊臂强度所决定,其下面栏目数字为倾翻力矩决定)
150吨汽车起重机性能表(二)
(注:本表内黑格及黑格以上栏目的数字为吊臂强度所决定,其下面栏目数字为倾翻力矩决定)
200吨汽车吊性能表
TM1500-500t全液压汽车吊机。
8吨汽车起重机性能表 (1)20吨汽车吊机额定性能表 (2)25吨汽车起重机起重性能表(主臂) (2)30吨汽车起重机性能表(一) (3)50吨汽车起重机性能表(主表) (5)80吨汽车起重机起重性能表(一) (6)100t汽车吊性能表 (8)120吨汽车起重机起重性能表 (8)150吨汽车起重机性能表(一) (9)150吨汽车起重机性能表(二) (10)160t汽车吊性能表 (11)200吨汽车吊车 (11)260吨吊车性能表 (11)LTM1300/1-300t全液压汽车吊机 (11)LTM1500-500t全液压汽车吊机 (12)LTM1500-500t全液压汽车吊机 (13)8吨汽车起重机性能表以下工况仅供参考,实际请与本公司业务员联系!20吨汽车吊机额定性能表以下工况仅供参考,实际请与本公司业务员联系!25吨汽车起重机起重性能表(主臂)以下工况仅供参考,实际请与本公司业务员联系!(注:本表内红字及红字以上栏目的数字为吊臂强度所决定,其下面栏目数字为倾翻力矩决定)25吨汽车起重机起重性能表(副臂)30吨汽车起重机性能表(一)以下工况仅供参考,实际请与本公司业务员联系!(注:本表内红字及红字以上栏目的数字为吊臂强度所决定,其下面栏目数字为倾翻力矩决定) 30吨汽车起重机性能表(二)注:1、若副臂在工作位置,但仍用主臂吊装,主臂的起重性能应相应的减去1.4t2、使用副臂吊装时,主臂的角度不得大于45,否则将倾翻50吨汽车起重机性能表(主表)以下工况仅供参考,实际请与本公司业务员联系!(注:本表内红字及红字以上栏目的数字为吊臂强度所决定,其下面栏目数字为倾翻力矩决定)50吨汽车起重机性能表(副臂)80吨汽车起重机起重性能表(一)以下工况仅供参考,实际请与本公司业务员联系!80吨汽车起重机起重性能表(二)长度最大仰角82°78.6°13.0 5.20 14.6 3.75最大爬坡能力16% 75.2°16.0 4.40 18.2 3.05最小转弯半径15.40% 70.8°20.0 3.60 22.5 2.55最大提升高度58.50m 66.0°24.0 3.00 27.2 2.1080t主吊钩重1t 63.8°26.0 2.7529.1 2.0580t辅助吊钩重0.5t 58.0°30.3 1.50 34.0 1.206t副吊钩重0.25t 55.4°32.0 1.20100t汽车吊性能表120吨汽车起重机起重性能表以下工况仅供参考,实际请与本公司业务员联系!工作半径(m)主臂长度(m)12.612.616.620.624.528.532.536.540.544.548.552.556.03120 111附表二150吨汽车起重机性能表(一)以下工况仅供参考,实际请与本公司业务员联系!(注:本表内红字及红字以上栏目的数字为吊臂强度所决定,其下面栏目数字为倾翻力矩决定) 150吨汽车起重机性能表(二)160t汽车吊性能表200吨汽车吊车260吨吊车性能表LTM1300/1-300t全液压汽车吊机LTM1300/1-300t全液压汽车吊机主臂额定性能表:支腿开距=8.85×8.5m、旋转角度=360°、标准配重=87.5tLTM1500-500t全液压汽车吊机主臂额定性能表1:支腿开距=10×9.6m、旋转角度=360°、标准配重=135t。
汽车吊性能参数表8t 汽车吊性能表1.憎刚 :I .1.作中仲 S.5mi'! It匚作mId. Lim 泞仁 .lift 果花忠和书起升离度Mm 苴亚吊tKr 75KEmmt'P 7i ,记升工度m起近感E Tl 而度m3-3 0 7. 53.4 6.T 0, z 工-1. z IQ. 6 4.9 3.2 12 3.7 ■ i7, 1-1 4.5 3.8 5 3 J LO :[5. e £■1 11.』 -1.3i 氏 54.7 3.4 8.15.7 2.5 9…66.7 1..9 io. a 4.93.2 5. 7 5.4 2.7 7. & fi. 6 1.9 S.S 7, 7 1 4 9.9 京二门4. &6.2 2,2 6.67.5 1.5 7,78.8 1 s.e6.9 1.3 5. & 3.4 L2 出3 9. T0.97. 51.54.2g1 IS 10.50.95.220t 汽车吊性能表回归,八将i Jl i主叶氏度屋1就+电解10.212.58 119717.的L9, 7322.122 ), 521. 5+7. 53.0 2D的斗 必二3.5 17.215.94.0 14.fiH.6 12.0-L5 12.7512. 7 11. 7 10. 55.0 11.6 II. 311.3 9. 75.5 10, 4510109. 18.16.0 9,3993. 5 7; 6 6.97.0 7. 217. 37. 417.26. 76.1 5. 5G.OG.&96. 16. 170.225.95.4 59.0t.13 5. 21 5.255. 3 4.S L 510.0d. 354川3A .484, 52 4.4 A2. 1 12.03. 263.32 3. 3d 5,394.41 1. 7 n.o2. 192. 53 2.562.5S 1. ■!1G.01,91. 941.9<3 1. £1S.01. 45 1. -17 1 20.0,Q忌O-SS 23.00.7S0. 75 24.00.6S27.00. 5拙■长重如30t汽车吊性能表基木用1乳7。
8吨汽车起重机性能表2之迟辟智美创作20吨汽车吊机额定性能表325吨汽车起重机起重性能表(主臂)430吨汽车起重机性能表(一)650吨汽车起重机性能表(主表)880吨汽车起重机起重性能表(一)10100t汽车吊性能表12120吨汽车起重机起重性能表14150吨汽车起重机性能表(一)15150吨汽车起重机性能表(二)16160t汽车吊性能表17200吨汽车吊车18260吨吊车性能表19LTM1300/1-300t全液压汽车吊机20LTM1500-500t全液压汽车吊机23LTM1500-500t全液压汽车吊机248吨汽车起重机性能表以下工况仅供参考,实际请与本公司业务员联系!20吨汽车吊机额定性能表以下工况仅供参考,实际请与本公司业务员联系!25吨汽车起重机起重性能表(主臂)以下工况仅供参考,实际请与本公司业务员联系!(注:本表内红字及红字以上栏目的数字为吊臂强度所决定,其下面栏目数字为倾翻力矩决定)25吨汽车起重机起重性能表(副臂)30吨汽车起重机性能表(一)以下工况仅供参考,实际请与本公司业务员联系!(注:本表内红字及红字以上栏目的数字为吊臂强度所决定,其下面栏目数字为倾翻力矩决定)30吨汽车起重机性能表(二)注:1、若副臂在工作位置,但仍用主臂吊装,主臂的起重性能应相应的减去1.4t 2、使用副臂吊装时,主臂的角度不得年夜于45,否则将倾翻50吨汽车起重机性能表(主表)以下工况仅供参考,实际请与本公司业务员联系!(注:本表内红字及红字以上栏目的数字为吊臂强度所决定,其下面栏目数字为倾翻力矩决定)50吨汽车起重机性能表(副臂)80吨汽车起重机起重性能表(一)以下工况仅供参考,实际请与本公司业务员联系!80吨汽车起重机起重性能表(二)100t汽车吊性能表120吨汽车起重机起重性能表以下工况仅供参考,实际请与本公司业务员联系!150吨汽车起重机性能表(一)以下工况仅供参考,实际请与本公司业务员联系!(注:本表内红字及红字以上栏目的数字为吊臂强度所决定,其下面栏目数字为倾翻力矩决定)150吨汽车起重机性能表(二)200吨汽车吊车LTM1300/1-300t全液压汽车吊机LTM1300/1-300t全液压汽车吊机主臂额定性能表:支腿开距×、旋转角度=360°、标准配重以下工况仅供参考,实际请与本公司业务员联系!LTM1500-500t全液压汽车吊机主臂额定性能表1:支腿开距=10×9.6m、旋转角度=360°、标准配重=135t.以下工况仅供参考,实际请与本公司业务员联系!LTM1500-500t全液压汽车吊机主臂额定性能表2:支腿开距=10×9.6m、旋转角度=360°、标准配重=135t.。
各种吨数汽车吊性能表8吨汽车起重机性能表
20吨汽车吊机额定性能表
25吨汽车起重机起重性能表(主臂)
(注:本表内红字及红字以上栏目的数字为吊臂强度所决定,其下面栏目数字为倾翻力矩决定)
25吨汽车起重机起重性能表(副臂)
30吨汽车起重机性能表(一)
(注:本表内红字及红字以上栏目的数字为吊臂强度所决定,其下面栏目数字为倾翻力矩决定)
30吨汽车起重机性能表(二)
注:1、若副臂在工作位置,但仍用主臂吊装,主臂的起重性能应相应的减去1。
4t
2、使用副臂吊装时,主臂的角度不得大于45,否则将倾翻
50吨汽车起重机性能表(主表)
(注:本表内红字及红字以上栏目的数字为吊臂强度所决定,其下面栏目数字为倾翻力矩决定) 50吨汽车起重机性能表(副臂)
80吨汽车起重机起重性能表(一)
80吨汽车起重机起重性能表(二)
120吨汽车起重机起重性能表
150吨汽车起重机性能表(一)
(注:本表内红字及红字以上栏目的数字为吊臂强度所决定,其下面栏目数字为倾翻力矩决定)
150吨汽车起重机性能表(二)
(注:本表内红字及红字以上栏目的数字为吊臂强度所决定,其下面栏目数字为倾翻力矩决定)。
20—500t汽车吊额定性能表
20吨汽车吊机额定性能表
(注:本表内黑格及黑格以上栏目的数字为吊臂强度所决定,其下面栏目数字为倾翻力矩决定)
25吨汽车起重机起重性能表(副臂)
注:1、若副臂在工作位置,但仍用主臂吊装,主臂的起重性能应相应的减去1.4t
2、使用副臂吊装时,主臂的角度不得大于45,否则将倾翻
50吨汽车起重机性能表(主表)
(注:本表内黑格及黑格以上栏目的数字为吊臂强度所决定,其下面栏目数字为倾翻力矩决定)
50吨汽车起重机性能表(副臂)
80吨汽车起重机起重性能表(一)
80吨汽车起重机起重性能表(二)
120吨汽车起重机起重性能表
150吨汽车起重机性能表(一)
(注:本表内黑格及黑格以上栏目的数字为吊臂强度所决定,其下面栏目数字为倾翻力矩决定)
150吨汽车起重机性能表(二)
(注:本表内黑格及黑格以上栏目的数字为吊臂强度所决定,其下面栏目数字为倾翻力矩决定)
200吨汽车吊性能表
LTM1300/1-300t全液压汽车吊机
TM1500-500t全液压汽车吊机
LTM1500-500t全液压汽车吊机。
8吨汽车起重机性能表 (2)20吨汽车吊机额定性能表 (3)25吨汽车起重机起重性能表(主臂) (4)30吨汽车起重机性能表(一) (5)50吨汽车起重机性能表(主表) (7)80吨汽车起重机起重性能表(一) (9)100t汽车吊性能表 (11)120吨汽车起重机起重性能表 (12)150吨汽车起重机性能表(一) (13)150吨汽车起重机性能表(二) (14)160t汽车吊性能表 (15)200吨汽车吊车 (16)260吨吊车性能表 (17)LTM1300/1-300t全液压汽车吊机 (18)LTM1500-500t全液压汽车吊机 (20)LTM1500-500t全液压汽车吊机 (21)8吨汽车起重机性能表以下工况仅供参考,实际请与本公司业务员联系!20吨汽车吊机额定性能表以下工况仅供参考,实际请与本公司业务员联系!25吨汽车起重机起重性能表(主臂)以下工况仅供参考,实际请与本公司业务员联系!(注:本表内红字及红字以上栏目的数字为吊臂强度所决定,其下面栏目数字为倾翻力矩决定)25吨汽车起重机起重性能表(副臂)30吨汽车起重机性能表(一)以下工况仅供参考,实际请与本公司业务员联系!(注:本表内红字及红字以上栏目的数字为吊臂强度所决定,其下面栏目数字为倾翻力矩决定) 30吨汽车起重机性能表(二)注:1、若副臂在工作位置,但仍用主臂吊装,主臂的起重性能应相应的减去1.4t2、使用副臂吊装时,主臂的角度不得大于45,否则将倾翻50吨汽车起重机性能表(主表)以下工况仅供参考,实际请与本公司业务员联系!(注:本表内红字及红字以上栏目的数字为吊臂强度所决定,其下面栏目数字为倾翻力矩决定)50吨汽车起重机性能表(副臂)80吨汽车起重机起重性能表(一)以下工况仅供参考,实际请与本公司业务员联系!80吨汽车起重机起重性能表(二)100t汽车吊性能表120吨汽车起重机起重性能表以下工况仅供参考,实际请与本公司业务员联系!附表二150吨汽车起重机性能表(一)以下工况仅供参考,实际请与本公司业务员联系!(注:本表内红字及红字以上栏目的数字为吊臂强度所决定,其下面栏目数字为倾翻力矩决定) 150吨汽车起重机性能表(二)41.0 1.244.0 1.0(注:本表内红字及红字以上栏目的数字为吊臂强度所决定,其下面栏目数字为倾翻力矩决定) 160t汽车吊性能表200吨汽车吊车260吨吊车性能表LTM1300/1-300t全液压汽车吊机LTM1300/1-300t全液压汽车吊机主臂额定性能表:支腿开距=8.85×8.5m、旋转角度=360°、标准配重=87.5tLTM1500-500t全液压汽车吊机主臂额定性能表1:支腿开距=10×9.6m、旋转角度=360°、标准配重=135t。
500吨汽车吊塔式工况及带超起装置时的性能表注同一单元格内标注两组数字的,下方数字为带超起装置时的起重吨位。
2、塔式工况的28m、42m、56m杆已省略。
LTM1500型汽车吊基本臂及带超起装置性能表(500t)注:1、同一单元格内标注两组数字的,下方数字为带超起装置的起重吨位。
2、外形尺寸21.6×3×4(m),作业半径10×9.6(m),后回转6.6(m)LTM1500型全路面汽车吊HC810型汽车吊起重性能表(330t)HC810型起重机外形尺寸AC615型汽车吊起重性能表(225t)说明:1、主臂伸缩长度50米、附加臂20米、摆动臂51米;2、最大起升高度101米、作业幅度62米;3、最大起重能力180吨;AC615型汽车吊AC615型汽车吊副臂HC340型汽车吊起重性能表(120t)HC340型汽车吊NK—800型汽车起重机性能表基本臂(80t)注:1、在吊车安放在牢固坚实平整的土地上,表列额定起重能力是有保证的,额定起重能力包括吊钩及其它起重装置的重量。
2、使用承力支架的额定起重能力,是承力支架全部伸长,使吊车放在土地上,在左右两侧及后部的起重区域。
(除车头正前方向120°外的区域)3、如果用主臂外臂起吊,则必须在列表起重能力中减去2.7t以及其它起重设备重量。
4、各个不同的吊臂、能使吊车翻倒的吊臂角度,列表如下,实际操作时,不许将吊臂角度小于表5、钢丝绳每根荷重不可超过 6.7t,可以决定钢丝绳的最小根数。
各种不同长度吊臂所需的钢丝绳根数如下表:(倍率)单位:t注:1、倾翻力矩为稳定力矩的1.4倍;2、表中起重量所对应的工作幅度值为起吊后的数据。
QY30汽车起重机主臂额定起重量(30t)注:1、如果用前支腿时,“侧方,后方区域”栏的额定总起重量能适用于“前方区域”。
2、额定总起重量包括吊钩重量(30t主钩为350kg,3t副钩为60kg)以及绑重物用钢丝和其它吊具的重量。
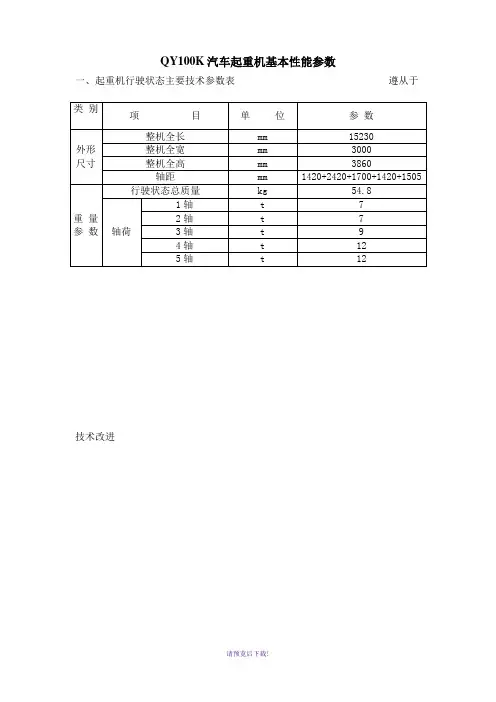
汽车起重机起重机主要起重性能表3.1、QY100K汽车起重机主臂起重性能表(19.2t平衡重)单位:吨3.2、QY100K汽车起重机主臂起重性能表(8.3t平衡重)单位:吨3.4、QY100K汽车起重机主臂起重性能表(0t平衡重)单位:吨4、QY100K汽车起重机副臂起重性能表4.1、QY100K汽车起重机副臂起重性能表(19.2t平衡重)单位:吨4.2、QY100K汽车起重机副臂起重性能表(8.3t平衡重)单位:吨3、QY110K汽车起重机起重机主要起重性能表平衡重32t,全伸支腿360°作业主臂长度m幅度m12.8 17 17 17 21.1 21.1 21.1 25.3 25.3 25.33 110.0 91.0 86.0 62.03.5 106.0 87.0 86.0 62.04 97.0 85.0 82.0 62.0 80.5 78.4 57.5 58.0 55.7 65.0 4.5 89.0 81.0 74.0 60.0 74.7 74.4 54.7 56.0 52.2 64.03.1、QY110K主臂起重性能表(平衡重32t、全伸支腿、360°作业)续3.2、QY110K主臂起重性能表(平衡重0t、全伸支腿、360°作业)3.2、QY110K主臂起重性能表(平衡重0t、全伸支腿、360°作业)续3.2、QY110K主臂起重性能表(平衡重0t、全伸支腿、360°作业)续3.3、QY110K副起重臂性能表(32t平衡重,全伸支腿,副起重臂臂长10.6m)3.4、QY110K副起重臂性能表(32t平衡重,全伸支腿,副起重臂臂长18.1m)4、QY110K起升高度曲线3、QY130K汽车起重机起升性能表平衡重38 t , 全伸支腿 360°作业幅度m 主臂长度 m3.1、QY130K主臂起重性能表(平衡重 38 t, 全伸支腿 , 360°作业)续3.3、QY130K副起重臂起重性能表(平衡重38 t, 副臂11.55m,0度角)3.4、QY130K副起重臂起重性能表(平衡重38 t, 副臂20m,0度角)4、起升高度曲线3、QAY160全地面起重机起重性能表幅度m臂长m13.617.8722.1426.4130.6834.9439.2143.4847.7552.0256.29603 1603.5 124 1164 115 108 98 834.5 105 100 92 79 65.53.3、QAY160副起重臂起重性能表(45T配重、支腿全伸8.7m)支腿全伸、1节8m加长节)3.4、QAY160选装加长副臂起重性能表(4、QAY160起升高度曲线3、QAY180全地面起重机起重性能表3.1、QAY180主臂起重性能表(平衡重64吨,支腿跨距8.3米)幅度13.2 17.7 17.7 22.2 22.2 22.2 26.7 26.7 26.7 31.2 31.2 31.2 35.7 35.735.7 3 *1803.5 135.0120.076.04 122.0116.073.0115.0109.052.04.5 115.0108.070.0105.0102.049.595.094.052.05 109.0101.067.0101.096.046.792.091.049.877.076.049.03.1、QAY180主臂起重性能表(平衡重64吨,支腿跨距8.3米)(续)3.2、QAY180主臂起重性能表(平衡重0吨,支腿跨距8.3米)3.2、QAY180主臂起重性能表(平衡重0吨,支腿跨距8.3米)(续)3.3、QAY180副臂起重性能表(副臂长度11.55米平衡重64吨,支腿跨距8.3米)3.4、QAY180副臂起重性能表(副臂长度20米平衡重64吨,支腿跨距8.3米)3.5、QAY180选装1节8米副臂起重性能表(副臂28米平衡重64吨,支腿8.3米)4、QAY180作业范围图3、QAY200全地面起重机起重性能表臂长(m)13.8 18.1 22.5 26.8 31.2 35.5 39.9 44.2 48.5 52.9 57.2 61 幅度(m)3 2003.5 185 1204 170 118 115 984.5 153.6 115 112 95 785 138.2 110 104.5 91 75 613.3、QAY200副臂起重性能表(65t平衡重、支腿全伸8.7m,副臂长11.55m)3.4、 QAY200副臂起重性能表(65t平衡重、支腿全伸8.7m,副臂长20m)3.5、 QAY200副臂起重性能表(65t平衡重、支腿全伸8.7m,副臂长28m(选装1节8m加长节)3.6、 QAY200副臂起重性能表(65t平衡重、支腿全伸8.7m,副臂长36m(选装2节8m加长节)6 46/46/92 46/46/92 46/92 92 1004、QAY200起升高度曲线图4.1、QAY200起升高度曲线4.2、QAY200选装加长副臂(2×8m)起升高度曲线3、QAY220全地面起重性能参数臂长幅度13.6 18.2 18.2 18.2 22.9 22.9 22.9 27.5 27.5 27.5 32.1 32.1 32.1 36.8 36.8 36.83 220*3.5 160 150 145 1254 145 140 140 117.5 115 130 1104.5 135 130 130 110.5 108.5 122.5 104.5 103.5 115 1035 125 125 120 104.4 102 115.5 99.5 98 110 98 89 95 64.53.1、QAY220主臂起重性能表(支腿全伸8.7米,配重65吨)(续)。
25吨汽车起重机起重性能表(主臂)工作半径(m)吊臂长度(m)10.213.7517.320.8524.427.9531.532517.53.520.617.512.29.541817.512.29.54.516.315.312.29.57.5514.514.412.29.57.55.513.513.212.29.57.57612.312.211.39.27.57 5.1 6.511.21110.58.87.57 5.1 710.2109.88.57.27 5.1 7.59.49.29.18.1 6.8 6.7 5.1 88.68.48.47.8 6.6 6.4 5.1 8.587.97.87.4 6.37.25 97.27 6.86 6.1 4.8 106 5.8 5.6 5.6 5.3 4.4 124 4.1 4.1 4.2 3.9 3.7 14 2.93 3.1 2.93 16 2.2 2.3 2.2 2.3 18 1.6 1.8 1.7 1.7 20 1.3 1.3 1.3 2210.91 240.70.8 260.50.5280.4 290.3 30(注:本表内红字及红字以上栏目的数字为吊臂强度所决定,其下面栏目数字为倾翻力矩决定)25吨汽车起重机起重性能表(副臂)主臂主角7.5副臂副臂倾角5度副臂倾角30度80度 2.5 1.25 75度 2.5 1.25 70度 2.05 1.15 65度 1.75 1.1 60度 1.55 1.05 55度 1.3 1.0 50度 1.050.830吨汽车起重机性能表(一)主要技术参数 主臂起重性能工作半径(m )支腿全伸不用支腿 名称 参数 10.00m 17.00m 24.00m31.00m10.00m 全车总重 32.2t 3.00 30.00 20.00 8.00 最大爬坡能力 31% 3.35 30.00 20.00 7.00 最大提升高度 34.00m 3.50 28.10 20.00 6.40 吊臂全伸时长度 31.00m 4.00 24.20 20.005.10 吊臂全缩时长度 10.00m 4.50 21.40 20.00 13.00 4.20 最小转弯半径 11.50m 4.8 20.00 20.00 13.00 3.70 最大仰角80°5.019.2019.2013.003.4030t吊钩重0.35t 5.517.5017.5013.00 2.80 12t吊钩重0.20t 6.016.0016.0013.00 2.304t吊钩重0.10t 6.514.6014.6013.009.00 1.90 10m吊臂时钢丝绳数8根7.013.5013.5012.009.00 1.60 10-17m时钢丝绳数5根7.512.0012.0011.209.00 1.30 24m时钢丝绳数4根8.010.5010.5010.509.00 1.0031m时钢丝绳数3根8.59.409.409.009.87.207.207.7010.0 6.95 6.957.5011.0 5.80 5.80 6.4012.0 4.90 4.90 5.5514.0 3.45 3.45 4.2016.0 2.50 3.2018.0 1.80 2.4520.0 1.30 1.9022.00.85 1.5024.0 1.1026.00.7527.00.65(注:本表内红字及红字以上栏目的数字为吊臂强度所决定,其下面栏目数字为倾翻力矩决定)30吨汽车起重机性能表(二)吊臂角度工作半径使用8.45m 副臂倾角5°吊臂角度工作半径使用13.5m副臂倾角5°80°7.9 4.0080°9.3 2.5078.5°9.5 4.0077°12.0 2.5078°10.2 3.8076°12.7 2.3576°11.2 3.3074°14.1 2.1074°12.2 2.9072°15.6 1.9572°13.4 2.7070°17.1 1.8070°14.6 2.5068°18.5 1.6568°16.0 2.3566°19.9 1.5066°17.3 2.2064°21.3 1.4064°18.5 2.1062°22.7 1.3062°19.8 2.0560°24.0 1.2060°20.7 1.8558°25.3 1.15 58°21.9 1.6555°27.1 1.05 55°23.6 1.3054°27.70.95 54°24.1 1.1552°28.80.80 52°25.00.9550°29.90.65 50°25.80.7548°30.90.5548°26.80.60注:1、若副臂在工作位置,但仍用主臂吊装,主臂的起重性能应相应的减去1.4t2、使用副臂吊装时,主臂的角度不得大于45,否则将倾翻50吨汽车起重机性能表(主表)不支第五支腿,吊臂位于起重机前方或后方;支起第五支腿,吊臂位于侧方、后方、前方工作半径(m)主臂长度(m)10.7018.0025.4032.7540.103.050.003.543.004.038.00 4.534.005.030.0024.705.528.0023.506.024.0022.2016.306.521.0020.0015.007.018.5018.0014.1010.208.014.5014.0012.409.207.509.011.5011.2011.108.30 6.5010.09.2010.007.50 6.00 12.0 6.407.50 6.80 5.20 14.0 5.10 5.70 4.60 16.0 4.00 4.70 3.90 18.0 3.10 3.70 3.30 20.0 2.20 2.90 2.90 22.0 1.60 2.30 2.40 24.0 1.80 2.0026.0 1.40 1.50 28.0 1.20 30.00.90各臂伸缩率(%)二0100100100100三003366100四003366100五003366100钢丝绳倍率128543吊钩重量0.5150.215(注:本表内红字及红字以上栏目的数字为吊臂强度所决定,其下面栏目数字为倾翻力矩决定)50吨汽车起重机性能表(副臂)吊臂位于起重机侧方或后方主臂仰角(°)吊臂长度(m)40.10+5.10主臂+副臂40.10+9.00主臂+副臂40.10+16.10主臂+副臂0°20°0°20°0°20°78 4.0 3.6 3.2 1.9 1.50.8 75 3.8 3.2 3.0 1.8 1.30.8 72 3.2 2.9 2.8 1.7 1.20.7 70 3.0 2.5 2.5 1.6 1.20.6 65 2.5 2.0 2.0 1.4 1.10.5 60 1.9 1.6 1.5 1.00.80.5 55 1.40.8 1.00.60.60.4各节臂伸缩率(%) 二100三四五钢丝绳倍率1吊钩重量0.180吨汽车起重机起重性能表(一)主臂起重性能表工作半径(m)吊臂长度(支腿全伸)吊臂长度(不伸支腿) 12.0m18.0m24.0m30.0m36.0m40.0m44.0m12.0m2.580.045.015.03.080.045.035.015.03.580.045.035.015.04.070.045.035.011.74.562.045.035.027.09.55.056.040.032.027.08.05.550.037.029.227.022.06.86.045.034.327.225.022.0 5.86.539.431.525.323.222.018.0 5.07.035.629.123.721.520.318.0 4.38.027.825.421.018.817.715.712.0 3.29.520.820.817.815.714.613.212.0 2.010.019.219.217.015.013.812.611.4 1.711.016.515.613.512.411.410.411.814.714.712.611.410.69.712.014.214.212.411.210.49.513.012.512.511.310.29.38.814.610.010.010.09.08.57.815.09.49.49.48.78.27.616.08.18.18.17.77.117.8 6.2 6.2 6.2 6.8 6.320.0 4.5 4.5 4.5 5.1 5.622.0 3.4 3.4 4.0 4.423.0 3.0 3.0 3.5 3.926.0 1.7 2.2 2.6 27.0 1.9 2.2 28.0 1.6 1.9 30.0 1.0 1.3 31.01.180吨汽车起重机起重性能表(二)主要技术参数 副臂起重性能主臂仰角支腿全伸在两侧或后部吊装名称 参数 44m 主臂+9.5m 副臂5°夹角 44m 主臂+15m 副臂5°夹角 工作半径(m)起重性能(t)工作半径(m)起重性能(t)全车总重 63.00t 81.3° 10.0 6.00 11.5 4.00 主臂全伸时长度 44.00m 80.4° 11.0 6.00 12.6 4.00 主臂全缩时长度12.00m 80.1° 11.3 5.90 13.0 4.00 最大仰角 82° 78.6° 13.0 5.20 14.6 3.75 最大爬坡能力 16% 75.2° 16.0 4.40 18.2 3.05 最小转弯半径15.40%70.8°20.03.6022.52.55最大提升高度58.50m66.0°24.0 3.0027.2 2.10 80t主吊钩重1t63.8°26.0 2.7529.1 2.05 80t辅助吊钩重0.5t58.0°30.3 1.5034.0 1.20 6t副吊钩重0.25t55.4°32.0 1.20附表1 120吨汽车起重机起重性能表工作半径(m)主臂长度(m)12.612.616.620.624.528.532.536.540.544.548.552.556.031201113.510710292495948881694.58682756657976706251666666255494075656554944.5383223.6848.54847444038.53222.120.194241.540.54036.532.529.821.319.915.8103736.535.535.533.530.527.921.319.715.814.912.6 1229.12828.927.826.224.521.318.715.814.511.8 1424.822.723.522.522.521.618.916.81513.311.1 1618.319.418.41919.116.915.113.612.210.3 1815.815.815.216.816.31513.512.311.19.6 2013.213.814.114.213.412.211.110.28.9 2211.512.412.212.111.710.910.19.48.32410.710.510.4109.99.28.67.7 269.39.298.58.68.387.2 28887.37.47.67.4 6.7 3077.2 6.5 6.3 6.5 6.9 6.3 32 6.36 5.66 6.1 5.8 34 5.5 5.6 5.2 5.6 5.3 5.2 36 5.1 4.8 5.1 4.5 4.5 38 4.7 4.5 4.44 3.9 40 4.24 3.5 3.7 42 3.9 3.6 3.2 3.5 44 3.2 2.8 2.7 46 2.6 2.4 2.7 4822 50 1.7 1.752 1.4 54 1.2130吨汽车起重机起重性能表工作半径(m)主臂长度(m)12.612.616.6 20.624.5 28.532.536.5 40.5 44.5 48.5 52.5 56.031321223.511711210241051039789764.59590837358784776856673726860544476262615448.5423526853535248.544393524.322.194645.5454440363323.521.917.41040.54039393733.530.523.521.717.416.413.9 1232313229.728.826.923.520.617.215.913.0 1427.324.925.823.623.423.720.818.516.514.612.2 1620.521.219.220.920.018.516.615.013.411.3 1817.517.816.8 17.717.416.414.913.512.210.5 2014.915.115.214.914.013.412.311.29.8 2213.013.813.412.912.011.911.110.39.12412.111.711.310.410.310.19.58.5 2610.510.19.79.09.09.28.87.9 288.98.87.87.78.08.17.4 307.87.87.2 6.77.27.4 6.9 32 6.8 6.6 6.1 6.6 6.5 6.4 34 6.1 6.2 5.7 6.1 5.6 5.5 36 5.5 5.3 5.3 4.9 4.8 38 5.2 4.9 4.7 4.3 4.2 40 4.6 4.2 3.8 3.7 42 4.2 3.8 3.3 3.3 44 3.4 2.9 2.9 46 3.1 2.6 2.5 48 2.3 2.2 50 1.9 1.952 1.6 54 1.3150吨汽车起重机性能表(一)主臂360° 75%起重性能工作半径(m)吊臂长度(m)13.917.721.325.028.732.336.039.643.152.83.01403.6126.965.264.44.0122.965.163.74.5108.965.163.956.55.099.865.161.455.46.080.365.056.651.746.640.87.068.962.053.347.243.937.833.131.58.058.757.148.144.630.034.431.930.29.049.449.244.941.235.831.929.827.227.010.042.041.941.635.733.829.527.225.424.812.029.829.829.227.724.623.321.821.317.6 14.021.621.621.621.621.420.419.517.416.0 16.016.316.316.316.316.316.315.213.718.012.612.612.612.612.612.612.612.219.09.79.79.79.79.79.710.723.0 6.7 6.7 6.7 6.7 6.79.126.0 4.6 4.6 4.6 4.6 4.6 6.829.0 3.0 3.0 3.0 3.0 4.535.0 1.7 1.7 1.7 3.038.00.50.5 1.841.00.9 (注:本表内红字及红字以上栏目的数字为吊臂强度所决定,其下面栏目数字为倾翻力矩决定)150吨汽车起重机性能表(二)吊臂回转至后部及两侧时吊装性能工作半径(m)吊臂长度(m)13.917.721.325.028.732.336.039.643.152.83.0140.03.6131.365.964.44.0122.665.063.74.5109.265.063.756.65.0100.264.961.255.46.080.364.956.551.746.641.27.068.962.052.547.243.937.833.131.58.058.757.148.144.639.034.431.930.39.049.549.344.840.935.831.929.527.127.510.043.041.941.635.633.429.627.425.324.912.031.931.931.327.724.622.622.021.317.614.024.624.624.624.621.420.319.318.215.916.018.518.518.518.417.516.815.413.718.014.714.714.714.714.714.412.512.020.011.811.811.811.811.811.410.623.08.58.58.58.58.59.026.0 6.2 6.2 6.2 6.2 6.27.629.0 4.4 4.3 4.2 4.2 6.132.0 2.9 2.9 2.1 4.335.0 1.7 1.7 2.838.00.3 2.041.0 1.244.0 1.0 (注:本表内红字及红字以上栏目的数字为吊臂强度所决定,其下面栏目数字为倾翻力矩决定)200吨汽车起重机起重性能表(一)主臂起重性能(支腿全伸、360°回转、30t配重伸出)工作半径(m)15.3m26.9m(1) 26.9m(2)38.4m44.2m50.0m 75%85%75%85%75%85%75%85%75%85%75%85%2.7200*220*3.0180*198*3.5162178*4.014415810011070775.0117129909965726.0981088088616750557.083917380576348538.0727966735459465138429.06369616751564347.53639.510.058645662485341453437.53033 12.04651434737.54130332831 14.037.54139433437.52729.52527.5 16.030.533..53538.529.532.524.5272325.3 18.025.528303326.52922.524.820.522.5 20.020.522.525.527.523.52620.522.51920.5 22.01617.6212320.522.51920.917.519.2 24.01718.717.519.215.51726.014.215.615.917.514.115.528.011.81313.514.812.71430.09.710.711.412.511.412.532.08.08.89.610.69.810.834.08.18.98.39.136.0 6.87.57.07.738.0 5.6 6.2 5.8 6.440.0 4.8 5.342.0 3.8 4.244.0 3.0 3.3注:数值后有*号表示没有其它附加设备26.9m(1)表示主臂第一节全伸,二、三节不伸26.9m(2)表示1-3节臂每节伸出1/3200吨汽车起重机起重性能表(二)主臂起重性能(支腿全伸、360°回转、30t配重不伸出)工作半径(m)15.3m26.9m(1) 26.9m(2)38.4m44.2m50.0m 75%85%75%85%75%85%75%85%75%85%75%85%3.01451603.51401544.013014310011070775.0105115909965726.087968088616750557.075836774576347528.0586455605459455058429.04651434749544246343710.0384235384044394332353033 12.025272932283128312831 14.01718.721.523.621232224212316.01112.116.217.814.916.41617.615.216.7 18.077.711.81310.711.811.81311.212.3 20.0 3.7 4.18.59.47.88.69.310.28.99.8 22.02 2.2 6.0 6.6 5.3 5.87.17.8 6.77.4 24.0 3.3 3.6 5.1 5.6 5.0 5.5 26.0 1.6 1.8 3.4 3.7 3.6 4.0 28.0 2.0 2.2 2.2 2.4 30.0 1.0 1.1。
实用文档
20—500t汽车吊额定性能表
20吨汽车吊机额定性能表
(注:本表内黑格及黑格以上栏目的数字为吊臂强度所决定,其下面栏目数字为倾翻力矩决定)
25吨汽车起重机起重性能表(副臂)
注:1、若副臂在工作位置,但仍用主臂吊装,主臂的起重性能应相应的减去1.4t
2、使用副臂吊装时,主臂的角度不得大于45,否则将倾翻
(注:本表内黑格及黑格以上栏目的数字为吊臂强度所决定,其下面栏目数字为倾翻力矩决定)
120吨汽车起重机起重性能表
(注:本表内黑格及黑格以上栏目的数字为吊臂强度所决定,其下面栏目数字为倾翻力矩决定)
(注:本表内黑格及黑格以上栏目的数字为吊臂强度所决定,其下面栏目数字为倾翻力矩决定)
200吨汽车吊性能表
LTM1300/1-300t全液压汽车吊机
支腿开距=8.85×8.5m、旋转角度=360°、标准配重=87.5t
TM1500-500t全液压汽车吊机
LTM1500-500t全液压汽车吊机
主臂额定性能表2:支腿开距=10×9.6m、旋转角度=360°、标准配重=135t。