哈尔滨理工大学成人继续教育学院机械系统设计复习题
- 格式:docx
- 大小:29.47 KB
- 文档页数:5
一、填空与选择填空题:(每空2分, 共15分)1、用于联接的螺纹是(三角形),其原因是(自锁性好):2、受轴向工作载荷F作用的紧螺栓联接,螺栓和被联接件的刚度分别为C1和CF为();2,其预紧力为'F,则剩余预紧力''3、形成流体动压润滑的必要条件是(相对运动的两表面间必须形成楔形间隙)、(两表面要有相对运动)和(润滑油有一定黏度且供油充足);4、直齿圆锥齿轮的强度可近似按(齿宽中点处的当量直齿轮)强度进行计算;5、阿基米德蜗杆传动在(中间截面)面上的模数m和压力角取α取标准;在该平面内,蜗杆与蜗轮的啮合相当于(梯形齿条)与(渐开线齿轮)的啮合;6、键的剖面尺寸是由(轴径)确定的,而键长是由(轮毂宽)确定的;7、滚动轴承的基本额定动负荷C是指(基本额定寿命为一百万转时轴承能承受的最大载荷);8、闭式软齿面齿轮传动一般按(B)设计,按(A)校核。
A.齿根弯曲疲劳强度B.齿面接触疲劳强度C.齿面磨损D.齿面胶合9、标注螺纹时( A );A.右旋螺纹不必注明B.左旋螺纹不必注明C.左、右旋螺纹都必须注明D.左、右旋螺纹都不必注明10、对齿面硬度≤350HBS的一对齿轮传动,选取齿面硬度时应使(C);A.小齿轮齿面硬度<大齿轮齿面硬度B.小齿轮齿面硬度=大齿轮齿面硬度C.小齿轮齿面硬度>大齿轮齿面硬度D.小齿轮齿面硬度≤大齿轮齿面硬度11、齿轮弯曲强度计算中的齿形系数与( A )无关。
A.模数mB.齿数zC.压力角αD.变位系数x12、一齿轮传动装置如图所示,轮2主动,轮1与轮3从动,则轮2的齿面接触应力按()_而变化,齿根弯曲应力按()而变化。
A.对称循环B.脉动循环C.不对称循环D.以上三种都不对3、试写出轴承代号7416E/p4的意义。
(本小题4分)4、说明闭式蜗杆传动的主要实效形式及设计准则。
(本小题4分)三、计算题(共30分):1.图示托架受铅垂力F (N ),托架与托体之间的摩擦系数为µs,,可靠系数K f =1,螺栓与被联接件的相对刚度为0.2,螺栓材料的许用应力为[σ],按步骤列出螺栓根径d 1的计算式。
机械制造装备设计练习题A一、填空题1.机床的运动按运动的关系分类可分为运动和运动两类。
2.任何一个表面都可以看成是一条曲(或直)线沿着另一条曲(或直)线运动的轨迹,这两条曲(或直)线称为该表面的,其中前者称为,后者称为。
3.在选用公比时,对于专用机床、专门化机床及自动机床,一般取0值为和;对于非自动化小型机床,一般取0值为、或。
4.设计机床进给传动系统时,可限制福法, ,故进给传动变速组的最大变速范围RaM。
5.扩大主变速传动系统变速范围的四种方法包括、、和 o6.滚珠丝杠两端的支承方式有、和三种。
7.机床导轨常用的材料主要有、、、__________ 四种。
8.机床夹具通常由、、、、和等六部分基本组成。
二、判断题1.机械制造装备可分为加工装备、工艺装备、仓储传送装备和辅助装备四大类。
()2.产品制造时所用的各种机床、刀具、模具、夹具等工具,总称为工艺装备。
()3.任何一个表面都可以看成是一条导线沿着另一条母线运动的轨迹。
()。
4.机床的成形运动可分为主运动和进给运动。
()5.卧式车床在车削加工时,工件的回转运动为机床的主运动。
()6.外圆磨床在磨削加工时,工件的回转运动为机床的主运动。
()7.机床主参数是代表机床规格大小及反映机床最大工作能力的一种参数。
()8.机床的尺寸参数是指在机床上所能加工的工件最大尺寸。
()9.公比0值小则意味着相对转速损失少,当变速范围一定时变速级数将减少,变速箱的结构简单。
()10.公比0值大则意味着相对转速损失大,当变速范围一定时变速级数将减少, 变速箱的结构简单。
()三、单项选择题1.在机械制造装备中,电火花加工机床应属于()。
a.加工装备;b.工艺装备;c.仓储传送装备;d.辅助装备2.产品制造时所用的下列设备及工具中,()不属于工艺装备。
a.砂轮;b.组合测量仪;c.台式钻床;d.三爪卡盘3.在机械制造装备产品中,()只占一小部分。
a.变型产品;b,创新产品;c.组合产品;d.模块化产品4.机床上用来完成工件表面的加工所必需的最基本的运动是()。
哈工大2021年秋季学期机械设计基础试题及答案哈工大2021年秋季学期班级姓名七八九十总分机械设计基础(80学时)试题答案题号分数一二三四五六一、填空题:(每空1分,计32分)1. 按表面间摩擦状态不同,滑动轴承可分为液体摩擦滑动轴承和非液体摩擦滑动轴承 2. 普通螺栓连接的凸缘联轴器是通过摩擦力矩传递转矩的;铰制孔螺栓连接的凸缘联轴器是通过剪切与挤压传递转矩的。
3. 三角形螺纹的牙型角为60度,因其具有较好的自锁性能,所以通常用于连接。
4. 滑动轴承轴瓦上浇铸轴承衬的目的是提高轴瓦的减磨耐磨性能写出一种常用轴承衬材料的名称轴承合金。
5. 普通平键的工作面是两侧面,其主要失效形式为平键被压溃,其剖面尺寸b*h是根据轴的直径来选择的。
6. 轮齿折断一般发生在齿根部位,为防止轮齿折断,应进行齿根弯曲疲劳强度计算。
7. 滚动轴承的基本额定寿命是指一批轴承,在相同运转条件下,其中 90 %的轴承不发生疲劳点蚀前所运转的总转数。
8. 按工作原理不同,螺纹连接的防松方法有摩擦防松、机械防松和破坏螺纹副防松。
9.转速与当量动载荷一定的球轴承,若基本额定动载荷增加一倍,其寿命为原来寿命的 8 倍。
10.蜗杆传动中,蜗杆分度圆柱上的螺旋线升角应等于蜗轮分度圆上的螺旋角,且两螺旋线方向应相同。
11.机构具有确定运动的条件是(1)机构自由度大于零(2)原动件数等于自由度数。
12.曲柄摇杆机构中,当曲柄与机架处于两次共线位置之一时,出现最小传动角。
13.圆柱螺旋弹簧的特性线是表示弹簧受力与变形之间的关系曲线;弹簧受轴向工作载荷时,其簧丝横截面上的应力最大点在簧丝内侧点;第 1 页共 5 页弹簧指数是弹簧设计中的一个重要参数,其表达式为C=D。
d14.在凸轮机构四种常用的推杆运动规律中,匀速运动规律有刚性冲击;等加速等减速运动规律和余弦运动规律有柔性冲击;正弦运动规律无冲击。
二.问答题:(每题5分,共15分)1.试述摩擦型带传动工作中为什么会产生弹性滑动现象?写出滑动率计算式。
哈工大 2006 年 秋 季学期机械设计 试 题题号 一 二 三 四 五 六 七 八 九 十 总分 分数班号 姓名一 选择填空题 (每空一分共20分)1在常用的螺纹连接中,自锁性能最好的螺纹是 普通螺纹 ,其牙型角60α=o 。
2普通平键连接工作时,平键的工作面是 侧面,平键的剖面尺寸b h ⨯按轴径 从标准中查取。
平键连接主要失效形式是 压溃 。
3带传动中,若1υ为主动轮圆周速度,2υ为从动轮圆周速度,υ为带速,则这些速度之间存在的关系是 12υυυ>> 。
4 V 带传动中,V 带截面楔角40ϕ=o ,则V 带轮的轮槽角φ0应 < 40o 。
5在设计V 带传动时,V 带的型号可根据 计算功率 和 小带轮转速 查选型图确定。
6对于一对材料相同的钢制软齿面齿轮传动,为使大小齿轮接近等强度,常用的热处理方法是小齿轮 调质 ,大齿轮 正火 。
7根据轴的承载情况,自行车的前轴承受弯矩作用应称为 心 轴。
中间轴应称为 转 轴。
8代号为6206的滚动轴承,其类型是 深沟球轴承,内径d= 30 mm 。
9温度和压力是影响粘度的主要因素,若温度升高,则 粘度降低(或减少) , 若压力升高,则 粘度增加(或变大)。
10 在下列联轴器中,能补偿两轴的相对位移以及可缓冲吸振的是 D 。
A 凸缘联轴器 B 齿式联轴器 C 万向联轴器 D 弹性柱销轴器11在蜗杆传动中,规定蜗杆分度圆直径的目的是 减少蜗轮滚刀的数量,利于刀具标准化。
12普通平键连接工作时,平键的工作面是 侧面。
二 简答题(共5题,每题6分)1 简述齿轮传动的失效形式和开式齿轮传动的设计准则答:失效形式包括: 轮齿折断(1分)、齿面疲劳点蚀(1分)、齿面磨损(1分)、齿面胶合(1分)、轮齿塑性变形(1分)。
开式齿轮传动的设计准则:按齿根弯曲疲劳强度进行设计,然后考虑磨损的影响将模数适当加大。
(1分)2 以框图形式说明转轴的设计过程。
哈工大机械系统设计课后习题解答第一章1.机械工程科学研究的内容包括几大分学科?各学科之间相互关系又怎样?机械工程科学研究的内容包括机械学和机械制造学两大分学科。
机械学:对机械进行功能综合并定量描述及控制其性能的基础技术科学。
机械制造学:研究机械制造系统及过程手段的科学。
设计和制造是两个不可分割的统一体,设计为核心,制造为基础,二者缺一不可。
反之可出现:用先进的设计技术设计出”质量很差的先进产品,或用先进的制造技术生产出”落后的高质量产品”,因此两者不能偏废.2.什么是系统?系统有和特性?具有特定功能的、相互间具有一定联系的许多要素构成的一个整体,即由两个或两个以上的要素组成的具有一定结构和特定功能的整体。
系统具有以下特性:目的性:完成特定功能是系统存在的目的,人类不论设计和种产品,都要求此产品必须达到预期的特定功能。
相关性与整体性:相关性即系统是由两个或两个以上要素构成,而每个要素之间都是有机地并以特定的关系联系在一起,当一个要素改变时就会影响与此相关的其他要素;整体性即一个系统整体功能的实现,并不是某个要素单独作用的结果。
环境的适应性:任何一个系统都存在与一定的环境之中,为使系统运行良好并完成特定功能,必须使其对外部环境的各种变化和干扰有良好的适应性。
3.什么是机械系统?机械系统有几大部分组成?机械系统在产品中的地位与作用?机械系统由若干个机器与机构及其附属装置组成的;由质量、刚度和阻尼各元素所组成的系统。
从系统所能完成的功能来分,机械系统由动力系统、执行系统、传动系统、操纵控制系统、支承系统和润滑、冷却密封系统组成。
机械系统无处不在,但在设计时,可根据所设计的产品功能来决定子程序的取舍。
机械系统是基础,只要掌握了它并结合不同产业的特点,就可以设计出不同行业的设备。
4在设计机械系统时,为什么特别强调和重视从系统的观点出发?机械设计的最终目的是为市场提供优质高效、价廉物美的机械产品,在市场竞争中取得优势,赢得用户,取得良好的经济效益。
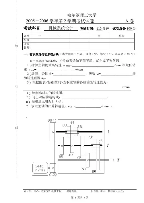
考试科目: 机械系统设计 考试时间:110分钟 试卷总分100分题号一二三四总分 得分 评卷教师一、有级变速传动系统分析(本大题共7小题,内含8空,每空2分,本题总计25分) 有一台单轴自动车床,其传动系统如下图所示,试完成下列问题:1 )计算主轴的最高转速 n max =_________________________r/min 和最低转速 n min =_______________________r/min ;2 )计算:公比φ=___________________,级数Z =___________________级和转速范围R n =_______________________;3 ) 根据附表<标准数列>查取主轴的各级输出转速值为:r/min 4 ) 绘制出对应的转速图;5 ) 写出对应的结构式:___________________________;6 ) 指明基本组和扩大组;7)求取主轴的计算转速值:n j Ⅲ =_______________r/ min 。
装订线班级:学号:姓名:附表标准数列二、将正确答案填入空内(本大题共3小题,共12个空,每空2分,总计24分)1、按下列结构式,将执行轴转速可能出现的:(a)连续不重复;(b)连续且重复;(c)不连续不重复;(d)不连续且重复;(1) 12 =33×31×26_______________________(2) 18 =31×33×28 __________________________________(3) 16 =22×23×24×28 __________________________________2、某台数控机床,主轴最高转速为3500r/min,最低转速为28r/min,计算转速为130r/min。
拟选用交流调频主轴电动机,最高转速4500r/min,其额定转速为1500r/min,则主轴的恒功率调速范围R np=________,电动机的恒功率调速范围R p=_______,如果有级变速机构的公比φu=R p,则有级变速机构的级数Z=________级。
机械系统设计(习题集)第一章绪论1.机械工程学科研究的内容包括几大分学科?各分学科之间的相互关系又怎样?2.系统的概念及系统的特点。
3.什么是机械系统?机械系统由几大部分组成?机械系统在产品中的地位作用?4.简述产品产生过程及设计的一般过程。
5.什么是机械系统的现代设计方法?此方法与传动设计阶段的设计方法有何联系与区别?第二章机械系统总体设计1.产品的功能是如何划分呢?在设计产品时,如何合理确定产品的各种功能?2.为什么在产品功能原理方案是1阶段常采用的“黑箱法”?“黑箱法”的设计思路及特点是怎样的?3.简述功能原理方案设计的步骤。
4.什么是功能源、功能结构?5.简述结构总体设计原则、基本原理及设计步骤?6.当采用有级变速传动时,为什么通常采用等比数列?7.制定公比φ的标准值的原则有几条?列出常用标准公比值。
8.试建立挖掘机的形态学矩阵,并根据总体方案确定的基本原则,确定几种合理的方案,并作简要说明。
9.机械系统方案评价的基本原则。
常用的评价方法。
10.在某机器设计中,有两种备选方案,为了确定选择哪个方案,组织了一个由20位专家组成的评价小组用模糊综合评价法对两个方案进行评价。
试对两种设计方案作出评价。
已知:1) 评价指标:产品性能(B1)、可靠性(B2)、使用方便性(B3)、制造成本(B4)、使用成本(B5);每个评价指标划分为优、良、中等、较差、很差5个等级:0.9,0.7,0.5,0.3,0.1;2) 评价指标B1、B2、B3、B4、B5的权分别为:0.25、0.2、0.2、0.2、0.15;3) 投票结果如下表所示:11.试用计算法求下列参数:1)已知:R n=10,Z=11,求φ;2)已知:R n=355,φ=1.41,求Z;3)已知:φ=1.06,Z=24,求R n;第三章执行系统设计1.执行系统由几大部分组成?简述其分类及可实现的功能?2.一般执行轴由几大部分组成?执行轴的基本要求有哪几项?如果达不到设计要求,将有什么影响?3.影响执行轴组件的静刚度有哪些因素?从哪些方面来提高执行轴组件的静刚度?4.在什么情况下执行轴组件采用三支承较为合理?前、后支承中的滚动轴承的制造误差对主轴组件的旋转精度有何影响?为什么执行轴前轴承的精度比后轴承的高?5.简述如何在不提高轴承的精度等级情况下,用“选配法”和对执行轴前、后轴承的合理安装来提高执行轴的旋转精度。
《机械设计》课程试题(一)一、填空题(每空1分共31分)1、当一零件受脉动循环变应力时,则其平均应力是其最大应力的2、三角形螺纹的牙型角α=,适用于,而梯形螺纹的牙型角α=,适用于。
3、螺纹连接防松,按其防松原理可分为防松、防松和防松。
4、带传动在工作过程中,带内所受的应力有、和,最大应力发生在。
5、链传动设计时,链条节数应选数(奇数、偶数)。
链轮齿数应选数;速度较高时,链节距应选些。
6、根据齿轮设计准则,软齿面闭式齿轮传动一般按设计,按校核;硬齿面闭式齿轮传动一般按设计,按校核。
7、在变速齿轮传动中,若大、小齿轮材料相同,但硬度不同,则两齿轮工作中产生的齿面接触应力,材料的许用接触应力,工作中产生的齿根弯曲应力,材料的许用弯曲应力。
8、蜗杆传动的总效率包括啮合效率η、效率和效1= ,影响蜗杆传动总效率的主要因率。
其中啮合效率η1素是效率。
9、轴按受载荷的性质不同,分为、、。
10、滚动轴承接触角越大,承受载荷的能力也越大。
二、单项选择题(每选项1分,共11分)1、循环特性r=-1的变应力是应力。
A.对称循环变 B、脉动循环变 C.非对称循环变 D.静2、在受轴向变载荷作用的紧螺柱连接中,为提高螺栓的疲劳强度,可采取的措施是( )。
A、增大螺栓刚度Cb,减小被连接件刚度Cm B.减小Cb.增大Cm C.增大Cb和Cm D.减小Cb和Cm3、在螺栓连接设计中,若被连接件为铸件,则往往在螺栓孔处做沉头座孔.其目的是( )。
A.避免螺栓受附加弯曲应力作用 B.便于安装C.为安置防松装置4、选取V带型号,主要取决于。
A.带的线速度 B.带的紧边拉力c.带的有效拉力 D.带传递的功率和小带轮转速的主要几何参数5、对于标准齿轮传动,影响齿形系数YF是。
A.齿轮的模数 B.齿轮的压力角C.齿轮的齿数 D.齿轮的顶隙系数6、一斜齿圆柱齿轮传动,已知法向模数Mn=4mm,齿数Z1=20,螺旋角β=14032’2”,齿宽b1=80,b2=75mm,则该传动的齿宽系数φd等于——。
哈工大2004秋季学期机械设计试题答案一、选择填空题〔每空1分,共25分〕1、按照摩擦界面的润滑状态,可将摩擦分为 干摩擦 、 边界摩擦 、液体摩擦 和混合摩擦。
2、已知某三线螺纹中径为9.5mm ,螺距为1mm ,则螺纹的导程为 3 mm 。
3、螺纹连接防松的实质就是防止螺纹副的相对转动。
按照防松方法的工作原理可将其分为三类,分别是 摩擦防松 、 机械防松 、和 永久防松 。
4、受轴向工作载荷的紧螺栓连接中,螺栓受到的总拉力F 0与预紧力F′、残余预紧力F 〞和工作拉力F 之间的关系为 b 。
a 、F F F +'=0 ;b 、F C C C F F mB B ++'=0; c 、F F F ''+'=0 。
5、导向平键的工作面是 键的两侧面 ,导向平键连接的主要失效形式是 工作面的磨损 。
6、V 带传动中带工作中最大应力产生在 紧边进入小带轮 处,其值为c b11max σσσσ++=。
7、齿轮传动中选取齿宽系数时,一般采用硬齿面齿轮时齿宽系数 b 采用软齿面齿轮时齿宽系数,齿轮相对于轴承对称布置时的齿宽系数 a 齿轮悬臂布置时的齿宽系数。
a 、大于;b 、小于;c 、等于。
8、一减速齿轮传动,主动轮1用45号钢调质,从动轮用45号钢正火,则它们齿面接触应力的关系是1H σ b 2H σ, 齿根弯曲应力的关系是1F σ a 2F σ。
a 、>;b 、=;c 、<。
9、按国家标准GB/292-1993规定,代号为32208的滚动轴承类型为 圆锥滚子 轴承,其内径为 40 mm ,其精度为 P0 级。
10、下列各种联轴器中,属于弹性联轴器的是 d ;属于可移式刚性联轴器的是a ;属于固定式刚性联轴器的是b 和c 。
a. 万向联轴器;b. 凸缘联轴器;c套筒联轴器;d弹性柱销联轴器。
11、联轴器和离合器都是用来实现轴与轴之间的连接,传递运动和动力。
1、若三相步进电动机三相三拍运行时步距角为1.5,则三相六拍运行时步距角为(A)A.0.75B.1.5C.3D.62、ISO标准中,刀具半径左补偿对应的指令是(B)A.G40B.G41C.G42D.G433、对于立式数控铣床,垂直布置的坐标轴是(C)A.X轴B.Y轴C.Z轴D.A轴4、ISO标准规定,Z坐标为(A)A、平行于主轴轴线的坐标B、平行与共件装夹面的方向C、制造厂规定的方向D、编程者认定的任意方向5、目前,绝大多数进给伺服系统采用的是(B)A.功率步进电动机B.交流伺服电动机C.直流伺服电动机D.直线电动机6、在相位伺服系统中,将指令信号的相位与实际位置的相位之差输出为电信号的是(B)。
A.脉冲调相器B.鉴相器C.分频器D.滤波器7、一般情况下,编程人员在数控编程时,所建立的坐标系称为(C)A:机床坐标系B:机床参考坐标系C:编程坐标系D:工件坐标系8、在立式加工中心上加工一段轮廓,如图示。
正确的指令是(B)A:G90G03X22Y58I8J-18F100B:G90G03X22Y58I-18J8F100C:G90G03X22Y58I30J40F100D:G90G03X22Y58I18J-8F1009、丝杆螺母副是可将(C)A、直线运动转换为旋转运动B、旋转运动转换为旋转运动C、旋转运动转换为直线运动D、直线运动转换为直线运动10、闭环控制系统的位置反馈元件应(B)A、装在电机轴上B、装在执行部件上C、装在传动丝杆上D、不需要位置反馈原件11、CNC系统是指(C)A、自适应控制系统B、直接数字控制系统C、计算机数控系统D、硬线数控系统12、逐点比较法的工作顺序是(B)A、坐标进给、偏差判别、新偏差计算、终点判别;B、偏差判别、坐标进给、新偏差计算、终点判别;C、终点判别、新偏差计算、偏差判别、坐标进给;D、终点判别、偏差判别、坐标进给、新偏差计算;13、点位、直线和轮廓控制NC机床的分类标准是(A)A、控制的运动轨迹B、伺服系统类型C、装置的构成方式D、工艺方法15逆时针圆弧插补的指令是(D)。
成人高等教育函授统一考试《机械设计基础》试卷年级:专业:姓名:一、填空题(每空1分,共10分)1.两构件通过或接触组成的运动副称为高副,平面高副引入个约束。
2.一对渐开线直齿圆柱齿轮正确啮合条件为和。
3.在凸轮机构四种常用的推杆运动规律中,运动规律有刚性冲击。
4.代号为72308的滚动轴承,其类型名称为,内径为。
5.轴如按受载性质区分,主要受弯矩的轴为,主要受扭矩的轴为。
二、选择题(每题2分,共20分)1.连杆机构在运动过程中只要存在角,该机构就具有急回作用。
( )A.压力角B.极位夹角C.传动角D.摆角2.平面连杆机构中,当传动角γ较大时,则( )A.机构的传力性能较好B.机构的传力性能较差C.可以满足机构的自锁要求D.机构的效率较低3.当一对渐开线齿轮制成后,即使两轮的中心距稍有改变,其角速度比仍保持原值不变,原因是( )A.压力角不变B.啮合角不变C.节圆半径不变D.基圆半径不变4.渐开线齿轮实现连续传动时,其重合度为( )A.ε<0 B.ε=0 C.ε<1 D. ε≥15.下列四种螺纹中,自锁性能最好的是( )A.粗牙普通螺纹B.细牙普通螺纹C.梯形螺纹D.锯齿形螺纹6.传动时每个齿轮的几何轴线都是固定的,这种轮系称为 ( )A.行星轮系B.差动轮系C.定轴轮系D.转化轮系7.螺纹联接的自锁条件是 ( )A.λρ≤B.λρ≥C.v λρ≥D.v λρ≤8.小带轮直径d 1应大于或等于规定的最小直径d min ,若d 1过小,则带 的将过大而导致带的寿命降低。
( )A.弯曲应力B.离心应力C.紧边拉应力D.松边拉应力9.带传动过程中,带承受变应力。
最大应力发生在 的接触处。
( )A.紧边与大轮B.松边与大轮C.紧边与小轮D.松边与小轮10.在基本额定动载荷C 作用下,滚动轴承的基本额定寿命为106转时,其可靠度为( )A .10% B. 80% C.90% D.99%三、简答题(每题6分,共24分)1.简述凸轮机构中压力角和基圆半径的关系?2.带传动中的弹性滑动与打滑有什么区别?3.根据渐开线的形成过程,简述渐开线的主要特性?4. 螺纹连接为什么要防松?有哪几类防松方法?四、计算题(共46分)1.计算图1所示机构的自由度(若图中含有复合铰链、局部自由度和虚约束等情况时,应具体指出)。
一、《机械系统设计》课程设计任务书1.1 课程设计的目的《机械系统设计》课程设计是在学完本课程后,进行一次学习设计的综合性练习。
通过课程设计,使学生能够运用所学过的基础课、技术基础课和专业课的有关理论知识,及生产实习等实践技能,达到巩固、加深和拓展所学知识的目的。
通过课程设计,分析比较机械系统中的某些典型机构,进行选择和改进;结合结构设计,进行设计计算并编写技术文件;完成系统主传动设计,达到学习设计步骤和方法的目的。
通过设计,掌握查阅相关工程设计手册、设计标准和资料的方法,达到积累设计知识和设计技巧,提高学生设计能力的目的。
通过设计,使学生获得机械系统基本设计技能的训练,提高分析和解决工程技术问题的能力,并为进行机械系统设计创造一定的条件。
1.2 课程设计的内容《机械系统设计》课程设计内容由理论分析与设计计算、图样技术设计和技术文件编制三部分组成。
1.2.1 理论分析与设计计算:(1)机械系统的方案设计。
设计方案的分析,最佳功能原理方案的确定。
(2)根据总体设计参数,进行传动系统运动设计和计算。
(3)根据设计方案和零部件选择情况,进行有关动力计算和校核。
1.2.2 图样技术设计:(1)选择系统中的主要机件。
(2)工程技术图样的设计与绘制。
1.2.3编制技术文件:(1)对于课程设计内容进行自我经济技术评价。
(2)编制设计计算说明书。
1.3 课程设计题目、主要技术参数和技术要求1.3.1课程设计题目和主要技术参数题目01:分级变速主传动系统设计技术参数:N min=53r/min;N max=600r/min;Z=8级;公比为1.41;电动机功率P=4kW;电机转速n=1440r/min题目02:分级变速主传动系统设计技术参数:N min=45r/min;N max=710r/min;Z=9级;公比为1.41;电动机功率P=4kW;电机转速n=1440r/min 题目03:分级变速主传动系统设计技术参数:N min=63r/min;N max=500r/min;Z=7级;公比为1.41;电动机功率P=4kW;电机转速n=1440r/min 题目04:分级变速主传动系统设计技术参数:N min=45r/min;N max=500r/min;Z=8级;公比为1.41;电动机功率P=3kW;电机转速n=1430r/min 题目05:分级变速主传动系统设计技术参数:N min=40r/min;N max=630r/min;Z=9级;公比为1.41;电动机功率P=3kW;电机转速n=1430r/min 题目06:分级变速主传动系统设计技术参数:N min=50r/min;N max=400r/min;Z=7级;公比为1.41;电动机功率P=3kW;电机转速n=1430r/min 题目07:分级变速主传动系统设计技术参数:N min=63r/min;N max=710r/min;Z=8级;公比为1.41;电动机功率P=4kW;电机转速n=1440r/min 题目08:分级变速主传动系统设计技术参数:N min=50r/min;N max=800r/min;Z=9级;公比为1.41;电动机功率P=4kW;电机转速n=1440r/min 题目09:分级变速主传动系统设计技术参数:N min=75r/min;N max=600r/min;Z=7级;公比为1.41;电动机功率P=4kW;电机转速n=1440r/min 题目10:分级变速主传动系统设计技术参数:N min=40r/min;N max=450r/min;Z=8级;公比为1.41;电动机功率P=3kW;电机转速n=1430r/min 题目11:分级变速主传动系统设计技术参数:Nmin=35.5r/min;Nmax=560r/min;Z=9级;公比为1.41;电动机功率P=3kW;电机转速n=1430r/min 题目12:分级变速主传动系统设计技术参数:N min=40r/min;N max=315r/min;Z=7级;公比为1.41;电动机功率P=3kW;电机转速n=1430r/min 题目13:分级变速主传动系统设计技术参数:N min=71r/min;N max=710r/min;Z=6级;公比为1.58;电动机功率P=4kW;电机转速n=1440r/min 题目14:分级变速主传动系统设计技术参数:N min=40r/min;N max=400r/min;Z=6级;公比为1.58;电动机功率P=3kW;电机转速n=1430r/min 题目15:分级变速主传动系统设计技术参数:N min=63r/min;N max=630r/min;Z=6级;公比为1.58;电动机功率P=4kW;电机转速n=1440r/min 题目16:分级变速主传动系统设计技术参数:N min=45r/min;N max=450r/min;Z=6级;公比为1.58;电动机功率P=3kW;电机转速n=1430r/min 题目17:分级变速主传动系统设计技术参数:N min=80r/min;N max=450r/min;Z=4级;公比为1.78;电动机功率P=4kW;电机转速n=1440r/min 题目18:分级变速主传动系统设计技术参数:N min=63r/min;N max=355r/min;Z=4级;公比为1.78;电动机功率P=3kW;电机转速n=1430r/min 题目19:分级变速主传动系统设计技术参数:N min=50r/min;N max=280r/min;Z=4级;公比为1.78;电动机功率P=4kW;电机转速n=1440r/min 题目20:分级变速主传动系统设计技术参数:N min=40r/min;N max=224r/min;Z=4级;公比为1.78;电动机功率P=3kW;电机转速n=1430r/min 题目21:分级变速主传动系统设计技术参数:N min=80r/min;N max=1000r/min;Z=12级;公比为1.26;电动机功率P=2.5/3.5kW;电机转速n=710/1420r/min 题目22:分级变速主传动系统设计技术参数:N min=71r/min;N max=900r/min;Z=12级;公比为1.26;电动机功率P=3.5/5kW;电机转速n=710/1420r/min 题目23:分级变速主传动系统设计技术参数:N min=90r/min;N max=900r/min;Z=11级;公比为1.26;电动机功率P=2.5/3.5kW;电机转速n=710/1420r/min 题目24:分级变速主传动系统设计技术参数:N min=75r/min;N max=750r/min;Z=11级;公比为1.26;电动机功率P=3.5/5kW;电机转速n=710/1420r/min 题目25:分级变速主传动系统设计技术参数:N min=95r/min;N max=800r/min;Z=10级;公比为1.26;电动机功率P=3.5/5kW;电机转速n=710/1420r/min 题目26:分级变速主传动系统设计技术参数:N min=80r/min;N max=630r/min;Z=10级;公比为1.26;电动机功率P=2.5/3.5kW;电机转速n=710/1420r/min // 题目27:分级变速主传动系统设计技术参数:N min=40r/min;N max=900r/min;Z=8级;公比为1.41;电动机功率P=2.5/3.5kW;电机转速n=710/1420r/min 题目28:分级变速主传动系统设计技术参数:N min=45r/min;N max=1000r/min;Z=8级;公比为1.41;电动机功率P=3.5/5kW;电机转速n=710/1420r/min 题目29:分级变速主传动系统设计技术参数:N min=35.5r/min;N max=800r/min;Z=8级;公比为1.41;电动机功率P=3kW;电机转速n=710/1420r/min题目30:分级变速主传动系统设计技术参数:N min=50r/min;N max=1120r/min;Z=8级;公比为1.41;电动机功率P=4kW;电机转速n=710/1420r/min题目31:无级变速主传动系统设计技术参数:N min=120r/min;N max=2400r/min;n j=300r/min;电动机功率:P max=3.0kW;n max=3000r/min;n r=1500r/min;题目32:无级变速主传动系统设计技术参数:N min=35r/min;N max=4000r/min;n j=145r/min;电动机功率:P max=3kW;n max=4500r/min;n r=1500r/min;题目33:无级变速主传动系统设计技术参数:N min=100r/min;N max=2000r/min;n j=250r/min;电动机功率P max=3.0kW;n max=3000r/min;n r=1500r/min;题目34:无级变速主传动系统设计技术参数:N min=75r/min;N max=4000r/min;n j=250r/min;电动机功率P max=2.8kW;n max=3000r/min;n r=1500r/min;题目35:无级变速主传动系统设计技术参数:N min=67r/min;N max=3500r/min;n j=220r/min;电动机功率P max=2.2kW;n max=3000r/min;n r=1500r/min;题目36:无级变速主传动系统设计技术参数:N min=86r/min;N max=3000r/min;n j=250r/min;电动机功率P max=3kW;n max=3000r/min;n r=1300r/min;题目37:无级变速主传动系统设计技术参数:N min=78r/min;N max=2700r/min;n j=225r/min;电动机功率P max=2.8kW;n max=3000r/min;n r=1300r/min;题目38:无级变速主传动系统设计技术参数:N min=86r/min;N max=3000r/min;n j=250r/min;电动机功率P max=2.2kW;n max=3000r/min;n r=1300r/min;题目39:无级变速主传动系统设计技术参数:N min=110r/min;N max=2200r/min;n j=275r/min;电动机功率P max=3 kW;n max=2000r/min;n r=1000r/min;题目40:无级变速主传动系统设计技术参数:N min=46r/min;N max=2400r/min;n j=150r/min;电动机功率P max=2.8 kW;n max=2000r/min;n r=1000r/min;1.3.2技术要求:(1)利用电动机完成换向和制动。
1、用于联接的螺纹是 ,原因是 ______;2、齿形系数的物理意义是__________________________________ ,其大小与______________有关,与______________无关。
3、带传动设计时限制小带轮的直径不能太小是因为________,大带轮直径不能太大是因为(中心距一定)________;V 带的截面尺寸越大,则带轮的最小直径应越________。
4、形成流体动压润滑的必要条件是 、 和 ;5、决定套筒滚子链传动承载能力的主要参数是 ;链传动的运动特性是指 和 ;6、带传动的弹性滑动是指________ ____,而打滑是指 _____ ________;带传动的设计准则是 _______ ________________。
7、正交直齿锥齿轮传动的传动比i 与其当量圆柱齿轮的传动比i v 的关系是__________;A.i i v =B.i i v =1C.i i v =2D.i i v =12 8、一蜗杆传动,已知模数m =4mm ,蜗杆头数z 1=1,蜗轮齿数z 2=50,特性系数q=10,则该传动中心距a 等于______mm 。
A.124B.125C.120D.130E.140 9、某角接触球轴承内径为45mm ,精度等级为P0级,宽度系列为窄系列,直径系列为中系列,接触角为25o ,其代号为___________。
A.7145B.6209C.7209CD.7309AC10、转轴承受_______;心轴承受__________;传动轴承受_________。
A.扭矩 B.弯矩 C.扭矩和弯矩11、在各种基本类型的向心滚动轴承中______________不能承受轴向载荷。
A.调心球轴承B.圆柱滚子轴承C.调心滚子轴承D.深沟球轴承 12、一般转速、一般载荷工作的正常润滑的滚动轴承其主要失效形式是_____________。
A. 滚动体碎裂B. 滚动体与滚道产生疲劳点蚀C. 滚道磨损D. 滚道压坏二.受力分析及计算题(20 分)图示传动中,蜗杆传动为标准传动:m=5mm,d1=50mm,z1=3(右旋),z2=40;标准斜齿轮传动:m n=5mm,z3=20,z4=50,要求使轴II的轴向力相互抵消,不计摩擦,蜗杆主动,顺时针旋转,试求:),轴的转速,轴向外35号钢,相对刚度3.0211=+ccc,可靠系数Kf=1.2。
哈尔滨理工大学2007-2008学年第2学期考试试题及答案A卷考试科目:机械系统设计考试时间:110分钟试卷总分100分考试班级:机械05级一、选择填空(本大题共10小题,每小题1分,总计10分)1.机械工程学科由()和机械制造两部分组成。
A.机械原理B.机械零件C.机械学D.机械加工2.人们对机械系统进行功能原理设计时常采用的一种“抽象化”方法是()。
A.黑箱法B.白箱法C.类比法D.头脑风暴法3.机械系统结构总体设计的任务是()。
A.进行原理设计的构思B.进行功能原理设计C.将原理设计结构化D.确定总体参数4.在传动系统中,基本组的级比指数()。
A.小于1B.等于1C.大于1D.任意数5.双联滑移齿轮占用的最小轴向尺寸应不小于()。
A.3倍齿宽B.4倍齿宽C.5倍齿宽D.6倍齿宽6.执行系统是由执行末端件和与之相连的()组成。
A.运动机构B.导向机构C.定位机构D.执行机构7.预紧可以有效提高滚动轴承的()。
A.承载能力B.工作转速C.精度D.刚度8.我们可以用镶条来调整()的间隙。
A.三角形导轨B.燕尾形导轨C.车床主轴D.铣床主轴9.支承系统是机械系统中具有支承和()作用的子系统。
A.连接B.导向C.定位D.夹紧10.隔板的布置方向应与载荷的方向()。
A.平行B.垂直C.倾斜D.任意二、名词解释(本大题共5小题,每小题2分,总计10分)1.机械系统2.功能原理设计3.级比4.执行系统5.自身刚度三、简答题(本大题共6小题,每小题4分,总计24分)1.机械系统设计有哪些基本原则?2.什么是功能元?有那些种基本功能元?3.扩大传动系统变速范围有哪些方法?4.导轨有何功用?滑动导轨按其运动性质可分为哪几种类型?5.什么是支承件的接触刚度?提高接触刚度有哪些有效措施?6.常用的典型控制系统有哪几种类型?四、填空题(本大题含2小题共8个空,每空2分,总计16分)1.某台数控机床,主轴最高转速为4000r/min,最低转速为30r/min,计算转速为145r/min。