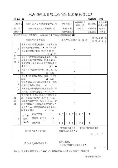
03120201水泥混凝土面层检验批质量验收记录
- 格式:xlsx
- 大小:16.55 KB
- 文档页数:1
水泥混凝土面层施工检验批质量检验记录表CJJ1—2008续上页注:1、b为标准差2、主控项目、一般项目的检查结果,需用语言描述的项,应按CJJ1-2008的要求详实描述;主控项目的计数检验项先填写“检验批主控项目计数检验记录表”(G1-1-1),然后将计数检验结果填写在本表相应的检查结果栏内;检验批一般项目计数检验数据较多、本表空格不够填写的项,可填写“检验批一般项目计数检验记录表”(G1-1-2 ),将该表作为本表的附页。
水泥混凝土面层质量检验标准(CJJ1-2008)10.8.2 混凝土面层质量应符合设计要求:主控项目1)混凝土弯拉强度应符合设计规定。
检查数量:每100m3的同配合比的混凝土,取样1次;不足100m3时按1次计。
每次取样应至少留置1组标准养护试件。
同条件养护试件的留置组数应根据实际需要确定,最少1组。
检验方法:检查试件强度试验报告。
2)混凝土抗压强度应符合设计规定。
检查数量:每100m3的同配合比的混凝土,取样1次;不足100m3时按1次计。
每次取样应至少留置1组标准养护试件。
同条件养护试件的留置组数应根据实际需要确定,最少1组。
检验方法:检查试件强度试验报告。
3)混凝土面层厚度应符合设计规定,允许误差为土5mm。
检查数量:每1000怦抽测1点。
检验方法:查实验报告、复测。
4)抗滑构造深度应符合设计要求。
检查数量:每1000怦抽测1点。
检验方法:铺砂法。
一般项目5)水泥混凝土面层应板面平整、密实,边角应整齐、无裂缝,并不应有石子外露和浮浆、脱皮、踏痕、积水等现象,蜂窝麻面面积不得大于总面积的0.5%。
检查数量:全数检查。
检验方法:观察、量测。
6)伸缩缝应垂直、直顺、缝内不应有杂物。
伸缩缝在规定的深度和宽度范围内应全部贯通,传力杆应与缝面垂直。
检查数量:全数检查。
检验方法:观察。
7)混凝土路面允许偏差应符合表10.8.1的规定。
表10.8.1 混凝土路面允许偏差注:①每20m查1块板的侧面。
《水泥混凝土面层检验批质量验收记录》填写说明一、总说明1、适用范围:适用于水泥混凝土面层。
2、检验批划分:每条路或路段。
3、验收人员:由专业监理工程师组织项目部施工员、质检员进行验收。
二、表格项目填写说明1、填写依据(1)《城镇道路工程施工与质量验收规范》CJJ1-2008。
(2)《建筑工程施工质量验收统一标准》GB50300-2013。
2、规范摘要以下内容摘录自《城镇道路工程施工与质量验收规范》CJJ1-2008。
10.4.2 模板安装应符合下列规定:1 支模前应核对路面标高、面板分块、胀缝和构造物位置。
2 模板应安装稳固、顺直、平整,无扭曲,相邻模板连接应紧密平顺,不得错位。
3 严禁在基层上挖槽嵌入模板。
4 使用轨道摊铺机应采用专用钢制轨模。
5 模板安装完毕,应进行检验,合格方可使用。
其安装质量应符合表10.4.2的规定。
表10.4.2 模板安装允许偏差1 钢筋安装前应检查其原材料品种、规格与加工质量,确认符合设计规定。
2 钢筋网、角隅钢筋等安装应牢固、位置准确。
钢筋安装后应进行检查,合格后方可使用。
3 传力杆安装应牢固、位置准确。
胀缝传力杆应与胀缝板、提缝板一起安装。
4 钢筋加工允许偏差应符合表10.4.3-1的规定。
表10.4.3-1 钢筋加工允许偏差表10.4.3-2 钢筋安装允许偏差10.8.1 水泥混凝土面层质量检验应符合下列规定:1 原材料质量应符合下列要求:主控项目1)水泥品种、级别、质量、包装、贮存,应符合国家现行有关标准的规定。
检查数量:按同一生产厂家、同一等级、同一品种、同一批号且连续进场的水泥,袋装水泥不超过200t为一批,散装水泥不超过500t为一批,每批抽样1次。
水泥出厂超过三个月(快硬硅酸盐水泥超过一个月)时,应进行复验,复验合格后方可使用。
检验方法:检查产品合格证、出厂检验报告,进场复验。
2)混凝土中掺加外加剂的质量符合现行国家标准《混凝土外加剂》GB8076和《混凝土外加剂应用技术规范》GB50119的规定。
水泥路面检验批质量验收记录1. 项目概述本次质量验收记录是针对水泥路面施工项目进行的检验批质量验收。
水泥路面是道路建设中常用的路面材料之一,对其质量的验收是保证道路使用寿命和安全性的重要环节。
2. 检验批信息- 项目名称:[填写项目名称]- 检验批编号:[填写检验批编号]- 施工单位:[填写施工单位]- 监理单位:[填写监理单位]- 验收人员:[填写验收人员]3. 检验内容本次质量验收涵盖以下内容:- 道路平整度检验- 路面厚度测量- 沥青拌合料分析- 施工工艺过程监控4. 检验方法与结果4.1 道路平整度检验使用平整度检测仪对路面进行平整度检验。
根据相关标准,通过测量得到的平整度数值符合要求,达到了设计要求。
4.2 路面厚度测量采用非破坏性测厚仪对路面厚度进行测量。
测量结果显示,所测得的路面厚度均在设计要求范围内,符合施工规范。
4.3 沥青拌合料分析对现场取样的沥青拌合料进行化学分析。
根据分析结果,沥青拌合料的成分与设计要求一致,满足使用标准。
4.4 施工工艺过程监控对施工过程进行监控,包括材料配比、施工工艺、危险源管控等。
经过监控验证,施工过程严格按照设计要求和标准进行,无异常情况发生。
5. 结论根据对水泥路面检验批的质量验收检测和分析,结论如下:- 路面平整度符合设计要求,达到标准要求;- 路面厚度在设计要求范围内,满足施工规范;- 沥青拌合料成分与设计要求一致,符合使用标准;- 施工工艺严格按照要求进行,没有发现异常情况。
6. 备注在实施质量验收过程中,未发现任何问题或质量缺陷。
以上是水泥路面检验批质量验收的记录,供参考。
水泥混凝土路面检验批质量验收记录工程名称:水泥混凝土路面工程工程地点:XX市XX区XX路1.工程概述本工程为水泥混凝土路面工程,总长XX公里,路面宽度XX米,采用XX标号水泥混凝土进行铺设。
主要施工工序包括路面基层处理、浇筑混凝土、养护等。
2.检验项目2.1水泥混凝土材料的质量检验2.2水泥混凝土坍落度检验2.3水泥混凝土强度检验2.4水泥混凝土路面平整度检验2.5养护期间路面裂缝检验3.检验记录3.1水泥混凝土材料的质量检验检验时间:20XX年XX月XX日检验人员:张工检验结果:材料检验项目检验数值验收标准验收结果水泥 XXkg 符合国家标准合格石子XXm³符合国家标准合格砂XXm³符合国家标准合格水XXm³符合国家标准合格3.2水泥混凝土坍落度检验检验时间:20XX年XX月XX日检验人员:李工检验结果:检验点位坍落度(cm) 验收标准验收结果施工单位 XX点位均值≥10cm 合格3.3水泥混凝土强度检验检验时间:20XX年XX月XX日检验人员:王工检验结果:检验点位收模期强度(MPa)验收标准验收结果第1条路段XX点位均值≥20MPa合格3.4水泥混凝土路面平整度检验检验时间:20XX年XX月XX日检验人员:刘工检验结果:检验点位平整度(mm) 验收标准验收结果第1条路段 XX点位均值≤5mm 不合格3.5养护期间路面裂缝检验检验时间:20XX年XX月XX日检验人员:赵工检验结果:检验点位裂缝长度(m)验收标准验收结果第1条路段XX点位均值≤1.2m合格4.验收结论根据以上的检验结果,本工程的水泥混凝土路面质量验收情况如下:5.相关附件1.水泥混凝土材料检验报告2.坍落度检验报告3.强度检验报告4.平整度检验报告5.养护期间裂缝检验报告备注:以上验收记录为真实记录,供参考使用。
水泥混凝土面层检验批质量验收记录表编号:__________水泥混凝土原材料检验批质量验收记录表编号:__________填土方路基检验批质量验收记录表Ⅲ(支路及其他小路)编号:__________填土方路基检验批质量验收记录表编号:__________填土方路基检验批质量验收记录表Ⅱ(次干路)编号:__________土工材料处理软土路基检验批质量验收记录表编号:__________挖石方路基检验批质量验收记录表编号:__________挖土方路基检验批质量验收记录表编号:__________现浇钢筋混凝土挡土墙钢筋加工与安装检验批质量验收记录表编号:__________现浇钢筋混凝土挡土墙混凝土主体检验批质量验收记录表编号:__________现浇钢筋混凝土挡土墙栏杆制作与安装检验批质量验收记录表编号:__________现浇钢筋混凝土人行地道结构检验批质量验收记录表编号:__________雨水支管与雨水口检验批质量验收记录表编号:__________预制安装钢筋混凝土人行地道结构地基检验批质量验收记录表编号:__________预制安装钢筋混凝土人行地道结构墙板、顶板安装检验批质量验收记录表编号:__________预制安装钢筋混凝土人行地道结构预制墙板、顶板检验批质量验收记录表编号:__________预制混凝土砌块面层检验批质量验收记录表编号:__________粘层、透层与封层检验批质量验收记录表编号:__________装配式钢筋混凝土挡土墙基础检验批质量验收记录表编号:__________装配式钢筋混凝土挡土墙栏杆制作与安装检验批质量验收记录表编号:__________装配式钢筋混凝土挡土墙墙板预制与安装检验批质量验收记录表编号:__________。
水泥混凝土面层模板工程检验批质量验收记录水泥混凝土面层模板工程,这听起来是不是有点严肃?别担心,咱们今天就来聊聊这个话题,用轻松幽默的口吻,没那么复杂,大家可以轻松上手。
说起水泥混凝土,很多人可能会想起那些坚硬的、冷冰冰的东西。
可它背后可有一番热闹呢!想象一下,工人们像一群小蜜蜂,忙忙碌碌地在工地上跑来跑去,手里拿着各种工具,浑身都是泥,嘴里还念叨着:“快点快点,别磨蹭了!”哈哈,这就是我们建设的日常。
看到这些忙碌的身影,心里就觉得暖暖的,虽然累,但也是一种成就感。
模板工程呢,就是我们在铺水泥混凝土前,先要搭建一个框架。
这就像是在做蛋糕,先得有个模具,不然蛋糕怎么能成型呢?这模板就像是那个模具,得稳稳当当的,才不会让水泥流得到处都是。
工人们一边搭,一边检查,生怕出现一点小差错。
要是模板搭得不结实,后面的水泥一倒上去,嘿,整个人都得懵了。
检验批质量验收记录,这个听起来是不是有点专业?其实就是在说,我们得把每一步都记录下来,确保每个环节都没问题。
想象一下,工人们像是在拍一部电影,得记录每个镜头,确保最后的成品是完美的。
就算中间有点小插曲,大家也会哈哈一笑,然后继续努力。
在模板搭建的过程中,水泥和混凝土的比例可是个大学问。
太稀了不行,太稠了也不行。
就像咱们做饭,盐放多了,味道可就全变了。
工人们拿着桶,像是在调配神秘药水,左看看,右看看,最后满意地点点头。
这时候,如果有个小伙伴来调侃:“哟,你这是在炼丹吗?”大家都会笑出声来,气氛一下子就轻松起来了。
模板工程完成后,水泥浇筑也是个大事。
看着一桶桶水泥倒进模板里,真的是一场视觉盛宴。
大家都期待着,心里默默祈祷:“千万别漏啊!”水泥流淌的声音,像是在唱歌,一时间整个工地都热闹起来。
工人们有的拿着铲子,有的用振动棒,生怕水泥不够均匀。
这时候,互相之间的小调侃、打趣,简直是工地的标配。
干着干着,大家就像一群朋友,热火朝天地一起奋斗。
水泥硬化的过程就像是等待一位公主苏醒。
水泥混凝土路面工程检验批质量验收记录检验批名称:水泥混凝土路面工程
工程名称:XX道路改造工程
施工单位:XX路面工程有限公司
监理单位:XX监理有限公司
总批次:10批
检验项目:材料试验、施工质量检验、工程验收等
检验日期:XXXX年XX月XX日
检验记录:
第一批次:
材料试验:
1.水泥:按照设计要求,水泥达到了XXX标准,试验结果合格;
2.骨料:骨料试验结果符合设计要求,符合XXX标准;
3.水:水质符合要求,试验结果合格;
施工质量检验:
1.地面处理:地表完全清除了各种障碍物和杂草,破损的部分修复完毕,符合相关标准;
2.基层处理:按照设计要求,基层平整度达到了XXX标准,符合规定;
3.压实度:经过密实作业,压实度测试结果符合设计要求,达到了XXX标准;
4.配筋:配筋符合设计要求,符合XXX标准;
5.浇注工艺:浇注过程中加入了外加剂,混凝土坍落度适宜,浇注质量良好;
工程验收:
1.路面平整度:经过验收,路面平整度达到了XXX标准,符合规定要求;
2.路面质量:路面没有蜂窝、龟裂等缺陷,符合相关标准;
3.标线:标线绘制规范,符合要求,标线质量良好;
总结:
经过检验批量的抽样检测和整个工程的验收,本次水泥混凝土路面工程质量验收合格。
工程符合相关标准和规范,施工质量良好,可以按照设计用途进行正常使用。
附:检验批照片及测试报告。
以上为水泥混凝土路面工程检验批质量验收记录。
水泥混凝土面层检验批质量检验记录一、项目背景水泥混凝土面层是建筑工程中常见的一种地面铺装材料。
为了确保水泥混凝土面层的质量,合格的检验批质量检验记录是必不可少的。
本文档旨在记录水泥混凝土面层检验批的质量检验过程和结果。
二、检验批信息名称:水泥混凝土面层编号:工程位置:施工单位:检验单位:检验日期:三、检验项目及标准根据相关的行业标准和规范,对水泥混凝土面层进行以下项目的质量检验:1. 厚度测量:应符合设计要求,偏差不得大于设计厚度的±5%。
2. 完整性检验:无裂缝、缺损和空鼓现象。
3. 平整度检验:使用专用平整度仪进行检测,应符合设计要求。
四、检验步骤1. 厚度测量:a. 在水泥混凝土面层的不同位置选择代表性的测量点。
b. 使用厚度测量仪器进行测量,记录每个测量点的实际厚度。
c. 根据设计要求计算出平均厚度,并与设计厚度进行比较。
d. 如有偏差超过设计要求,则记录偏差数值。
2. 完整性检验:a. 可通过目视检查或敲击表面的方法进行检验。
b. 检查水泥混凝土面层表面是否存在裂缝、缺损和空鼓现象。
c. 记录每个检查点的检验结果。
3. 平整度检验:a. 使用专用平整度仪进行检测,将平整度仪平放在水泥混凝土面层上。
b. 按照不同方向进行测量,记录每个测量点的平整度数值。
c. 根据设计要求计算出平均平整度,并与设计要求进行比较。
d. 如有偏差超过设计要求,则记录偏差数值。
五、检验结果记录在检验过程中,对每个检验项目进行详细记录,包括测量数值、标准要求和实际结果。
如果发现不符合质量标准的情况,应及时记录并找出原因。
六、质量问题处理对于检验结果不符合质量要求的情况,需要及时采取相应的纠正措施。
包括但不限于重新施工、修补、更换材料等,以确保水泥混凝土面层的质量满足设计要求。
七、质量验证在处理完质量问题后,需要进行质量验证,以确保纠正措施的有效性。
通过重新进行相关检验项目,验证质量问题是否得到解决。
八、检验人员及签名本次水泥混凝土面层检验批的质量检验由以下人员进行:1. 检验员:2. 监理员:签名:日期:九、总结水泥混凝土面层的质量检验批记录对于确保施工质量至关重要。
水泥混凝土面层检验批质量验收记录编制单位:_____________________施工单位:_____________________监理单位:_____________________验收单位:_____________________一、工程概况工程名称:_____________________工程地点:_____________________工程编号:_____________________工程施工日期:_____________________二、施工原材料1.水泥:_____________________2.骨料:_____________________3.砂:_____________________4.水:_____________________5.外加剂:_____________________三、施工工艺1.基层备份:_____________________2.布孔:_____________________3.喷撒乳胶石英砂浆:_____________________4.抛铺水泥砂浆:_____________________5.刮平水泥砂浆:_____________________6.养护:_____________________四、施工设备及工具1.水泥混凝土喷撒机:_____________________2.水泥混凝土抛铺机:_____________________3.水平仪:_____________________4.地坪刮刀:_____________________5.压路机:_____________________五、施工质量控制1.施工前验收:_____________________2.施工中验收:_____________________3.施工后验收:_____________________4.细部验收:_____________________六、质量验收数据记录日期检验项目检验标准检验方法检验结果基层备份结构层基准应满足±5mm 丈量高度差合格布孔检验孔间距应符合设计要求丈量孔距合格乳胶石英砂浆喷撒厚度应满足设计要求丈量厚度合格水泥砂浆抛铺平整度应满足设计要求视觉检查、丈量合格水泥砂浆刮平平整度应满足设计要求视觉检查、丈量合格养护养护期间无破损视觉检查合格七、施工过程中存在的问题及处理意见1.基层备份存在波浪状,需重新修复。