电力建设施工及验收技术规范汽轮机机组篇.doc
- 格式:doc
- 大小:1.28 MB
- 文档页数:210
电力设施建设及验收技术规范(汽轮机篇)1. 引言本文档旨在提供关于电力设施建设及验收技术规范的指导,特别是针对汽轮机的相关要求。
2. 设备选择与配置2.1 汽轮机型号选择根据项目需求和场地条件,选择适当的汽轮机型号。
考虑功率、效率、可靠性和维护方便性等因素。
2.2 配套设备选择为了确保汽轮机的正常运行,必须选择相匹配的附件和设备,如发电机、冷却系统、油路系统等。
2.3 设备配置设计根据汽轮机的安装要求和现场条件,设计设备配置方案,确保设备安全可靠并满足相关技术要求。
3. 施工要求3.1 基础建设按照相关标准和规范进行汽轮机基础建设,确保基础稳固、防震、排水畅通等。
3.2 安装工艺安装汽轮机时,应遵循相关安装工艺,确保设备正确、牢固地安装,并采取必要的防护措施。
3.3 管道布置汽轮机的管道布置应满足安全、紧凑、易于维护的要求,避免管道交叉、冲突等问题。
4. 调试与验收4.1 汽轮机调试在安装完成后,对汽轮机进行调试,确保各项参数、控制系统和保护系统正常运行,消除故障和隐患。
4.2 验收准备待汽轮机调试完成并符合要求后,进行验收准备工作,包括整理相关文件资料、准备验收人员等。
4.3 验收过程验收过程中,按照相关验收要求进行检查和测试,确保汽轮机符合技术规范和合同要求。
5. 后续维护与管理5.1 汽轮机维护定期对汽轮机进行维护保养,包括清洁、检查、润滑、更换部件等,确保设备长期稳定运行。
5.2 数据记录与管理建立完善的数据记录和管理体系,及时记录并分析汽轮机运行数据,为后续维护和管理提供依据。
6. 环境保护要求6.1 废气排放控制汽轮机废气排放必须符合国家和地方相关环保法规要求,采取适当的净化处理措施。
6.2 危险废物处理对于汽轮机产生的危险废物,必须按照相关法规进行正确处理和处置,确保环境安全。
7. 监督检验与评价7.1 监督检验按照相关程序和标准进行监督检验,确保汽轮机的安全运行和性能达到设计要求。
电力建设施工及验收技术规范锅炉机组篇The Code of Erection and Acceptance ofElectric Power ConstructionSection of Steam Boiler SetDL/T5047—95主编部门:电力工业部电力建设技术经济咨询中心中国电力企业联合会标准化部批准部门:中华人民共和国电力工业部前言《电力建设施工及验收技术规范(锅炉机组篇)》(SDJ245—88)自发布实施以来,对电力工业建设和电站锅炉施工质量的提高都起到了积极的促进作用.随着我国社会主义市场经济的迅猛发展,电力工业的发展和发电质量的提高是社会经济发展的基本保证。
为了确保对火力发电厂“安全、经济、稳发、满发"运行的要求,适应大机组、新设备施工的需要,我们组织有关人员对原规范进行了修改和补充,作了较大的改动,并经三次组织讨论和审定。
本规范所采用或引用的有关国标、行标、文件等均为1996年1月前已发布的现行标准和文件.新增标准36篇,更换新标准14篇,取消原规范附录十六中序号26标准1篇。
由于新标准的引用而涉及本规范的条文修改也比较多,如高强度螺栓连接,油罐安装,焊接工艺、质量,管道安装,泵类安装,整套启动试运,化学清洗,安全阀调整,蒸汽冲洗等。
由于新设备、新工艺、新材料的出现,本规范补充增加的新条款也较多,其中“3受热面”中增加了“3。
5循环泵”新增条款10条,在“5烟、风、煤管道及附属设备”中增加了“5.5烟气脱硫装置”新增条款20条,在“7.3磨煤机”中增加了“7。
3.5MPS (ZGM)中速磨煤机”新增分条款10条,并新增附录6个,修改及更新附录4个,取消原附录1个。
本规范业经电力工业部审查、批准,并于1996年1月4日以电技[1996]6号文发布,编号为DL/T5047—95,自1996年5月1日起实施,原规范SDJ245—88同时废止。
本规范主编单位:电力工业部电力建设技术经济咨询中心中国电力企业联合会标准化部参加单位:电力工业部电力建设研究所主编人员:樊九洲陶恒声1 总则 (5)1。
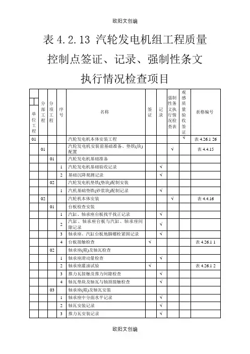
表4.2.13 汽轮发电机组工程质量控制点签证、记录、强制性条文执行情况检查项目4.3 汽轮发电机组通用部分汽轮发电机基础准备适用范围:适用于汽轮发电机本体安装前的基础检查准备工作,包括:基础检查与几何尺寸校核,基础承力面凿毛,二次灌浆内挡板安装,地脚螺栓检查。
4.3.1 基础检查与几何尺寸校核检查验收见表4.3.1。
表4.3.1 基础检查与几何尺寸校核4.3.2基础承力面凿毛检查验收见表4.3.2。
4.3.3 二次灌浆内挡板安装检查验收见表4.3.3。
4.3.4 地脚螺栓检查验收见表4.3.4。
4.3.5一般垫铁配制检查验收见表4.3.5。
表4.3.5 一般垫铁配制检验项目性质单位质量标准检验方法及测量器具斜度1/10~1/25测量计算接触面加工粗糙度观察4.3.6 垫铁安装检查验收见表4.3.6。
表4.3.6 垫铁安装检验项目性质单位质量标准检验方法及测量器具接触面间隙台板与垫铁主控mm0.05塞尺局部塞入宽度、深度均<1/4边长塞尺检查垫铁与垫铁主控mm斜垫铁错开面积≤25%垫铁面积观察垫铁与基础边距mm>10钢直尺测量每叠垫铁总厚度mm80左右钢直尺测量超过三块垫铁的叠比①②主控<20%统计计算埋置垫铁标高符合制造厂要求垫铁水平度偏差mm/m<0.1水平仪测量埋置垫铁位置对螺孔中心的偏差mm<3钢卷尺测量注1:每叠垫铁一般不超过三块,个别特殊情况允许达到五块,其中只允许一对斜垫铁,斜垫铁一对视为两块。
注2:叠比计算公式为:叠比=垫铁总叠数垫铁超过三块的叠数×100 %。
4.3.7混凝土垫块配制检查验收见表4.3.7。
表4.3.7 混凝土垫块配制检验项目性质单位质量标准检验方法及测量器具基础凿毛位置符合图纸要求与台板核对尺寸模板安装牢固、密封观察模板高度mm80左右钢直尺测量模板内部混凝土面清理无杂物、油漆、污垢观察基础表面浸水时间h≥24观察材料规格与配比制造厂的规定或符合DL5011试块养护强度主控符合图纸要求试验报告垫块养护符合制造厂或DL 5011的规定现场查看垫块与台板接触面积主控>70%涂色法检查垫块与台板接触检查主控mm 0.05塞尺局部塞入宽度、深度均<1/4边长塞尺检查垫块水平度偏差mm/m<0.1水平仪测量4.3.8可调固定器安装检查验收见表4.3.8。
电力建设施工及验收技术规范汽轮机机组篇1总则1.1一般规定1.1.1本规范适用于单机容量为25~600MW,主蒸汽压力(表压)为3.4~16.7MPa(35~170kgf/cm2),主蒸汽温度为435~550℃的火力发电厂国产汽轮发电机组本体及附属设备的施工及验收工作。
对于大于或小于上述参数和容量设备,以及参数和容量类似的进口设备可参照使用。
1.1.2汽轮发电机组的施工及验收工作必须以经批准的设计和设备制造厂的技术文件为依据,如需修改设备或变更以上文件规定,必须具备一定的审批手续。
有关管道、焊接、保温、油漆、化学水处理设备、化学清洗、热工仪表及控制装置等部分的施工,应按本规范相应专业篇的规定执行。
发电厂土建工程除按国家有关建筑工程及验收规范的规定执行外,还应按本规范的《建筑工程篇》执行,在本篇中提出有关土建的特殊要求,应按本篇规定执行。
有关电气设备安装的要求应按国标《电气装置安装工程施工及验收规范》执行。
1.1.3汽轮机组安装工程除按本篇执行外,还应遵守国务院及有关部门颁发的现行安全技术、劳动保护、环境保护、防火等规程的有关规定(参见附录Q)。
1.1.4本篇所列各项施工技术要求和验收质量标准为基本要求。
不论国产或进口机组施工时,首先应按设备订货合同、技术协议的要求及制造厂的正式图纸规定执行,如合同协议及制造厂无明确规定或规定不全面时,按本篇规定执行。
1.2 设备器材1.2.1设备安装前的保管应按存放地区的自然情况、气候条件、周围环境和存放时间的长短,参照部颁的SDJ68-84《电力基本建设火电设备维护保管规程》和设备技术文件对设备存放的要求,做好保管工作,防止设备变形、变质、腐蚀、损伤和丢失。
1.2.2设备订货时应规定由厂家提供和随设备交付的技术文件,作为施工及质量检验的重要依据,主要文件如下:(1)设备供货清单及设备装箱单;(2)设备的安装、运行、维护说明书和技术文件;(3)设备出厂证件、检验试验记录及重大缺陷记录;(4)设备装配图和部件结构图;(5)主要零部件材料的材质性能证件;(6)全部随箱图纸资料。
电力建设施工及验收技术规范锅炉机组篇T前言《电力建设施工及验收技术规范(锅炉机组篇)》(SDJ245—88)自发布实施以来,对电力工业建设和电站锅炉施工质量的提高都起到了积极的促进作用。
随着我国社会主义市场经济的迅猛发展,电力工业的发展和发电质量的提高是社会经济发展的基本保证。
为了确保对火力发电厂“安全、经济、稳发、满发”运行的要求,适应大机组、新设备施工的需要,我们组织有关人员对原规范进行了修改和补充,作了较大的改动,并经三次组织讨论和审定。
本规范所采用或引用的有关国标、行标、文件等均为1996年1月前已发布的现行标准和文件。
新增标准36篇,更换新标准14篇,取消原规范附录十六中序号26标准1篇。
由于新标准的引用而涉及本规范的条文修改也比较多,如高强度螺栓连接,油罐安装,焊接工艺、质量,管道安装,泵类安装,整套启动试运,化学清洗,安全阀调整,蒸汽冲洗等。
由于新设备、新工艺、新材料的出现,本规范补充增加的新条款也较多,其中“3受热面”中增加了“3.5循环泵”新增条款10条,在“5烟、风、煤管道及附属设备”中增加了“5.5烟气脱硫装置”新增条款20条,在“7.3磨煤机”中增加了“7.3.5MPS(ZGM)中速磨煤机”新增分条款10条,并新增附录6个,修改及更新附录4个,取消原附录1个。
本规范业经电力工业部审查、批准,并于1996年1月4日以电技[1996]6号文发布,编号为DL/T5047—95,自1996年5月1日起实施,原规范SDJ245—88同时废止。
1 总则 (4)1.1一般规定 (4)1.2锅炉开始安装前对建筑工程的配合要求 (6)2锅炉构架及有关金属结构 (7)2.1一般规定 (7)2.2锅炉基础检查、划线和垫铁安装 (8)2.3锅炉构架组合 (9)2.4锅炉构架安装和二次灌浆 (10)2.5炉门、窥视孔和炉墙零件 (13)2.6锅炉密封部件 (14)2.7燃烧装置 (14)2.8空气预热器 (16)2.9工程验收 (20)3 受热面 (20)3.1一般规定 (20)3.2汽包、联箱 (23)3.3水冷壁 (24)3.4过热器、再热器、省煤器和减温器 (25)3.5 循环泵 (26)3.6水压试验 (27)3.7 工程验收 (28)4锅炉附属管道 (29)4.1一般规定 (29)4.2锅炉排污、取样、加热、疏放水和排汽管道 (29)4.3水位计 (30)4.4安全阀 (30)4.5吹灰系统 (32)4.6工程验收 (32)5烟、风、煤管道及附属设备 (32)5.1一般规定 (32)5.2 烟、风、煤管道的组合及安装 (33)5.3烟、风、煤管道附件及装置 (33)5.4煤粉分离器及除尘器 (36)5.5烟气脱硫装置 (40)5.6工程验收 (43)6燃油系统设备及管道 (43)6.1一般规定 (43)6.2卸油装置及卸油管道 (44)6.3油罐及其附件 (44)6.4供油设备及泵房管道 (45)6.5 厂区管道 (46)6.6 锅炉房燃油管道 (46)6.7燃油系统的试验及吹洗 (47)6.8 燃油系统受油前应具备的条件 (47)6.9 工程验收 (48)7锅炉辅助机械 (48)7.1一般规定 (48)7.2 机械安装通则 (48)7.3磨煤机 (56)7.4 风机 (69)7.5 给煤机 (72)7.6 给粉机 (73)7.7螺旋输粉机 (74)7.8空气压缩机 (75)7.9灰渣设备 (77)7.10工程验收 (80)8 输煤设备 (80)8.1 一般规定 (80)8.2 胶带输煤机 (80)8.3 胶带输煤机的卸煤设备 (84)8.4 磁铁分离器 (85)8.5 碎煤机 (85)8.6 筛煤机 (86)8.7 卸车设备及煤场设备 (86)8.8 工程验收 (90)9 锅炉炉墙、热力设备和管道的保温油漆 (90)9.1 一般规定 (90)9.3 耐火混凝土施工 (94)9.4 保温混凝土施工 (97)9.5 框架式耐火混凝土炉墙 (97)9.6 敷管炉墙 (98)9.7 砖砌轻型炉墙 (99)9.8 炉墙保护层施工 (102)9.9 热力设备及管道保温 (103)9.10 油漆施工 (105)9.11 冬季施工 (106)9.12 工程验收 (106)10 锅炉机组启动试运及验收 (107)10.1 一般规定 (107)10.2 锅炉试运要点 (108)10.3 烘炉 (110)10.4 锅炉化学清洗 (111)10.5 管道的冲洗和吹洗 (113)10.6 蒸汽严密性试验及安全闽调整 (115)10.7 整套启动试运行 (116)1 总则1.1一般规定1.1.1本规范适用于容量为65~2100t/h,主蒸汽压力为3.82~25MPa,主蒸汽温度为450~550℃的国产电站锅炉机组的施工及验收;对于大于或小于上述容量和参数的机组的施工及验收工作可参考使用本规范;国外引进机组的施工及验收工作应执行制造厂的规定,如制造厂无明确规定,则应执行本规范。
电力建设施工质量验收及评价规程第3部分:汽轮发电机组目次前言1 范围 (1)2 规范性引用文件 (2)3 总则 (3)4 施工质量验收 (4)4.1施工质量验收规定 (4)4.3汽轮发电机组通用部分 (47)4.4汽轮机本体安装 (65)4.5调节和润滑油系统安装 (84)4.6发电机和励磁机安装 (98)4.7水冷凝汽器组合安装 (113)4.8空冷凝汽器系统安装 (117)4.9除氧器(水箱)设备安装 (122)4.10高、低压加热器安装 (124)4.11旁路系统设备检查安装 (125)4.12汽动给水泵组安装 (127)4.13电动给水泵安装 (138)4.14凝结水泵安装 (143)4.15减温减压器安装 (145)4.16起重机设备安装 (146)4.17柴油发电机安装 (150)4.18循环水泵安装 (151)4.19旋转滤网安装 (158)4.20清污机设备安装 (160)4.21大型平板钢闸门安装 (162)4.22深水泵安装 (163)4.23净水装置设备安装 (164)4.24燃机本体安装 (166)4.25燃机辅助设备及附属机械安装 (175)4.26施工签证 (176)5 单项工程施工质量评价 (223)5.1基本规定 (223)5.2评价规定 (223)5.3评价内容 (224)5.4评价方法 (224)5.5汽轮发电机本体及附属系统施工质量评价 (226)5.6主厂房内附属机械及辅助设备安装施工质量评价 (232)5.7主厂房外附属机械及辅助设备安装施工质量评价 (237)5.8汽机管道施工质量评价 (242)5.9汽机本体(含汽动给水泵)、设备、管道保温及油漆施工质量评价 (249)5.10燃机及其辅助设备和附属机械安装施工质量评价 (257)5.11单项工程各工程部位(范围)评价得分汇总 (261)5.12单项工程质量评价报告 (261)6单台机组质量评价 (262)7整体工程质量评价 (264)附录A (规范性附录) 附属机械找中心 (267)附录B (规范性附录) 附属机械振动 (268)附录C (资料性附录) 典型的通流部分数据 (269)附录D (资料性附录) 油质等级标准 (280)标准的用词说明 (282)条文说明 (283)前言DL/T 5210-2008《电力建设施工质量验收及评价规程》共九个部分:——DL/T 5210.1 第1部分土建工程——DL/T 5210.2 第2部分锅炉机组——DL/T 5210.3 第3部分汽轮发电机组——DL/T 5210.4 第4部分热工仪表及控制装置——DL/T 5210.5 第5部分管道及系统——DL/T 5210.6 第6部分水处理及制氢设备和系统——DL/T 5210.7 第7部分焊接工程——DL/T 5210.8 第8部分加工配制——DL/T 5161.1~5161.17—2002 电气装置安装工程质量检验及评定规程本部分是《电力建设施工质量验收及评价规程》中的第3部分:汽轮发电机组,是根据国家发展改革委员会《关于下达2008年行业标准项目计划的通知》(发改办工业〔2008〕 1242号)文编制的。
表汽轮发电机组工程质量控制点签证、记录、强制性条文执行情况检查项目汽轮发电机组通用部分汽轮发电机基础准备适用范围:适用于汽轮发电机本体安装前的基础检查准备工作,包括:基础检查与几何尺寸校核,基础承力面凿毛,二次灌浆内挡板安装,地脚螺栓检查。
基础检查与几何尺寸校核检查验收见表。
表基础检查与几何尺寸校核基础承力面凿毛检查验收见表。
表基础承力面凿毛二次灌浆内挡板安装检查验收见表。
表二次灌浆内挡板安装地脚螺栓检查验收见表。
表地脚螺栓检查一般垫铁配制检查验收见表。
表一般垫铁配制表(续)垫铁安装检查验收见表。
表垫铁安装混凝土垫块配制检查验收见表。
表混凝土垫块配制可调固定器安装检查验收见表。
表可调固定器安装台板调整螺钉安装检查验收见表。
表台板调整螺钉安装台板检查安装检查验收见表。
表台板检查安装汽轮发电机组基础二次浇灌前检查验收见表。
表汽轮发电机组基础二次浇灌前检查表(续)汽轮发电机组基础二次浇灌及养护检查验收见表。
表汽轮发电机组基础二次浇灌及养护基础沉降观测检查验收见表。
表基础沉降观测轴承座(箱)清理检查验收见表。
表轴承座(箱)清理检查表汽轮发电机组轴瓦检查验收见表。
表汽轮发电机组轴瓦检查汽轮发电机组轴瓦垫块检查验收见表。
表汽轮发电机组轴瓦垫块检查合金钢部件复核验收见表。
表合金钢部件复核辅助设备和附属机械基础准备检查验收见表。
表辅助设备和附属机械基础准备辅助设备和附属机械垫铁及地脚螺栓配制安装检查验收见表。
表辅助设备和附属机械垫铁及地脚螺栓配制安装辅助设备和附属机械二次浇灌检查验收见表。
表辅助设备和附属机械二次浇灌①②附属机械轴承座(轴承室)安装检查验收见表。
表附属机械轴承座(轴承室)安装滑动轴承检查安装检查验收见表。
表附属机械滑动轴承检查安装滚动轴承检查安装检查验收见表。
表附属机械滚动轴承检查安装表(续)一般卧式离心水泵检查验收见表。
表一般卧式离心水泵检查般卧式离心水泵安装检查验收见表。
表一般卧式离心泵安装卧式离心泵试运检查验收见表。
电力建设施工及验收技术规范锅炉机组篇The Code of Erection and Acceptance ofElectric Power ConstructionSection of Steam Boiler SetDL/T5047-95主编部门:电力工业部电力建设技术经济咨询中心中国电力企业联合会标准化部批准部门:中华人民共和国电力工业部前言《电力建设施工及验收技术规范(锅炉机组篇)》(SDJ245—88)自发布实施以来,对电力工业建设和电站锅炉施工质量的提高都起到了积极的促进作用.随着我国社会主义市场经济的迅猛发展,电力工业的发展和发电质量的提高是社会经济发展的基本保证.为了确保对火力发电厂“安全、经济、稳发、满发"运行的要求,适应大机组、新设备施工的需要,我们组织有关人员对原规范进行了修改和补充,作了较大的改动,并经三次组织讨论和审定.本规范所采用或引用的有关国标、行标、文件等均为1996年1月前已发布的现行标准和文件。
新增标准36篇,更换新标准14篇,取消原规范附录十六中序号26标准1篇。
由于新标准的引用而涉及本规范的条文修改也比较多,如高强度螺栓连接,油罐安装,焊接工艺、质量,管道安装,泵类安装,整套启动试运,化学清洗,安全阀调整,蒸汽冲洗等。
由于新设备、新工艺、新材料的出现,本规范补充增加的新条款也较多,其中“3受热面”中增加了“3。
5循环泵”新增条款10条,在“5烟、风、煤管道及附属设备”中增加了“5.5烟气脱硫装置"新增条款20条,在“7。
3磨煤机”中增加了“7。
3.5MPS(ZGM)中速磨煤机”新增分条款10条,并新增附录6个,修改及更新附录4个,取消原附录1个。
本规范业经电力工业部审查、批准,并于1996年1月4日以电技[1996]6号文发布,编号为DL/T5047—95,自1996年5月1日起实施,原规范SDJ245—88同时废止。
本规范主编单位:电力工业部电力建设技术经济咨询中心中国电力企业联合会标准化部参加单位:电力工业部电力建设研究所主编人员:樊九洲陶恒声1 总则 (5)1.1一般规定 (5)1。
电力建设施工及验收技术规范汽轮机机组篇The code of erection and acceptance ofelectric powerconstruction section of steam turbine setDL 5011-92主编部门:中国电力企业联合会建工作部批准部门:中华人民共和国能源部施行日期:1992年6月中华人民共和国能源部关于颁发《电力建设施工及验收技术规范(汽轮机机组篇)》电力行业标准的通知能源基[1992]597号为适应电力建设汽轮机组安装调试发展的需要,我部委托中国电力企业联合会基建工作部组织有关单位,对1983年颁发的SDJ53—83《电力建设施工及验收技术规范(汽轮机机组篇)》进行了修订,修改了不适应的条款,补充了引进型300、600MW机组安装等新内容,修定为电力行业标准《电力建设施工及验收技术规范(汽轮机机组篇)》,标准编号为DL5011—92。
现颁发执行,原标准汽机篇SDJ53—83同时作废。
请各单位在新规范执行中总结经验,若发现问题请随时告知部基建司和中电联基建工作部。
1992年6月23日1总则1.1一般规定1.1.1本规范适用于单机容量为25~600MW,主蒸汽压力(表压)为3.4~16.7MPa(35~170kgf/cm2),主蒸汽温度为435~550℃的火力发电厂国产汽轮发电机组本体及附属设备的施工及验收工作。
对于大于或小于上述参数和容量设备,以及参数和容量类似的进口设备可参照使用。
1.1.2汽轮发电机组的施工及验收工作必须以经批准的设计和设备制造厂的技术文件为依据,如需修改设备或变更以上文件规定,必须具备一定的审批手续。
有关管道、焊接、保温、油漆、化学水处理设备、化学清洗、热工仪表及控制装置等部分的施工,应按本规范相应专业篇的规定执行。
发电厂土建工程除按国家有关建筑工程及验收规范的规定执行外,还应按本规范的《建筑工程篇》执行,在本篇中提出有关土建的特殊要求,应按本篇规定执行。