经济犯罪案件办案流程图
- 格式:docx
- 大小:151.71 KB
- 文档页数:2
经济犯罪案件办案程序目录一、案件管辖 .................................................................... ( )1二、受理、立案、破案、销案.................................. ( )2受理 (2)立案 (2)破案........................................................................................... ( 3) 销案........................................................................................... ( 3) 三、侦查 ............................................................................... ( )4调取证据 (4)讯问犯罪嫌疑人 (5)留臵盘问 (7)询问证人、被害人 (8)搜查扣押 (8)查询、冻结存款、汇款 (11)追缴赃款赃物 (12)鉴定 (13)辨认 (14)通缉 (15)侦查终结 (15)补充侦查 (17)四、强制措施...................................................................... ( 18) 拘传 . (18)取保候审 (18)监视居住 (25)拘留 (27)逮捕 (30)羁押期限 (32)其他规定 (33)五、羁押 (35)六、律师参与刑事评论 (36)七、涉外经济犯罪案件 (38)八、办案协作 (41)经济犯罪案件办案程序根据中公部《公安机关办理刑事案件程序规定》和江苏省公安厅《江苏省公安机关办理经济犯罪案件暂行规定》以及《中华人民共和国人民警察法》的规定。
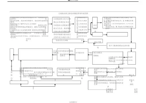
行政执法机关移送涉嫌犯罪案件流程图行政执法机关在依法查处违法行为过程中,发现违法事实行政执法机关应当立即行政执法机关正在24小时内向同级公安机关移送(附下列材料:涉及的金额、违法事实的情节、违法事实造成的后果等,指定2名或者2名以上职负责人或者主1.涉嫌犯罪案件移送书;2.涉嫌犯罪案件情况的根据刑法关于破坏社会主义市场经济秩序罪、妨害社会管行政执法人员组成专案持工作的负责人决定调查报告;3.涉案物品清单;4.有关检验报告或理秩序罪等罪的规定和最高人民法院、最高人民检察院关组专门负责,核实情况应当自接到报告批准者鉴定结论;5.其他有关涉嫌犯罪的材料)于破坏社会主义市场经济秩序罪、妨害社会管理秩序罪等后提出移送涉嫌犯罪案之日起3日内作的罪的司法解释以及最高人民检察院、公安部关于经济犯罪件的书面报告报本机关出批准移送或者案件的追诉标准等规定,涉嫌构成犯罪,依法需要追究刑正职负责人或者主持工不批准移送的决事责任的作的负责人审批定决定不批准将不予批准的理由记录在案的在24小时内转送有管辖权的机关,并书面告知不属于本公安机关移送案件的行政执法机关管辖的公安机关对行政执法机关移送的涉嫌犯罪案件,应当在涉嫌犯罪案件移送书的回执上签字有关行政执法机关对公安机关决定立案的案件,应当自书面通知移送案认为有犯罪事实,资接到立案通知书之日起3日内将涉案物品以及与案件的行政执法机需要追究刑事责料件有关的其他材料移交公安机关,并办结交接手关任,依法决定立案归续;法律、行政法规另有规定的,依照其规定的档公安机关应当自接受行政执法机关移送的涉嫌犯罪案件之日起3日内,依照刑法、刑事诉讼法以及最高人民法院、最高人民检察院属于本公关于立案标准和公安部关于公安机关办理刑安机关管事案件程序的规定,对所移送的案件进行审辖的查行政执法机关对公安机关决定不予立案的案件,应当依法作出处理;其中,依照有不予立案的复议决定仍有异议的,应当关法律、法规或者规章的规定应当给予行自收到复议决定通知书之日起3日内政处罚的,应当依法实施行政处罚建议人民检察院依法进行立案监督公安机关决定立案的公安机关仍决定不予立案的应当说明理由,并书面通知移送案件的行政执法机关,相应退回案卷材料行政执法机关接到公安机关不予立案的通知书后,认为依法应当由公安机关决定立案的,可以自接到不予立案通知书之日起3日内,提请作出不予立案决定的公安认为没有犯罪事实,或者犯罪事实显著轻微,不需要追究刑事责任,依法不予立案的作出不予立案决定的公安机关应当自收到行政执法机关提请复议的文件之日起案或者不予立案的决定,并书面通知移送案件的行政执法机关3日内作出立机关复议,也可以建议人民检察院依法进行立案监督正所谓:“穿金戴银能怎样,平平凡凡又如何,只要你能知足,就什么都不缺”要.知道有的人虽然贫穷,但感觉很幸福;有的人虽然富有,但浮而不实,忧虑重重。
城市法院执行案件办案流程示意图
概述:
城市法院执行案件办案流程是指在司法执行活动中,城市法院根据法律规定对执行案件进行处理的流程。
本文档将简要介绍城市法院执行案件的办案流程示意图。
办案流程示意图:
1. 案件受理阶段:
- 提交申请:债权人将执行申请书递交给城市法院。
- 受理审查:法院对申请材料进行审查,确认是否符合法定条件。
- 事项通知:法院根据受理情况,向相关当事人发出通知书。
2. 查封、扣押阶段:
- 查封、扣押:法院对被执行人的财产进行查封或扣押,以保障债权人的执行权益。
- 查封通知:法院通知被执行人和其他相关人员,告知财产被查封或扣押的事实和理由。
3. 评估、拍卖阶段:
- 财产评估:法院对查封、扣押的财产进行评估,确定其价值。
- 拍卖准备:法院组织准备拍卖活动,包括拍卖时间、地点等
事项。
- 财产拍卖:法院依法对财产进行公开拍卖。
4. 债务清偿阶段:
- 拍卖结果确认:法院确认拍卖结果,确定最终买受人。
- 债务清偿:最终买受人支付拍卖款项,用于清偿债务。
- 债务结案:法院根据债务清偿情况,决定是否结案。
5. 执行结束阶段:
- 财产解封:法院解除对财产的查封或扣押。
- 结案通知:法院向相关当事人发出结案通知书,宣告执行结束。
以上是城市法院执行案件办案流程的简要示意图,具体流程可
能因具体案件类型、当事人情况等而略有不同。
本示意图仅供参考,具体办案流程以法律法规和法院规定为准。
第1篇一、引言经济案件是指涉及经济活动的犯罪案件,如贪污、受贿、挪用公款、金融诈骗等。
随着我国经济的快速发展,经济案件的数量逐年增加,严重影响了社会的和谐稳定。
为了维护法律的尊严和社会的公平正义,对经济案件犯人必须依法进行审判。
本文将详细介绍经济案件犯人的法律程序。
二、立案1. 报案:当事人或有关单位发现经济犯罪线索后,应向公安机关报案。
2. 受理:公安机关接到报案后,应及时受理,对报案材料进行审查。
3. 立案:公安机关对报案材料审查后,认为有犯罪事实需要追究刑事责任的,应当立案侦查。
三、侦查1. 侦查措施:公安机关在侦查过程中,可以采取询问证人、被害人,勘验、检查,扣押、冻结财产,鉴定,通缉等侦查措施。
2. 侦查期限:侦查期限一般不超过六个月,重大、复杂的案件,经上级公安机关批准,可以延长三个月。
3. 侦查终结:侦查机关对经济案件侦查终结后,应当制作侦查终结报告,并提出起诉意见书。
四、起诉1. 检察机关审查:人民检察院对侦查机关移送的经济案件进行审查,认为犯罪事实清楚,证据确实、充分的,应当提起公诉。
2. 起诉书:人民检察院向人民法院提起公诉,应当制作起诉书,明确指控的犯罪事实、证据和适用法律。
3. 送达:人民法院收到起诉书后,应当在法定期限内送达被告人和辩护人。
五、审判1. 开庭:人民法院对经济案件进行审判,应当公开进行,被告人有权委托辩护人参加诉讼。
2. 举证质证:在审判过程中,公诉机关、被告人及其辩护人有权进行举证、质证。
3. 法庭调查:人民法院对案件进行法庭调查,包括对证据的审查、对被告人的询问等。
4. 法庭辩论:公诉机关、被告人及其辩护人进行法庭辩论。
5. 判决:人民法院根据案件的事实、证据和法律,依法作出判决。
六、执行1. 判决生效:一审判决生效后,被告人对判决不服的,可以向上一级人民法院提出上诉。
2. 执行:判决生效后,人民法院应当将判决书送达有关单位或个人,并依法执行。
3. 执行异议:被执行人、担保人对执行有异议的,可以向执行法院提出执行异议。
经济案件的详细流程下载温馨提示:该文档是我店铺精心编制而成,希望大家下载以后,能够帮助大家解决实际的问题。
本文下载后可定制随意修改,请根据实际需要进行相应的调整和使用。
并且,本店铺为大家提供各种各样类型的实用资料,如教育随笔、日记赏析、句子摘抄、古诗大全、经典美文、话题作文、工作总结、词语解析、文案摘录、其他资料等等,如想了解不同资料格式和写法,敬请关注!Downloaded tips: This document is carefully compiled by the editor. I hope that after you download them, they can help yousolve practical problems. The documents can be customized and modified after downloading, please adjust and use it according to actual needs, thank you!In addition, our shop provides you with various types of practical materials, such as educational essays, diary appreciation, sentence excerpts, ancient poems, classic articles, topic composition, work summary, word parsing, copy excerpts,other materials and so on, want to know different data formats and writing methods, please pay attention!经济案件的详细流程是一个复杂而严肃的问题,其中涉及着各种法律和经济知识。
经侦大队权力运行制度及流程图目录1、妨害对公司企业管理秩序类案件办理制度……………2—102、侵犯知识产权类案件办理制度…………………………11—193、扰乱市场秩序类案件办理制度…………………………20—284、金融诈骗类案件办理制度………………………………29—375、破坏金融管理秩序类案件办理制度……………………38—476、侵犯财产类案件办理制度………………………………48—567、危害税收征管秩序类案件办理制度……………………57—658、资助恐怖活动类案件办理制度…………………………66—739、走私假币类案件办理制度………………………………74—8210、案件流程及廉政风险识别图……………………………83—92妨害对公司企业管理秩序类案件办理制度一、责任单位安仁县公安局经侦大队二、责任人安仁县公安局经侦大队实行支队长负责下的岗位分工责任制,大队长主持支队全面工作,并对大队工作负全面责任,大队其他民警按照岗位分工,分别承担各自的工作任务。
侵犯财产类刑事案件办理的责任人为大队长、副大队长、承办人。
三、权力行使及办理依据(一)权力行使依据1、《中华人民共和国人民警察法》;2、《中华人民共和国刑事诉讼法》;3、《中华人民共和国刑事诉讼法》。
(二)办理依据1、《公安机关办理刑事案件程序规定》(公安部令第35号);2、《关于印发《公安部刑事案件管辖分工规定》的通知》(公通字(1998)80号)。
3、《公安机关办理经济犯罪案件的若干规定》(公通字[2005]101号)。
四、案件类别(一)虚报注册资本案;(二)虚假出资、抽逃出资案;(三)欺诈发行股票、债券案;(四)违规披露、不披露重要信息案;(五)妨害清算案:(六)隐匿、故意销毁会计凭证、会计账簿、财务会计报告案;(七)虚假破产案;(八)非国家工作人员受贿案;(九)对非国家工作人员行贿案;(十)非法经营同类营业案;(十一)为亲友非法牟利案;(十二)签订、履行合同失职被骗案;(十三)国有公司、企业、事业单位人员失职案;(十四)国有公司、企业、事业单位人员滥用职权案;(十五)徇私舞弊低价折股、出售国有资产案;(十六)背信损害上市公司利益案。
民警对经济犯罪案件的调查与取证程序近年来,随着社会经济的不断发展,经济犯罪案件呈现出日益复杂的趋势。
作为维护社会稳定和公正的重要力量,民警承担着对经济犯罪案件的调查和取证工作,以确保犯罪分子受到法律的制裁,并维护社会正义。
本文将对民警对经济犯罪案件的调查与取证程序进行详细论述。
一、依法立案民警接到报案后,首先需要进行案件登记和初步审查。
在初步审查过程中,民警将了解案件的基本情况,评估案件性质和重要性,并确定是否符合立案条件。
只有符合立案条件的案件才能进入下一步的调查程序。
二、调查准备在调查准备阶段,民警需要收集案件相关的材料和证据。
这可能包括询问涉案人员,调查涉案物品或资金流向,并进行相关调查取证工作。
此外,民警还可能需要协助法医人员进行尸体检验、鉴定等工作,以获取更全面的证据。
三、侦查取证在侦查阶段,民警将深入调查与取证。
他们会通过多种方式搜集证据,包括但不限于调查涉案人员的银行交易记录、财产状况、电话短信记录等。
此外,民警还可以使用技术手段,如监控摄像头等设备,以收集更多的证据。
在这个过程中,他们需要确保证据的合法性和完整性,以充分确凿地揭示犯罪事实。
四、取证记录在取证工作中,民警需要做好详细的取证记录。
他们应当将每一步取证行动都详细记录下来,包括时间、地点、人员、案发经过等。
这些记录将成为后续法庭审理的重要依据,确保案件的公正性和合法性。
五、证据保全为了确保证据的安全性和可靠性,民警在取证过程中必须严格遵守相关程序,对证据进行妥善保管。
他们应该采取适当的措施,防止证据被篡改、销毁或泄漏,确保证据链的完整性。
此外,民警还需要注意保护证据的真实性和可信度,以避免错误判案的发生。
六、案件移交在侦查工作结束后,民警将组织相关人员进行案件的综合研判和评估,并根据证据的充分性和犯罪嫌疑人的情况,决定是否将案件移交给检察机关或法院审理。
移交工作需要严格按照法律程序进行,确保人民群众的合法权益得到保护。
七、维护社会公正民警的工作不仅仅是调查和取证,更重要的是维护社会公正。