纯化水系统日常检查记录
- 格式:docx
- 大小:10.84 KB
- 文档页数:1
GMP纯化水系统运行检查记录日期:__________________检查人:__________________检查仪器:__________________1.检查仪器准备1.1确保检查仪器已校准,并且正常工作。
1.2调整仪器到正确的检测模式,并保持稳定。
2.检查纯化水系统设备2.1检查纯化水系统设备的外观是否有任何损坏或异常。
2.2检查水泵、管道、阀门等设备是否运行正常,并且无泄漏情况。
2.3检查纯化水系统设备的温度、压力是否在正常范围内。
记录下温度和压力值。
3.检查纯化水供应质量3.1检查纯化水系统的原水质量是否满足要求,如有变化记录下具体参数。
3.2检查纯化水的电导率是否在合适的范围内。
记录下电导率值。
3.3取样并测试纯化水的微生物指标,如菌落总数、大肠菌群等。
记录下测试结果。
4.检查纯化水系统操作和记录4.1检查操作日志和记录,确保运行正常并且及时记录。
4.2检查设备校准记录,确保各项仪器设备都进行了定期校准。
4.3检查纯化水系统维护记录,确保定期维护工作得到执行。
4.4检查发生过的故障和问题的处理记录,确保问题得到解决。
4.5检查消毒程序和记录,确保纯化水系统被定期消毒。
4.6检查其它相关记录,如使用材料记录、故障维修记录等。
5.检查纯化水系统清洁和维护5.1检查纯化水系统设备的清洁情况,如管道、反应器等。
5.2检查纯化水系统设备的滤芯和膜的更换情况,如何更换时间和方法。
5.3检查纯化水系统设备的洗涤剂和消毒剂的使用情况,如何使用和存储。
6.检查纯化水系统的风险评估和控制6.1检查对纯化水系统的各种风险进行的评估和控制措施的执行情况。
6.2检查纯化水系统的紧急事件处理程序和记录,确保应急措施得到执行。
6.3检查纯化水系统的紧急备份设备和备件的存在和可用性。
7.总结和纪录7.1对纯化水系统的检查进行总结,并记录下发现的问题和需要改进的地方。
7.2确定下一步的改进措施,并制定改进计划。
纯化水微生物限度检查记录
检品名称:检验批号:取样水口:
检品来源:检品数量:取样人:
检验日期:年月日至年月日
标准规定:依据《中国药典》2015 年版二部,采用薄膜过滤法依法检查,需氧菌不得过100cfu/ml。
1. 实验环境条件:环境洁净度10000级下的局部洁净度100级的单向流空气区域。
微限室:室温:℃,湿度:%,压差:相对室外Pa ;相对二更Pa 日期:
阳性室:室温:℃,湿度:%,压差:相对室外Pa ;相对走廊Pa 日期:
2.方法:采用薄膜过滤法依法检查,先将少量PH7.0氯化钠-蛋白胨缓冲液过滤以润湿滤膜,加入供试液 ml,再用PH7.0氯化钠-蛋白胨缓冲液(冲洗量ml/膜)冲洗滤膜,取滤膜贴于R2A琼脂培养基。
3.用于阳性对照菌液的制备:
铜绿假单胞菌菌(菌种编号:),用0.9%无菌Nacl溶液进行十倍稀释至含菌量为10~100cfu/ml。
注:“-”无菌生长或阴性反应,“+”表示有菌生长或阳性反应。
“”表示未做此项检测。
检验人:日期:复核人:日期:。
纯化水检查记录表1. 介绍纯化水是指通过各种物理、化学和生物方法处理获得的除去大部分杂质和离子的水。
在实验室、制药、电子、化妆品等行业中,纯化水是一种重要的原料。
为了确保纯化水的质量符合需要,需要进行定期的检查和记录。
本文档将介绍纯化水检查记录表的使用方法以及填写要求。
2. 纯化水检查记录表使用方法下面是纯化水检查记录表的使用方法:2.1. 填写日期在记录表的顶部,有一个日期的填写位置,请在每次进行检查时填写当天的日期。
2.2. 填写负责人在记录表中,有一个负责人的填写位置,请填写进行检查的负责人的姓名。
2.3. 填写检查项目在表格的左侧列中,列出常见的纯化水检查项目,如水温、电导率、溶解氧、pH值等等。
根据实际需求,可以在列表中增加或删除项目。
2.4. 填写检查结果在表格的右侧列中,填写每个检查项目的具体数值或结果。
对于数值型的数据,可以直接填写测量的数值;对于结果型的数据,可以填写合格或不合格。
2.5. 填写备注在表格的最后一列,填写与每个检查项目相关的备注信息。
例如,检查中发现异常情况,可以在备注中说明具体原因,并记录下后续处理的情况。
2.6. 签字确认在记录表底部,有一个签字确认的位置,请填写进行检查的人员的签名和日期。
3. 纯化水检查记录表样例日期负责人水温(℃)电导率(μS/cm)溶解氧(mg/L)pH值备注2022-01-01 张三25.5 10 6.5 7.02022-01-02 李四26.0 12 7.0 7.22022-01-03 王五24.5 8 6.8 6.8 pH值偏低,进行调整处理4. 纯化水检查记录表填写要求为了保证纯化水检查记录的准确性和可读性,有以下填写要求:•日期的填写要正确无误,使用YYYY-MM-DD的格式。
•负责人的姓名填写清晰,确保负责人可以被准确识别。
•检查项目的填写要准确无误,确保所有重要的检查项目都被包括。
•每个检查项目的结果填写要清晰明确,使用数值或合格/不合格等方式表示。
纯化水日常监控及检测管理制度一、目的为加强纯化水的日常监控及检测管理,保障生产和使用的安全性和质量,制定本制度。
二、适用范围适用于公司和生产部门(车间)的纯化水日常监控及检测管理。
三、管理要求1. 建立专门的纯化水检测实验室并制定相应的管理制度。
2. 检测仪器设备,必须符合国家标准,且要定期保养、校准。
并严格按照使用规范操作。
3. 每批次纯化水都必须进行检测,确保符合标准,并留有检测记录。
4. 检测项目应包括:电导率、总硬度、自由氯、氯化物、硝酸根、亚硝酸盐、铁、锌、铜、锰、氧化还原电位等指标。
5. 建立纯化水使用登记表,并进行日常记录,以便随时掌握纯化水的使用情况。
6. 针对纯化水的每一批次都有可追溯性,有关数据在电子数据管理系统中存储,保留期限为两年。
7. 对于检测不合格的纯化水,必须及时采取措施,避免向生产环节投入。
8. 建立人员培训制度,保证检测人员素质和技能。
员工必须接受定期的培训、考核。
9. 经过国家和地方质量监测机构检测证明合格的纯化水,可以投入生产使用。
但日常监测检测不得省略。
四、操作程序1. 纯化水样品的采集、准备和处理应严格按照规定的方法进行。
2. 检测人员应持有资格证书,并在使用检测仪器前进行必要的检查和调整。
3. 严格按照检测方法,操作检测仪器。
4. 检测结果必须及时录入电子数据管理系统,并留存纸质记录。
5. 对于不符合标准的检测结果,应及时进行再次检测,确保质量。
6. 对于不符合标准的纯化水,应及时向生产控制人员汇报,停止使用。
7. 对于检测仪器的维护与保养,应制定相应的方案并执行。
出现故障应及时找到原因并进行修理或更换。
五、监督检查1. 纯化水检测实验室的检查由公司或生产部门的质量管理人员进行。
2. 对每批次纯化水的检测记录,应定期进行复核,避免出现漏检、误检的情况。
3. 对检测结果不符合要求的情况,应及时进行调查并采取相应的纠正措施。
4. 对于检测结果不符合标准的纯化水,应停止生产使用,并进行处理。
检品编号:共3 页第1 页[性状] 本品为(规定:应为无色的澄清液体;无臭,无味)单项结论:[检查]酸碱度取本品10ml,加甲基红指示液2滴,___________;另取10ml,加溴麝香草酚蓝指示液5滴,____________。
(规定:检品与两种指示液均不得显色)单项结论:硝酸盐取本品5ml置试管中,于冰浴中冷却,加10%氯化钾溶液0.4ml与0.1%二苯胺硫酸溶液0.1ml,摇匀,缓缓滴加硫酸5ml,摇匀,将试管于50℃水浴中放置15分钟,溶液产生的蓝色与标准硝酸盐溶液【取硝酸钾0.163g,加水溶解并稀释至100ml,摇匀,精密量取1ml,加水稀释成100ml,再精密量取10ml,加水稀释成100ml,摇匀,即得(每1ml相当于1μgNO3)】0.3ml,加无硝酸盐的水4.7ml,用同一方法处理后的颜色比较____________。
(规定:检品与对照品用同一方法处理后的颜色比较,不得更深)单项结论:亚硝酸盐取本品10ml,置纳氏管中,加对氨基苯磺酰胺的稀盐酸溶液(1 → 100)1ml与盐酸萘乙二胺溶液(0.1 → 100)1ml,产生的粉红色,与标准亚硝酸盐溶液[取亚硝酸钠0.750g(按干燥品计算),加水溶解,稀释至100ml,摇匀,精密量取1ml,加水稀释成100ml,摇匀,再精密量取1ml,加水稀释成50ml摇匀,即得(每1ml相当于1μgNO2)]0.2ml,加无亚硝酸盐的水9.8ml,用同一方法处理后的颜色比较,_______________。
(规定:检品与对照品用同一方法处理后的颜色比较,不得更深)单项结论:检验者:核对者:年月日年月日检品编号:共3 页第2 页氨取本品50ml,加碱性碘化汞钾试液2ml,放置15分钟;如显色,与氯化铵溶液(取氯化铵31.5mg,加无氨水适量使溶解并稀释成1000ml)1.5ml,加无氨水48ml与碱性碘化汞钾试液2ml制成的对照液比较,_________________。
题目:Title 纯化水系统的质量监测MONITORING THE PURIFIED WATER SYSTEM起草/修订人:Author 日期:Date部门主管审查:Dept. Head Approval 日期:DateQA批准:Approved by QA 日期:Date分发:Distribution:QA、QC、工程QA, QC, Engineering目的:制订纯化水系统的日常质量监测及偏差处理规程,确保纯化水的质量符合要求。
PURPOSE: This document defines the procedure for routine quality monitoring and deviation disposition on purified water system to ensure the purified water quality meets therequirement.范围:适用于公司内纯化水系统(包括纯化水制备系统、纯化水使用点及取样点)的日常质量监测。
在非日常监测(如验证、再验证以及要求的研究)期间,根据具体的监测方案进行;在此期间相关的日常监测暂停。
SCOPE: This SOP is applicable to the routine monitoring on purified water system (including purified water generator system, use points and sampling points)During the non-routine monitoring period (such as validation, re-validation and specialstudies), the monitoring will be conducted in accordance with the specific protocol. Theroutine monitoring can be paused during such non-routine monitoring period.参考文件:REFERENCE AND ATTACHMENT:SOP/题目SOP/TITLE 记录/附件/题目FORMS/ATTACHMENTS/TITLE 1-3002 偏差调查附件1:纯化水系统中的使用点和取样点Deviation Investigations Attachment 1: Point-of-use and sampling pointlocations in the purified water systemF-02-014 纯化水系统取样记录Purified water system samplinglogbook定义:N/ADEFINITIONS:规程:PROCEDURE:题目:Title 纯化水系统的质量监测MONITORING THE PURIFIED WATER SYSTEM责任人操作RESPONSIBILITY ACTION1. 系统描述SYSTEM DESCRIPTION1.1 纯化水系统由2部分组成:Purified water system consists of 2 portions:1.1.1 制备系统:包括相应的设备单元和管路。
纯化水制备操作记录操作记录日期:xxxx年xx月xx日制备纯化水的目的是为了获得高纯度的水样,以满足实验、生产或其他需要。
本次操作记录主要记录了制备纯化水的步骤和所用到的设备、试剂以及操作细节,旨在保证操作的准确性和可重复性。
一、实验步骤1. 准备工作:在实验室准备好所需设备和试剂。
确保实验室环境整洁,并确认所有操作台面和试剂瓶子清洁干净。
2. 检查设备:检查纯化水设备,确保设备运行正常,配件无损坏。
检查反渗透膜的通透性,必要时更换新的反渗透膜。
3. 准备原水贮槽:将原水贮槽内的底泥清除干净,并用干净的水彻底冲洗,以确保原水的质量。
4. 打开水源:打开原水贮槽的进水阀门,充分冲洗原水贮槽,清除可能存在的杂质。
5. 打开纯化水设备:按照设备说明书的要求,打开纯化水设备的主电源开关和设备运行开关,确保设备正常运行。
6. 进水处理:将原水通过预处理系统处理。
根据预处理系统的安装配置,连接原水贮槽和预处理系统的进水口。
7. 反渗透过滤:待预处理系统完成对原水的预处理后,将预处理后的水通过反渗透膜进行过滤。
将处理后的水通过管道连接到纯化水贮槽。
8. 后处理调节:通过后处理设备对过滤后的水进行再处理和调节。
确保水质指标满足纯化水的要求。
9. 检测纯化水质:取一部分纯化水样品,并使用适当的检测工具或方法进行检测。
检测项目包括水质指标、微生物等。
10. 存储纯化水:将符合要求的纯化水转移至洁净、密封的容器中,注意防止二次污染。
二、所用设备和试剂1. 设备:a. 纯化水设备:包括反渗透设备、预处理设备和后处理设备等。
b. 操作台和工作台。
c. 容器:用于贮存纯化水的容器。
2. 试剂:a. 清洁剂:用于清洗设备和容器,确保无杂质。
b. 检测试剂:用于检测纯化水的水质指标、微生物等。
三、操作细节1. 注意安全:操作过程中需佩戴实验室个人防护装备,如实验手套、防护眼镜等。
避免接触到试剂或设备可能造成伤害的部分。
2. 设备消毒:在操作前,对相关设备进行消毒处理,以防止细菌、病毒等的污染。
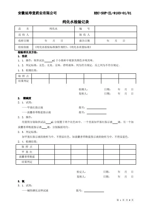
检验项目及方法:1.性状1.1.操作:取供试品 ml于小烧杯中观察其颜色并嗅其味。
1.2.判定标准:无色、无臭、无味、澄明液体,判为符合规定,反之判为不符合规定。
1.3.检测结果:检测人:日期:年月日复核人:日期:年月日2.酸碱度2.1.试剂:——甲基红指示液批号:——溴麝香草酚蓝指示液批号:2.2.操作:用量筒分别取供试品 ml分别置于两个比色皿中,一个里面加甲基红指示液滴,另一个加溴麝香草酚蓝指示液滴,分别振摇均匀。
2.3.判定标准:加甲基红指示液的烧杯当中,不得显红色。
加溴麝香草酚蓝指示液的烧杯当中,不得显蓝色。
2.4.检测结果:检定人:日期:年月日复核人:日期:年月日3.氨3.1.试剂:——碱性碘化汞钾试液批号:——氯化铵溶液批号:3.2.操作:取供试品 ml于比色管中,加碱性碘化汞钾试液 ml,放置15分钟。
取氯化铵溶液 ml于比色管中,加无氨水 ml,加碱性碘化汞钾试液 ml,制成对照管,放置15分钟。
以上两管应同时操作,到时间以后,将两管同置白色背景自上向下观察。
3.3.判定标准:供试品液管颜色不得深于对照液管(氨的含量不超过0.00003%)判为符合规定,反之,判为不符合规定。
3.4.检测结果:检定人:日期:年月日复核人:日期:年月日4.硝酸盐4.1.仪器:——恒温水浴锅型号:设备编号:4.2.试剂:——标准硝酸盐溶液批号:——10%氯化钾溶液批号:——0.1%二苯胺硫酸溶液批号:——硫酸批号:4.3.操作:取供试品 ml于比色管中。
取标准硝酸盐溶液 ml,加无硝酸盐的水 ml于比色管中。
将以上两管,同置于冰浴中,均加10%氯化钾溶液 ml与0.1%二苯胺硫酸溶液 ml摇匀,缓缓滴加硫酸 ml,摇匀,将两管放于℃水浴中放置15分钟。
4.4.判定标准:供试品液管产生的颜色不得深于标准液管者判为符合规定(0.000006%),反之,判为不符合规定。
4.5.检测结果:检定人:日期:年月日复核人:日期:年月日5.亚硝酸盐5.1.试剂:——标准亚硝酸盐溶液批号:——对氨基苯磺酰胺的稀盐酸溶液批号:——盐酸萘乙二胺溶液批号:5.2.操作:取供试品 ml于比色管中。
纯化水系统储罐及输送管道清洁、消毒记
录
XXXGMP管理文件:纯化水系统储罐及输送管道清洁、
消毒记录文件编号为SB-RD020-01.
清洁液和消毒液的配制方法如下:0.1%NaOH溶液的制备方法为称取NaOH,加入纯化水中溶解,再加入适量的纯化水。
3%双氧水溶液的制备方法为称取H2O2,加入纯化水中稀释,再加入适量的纯化水。
原水罐和中间水罐的清洁过程如下:先打开原水罐或中间水罐的上盖,用毛刷清除罐内壁上的污垢,用饮用水将罐内的污垢冲洗干净,然后再用饮用水冲洗干净。
清洁结果要进行目视检查,确保罐内壁洁净,冲洗水澄清且无异物。
纯化水储罐和输送管道的清洁过程如下:首先将储罐、水泵、管道开启为循环通路,制纯化水至纯化水储罐的2/3,打
开储罐喷淋球阀门,开启水泵进行循环,持续35分钟后,打
开排水阀,将水排净。
然后将NaOH(化学纯)用纯化水配制成
0.1%的溶液,用水泵循环清洗30分钟以上,打开排水阀,排
放全部碱液。
最后用PH值试纸检测冲洗水为中性为止。
消毒方法可以选用臭氧消毒或双氧水消毒。
臭氧消毒的方法是先启动循环水泵,再启动水处理臭氧发生器,打开不锈钢气液混合阀将臭氧通入输送管道,循环消毒1小时。
双氧水消毒的方法是将制纯化水加入纯化水储罐的2/3,加入双氧水配
成3%的溶液,用水泵循环30分钟以上,打开排水阀,排放
全部消毒液。
消毒后用新制备纯化水循环冲洗,边冲洗边排放,冲洗30分钟以上,从储罐的取样口和回水取样口取纯化水检测,确保纯化水酸碱度合格、5≤PH≤7、电导率≤4μS/cm。
島津CS—9301型薄層掃描器維護保養規程
目的:制訂CS—9301型薄層掃描器維護保養規程。
適用範圍:CS—9301型薄層掃描器維護保養.
責任:檢驗室操作人員執行本規程。
檢驗室主任監督本規程的執行.
程序:
1.儀器的維護.
1.1儀器室的溫度控制在18~30℃;濕度爲30%~60%。
1。
2儀器使用完畢,要用保護罩遮蓋以防塵.
1.3樣品室要保持清潔乾淨,使用完畢,要以紗布擦乾淨.
1.4樣品台避免與酸、堿及有機溶劑接觸,使用完畢可用乙醇擦乾淨。
1.5低壓汞燈的維護:凡需使用低壓汞燈,均需記錄使用時間.
1。
6儀器運作過程中,切勿打開主機蓋.
1。
7儀器主機蓋不能用力上拉或下壓。
1.8儀器性能要定期檢定,保證儀器的準確性.
2。
儀器的保養。
2。
1儀器波長準確度的檢查:用低壓汞燈在200~700nm波長範圍內以熒光方式對空白的矽膠薄層板掃描零吸收圖譜。
圖譜中峰位波長與相應已知波長(253.6,313.0,334.2,365。
0,404。
7,435。
8,546。
1,578.0nm)的差值,應不大於±8nm。
2.2薄層斑點掃描積分值重視性的考核:于矽膠G薄層板上點樣2ml波度約爲0。
5mg/ml。
甲基黃的甲醇溶液,以苯爲展開劑,展開50cm後晾乾,掃描10次,波長爲λs=400nm,λR=600nm,以甲基黃斑點的吸收度積分值計算相對標準偏差.鋸齒掃描相對標準偏差應≤1。
5%線性掃描相對標準偏差應≤。
纯化水检验原始记录纯化水是指经过各种净化手段处理后的水,其中去除了大部分或所有悬浮物、有机物、离子和微生物。
在实验室和工业生产中,纯化水经常被用作实验试剂和工业原料。
为了确保纯化水的质量和纯度符合要求,在生产和使用过程中需要对纯化水进行检验。
本次实验将对纯化水的质量进行检验,并记录实验结果。
实验名称:纯化水检验实验目的:1.检验纯化水的质量和纯度是否符合要求;2.验证纯化水的各项指标是否在规定范围内。
实验器材:1.纯化水;2.pH计;3.电导率仪;4.紫外可见分光光度计;5.毛细管;6.干燥皿;7.温度计;8.纸巾;9.手套;10.安全护目镜。
实验步骤:1.戴上手套和安全护目镜,确保实验操作的安全性。
2.取得一瓶纯化水样品。
3.进行外观检查:观察纯化水的颜色、透明度和悬浮物是否存在。
4.进行pH值检测:将pH电极插入纯化水中,待数值稳定后记录pH 值。
5.进行电导率检测:将电导率仪探头插入纯化水中,待数值稳定后记录电导率。
6.进行紫外可见光谱检测:取一定量的纯化水样品,通过纸巾过滤去除悬浮物,倒入紫外可见分光光度计中,扫描波长范围,记录吸光度值。
7.进行溶解氧检测:将毛细管插入纯化水样品中,尽量避免气泡产生,待读数稳定后记录溶解氧值。
8.进行温度检测:使用温度计测量纯化水的温度,记录温度值。
9.进行高纯度指标检测:依照高纯水的要求,检测纯化水的指标是否符合要求,如溶解无机离子、有机物含量等。
10.做好实验记录和整理实验数据。
实验结果:1.外观检查:纯化水呈无色透明,无悬浮物存在。
2.pH值检测:纯化水的pH值为7,符合中性。
3. 电导率检测:纯化水的电导率为0.05 μS/cm,低于规定的标准值。
4.紫外可见光谱检测:纯化水在紫外可见光谱范围内无吸光峰,表明无有机物存在。
5. 溶解氧检测:纯化水的溶解氧为8.0 mg/L,高于规定的标准值。
6.温度检测:纯化水的温度为25°C,符合要求。
纯化水系统平时检查记录
设备名称检查要求检查结果仪器仪表工作正常并在校验有效期内□是□否压缩空气压力应在 ( 0.6-1.0 ) MPa □是□否管道、阀门连结处无泄露□是□否泵运转安稳、无异响、无泄露□是□否设施连结处和密封处无泄露□是□否加药装置有足够的溶液并在有效期内□是□否盐箱盐水保持饱和状态底部有可见盐晶体□是□否原水罐为克制微生物生长,保证出水余氯>0.3mg/L 数值:
系统按程序进行自动反洗□是□否多介质过滤器
出水污介入数 SDI < 5 数值:
系统按程序进行自动反洗□是□否活性炭过滤器
出水余氯< 0.1ppm 数值:
系统按程序进行自动重生□是□否融化器
出水硬度< 0.03mmol/L 数值:
异样状况及办理举措:
检查人 /日期复核人/日期
1 / 1。