三、四等水准测量步骤
- 格式:docx
- 大小:41.88 KB
- 文档页数:10
简述四等水准测量的步骤
四等水准测量是一种常用的测量方法,用于确定水平面和地形的高低起伏。
以下是四等水准测量的基本步骤:
1. 准备工作:在测量之前,需要对现场进行勘测,确定测量区域的边界、水准原点和测量站点的位置。
还需要准备水准仪、水准尺等测量工具,并检查它们的精度和灵敏度。
2. 设置水准原点:在水准测量中,水准原点是一个重要的基准点,用于确定测量起点和终点。
通常选择地形高程最高的点作为水准原点,并在原点周围设置水准线路。
3. 测量水准线段:使用水准仪测量水准线段的长度,并将其记录在水准测量报告中。
通常使用两个水准仪进行测量,一个在水准原点附近,另一个在线段的起点和终点处。
4. 测量水平面:在水准线段测量完成后,使用水准仪测量线段两端点之间的水平面距离,并将其记录在水准测量报告中。
通过计算水平面距离和水准原点到线段两端点的距离,可以确定水平面高低起伏的位置。
5. 整理测量结果:在完成水准测量后,需要对测量结果进行整理和报告,包括测量起点、终点、水准线段和水平面的距离、高度等信息。
6. 后处理:在测量完成后,需要对测量结果进行后处理,包括检查测量工具的精度和灵敏度、对测量结果进行修正、计算水平面高低起伏的位置等。
四等水准测量是一种高精度的测量方法,可以测量出复杂的地形和地貌,并为地形分析和工程设计提供重要的数据支持。
在进行四等水准测量时,需要仔细准备测量工具、精确测量、准确记录和后处理测量结果,以确保测量结果的准确
性和可靠性。
三等、四等水准测量方法三等、四等水准测量常用于小地区测绘地形图和施工测量的高程基本控制。
1、观测程序以DS3型水准仪及双面水准尺在一个测站上的观测步骤为例:(1)瞄准后视水准尺黑面,精平,读取上、下视距丝和中丝读数,记入记录表2-2中(1)、(2)、(3);(5)、(6);(3)瞄准前视水准尺红面,读取中丝读数,记入记录表中(7);(4)瞄准后视水准尺红面,读取中丝读数,记入记录表中(8)。
这样的观测顺序简称为“后-前-前-后”,其优点是可以减弱仪器下沉误差的影响。
概括起来,每个测站共需读取8个读数,并立即进行测站计算与检核,满足三等、四等水准测量的有关限差要求后方可迁站。
2、测站的计算与校核(1)视距部分视距等于下丝读数与上丝读数的差乘以100。
后视距:(9)=100×[(1)-(2)]前视距:(10)=100×[(4)-(5)]计算前、后视距差(11):(11)=(9)-(10),对于四等水准测量,(11)不得超过5m。
计算前、后视距离累积差(12):(12)=上站(12)+本站(11),对于四等水准测量,(12)不得超过10m。
(2)水准尺读数检核同一水准尺黑面与红面读数差的检核:K1=(13)=(7)-(6)K1=(14)=(8)-(3)Ki为双面水准尺的红面分划与黑面分划的零点差(常数,为4.687m或4.787m)。
三等水准测量不得大于2mm,四等水准测量不得大于3mm。
(3)高差计算与校核按前、后视水准尺红、黑面中丝读数分别计算该站高差:黑面高差:(15)=(3)-(6)红面高差:(16)=(8)-(7)红黑面高差之差:(17)=(15)-(16)=(14)-(13)(17)应为100mm(原因是:使用配对的水准尺,尺常数相差100mm)。
如果观测没有误差,对于四等水准测量,(17)与100mm的误差不得超过5mm。
红黑面高差之差在容许范围以内时取其平均值,作为该站的观测高差:(18)={(15)+[(16)±100mm]}/2上式计算时,当(15)>(16),100mm前取正号计算;当(15)<(16),100mm前取负号计算。
三四等水准的测量方法水准测量是一种测量地面高程差异的方法,用于确定点之间的相对高度。
根据精度的要求,水准测量可以分为一、二、三和四等水准。
在此,我们将重点介绍三、四等水准的测量方法。
三等水准是一种中等精度要求的水准测量,适用于城市规划、工程建设及土地调查等方面。
它通常采用变换水准法进行测量。
变换水准是通过仪器测量控制点的高程,然后沿着测量线进行测量,将高程值通过计算和调整传递到目标点。
变换水准测量包括以下步骤:1.建立高程基准点:在观测区域内选择合适的基准点,其高程已知。
这些基准点可以是水准标志或测量图上的高程点。
2.设置测量线路:根据测量任务的需求,在测量区域内选择测量线路。
测量线路应具备避开障碍物、地形较为平坦的特点。
3.布设控制点:根据测量线路的长度和地形的变化,确定适量的控制点,控制点应覆盖整个测量区域,使之与基准点连成闭合回路。
4.进行测量观测:使用水准仪或全站仪,在控制点上进行测量观测,记录高差和水平距离。
5.数据处理与计算:将观测到的高差和水平距离数据进行处理与计算,得到各控制点的高程值。
6.调整水准回路:根据计算得到的结果,对整个水准回路进行调整,以消除系统误差和观测误差。
常用的调整方法有平差法和最小二乘法。
7.高程传递:将调整后的高程值通过计算沿着测量线路传递到目标点。
四等水准是一种相对精度较低的水准测量,适用于一般土地调查和农田的高程测量。
相对于三等水准,四等水准需要更少的控制点和观测次数,因此成本更低。
四等水准采用的是闭合水准测量法。
闭合水准测量法包括以下步骤:1.建立高程基准点:在观测区域内选择一个基准点,其高程已知。
这个基准点可以是水准标志或测量图上的高程点。
2.设置测量线路:根据测量任务的需求,在测量区域内选择测量线路。
测量线路应具备地形较为平坦的特点。
3.布设控制点:根据测量线路的长度和地形的变化,确定适量的控制点,控制点应覆盖整个测量区域。
4.进行测量观测:使用水准仪或全站仪,在控制点上进行测量观测,记录高差和水平距离。
三、四等水准测量控制测量除了要完成平面控制测量外,还要进行高程控制测量。
小区域地形测图或施工测量中,多采用三、四等水准测量作为高程控制测量的首级控制。
一、三、四等水准测量(leveling) 的技术要求1、高程系统:三、四等水准测量起算点的高程一般引自国家一、二等水准点,若测区附近没有国家水准点,也可建立独立的水准网,这样起算点的高程应采用假定高程。
2、布设形式:如果是作为测区的首级控制,一般布设成闭合环线;如果进行加密,则多采用附合水准路线或支水准路线。
三、四等水准路线一般沿公路、铁路或管线等坡度较小、便于施测的路线布设。
3、点位的埋设:其点位应选在地基稳固,能长久保存标志和便于观测的地点,水准点的间距一般为 1 —1. 5km山岭重丘区可根据需要适当加密,一个测区一般至少埋设三个以上的水准点。
4、三、四等及五等水准测量的精度要求和技术要求列于表中。
二、三、四等水准测量的观测方法三、四等水准测量观测应在通视良好、望远镜成像清晰及稳定的情况下进行。
一般采用一对双面尺1、三等水准一个测站的观测步骤:(后-前- 前- 后;黑- 黑- 红- 红)八、、/(1)照准后视尺黑面,精平,分别读取上、下、中三丝读数,并记为(1)、(2)、(3)。
(2)照准前视尺黑面,精平,分别读取上、下、中三丝读数,并记为(4)、(5)、(6)。
(3)照准前视尺红面,精平,读取中丝读数,记为(7)(4)照准后视尺红面,精平,读取中丝读数,记为(8)这四步观测,简称为“后一前一前一后(黑一黑一红一红)”,这样的观测步骤可消除或减弱仪器或尺垫下沉误差的影响。
对于四等水准测量,规范允许采用“后一后一前一前(黑一红一黑一红)”的观测步骤。
2、一个测站的计算与检核:观测记录参看书本表7-11 。
①视距的计算与检核后视距(9)=[(1)—(2)]X100m前视距(10)=[(4)—(5)]XI00m 三等〉75m 四等〉l00m前、后视距差(11)=(9)—(10)三等〉3m四等〉5m 前、后视距差累积(12)= 本站(11)+ 上站(12)三等>6m 四等》I0rn②水准尺读数的检核同一根水准尺黑面与红面中丝读数之差:前尺黑面与红面中丝读数之差13)=(6) 十K—(7) 后尺黑面与红面中丝读数之差(14)=(3) 十K—(8) 三等> 2mn,四等 > 3mm(上式中的K为红面尺的起点数,为4. 687m或4. 787m)③高差的计算与检核黑面测得的高差(15)=(3) —(6)红面测得的高差 (16)=(8) —(7) 校核:黑、红面高差之差(17)=(15) —[(16) ±0. 100]或(17)=(14) —(13)三等》3mm四等》5mm 高差的平均值(18)= [ (15)+(16) ±0. 100]/2在测站上,当后尺红面起点为4. 687m前尺红面起点为4. 787m时,取十0. 100,反之,取一0. 100。
四等水准测量的步骤第一步:基准点的选择在四等水准测量中,需要选择一个高程稳定、易于观测的基准点。
通常会选择已经建好的基准点或具有准确高程的设施作为起点,如测绘局的基准点、天文台的点等。
第二步:测量线路的规划根据需要确定测量的起始点和终点,并规划中间的测量路线。
测量路线应尽量沿水平方向展开,避免过多的上下坡,以减小高差观测误差。
第三步:观测与记录1.基准点观测:首先,在起点的基准点上设置水准仪,并进行观测和记录。
观测过程中,需要注意仪器的水平调整和读数的准确性。
2.测量点观测:然后,在顺着测量路线的各个测点上设置水准仪,进行观测和记录。
观测时要保持水准仪的平稳,避免外力的干扰。
3.高差观测:在每个测点上,需要用水准仪的水平丝丝进行正反两次读数,得到各观测点的正反两次测量结果。
第四步:计算与平差1.高差计算:根据观测的正反两次测量结果,计算出各个观测点的高差。
一般采用平均差法或最小二乘法进行计算。
2.平差处理:对计算得到的高差进行平差处理,以减小误差。
常用的平差方法有闭合差法和最小二乘平差法。
平差后得到各个观测点的最终高差。
第五步:检查与验收1.检查计算结果:对计算和平差的结果进行检查,检查是否存在明显的错误或异常。
如果发现有问题,应及时修正。
2.验收报告:完成四等水准测量后,需要编制测量报告,将测量结果详细记录,并附上观测记录、计算和平差表格。
同时,需要对测量的精度和可靠性进行评估和说明。
以上为四等水准测量的基本步骤。
在实际测量过程中,还需要注意仪器的校准、环境的影响、观测误差的估计等因素,并采取相应的措施进行补偿和改正。
只有仔细、准确地完成每个步骤,才能得到可靠、准确的测量结果。
四等水准测量顺序 Document number:NOCG-YUNOO-BUYTT-UU986-1986UT三、四等水准测量控制测量除了要完成平面控制测量外,还要进行高程控制测量。
小区域地形测图或施工测量中,多采用三、四等水准测量作为高程控制测量的首级控制。
一、三、四等水准测量(leveling)的技术要求1、高程系统:三、四等水准测量起算点的高程一般引自国家一、二等水准点,若测区附近没有国家水准点,也可建立独立的水准网,这样起算点的高程应采用假定高程。
2、布设形式:如果是作为测区的首级控制,一般布设成闭合环线;如果进行加密,则多采用附合水准路线或支水准路线。
三、四等水准路线一般沿公路、铁路或管线等坡度较小、便于施测的路线布设。
3、点位的埋设:其点位应选在地基稳固,能长久保存标志和便于观测的地点,水准点的间距一般为1—1.5km,山岭重丘区可根据需要适当加密,一个测区一般至少埋设三个以上的水准点。
4、三、四等及五等水准测量的精度要求和技术要求列于表中。
二、三、四等水准测量的观测方法三、四等水准测量观测应在通视良好、望远镜成像清晰及稳定的情况下进行。
一般采用一对双面尺。
1、三等水准一个测站的观测步骤:(后-前-前-后;黑-黑-红-红)(1)照准后视尺黑面,精平,分别读取上、下、中三丝读数,并记为(1)、(2)、(3)。
(2)照准前视尺黑面,精平,分别读取上、下、中三丝读数,并记为(4)、(5)、(6)。
(3)照准前视尺红面,精平,读取中丝读数,记为(7)(4)照准后视尺红面,精平,读取中丝读数,记为(8)这四步观测,简称为“后一前一前一后(黑一黑一红一红)”,这样的观测步骤可消除或减弱仪器或尺垫下沉误差的影响。
对于四等水准测量,规范允许采用“后一后一前一前(黑一红一黑一红)”的观测步骤。
2、一个测站的计算与检核:观测记录参看书本表7-11。
①视距的计算与检核后视距 (9)=[(1)—(2)]X100m前视距 (10)=[(4)—(5)]Xl00m 三等≯75m,四等≯l00m前、后视距差 (11)=(9)—(10) 三等≯3m,四等≯5m前、后视距差累积 (12)=本站(11)+上站(12) 三等≯6m,四等≯l0rn②水准尺读数的检核同一根水准尺黑面与红面中丝读数之差:前尺黑面与红面中丝读数之差 13)=(6)十K—(7)后尺黑面与红面中丝读数之差 (14)=(3)十K—(8) 三等≯2mm,四等≯3mm(上式中的K为红面尺的起点数,为4.687m或4.787m)③高差的计算与检核黑面测得的高差 (15)=(3)—(6)红面测得的高差(16)=(8)—(7)校核:黑、红面高差之差 (17)=(15)—[(16)±0.100]或 (17)=(14)—(13) 三等≯3mm,四等≯5mm高差的平均值(18)= [(15)+(16)±0.100]/2在测站上,当后尺红面起点为4.687m,前尺红面起点为4.787m时,取十0.100,反之,取—0.100。
三、四等水准的测量方法三四等水准测量主要用于普通的铁路和公路建设,采用DS3级水准仪和双面水准尺进行,观测和计算方法如下:1、观测方法:四等水准测量,视线长度不超过100米。
每一测站,按下列顺序进行观测:(1)后视水准尺的黑面,读下丝、上丝和中丝读数(1)(2)(3);(2)后视红面,读中丝(4);(3)前视黑面,读下丝、上丝和中丝读数(5)(6)(7);(4)前视红面,读中丝读数(8)。
以上观测顺序为后后前前,在后视和前视读数时,均先读黑面再读红面,黑面要读三丝读数,用于计算视线长度,红面只读中丝读数,括号内数字为读数顺序。
记录和计算格式见下表。
三等水准测量,视线长度不超过75米,观测顺序为后前前后,观测方法和记录计算格式同四等。
2、计算和检核;计算和检核算内容如下,见下表(一)测站上的计算和检核(1)视距计算;后视距离(9)=(1)-(2),前视距离(10)=(5)-(6)前后视距在表中以米为单位,即(下丝-上丝)*100前后视距差(11)=(9-(10)。
对于四等水准测量,前后视距差不超过5米,对于三等水准测量,不超过3米。
前后视距累积差(12)=本站的(11)+上站的(12)。
对于四等水准测量,前后视距累积差不超过10为米,三等不超过6米。
(二)、同一水准尺红黑面读数差的检核同一水准尺红、黑面读数差为:(13)=(3)+K-(4)(14)=(7)+K-(8)K为水准尺两面的常数差,一对水准尺的常数差分别为4.687和4.787。
对于四等水准测量两面的读数差不得超过3mm。
对于三等水准测量不得超过2mm。
(三)、高差的计算和检核按黑面读数和红面读数测得的高差分别为:(15)=(3)-(7)(16)=(4)-(8)两面的高差之差可按下式计算,±100为两尺常数K之差(17)=(15)-(16)±100=(13)-(14)对于四等水准测量,两面高差之并不大于5mm,三等不大于3mm。
四等水准测量步骤第一步:准备工作在进行四等水准测量之前,需要进行一些准备工作,包括:1.确定测区范围:根据实际需要确定需要进行水准测量的区域范围。
2.选择测段:根据实际情况选择适宜的测段长度,一般建议在1-2公里之间。
3.选择基准点:选择一个稳定的、不易移动的基准点作为起点和终点。
第二步:设站1.找平点:在起点和终点之间每隔几百米设立一个找平点,找平点应选择在地势相对平坦的地方。
2.设置测站:在找平点上设置测站,需要使用三脚架和水准仪来进行测量。
第三步:观测1.标杆设置:在每个找平点上设置标杆,并在标杆上进行编号,以便于后续的观测。
2.水平仪初始调整:在设置好的测站上,使用水平仪对仪器进行初始调整,使得水平仪能够保持水平状态。
3.观测读数:使用水准仪对每个标杆进行观测读数,需要注意的是,在观测读数的过程中,测员应稳定仪器,以免产生过大的误差。
4.记录观测数据:将观测读数记录在测量记录表中,包括观测时间、测站号、标杆号、读数等信息。
第四步:校正水准测量中常常会受到一些影响因素的干扰,如大气压力变化、温度变化等,这些因素会对测量结果产生一定的影响,因此需要进行校正。
1.气象因素校正:根据测量记录中的观测时间和测区的气象数据,进行气象校正,如计算大气压力校正数、温度校正数等。
2.仪器因素校正:根据仪器的器差表和校正表,进行仪器因素的校正。
第五步:计算1.高差计算:根据测量记录表中的读数数据,计算每个找平点的高差,可以使用正反算法或平均高差法进行计算。
2.高程计算:根据前一界线的高程和每个找平点的高差,计算每个找平点的高程。
第六步:绘图根据计算出的高程数据,进行绘图,绘制出各个找平点的高程分布图,以及找平点之间的高程曲线图。
可以使用专业绘图软件或绘图仪进行绘制。
第七步:检查与分析在测量完成后,需要对测量结果进行检查与分析,主要包括:1.高程闭合差检查:判断各个测段的高程闭合差是否符合预定的精度要求。
2.差错分析:分析测量过程中可能存在的差错,并进行合理的解释和处理。
四等水准测量步骤
四等测量是一项测量技术,通常用于测量建筑物的高度。
具体步骤如下:
一、准备工作
1.检查测量设备的正确性,并根据实际情况加以校准;
2.准备测量工具并将其布置在测点附近;
3.计算测量距离,根据测量要求、测量现场的实际情况以及安全措施,按照相对应的方法进行计算。
二、定义基准
1.根据测点的位置确定最终测量的基准;
2.利用垂液水准仪进行高度测量,在测量点建立平行点;
3.按照四等水准测量设计计算,并建立依照基准点建立的比较测点。
三、实施测量
1.在比较测点安装水准仪,控制垂液测量,对两点进行高度测量;
2.使用探角仪测量两点之间的角度;
3.将垂液测量和探角测量的结果进行综合计算;
四、测量数据处理
1.检查测量数据的准确性,并将数据输入计算机;
2.将测量结果进行评定和描图;
3.根据结果进行解释和分析,形成最终报告或描图。
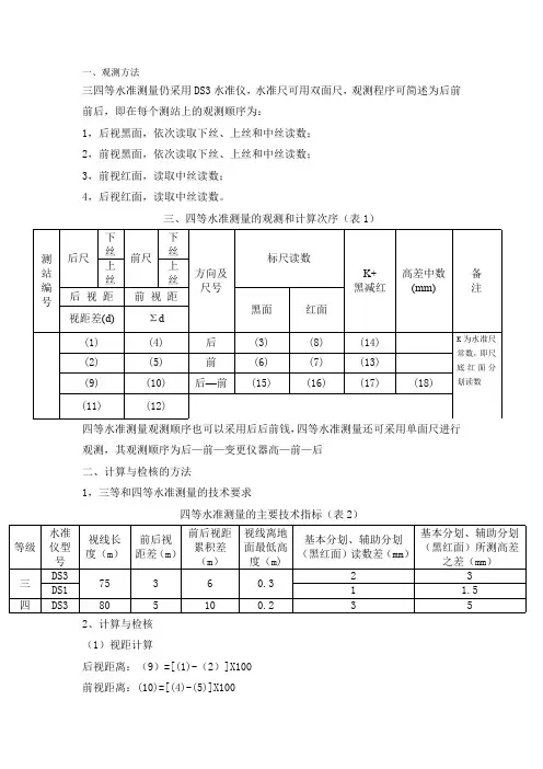
一、观测方法三四等水准测量仍采用DS3水准仪,水准尺可用双面尺,观测程序可简述为后前前后,即在每个测站上的观测顺序为:1,后视黑面,依次读取下丝、上丝和中丝读数;2,前视黑面,依次读取下丝、上丝和中丝读数;3,前视红面,读取中丝读数;4,后视红面,读取中丝读数。
三、四等水准测量的观测和计算次序(表1)四等水准测量观测顺序也可以采用后后前钱,四等水准测量还可采用单面尺进行观测,其观测顺序为后—前—变更仪器高—前—后二、计算与检核的方法1,三等和四等水准测量的技术要求四等水准测量的主要技术指标(表2)2、计算与检核(1)视距计算后视距离:(9)=[(1)-(2)]X100前视距离:(10)=[(4)-(5)]X100前、后视距差:(11)=(9)-(10)前、后视距差(11)之值应符合表2中之规定前、后视距累积差:(12)=前一站的(12)+本站的(11) (12)之值应符合表2中前、后视距累积差的限差要求。
(2)高差计算①同一水准差红面、黑面中丝读数的校核 红、黑面中丝读数差按下式计算:前尺:(13)=(6)+K 前-(7) 后尺:(14)=(3)+K 后-(8)其中:K 前、K 后为水准尺红、黑面的常数差,分别为4.687m 和4.787m 。
(13)、(14)之值应符合表2中红、黑面读数差限差的要求。
②计算黑面、红面的高差黑面: (15)=(3)-(6) 红面: (16)=(8)-(7)由于两尺的红面常数差K 分别为4.687m 和4.787m ,因此(16)±0.100后才是红面测得的高差。
若后尺为4.687m,前尺为4.787m ,应取“+“号,反之,后尺为4.787m ,前尺为4.687m ,则应取”-“号。
校核:(17)=(15)-(16)±0.100=(14)-(13)(17)之值应符合表2中红、黑面所测高差之差的限差要求。
③计算平均高差 平均高差:(18)=21[(15)+(16)±0.100]=(15)- 21(17)=(16)±0.100+(17) (3)测段的最终校核 ①高差部分∑[(3)+(8)]- ∑[(6)+(7)]= ∑(15)+(16)]=2∑(18)(±0.100) 其中,括号中的±0.100在测站数为奇数的情况下才需要。
三、四等水准的测量方法1、观测方法:四等水准测量,视线长度不超过100米。
每一测站,按下列顺序进行观测:(1)后视水准尺的黑面,读下丝、上丝和中丝读数(1)(2)(3);(2)后视红面,读中丝(4);(3)前视黑面,读下丝、上丝和中丝读数(5)(6)(7);(4)前视红面,读中丝读数(8)。
以上观测顺序为后后前前,在后视和前视读数时,均先读黑面再读红面,黑面要读三丝读数,用于计算视线长度,红面只读中丝读数,括号内数字为读数顺序。
记录和计算格式见下表。
三等水准测量,视线长度不超过75米,观测顺序为后前前后,观测方法和记录计算格式同四等。
2、计算和检核;计算和检核算内容如下,见下表(一)测站上的计算和检核(1)视距计算;后视距离(9)=(1)-(2),前视距离(10)=(5)-(6)前后视距在表中以米为单位,即(下丝-上丝)*100前后视距差(11)=(9-(10)。
对于四等水准测量,前后视距差不超过5米,对于三等水准测量,不超过3米。
前后视距累积差(12)=本站的(11)+上站的(12)。
对于四等水准测量,前后视距累积差不超过10为米,三等不超过6米。
(二)、同一水准尺红黑面读数差的检核同一水准尺红、黑面读数差为:(13)=(3)+K-(4)(14)=(7)+K-(8)K为水准尺两面的常数差,一对水准尺的常数差分别为4.687和4.787。
对于四等水准测量两面的读数差不得超过3mm。
对于三等水准测量不得超过2mm。
(三)、高差的计算和检核按黑面读数和红面读数测得的高差分别为:(15)=(3)-(7)(16)=(4)-(8)两面的高差之差可按下式计算,±100为两尺常数K之差(17)=(15)-(16)±100=(13)-(14)对于四等水准测量,两面高差之并不大于5mm,三等不大于3mm。
(四)计算平均高差(18)=1/2[(15)+(16)±100](五)、总的计算和检核每一测段完成后,应作如下检核;(1)、视距计算检核:末站的(12)=∑(9)-∑(10)总视距=∑(9)+∑(10)(2)高差的计算和检核当测站为偶数时,总高差=∑(18)=1/2[∑(15)+∑(16)]=1/2{∑[(3)+(4)]- ∑[(7)+(8)当测站为偶数时,总高差=∑(18)=1/2[∑(15)+∑(16)±100]。
四等水准测量的步骤四等水准测量是一种常用的测量方法,用于确定地面高程差,广泛应用于土木工程、建筑工程和地理测量等领域。
下面将介绍四等水准测量的步骤。
第一步:设立基准点四等水准测量需要在测区内设立基准点,以确定测区的零点。
基准点通常位于较高的地势上,可以选择山顶或建筑物等。
设立基准点时,需要考虑地势稳定、不易受外界影响和易于观测等因素。
第二步:测量起点在测区内选择一个相对平坦的地点作为测量起点。
测量起点需要与基准点建立起连接线,以确定起点的高程。
第三步:设置测站在测量起点附近选择一定数量的测站,测站之间的距离应根据测区的大小和地形的复杂程度而定。
测站的设置要求稳定、易于观测,并且要能够与测量起点和基准点建立起连接线。
第四步:进行观测在每个测站上,使用水准仪进行观测。
观测时要注意保持水准仪的稳定,避免外界干扰。
观测时要记录下水准仪的读数,并注意读数的准确性。
第五步:计算高程差测量完成后,需要对观测数据进行处理,计算出各个测站的高程差。
计算高程差时,需要考虑地球曲率、大气折射等因素的影响,并进行相应的修正。
第六步:绘制高程图根据计算得到的高程差数据,可以绘制出测区的高程图。
高程图可以直观地反映出地面起伏的情况,对于土木工程和建筑工程的设计和施工具有重要的参考价值。
第七步:检查和校正在完成测量和计算后,需要对结果进行检查和校正。
检查时要注意数据的准确性和合理性,并进行必要的修正。
校正时要考虑各种误差来源,并进行相应的修正。
通过以上步骤,就可以完成四等水准测量的工作。
四等水准测量作为一种常用的测量方法,具有操作简便、精度较高等优点,被广泛应用于各个领域。
在实际应用中,需要严格按照步骤进行操作,确保测量的准确性和可靠性。
在进行测量时,还需要注意安全问题,做好防护措施,避免发生意外。
三四等水准测量方法在科学研究中,三、四等水准测量方法是常用的高精度水准测量方法。
本文将详细介绍三、四等水准测量方法,包括其定义、测量原理、具体步骤以及应用领域等。
1.定义2.测量原理三等水准测量主要借助自动水准仪进行,通过水准差的观测来确定地面各点的高差。
在具体测量过程中,先选择基点和目标点,然后设置测点,并进行水准仪的观测,最后根据测量数据进行数据处理和计算,得到目标点的高差值。
3.具体步骤(1)测量点的选择:选择基点和目标点,并设置适当数量的测点,以确保测量精度和数据的可靠性。
(2)水准仪的架设:根据实际需要,选择合适的水准仪进行架设,并对其进行调整和校准。
(3)观测水准差:通过水准仪进行观测,记录各测点的水准差。
(4)数据处理:对观测数据进行计算和处理,以得到测点的高差值。
(5)精度评定:通过对测量结果进行精度评定,判断测量精度是否满足要求。
4.应用领域三等水准测量主要应用于高精度的工程测量和地理测量中,例如大型桥梁、隧道、高楼大厦等工程建设过程中的高程测量、地理信息系统(GIS)中的高程数据采集等工作。
1.定义2.测量原理四等水准测量与三等水准测量类似,也是通过水准差的观测来确定地面各点的高差。
不同的是,四等水准测量的精度要求相对较低。
3.具体步骤四等水准测量的步骤与三等水准测量基本相同,包括选择测点、架设水准仪、观测水准差、数据处理和精度评定等。
4.应用领域四等水准测量主要应用于一般工程测量和土地测量等领域,例如建筑施工过程中的高程控制、土地规划和土地管理等工作。
总结:三、四等水准测量方法是广泛应用于科学研究和工程测量中的高精度水准测量方法。
通过选择测点、架设水准仪、观测水准差、数据处理和精度评定等步骤,可以得到地面各点的高差值,并为工程建设和地理测量提供高程数据。
在实际应用中,需要根据测量精度的要求选择合适的水准测量方法,以确保测量结果的准确性和可靠性。
三四等水准测量步骤1.前期准备在进行水准测量之前,需要充分准备相关设备和资料。
首先,需要准备好水准仪、测量杆、三脚架等测量仪器和设备,并进行校准。
此外,还需要准备测量用纸、笔、记号棒、标尺等相关办公用品。
此外,还需要准备好水准测量的控制点,即已知高程的点,以提供参考。
2.确定测量线路根据实际测量需要,确定测量线路。
测量线路应能够覆盖所需测量区域,并能够通过已知高程点,以提供测量参考。
测量线路的确定应综合考虑地形、可行性和经济性等因素。
3.建立起点控制点在测量线路的起点附近建立起点控制点。
起点控制点应具备较高的稳定性和可靠性,以确保测量的准确性和可靠性。
建立起点控制点后,需要进行精确水准测量,测得起点的高程值。
4.建立测量截面在测量线路上,根据需要的测量精度和工作条件,建立测量截面。
测量截面通常选取自然条件较好的地段,尽量避免受到大气条件和地面条件的干扰。
5.进行水准测量在测量截面上进行水准测量。
测量时,先找到距离起点控制点最近的已知高程点,作为参考点。
然后,使用水准仪,测量该参考点的高程值,并通过调整水准仪,使测量线与水平方向保持一致。
接下来,根据测量线路的需要,依次测量每个目标点的高程值,同时记录下来。
6.进行校正和后处理完成测量后,需要对测量数据进行校正和后处理。
首先,对水准仪的观测结果进行闭合差检查,以确保观测数据的准确性。
接着,根据测量线路的要求,对观测数据进行平差处理,根据平差结果,计算出目标点的高程值,并将其与已知高程点进行比较,进行校正。
7.绘制高程图校正后的测量数据用于绘制高程图。
绘制高程图时,需要根据测量数据的高程值,将其在适当的比例尺上绘制出来,并标注高程数值。
同时,还可以使用等高线来表示地形的变化,以便更直观地显示测量结果。
8.复核和验收测量图绘制完成后,需要进行复核和验收。
复核主要是对绘制的高程图进行核对,确保绘制的数据和观测数据的一致性和准确性。
验收通过对测量过程的评估和对测量结果的分析,判断测量的可靠性和准确性,以确保测量工作的质量。
三四等水准测量的方法水准测量是土木工程中一项重要的测量任务,用于确定地面上不同点之间的高程差。
根据测量的精度和准确性要求不同,水准测量可以分为一、二、三和四等水准测量。
本文将重点介绍三、四等水准测量的方法。
三等水准测量是一种中等精度的测量方法,其精度要求为每公里误差不超过1.0毫米。
下面是三等水准测量的具体步骤:1.设立控制点:首先需要在测量区域内选择一些控制点,这些点需要满足地形条件相对稳定、地形比较平缓,并且易于观测。
2.建立水准路线:根据控制点的分布情况,确定水准路线的起点和终点,并逐段规划水准路线。
水准路线应尽量避免大的起伏和地形变化。
3.设置测站:在水准路线上适当的位置设置测站,每个测站都需要设置两个高程点,一个作为起点高程,另一个作为重测高程。
测站的设置应尽量避免冲突和干扰。
4.进行观测:在每个测站上进行高程观测,使用适当的水准仪和测量设备进行观测。
观测过程中应控制好水准仪的水平和稳定,减少观测误差。
5.数据处理与计算:对观测数据进行处理和计算,包括差值调整、误差分析和平差计算。
数据处理过程中需要注意数据的可靠性和准确性。
四等水准测量是一种较低精度的测量方法,其精度要求为每公里误差不超过2.0毫米。
下面是四等水准测量的具体步骤:1.设立控制点:与三等水准测量相同,需要在测量区域内选择一些稳定的地点作为控制点。
2.建立水准路线:根据控制点的分布情况,确定水准路线的起点和终点,并规划好具体的测量路线。
3.设置测站:在水准路线上合适的位置设置测站,每个测站都需要设置两个高程点,一个作为起点高程,另一个作为重测高程。
4.进行观测:在每个测站上进行高程观测,使用适当的水准仪和测量设备进行观测。
5.数据处理与计算:对观测数据进行处理和计算,包括差值调整、误差分析和平差计算。
数据处理过程中需要注意数据的可靠性和准确性。
三、四等水准测量方法相对于一、二等水准测量来说,要求较低的精度和准确性,但仍需要保证测量数据的可靠性和准确性。
三四等水准测量(双面尺法)一、目的和要求(1)进一步熟练水准仪的操作,掌握用双面水准尺进行四等水准测量的观测、记录与计算方法。
(2)熟悉四等水准测量的主要技术指标,掌握测站及线路的检核方法。
视线高度>0.2m;视线长度≤80m;前后视视距差≤3m;前后视距累积差≤10m;红黑面读数差≤3mm ;红黑面高差之差≤5mm。
二、仪器和工具DS3水准仪1台,双面水准尺2支,记录板1块。
三、方法与步骤1、了解四等水准测量的方法双面尺法四等水准测量是在小地区布设高程控制网的常用方法,是在每个测站上安置一次水准仪,但分别在水准尺的黑、红两面刻划上读数,可以测得两次高差,进行测站检核。
除此以外,还有其他一系列的检核。
2、四等水准测量的实验(1)从某一水准点出发,选定一条闭合水准路线。
路线长度200~400米,设置4~6站,视线长度30m左右。
(2)安置水准仪的测站至前、后视立尺点的距离,应该用步测使其相等。
在每一测站,按下列顺序进行观测:后视水准尺黑色面,读上、下丝读数,精平,读中丝读数;前视水准尺黑色面,读上、下丝读数,精平,读中丝读数;前视水准尺红色面,精平,读中丝读数;后视水准尺红色面,精平,读中丝读数(3)记录者在“四等水准测量记录”表中按表头表明次序⑴~⑻记录各个读数,⑼~ ⒃为计算结果:后视距离⑼=100×{ ⑴-⑵}前视距离⑽=100×{ ⑷-⑸}视距之差⑾=⑼-⑽∑视距差⑿=上站⑿+本站⑾红黑面差⒀=⑹+K-⑺,(K=4.687或4.787)⒁=⑶+K-⑻黑面高差⒂=⑶-⑹红面高差⒃=⑻-⑺高差之差⒄=⒂-⒃=⒁-⒀平均高差⒅=1/2{ ⒂+⒃}每站读数结束( ⑴~⑻),随即进行各项计算( ⑼~⒃),并按技术指标进行检验,满足限差后方能搬站。
(4)依次设站,用相同方法进行观测,直到线路终点,计算线路的高差闭合差。
按四等水准测量的规定,线路高差闭合差的容许值为±20√L mm,L为线路总长(单位:km)。
三、四等水准测量
控制测量除了要完成平面控制测量外,还要进行高程控制测量。
小区域地形测图或施工测量中,多采用三、四等水准测量作为高程控制测量的首级控制。
一、三、四等水准测量(leveling)的技术要求
1、高程系统:三、四等水准测量起算点的高程一般引自国家一、二等水准点,若测区附近没有国家水准点,也可建立独立的水准网,这样起算点的高程应采用假定高程。
2、布设形式:如果是作为测区的首级控制,一般布设成闭合环线;如果进行加密,则多采用附合水准路线或支水准路线。
三、四等水准路线一般沿公路、铁路或管线等坡度较小、便于施测的路线布设。
3、点位的埋设:其点位应选在地基稳固,能长久保存标志和便于观测的地点,水准点的间距一般为
1-1. 5km山岭重丘区可根据需要适当加密,一个测区一般至少埋设三个以上的水准点。
4、三、四等及五等水准测量的精度要求和技术要求列于表中。
二、三、四等水准测量的观测方法
三、四等水准测量观测应在通视良好、望远镜成像清晰及稳定的情况下进行。
一般采用一对双面尺。
1、三等水准一个测站的观测步骤:(后-前-前- 后;黑-黑-红-红)
(1)照准后视尺黑面,精平,分别读取上、下、中三丝读数,并记为(1)、(2)、(3)。
(2)照准前视尺黑面,精平,分别读取上、下、中三丝读数,并记为(4)、(5)、(6)。
(3)照准前视尺红面,精平,读取中丝读数,记为(7)
(4)照准后视尺红面,精平,读取中丝读数,记为(8)
这四步观测,简称为"后一前一前一后(黑一黑一红一红)”,这样的观测步骤可消除或减弱仪器或尺垫下沉误差的影响。
对于四等水准测量,规范允许采用“后一后一前一前(黑一红一黑一红)”的观测步骤。
2、一个测站的计算与检核:
观测记录参看书本表7-11。
①视距的计算与检核
后视距(9)=[(1) — (2)]X100m
前视距(10)=[(4) — (5)]Xl00m 三等户75m 四
等>l00m
前、后视距差(11)=(9) — (10)三等户3m四等
> 5m
前、后视距差累积(12)=本站(11)+上站(12)三等>6m 四等>l0rn
②水准尺读数的检核
同一根水准尺黑面与红面中丝读数之差:
前尺黑面与红面中丝读数之差13)=(6)十K—(7)
后尺黑面与红面中丝读数之差(14)=(3)十KH (8) 三等>2mm四等户3mm
(上式中的K为红面尺的起点数,为4. 687m或
4. 787m)
黑面测得的高差(15)=(3) — (6)
红面测得的高差(16)=(8) — (7)
校核:黑、红面高差之差
(17)=(15) — [(16) 土0. 100]
或(17)=(14) — (13)三等户3mm四等户5mm
高差的平均值(18)= [ (15)+(16) 土0. 100]/2
在测站上,当后尺红面起点为4. 687m前尺红面
起点为4. 787m时,取十0. 100,反之,取一0. 100<
3、每页计算校核
①高差部分
在每页上,后视红、黑面读数总和与前视红、黑面读数总和之差,应等于红、黑面高差之和。
对于测站数为偶数的页:
2[(3)+(8)] — 2[(6)+(7)]= 习[(15)+(16)]=2 习(18
)
对于测站数为奇数的页:
习[(3)+(8)] — 2[(6)+(7)]= 习[(15)十(16)]=2 E(18) 土0. 100
②视距部分
在每页上,后视距总和与前视距总和之差应等于本页末站视距差累积值与上页末站视距差累积值之差。
校核无误后,可计算水准路线的总长度。
E (9)一习(10)=本页末站之(12)一上页末站之
(12),水准路线总长度=E (9)+ E (10)
4、成果整理
三、四等水准测量的闭合路线或附合路线的成果整理,首先其高差闭合差应满足表7-10的要求。
然后, 对高差闭合差进行调整,调整方法可参见第二章有关部分,最后按调整后的高差计算各水准点的高程。
若为支水准路线,则满足要求后,取往返测量结果的平均值为最后结果,据此计算水准点的高程。
5、四等水准采用塔尺进行观测的步骤如下:
后(上、下、中)---前(上、下、中)----改变仪器[R J-—肓U (中)--后(中)
注:第2章2.3节介绍的图根水准测量成果处理方法是一种近似的成果处理方法,他不能用于三、四等水准测量的成果处理。
《城市测量规范》规定,各等级高程控制网(指一、二、三、四等水准网)应采用条件平差或间接平差进行成果计算,条件平差或间接平差是符合最小二乘原理的严密平差方法,本书没有介绍它们的内容,所以,三、四等水准测量成果处理的方法已经超出了本书的范围。
如果需要,可以使用专用平差计算软件如武汉大学测绘学院开发的“科傻” 软件或南方测绘公司的“平差易”软件进行计算。
§ 7-8 三角高程测量(trigonometric leveling)
原因:1、丘陵地区和山区,地面高低起伏较大
2、水准点位于较高建筑物上。
方法:测距仪三角高程测量(可以代替四等水准测量)、全站仪三角高程测量、经纬仪三角高程测量(主要用于山区图根高程控制)
一、三角高程测量的原理
已知:A点高程
观测:仪器高i、觇标高l、竖直角s A、B两点间的水平距离DAB
则可求得A B两点间的高差hAB = DAB tan a +i -l
上述公式没有考虑地球曲率和大气折光的影响,适合于两点距离小于200m的高差计算。
二、三角高程测量的等级及技术要求
对于三角高程控制测量,一般分为两级,即四等和五等三角高程测量,它们可作为测区的首级控制。
其技术要求见表。
三、地球曲率和大气折光的影响(球气差改正数)
在做三角高程测量时,在一定情况下,还需要考虑地球曲率和大气折光对所测高差的影响,即要进行地球曲率和大气折光的改正,简称球气两差改正。
1. 地球曲率的改正
在用三角高程测量两点间的高差时,若两点间的距离较长(超过300m),则图7-15中的大地水准面不能再用水平面来代替,而应按曲面看待,因此还应考虑
地球曲率影响的改正,简称为球差改正,其改正数用fl表小。
2、大气折光的改正
在观测竖直角时,由于大气的密度不均匀,视线将受大气折光的影响而总是成为一条向上拱起的曲线,这样使所测得的竖直角(水平方向与视线的切线方向)总是偏大,因此,要进行大气折光的改正,简称气差改正,其改正数用f2表示
3、三角高程严密计算公式的推导
4、措施
球气两差在单向三角高程测量中,必须进彳亍改正。
对于双向三角高程测量(乂称对向观测或直反觇观测,即
5、三角高程测量的观测和计算
先在已知高程的A点安置经纬仪,在另一B点立觇标,测得高差hA0称为直觇。
然后再在B点安置经纬仪,A点立觇标,测得高差hBA称为反觇。
若将直、反觇测得的高差值取平均值,可以抵消球气两差的影
响,所以三角高程测量一般都用对向观测,且宜在较短的
时间内完成。