墙体节能工程质量隐蔽验收记录
- 格式:doc
- 大小:441.00 KB
- 文档页数:35
陕西省建设工程质量验收技术资料统一用表C7 分项工程检验批质量验收记录保温装饰一体板外保温检验批质量验收记录填写说明一、验收依据1、《建筑节能工程施工质量验收规范》GB50411二、规范摘要1、检验批划分原则采用相同材料、工艺和施工做法的墙面,每500~1000m2面积划分为一个检验批,不足500m2也作为一个检验批。
也可根据与施工流程相一致且方便施工与验收的原则,由施工单位与监理(建设)单位共同商定。
2、主控项目⑴第4.2.1条:用于墙体节能工程的材料、构件等,其品种、规格应符合设计要求和相关标准的规定。
检验方法:观察、尺量检查;核查质量证明文件。
检查数量:按进场批次,每批随机抽取3个试样进行检查;质量证明文件应按照其出厂检验批进行核查。
⑵第4.2.2条:墙体节能工程使用的保温隔热材料,其导热系数、密度、抗压强度或压缩强度、燃烧性能应符合设计要求。
检验方法:核查质量证明文件及进场复验报告。
检查数量:全数检查。
⑶第4.2.3条:墙体节能工程采用的保温材料和粘结材料等,进场时应对其下列性能进行复验,复验应为见证取样送检;①保温材料的导热系数、密度、抗压强度或压缩强度;②粘结材料的粘接强度;③增强网的力学性能、抗腐蚀性能。
检验方法:随机抽样送检,核查复验报告。
检查数量:同一厂家同一品种的产品,当单位工程建筑面积在20000m2以下时各抽检不少于3次;当单位工程的建筑面积在20000m2以上时各抽检不少于6次。
⑷第4.2.4条:严寒和寒冷地区外保温使用的粘结材料,其冻融试验结果应符合该地区最低气温环境的使用要求。
检验方法:核查质量证明文件。
检查数量:全数检查。
⑸第4.2.5条:墙体节能工程施工前应按照设计和施工方案的要求对基层进行处理,处理后的基层应符合保温施工方案的要求。
检验方法:对照设计和施工方案观察检查;核查隐蔽工程验收记录。
检查数量:全数检查。
⑹第4.2.6条:墙体节能工程各层构造做法应符合设计要求,并应按照经过审批的施工方案施工。
建筑节能
一层蒸压加气混凝土砌块
XXX
施工班组长
专业质检员
专业工长
专业监理工程师
(建设单位项目专业技术负责人):
附图或影像资料
/
通风墙的通风构造
符合设计要求的厚度
/
/
无蜂窝、麻面、漏筋、疏松等现象,基层清理干净,平
整度<3mm,符合要求
采用粘结砂浆,粘结面积比为90%
采用分层施工,按照从上至下,从左至右抹灰顺序作业,与基层之的粘结牢固,无脱层、空鼓和开裂现象
/
监理(建设)单位
验收记录
GD-C5-711239施工单位验收意见
隐蔽项目
保温层附着的基层及其表面处理
/
保温层粘结或固定
保温浆料分层施工,与基层及各层之间的粘结保温构造的锚固件
现场喷涂或浇筑有机类保温材料的界面
墙体节能隐蔽工程质量验收记录
GD-C4-6311
XXX有限公司
被封闭的保温材料的厚度分部/子分部/分项
隐蔽部位
2017年04月01日检验批编号单位(子单位)工程名称
施工单位验收日期
墙面遮阳构件、绿化构架的锚固
施工单位监理(建设)单位。
[范例,范例,范例墙体节能隐蔽验收记录填写范例]墙体隐蔽验收记录要墙体《墙体节能隐蔽验收记录范例》的朋友们,你们要的干货来了!一、墙体节能工程隐蔽工程检查内容墙体节能工程应对下列部位或内容进行隐蔽工程验收,并应有详细的文字记录和必要的图像:(1)保温层附着的基层及其表面处理。
(2)保温板黏结或固定。
(3)锚固件。
(4)增强网铺设。
(5)墙体热桥部位处理。
(6)预置保温板或预制保温墙板的板缝及构造节点。
(7)现场喷涂或浇注有机类保温材料的界面。
(8)被封闭的保温材料厚度。
(9)保温隔热砌块填充墙体。
二、墙体节能隐蔽工程填写示例隐蔽工程验收记录表 C5-1资料编号0901C5001工程名称筑业软件大厦施工北京大路建工集团监理单位北京鑫源工程咨询有限公司验收项目墙体节能(基层处理)验收日期xx年4月25日验收部位西立面,A-H/1轴,-0.45m~21.6m验收内容:隐蔽依据:建施-1、2,(建施)变字第1号,(建施)变字第3号,建施-1变主要材料名称及规格/型号:1:2.5水泥砂浆隐蔽内容:1、外墙外保温基层上残留的浮灰、脱模剂油污等杂物已清理完毕;2、窗台挑檐用水泥砂浆找坡2%,外墙各种洞口填塞密实。
3、外墙外保温基层表面平整度偏差不超过4mm,超差时对突出墙面处进行打磨,对凹进部位进行找补(用异形板调平);确保外墙外保温基层墙面的平整度在4mm内,阴阳角方正、上下通顺。
附影像资料( 4 )页验收意见:经检查,符合设计及《建筑节能工程施工质量验收规范》GB50411-xx要求,同意进行下一道工序。
验收结论:√同意隐蔽□不同意,修改后进行复查签字栏专业监理工程师专业质检员专业工长代亚博李光林刁正帅制表日期xx年4月25日隐蔽工程验收记录表 C5-1资料编号0901C5002工程名称筑业软件大厦施工单位北京大路建工集团监理单位北京鑫源工程咨询有限公司验收项目墙体节能(保温板)验收日期xx年4月25日验收部位西立面,A-H/1轴,-0.45m~21.6m验收内容:隐蔽依据:建施-1、2,(建施)变字第1号,(建施)变字第3号,建施-1变主要材料名称及规格/型号:1.绝热用挤塑聚苯乙烯泡沫塑料:120060050(mm);120060030(mm),B1级2.岩棉板:120030050(mm),100kg/m33.防火界面层复合保温板:120060050(mm);120060030(mm),B1级隐蔽内容:1.用于墙体节能工程的材料、构件等,有出场质量证明文件,进场复试报告,其品种、规格、性能符合设计及现行相关标准要求。
附 图 或 影 像 资 料
图略
专业监理工程师
(建设单位项目专业技术负责人):
监理(建设)单位
施工单位专业工长
专业质检员
施工班组长
墙面遮阳构件、绿化构架的锚固//通风墙的通风构造
/
/
现场喷涂或浇筑有机类保温材料的界面//被封闭的保温材料的厚度50mm 验收合格
保温浆料分层施工,与基层及各层之间的粘结/
/
保温构造的锚固件螺栓长度为90mm,保温板厚度为
50mm,密度为13个/㎡;有保温锚固件的布置要求
验收合格
保温层附着的基层及其表面处理
无蜂窝、麻面、漏筋、疏松等现象,基层清理干净,平整度<3mm,符合要求
验收合格
保温层粘结或固定采用粘结砂浆及专用膨胀螺栓固定,粘结面积比为80%;螺栓密度为13个/㎡
验收合格
隐蔽部位
墙体节能隐蔽工程质量验收记录
验收日期
2020年10月12日隐蔽项目
施工单位检查记录
监理(建设)单位
验收记录
施工单位分部/子分部/分项
建筑节能
检验批编号GD-C5-7112391001墙体节能隐蔽工程质量验收记录
GD-C4-6311
单位(子单位)工程名称。
墙体节能工程检验批质量验收记录表项目简介本次验收为墙体节能工程检验批的质量验收记录表,旨在记录墙体节能工程检验批的全过程,包括工程质量实施情况、工作内容的完成情况、工作进度、发生的问题及处理等内容,以备查阅及保证工程质量。
验收单位及联系方式验收单位:_________________________联系电话:_________________________联系地址:_________________________验收主要内容1. 检查材料材料应符合以下要求:•产品必须有合格的检验报告;•材料应具有相应的产品标志,并符合设计要求;•每一批次的材料应有检验报告,并记录在档案中。
2. 检查设备设备应符合以下要求:•每台设备应有检验报告,并记录在档案中;•设备应符合相关规范及技术参数;•设备应有指导用书及维修保养手册。
3. 检验施工检验施工应符合以下要求:•安装应符合相关规范;•安装质量应符合设计方案要求;•设备、仪表配管支架制作和安装应符合相关规范。
4. 检验工程质量检验工程质量应符合以下要求:•工程质量应符合设计方案要求;•工程检验报告应齐全,且检验内容应准确无误;•工程停电测试应符合有关规定。
5. 工作完成本次工作后,需对工作进行,内容应包括:•工作完成情况;•工作进度;•所遇到的问题及处理;•工作计划的调整和改进。
验收记录序号验收内容检验标准检验结果备注1 施工单位注册资质□合格□不合格2 工程质量设计要求□合格□不合格3 停电测试规定要求□合格□不合格4 材料质量检验报告□合格□不合格5 设备质量检验报告□合格□不合格6 其他验收人员:姓名岗位签名反馈意见验收单位对本次验收结果如有异议或者意见建议,可填写反馈意见表进行反馈。
反馈内容反馈意见反馈结果施工单位工程质量停电测试材料质量设备质量其他本次墙体节能工程检验批的质量验收记录表,充分保障了施工过程的规范性和工程质量,有效预防了安全事故的发生,对于今后的施工工作具有重要的参考意义。
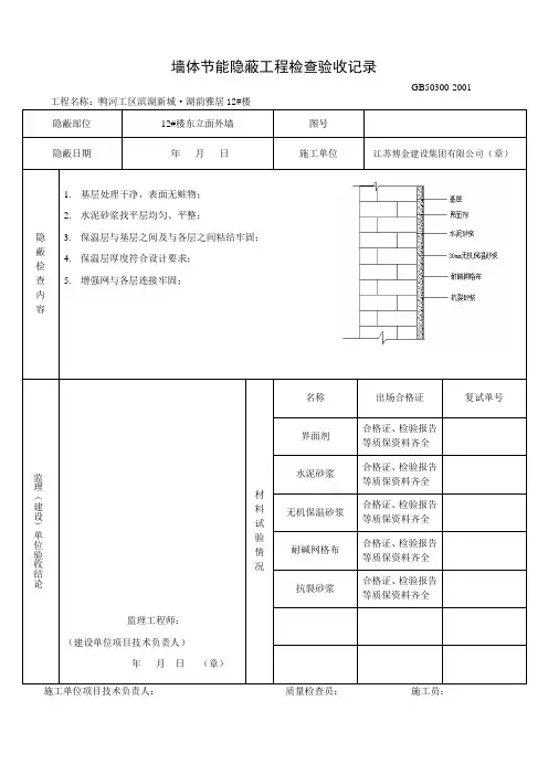
GB50300-2001工程名称:鸭河工区滨湖新城·湖韵雅居12#楼隐蔽部位12#楼东立面外墙图号隐蔽日期年月日施工单位江苏博金建设集团有限公司(章)隐蔽检查内容1.基层处理干净,表面无赃物;2.水泥砂浆找平层均匀、平整;3.保温层与基层之间及与各层之间粘结牢固;4.保温层厚度符合设计要求;5.增强网与各层连接牢固;监理(建设)单位验收结论监理工程师:(建设单位项目技术负责人)年月日(章)材料试验情况名称出场合格证复试单号界面剂合格证、检验报告等质保资料齐全水泥砂浆合格证、检验报告等质保资料齐全无机保温砂浆合格证、检验报告等质保资料齐全耐碱网格布合格证、检验报告等质保资料齐全抗裂砂浆合格证、检验报告等质保资料齐全施工单位项目技术负责人:质量检查员:施工员:GB50300-2001工程名称:鸭河工区滨湖新城·湖韵雅居12#楼隐蔽部位12#楼西立面外墙图号隐蔽日期年月日施工单位江苏博金建设集团有限公司(章)隐蔽检查内容1.基层处理干净,表面无赃物;2.水泥砂浆找平层均匀、平整;3.保温层与基层之间及与各层之间粘结牢固;4.保温层厚度符合设计要求;5.增强网与各层连接牢固;监理(建设)单位验收结论监理工程师:(建设单位项目技术负责人)年月日(章)材料试验情况名称出场合格证复试单号界面剂合格证、检验报告等质保资料齐全水泥砂浆合格证、检验报告等质保资料齐全无机保温砂浆合格证、检验报告等质保资料齐全耐碱网格布合格证、检验报告等质保资料齐全抗裂砂浆合格证、检验报告等质保资料齐全施工单位项目技术负责人:质量检查员:施工员:GB50300-2001工程名称:鸭河工区滨湖新城·湖韵雅居12#楼隐蔽部位12#楼1-6层南立面外墙图号隐蔽日期年月日施工单位江苏博金建设集团有限公司(章)隐蔽检查内容1.基层处理干净,表面无赃物;2.水泥砂浆找平层均匀、平整;3.保温层与基层之间及与各层之间粘结牢固;4.保温层厚度符合设计要求;5.增强网与各层连接牢固;监理(建设)单位验收结论监理工程师:(建设单位项目技术负责人)年月日(章)材料试验情况名称出场合格证复试单号界面剂合格证、检验报告等质保资料齐全水泥砂浆合格证、检验报告等质保资料齐全无机保温砂浆合格证、检验报告等质保资料齐全耐碱网格布合格证、检验报告等质保资料齐全抗裂砂浆合格证、检验报告等质保资料齐全施工单位项目技术负责人:质量检查员:施工员:GB50300-2001工程名称:鸭河工区滨湖新城·湖韵雅居12#楼隐蔽部位12#楼7-屋顶层南立面外墙图号隐蔽日期年月日施工单位江苏博金建设集团有限公司(章)隐蔽检查内容1.基层处理干净,表面无赃物;2.水泥砂浆找平层均匀、平整;3.保温层与基层之间及与各层之间粘结牢固;4.保温层厚度符合设计要求;5.增强网与各层连接牢固;监理(建设)单位验收结论监理工程师:(建设单位项目技术负责人)年月日(章)材料试验情况名称出场合格证复试单号界面剂合格证、检验报告等质保资料齐全水泥砂浆合格证、检验报告等质保资料齐全无机保温砂浆合格证、检验报告等质保资料齐全耐碱网格布合格证、检验报告等质保资料齐全抗裂砂浆合格证、检验报告等质保资料齐全施工单位项目技术负责人:质量检查员:施工员:GB50300-2001工程名称:鸭河工区滨湖新城·湖韵雅居12#楼隐蔽部位12#楼1-6层北立面外墙图号隐蔽日期年月日施工单位江苏博金建设集团有限公司(章)隐蔽检查内容1.基层处理干净,表面无赃物;2.水泥砂浆找平层均匀、平整;3.保温层与基层之间及与各层之间粘结牢固;4.保温层厚度符合设计要求;5.增强网与各层连接牢固;监理(建设)单位验收结论监理工程师:(建设单位项目技术负责人)年月日(章)材料试验情况名称出场合格证复试单号界面剂合格证、检验报告等质保资料齐全水泥砂浆合格证、检验报告等质保资料齐全无机保温砂浆合格证、检验报告等质保资料齐全耐碱网格布合格证、检验报告等质保资料齐全抗裂砂浆合格证、检验报告等质保资料齐全施工单位项目技术负责人:质量检查员:施工员:GB50300-2001工程名称:鸭河工区滨湖新城·湖韵雅居12#楼隐蔽部位12#楼7-屋顶层北立面外墙图号隐蔽日期年月日施工单位江苏博金建设集团有限公司(章)隐蔽检查内容1.基层处理干净,表面无赃物;2.水泥砂浆找平层均匀、平整;3.保温层与基层之间及与各层之间粘结牢固;4.保温层厚度符合设计要求;5.增强网与各层连接牢固;监理(建设)单位验收结论监理工程师:(建设单位项目技术负责人)年月日(章)材料试验情况名称出场合格证复试单号界面剂合格证、检验报告等质保资料齐全水泥砂浆合格证、检验报告等质保资料齐全无机保温砂浆合格证、检验报告等质保资料齐全耐碱网格布合格证、检验报告等质保资料齐全抗裂砂浆合格证、检验报告等质保资料齐全施工单位项目技术负责人:质量检查员:施工员:。
墙体节能工程安装检验批质量验收记录(I)DB29-126-2010A-254 单位(子单位)工程名称分部(子分部)工程名称验收部位施工单位项目经理专业分包单位分包项目经理施工执行标准名称及编号施工质量验收规范的规定施工单位检查评定记录监理单位验收记录主控项目1 材料、构件等进场验收第4.2.1条2 保温隔热材料、(含防火隔离带)性能第4.2.2条3 保温材料、防火隔离带和黏结材料复验第4.2.3条4 水平防火隔离带的位置、数量、宽度、燃烧性能检验第4.2.4条5 施工前对基层的处理符合要求第4.2.5条6 各层构造做法的检验及施工方案第4.2.6条7 墙体节能工程的施工第4.2.7条8 外墙预置保温板现场浇筑混凝土墙体的验收第4.2.8条9 采用保温浆料做保温的检验及其同条件养护试件取样送检第4.2.9条10 保温砌块砌筑的墙体,具砌筑砂浆强度的检验,水平灰缝和竖直灰缝饱满度符合要求第4.2.10条11 预制复合保温板现场安装第4.2.11条12 各类饰面基层及面层符合规定第4.2.12条13 外墙外保温抗冲击行的现场检验第4.2.13条14 在墙体内设置的隔汽层符合规定第4.2.14条15 外墙门窗洞口周边侧面的保温措施第4.2.15条16 外墙热桥部位按设计要求采取节能保温等隔断热桥的措施第4.2.16条施工单位检查评定结果项目质量检查员:年月日监理单位验收结论专业监理工程师:年月日填表说明主控项目1、第4.2.1条用于墙体节能工程的材料、构件等,其品种、规格、性能应符合设计和现行相关标准的要求。
检验方法:观察、尺量检查;核查材料的出厂质量证明文件。
检查数量:按进场批次,每批随机抽取3个试样进行检查;质量证明文件应按照其出厂检验批进行核查。
2、第4.2.2条墙体节能工程使用的保温隔热材料(含防火隔离带)应符合下列要求:材料的厚度、导热系数、密度、抗压强度或压缩强度、燃烧性能等应符合设计要求;浇、喷、抹类材料的计量及配合比必须准确。
工程名称分项工程名称验收部位施工单位专业工长项目经理分包单位分包项目经理施工班组长施工执行标准验收规范规定施工单位检査评定记录监理(建设)单位验收记录1 材料、构件等应符合设计要求和相关标准的规定。
2 保温隔热材料的导热系数、密度、抗压(压缩)强度、燃烧性能应符合设计要求。
3 应对保温材料、粘结材料、增强网等进行见证取样送检复验。
4 严寒、寒冷地区外保温使用的粘结材料的冻融试验应符合相关要求。
5 施工前应按照设计和施工方案的要求对基层进行处理,并符合保温层施工工艺的要求。
6 墙体节能工程各层构造做法应符合设计要求,并应按照经过审批的施工方案进行施工。
7 保温材料的厚度应符合设计要求;保温板与基层及各构造层之间的粘结或连接必须牢固。
粘结强度和连接方式应符合设计要求和相关标准的规定;不应脱层、空鼓和开裂。
浆料保温层应分层施工。
当采用预埋或后置锚固件时,其数量、位置、锚固深度和拉拔力应符合设计要求,后置锚固件应进行锚固力现场拉拔试验。
8 外墙采用预置保温板现场浇筑混凝土墙体时,保温材料的验收应执行GB50411第422条的规定;保温板的安装应位置正确、接缝严密,保温板在浇筑混凝土过程中不得移位、变形,保温板表面应采取界面处理措施,与混凝土应粘结牢固。
混凝土和模板的验收应执行GB50204的相关规定。
9 当外墙釆用保温浆料做保温层时,应在施工中制作同条件试件,检测其导热系数、干密度、压缩强度。
试件见证取样送检。
10 墙体节能工程各类饰面层的基层及面层施工,应符合设计要求和GB50210的规定。
外墙外保温工程不宜采用粘贴饰面砖做饰面层。
当采用时,必须保证保温层与饰面砖的安全性。
外墙外保温工程的饰面层不应渗漏。
当外墙外保温工程的饰面层采用饰面板开缝安装时,保温层表面应具有防水功能。
外墙外保温层及饰面层与其他部位交接的收口处,应采取密封措施。
名称及编号主控项目监理(建设)单验收规范规定施工单位检查评定记录位验收记录施工单位检查评定结果项目专业质量检查员:(项目技术负责人)监理(建设)单位验收结论监理工程师:(建设单位项目专业技术负责本表适用于采用板材、浆料、块材及预制复合墙板等墙体保温材料或构件的建筑墙体节能工程质量验收。
节能保温隐蔽工程验收记录
编号:工程名称: 验收日期: 年 月 日
验收。
2记录时应首先说明是否按设计图号施工,如有设计变更应立即在备用竣工图纸上用红色文字注明变更情况或绘制变更补充图;凡有、无设计变更,监理(建设)单位的旁站监督人均应在备用竣工图号上签字认可后,才能办理该部位隐蔽验收手续。
3隐蔽验收时,必须严格按国家施工质量验收规范的主控项目,一般项目的内容要求全数检查,凡有不合格处必须当即整改达到合格后才能办理隐蔽验收手续。
4检查评定结论必须语言规范,并针对主控项目、一般项目,特别是结构构造措施的内容要求,填写真实可靠的结果或结论。
节能工程质量隐蔽验收记录
编号:01
建议图片资料单独汇总,同一隐蔽验收项目的不同隐蔽验收内容可对应同一图片。
节能工程质量隐蔽验收记录
编号:02
节能工程质量隐蔽验收记录
编号:03
建议图片资料单独汇总,同一隐蔽验收项目的不同隐蔽验收内容可对应同一图片。
节能工程质量隐蔽验收记录
编号:04
节能工程质量隐蔽验收记录
编号:05
建议图片资料单独汇总,同一隐蔽验收项目的不同隐蔽验收内容可对应同一图片。
节能工程质量隐蔽验收记录
编号:06
节能工程质量隐蔽验收记录
编号:07
建议图片资料单独汇总,同一隐蔽验收项目的不同隐蔽验收内容可对应同一图片。
节能工程质量隐蔽验收记录
编号:08
节能工程质量隐蔽验收记录
编号:09
节能工程质量隐蔽验收记录
编号:10
建议图片资料单独汇总,同一隐蔽验收项目的不同隐蔽验收内容可对应同一图片。
节能工程质量隐蔽验收记录
编号:11
节能工程质量隐蔽验收记录
编号:12
节能工程质量隐蔽验收记录
编号:13
建议图片资料单独汇总,同一隐蔽验收项目的不同隐蔽验收内容可对应同一图片。
节能工程质量隐蔽验收记录
编号:14
节能工程质量隐蔽验收记录
编号:15
节能工程质量隐蔽验收记录
编号:16
建议图片资料单独汇总,同一隐蔽验收项目的不同隐蔽验收内容可对应同一图片。
节能工程质量隐蔽验收记录
编号:17
节能工程质量隐蔽验收记录
编号:18
节能工程质量隐蔽验收记录
编号:19
建议图片资料单独汇总,同一隐蔽验收项目的不同隐蔽验收内容可对应同一图片。
节能工程质量隐蔽验收记录
编号:20
节能工程质量隐蔽验收记录
编号:21
节能工程质量隐蔽验收记录
编号:22
建议图片资料单独汇总,同一隐蔽验收项目的不同隐蔽验收内容可对应同一图片。
节能工程质量隐蔽验收记录
编号:23
节能工程质量隐蔽验收记录
编号:24
节能工程质量隐蔽验收记录
编号:24
建议图片资料单独汇总,同一隐蔽验收项目的不同隐蔽验收内容可对应同一图片。
节能工程质量隐蔽验收记录
编号:26。