66塔吊附着计算书
- 格式:doc
- 大小:425.50 KB
- 文档页数:20
编制单位:编制人:审核人:编制时间:目录一、塔吊附墙概况二、塔吊附墙杆受力计算三、结构柱抗剪切验算四、附墙杆截面设计和稳定性强度验算一、塔吊附墙概况本工程结构高度 m,另加桅杆15米,总高度米。
本工程采用FO/23B塔吊,塔吊采用固定式现浇砼基础,基础埋设深度,塔身设两道附墙与结构柱拉结:塔身升到12标准节时,设第一道附墙于第6标准节(结构标高米),塔吊升到第17标准节时,设第二道附墙于第14标准节(结构标高米),然后加到第23标准节为止。
在加第二道附墙之前,第一道附墙以上有17-6=11个标准节,而第二道附墙以上塔身标准节数最多为23-14=9节,因此,第二道附墙设置之前第一道附墙受力最大。
本计算书将对第一道附墙进行受力计算和构造设计。
为简化计算和偏于安全考虑,第二道附墙将采用与第一道附墙相同的构造形式。
本工程计划使用金环项目使用过的塔吊附墙杆。
根据塔吊与结构的位置关系,附墙杆夹角较小,附墙杆与结构柱连接的予埋件分别采用不同的形式。
本计算书主要包括四个方面内容:附墙杆及支座受力计算,结构柱抗剪切及局部受压验算,附墙杆予埋件锚筋设计,附墙杆型号选用。
二、塔吊附墙杆受力计算(一)、塔吊附墙内力计算,将对以下两种最不利受力情况进行:1、塔机满载工作,起重臂顺塔身x-x轴或y-y轴,风向垂直于起重臂(见图1);2、塔机处于非工作状态,起重臂处于塔身对角线,风向由起重臂吹向平衡臂(见图2)。
对于第一种受力状态,塔身附墙承担吊臂制动和风力产生的扭矩和附墙以上自由高度下塔身产生的水平剪力。
对于第二种受力状态,塔身附墙仅承受附墙以上自由高度下塔身产生的水平剪力。
以下分别对不同受力情况进行计算:(二)、对第一种受力状态,附墙上口塔身段面内力为:弯矩:M=()剪力:V=(T)扭矩:T=12(),则:1、当剪力沿x-x轴时(见图a),由∑M B=0,得T+V*L1 -L B0’*N1=0即: N1=(T+ V*L1)/ L B0’=(12+*)/=(T)通过三角函数关系,得支座A反力为:R AY= N1*=*=(T)R Ax= N1*=* =(T)由∑M C=0,得N3*L G0’+T+V*=0即:N3=-(T+ V*)/ L G0’=(T)由∑M0’=0,得 N2*L C0’-(T+V*L6)=0即:N2 =(T+ V*L6)/ L C 0’=(12+*)/=(T)由力平衡公式∑N i=0,得R AY+R BY=0和-R AX-R BX +V =0,故R BY= -R AY =(T)(负值表示力方向与图示相反,以下同)R BX = -R AX +V =+=(T)2、当剪力沿y-y轴时(见图b),由∑M B=0,得T-(V*L4+L B0’*N1)=0即: N1=(T-V*L4)/ L B0’=(*)/=(T)通过三角函数关系,得支座A反力为:R AY= N1*=*=(T)R Ax= N1*=* =(T)由∑M C=0,得N3*L C0’+T+V*=0即:N3=-(T+ V*)/ L C0’=(T)由∑M0’=0,得 N2*L C0’-(T+V*L5)=0即:N2 =(T+ V*L5)/ L G 0’=(12+*)/=(T)由静力平衡公式∑N i=0,得R AY +R BY+V =0和R AX+ R BX =0,故R BY= -(R AY +V)=-+12)=(T)R BX = -R AX =(T)(二)、对第二种受力状态(非工作状态),附墙上口塔身段面内力为:弯矩:M=()剪力:V=(T),剪力沿塔身横截面对角线,对图c,由∑M B=0,得V*L BH +L B0’*N1=0即: N1=-V*L BH/ L B0’=*=(T)通过三角函数关系,得支座A反力为:R AY= -N1*=*=(T)R Ax= -N1*=* =(T)由∑M C=0,得N3*L0’C+ V* L C0=0即:N3=- V* L C0/ L C0’=*=(T)由∑M0’=0,得 N2*L C0’-V*L7=0即:N2 = V*L7/ L C 0’=*=(T)由力平衡公式∑N i=0,得R AY +R BY+V*cos450=0和-R AX-R BX +V*sin450 =0,故R BY= -R AY- V*cos450 =(T)R BX = -R AX +V* sin450 ==+*sin450=(T)对图d,由∑M B=0,得V*L BG +L B0’*N1=0即: N1=-V*L BG/ L B0’=*=(T)由∑M C=0,得N3*0+ V* L C0=0,即N3=0通过三角函数关系,得支座A反力为:R AY= N1*=*=(T)R Ax = -N 1*=* =(T ) 由静力平衡公式,得R AY +R BY +V*sin450=0和R AX +R BX +V*cos450 =0,故 R BY =-R AY -V*sin450=(T ) R BX =-R AX -V*sin450=(T )根据如上计算,附墙杆件和支座受力最大值见下表: AB 杆 BC 杆 BD 杆 A 支座 B 支座R AX R AY R BX R BY N1=N2=N3=-13t由于外力方向可向相反方向进行,故以上数值可正可负,均按压杆进行设计。
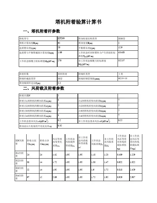
塔机附着验算计算书一、塔机附着杆参数附着杆数四杆附着附墙杆类型Ⅰ类附墙杆截面类型钢管附墙杆钢管规格(mm) Φ219×10塔身锚固环边长C(m) 2.2二、风荷载及附着参数附着次数N 5附着点1到塔机的横向距离a1(m) 3 点1到塔机的竖向距离b1(m) 7附着点2到塔机的横向距离a2(m) 2 点2到塔机的竖向距离b2(m) 5附着点3到塔机的横向距离a3(m) 2 点3到塔机的竖向距离b3(m) 5附着点4到塔机的横向距离a4(m) 3 点4到塔机的竖向距离b4(m) 7工作状态基本风压ω0(kN/m2) 0.2 非工作状态基本风压ω0'(kN/m2) 0.55塔身前后片桁架的平均充实率α00.35第N次附着附着点高度h1(m)附着点净高h01(m)风压等效高度变化系数μz工作状态风荷载体型系数μs非工作状态风荷载体型系数μs'工作状态风振系数βz非工作状态风振系数βz'工作状态风压等效均布线荷载标准值q sk非工作状态风压等效均布线荷载标准值q sk'第1次附着24 24 1.42 1.95 1.95 1.18 1.23 0.439 1.259 第2次附着38 14 1.72 1.95 1.95 1.38 1.47 0.622 1.822 第3次附着52 14 1.95 1.95 1.95 1.6 1.75 0.818 2.459 第4次附着67 15 2.09 1.95 1.95 1.75 1.95 0.959 2.937 第5次附79 12 2.15 1.95 1.95 1.85 2.05 1.042 3.177塔机附着立面图三、工作状态下附墙杆内力计算1、在平衡臂、起重臂高度处的风荷载标准值q kq k=0.8βzμzμsω0α0h=0.8×2.21×1.92×1.95×0.2×0.35×1.06=0.491kN/m 2、扭矩组合标准值T k由风荷载产生的扭矩标准值T k2T k2=1/2q k l12-1/2q k l22=1/2×0.491×502-1/2×0.491×12.92=572.896kN·m 集中扭矩标准值(考虑两项可变荷载控制的组合系数取0.9)T k=0.9(T k1+ T k2)=0.9×(454.63+572.896)=924.773kN·m3、附着支座反力计算计算简图剪力图得:R E=64.173kN在工作状态下,塔机起重臂位置的不确定性以及风向的随机性,在计算支座6处锚固环截面内力时需考虑塔身承受双向的风荷载和倾覆力矩及扭矩。
一. 参数信息塔吊型号:QTZ63, 自重(包括压重)F1=450.80kN,最大起重荷载F2=60.00kN,塔吊倾覆力距M=630.00kN.m,塔吊起重高度H=105.00m,塔身宽度B=1.80m,混凝土强度等级:C35,基础埋深D=1.40m,基础最小厚度h=1.40m,基础最小宽度Bc=5.00m,二. 基础最小尺寸计算基础的最小厚度取:H=1.40m基础的最小宽度取:Bc=5.00m三. 塔吊基础承载力计算依据《建筑地基基础设计规范》(GB50007-2002)第5.2条承载力计算。
计算简图:当不考虑附着时的基础设计值计算公式:当考虑附着时的基础设计值计算公式:当考虑偏心距较大时的基础设计值计算公式:式中F──塔吊作用于基础的竖向力,它包括塔吊自重,压重和最大起重荷载,F=1.2×510.8=612.96kN;G──基础自重与基础上面的土的自重,G=1.2×(25.0×Bc×Bc×Hc+20.0×Bc×Bc×D) =1890.00kN;Bc──基础底面的宽度,取Bc=5.00m;W──基础底面的抵抗矩,W=Bc×Bc×Bc/6=20.83m3;M──倾覆力矩,包括风荷载产生的力距和最大起重力距,M=1.4×630.00=882.00kN.m;a──合力作用点至基础底面最大压力边缘距离(m),按下式计算:a=5.00/2-882.00/(612.96+1890.00)=2.15m。
经过计算得到:无附着的最大压力设计值Pmax=(612.96+1890.00)/5.002+882.00/20.83=142.45kPa无附着的最小压力设计值Pmin=(612.96+1890.00)/5.002-882.00/20.83=57.78kPa有附着的压力设计值P=(612.96+1890.00)/5.002=100.12kPa偏心距较大时压力设计值Pkmax=2×(612.96+1890.00)/(3×5.00×2.15)=155.39kPa四. 地基基础承载力验算地基承载力设计值为:fa=150kPa地基承载力特征值fa大于最大压力设计值Pmax=142.45kPa,满足要求!地基承载力特征值1.2×fa大于偏心距较大时的压力设计值Pkmax=155.39kPa,满足要求!五. 受冲切承载力验算依据《建筑地基基础设计规范》GB 50007-2002第8.2.7条。
塔吊附着计算书1、附着装置布置方案根据塔机生产厂家提供的标准,附着距离一般为3~5 m,附着点跨距为7~8 m[1,2],塔机附着装置由附着框架和附着杆组成,附着框架多用钢板组焊成箱型结构,附着杆常采用角钢或无缝钢管组焊成格构式桁架结构,受力不大的附着杆也可用型钢或钢管制成。
根据施工现场提供的楼面顶板标高,按照QTZ63 系列5013 型塔式起重机的技术要求,需设4道附着装置,以满足工程建设最大高度100 m 的要求。
附着装置布置方案如图2 所示。
图1塔吊简图与计算简图塔吊基本参数附着类型类型1 最大扭矩270.00 kN·m最大倾覆力矩1350.00 kN·m 附着表面特征槽钢塔吊高度110 m 槽钢型号18A塔身宽度1645*1645*2800 mm风荷载设计值(福州地区)0.41附着框宽度 3.00 m 尺寸参数附着节点数 4 附着点1到塔吊的竖向距离 3.00 m第I层附着附着高度附着点1到塔吊的横向距离 3.00 m第8层23.45 m 附着点1到附着点2的距离9.00 m第16层46.65 m 独立起升高度40 m第24层70.85 m 附着起升高度151.2 m第31层95.95 m图2塔吊附着简图三、第一道附着计算塔机按照说明书与建筑物附着时,最上面一道附着装置的负荷最大,因此以此道附着杆的负荷作为设计或校核附着杆截面的依据。
第一道附着的装置的负荷以第四道附着杆的负荷作为设计或校核附着杆截面计算,第一道附着高度计划在第8层楼层标高为23.45米。
(一)、支座力计算附着式塔机的塔身可以简化为一个带悬臂的刚性支撑连续梁,其内力及支座反力计算如下:风荷载取值:Q = 0.41kN;塔吊的最大倾覆力矩:M = 1668.00kN;弯矩图变形图剪力图计算结果: N w = 105.3733kN ;(二)、附着杆内力计算计算简图:计算单元的平衡方程:其中:2.1 第一种工况的计算:塔机满载工作,风向垂直于起重臂,考虑塔身在最上层截面的回转惯性力产生的扭矩合风荷载扭矩。
附着计算计算书本计算书主要依据施工图纸及以下规范及参考文献编制:《塔式起重机设计规范》(GB/T13752-1992)、《建筑结构荷载规范》(GB50009-2001)、《建筑安全检查标准》(JGJ59-99)、《建筑施工手册》、《钢结构设计规范》(GB50017-2003)等编制。
塔机安装位置至附墙或建筑物距离超过使用说明规定时,需要增设附着杆,附着杆与附墙连接或者附着杆与建筑物连接的两支座间距改变时,必须进行附着计算。
主要包括附着支座计算、附着杆计算、锚固环计算。
一、支座力计算塔机按照说明书与建筑物附着时,最上面一道附着装置的负荷最大,因此以此道附着杆的负荷作为设计或校核附着杆截面的依据。
附着式塔机的塔身可以简化为一个带悬臂的刚性支撑连续梁,其内力及支座反力计算如下:风荷载标准值应按照以下公式计算:ωk=ω0×μz×μs×βz= 0.390×1.170×1.450×0.700 =0.463 kN/m2;其中ω0──基本风压(kN/m2),按照《建筑结构荷载规范》(GBJ9)的规定采用:ω0 = 0.390 kN/m2;μz──风压高度变化系数,按照《建筑结构荷载规范》(GBJ9)的规定采用:μz = 1.450 ;μs──风荷载体型系数:μs = 1.170;βz──高度Z处的风振系数,βz = 0.700;风荷载的水平作用力:q = W k×B×K s = 0.463×1.600×0.200 = 0.148 kN/m;其中 W k──风荷载水平压力,W k= 0.463 kN/m2;B──塔吊作用宽度,B= 1.600 m;K s──迎风面积折减系数,K s= 0.200;实际取风荷载的水平作用力 q = 0.148 kN/m;塔吊的最大倾覆力矩:M = 1090.000 kN·m;弯矩图变形图剪力图计算结果: N w = 60.8891kN ;二、附着杆内力计算计算简图:计算单元的平衡方程:ΣF x=0T1cosα1+T2cosα2-T3cosα3=-N w cosθΣF y=0T1sinα1+T2sinα2+T3sinα3=-N w sinθΣM0=0T1[(b1+c/2)cosα1-(α1+c/2)sinα1]+T2[(b1+c/2)cosα2-(α1+c/2)sinα2]+T3[-(b1+c/2)cosα3+ (α2-α1-c/2)sinα3]=M w其中:α1=arctan[b1/a1] α2=arctan[b1/(a1+c)] α3=arctan[b1/(a2- a1-c)]2.1 第一种工况的计算:塔机满载工作,风向垂直于起重臂,考虑塔身在最上层截面的回转惯性力产生的扭矩和风荷载扭矩。
塔吊附着计算书1、附着装置布置方案根据塔机生产厂家提供的标准,附着距离一般为3~5 m,附着点跨距为7~8 m[1,2],塔机附着装置由附着框架和附着杆组成,附着框架多用钢板组焊成箱型结构,附着杆常采用角钢或无缝钢管组焊成格构式桁架结构,受力不大的附着杆也可用型钢或钢管制成。
根据施工现场提供的楼面顶板标高,按照QTZ63 系列5013 型塔式起重机的技术要求,需设4道附着装置,以满足工程建设最大高度100 m 的要求。
附着装置布置方案如图2 所示。
图1塔吊简图与计算简图塔吊基本参数附着类型类型1 最大扭矩270.00kN·m最大倾覆1350.00 kN·m 附着表面特征槽钢力矩塔吊高度110 m 槽钢型号18A塔身宽度1645*1645*2800 风荷载设计值(福0.41mm 州地区)附着框宽度3.00 m 尺寸参数附着节点数4 附着点1到塔吊的竖向距离3.00 m第I层附着附着高度附着点1到塔吊的横向距离3.00 m第8层23.45 m 附着点1到附着点2的距离9.00 m 第16层46.65 m 独立起升高度40 m第24层70.85 m 附着起升高度151.2 m 第31层95.95 m图2塔吊附着简图三、第一道附着计算塔机按照说明书与建筑物附着时,最上面一道附着装置的负荷最大,因此以此道附着杆的负荷作为设计或校核附着杆截面的依据。
第一道附着的装置的负荷以第四道附着杆的负荷作为设计或校核附着杆截面计算,第一道附着高度计划在第8层楼层标高为23.45米。
(一)、支座力计算附着式塔机的塔身可以简化为一个带悬臂的刚性支撑连续梁,其内力及支座反力计算如下:风荷载取值:Q = 0.41kN;塔吊的最大倾覆力矩:M = 1668.00kN;弯矩图变形图剪力图计算结果: N w = 105.3733kN ;(二)、附着杆内力计算计算简图:计算单元的平衡方程:其中:2.1 第一种工况的计算:塔机满载工作,风向垂直于起重臂,考虑塔身在最上层截面的回转惯性力产生的扭矩合风荷载扭矩。
塔机附着验算计算书一、塔机附着杆参数二、风荷载及附着参数附图如下:塔机附着立面图三、工作状态下附墙杆内力计算1、在平衡臂、起重臂高度处的风荷载标准值q kq k=0.8βzμzμsω0α0h=0.8×1.695×1.206×1.95×0.2×0.35×1.06=0.237kN/m 2、扭矩组合标准值T k由风荷载产生的扭矩标准值T k2T k2=1/2q k l12-1/2q k l22=1/2×0.237×572-1/2×0.237×12.92=365.287kN·m 集中扭矩标准值(考虑两项可变荷载控制的组合系数取0.9)T k=0.9(T k1+ T k2)=0.9×(270+365.287)=571.758kN·m3、附着支座反力计算计算简图剪力图得:R E=77.975kN在工作状态下,塔机起重臂位置的不确定性以及风向的随机性,在计算支座4处锚固环截面内力时需考虑塔身承受双向的风荷载和倾覆力矩及扭矩。
4、附墙杆内力计算支座4处锚固环的截面扭矩T k(考虑塔机产生的扭矩由支座4处的附墙杆承担),水平内力N w=20.5R E=110.273kN。
计算简图:塔机附着示意图塔机附着平面图α1=arctan(b1/a1)=53.241°α2=arctan(b2/a2)=46.353°α3=arctan(b3/a3)=46.353°α4=arctan(b4/a4)=53.241°β1=arctan((b1-c/2)/(a1+c/2))=46.185°β2=arctan((b2+c/2)/(a2+c/2))=46.185°β3=arctan((b3+c/2)/(a3+c/2))=46.185°β4=arctan((b4-c/2)/(a4+c/2))=46.185°四杆附着属于一次超静定结构,用力法计算,切断T4杆并代以相应多余未知力X1=1。
北京星城瑞景塔吊附着计算书塔吊附着计算书1、附着装置布置方案根据塔机生产厂家提供的标准,附着距离一般为3~5 m,附着点跨距为7~8 m[1,2],塔机附着装置由附着框架和附着杆组成,附着框架多用钢板组焊成箱型结构,附着杆常采用槽钢或无缝钢管组焊成格构式桁架结构,受力不大的附着杆也可用型钢或钢管制成。
根据施工现场提供的楼面顶板标高,按照QTZ80 系列5613 型塔式起重机的技术要求,需设2道附着装置,以满足工程建设最大高度70 m 的要求。
附着装置布置方案如图2 所示。
图1塔吊简图与计算简图塔吊基本参数附着类型类型1 最大扭矩270.00 kN·m 最大倾覆力矩1350.00 kN·m 附着表面特征槽钢塔吊高度110 m 槽钢型号18A塔身宽度1800*1800*3000 mm 风荷载设计值(福州地区)0.41附着框宽度 3.00 m 尺寸参数附着节点数10 附着点1到塔吊的竖向距离7.00 m第I层附着附着高度附着点1到塔吊的横向距离7.00 m第8层27 m 附着点1到附着点2的距离15.00 m第12层45 m 独立起升高度45 m图2塔吊附着简图2、第一道附着计算塔机按照说明书与建筑物附着时,最上面一道附着装置的负荷最大,因此以此道附着杆的负荷作为设计或校核附着杆截面的依据。
第一道附着的装置的负荷以第四道附着杆的负荷作为设计或校核附着杆截面计算,第一道附着高度计划在第8层楼层标高为23.45米。
(一)、支座力计算附着式塔机的塔身可以简化为一个带悬臂的刚性支撑连续梁,其内力及支座反力计算如下:风荷载取值:Q = 0.41kN;塔吊的最大倾覆力矩:M = 1668.00kN;弯矩图变形图剪力图计算结果: N w = 105.3733kN ;(二)、附着杆内力计算计算简图:计算单元的平衡方程:其中:2.1 第一种工况的计算:塔机满载工作,风向垂直于起重臂,考虑塔身在最上层截面的回转惯性力产生的扭矩合风荷载扭矩。
塔吊附墙计算书塔吊附墙计算书主要用于计算塔吊与建筑物墙壁之间的力学关系。
以下是一份示例的塔吊附墙计算书的内容:1. 塔吊基本信息:- 塔吊型号:__________- 最大起重力矩:__________ kN.m- 靶标高度:__________ m- 安装位置相对建筑物的水平距离:__________ m- 安装位置相对建筑物的垂直高度差:__________ m2. 建筑物信息:- 墙壁材料:__________- 墙壁厚度:__________ m- 墙壁高度:__________ m- 墙壁宽度:__________ m3. 力学计算:a. 悬臂杆件计算:- 计算塔吊与建筑物墙壁的水平距离:__________ m- 计算塔吊与建筑物墙壁的垂直高度差:__________ m- 计算塔吊与建筑物墙壁之间的直线距离:__________ m- 计算塔吊与建筑物墙壁之间的水平力:__________ kN- 计算塔吊与建筑物墙壁之间的垂直力:__________ kNb. 基础计算:- 塔吊基础的尺寸:__________ m x __________ m- 塔吊基础的面积:__________ m²- 塔吊基础的所承受的总载荷:__________ kN- 建筑物墙壁所能承受的最大压力:__________ kN/m²- 塔吊基础所承受的压力:__________ kN/m²- 塔吊基础的安全系数:__________4. 结论:- 塔吊安装位置是否满足安全要求:__________- 若不满足安全要求,需采取的措施:__________注意:以上仅为示例内容,具体的塔吊附墙计算书需要根据实际的工程要求进行设计和填写。
在进行任何工程计算和设计之前,请务必咨询专业工程师的意见。
塔机附着验算计算书计算依据:1、《塔式起重机混凝土基础工程技术规程》JGJ/T187-20092、《钢结构设计规范》GB50017-2003一、塔机附着杆参数二、风荷载及附着参数附图如下:塔机附着立面图三、工作状态下附墙杆内力计算1、在平衡臂、起重臂高度处的风荷载标准值q kq k=0.8βzμzμsω0α0h=0.8×1.695×1.206×1.95×0.2×0.35×1.06=0.237kN/m 2、扭矩组合标准值T k由风荷载产生的扭矩标准值T k2T k2=1/2q k l12-1/2q k l22=1/2×0.237×572-1/2×0.237×12.92=365.287kN·m集中扭矩标准值(考虑两项可变荷载控制的组合系数取0.9)T k=0.9(T k1+ T k2)=0.9×(270+365.287)=571.758kN·m3、附着支座反力计算计算简图剪力图得:R E=77.975kN在工作状态下,塔机起重臂位置的不确定性以及风向的随机性,在计算支座4处锚固环截面内力时需考虑塔身承受双向的风荷载和倾覆力矩及扭矩。
4、附墙杆内力计算支座4处锚固环的截面扭矩T k(考虑塔机产生的扭矩由支座4处的附墙杆承担),水平内力N w=20.5R E=110.273kN。
计算简图:塔机附着示意图塔机附着平面图α1=arctan(b1/a1)=57.291°α2=arctan(b2/a2)=52.431°α3=arctan(b3/a3)=50.505°α4=arctan(b4/a4)=55.469°β1=arctan((b1-c/2)/(a1+c/2))=51.691°β2=arctan((b2+c/2)/(a2+c/2))=51.691°β3=arctan((b3+c/2)/(a3+c/2))=49.97°β4=arctan((b4-c/2)/(a4+c/2))=49.97°四杆附着属于一次超静定结构,用力法计算,切断T4杆并代以相应多余未知力X1=1。
塔机附着验算计算书计算依据:1、《塔式起重机混凝土基础工程技术规程》JGJ/T187-20092、《钢结构设计规范》GB50017-2003一、塔机附着杆参数二、风荷载及附着参数第2次附55 24 0.922 1.95 1.95 1.755 1.912 0.339 0.647 着悬臂端121.5 21.5 1.266 1.95 1.95 1.687 1.854 0.448 0.861附图如下:塔机附着立面图三、工作状态下附墙杆内力计算1、在平衡臂、起重臂高度处的风荷载标准值q kq k=0.8βzμzμsω0α0h=0.8×1.687×1.266×1.95×0.2×0.35×1.06=0.247kN/m2、扭矩组合标准值T k由风荷载产生的扭矩标准值T k2T k2=1/2q k l12-1/2q k l22=1/2×0.247×602-1/2×0.247×142=420.394kN·m集中扭矩标准值(考虑两项可变荷载控制的组合系数取0.9)T k=0.9(T k1+ T k2)=0.9×(454.63+420.394)=787.522kN·m3、附着支座反力计算计算简图剪力图得:R E=90.87kN在工作状态下,塔机起重臂位置的不确定性以及风向的随机性,在计算支座3处锚固环截面内力时需考虑塔身承受双向的风荷载和倾覆力矩及扭矩。
4、附墙杆内力计算支座3处锚固环的截面扭矩T k(考虑塔机产生的扭矩由支座3处的附墙杆承担),水平内力N w=20.5R E=128.51kN。
计算简图:塔机附着示意图塔机附着平面图α1=arctan(b1/a1)=56.31°α2=arctan(b2/a2)=49.086°α3=arctan(b3/a3)=49.086°α4=arctan(b4/a4)=56.31°β1=arctan(b1/(a1+20.5c/2))=42.51°β2=arctan((b2+20.5c/2)/a2)=58.679°β3=arctan((b3+20.5c/2)/a3)=58.679°β4=arctan(b4/(a4+20.5c/2))=42.51°四杆附着属于一次超静定结构,用力法计算,切断T4杆并代以相应多余未知力X1=1。
二、塔吊附墙杆受力计算(一)、塔吊附墙内力计算,将对以下两种最不利受力情况进行:1、塔机满载工作,起重臂顺塔身x-x轴或y-y轴,风向垂直于起重臂(见图1);2、塔机处于非工作状态,起重臂处于塔身对角线,风向由起重臂吹向平衡臂(见图2)。
对于第一种受力状态,塔身附墙承担吊臂制动和风力产生的扭矩和附墙以上自由高度下塔身产生的水平剪力。
对于第二种受力状态,塔身附墙仅承受附墙以上自由高度下塔身产生的水平剪力。
以下分别对不同受力情况进行计算:(二)、对第一种受力状态,附墙上口塔身段面内力为:弯矩:M=164.83(T.m)剪力:V=3.013(T)扭矩:T=12(T.m),则:1、当剪力沿x-x轴时(见图a),由∑M B=0,得T+V*L1 -L B0’*N1=0即:N1=(T+ V*L1)/ L B0’=(12+3.013*3.65)/5.932=3.88(T)通过三角函数关系,得支座A反力为:R AY= N1*sin52.3426=3.88*sin52.3426=2.84(T)R Ax= N1*cos52.3426=3.88* cos52.3426=2.64(T)由∑M C=0,得N3*L G0’+T+V*0.8=0即:N3=-(T+ V*0.8)/ L G0’=-(12+3.013*0.8)/0.966=-14.92(T)由∑M0’=0,得N2*L C0’-(T+V*L6)=0即:N2 =(T+ V*L6)/ L C 0’=(12+3.013*0.027)/0.98=12.33(T)由力平衡公式∑N i=0,得R AY+R BY=0和-R AX-R BX +V =0,故R BY= -R AY =-2.84(T)(负值表示力方向与图示相反,以下同) R BX = -R AX +V =-2.64+12.33=9.48(T)2、当剪力沿y-y轴时(见图b),由∑M B=0,得T-(V*L4+L B0’*N1)=0即:N1=(T-V*L4)/ L B0’=(12-3.013*4.5)/5.932=-0.263(T)通过三角函数关系,得支座A反力为:R AY= N1*sin52.3426=-0.263*sin52.3426=-0.171(T)R Ax= N1*cos52.3426=-0.263* cos52.3426=-0.2(T)由∑M C=0,得N3*L C0’+T+V*0.8=0即:N3=-(T+ V*0.8)/ L C0’=-(12+3.013*0.8)/0.98=-14.91(T)由∑M0’=0,得N2*L C0’-(T+V*L5)=0即:N2 =(T+ V*L5)/ L G 0’=(12+3.013*0.2)/0.966=13.05(T)由静力平衡公式∑N i=0,得R AY +R BY+V =0和R AX+ R BX =0,故R BY= -(R AY +V)=-(-3.16+12)=-8.84(T)R BX = -R AX =2.93(T)(二)、对第二种受力状态(非工作状态),附墙上口塔身段面内力为:弯矩:M=191.603(T.m)剪力:V=10.036(T),剪力沿塔身横截面对角线,对图c,由∑M B=0,得V*L BH +L B0’*N1=0即:N1=-V*L BH/ L B0’=-10.036*0.6/5.932=-1.015(T)通过三角函数关系,得支座A反力为:R AY= -N1*sin52.3426=-1.015*sin52.3426=-0.8(T)R Ax= -N1*cos52.3426=-1.015* cos52.3426=-0.62(T)由∑M C=0,得N3*L0’C+ V* L C0=0即:N3=- V* L C0/ L C0’=-10.036*1.132/0.98=-11.6(T)由∑M0’=0,得N2*L C0’-V*L7=0即:N2 = V*L7/ L C 0’=10.036*0.17/0.98=1.74(T)由力平衡公式∑N i=0,得R AY +R BY+V*cos450=0和-R AX-R BX +V*sin450 =0,故R BY= -R AY- V*cos450 =0.8-10.036*cos450=-6.3(T)R BX = -R AX +V* sin450 ==0.62+10.036*sin450=7.79(T)对图d,由∑M B=0,得V*L BG +L B0’*N1=0即:N1=-V*L BG/ L B0’=-10.036*5.67/5.932=-9.6(T)由∑M C =0,得N3*0+ V* L C0=0,即N3=0通过三角函数关系,得支座A 反力为:R AY = N 1*sin52.3426=-9.6*sin52.3426=-7.6(T )R Ax = -N 1*cos52.3426=-9.6* cos52.3426=-5.87(T ) 由静力平衡公式,得R AY +R BY +V*sin450=0和R AX +R BX +V*cos450 =0,故R BY =-R AY -V*sin450=7.6-10.036*cos450=0.5(T )R BX =-R AX -V*sin450=-5.87-10.036*sin450=-13(T )根据如上计算,附墙杆件和支座受力最大值见下表: AB 杆 BC 杆 BD 杆 A 支座B 支座 R AXR AY R BX R BY N1=-9.6t N2=13.05t N3=-14.92t7.6t5.87t -13t 0.5t 由于外力方向可向相反方向进行,故以上数值可正可负,均按压杆进行设计。
塔吊附墙计算书.doc(完整版)编制单位:编制⼈:审核⼈:编制时间:⽬录⼀、塔吊附墙概况⼆、塔吊附墙杆受⼒计算三、结构柱抗剪切验算四、附墙杆截⾯设计和稳定性强度验算⼀、塔吊附墙概况本⼯程结构⾼度53.4 m,另加桅杆15⽶,总⾼度68.4⽶。
本⼯程采⽤FO/23B塔吊,塔吊采⽤固定式现浇砼基础,基础埋设深度-5.35m,塔⾝设两道附墙与结构柱拉结:塔⾝升到12标准节时,设第⼀道附墙于第6标准节(结构标⾼23.47⽶),塔吊升到第17标准节时,设第⼆道附墙于第14标准节(结构标⾼42.8⽶),然后加到第23标准节为⽌。
在加第⼆道附墙之前,第⼀道附墙以上有17-6=11个标准节,⽽第⼆道附墙以上塔⾝标准节数最多为23-14=9节,因此,第⼆道附墙设置之前第⼀道附墙受⼒最⼤。
本计算书将对第⼀道附墙进⾏受⼒计算和构造设计。
为简化计算和偏于安全考虑,第⼆道附墙将采⽤与第⼀道附墙相同的构造形式。
本⼯程计划使⽤⾦环项⽬使⽤过的塔吊附墙杆。
根据塔吊与结构的位置关系,附墙杆夹⾓较⼩,附墙杆与结构柱连接的予埋件分别采⽤不同的形式。
本计算书主要包括四个⽅⾯内容:附墙杆及⽀座受⼒计算,结构柱抗剪切及局部受压验算,附墙杆予埋件锚筋设计,附墙杆型号选⽤。
⼆、塔吊附墙杆受⼒计算(⼀)、塔吊附墙内⼒计算,将对以下两种最不利受⼒情况进⾏:1、塔机满载⼯作,起重臂顺塔⾝x-x轴或y-y轴,风向垂直于起重臂(见图1);2、塔机处于⾮⼯作状态,起重臂处于塔⾝对⾓线,风向由起重臂吹向平衡臂(见图2)。
对于第⼀种受⼒状态,塔⾝附墙承担吊臂制动和风⼒产⽣的扭矩和附墙以上⾃由⾼度下塔⾝产⽣的⽔平剪⼒。
对于第⼆种受⼒状态,塔⾝附墙仅承受附墙以上⾃由⾼度下塔⾝产⽣的⽔平剪⼒。
以下分别对不同受⼒情况进⾏计算:(⼆)、对第⼀种受⼒状态,附墙上⼝塔⾝段⾯内⼒为:弯矩:M=164.83(T.m)剪⼒:V=3.013(T)扭矩:T=12(T.m),则:1、当剪⼒沿x-x轴时(见图a),由∑M B=0,得T+V*L1 -L B0’*N1=0即: N1=(T+ V*L1)/ L B0’=(12+3.013*3.65)/5.932=3.88(T)通过三⾓函数关系,得⽀座A反⼒为:R AY= N1*sin52.3426=3.88*sin52.3426=2.84(T)R Ax= N1*cos52.3426=3.88* cos52.3426=2.64(T)由∑M C=0,得N3*L G0’+T+V*0.8=0’=-(12+3.013*0.8)/0.966=-14.92(T)由∑M0’=0,得 N2*L C0’-(T+V*L6)=0即:N2 =(T+ V*L6)/ L C 0’=(12+3.013*0.027)/0.98=12.33(T)由⼒平衡公式∑N i=0,得R AY+R BY=0和-R AX-R BX +V =0,故R BY= -R AY =-2.84(T)(负值表⽰⼒⽅向与图⽰相反,以下同) R BX = -R AX +V =-2.64+12.33=9.48(T)2、当剪⼒沿y-y轴时(见图b),由∑M B=0,得T-(V*L4+L B0’*N1)=0即: N1=(T-V*L4)/ L B0’=(12-3.013*4.5)/5.932通过三⾓函数关系,得⽀座A反⼒为:R AY= N1*sin52.3426=-0.263*sin52.3426=-0.171(T)R Ax= N1*cos52.3426=-0.263* cos52.3426=-0.2(T)由∑M C=0,得N3*L C0’+T+V*0.8=0’=-(12+3.013*0.8)/0.98=-14.91(T)由∑M0’=0,得 N2*L C0’-(T+V*L5)=0即:N2 =(T+ V*L5)/ L G 0’=(12+3.013*0.2)/0.966=13.05(T)由静⼒平衡公式∑N i=0,得R AY +R BY+V =0和R AX+ R BX =0,故R BY= -(R AY +V)=-(-3.16+12)=-8.84(T)R BX = -R AX =2.93(T)(⼆)、对第⼆种受⼒状态(⾮⼯作状态),附墙上⼝塔⾝段⾯内⼒为:弯矩:M=191.603(T.m)剪⼒:V=10.036(T),剪⼒沿塔⾝横截⾯对⾓线,对图c,由∑M B=0,得V*L BH +L B0’*N1=0即: N1=-V*L BH/ L B0’=-10.036*0.6/5.932=-1.015(T)通过三⾓函数关系,得⽀座A反⼒为:R AY= -N1*sin52.3426=-1.015*sin52.3426=-0.8(T)R Ax= -N1*cos52.3426=-1.015* cos52.3426=-0.62(T)由∑M C=0,得N3*L0’C+ V* L C0=0即:N3=- V* L C0/ L C0’=-10.036*1.132/0.98=-11.6(T)由∑M0’=0,得 N2*L C0’-V*L7=0即:N2 = V*L7/ L C 0’=10.036*0.17/0.98由⼒平衡公式∑N i=0,得R AY +R BY+V*cos450=0和-R AX-R BX +V*sin450 =0,故R BY= -R AY- V*cos450 =0.8-10.036*cos450=-6.3(T)R BX = -R AX +V* sin450 ==0.62+10.036*sin450=7.79(T)对图d,由∑M B=0,得V*L BG +L B0’*N1=0即: N1=-V*L BG/ L B0’=-10.036*5.67/5.932=-9.6(T)由∑M C=0,得N3*0+ V* L C0=0,即N3=0通过三⾓函数关系,得⽀座A反⼒为:R AY = N 1*sin52.3426=-9.6*sin52.3426=-7.6(T )R Ax = -N 1*cos52.3426=-9.6* cos52.3426=-5.87(T )由静⼒平衡公式,得R AY +R BY +V*sin450=0和R AX +R BX +V*cos450 =0,故R BY =-R AY -V*sin450=7.6-10.036*cos450=0.5(T )R BX =-R AX -V*sin450=-5.87-10.036*sin450=-13(T )根据如上计算,附墙杆件和⽀座受⼒最⼤值见下表:三、结构柱抗剪切和局部压⼒强度验算附墙埋件受⼒⾯积为470×470,锚固深度按450计算,最⼩柱断⾯为700×700,柱⼦箍筋为,由上⾯的计算结果可知,⽀座最⼤拉⼒(压⼒)为(R BX 2+R BY 2)1/2=(13 2+0.52)1/2=13.01T=130.1KN 。
预埋件计算书一. 预埋件基本资料采用锚筋:焊接直锚筋HRB400-Ф16排列为(非环形布置):3行;行间距150mm;5列;列间距150mm;锚板选用:SB20_Q345锚板尺寸:L*B= 800mm×500mm,T=20基材混凝土:C30基材厚度:700mm锚筋布置平面图如下:二. 预埋件验算:轴力:N=360kN锚板上锚筋总个数为15 个锚筋总面积:A=15×π×(0.5×16)2/100=30.1593 cm2根据《混凝土结构设计规范2010版》,锚筋的抗拉强度设计值fy不应大于300 N/mm2预埋件抗拉强度:f y=300N/mm2X方向锚筋排数的影响系数:αrx=0.9Y方向锚筋排数的影响系数:αry=0.85锚筋的受剪承载力系数αv=(4.0-0.08*d)*(f c/f y)0.5=(4.0-0.08×16)×(14.3/300)0.5=0.593849锚板的弯曲变形折减系数αb=0.6+0.25×20/16=0.9125沿X向最外层锚筋中心间距Z x=600mm沿Y向最外层锚筋中心间距Z y=300mm按《混凝土结构设计规范2010版》公式9.7.2-1计算:A1min=N/(0.8*αb*f y)=360/(0.8×0.9125×300)×10=16.4384cm2按《混凝土结构设计规范2010版》公式9.7.2-2计算:A2min=N/(0.8*αb*f y)=360/(0.8×0.9125×300)×10=16.4384cm2故取锚筋截面面积为:A max=max(A1min,A2min)=16.4384cm2则截面实际产生承载力为:F=16.4384×102×300 = 493151N = 493.151kN由于在这里需要考虑地震组合工况:γRE=1实际允许承载力值为:F u=A*f y=30.1593×102×300=904.779×103N = 904.779kN则有:F < F u,满足!三. 预埋件构造验算:锚固长度限值计算:锚固长度按《混凝土结构设计规范》2010版公式8.3.1-1来取:钢筋的外形系数:α=0.14钢筋的抗拉强度设计值:f y=360钢筋的公称直径d=16 mm混凝土轴心抗拉强度设计值:f t=1.43N/mm2锚固长度限值:l ab=α*f y/f t*d=0.14×360/1.43×16=563.916 mm锚固长度为600,最小限值为563.916,满足!锚板厚度限值计算:按《混凝土结构设计规范2010版》9.7.1规定,锚板厚度宜大于锚筋直径的0.6倍,故取锚板厚度限值:T=0.6×d=0.6×16=9.6mm锚筋间距b取为列间距,b=150 mm锚筋的间距:b=150mm,按规范且有受拉和受弯预埋件的锚板厚度尚宜大于b/8=18.75mm, 故取锚板厚度限值:T=150/8=18.75mm锚板厚度为20,最小限值为18.75,满足!行间距为150,最小限值为96,满足!列边距为150,最小限值为48,满足!行边距为100,最小限值为32,满足!列边距为100,最小限值为32,满足!。
编制单位:编制人:审核人:编制时间:目录一、塔吊附墙概况二、塔吊附墙杆受力计算三、结构柱抗剪切验算四、附墙杆截面设计和稳定性强度验算一、塔吊附墙概况本工程结构高度53.4 m,另加桅杆15米,总高度68.4米。
本工程采用FO/23B塔吊,塔吊采用固定式现浇砼基础,基础埋设深度-5.35m,塔身设两道附墙与结构柱拉结:塔身升到12标准节时,设第一道附墙于第6标准节(结构标高23.47米),塔吊升到第17标准节时,设第二道附墙于第14标准节(结构标高42.8米),然后加到第23标准节为止。
在加第二道附墙之前,第一道附墙以上有17-6=11个标准节,而第二道附墙以上塔身标准节数最多为23-14=9节,因此,第二道附墙设置之前第一道附墙受力最大。
本计算书将对第一道附墙进行受力计算和构造设计。
为简化计算和偏于安全考虑,第二道附墙将采用与第一道附墙相同的构造形式。
本工程计划使用金环项目使用过的塔吊附墙杆。
根据塔吊与结构的位置关系,附墙杆夹角较小,附墙杆与结构柱连接的予埋件分别采用不同的形式。
本计算书主要包括四个方面内容:附墙杆及支座受力计算,结构柱抗剪切及局部受压验算,附墙杆予埋件锚筋设计,附墙杆型号选用。
二、塔吊附墙杆受力计算(一)、塔吊附墙内力计算,将对以下两种最不利受力情况进行:1、塔机满载工作,起重臂顺塔身x-x轴或y-y轴,风向垂直于起重臂(见图1);2、塔机处于非工作状态,起重臂处于塔身对角线,风向由起重臂吹向平衡臂(见图2)。
对于第一种受力状态,塔身附墙承担吊臂制动和风力产生的扭矩和附墙以上自由高度下塔身产生的水平剪力。
对于第二种受力状态,塔身附墙仅承受附墙以上自由高度下塔身产生的水平剪力。
以下分别对不同受力情况进行计算:(二)、对第一种受力状态,附墙上口塔身段面内力为:弯矩:M=164.83(T.m)剪力:V=3.013(T)扭矩:T=12(T.m),则:1、当剪力沿x-x轴时(见图a),由∑M B=0,得T+V*L1 -L B0’*N1=0即: N1=(T+ V*L1)/ L B0’=(12+3.013*3.65)/5.932=3.88(T)通过三角函数关系,得支座A反力为:R AY= N1*sin52.3426=3.88*sin52.3426=2.84(T)R Ax= N1*cos52.3426=3.88* cos52.3426=2.64(T)由∑M C=0,得N3*L G0’+T+V*0.8=0’=-(12+3.013*0.8)/0.966=-14.92(T)由∑M0’=0,得 N2*L C0’-(T+V*L6)=0即:N2 =(T+ V*L6)/ L C 0’=(12+3.013*0.027)/0.98=12.33(T)由力平衡公式∑N i=0,得R AY+R BY=0和-R AX-R BX +V =0,故R BY= -R AY =-2.84(T)(负值表示力方向与图示相反,以下同) R BX = -R AX +V =-2.64+12.33=9.48(T)2、当剪力沿y-y轴时(见图b),由∑M B=0,得T-(V*L4+L B0’*N1)=0即: N1=(T-V*L4)/ L B0’=(12-3.013*4.5)/5.932=-0.263(T)通过三角函数关系,得支座A反力为:R AY= N1*sin52.3426=-0.263*sin52.3426=-0.171(T)R Ax= N1*cos52.3426=-0.263* cos52.3426=-0.2(T)由∑M C=0,得N3*L C0’+T+V*0.8=0’=-(12+3.013*0.8)/0.98=-14.91(T)由∑M0’=0,得 N2*L C0’-(T+V*L5)=0即:N2 =(T+ V*L5)/ L G 0’=(12+3.013*0.2)/0.966=13.05(T)由静力平衡公式∑N i=0,得R AY +R BY+V =0和R AX+ R BX =0,故R BY= -(R AY +V)=-(-3.16+12)=-8.84(T)R BX = -R AX =2.93(T)(二)、对第二种受力状态(非工作状态),附墙上口塔身段面内力为:弯矩:M=191.603(T.m)剪力:V=10.036(T),剪力沿塔身横截面对角线,对图c,由∑M B=0,得V*L BH +L B0’*N1=0即: N1=-V*L BH/ L B0’=-10.036*0.6/5.932=-1.015(T)通过三角函数关系,得支座A反力为:R AY= -N1*sin52.3426=-1.015*sin52.3426=-0.8(T)R Ax= -N1*cos52.3426=-1.015* cos52.3426=-0.62(T)由∑M C=0,得N3*L0’C+ V* L C0=0即:N3=- V* L C0/ L C0’=-10.036*1.132/0.98=-11.6(T)由∑M0’=0,得 N2*L C0’-V*L7=0即:N2 = V*L7/ L C 0’=10.036*0.17/0.98=1.74(T)由力平衡公式∑N i=0,得R AY +R BY+V*cos450=0和-R AX-R BX +V*sin450 =0,故R BY= -R AY- V*cos450 =0.8-10.036*cos450=-6.3(T)R BX = -R AX +V* sin450 ==0.62+10.036*sin450=7.79(T)对图d,由∑M B=0,得V*L BG +L B0’*N1=0即: N1=-V*L BG/ L B0’=-10.036*5.67/5.932=-9.6(T)由∑M C=0,得N3*0+ V* L C0=0,即N3=0通过三角函数关系,得支座A反力为:R AY = N 1*sin52.3426=-9.6*sin52.3426=-7.6(T ) R Ax = -N 1*cos52.3426=-9.6* cos52.3426=-5.87(T ) 由静力平衡公式,得R AY +R BY +V*sin450=0和R AX +R BX +V*cos450 =0,故 R BY =-R AY -V*sin450=7.6-10.036*cos450=0.5(T ) R BX =-R AX -V*sin450=-5.87-10.036*sin450=-13(T ) 根据如上计算,附墙杆件和支座受力最大值见下表: AB 杆BC 杆BD 杆A 支座B 支座 R AX R AY R BX R BYN1=-9.6t N2=13.05tN3=-14.92t 7.6t 5.87t -13t 0.5t三、结构柱抗剪切和局部压力强度验算附墙埋件受力面积为470×470,锚固深度按450计算,最小柱断面为700×700,柱子箍筋为φ10@200,由上面的计算结果可知,支座最大拉力(压力)为(R BX 2+R BY 2)1/2=(13 2+0.52)1/2=13.01T=130.1KN 。
建筑工程塔吊附着安全专项施工方案编制人:职务:校对人:职务:审核人:职务:审批人:职务:目录第一章工程概况--------------------------------------------------- 2一、工程概况--------------------------------------------------- 2二、塔吊选型--------------------------------------------------- 2三、塔吊平面位置及高度设置------------------------------------- 3四、技术保证条件----------------------------------------------- 4第二章编制依据--------------------------------------------------- 5第三章施工计划--------------------------------------------------- 5一、施工进度计划----------------------------------------------- 5二、材料与设备计划--------------------------------------------- 5第四章施工工艺技术----------------------------------------------- 6一、技术参数--------------------------------------------------- 6二、施工工艺流程----------------------------------------------- 6三、施工方法--------------------------------------------------- 6四、检查验收--------------------------------------------------- 7第五章施工安全保证体系------------------------------------------- 9一、组织保障--------------------------------------------------- 9二、技术措施-------------------------------------------------- 12三、监测监控-------------------------------------------------- 14四、应急预案-------------------------------------------------- 14第六章劳动力计划------------------------------------------------ 15一、专职安全生产管理人员-------------------------------------- 15二、所需劳动力安排-------------------------------------------- 16第七章计算书及相关图纸------------------------------------------ 16一、计算书---------------------------------------------------- 16二、节点图---------------------------------------------------- 28第一章工程概况一、工程概况【工程概况应针对该危险性较大的分部分项工程的特点及要求进行编写】1、工程基本情况2、各责任主体名称二、塔吊选型本工程选用二台塔吊均为浙江省建机集团生产的QTZ80(ZJ5710)说明:安装附着架前,塔机最大工作高度40m,超过此高度必须安装附着架。
北京星城瑞景塔吊附着计算书塔吊附着计算书1、附着装置布置方案根据塔机生产厂家提供的标准,附着距离一般为3~5 m,附着点跨距为7~8 m[1,2],塔机附着装置由附着框架和附着杆组成,附着框架多用钢板组焊成箱型结构,附着杆常采用槽钢或无缝钢管组焊成格构式桁架结构,受力不大的附着杆也可用型钢或钢管制成。
根据施工现场提供的楼面顶板标高,按照QTZ80 系列5613 型塔式起重机的技术要求,需设2道附着装置,以满足工程建设最大高度70 m 的要求。
附着装置布置方案如图2 所示。
图1塔吊简图与计算简图塔吊基本参数附着类型类型1 最大扭矩270.00 kN·m最大倾覆力矩1350.00 kN·m 附着表面特征槽钢塔吊高度110 m 槽钢型号18A塔身宽度1800*1800*3000 mm风荷载设计值(福州地区)0.41附着框宽度 3.00 m 尺寸参数附着节点数10 附着点1到塔吊的竖向距离7.00 m第I层附着附着高度附着点1到塔吊的横向距离7.00 m第8层27 m 附着点1到附着点2的距离15.00 m第12层45 m 独立起升高度45 m图2塔吊附着简图2、第一道附着计算塔机按照说明书与建筑物附着时,最上面一道附着装置的负荷最大,因此以此道附着杆的负荷作为设计或校核附着杆截面的依据。
第一道附着的装置的负荷以第四道附着杆的负荷作为设计或校核附着杆截面计算,第一道附着高度计划在第8层楼层标高为23.45米。
(一)、支座力计算附着式塔机的塔身可以简化为一个带悬臂的刚性支撑连续梁,其内力及支座反力计算如下:风荷载取值:Q = 0.41kN;塔吊的最大倾覆力矩:M = 1668.00kN;弯矩图变形图剪力图计算结果: N w = 105.3733kN ;(二)、附着杆内力计算计算简图:计算单元的平衡方程:其中:2.1 第一种工况的计算:塔机满载工作,风向垂直于起重臂,考虑塔身在最上层截面的回转惯性力产生的扭矩合风荷载扭矩。
将上面的方程组求解,其中θ从 0 - 360 循环, 分别取正负两种情况,求得各附着最大的。
塔机满载工作,风向垂直于起重臂,考虑塔身在最上层截面的回转惯性力产生的扭矩合。
杆1的最大轴向压力为: 344.02 kN;杆2的最大轴向压力为: 0.00 kN;杆3的最大轴向压力为: 58.44 kN;杆1的最大轴向拉力为: 0.00 kN;杆2的最大轴向拉力为: 275.21 kN;杆3的最大轴向拉力为: 164.95 kN;2.2 第二种工况的计算:塔机非工作状态,风向顺着着起重臂, 不考虑扭矩的影响。
将上面的方程组求解,其中θ= 45, 135, 225, 315,M w = 0,分别求得各附着最大的轴压和轴拉力。
杆1的最大轴向压力为: 105.37 kN;杆2的最大轴向压力为: 21.22 kN;杆3的最大轴向压力为: 111.69 kN;杆1的最大轴向拉力为: 105.37 kN;杆2的最大轴向拉力为: 21.22 kN;杆3的最大轴向拉力为: 111.69 kN;(三)、附着杆强度验算1.杆件轴心受拉强度验算验算公式:σ= N / A n≤f其中σ --- 为杆件的受拉应力;N --- 为杆件的最大轴向拉力,取 N =275.21 kN;A n --- 为杆件的截面面积,本工程选取的是 18a号槽钢;查表可知 A n =2569.00 mm2。
经计算,杆件的最大受拉应力σ=275.21/2569.00=107.13N/mm2,最大拉应力不大于拉杆的允许拉应力 215N/mm2, 满足要求。
2.杆件轴心受压强度验算验算公式: σ= N / φA n≤f其中σ --- 为杆件的受压应力;N --- 为杆件的轴向压力,杆1: 取N =344.02kN;杆2: 取N =21.22kN;杆3: 取N =111.69kN;A n --- 为杆件的截面面积, 本工程选取的是 18a号槽钢;查表可知 A n =2569.00 mm2。
λ --- 杆件长细比,杆1:取λ=60,杆2:取λ=78,杆3:取λ=76φ --- 为杆件的受压稳定系数,是根据λ查表计算得:杆1: 取φ=0.81,杆2: 取φ=0.70,杆3: 取φ=0.71;经计算,杆件的最大受压应力σ=165.94 N/mm2,最大拉应力不大于拉杆的允许拉应力 215N/mm2,满足要求。
(四)、附着支座连接的计算附着支座与建筑物的连接多采用与预埋件在建筑物构件上的螺栓连接。
预埋螺栓的规格和施工要求如果说明书没有规定,应该按照下面要求确定:1.预埋螺栓必须用Q235钢制作;2.附着的建筑物构件混凝土强度等级不应低于C20;3.预埋螺栓的直径大于24mm;4.预埋螺栓的埋入长度和数量满足下面要求:其中n为预埋螺栓数量;d为预埋螺栓直径;l为预埋螺栓埋入长度;f为预埋螺栓与混凝土粘接强度(C20为1.5N/mm^2,C30为3.0N/mm^2);N为附着杆的轴向力。
5.预埋螺栓数量,单耳支座不少于4只,双耳支座不少于8只;预埋螺栓埋入长度不少于15d;螺栓埋入端应作弯钩并加横向锚固钢筋。
3、第二道附着计算塔机按照说明书与建筑物附着时,最上面一道附着装置的负荷最大,因此以此道附着杆的负荷作为设计或校核附着杆截面的依据。
第二道附着的装置的负荷以第四道附着杆的负荷作为设计或校核附着杆截面计算,第一道附着高度计划在第16层楼层标高为46.65米。
(一)、支座力计算附着式塔机的塔身可以简化为一个带悬臂的刚性支撑连续梁,其内力及支座反力计算如下:风荷载取值:Q = 0.41kN;塔吊的最大倾覆力矩:M = 1668.00kN;弯矩图变形图剪力图计算结果: N w = 105.3733kN ;(二)、附着杆内力计算计算简图:计算单元的平衡方程:其中:2.1 第一种工况的计算:塔机满载工作,风向垂直于起重臂,考虑塔身在最上层截面的回转惯性力产生的扭矩合风荷载扭矩。
将上面的方程组求解,其中θ从 0 - 360 循环, 分别取正负两种情况,求得各附着最大的。
塔机满载工作,风向垂直于起重臂,考虑塔身在最上层截面的回转惯性力产生的扭矩合。
杆1的最大轴向压力为: 344.02 kN;杆2的最大轴向压力为: 0.00 kN;杆3的最大轴向压力为: 58.44 kN;杆1的最大轴向拉力为: 0.00 kN;杆2的最大轴向拉力为: 275.21 kN;杆3的最大轴向拉力为: 164.95 kN;2.2 第二种工况的计算:塔机非工作状态,风向顺着着起重臂, 不考虑扭矩的影响。
将上面的方程组求解,其中θ= 45, 135, 225, 315,M w = 0,分别求得各附着最大的轴压和轴拉力。
杆1的最大轴向压力为: 105.37 kN;杆2的最大轴向压力为: 21.22 kN;杆3的最大轴向压力为: 111.69 kN;杆1的最大轴向拉力为: 105.37 kN;杆2的最大轴向拉力为: 21.22 kN;杆3的最大轴向拉力为: 111.69 kN;(三)、附着杆强度验算1.杆件轴心受拉强度验算验算公式:σ= N / A n≤f其中σ --- 为杆件的受拉应力;N --- 为杆件的最大轴向拉力,取 N =275.21 kN;A n --- 为杆件的截面面积,本工程选取的是 18a号槽钢;查表可知 A n =2569.00 mm2。
经计算,杆件的最大受拉应力σ=275.21/2569.00=107.13N/mm2,最大拉应力不大于拉杆的允许拉应力 215N/mm2, 满足要求。
2.杆件轴心受压强度验算验算公式: σ= N / φA n≤f其中σ --- 为杆件的受压应力;N --- 为杆件的轴向压力,杆1: 取N =344.02kN;杆2: 取N =21.22kN;杆3: 取N =111.69kN;A n --- 为杆件的截面面积, 本工程选取的是 18a号槽钢;查表可知 A n =2569.00 mm2。
λ --- 杆件长细比,杆1:取λ=60,杆2:取λ=78,杆3:取λ=76φ --- 为杆件的受压稳定系数,是根据λ查表计算得:杆1: 取φ=0.81,杆2: 取φ=0.70,杆3: 取φ=0.71;经计算,杆件的最大受压应力σ=165.94 N/mm2,最大拉应力不大于拉杆的允许拉应力 215N/mm2,满足要求。
(四)、附着支座连接的计算附着支座与建筑物的连接多采用与预埋件在建筑物构件上的螺栓连接。
预埋螺栓的规格和施工要求如果说明书没有规定,应该按照下面要求确定:1.预埋螺栓必须用Q235钢制作;2.附着的建筑物构件混凝土强度等级不应低于C20;3.预埋螺栓的直径大于24mm;4.预埋螺栓的埋入长度和数量满足下面要求:其中n为预埋螺栓数量;d为预埋螺栓直径;l为预埋螺栓埋入长度;f为预埋螺栓与混凝土粘接强度(C20为1.5N/mm^2,C30为3.0N/mm^2);N为附着杆的轴向力。
5.预埋螺栓数量,单耳支座不少于4只,双耳支座不少于8只;预埋螺栓埋入长度不少于15d;螺栓埋入端应作弯钩并加横向锚固钢筋。
(一)、支座力计算附着式塔机的塔身可以简化为一个带悬臂的刚性支撑连续梁,其内力及支座反力计算如下:风荷载取值:Q = 0.41kN;塔吊的最大倾覆力矩:M = 1668.00kN;弯矩图变形图剪力图计算结果: N w = 105.3733kN ;(二)、附着杆内力计算计算简图:计算单元的平衡方程:其中:2.1 第一种工况的计算:塔机满载工作,风向垂直于起重臂,考虑塔身在最上层截面的回转惯性力产生的扭矩合风荷载扭矩。
将上面的方程组求解,其中θ从 0 - 360 循环, 分别取正负两种情况,求得各附着最大的。
塔机满载工作,风向垂直于起重臂,考虑塔身在最上层截面的回转惯性力产生的扭矩合。
杆1的最大轴向压力为: 344.02 kN;杆2的最大轴向压力为: 0.00 kN;杆3的最大轴向压力为: 58.44 kN;杆1的最大轴向拉力为: 0.00 kN;杆2的最大轴向拉力为: 275.21 kN;杆3的最大轴向拉力为: 164.95 kN;2.2 第二种工况的计算:塔机非工作状态,风向顺着着起重臂, 不考虑扭矩的影响。
将上面的方程组求解,其中θ= 45, 135, 225, 315,M w = 0,分别求得各附着最大的轴压和轴拉力。
杆1的最大轴向压力为: 105.37 kN;杆2的最大轴向压力为: 21.22 kN;杆3的最大轴向压力为: 111.69 kN;杆1的最大轴向拉力为: 105.37 kN;杆2的最大轴向拉力为: 21.22 kN;杆3的最大轴向拉力为: 111.69 kN;(三)、附着杆强度验算1.杆件轴心受拉强度验算验算公式:σ= N / A n≤f其中σ --- 为杆件的受拉应力;N --- 为杆件的最大轴向拉力,取 N =275.21 kN;A n --- 为杆件的截面面积,本工程选取的是 18a号槽钢;查表可知 A n =2569.00 mm2。