控制点交桩记录表
- 格式:doc
- 大小:27.50 KB
- 文档页数:1
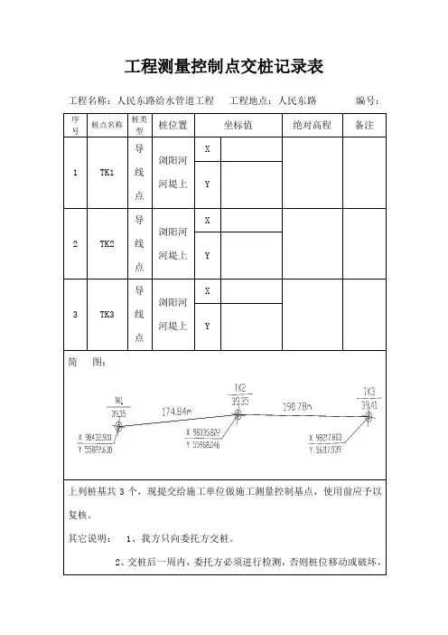
工程测量控制点交桩记录表
工程名称:工程地点:编号:
年月日
工程定位测量记录
工程定位测量方线记录汇总表
注:定位、测量放线记录附后。
项目(专业)技术负责人:项目质检员:
导线点复测记录
施记录1测点
测角
°′″
方位角
°′″
距离
(m)
纵坐标增量△X(m)横坐标增量△Y(m)
纵坐标X
(m)
横坐标Y
(m)
备注
观测:复测:计算:施工项目技术负责人:
水准点复测记
工程名称:施工单位:复测部位:日期:
测点后视
(1)
前视
(2)
高差高程(m)
(4)
备注
+
(3)=(1)-(2)
-
(3)=(1)-(2)
计算:
实测闭合差= 容许闭合差=
结论:
观测:复测:计算:施工项目技术负责人:
测量复核记录
施记表3工程名称施工单位
复核部位日期
原施测人测量复核人。
工程测量控制点交桩记录表工程名称:工程地点:编号:序号桩点名称桩类型桩位置坐标值绝对高程备注1 X Y2 X Y3 X Y4 X Y简图上列桩基共个,现提交给施工单位做施工测量控制基点,使用前应予以复核。
其它说明:交桩单位:(公章)年月日复核情况:接桩单位:(公章)年月日交桩过程会签栏交桩人:交桩单位负责人接桩人: 接桩单位负责人:现场监理年月日..... 工程定位测量线记录汇总表.....注:定位、测量放线记录附后。
项目(专业)技术负责人:项目质检员:z. .. 导线点复测记录施记录1测点测角°′″位角°′″距离(m)纵坐标增量△X(m)横坐标增量△Y(m)纵坐标X(m)横坐标Y(m)备注计算(另附简图):结论:1、角度闭合差:f测= f容=2、坐标增量闭合差:f X= f Y=3、导线相对闭合差:f= k=观测:复测:计算:施工项目技术负责人:z. .......水准点复测记工程名称:施工单位:复测部位:日期:测点后视(1)前视(2)高差高程(m)(4)备注+(3)=(1)-(2)-(3)=(1)-(2).....计算:实测闭合差= 容闭合差=结论:观测:复测:计算:施工项目技术负责人:测量复核记录施记表3工程名称施工单位复核部位日期原施测人测量复核人......z. ..。