高处作业分级GB
- 格式:docx
- 大小:192.36 KB
- 文档页数:2
高处作业分级国家标准局高处作业分级国家标准局中华人民共和国国家标准GB3608—83(国家标准局1983年4月15日发布 1984年1月1日起实施)本标准为高处作业的基础标准,是高处作业时,采取劳动安全防护措施和加强劳动安全科学管理的根据。
本标准适用于各种高处作业。
1.基本定义1.1高处作业凡在坠落高度基准面2米以上(含2米)有可能坠落的高处进行的作业,均称为高处作业。
1.2坠落高度基准面通过最低坠落着落点的水平面,称为坠落高度基准面。
1.3最低坠落着落点在作业位置可能坠落到的最低点,称为该作业位置的最低坠落着落点。
※※其可能坠落范围半径R,根据高度h不同分别是:当高度h为2米至5米时,半径R为2米;当高度h为5米以上至15米时,半径R为3米;当高度h为15米以上至30米时,半径R为4米;当高度h为30米以上时,半径R为5米。
高度h为作业位置至其底部的垂直距离。
1.4高处作业高度作业区各作业位置至相应坠落高度基准面之间的垂直距离中的最大值,称为该作业区的高处作业高度。
2.高处作业的级别2.1高处作业高度在2米至5米时,称为一级高处作业。
2.2高处作业高度在5米以上至15米时,称为二级高处作业。
2.3高处作业高度在15米以上至30米时,称为三级高处作业。
2.4高处作业高度在30米以上时,称为特级高处作业。
3.高处作业的种类和特殊高处作业的类别3.1高处作业的种类分为一般高处作业和特殊高处作业两种。
3.2特殊高处作业包括以下几个类别:3.2.1在阵风风力六级(风速10.8米/秒)以上的情况下进行的高处作业,称为强风高处作业。
3.2.2在高温或低温环境下进行的高处作业,称为异温高处作业。
3.2.3降雪时进行的高处作业,称为雪天高处作业。
3.2.4降雨时进行的高处作业,称为雨天高处作业。
3.2.5室外完全采用人工照明时进行的高处作业,称为夜间高处作业。
3.2.6在接近或接触带电体条件下进行的高处作业,统称为带电高处作业。
高处作业分级(GB/T3608-93)1.内容与适用范围本标准规定了高处作业的术语、高度计算方法及分级。
本标准适用于各种高处作业。
2.引用标准GB4200高温作业分级GB12330体力搬运重量限植3.术语3.1高处作业凡在坠落高度基准2m以上(含2m)有可能坠落的高处进行的作业称为高处作业。
3.2坠落高度基准面通过可能坠落的范围内最低处的水平面称为高度基准面。
3.3可能坠落范围半径通过可能坠落的范围而规定的相对于作业位置的一端水平距离称为可能坠落范围半径。
其大小取决于与作业现场的地形、地势或建筑物有关的基础高度。
3.4基础高度以作业位置为中心,6m为半径,划出一个垂直于水平面的柱形空间,此柱形空间内最低处与作业位置间的高度差称为基础高度。
3.5可能坠落范围以作业位置为中心,可能坠落范围半径为半径划成的水平面垂直的柱形空间。
称为可能坠落范围。
3.6高处作业高度作业区各作业位置至相应坠落高度基准面的垂直距离中的最大值,称为该作业区的高度作业高度。
简称作业高度。
4.高处作业分级4.1作业高度分为2~5m;>5~15m;>15~30m及>30m四个区域。
4.2直接引起坠落的客观危险因素分为九类:a. 阵风风力六级(风速10.8m/s)以上;b. GB4200规定的Ⅱ级以上的高温情况;c. 气温低于10℃的室外环境;d. 有冰、雪、霜、水、油等易滑物;e.自然光线不足,能见度差;f.接近或接触危险电压带电体;g.摆动,立足处不是平面或只有很小的平面,致使作业者无法维持正常姿态;h.抢救突然发生的各种灾害事故;I.超过GB12330规定的搬运。
4.3不存在4。
2条列举的任一种客观危险因素的高处作业按表1规定A类法分级。
存在4。
2条列举的一种或一种以上的客观危险因素的高处作业按表1规定B类法分级。
表1高处作业分级作业高度m分类法2~5 >5~15 >15~30 >30A ⅠⅡⅢⅣB ⅡⅢⅣⅣ(1993年-12-27批准1994年-07-01实施)。
高处作业分级GB 3608-83发布时间:1983-4-15本标准为高处作业的基础标准,是高处作业时采取劳动安全防护措施和加强劳动安全科学管理的依据。
本标准适用于各种高处作业。
1基本定义1.1高处作业凡在坠落高度基准面2m以上(含2m)有可能坠落的高处进行的作业,均称为高处作业 1.2坠落高度基准面通过最低坠落着落点的水平面,称为坠落高度基准面。
1.3最低坠落着落点在作业位置可能坠落到的最低点,称为该作业位置的最低坠落着落点*。
1.4高处作业高度作业区各作业位置至相应坠落高度基准面之间的垂直距离中的最大值,称为该作业区的高处作业高度。
* 其可能坠落范围半径R,根据高度h不同分别是:当高度h为2--5m时,半径R为2m;当高度h为5m以上至15m时,半径R为3m;当高度h为15m以上至30m时,半径R为4m;当高度h为30m以上时,半径R为5m。
高度h为作业位置至其底部的垂直距离。
2高处作业的级别2.1高处作业高度在2--5m时,称为一级高处作业。
2.2高处作业高度在5m以上至15m时,称为二级高处作业。
2.3高处作业高度在15m以上至30m时,称为三级高处作业。
2.4 高处作业高度在30m以上时,称为特级高处作业。
3高处作业的种类和特殊高处作业的类别3.1高处作业的种类分为一般高处作业和特殊高处作业两种。
3.2特殊高处作业包括以下几个类别:3.2.1在阵风风力六级(风速10.8m/s)以上的情况下进行的高处作业,称为强风高处作业。
3.2.2在高温或低温环境下进行的高处作业,称为异温高处作业。
3.2.3降雪时进行的高处作业,称为雪天高处作业。
3.2.4降雨时进行的高处作业,称为雨天高处作业。
3.2.5室外完全采用人工照明时进行的高处作业,称为夜间高处作业。
3.2.6在接近或接触带电体条件下进行的高处作业,统称为带电高处作业。
3.2.7在无立足点或无牢靠立足点的条件下进行的高处作业,统称为悬空高处作业3.2.8对突然发生的各种灾害事故,进行抢救的高处作业,称为抢救高处作业。
高处作业施工安全技术1.高处作业的定义、分类与分级(1)高处作业的基本定义《高处作业分级》(GB/T3608--93)规定:凡在坠落高度基准面2m以上(含2m)有可能坠落的高处进行的作业称为高处作业。
所谓坠落高度基准面,即通过可能坠落范围以内最低处的水平面。
如从作业位置可能坠落到的最低点的地面、楼面、楼梯平台、相邻较低建筑物的屋面、基坑的底面、脚手架的通道板等等。
以作业位置为中心,6m为半径,划出一个垂直于水平面的柱形空间,此柱形空间内最低处与作业位置间的高度差称为基础高度。
基础高度以A表示。
以作业位置为中心,可能坠落范围半径为半径划成的与水平面垂直的柱形空间,称为可能坠落范围。
(2)高处作业的作业高度作业区各作业位置至相应坠落高度基准面的垂直距离的最大值,称为该作业区的高处作业高度。
简称作业高度,以H表示。
作业高度越高,危险性也就越大,按作业高度,将高处作业分为2--5m;5~15m;15—30m及30m四个区域。
高处作业可能坠落范围用坠落半径(R)表示,用以确定不同高度作业时,其安全平网的防护宽度。
坠落半径与高处作业的基础高度^相关,如表10—1所示。
高处作业基础高度(h)坠落半径(m)高处作业基础高度(h)坠落半径(m)2-5m315-30m55-15m4>30m6(3)高处作业分类与分级高处作业分为A、B两类。
其中,存在下列九类直接引起坠落的客观危险因素的为B类高处作业:1)阵风风力六级(风速10.8m/s)以上;2)《高温作业分级》(GB4200)规定的Ⅱ级以上的高温条件;3)气温低于10摄氏度的室外环境;4)场地有冰、雪、霜、水、油等易滑物;5)自然光线不足,能见度差;6)接近或接触危险电压带电体;7)摆动,立足处不是平面或只有很小的平面,致使作业者无法维持正常姿势;8)抢救突然发生的各种灾害事故;9)超过《体力搬运重量限值》(gB12330)规定的搬运。
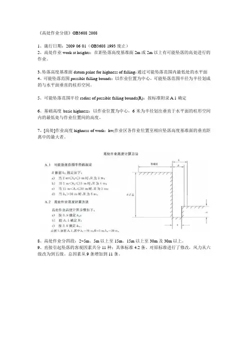
《高处作业分级》GB3608-2008
1、施行日期:2009-06-01(GB3608-1993废止)
2、高处作业workatheights:在距坠落高度基准面2m或2m以上有可能坠落的高处进行的作业。
3、坠落高度基准面datumpalneforhighnessoffalling:通过可能坠落范围内最低处的水平面
4、可能坠落范围possiblefallingbounds:以作业位置为中心,可能坠落范围半径为半径划成的与水平面垂直的柱形空间。
5、可能坠落范围半径radiusofpossiblefallingbounds(R):按标准附录确定
6、基础高度basichighness:以作业位置为中心,6米为半径划出垂直于水平面的柱形空间内的最低处与作业位置间的高度。
7、[高处]作业高度highnessofwork:hw,作业区各作业位置至相应坠落高度基准面的垂直距离中的最大者。
8、高处作业分四段:2~5m、5m以上至15m、15m以上至30m及30m以上。
9、直接引起坠落的客观因素共分11种:具体标准条。
对原标准进行了修改,风力从六级改为到五级。
总因素从9条增加到11条。
10、相关标准:《建筑施工高处作业安全技术规范》JGJ80-91。
高处作业分级GB3608-83本标准为高处作业的基础标准,是高处作业时采取劳动安全防护措施和加强劳动安全科学管理的依据。
本标准适用于各种高处作业。
1基本定义11高处作业凡在坠落高度基准面2m以上(含2m)有可能坠落的高处进行的作业,均称为高处作业。
12坠落高度基准面通过最低坠落着落点的水平面,称为坠落高度基准面。
13最低坠落着落点在作业位置可能坠落到的最低点,称为该作业位置的最低坠落着落点。
14高处作业高度作业区各作业位置至相应坠落高度基准面之间的垂直距离中的最大值,称为该作业区的高处作业高度。
2高处作业的级别21高处作业高度在2-5m时,称为一级高处作业。
22高处作业高度在5m以上至15m时,称为二级高处作业。
23高处作业高度在15m以上至30m时,称为三级高处作业。
24高处作业高度在30m以上时,称为特级高处作业。
3高处作业的种类和特殊高处作业的类别31高处作业的种类分为一般高处作业和特殊高处作业两种。
32特殊高处作业包括以下几个类别:321在阵风风力六级(风速108m/S)以上的情况下进行的高处作业,称为强风高处作业。
322在高度或低温环境下进行的高处作业,称为异温高处作业。
323降雪时进行的高处作业,称为雪天高处作业。
324降雨时进行的高处作业,称为雨天高处作业。
325室外完全采用人工照明时进行的高处作业,称为夜间高处作业。
326在接近或接触带电体条件下进行的高处作业,统称为带电高处作业。
327在无立足点或无牢靠立足点的条件下进行的高处作业,统称为悬空高处作业。
328对突然发生的各种灾害事故,进行抢救的高处作业,称为抢救高处作业。
33一般高处作业系指除特殊高处作业以外的高处作业。
4标记高处作业的分级,以级别、类别和各类标记。
一般高处作业标记时,写明级别和种类;特殊高处作业标记时,写明级别和类别,种类可省略不写。
例1:三级,一般高处作业。
例2:一级,强风高处作业。
例3:二级,异温、悬空高处作业。
国家高处作业分级标准(GB3608—83)[颁布日期]19830415 [实施日期]19840101本标准为高处作业的基础标准,是高处作业时采取劳动安全防护措施和加强劳动安全科学管理的依据。
本标准适用于各种高处作业。
1 基本定义1.1 高处作业:凡在坠落高度基准面2m以上(含2m)有可能坠落的高处进行的作业,均称为高处作业。
1.2坠落高度基准面:通过最低坠落着落点的水平面,称为坠落高度基准面。
1.3 最低坠落着落点:在作业位置可能坠落到的最低点,称为该作业位置的最低坠落着落点。
当高度h为2—5m时,半径R为2m ;当高度h为5—15m时,半径R为3m ;当高度h为15—30m时,半径R为4m ;当高度h为30m时,半径R为5m 。
高度为作业位置至其底部的垂直距离。
1.4 高处作业高度:作业区各作业位置至相应坠落高度基准面之间的垂直距离中的最大值,称为该作业区的高处作业高度。
2 高处作业的级别2.1 高处作业高度在2 ~5m时,称为一级高处作业。
2.2高处作业高度在5m以上至15m时,称为二级高处作业。
2.3高处作业高度在15m以上至30m时,称为三级高处作业。
2.4高处作业高度在30m以上时,称为特级高处作业。
3 高处作业的种类和特殊高处作业的类别3.1 高处作业的种类分为一般高处作业和特殊高处作业两种。
3.2特殊高处作业包括以下几个类别:3.2.1 在阵风风力六级(风速10.8m/s)以上的情况下进行的高处作业,称为强风高处作业。
3.2.2 在高温或低温环境下进行的高处作业,称为异温高处作业。
3.2.3降雪时进行的高处作业,称为雪天高处作业。
3.2.4 降雨时进行的高处作业,称为雨天高处作业。
3.2.5室外完全采用人工照明时进行的高处作业,称为夜间高处作业。
3.2.6在接近或接触带电体条件下进行的高处作业,统称为带电高处作业。
3.2.7在无立足点或无牢靠立足点的条件下进行的高处作业,统称为悬空高处作业。
《高处作业分级》GB3608-2008
1、施行日期:2009-06-01(GB3608-1993废止)
2、高处作业work at heights:在距坠落高度基准面2m或2m以上有可能坠落的高处进行的作业。
3、坠落高度基准面datum palne for highness of falling:通过可能坠落范围内最低处的水平面
4、可能坠落范围possible falling bounds:以作业位置为中心,可能坠落范围半径为半径划成的与水平面垂直的柱形空间。
5、可能坠落范围半径radius of possible falling bounds(R):按标准附录 A.1确定
6、基础高度basic highness:以作业位置为中心,6米为半径划出垂直于水平面的柱形空间内的最低处与作业位置间的高度。
7、[高处]作业高度highness of work:hw,作业区各作业位置至相应坠落高度基准面的垂直距离中的最大者。
8、高处作业分四段:2~5m、5m以上至15m、15m以上至30m及30m以上。
9、直接引起坠落的客观因素共分11种:具体标准4.2条。
对原标准进行了修改,风力从六级改为到五级。
总因素从9条增加到11条。
10、相关标准:《建筑施工高处作业安全技术规范》JGJ80-91。
高处作业分级GB3608-83本标准为高处作业的基础标准,是高处作业时采取劳动安全防护措施和加强劳动安全科学管理的依据。
本标准适用于各种高处作业。
一、基本定义1高处作业凡在坠落高度基准面2m以上(含2m)有可能坠落的高处进行的作业,均称为高处作业。
2坠落高度基准面通过最低坠落着落点的水平面,称为坠落高度基准面。
3最低坠落着落点在作业位置可能坠落到的最低点,称为该作业位置的最低坠落着落点。
4高处作业高度作业区各作业位置至相应坠落高度基准面之间的垂直距离中的最大值,称为该作业区的高处作业高度。
二、高处作业的级别1高处作业高度在2-5m时,称为一级高处作业。
2高处作业高度在5m以上至15m时,称为二级高处作业。
3高处作业高度在15m以上至30m时,称为三级高处作业。
4高处作业高度在30m以上时,称为特级高处作业。
三、高处作业的种类和特殊高处作业的类别1高处作业的种类分为一般高处作业和特殊高处作业两种。
2特殊高处作业包括以下几个类别:(1)在阵风风力六级(风速108m/S)以上的情况下进行的高处作业,称为强风高处作业。
(2)在高度或低温环境下进行的高处作业,称为异温高处作业。
(3)降雪时进行的高处作业,称为雪天高处作业。
(4)降雨时进行的高处作业,称为雨天高处作业。
(5)室外完全采用人工照明时进行的高处作业,称为夜间高处作业。
(6)在接近或接触带电体条件下进行的高处作业,统称为带电高处作业。
(7)在无立足点或无牢靠立足点的条件下进行的高处作业,统称为悬空高处作业。
(8)对突然发生的各种灾害事故,进行抢救的高处作业,称为抢救高处作业。
3一般高处作业系指除特殊高处作业以外的高处作业。
四、标记高处作业的分级,以级别、类别和各类标记。
一般高处作业标记时,写明级别和种类;特殊高处作业标记时,写明级别和类别,种类可省略不写。
例1:三级,一般高处作业。
例2:一级,强风高处作业。
例3:二级,异温、悬空高处作业。
附加说明:本标准由中华人民共和国劳动人事部劳动保护局提出。
高处作业分级一、高处作业分级:1、作业高度在2米至5米时,称为一级高处作业。
2、作业高度在5米以上至15米时,称为二级高处作业。
3、作业高度在15米以上至30米时,称为三级高处作业。
4、作业高度在30米以上时,称为特级高处作业。
二、高处作业分为特殊高处作业和一般高处作业。
1、特殊高处作业类别:在阵风风力为6级(风速10。
8米、秒)及以上情况下进行的强风高处作业;在高温或低温环境下进行的异温高处作业;在降雪时进行的雪天高处作业;在降雨时进行的雨天高处作业;在室外完全采用人工照明进行的夜间高处作业;在接近或接触带电体条件下进行的带电高处作业;在无立足点或无牢靠立足点的条件下进行的悬空高处作业。
2、一般高处作业:除特殊高处作业以外的高处作业。
扩展资料:高处作业指凡在坠落高度基准面2m以上(含2m)有可能坠落的高处进行的作业。
高处作业要求承载时建筑物或支承处应承住吊篮的载荷,理论上来说高处作业有一定的风险。
建筑施工中的高处作业主要包括临边、洞口、攀登、悬空、交叉等五种基本类型,这些类型的高处作业是高处作业伤亡事故可能发生的主要地点。
所谓高处作业是指人在一定位置为基准的高处进行的作业。
国家标准GB、T3608-2022《高处作业分级》规定:“凡在坠落高度基准面2m以上(含2m)有可能坠落的高处进行的作业,都称为高处作业。
”根据这一规定,在建筑业中涉及到高处作业的范围是相当广泛的。
在建筑物内作业时,若在2M以上的架子上进行操作,即为高处作业。
为了便于操作过程中做好防范工作,有效地防止人与物从高处坠落的事故,根据建筑行业的特点,在建筑安装工程施工中,对建筑物和构筑物结构范围以内的各种形式的洞口与临边性质的作业、悬空与攀登作业、操作平台与立体交叉作业,以及在结构主体以外的场地上和通道旁的各类洞、坑、沟、槽等工程的施工作业,只要符合上述条件的,均作为高处作业对待,并加以防护。
安全措施1)进入现场,必须戴好安全帽,扣好帽带,并正确使用个人劳动防护用具。
高处作业分级国家标准局高处作业分级国家标准局中华人民共和国国家标准GB 3608—83(国家标准局 1983 年 4 月 15 日公布 1984 年 1 月 1 日起实行)本标准为高处作业的基础标准,是高处作业时,采纳劳动安全防备举措和增强劳动安全科学管理的依据。
本标准合用于各样高处作业。
1.基本定义1.1 高处作业凡在坠落高度基准面 2 米以上(含 2 米)有可能坠落的高处进行的作业,均称为高处作业。
1.2 坠落高度基准面经过最低坠落下落点的水平面,称为坠落高度基准面。
1.3 最低坠落下落点在作业地点可能坠落到的最低点,称为该作业地点的最低坠落下落点。
※※其可能坠落范围半径R,依据高度h不一样分别是:当高度h为 2 米至 5 米时,半径R为 2 米;当高度h为 5 米以上至 15 米时,半径R为 3 米;当高度h为 15 米以上至 30 米时,半径R为 4 米;当高度h为 30 米以上时,半径R为 5 米。
高度h为作业地点至其底部的垂直距离。
1.4 高处作业高度作业区各作业地点至相应坠落高度基准面之间的垂直距离中的最大值,称为该作业区的高处作业高度。
2.高处作业的级别2.1 高处作业高度在 2 米至 5 米时,称为一级高处作业。
2.2 高处作业高度在 5 米以上至 15 米时,称为二级高处作业。
2.3 高处作业高度在15 米以上至 30 米时,称为三级高处作业。
2.4 高处作业高度在30 米以上时,称为特级高处作业。
3.高处作业的种类和特别高处作业的类型3.1 高处作业的种类分为一般高处作业和特别高处作业两种。
3.2 特别高处作业包含以下几个类型:3.2.1 在阵风风力六级(风速10.8 米/秒)以上的状况下进行的高处作业,称为强风高处作业。
3.2.2 在高温或低温环境下进行的高处作业,称为异温高处作业。
3.2.3 降雪时进行的高处作业,称为雪天高处作业。
3.2.4 降雨时进行的高处作业,称为雨天高处作业。
登高作业基本定义:所谓高处作业是指人在一定位置为基准的高处进行的作业。
国家标准GB3608—83《高处作业分级》规定:“凡在坠落高度基准面2m以上(含2m)有可能坠落的高处进行的作业,都称为高处作业。
”根据这一规定,在建筑业中涉及到高处作业的范围是相当广泛的。
在建筑物内作业时,若在2M以上的架子上进行操作,即为高处作业。
高空作业级别:(1)高处作业高度在2m—5m时,称为一级高处作业(2)高处作业高度在5m以上至15m时,称为二级高处作业(3)高处作业高度在15m以上至30m时,称为三级高处作业(4)高处作业高度在30m以上时,称为特级高处作业高空作业类型(1)临边作业是指:施工现场中,工作面边沿无围护设施或围护设施高度低于80cm时的高处作业。
(2)洞口作业是指:孔、洞口旁边的高处作业,包括施工现场及通道旁深度在2m及2m以上的桩孔、沟槽与管道孔洞等边沿作业。
(3)攀登作业是指:借助建筑结构或脚手架上的登高设施或采用梯子或其他登高设施在攀登条件下进行的高处作业(4)悬空作业是指:在周边临空状态下进进行高处作业。
其特点是在操作者无立足点或无牢靠立足点条件下进行高处作业。
交叉作业是指:在施工现场的上下不同层次,于空间贯通状态下同时进行的高处作业。
高空作业发生的时间•7月~8月是事故的高发时期,1月~2月是事故发生较少的月份。
这主要与建筑活动大部分集中在夏季有关,而到了冬季建筑工程大部分也到了停工状态。
•每天最易发生事故的时间段是:上午10:00点到11:00点期间;下午13:00点到15:00点期间。
高处坠落的高度•据统计:大部分高处坠落发生在并不十分高的地方。
也许正是人们忽视了这一高度,认为无需做太多的安全防护,才导致事故的频频发生。
•在3~6米是最易发生高处坠落的高度。
70%的高处坠落事故发生在高度不到9米的地方。
由此推断,低作业层的安全防护措施不容忽视。
高处坠落的位置•大部分事故发生在屋顶、结构层、脚手架、梯子、和从临边洞口处(详见下表),这些事故占所有高处坠落事件的80%。
====Word行业资料分享--可编辑版本--双击可删====高处作业分级中华人民共和国国家标准GB3608—83(国家标准局1983年4月15日发布1984年1月1日起实施)本标准为高处作业的基础标准,是高处作业时,采取劳动安全防护措施和加强劳动安全科学管理的依据。
本标准适用于各种高处作业。
1.基本定义1.1 高处作业凡在坠落高度基准面2米以上(含2米)有可能坠落的高处进行的作业,均称为高处作业。
1.2 坠落高度基准面通过最低坠落着落点的水平面,称为坠落高度基准面。
1.3 最低坠落着落点在作业位置可能坠落到的最低点,称为该作业位置的最低坠落着落点。
**其可能坠落范围半径R,根据高度h不同分别是:当高度h为2米至5米时,半径R为2米;当高度h为5米以上至15米时,半径R为3米;当高度h为15米以上至30米时,半径R为4米;当高度h为30米以上时,半径R为5米。
高度h为作业位置至其底部的垂直距离。
1.4 高处作业高度作业区各作业位置至相应坠落高度基准面之间的垂直距离中的最大值,称为该作业区的高处作业高度。
2.高处作业的级别2.1 高处作业高度在2米至5米时,称为一级高处作业。
2.2 高处作业高度在5米以上至15米时,称为二级高处作业。
2.3 高处作业高度在15米以上至30米时,称为三级高处作业。
2.4 高处作业高度在30米以上时,称为特级高处作业。
3.高处作业的种类和特殊高处作业的类别3.1 高处作业的种类分为一般高处作业和特殊高处作业两种。
3.2 特殊高处作业包括以下几个类别:3.2.1 在阵风风力六级(风速10.8米每秒)以上的情况下进行的高处作业,称为强风高处作业。
3.2.2 在高温或低温环境下进行的高处作业,称为异温高处作业。
3.2.3 降雪时进行的高处作业,称为雪天高处作业。
3.2.4 降雨时进行的高处作业,称为雨天高处作业。
3.2.5 室外完全采用人工照明时进行的高处作业,称为夜间高处作业。
《高处作业分级》GB3608-2008
1、施行日期:2009-06-01(GB3608-1993废止)
2、高处作业work at heights:在距坠落高度基准面2m或2m以上有可能坠落的高处进行的作业。
3、坠落高度基准面datum palne for highness of falling:通过可能坠落范围内最低处的水平面
4、可能坠落范围possible falling bounds:以作业位置为中心,可能坠落范围半径为半径划成的与水平面垂直的柱形空间。
5、可能坠落范围半径radius of possible falling bounds(R):按标准附录 A.1确定
6、基础高度basic highness:以作业位置为中心,6米为半径划出垂直于水平面的柱形空间内的最低处与作业位置间的高度。
7、[高处]作业高度highness of work:hw,作业区各作业位置至相应坠落高度基准面的垂直距离中的最大者。
8、高处作业分四段:2~5m、5m以上至15m、15m以上至30m及30m以上。
9、直接引起坠落的客观因素共分11种:具体标准4.2条。
对原标准进行了修改,风力从六级改为到五级。
总因素从9条增加到11条。
10、相关标准:《建筑施工高处作业安全技术规范》JGJ80-91。
高处作业分级GBT3608-2008作者:湖北安全生产信息网来源:湖北安全生产信息网发布时间:2012-2-28 20:17:23减小字体增大字体轻轻一点,立刻拥有一本安全工具书!收藏本篇文章,方便以后查看高处作业分级国家质量监督检验检疫总局2008年10月30日以GB/T3608-2008发布自2009年6月1日起实施1 范围本标准规定了高处作业的术语和定义、离度计算方法及分级。
本标准适用于各种高处作业。
2 规范性引用文件下列文件中的条款通过本标准的引用而成为本标准的条款。
凡是注日期的引用文件,其随后所有的修改单(不包括勘误的内容)或修订版均不适用于本标准,然而,鼓励根据本标准达成协议的各方研究是否可使用这蝗文件的最新版本。
凡足不注日期的引用文件,其最新版本适用于本标准。
GB 3869 1997 体力劳动强度分级GB/T 4200 2008 高温作业分级3 术语和定义下列术语和定义适用于本标准。
3.1 高处作业 work at heights在距坠落高度基准面(3.2)2m或2m以上有可能坠落的高处进行的作业。
3.2 坠落高度基准面 datum plane for highness of falling通过可能坠落范围(3.3)内最低处的水平面。
3.3 可能坠落范围 possible falling bounds以作业位置为中心,可能坠落范围半径(3.4)为半径划成的与水平面垂直的柱形空间。
3.4 可能坠落范围半径 radius of possible falling boundsR为确定可能坠落范围(3.3)而规定的相对于作业位置的一段水平距离。
注:可能坠落范围半径用米表示,其大小取决于与作业现场的地形、地势或建筑物分布等有关的规定是在统计分析了许多高处坠落事故案例的基础上作出的。
3.5 基础高度 basic highnesshb以作业位置为中心,6m为半径,划出的垂直于水平面的柱形空间内的最低处与作业位置间的高度差。
高处作业分级GB 3608—83本标准为高处作业的基础标准,是高处作业时采取劳动安全防护措施和加强劳动安全科学管理的依据。
本标准适用于各种高处作业。
l 基本定义1.1 高处作业。
凡在坠落高度基准面2m以上(含2m)有可能坠落的高处进行的作业,均称为高处作业。
1.2 坠落高度基准面通过最低坠落着落点的水平面,称为坠落高度基准面。
1.3 最低坠落着落点在作业位置可能坠落到的最低点,称为该作业位置的最低坠落着落点。
1.4 高处作业高度作业区各作业位置至相应坠落高度基准面之间的垂直距离中的最大值,称为该作业区的高处作业高度。
2 高处作业的级别2.1 高处作业高度在2 ~ 5m时,称为一级高处作业。
2.2 高处作业高度在5m以上至15m时,称为二级高处作业。
2.3 高处作业高度在15m以上至30m时,称为三级高处作业。
2.4 高处作业高度在30m以上时,称为特级高处作业。
3 高处作业的种类和特殊高处作业的类别3.1 高处作业的种类分为一般高处作业和特殊高处作业两种。
3.2 特殊高处作业包括以下几个类别:3.2.1 在阵风风力六级(风速10.8m/s)以上的情况下进行的高处作业,称为强风高处作业。
3.2.2 在高温或低温环境下进行的高处作业,称为异温高处作业。
3.2.3 降雪时进行的高处作业,称为雪天高处作业。
3.2.4 降雨时进行的高处作业,称为雨天高处作业。
3.2.5 室外完全采用人工照明时进行的高处作业,称为夜间高处作业。
3.2.6 在接近或接触带电体条件下进行的高处作业,统称为带电高处作业。
3.2.7 在无立足点或无牢靠立足点的条件下进行的高处作业,统称为悬空高处作业。
3.2.8 对突然发生的各种灾害事故,进行抢救的高处作业,称为抢救高处作业。
3.3 一般高处作业系指除特殊高处作业以外的高处作业。
4 标记高处作业的分级,以级别、类别和种类标记.一般高处作业标记时,写明级别和种类;特殊高处作业标记时,写明级别和类别,种类可省略不写。
高处作业分级国家标准局高处作业分级国家标准局中华人民共和国国家标准GB3608—83(国家标准局1983年4月15日发布 1984年1月1日起实施)本标准为高处作业的基础标准,是高处作业时,采取劳动安全防护措施和加强劳动安全科学管理的根据.本标准适用于各种高处作业.1.基本定义1.1高处作业凡在坠落高度基准面2米以上(含2米)有可能坠落的高处进行的作业,均称为高处作业。
1.2坠落高度基准面通过最低坠落着落点的水平面,称为坠落高度基准面。
1.3最低坠落着落点在作业位置可能坠落到的最低点,称为该作业位置的最低坠落着落点。
※※其可能坠落范围半径R,根据高度h不同分别是:当高度h为2米至5米时,半径R为2米;当高度h为5米以上至15米时,半径R为3米;当高度h为15米以上至30米时,半径R为4米;当高度h为30米以上时,半径R为5米.高度h为作业位置至其底部的垂直距离.1.4高处作业高度作业区各作业位置至相应坠落高度基准面之间的垂直距离中的最大值,称为该作业区的高处作业高度。
2.高处作业的级别2.1高处作业高度在2米至5米时,称为一级高处作业.2.2高处作业高度在5米以上至15米时,称为二级高处作业。
2.3高处作业高度在15米以上至30米时,称为三级高处作业。
2.4高处作业高度在30米以上时,称为特级高处作业。
3.高处作业的种类和特殊高处作业的类别3.1高处作业的种类分为一般高处作业和特殊高处作业两种。
3.2特殊高处作业包括以下几个类别:3.2.1在阵风风力六级(风速10.8米/秒)以上的情况下进行的高处作业,称为强风高处作业。
3.2.2在高温或低温环境下进行的高处作业,称为异温高处作业。
3.2.3降雪时进行的高处作业,称为雪天高处作业。
3.2.4降雨时进行的高处作业,称为雨天高处作业。
3.2.5室外完全采用人工照明时进行的高处作业,称为夜间高处作业. 3.2.6在接近或接触带电体条件下进行的高处作业,统称为带电高处作业. 3.2.7在无立足点或无牢靠立足点的条件下,进行的高处作业,统称为悬空高处作业.3.2.8对突然发生的各种灾害事故,进行抢救的高处作业,称为抢救高处作业。
高处作业分级G B
Standardization of sany group #QS8QHH-HHGX8Q8-GNHHJ8-HHMHGN#
《高处作业分级》GB3608-2008
1、施行日期:2009-06-01(GB3608-1993废止)
2、高处作业workatheights:在距坠落高度基准面2m或2m以上有可能坠落的高处进行的作业。
3、坠落高度基准面datumpalneforhighnessoffalling:通过可能坠落范围内最低处的水平面
4、可能坠落范围possiblefallingbounds:以作业位置为中心,可能坠落范围半径为半径划成的与水平面垂直的柱形空间。
5、可能坠落范围半径radiusofpossiblefallingbounds(R):按标准附录确定
6、基础高度basichighness:以作业位置为中心,6米为半径划出垂直于水平面的柱形空间内的最低处与作业位置间的高度。
7、[高处]作业高度highnessofwork:hw,作业区各作业位置至相应坠落高度基准面的垂直距离中的最大者。
8、高处作业分四段:2~5m、5m以上至15m、15m以上至30m及30m以上。
9、直接引起坠落的客观因素共分11种:具体标准条。
对原标准进行了修改,风力从六级改为到五级。
总因素从9条增加到11条。
10、相关标准:《建筑施工高处作业安全技术规范》JGJ80-91。