DFBZ方形壁式轴流风机
- 格式:doc
- 大小:1.32 MB
- 文档页数:11
轴流风机轴流风机型号、用途、性能及轴流风机参数——(浙江聚英风机工业有限公司提供)一、轴流风机型号名称、用途、性能■管道加压轴流风机●JSF轴流通风机(SDF)●大风量轴流风机(JSF-Z)JSF轴流通风机是一种高轮毂比设计的新型节能管道加压风机,具有噪声低、风压适中、气动性能范围广、安装简单等特点,广泛应用于民用、商业及工业厂矿企业建筑工程的管道加压送排风系统。
JSF风机有两种叶轮结构形式,JSF-A采用模压圆柱形轮毂式叶轮,具有效率高、风压大等特点。
JSF-Z采用压铸铝合金叶轮,机翼型前掠扭曲可调叶片,具有噪声低、外形美观、铝质叶轮的防腐防爆性能优等优点,常用于机组设备冷却、机械生产线的工艺送风。
本系列风机一般为电机内置直联传动形式,也可做成电机外置皮带传动结构形式,用于输送特殊气体介质的场所,如厨房排油烟、工业热气等。
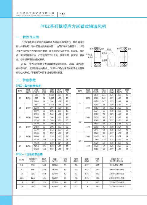
■边墙壁式轴流风机●DFBZ低噪声方形壁式轴流风机DFBZ系列风机采用高效低噪声轴流叶轮、风机专用电机直联传动,方形消音型外壳(可进一步降低风机噪声;整机制成方形,墙体预留方孔简单,安装方便)。
出风口装有铝合金自垂百叶(可防止室外雨水、灰尘和自然风向室内倒灌);具有明显的外形美观,噪声低、运行平稳、安装牢固等优点,广泛适用于民用商用建筑工程和厂矿企业车间的低噪声壁式排风。
可根据使用场合要求制成防爆防腐型风机。
本系列风机一般配用三相电机,按用户要求可对0.55kW以下配用单相电机。
●DWEX边墙风机(WEX)DWEX系列风机采用先进的前掠型叶片、低噪音的外转子或内转子风机专用电机直联传动,方形外壳设计可以方便地安装在混凝土墙、砖墙或轻钢压型墙板上,方形防雨罩结构牢固,外形美观。
具有噪声低、风量大、运行可靠、性能参数范围广、安装简便等特点,广泛应用于厂矿企业车间和民用、商用建筑工程的边墙壁式通风换气。
根据输送介质的要求,可制成防腐、防爆型。
DWEX(WEX)系列风机一般用于边墙壁式排风,配设45°防雨罩(或特殊制造成60°)和防虫网(夜间可防止昆虫循灯光飞入车间)。
污水厂室内强制通风设备技术规范
1概述
通风设备在污水处理厂中主要安装于室内强制通风;
2供货范围
通风设备应包括风机、风管、控制箱以及有效和安全运行所必需的附件。
3设备清单及技术参数
A.风机
B.空调
4技术要求
通风机应采用直联驱动形式的轴流风机,通风机应具有高效、节能、防腐蚀、低噪声、长寿命,免维护结构;
叶片应采用高效率的机翼型叶片,可选用PAGAS:抗静电玻璃纤维增强聚酰胺材质,进行普通送排风,抗腐蚀排风,防爆送排风;叶轮应采用高分子或铝制叶轮,达到G2.5平衡等级。
电机应采用优质品牌,电机防护等级不低于IP55,温升B级,绝缘等级F及以上。
电机应当能得到充分冷却。
防爆电机可选:隔爆型,隔爆等级达到ExdIIBT4,防护等级IP55,温升B级,绝缘等级F级;
通风机应采用低噪音的结构形式,开机时噪音不大于70dB(八);
5设备安装与检验
试运转时风机应无叶轮摩擦碰撞等异常声响。
安装后,供应商应负责进行2小时空载实验,以证明其运行的稳定性。
轴流风机型号参数轴流风机轴流风机型号、用途、性能及轴流风机参数——(浙江聚英风机工业有限公司提供)一、轴流风机型号名称、用途、性能■管道加压轴流风机●JSF轴流通风机(SDF)●大风量轴流风机(JSF-Z)JSF轴流通风机是一种高轮毂比设计的新型节能管道加压风机,具有噪声低、风压适中、气动性能范围广、安装简单等特点,广泛应用于民用、商业及工业厂矿企业建筑工程的管道加压送排风系统。
JSF风机有两种叶轮结构形式,JSF-A采用模压圆柱形轮毂式叶轮,具有效率高、风压大等特点。
JSF-Z采用压铸铝合金叶轮,机翼型前掠扭曲可调叶片,具有噪声低、外形美观、铝质叶轮的防腐防爆性能优等优点,常用于机组设备冷却、机械生产线的工艺送风。
本系列风机一般为电机内置直联传动形式,也可做成电机外置皮带传动结构形式,用于输送特殊气体介质的场所,如厨房排油烟、工业热气等。
■边墙壁式轴流风机●DFBZ低噪声方形壁式轴流风机DFBZ系列风机采用高效低噪声轴流叶轮、风机专用电机直联传动,方形消音型外壳(可进一步降低风机噪声;整机制成方形,墙体预留方孔简单,安装方便)。
出风口装有铝合金自垂百叶(可防止室外雨水、灰尘和自然风向室内倒灌);具有明显的外形美观,噪声低、运行平稳、安装牢固等优点,广泛适用于民用商用建筑工程和厂矿企业车间的低噪声壁式排风。
可根据使用场合要求制成防爆防腐型风机。
本系列风机一般配用三相电机,按用户要求可对0.55kW以下配用单相电机。
●DWEX边墙风机(WEX)DWEX系列风机采用先进的前掠型叶片、低噪音的外转子或内转子风机专用电机直联传动,方形外壳设计可以方便地安装在混凝土墙、砖墙或轻钢压型墙板上,方形防雨罩结构牢固,外形美观。
具有噪声低、风量大、运行可靠、性能参数范围广、安装简便等特点,广泛应用于厂矿企业车间和民用、商用建筑工程的边墙壁式通风换气。
根据输送介质的要求,可制成防腐、防爆型。
DWEX(WEX)系列风机一般用于边墙壁式排风,配设45°防雨罩(或特殊制造成60°)和防虫网(夜间可防止昆虫循灯光飞入车间)。
BT35-11,T35-11,FT35-11,.FBT35-11,,CBF,SF,DZ,系列防爆轴流风机分为:壁式。
管道式,固定式,岗位式,移动支架式BT35-11,BT35-11,T35-11,FT35-11,.FBT35-11,, CBF/BAF,SF,DZ,系列防爆轴流风机可配:防雨百叶窗,45°,90°防雨弯头,配风管,防虫网,防鸟网.详细技术参数说明BT35-11-2.8 0.25KW 0.12KW 2900rmp 1450rmp 3202m3/h 232paBT35-11-3.15 0.55KW 0.18KW 2900rmp 1450rmp 4545m3/h 294paBT35-11-3.15 0.75KW 0.18KW 2900rmp 1450rmp 6542m3/h 373paBT35-11-4 1.1KW 0.25KW 2900rmp 1450rmp 9336m3/h 474paBT35-11-4 .5 0.37KW 0.37KW 1450rmp 1450rmp 6658m3/h 150paBT35-11-5 0.75KW 0.37KW 1450rmp 960rmp 9133m3/h 185paBT35-11-5.6 1.1KW 0.37KW 1450rmp 960rmp 12812m3/h 232paBT35-11-6.3 1.5KW 0.75KW 1450rmp 960rmp 12082m3/h 294paBT35-11-7.1 3KW 1.1KW 1450rmp 960rmp 26120m3/h 373paBT35-11-8 4KW 2.2KW 1450rmp 960rmp 37070m3/h 474paBT35-11-9 4KW 4KW 960rmp 960rmp 35227m3/h 263paBT35-11-10 5.5KW 5.5KW 960rmp 960rmp 48326m3/h 324paBT35-11-11.2 7.5KW 7.5KW 960rmp 960rmp 67892m3/h 407paT35-11-2.8 0.25KW 0.12KW 2900rmp 1450rmp 3202m3/h 232paT35-11-3.15 0.55KW 0.18KW 2900rmp 1450rmp 4545m3/h 294paT35-11-3.15 0.75KW 0.18KW 2900rmp 1450rmp 6542m3/h 373paT35-11-4 1.1KW 0.25KW 2900rmp 1450rmp 9336m3/h 474paT35-11-4 .5 0.37KW 0.37KW 1450rmp 1450rmp 6658m3/h 150paT35-11-5 0.75KW 0.37KW 1450rmp 960rmp 9133m3/h 185paT35-11-5.6 1.1KW 0.37KW 1450rmp 960rmp 12812m3/h 232paT35-11-6.3 1.5KW 0.75KW 1450rmp 960rmp 12082m3/h 294paT35-11-7.1 3KW 1.1KW 1450rmp 960rmp 26120m3/h 373paT35-11-8 4KW 2.2KW 1450rmp 960rmp 37070m3/h 474paT35-11-9 4KW 4KW 960rmp 960rmp 35227m3/h 263paT35-11-10 5.5KW 5.5KW 960rmp 960rmp 48326m3/h 324paT35-11-11.2 7.5KW 7.5KW 960rmp 960rmp 67892m3/h 407paFT35-11-2.8 0.25KW 0.12KW 2900rmp 1450rmp 3202m3/h 232paFT35-11-3.15 0.55KW 0.18KW 2900rmp 1450rmp 4545m3/h 294paFT35-11-3.15 0.75KW 0.18KW 2900rmp 1450rmp 6542m3/h 373paFT35-11-4 1.1KW 0.25KW 2900rmp 1450rmp 9336m3/h 474paFT35-11-4 .5 0.37KW 0.37KW 1450rmp 1450rmp 6658m3/h 150paFT35-11-5 0.75KW 0.37KW 1450rmp 960rmp 9133m3/h 185paFT35-11-5.6 1.1KW 0.37KW 1450rmp 960rmp 12812m3/h 232paFT35-11-6.3 1.5KW 0.75KW 1450rmp 960rmp 12082m3/h 294paFT35-11-7.1 3KW 1.1KW 1450rmp 960rmp 26120m3/h 373paFT35-11-8 4KW 2.2KW 1450rmp 960rmp 37070m3/h 474paFT35-11-9 4KW 4KW 960rmp 960rmp 35227m3/h 263paFT35-11-10 5.5KW 5.5KW 960rmp 960rmp 48326m3/h 324paFT35-11-11.2 7.5KW 7.5KW 960rmp 960rmp 67892m3/h407paFBT35-11-2.8 0.25KW 0.12KW 2900rmp 1450rmp 3202m3/h 232paFBT35-11-3.15 0.55KW 0.18KW 2900rmp 1450rmp 4545m3/h 294paFBT35-11-3.15 0.75KW 0.18KW 2900rmp 1450rmp 6542m3/h 373paFBT35-11-4 1.1KW 0.25KW 2900rmp 1450rmp 9336m3/h 474paFBT35-11-4 .5 0.37KW 0.37KW 1450rmp 1450rmp 6658m3/h 150paFBT35-11-5 0.75KW 0.37KW 1450rmp 960rmp 9133m3/h 185paFBT35-11-5.6 1.1KW 0.37KW 1450rmp 960rmp 12812m3/h 232paFBT35-11-6.3 1.5KW 0.75KW 1450rmp 960rmp 12082m3/h 294paFBT35-11-7.1 3KW 1.1KW 1450rmp 960rmp 26120m3/h 373paFBT35-11-8 4KW 2.2KW 1450rmp 960rmp 37070m3/h 474paFBT35-11-9 4KW 4KW 960rmp 960rmp 35227m3/h 263paFBT35-11-10 5.5KW 5.5KW 960rmp 960rmp 48326m3/h 324paFBT35-11-11.2 7.5KW 7.5KW 960rmp 960rmp 67892m3/h 407pa安装与使用1、首先检查框架、风叶有无变形,扇叶转动是否灵活,有无摩擦现象。
一、风机的用途FBCDZ系列煤矿地面用防爆抽出式对旋轴流风机(包括FBCDZ54、FBCDZ60)(原BDK)是处于目前国内领先水平的最新节能型轴流式主通风机,它可应用于煤矿及金属矿、化学矿、隧道、人防工程的通风,也可广泛适用于冶金、化工、纺织、建材等各行业的通风换气。
二、风机型号表示方式例:煤矿地面用防(隔)爆对旋抽出式轴流通风机三、风机的特点1、风机的结构特点:(1)FBCDZ系列风机由集流器、一级主机、二级主机、扩散器、圆变方接头、消音器、扩散塔等部件组成,风机底座设有托轮,在预设的轨道上可沿轴向移动或非轴向移动,各部件用螺栓联接,便于检修。
(2)FBCDZ系列风机采用电机与叶轮直联方式减少了“S”型风道等通风阻力损失,提高了效率,也降低了“S”风道带来安全隐患及维护麻烦,提高了运转安全性。
(3)FBCDZ系列风机的两级工作叶轮按相反方向旋转,一、二级叶片互为导叶,无定式导叶片,减少了导叶的能耗,简化了结构,提高了效率。
(4)风机选配优质风机专用隔爆型电动机,电机置于具有一定耐压性的隔流腔内,使电机与矿井含瓦斯的风流相隔离,隔流腔设有与大气自动通风的风道,便于散热和导流。
这样既增加了电机防爆性能,又有利于电机散热,从而增加了风机运行的安全性。
(5)风机叶轮回转部分,设置防摩擦火花的铜坏装置,以免叶片在高速旋转中与筒壁碰撞发生火花,引发事故。
(6)风机配置刹车装置,便于迅速反风,5分钟即可完成反风程序。
反风量达到正常风量的60%以上,符合《安全规程》要求。
(7)风机设置了不停机加油装置和排油装置,可在运行中加注润滑油,停机时,可将排油口盖打开消除废油。
(8)电机的轴承和定子绕组间预埋了测温元件,可在风机运行中显示其各部位温度。
(9)风叶片采用机翼扭曲形,气动性能好,高效区宽广,节能效果显著。
(10)叶片为可调节结构,可根据不同工况点调节叶片角度,保持风机在高效区运行。
2、风机的性能特点(1)该系列属高效、节能、低噪、大风量的通风机。
dfbz28方形壁式轴流风机技术参数DFBZ28方形壁式轴流风机是一种高效、低噪音、节能的通风设备。
它广泛应用于工业、商业和居民场所,为建筑物提供良好的通风效果。
以下是该产品的一些重要技术参数。
1.风量:DFBZ28方形壁式轴流风机的风量范围从5000立方米/小时到100,000立方米/小时,可以根据用户需求选择适当的型号。
高风量可以实现更好的通风效果。
2.静压:DFBZ28方形壁式轴流风机的静压范围从50至800帕斯卡。
静压是指风机在工作中产生的压力,影响其通风效果。
较高的静压意味着风机可以在更大的空间范围内传输空气。
3.电压和频率:DFBZ28方形壁式轴流风机可适应不同的电压和频率要求。
常见的电压为380伏特,频率为50赫兹。
此外,根据用户需求,可以提供其他电压和频率选项。
4.功率:DFBZ28方形壁式轴流风机具有良好的能源效率。
其功率范围从0.25千瓦到15千瓦,可以根据实际需求选择适当的型号。
较低的功率表示风机在工作时消耗更少的能源。
5.噪音:DFBZ28方形壁式轴流风机采用先进的隔音材料和设计,具有低噪音特性。
噪音水平通常在60到70分贝之间,这对于需要安静工作环境的场所非常重要。
6.外壳材料:DFBZ28方形壁式轴流风机的外壳采用高强度镀锌钢板制造,具有良好的耐腐蚀性和耐用性。
外壳的设计使其适应不同的安装环境。
7.防护等级:DFBZ28方形壁式轴流风机具有IP55的防护等级,可以在潮湿的环境中安全运行。
这使得它非常适合需要在潮湿环境中使用的场所,如冷库和洗车房。
8.控制方式:DFBZ28方形壁式轴流风机可以通过手动控制或自动控制来启停和调节。
自动控制可以根据实际需求调整风机的运行状态,提高能源利用率。
DFBZ28方形壁式轴流风机以其卓越的性能和可靠性在市场上享有良好的声誉。
它广泛应用于电力、化工、冶金、医药、轻工等行业,为建筑物提供清新的空气和舒适的室内环境。
需要注意的是,在安装和使用该产品时,应根据产品说明书和相关标准进行操作,以确保其正常运行和安全性能。
轴流风机选型型参数精 Revised by BLUE on the afternoon of December 12,2020.轴流风机轴流风机型号、用途、性能及轴流风机参数——(浙江聚英风机工业有限公司提供一、轴流风机型号名称、用途、性能■ 管道加压轴流风机● JSF 轴流通风机(SDF● 大风量轴流风机(JSF-ZJSF 轴流通风机是一种高轮毂比设计的新型节能管道加压风机,具有噪声低、风压适中、气动性能范围广、安装简单等特点,广泛应用于民用、商业及工业厂矿企业建筑工程的管道加压送排风系统。
JSF 风机有两种叶轮结构形式, JSF-A 采用模压圆柱形轮毂式叶轮,具有效率高、风压大等特点。
JSF-Z 采用压铸铝合金叶轮,机翼型前掠扭曲可调叶片,具有噪声低、外形美观、铝质叶轮的防腐防爆性能优等优点,常用于机组设备冷却、机械生产线的工艺送风。
本系列风机一般为电机内置直联传动形式, 也可做成电机外置皮带传动结构形式, 用于输送特殊气体介质的场所,如厨房排油烟、工业热气等。
■ 边墙壁式轴流风机● DFBZ 低噪声方形壁式轴流风机DFBZ 系列风机采用高效低噪声轴流叶轮、风机专用电机直联传动,方形消音型外壳(可进一步降低风机噪声;整机制成方形,墙体预留方孔简单,安装方便。
出风口装有铝合金自垂百叶(可防止室外雨水、灰尘和自然风向室内倒灌 ;具有明显的外形美观,噪声低、运行平稳、安装牢固等优点, 广泛适用于民用商用建筑工程和厂矿企业车间的低噪声壁式排风。
可根据使用场合要求制成防爆防腐型风机。
本系列风机一般配用三相电机,按用户要求可对 0.55kW 以下配用单相电机。
● DWEX 边墙风机(WEXDWEX 系列风机采用先进的前掠型叶片、低噪音的外转子或内转子风机专用电机直联传动,方形外壳设计可以方便地安装在混凝土墙、砖墙或轻钢压型墙板上, 方形防雨罩结构牢固, 外形美观。
具有噪声低、风量大、运行可靠、性能参数范围广、安装简便等特点,广泛应用于厂矿企业车间和民用、商用建筑工程的边墙壁式通风换气。
目录1、概述 (3)2、型号说明 (3)3、结构说明 (3)4、使用条件 (4)5、技术数据 (4)6、结构及安装和外形尺寸 (5)7、订货指南 (5)8、AFM系列风机性能在线监测控制系统 (5)1、概述FBCDZ(原BDK)系列高效节能矿用防爆对旋式主通风机是我公司在对近年来对旋主通风机使用情况广泛调查分析的基础上,结合我国国情,充分利用我公司的技术和生产优势,保留在用对旋主通风机的优点,对近年来矿井在用对旋主通风机存在的诸多问题,进行深入细致的研究分析,扬其长,避其短。
充分发挥国有大型企业的优势和雄厚的技术力量,并与中国科学院北京科能能源与动力研究发展中心和北京科技大学风机专家相结合,研制生产出该系列对旋式主通风机。
该系列风机气动性能优良、效率高、振动小、噪声低、反风量大、高效区域宽广,并采取了确保通风机安全、可靠运行的多项措施,研制的专用防爆电机,具有效率高、温升低、振动小、噪声低、轴承温升低、过载能力强等特点,从根本上解决了在用风机的缺陷,确保长期运行。
该系列通风机包括轮毂比为0.618的低中压系列、轮毂比为0.65的高压系列和轮毂比为0.618 Ⅱ系列低中压大风量系列,其电气防爆性能符合GB3836.1《爆炸性气体环境用电气设备第1部分:通用要求》和GB3836.2《爆炸性气体环境用电气设备第2部分:隔爆型“d”》的规定,防爆标志为ExdI。
适用于大中型煤矿矿井做地面抽出或压入式主通风机。
该系列风机取得国家安全生产重庆矿用设备检测检验中心颁发的防爆合格证和安标国家矿用产品安全标志中心颁发的安全标志证书。
风机叶片与保护筒内壁的配对金属材料经过国家安全生产重庆矿用设备检测检验中心检验并取得摩擦火花安全性检验合格证。
该系列风机配套专用隔爆型电机,取得国家防爆电气产品质量监督检验中心的防爆合格证,其制动装置取得国家防爆电气产品质量监督检验中心的部件防爆合格证。
2、型号说明FBCDZ通风机型号表示方法(举例说明):F B C D Z №28/ 2 × 400装机功率,kW配用电动机台数机号,以叶轮直径的分米数表示主要通风机对旋通风机抽出式防爆型,防爆标志为ExdI通风机3、结构说明3.1 该系列风机的气动设计,应用当代先进的叶轮机械三元流动理论和CAD设计技术,由中国科学院北京科能能源与动力研究发展中心专家精心设计叶轮叶片和风机流道,优化各种参数,减少损失,提高效率,确保风机在满足风量和风压的前提下在宽广的高效区运行,设计工况点最高静压效率达85%以上。
轴流风机轴流风机型号、用途、性能及轴流风机参数——(浙江聚英风机工业有限公司提供)一、轴流风机型号名称、用途、性能■管道加压轴流风机JSF轴流通风机(SDF)●●大风量轴流风机(JSF-Z)JSF轴流通风机是一种高轮毂比设计的新型节能管道加压风机,具有噪声低、风压适中、气动性能范围广、安装简单等特点,广泛应用于民用、商业及工业厂矿企业建筑工程的管道加压送排风系统。
JSF风机有两种叶轮结构形式,JSF-A采用模压圆柱形轮毂式叶轮,具有效率高、风压大等特点。
JSF-Z采用压铸铝合金叶轮,机翼型前掠扭曲可调叶片,具有噪声低、外形美观、铝质叶轮的防腐防爆性能优等优点,常用于机组设备冷却、机械生产线的工艺送风。
本系列风机一般为电机内置直联传动形式,也可做成电机外置皮带传动结构形式,用于输送特殊气体介质的场所,如厨房排油烟、工业热气等。
■边墙壁式轴流风机●DFBZ低噪声方形壁式轴流风机DFBZ系列风机采用高效低噪声轴流叶轮、风机专用电机直联传动,方形消音型外壳(可进一步降低风机噪声;整机制成方形,墙体预留方孔简单,安装方便)。
出风口装有铝合金自垂百叶(可防止室外雨水、灰尘和自然风向室内倒灌);具有明显的外形美观,噪声低、运行平稳、安装牢固等优点,广泛适用于民用商用建筑工程和厂矿企业车间的低噪声壁式排风。
可根据使用场合要求制成防爆防腐型风机。
.本系列风机一般配用三相电机,按用户要求可对以下配用单相电机。
DWEX边墙风机(WEX)●DWEX系列风机采用先进的前掠型叶片、低噪音的外转子或内转子风机专用电机直联传动,方形外壳设计可以方便地安装在混凝土墙、砖墙或轻钢压型墙板上,方形防雨罩结构牢固,外形美观。
具有噪声低、风量大、运行可靠、性能参数范围广、安装简便等特点,广泛应用于厂矿企业车间和民用、商用建筑工程的边墙壁式通风换气。
根据输送介质的要求,可制成防腐、防爆型。
DWEX(WEX)系列风机一般用于边墙壁式排风,配设45°防雨罩(或特殊制造成60°)和防虫网(夜间可防止昆虫循灯光飞入车间)。
轴流风机型号表轴流风机轴流风机型号、用途、性能及轴流风机参数一、轴流风机型号名称、用途、性能■管道加压轴流风机●JSF轴流通风机●大风量轴流风机JSF轴流通风机是一种高轮毂比设计的新型节能管道加压风机,具有噪声低、风压适中、气动性能范围广、安装简单等特点,广泛应用于民用、商业及工业厂矿企业建筑工程的管道加压送排风系统。
JSF风机有两种叶轮结构形式,JSF-A采用模压圆柱形轮毂式叶轮,具有效率高、风压大等特点。
JSF-Z采用压铸铝合金叶轮,机翼型前掠扭曲可调叶片,具有噪声低、外形美观、铝质叶轮的防腐防爆性能优等优点,常用于机组设备冷却、机械生产线的工艺送风。
本系列风机一般为电机内置直联传动形式,也可做成电机外置皮带传动结构形式,用于输送特殊气体介质的场所,如厨房排油烟、工业热气等。
■ 边墙壁式轴流风机●DFBZ低噪声方形壁式轴流风机DFBZ系列风机采用高效低噪声轴流叶轮、风机专用电机直联传动,方形消音型外壳。
出风口装有铝合金自垂百叶;具有明显的外形美观,噪声低、运行平稳、安装牢固等优点,广泛适用于民用商用建筑工程和厂矿企业车间的低噪声壁式排风。
可根据使用场合要求制成防爆防腐型风机。
本系列风机一般配用三相电机,按用户要求可对以下配用单相电机。
●DWEX边墙风机DWEX系列风机采用先进的前掠型叶片、低噪音的外转子或内转子风机专用电机直联传动,方形外壳设计可以方便地安装在混凝土墙、砖墙或轻钢压型墙板上,方形防雨罩结构牢固,外形美观。
具有噪声低、风量大、运行可靠、性能参数范围广、安装简便等特点,广泛应用于厂矿企业车间和民用、商用建筑工程的边墙壁式通风换气。
根据输送介质的要求,可制成防腐、防爆型。
D WEX系列风机一般用于边墙壁式排风,配设45°防雨罩和防虫网。
可按需要制成边墙送风机型号为DWSP,配设90°防雨罩和防虫网。
附件选配:重力式止回风阀,订货时注明。
●DWBX板壁式轴流风机DWBX系列风机采用高效翼型轴流式叶轮与低噪声电机直联驱动,压型金属板式外壳,具有墙面安装简便、整机重量轻、运转平稳、外形美观。
方形壁式轴流风机安装和使用注意事项
方形壁式轴流风机是一种常见的风机类型,广泛应用于各个行业领域,如化工、食品、医药等行业。
方形壁式轴流风机具有风量大、风压稳定、运行平稳、效率高等特点,受到广泛好评。
那么,在安装和使用过程中,我们又应该注意哪些事项呢?
首先,在安装方形壁式轴流风机时,我们应该注意其环境温度。
根据厂家提供的数据,环境温度对风机性能有一定的影响。
一般情况下,环境温度越低,风机的效率越高。
但是,如果环境温度过高,容易导致风机过热,从而影响其使用寿命。
因此,在安装前,应该选择合适的安装位置,保证风机周围环境的温度控制在合理范围内。
其次,在安装过程中,我们需要保证风机的水平度。
风机的水平度对风机的风量、风压等性能指标有很大的影响。
如果安装不平,会导致风量、风压不稳定,从而影响其使用效果。
因此,在安装过程中,应该严格控制风机的水平度,保证其与周围环境的接触面积达到最佳状态。
另外,在方形壁式轴流风机的使用过程中,我们也需要注意一些事项。
首先,我们要避免将风机安装在高温环境下。
高温环境容易导致风机过热,从而影响其使用寿命。
其次,在使用过程中,要避免与其他物体发生碰撞,以免损坏风机。
此外,我们还应该定期检查风机的各项指标,如风量、风压、叶片磨损等,及时发现问题并采取相应措施进行处理。
总之,方形壁式轴流风机的安装和使用都需要我们注意一些事项。
只有这样,我们才能充分发挥风机的性能,为自己的工作带来更多的便利。
FBCDZ系列通风机为对旋式防爆主要通风机,风机的一、二级叶轮分别采用了安装角可调的三维扭曲叶片,风量大、风压高,且风量风压可以调节,风量范围Q=720m3/min~48000m3/min,静压范围Pst=400Pa~5950Pa,适合于大、中型煤矿的通风。
这个系列通风机采用40、54、60、65四种轮毂比,电机采用6级(980r/min),8级(740r/min)、10级(580r/min)、12级(490r/min)四种转速。
FBCDZ(原BDK)系列风机(带扩散器、扩散塔)外形结构示意图
FBCDZ系列防爆抽出式对旋轴流通风机性能参数系列:
联系我时请说明是在中国煤炭物资供应网看到的,谢谢!企业名称:山西省运城市安宏节能防爆风机有限公司联系人:李俊峰
联系电话:查看联系方式登陆可见( 注册会员 )
移动电话:查看联系方式登陆可见( 注册会员 )
电子邮件:查看联系方式登陆可见( 注册会员 )
联系地址:运城市民航机场张孝工业园陶村二级路边
防爆抽出式轴流通风机。
壁式轴流风机的作用
壁式轴流风机是一种用于产生气流的风机,其作用有以下几个方面:
1. 通风换气:壁式轴流风机可用于通风换气,将室内的污浊空气排出,引进新鲜空气,提供舒适的室内环境。
2. 散热降温:壁式轴流风机可用于散热降温,将热气或烟雾排出,减少局部温度,提供舒适的工作环境。
3. 除尘净化:壁式轴流风机可用于除尘净化,将悬浮在空气中的颗粒物或粉尘吹走,保持空气清洁。
4. 干燥通风:壁式轴流风机可用于干燥通风,通过加速风速,促使水分蒸发,实现物品的干燥。
5. 气流均衡:壁式轴流风机可用于调节气流均衡,通过调整风机的转速和风量,达到不同区域的气流均衡,防止死角。
总之,壁式轴流风机在工业生产、商业建筑、农业等领域有广泛的应用,能够提供空气流动和换气,维持舒适和安全的环境。
DFBZ-I型方形壁式轴流风机
价格:面议
发布日期:2008-11-2
到期日期:2009-2-2
详细说明
机号:2.5#-6.3# 风量:600-9000m3/h 全压:40-147Pa
特点:采用内转子电机直联传动,安装方便牢固、振动小、噪声低、运行平稳,出风口装自垂百叶,可防室外自然风、雨水倒灌
应用:工矿企业、民用建筑、体育馆、畜牧业、各种娱乐场所的壁式排风
您现在的位置:山东玻璃钢金光集团有限公司> 供应信息 > 轴流风机
T35-11轴流风机
价格:面议
发布日期:2008-11-2
到期日期:2009-2-2
详细说明
T35-11型玻璃钢轴流风机,是国家机械委员会推广使用的一种高效低压通风机,该机耗电量低噪音小,并具有优良的耐腐蚀等特点。
可用于工业厂房,机械制造,化工,印染,电镀,医药等行业。
T35-11型轴流风机,以叶轮直径的大小为NO;2。
8,NO3。
15,NO3。
55,NO4,NO4。
5,NO5,NO5。
6,NO6。
3,NO7。
1,NO8,NO9,NO1O,NO11。
2,共十二种型号,每一种型号的叶片都为4或着6片。
叶片又可装成15。
20。
25。
30。
35。
等角度,因此。
每一种机号由于叶片角度的大小,主轴转速快慢的不同,风机的风压,风量及所消耗的功率也不同,具体详见性能表。
机号转速R/MIN 风量M3/H 全压PA 电机型号功率KW
2.8 2900 1649 152.0 YSF-5622 0.12
2.8 2900 2167 168.6 YSF-5632 0.18
2,8 2900 2685 173.5 YSF-5632 0.18
2.8 2900 2912 186.2 YSF-5632 0.18
2.8 2900 3202 232.3 YSF-6322 0.25
2.8 1450 826 38.2 YSF-5014 0.025
2.8 1450 1086 43.1 YSF-5014 0.025
2.8 1450 1346 44.1 YSF-5014 0.025
2.8 1450 1464 48.0 YSF-5024 0.040
2.8 1450 1605 59.8 YSF-5024 0.040
3.15 2900 2339 192 YSF-6312 0.18
3.15 2900 3074 213.6 YSF-6322 0.25
3.15 2900 3810 219.5 YS-F6332 0.37
侧壁、吸顶排风» DFBZ型方形壁式轴流风机
DFBZ-I型方形壁式轴流风机
机号:2.5#-6.3# 风量:600-9000m3/h
全压:40-147Pa
特点:采用内转子电机直联传动,安装
方便牢固、振动小、噪声低、运行平稳,
出风口装自垂百叶,可防室外自然风、
雨水倒灌
应用:工矿企业、民用建筑、体育馆、
畜牧业、各种娱乐场所的壁式排风
DFBZ-II型方形壁式轴流风机
机号:7.1#-16# 风
量:17700-64500m3/h 全压:55-62Pa
特点:采用内转子电机皮带传动,安装
方便牢固、振动小、噪声低、运行平稳
应用:工矿企业、民用建筑、体育馆、
畜牧业、各种娱乐场所的壁式排风
性能参数表
DFBZ-Ⅰ型
机号
转速
(rpm)
风量
(m3/h)
风压
(Pa)
功率
(kW)
噪声
dB(A)
重量
Kg
2.51450600400.025≤5715 800420.025≤5815 1000540.04≤5815
2.81450950410.025≤5816 1230450.04≤5917 1650580.06≤6017
3.214501720560.04≤6119 1940620.06≤6219 2250680.09≤6320
3.614502010650.06≤6222 2480730.09≤6322 3370760.12≤6323
4.014503540890.12≤6325 4080950.18≤6326 44701090.25≤6326
4.5145045101140.18≤6428
58701210.25≤6529
机号
转速
(rpm)
风量
(m3/h)
风压
(Pa)
功率
(kW)
噪声
dB(A)
重量
Kg
5.0
1450
61701350.25≤6536
69201420.37≤6640
78901470.55≤6844
960
4085590.09≤6230
4582620.12≤6330
5224650.18≤6331
5.6
960
6400780.25≤6845
7410820.37≤6945
8060940.37≤7045
720
4800440.12≤6340
5558460.18≤6442
6045530.18≤6442
6.3
960
9760920.37≤7052
105701020.55≤7154
120001180.75≤7256
720
7320520.18≤6545
7928570.25≤6650
DFBZ-Ⅱ型
DFBZ-Ⅲ型
三、DFBZ型风机外形尺寸表(单位:mm)
1、进风口安全网
2、圆形内筒
3、方形外壳
4、电机
5、叶轮
6、百叶
DFBZⅠ型外形尺寸
机号D L L1A×A B×B 2.5260280255320×320370×370
2.8290280255350×350400×400
3.2330290265390×390440×440
3.637310285430×430480×480
4.0410350325470×470530×530
4.5460360335520×520580×580
5.0510375350580×580640×640
5.6570375350640×640700×700
6.3640395370710×710770×770
DFBZⅢ型外形尺寸
机号A B C D安装开孔3.5470410380365430×430 4510450385410470×470 5610550400510570×570 6710650430610670×670 7810750455710770×770 8910850470810870×870 91010950540910970×970 101110105054010101070×1070
供应DFBZ型方形壁式轴流风机
当前
价:
面议
发货
期:
14天内发货
最小起
订:
不限
所在
地:
山东德州
供货总
量:
不限
有效期2010-05-23
至:
供应DFBZ型方形壁式轴流风机
收藏此信息放大图片
12345
该公司共有同类“ 通风机”供应信息
详细信息
DFBZ型方形壁式轴流风机
DFBZ型系列风机具有明显的效率高、噪声低、运行平稳等优点,广泛适用于工矿企业、民用建筑、体育馆、畜牧业、各种娱乐场所的壁式排风,并具有以下特点:
1. 外形美观,安装方便,整机制成方形,安装前在墙体上按不同机号预留方孔,安装时
风机从墙体外侧放入墙洞,风机外壳与墙体之间塞以橡皮或软木即可。
2. 出风口装有自垂百叶,可防室外自然风、雨水向室内倒灌。
3.风机带有消声外壳,内置吸声材料,运行平稳,噪声低,振动小。
产品名称:DFBZ系列方型壁式轴流通风机
产品类型:低噪声轴流通风机系列
2010年4月22日百度
2010年4月25日9:53:30范广灿、李玉生、张军带圆形轴流风机安装外角铁架子样品送办公室来,郝福龙看后同意使用,但要求安装自垂百叶风口,不用固定的防雨百叶风口。