地面水泥砂浆面层工程检验批质量验收记录表填写.
- 格式:ppt
- 大小:1.30 MB
- 文档页数:13
建筑地面工程全套检验批检查验收表格名称及编号分包单位分项工程名称验收部位项目经理专业工长施工员施工班组长建筑地面工程施工质量验收规范GB-2002分包项目经理施工单位自检记录质量验收规范的规定砂、砂石、碎石、碎砖垫层是建筑地面工程中常用的填料。
为了确保填料质量符合要求,需要进行质量验收。
以下是填料质量验收记录:1.填料应符合设计要求,不得使用含有大量泥土、有机物质或其他杂质的填料。
2.填料应均匀铺设,压实密度应符合设计要求,设计无要求时不应少于0.9.3.表面平整度应不大于房间相应尺寸的2‰,且不大于30mm。
在个别地方不大于设计厚度的1/10.施工单位应按照规范要求进行自检,并记录检查结果。
监理单位应进行质量验收,并出具验收结论。
通过以上填料质量验收记录,可以确保建筑地面工程填料质量符合要求,保证工程质量。
记录工程名称:建筑地面工程施工单位:XXX施工执行标准:GB-2002名称及编号:水泥砂浆面层检验批质量验收记录,编号:分包单位:无分项工程名称:建筑地面工程验收部位:水泥砂浆面层项目经理:XXX专业工长:XXX施工员:XXX施工班组长:XXX分包项目经理:无施工单位自检记录质量验收规范的规定:符合要求1.水泥砂浆面层的材料应符合规范要求,水泥强度等级不应小于32.5,砂应为中粗砂,石屑粒径应为1-5mm,含泥量不应大于3%。
水泥砂浆面层的体积比(强度等级)必须符合设计要求,且体积比应为1:2,强度等级不应小于M15.2.面层与下一层应结合牢固,无空鼓、裂纹。
面层表面的坡度应符合设计要求,不得有倒泛水和积水现象。
面层表面应洁净,无裂纹、脱皮、麻面、起砂等缺陷。
踢脚线与墙面应紧密结合,高度一致,出墙厚度均匀。
3.楼梯踏步的宽度、高度应符合设计要求。
4.表面平整度偏差允许值和踢脚线上口平直度、缝格平直度应符合规范要求。
质量检查记录:见表格施工单位检查记录:符合要求项目监理工程师:XXX监理(建设)单位验收结论:合格时间:2021年5月1日项目名称:水磨石面层检验批质量验收记录工程名称:(填写工程名称)施工单位:(填写施工单位名称)施工执行标准名称及编号:建筑地面工程施工质量验收规范GB-2002分包单位:(填写分包单位名称)分项工程名称:(填写分项工程名称)验收部位:(填写验收部位)项目经理:(填写项目经理姓名)专业工长:(填写专业工长姓名)施工员:(填写施工员姓名)施工班组长:(填写施工班组长姓名)编号:质量检查员:(填写质量检查员姓名)技术负责人:(填写技术负责人姓名)年月日:(填写验收日期)水磨石面层的石粒应采用坚硬可磨的白云石、大理石等岩石加工而成,石粒应洁净无杂物,其粒径除特殊要求外应为6-15mm,水泥强度等级不小于32.5,颜料应采用耐光、耐碱的矿物原料,不得使用酸性颜料。
基土垫层检验批质量验收记录表GB50209—2016(Ⅰ)基土垫层检验批质量验收记录表GB50209—2016(Ⅰ)5.13.2灰土垫层检验批质量验收记录表GB50209—2016(Ⅱ)5.13.2灰土垫层检验批质量验收记录表GB50209—2016(Ⅱ)5.13.3砂垫层和砂石垫层检验批质量验收记录表GB50209—2016(Ⅲ)5.13.3砂垫层和砂石垫层检验批质量验收记录表GB50209—2016(Ⅲ)5.13.4水泥混凝土垫层检验批质量验收记录表GB50209—2016(Ⅶ)5.13.4水泥混凝土垫层检验批质量验收记录表GB50209—2016(Ⅶ)5.13.5找平层检验批质量验收记录表GB50209—2016(Ⅷ)找平层检验批质量验收记录表GB50209—2016(Ⅷ)5.13.6水泥混凝土面层检验批质量验收记录表GB50209—20165.13.6水泥混凝土面层检验批质量验收记录表GB50209—20165.13.6水泥混凝土面层检验批质量验收记录表GB50209—2016水泥混凝土面层检验批质量验收记录表GB50209—20165.13.6水泥混凝土面层检验批质量验收记录表GB50209—20165.13.6水泥混凝土面层检验批质量验收记录表GB50209—20165.13.6水泥混凝土面层检验批质量验收记录表GB50209—20165.13.6水泥混凝土面层检验批质量验收记录表GB50209—20165.13.6水泥混凝土面层检验批质量验收记录表GB50209—20165.13.6水泥混凝土面层检验批质量验收记录表GB50209—2016水泥混凝土面层检验批质量验收记录表GB50209—20165.13.6水泥混凝土面层检验批质量验收记录表GB50209—20165.13.7水磨石面层检验批质量验收记录表GB50209—20165.13.7水磨石面层检验批质量验收记录表GB50209—20165.13.7水磨石面层检验批质量验收记录表GB50209—20165.13.7水磨石面层检验批质量验收记录表GB50209—20165.13.7水磨石面层检验批质量验收记录表GB50209—2016水磨石面层检验批质量验收记录表GB50209—2016水磨石面层检验批质量验收记录表GB50209—2016水磨石面层检验批质量验收记录表GB50209—2016水磨石面层检验批质量验收记录表GB50209—2016水磨石面层检验批质量验收记录表GB50209—2016水磨石面层检验批质量验收记录表GB50209—2016水磨石面层检验批质量验收记录表GB50209—20165.13.8砖面层检验批质量验收记录表GB50209—20165.13.8砖面层检验批质量验收记录表GB50209—20165.13.8砖面层检验批质量验收记录表GB50209—20165.13.8砖面层检验批质量验收记录表GB50209—20165.13.8砖面层检验批质量验收记录表GB50209—20165.13.8砖面层检验批质量验收记录表GB50209—20165.13.8砖面层检验批质量验收记录表GB50209—20165.13.8砖面层检验批质量验收记录表GB50209—20165.13.8砖面层检验批质量验收记录表GB50209—20165.13.8砖面层检验批质量验收记录表GB50209—20165.13.8砖面层检验批质量验收记录表GB50209—20165.13.8砖面层检验批质量验收记录表GB50209—20165.13.9大理石和花岗石面层检验批质量验收记录表GB50209—20165.13.9大理石和花岗石面层检验批质量验收记录表GB50209—20165.13.9大理石和花岗石面层检验批质量验收记录表GB50209—20165.13.9大理石和花岗石面层检验批质量验收记录表GB50209—20165.13.9大理石和花岗石面层检验批质量验收记录表GB50209—2016。
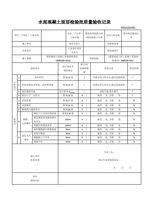
水泥混凝土面层检验批质量验收记录表1. 基本信息1.工程名称:2.工程地点:3.工程编号:4.检验批号:5.验收日期:2. 材料与设备检查2.1 水泥•规格:•等级:•制造厂家:•检验报告编号:2.2 砂•规格:•等级:•制造厂家:•检验报告编号:2.3 石料•规格:•等级:•制造厂家:•检验报告编号:2.4 骨料•规格:•等级:•制造厂家:•检验报告编号:2.5 添加剂•规格:•等级:•制造厂家:•检验报告编号:2.6 配合比•水泥:•砂:•石料:•骨料:•添加剂:2.7 设备•搅拌机:•水泥罐:•砂罐:•石料罐:•骨料罐:3. 浇注检查3.1 模板•材质:•规格:•安装情况:•钢筋骨架:3.2 浇注•管理员:•工艺操作是否规范:•浇注厚度检查:•浇注密实度检查:3.3 抹光•管理员:•工艺操作是否规范:•抹光是否平整:•抹光是否光滑:3.4 能见度•管理员:•检查位置:•能见度是否达标:4. 强度检测4.1 试块制作•管理员:•试块数量:•试块尺寸:•所采取的试块数量是否足够:4.2 试块养护•管理员:•养护方法:•养护时间:•试块编号:4.3 试块检测•检测单位:•检测时间:•检测方法:•报告编号:5.本次检验批混凝土面层的质量验收结果为合格。
6. 备注1.检验员签名:2.监理签名:3.施工单位签名:。
水泥混凝土面层施工检验批质量检验记录(共3页)--本页仅作为文档封面,使用时请直接删除即可----内页可以根据需求调整合适字体及大小--水泥混凝土面层施工检验批质量检验记录表CJJ1—2008续上页注:1、为标准差。
2、主控项目、一般项目的检查结果,需用语言描述的项,应按CJJ1-2008的要求详实描述;主控项目的计数检验项先填写“检验批主控项目计数检验记录表”(G1-1-1),然后将计数检验结果填写在本表相应的检查结果栏内;检验批一般项目计数检验数据较多、本表空格不够填写的项,可填写“检验批一般项目计数检验记录表”(G1-1-2),将该表作为本表的附页。
水泥混凝土面层质量检验标准(CJJ1-2008)混凝土面层质量应符合设计要求:主控项目1)混凝土弯拉强度应符合设计规定。
检查数量:每100m³的同配合比的混凝土,取样1次;不足100m³时按1次计。
每次取样应至少留置1组标准养护试件。
同条件养护试件的留置组数应根据实际需要确定,最少1组。
检验方法:检查试件强度试验报告。
2)混凝土抗压强度应符合设计规定。
检查数量:每100m³的同配合比的混凝土,取样1次;不足100m³时按1次计。
每次取样应至少留置1组标准养护试件。
同条件养护试件的留置组数应根据实际需要确定,最少1组。
检验方法:检查试件强度试验报告。
3)混凝土面层厚度应符合设计规定,允许误差为±5mm。
检查数量:每1000㎡抽测1点。
检验方法:查实验报告、复测。
4)抗滑构造深度应符合设计要求。
检查数量:每1000㎡抽测1点。
检验方法:铺砂法。
一般项目5)水泥混凝土面层应板面平整、密实,边角应整齐、无裂缝,并不应有石子外露和浮浆、脱皮、踏痕、积水等现象,蜂窝麻面面积不得大于总面积的%。
检查数量:全数检查。
检验方法:观察、量测。
6)伸缩缝应垂直、直顺、缝内不应有杂物。
伸缩缝在规定的深度和宽度范围内应全部贯通,传力杆应与缝面垂直。
基土垫层检验批质量验收记录表GB50209—2002(Ⅰ)基土垫层检验批质量验收记录表GB50209—2002(Ⅰ)5.13.2灰土垫层检验批质量验收记录表GB50209—2002(Ⅱ)灰土垫层检验批质量验收记录表GB50209—2002(Ⅱ)砂垫层和砂石垫层检验批质量验收记录表GB50209—2002(Ⅲ)砂垫层和砂石垫层检验批质量验收记录表GB50209—2002(Ⅲ)水泥混凝土垫层检验批质量验收记录表GB50209—2002(Ⅶ)水泥混凝土垫层检验批质量验收记录表GB50209—2002(Ⅶ)5.13.5找平层检验批质量验收记录表GB50209—2002(Ⅷ)5.13.5找平层检验批质量验收记录表GB50209—2002(Ⅷ)5.13.6水泥混凝土面层检验批质量验收记录表GB50209—20025.13.6水泥混凝土面层检验批质量验收记录表GB50209—2002水泥混凝土面层检验批质量验收记录表GB50209—2002水泥混凝土面层检验批质量验收记录表GB50209—20025.13.6水泥混凝土面层检验批质量验收记录表GB50209—20025.13.6水泥混凝土面层检验批质量验收记录表GB50209—20025.13.6水泥混凝土面层检验批质量验收记录表GB50209—20025.13.6水泥混凝土面层检验批质量验收记录表GB50209—20025.13.6水泥混凝土面层检验批质量验收记录表GB50209—20025.13.6水泥混凝土面层检验批质量验收记录表GB50209—20025.13.6水泥混凝土面层检验批质量验收记录表GB50209—20025.13.6水泥混凝土面层检验批质量验收记录表GB50209—2002水磨石面层检验批质量验收记录表GB50209—2002水磨石面层检验批质量验收记录表GB50209—2002水磨石面层检验批质量验收记录表GB50209—2002水磨石面层检验批质量验收记录表GB50209—2002水磨石面层检验批质量验收记录表GB50209—2002水磨石面层检验批质量验收记录表GB50209—2002水磨石面层检验批质量验收记录表GB50209—2002水磨石面层检验批质量验收记录表GB50209—2002水磨石面层检验批质量验收记录表GB50209—2002水磨石面层检验批质量验收记录表GB50209—2002水磨石面层检验批质量验收记录表GB50209—2002水磨石面层检验批质量验收记录表GB50209—2002砖面层检验批质量验收记录表GB50209—2002砖面层检验批质量验收记录表GB50209—2002砖面层检验批质量验收记录表GB50209—2002砖面层检验批质量验收记录表GB50209—2002砖面层检验批质量验收记录表GB50209—2002砖面层检验批质量验收记录表GB50209—2002砖面层检验批质量验收记录表GB50209—2002砖面层检验批质量验收记录表GB50209—2002砖面层检验批质量验收记录表GB50209—2002砖面层检验批质量验收记录表GB50209—20025.13.8砖面层检验批质量验收记录表GB50209—20025.13.8砖面层检验批质量验收记录表GB50209—20025.13.9大理石和花岗石面层检验批质量验收记录表GB50209—20025.13.9大理石和花岗石面层检验批质量验收记录表GB50209—20025.13.9大理石和花岗石面层检验批质量验收记录表GB50209—20025.13.9大理石和花岗石面层检验批质量验收记录表GB50209—2002。
水泥混凝土面层检验批质
量验收记录表
The following text is amended on 12 November 2020.
水泥混凝土面层检验批质量验收记录表
编
号:__________
水泥混凝土原材料检验批质量验收记录表
编号:__________
填土方路基检验批质量验收记录表Ⅲ
(支路及其他小路)
编
号:__________
填土方路基检验批质量验收记录表
编号:__________
填土方路基检验批质量验收记录表Ⅱ
(次干路)
编号:__________
土工材料处理软土路基检验批质量验收记录表
编
号:__________
挖石方路基检验批质量验收记录表
编号:__________
挖土方路基检验批质量验收记录表
编号:__________
现浇钢筋混凝土挡土墙钢筋加工与安装检验批质量验收记录表
编
号:__________
现浇钢筋混凝土挡土墙混凝土主体检验批质量验收记录表
编
号:__________
现浇钢筋混凝土挡土墙栏杆制作与安装检验批质量验收记录表
编
号:__________
现浇钢筋混凝土人行地道结构检验批质量验收记录表
编
号:__________
雨水支管与雨水口检验批质量验收记录表
编
号:__________
预制安装钢筋混凝土人行地道结构地基检验批质量验收记录表
编
号:__________。
水泥砂浆施工检验批质量验收记录
2. 施工材料检验
2.1 水泥检验
2.1.1 品牌和型号
[填写水泥品牌和型号]
2.1.2 检验结果
[填写水泥的检验结果,包括标准规定的各项指标]
2.2 砂检验
2.2.1 原材料检验
2.2.1.1 砂源
[填写砂源信息]
2.2.1.2 石粉掺量
[填写石粉掺量信息]
2.2.1.3 检验结果
[填写砂的检验结果,包括标准规定的各项指标]
2.2.2 砂浆检验
2.2.2.1 配合比
[填写砂浆的配合比信息]
2.2.2.2 检验结果
[填写砂浆的检验结果,包括标准规定的各项指标]
3. 施工工序验收
3.1 准备工作
[描述施工前的准备工作,包括材料准备、设备设施检查等] 3.2 施工过程
[描述施工过程中的关键要点和重要环节,包括搅拌、浇注、振捣等]
3.3 施工质量检查
[描述施工过程中的质量检查方法和结果]
3.4 施工记录
[记录施工过程中的重要数据和观察结果]
4. 质量验收结论
[根据检验批的各项检验结果和施工记录,给出质量验收结论]
5. 签字
[填写相关人员的签字信息:监理工程师、施工单位负责人等]
完成时间:[填写完成验收记录的日期]
以上是对水泥砂浆施工检验批质量验收的记录,准确反映了施工过程中的情况和验收结果。
水泥地面施工工程检验批质量验收记录表一、项目基本信息施工单位:[填写施工单位名称]工程名称:[填写工程名称]施工合同编号:[填写施工合同编号]项目负责人:[填写项目负责人]质检人员:[填写质检人员姓名]施工日期:[填写施工日期]二、检验批基本信息检验批编号:[填写检验批编号]检验日期:[填写检验日期]施工部位:[填写施工部位]三、质量验收记录1. 施工工艺质量验收验收项目:[填写施工工艺质量验收项目] 验收标准:[填写验收标准]验收结果:[填写验收结果,合格/不合格] 2. 材料质量验收验收项目:[填写材料质量验收项目]验收标准:[填写验收标准]验收结果:[填写验收结果,合格/不合格] 3. 环境要求验收验收项目:[填写环境要求验收项目]验收标准:[填写验收标准]验收结果:[填写验收结果,合格/不合格] 4. 施工设备验收验收项目:[填写施工设备验收项目]验收标准:[填写验收标准]验收结果:[填写验收结果,合格/不合格] 5. 安全防护验收验收项目:[填写安全防护验收项目]验收标准:[填写验收标准]验收结果:[填写验收结果,合格/不合格] 6. 其他问题及处理情况[填写其他问题及处理情况]四、质检人员意见质检人员:[填写质检人员姓名]意见:[填写质检人员意见]五、项目负责人意见项目负责人:[填写项目负责人姓名]意见:[填写项目负责人意见]六、总结经检验批质量验收,上述施工工程质量已达到验收要求,并取得了合格的质量验收结果。
施工单位负责人(签字):___________日期:___________。
水泥砂浆地面分项工程质量验收记录一、项目基本信息:工程名称:XXX项目项目地点:XXX建设单位:XXX施工单位:XXX监理单位:XXX验收日期:XXXX年X月X日二、验收内容:1.砂浆材料的验收情况a.水泥的型号、厂家、产品合格证明是否齐全并符合设计要求;b.砂子的质地、筛分曲线、含泥量是否符合设计要求;c.外加剂和黏结剂的型号、厂家、产品合格证明是否齐全并符合设计要求。
2.现场施工记录a.砂浆配合比:记录砂浆的配合比是否符合设计要求,包括水泥、砂子、外加剂和黏结剂的用量;b.施工工艺:记录砂浆的搅拌、运输、浇筑、抹平、养护等施工工艺是否符合规范要求;c.砂浆浇注和抹平情况:记录砂浆浇注和抹平的水平度、垂直度是否符合设计要求;d.养护情况:记录砂浆养护的时间、养护措施是否符合设计要求;e.砂浆防撞墙角部位的处理:记录防撞墙角部位的处理情况,包括型号、尺寸、质量等。
a.砂浆地面平整度测量:记录砂浆地面的平整度测量值和偏差,是否符合设计要求;b.砂浆地面强度检测:记录砂浆地面的抗压强度检测值和标准值比较,是否符合设计要求;c.砂浆地面的附着力检测:记录砂浆地面的附着力检测值和标准值比较,是否符合设计要求;d.其他质量检测指标:根据设计要求和行业标准,进行相应的质量检测,并记录检测值和比较结果。
4.问题和整改情况a.记录施工过程中发现的问题和整改措施,例如砂浆地面品质不佳、开裂、起泡等问题;b.记录整改后的效果,并经相关责任人签字确认。
5.验收结论根据以上质量验收结果和整改情况,综合评定砂浆地面工程的质量是否合格。
若合格,则验收通过;若不合格,则提出整改要求,并确定重新验收的时间和责任人。
以上是一个水泥砂浆地面工程质量验收记录的范例,具体内容可以根据实际工程情况进行调整和补充。
在编写过程中需要注意准确记录施工过程中的关键信息,并进行充分核实和证明。
水泥砂浆面层检验批质量验收记录1. 检验批次检验批次检验时间2021-001 2021-05-012021-002 2021-05-022021-003 2021-05-032. 检验内容2.1 基本要求根据国家相关标准《建筑装饰工程水泥砂浆面层施工及验收规范》(GB 50210-2015)进行检测,主要内容包括:1.水泥砂浆面层厚度及表面平整度;2.水泥砂浆面层的强度和抗渗性;3.水泥砂浆面层的涂层附着力、颜色和光泽度等。
2.2 具体项目针对上述检验内容,本次检验具体要求如下:1.检查施工单位提供的水泥砂浆面层施工图纸及材料清单是否齐全、正确;2.检查水泥砂浆面层施工前的墙体表面处理是否符合相关规范;3.根据检验批次,随机抽取水泥砂浆面层的施工样本,进行厚度、平整度、强度和抗渗性等检测,并作出评价;4.检查涂层颜色和光泽度是否符合要求;5.检测涂层附着力是否符合要求。
3. 检验结果3.1 检验结果汇总检验批次砂浆厚度/mm平整度/mm强度/MPa抗渗性颜色光泽度附着力2021-001 25.8 2.0 35.2 不渗水符合亮光良好2021-002 27.3 1.8 34.6 不渗水符合亮光良好2021-003 26.6 1.5 35.7 不渗水符合亮光良好3.2 评价结果1.砂浆面层厚度符合设计要求;2.砂浆面层表面平整度符合要求,无裂缝、空鼓和不平整现象;3.砂浆面层的强度和抗渗性均符合要求,可满足使用要求;4.附着层颜色和光泽度符合要求,利于墙体美观;5.涂层附着力符合要求,能较长时间保持高强度附着力。
4.本次水泥砂浆面层验收结果符合相关标准及设计要求,施工单位的工作得到认可。
建议施工单位继续严格按照相关要求进行施工,保证施工质量。
同时,监理单位也应一如既往地进行监管,确保施工单位继续保持工作质量。