矿井水处理方案样本
- 格式:docx
- 大小:81.43 KB
- 文档页数:17
神木县麻家塔乡四门沟煤矿煤炭资源整合项目煤矿井下水处理工程设计方案投标公司:编制时间: 2012年5月18日目录第一章前言 (1)第一节项目概况 (1)第二节工程设计思想 (1)第二章设计规模及进水水质 (3)第一节设计规模 (3)第二节废水水质 (3)第三章矿井水处理出水标准 (4)第四章设计理念、原则和遵循的设计规范 (5)第一节设计理念 (5)第二节设计原则 (5)第三节设计依据 (6)第四节执行标准和遵循设计规范 (6)第五章矿井水处理方案设计 (8)第一节矿井水水质分析 (8)第二节工艺流程设计 (8)1. 工艺流程选择分析 .................................. 错误!未定义书签。
2.流程框图 .......................................... 错误!未定义书签。
3.工艺流程说明 . (10)第三节单元设计计算 (12)1.调节池 (12)2.絮凝沉淀池 (12)3. 重力无阀滤池 (13)4. 消毒回用水池 (13)5.污泥存储池 (13)6. 污泥压滤 (14)7. 综合房 (14)第六章电气设计 (15)第一节电气设计依据 (15)第二节电气控制设计范围 (15)第三节供电电源 (15)第四节无功补偿 (15)第五节电缆 (15)第六节接地方式 (15)第七节仪表设备选型原则 (15)第七章平面布置 (17)第一节平面布置原则 (17)第二节平面布置图 (17)第八章公用工程及施工界限 (18)第九章废水处理系统土建及设备清单 (19)第一节构筑物一览表 (19)第二节设备主材一览表 (20)第三节用电设备一览表 (22)第四节运行费用 (22)第十章工程投资估算 (23)第十一章............................................. 保修服务及承诺24第一节服务条款 (24)第二节服务承诺 (26)第一章前言第一节项目概况为了合理有序的开发煤炭资源,优化资源配置,提高单井规模,淘汰落后采煤方法、实现采煤、落煤及运输的机械化,以达到煤炭资源的最大有效利用,减少资源浪费,有效遏制非法开采、越界开采行为,杜绝和降低事故的发生,实现资源开发及环境保护的协调发展,实现当地经济、社会和环境的稳定、健康发展,根据《陕西省人民政府关于印发陕西省煤炭资源整合实施方案的通知》(陕政发【2006】26号)、《陕西省人民政府关于榆林市煤炭资源整合实施方案的批复》(陕政函【2007】167号文),拟对原神木县麻家塔乡四门沟村母河沟组办煤矿、四门沟村办煤矿、四门沟乡办煤矿、李家梁瓷窑沟村办煤矿实施煤炭资源整合,整合后企业名称为神木县四门沟矿业有限公司,整合区域为Z21区。
湛江矿井水处理施工方案1. 引言湛江地区矿井水处理是保证矿井安全生产的重要环节。
随着矿井的开采深度增加和矿井水位上升,矿井水排放和处理成为一项关键任务。
本文档将介绍湛江矿井水处理的施工方案。
2. 施工目标湛江矿井水处理的施工目标如下:•确保矿井水排放符合环境保护标准;•提高矿井水的综合利用率;•降低矿井水处理的能耗和成本;•保证矿井水处理设施的可靠性和稳定性。
3. 施工流程湛江矿井水处理的施工流程如下:步骤1:矿井水采集在矿井开采过程中,通过井口设立水采集点,将地下水采集到矿井外的水池中,进行初步卸水。
步骤2:初步过滤将采集到的矿井水进行初步过滤,去除较大颗粒的杂质,如泥沙、悬浮物等。
步骤3:沉淀经过初步过滤后的矿井水进入沉淀池,利用自然沉淀作用去除悬浮物和部分重金属离子。
步骤4:深度处理经过沉淀的矿井水进入深度处理系统,利用化学药剂进行深度处理,去除重金属离子、溶解性有机物等。
步骤5:消毒经过深度处理的矿井水进入消毒设施,进行消毒处理,杀灭水中的细菌、病毒等微生物。
步骤6:净化经过消毒处理的矿井水进入净化装置,通过过滤、吸附等工艺,去除残留的杂质及余氯,并调整水质指标,达到环保要求的排放标准。
步骤7:综合利用一部分经过净化的矿井水可以作为工业用水供应给矿井周边企业,实现综合利用。
另一部分矿井水可以通过特定工艺处理后循环利用,减少用水量。
4. 施工材料和设备湛江矿井水处理的施工所需材料和设备如下:•管道:采用塑料管道进行输送,耐腐蚀、密封性好;•沉淀池:采用混凝土建造,具有良好的强度和耐久性;•深度处理设备:包括化学药剂投放装置、反应器等;•消毒设备:采用紫外线消毒或氯气消毒设备;•净化装置:包括过滤器、吸附剂等;•控制系统:包括自动控制和监测仪表等。
5. 施工注意事项在湛江矿井水处理施工过程中,需要注意以下事项:•施工人员应严格按照安全操作规程进行施工,确保安全第一;•施工前应做好必要的现场勘查和安全评估工作,制定详细的施工方案;•施工过程中应定期检查设备和管道的运行情况,及时发现和解决问题;•施工完成后应进行系统测试和调试,确保矿井水处理设施正常运行;•施工结束后应进行施工验收,保证施工质量和效果符合要求。
矿井水处理方案背景介绍矿井水是矿山生产过程中的一种典型废水。
它包含许多有害物质,如重金属、硫酸、氰化物等,并具有高浊度、高盐度、高酸碱度、高压力等特点。
如果不经过处理直接排放到环境中会对土壤和水资源造成极大的污染。
针对矿井水的处理已经成为保护环境的又一重要手段。
处理方案一、化学沉淀法化学沉淀法是将供处理的矿井水通过给药,使矿井水中的有害物质形成不溶性沉淀物,从而达到净化矿井水的目的。
该方法主要适用于重金属离子和矿物酸盐的处理。
常见化学剂有氢氧化钙、氯化铁、硫酸铁、氢氧化铁等。
其中氢氧化钙是一种广泛应用的中和剂。
二、吸附法吸附法是将矿井水通过一种或多种吸附剂,让污染物质附着于吸附剂表面并被吸附,这种方法相对简单,运行成本低,原理也易于理解。
常见的吸附剂有活性炭、树脂以及砂石等。
三、离子交换法离子交换法是通过离子交换树脂将污染物与离子交换树脂表面的原有离子交换,使有害离子被过滤掉,从而达到净化水的目的。
该方法适用于工业废水中重金属离子的去除,可以去除的包括镉、铬、锡、铅等重金属。
离子交换树脂包括强酸树脂和弱酸树脂。
四、电化学方法电化学方法是一种以电化学过程为基础的处理方法。
通过对电性能差异的各污染物进行电极反应,从而达到分离的目的。
常用的电化学方法有电解和电渗析等,其对硫酸盐和重金属取得了较好的去除效果。
结论以上四种处理方案都是目前比较成熟的矿井水处理技术。
各种方案的适用场景和特点不同,治理效果也有所差异。
在具体选用时,需要综合考虑污染物种类、水质特征、处理成本、水处理规模等因素,以实现最优处理效果和最低治理成本的平衡。
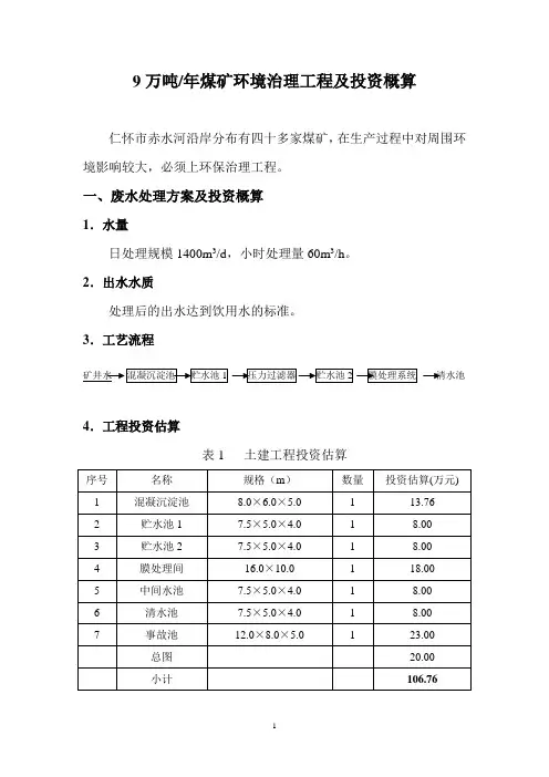
9万吨/年煤矿环境治理工程及投资概算仁怀市赤水河沿岸分布有四十多家煤矿,在生产过程中对周围环境影响较大,必须上环保治理工程。
一、废水处理方案及投资概算1.水量日处理规模1400m3/d,小时处理量60m3/h。
2.出水水质处理后的出水达到饮用水的标准。
3.工艺流程清水池4.工程投资估算表1 土建工程投资估算表2 设备工程投资估算表3 工程投资汇总表5. 运行成本分析电费:1.20元/kwh×1100kwh/d=1320.00元人工费:1500元/人月×6人/30天=300.00元药剂费:吨水药剂费0.30元,每天420元设备折旧费:每年按设备的5%计提,则为428.80×5%=21.40万元;摊到每天586元设备维修费:每年按设备的4%计提,则为428.80×4%=17.15万元;摊到每天470元运行成本:3096.00元,折合吨水处理成本2.20元。
则:年运行成本113万。
另外每天24t生活污水处理,采用一体化设备处理,总投资10~12万元,运行费用约3万。
二、粉尘治理工程及投资概算1. 工程内容:建封闭煤仓、皮带输送机及系统的除尘设施2. 工程投资估算(1)土建费用:煤仓:建两个,按屯一天的量来计算,圆形混凝土结构,大小:直径6m,高10米,土建费用:15万/个,共30万(2)设备投资估算见表4。
表4 设备工程投资估算表5 工程投资汇总表3. 运行成本分析电费:1.20元/kwh×1000kwh/d=1200.00元人工费:1500元/人月×3人/30天=150.00元设备折旧费:每年按设备的5%计提,则为170×5%=8.5万元;摊到每天283元设备维修费:每年按设备的5%计提,则为170×5%=8.5万元;摊到每天283元运行成本:1916.00元/天则:年运行成本57.5万。
三、噪声治理工程及投资概算噪声源主要包括:井道绞车房噪声、瓦斯泵房噪声、井下风机及泵房噪声等场所噪声,及一些掘进机械等设备噪声。
煤矿矿井水处理方案
1.环境背景
2.目标
制定煤矿矿井水处理方案的目标是减少水体中的污染物浓度,保证排
放水质符合环境标准,并能最大程度地利用和回收废水资源。
3.方案
(1)预处理
煤矿矿井水中的悬浮物浓度较高,需要通过预处理去除。
预处理的方
法包括沉淀、过滤和脱脂等。
首先,通过沉淀作用将悬浮物聚集沉淀下来,可以采用沉淀池或沉淀槽来实现。
其次,通过过滤将较小的悬浮物颗粒去除,可以采用砂滤器、活性炭过滤器等设备。
最后,通过脱脂将油类物质
去除,可采用油水分离器等设备。
(2)重金属离子去除
煤矿矿井水中常含有较高浓度的重金属离子,对环境具有较大的危害。
重金属离子去除可以采用化学沉淀、吸附和离子交换等方法。
化学沉淀通
过加入适当的沉淀剂将重金属形成沉淀物,如氢氧化钙、氢氧化钠等。
吸
附通过吸附剂吸附重金属离子,如活性炭、硅胶等。
离子交换通过离子交
换树脂选择性吸附重金属离子。
(3)有机物去除
煤矿矿井水中的有机物常会引起水体浑浊,并对水质造成危害。
有机
物的去除可以采用生物处理和化学氧化等方法。
生物处理通过利用微生物
降解有机物,可以采用活性污泥法、好氧生物反应器等工艺。
化学氧化通过添加氧化剂将有机物氧化分解,如臭氧等。
(4)综合利用
4.设备
5.实施与运行
综上所述,煤矿矿井水处理方案由预处理、重金属离子去除、有机物去除和综合利用等环节组成。
通过合理选择处理方法和设备,可以有效地降低煤矿矿井水的污染物浓度,保护环境并最大限度地利用和回收废水资源。
揭阳矿井水处理施工方案一、技术可行性分析在进行揭阳矿井水处理之前,首先进行了技术可行性分析。
考虑到矿井水的特点,如高悬浮物、高盐度、重金属含量高等因素,选择了适合当地条件和环保要求的处理技术。
经过对比分析,我们认为采用预处理、物理处理、化学处理与生物处理相结合的方法,能够有效降低矿井水中的污染物含量,达到国家排放标准。
二、废水收集系统为确保矿井水能够得到及时收集和处理,我们设计了高效、稳定的废水收集系统。
该系统能够迅速将矿井产生的废水引导至指定收集池,避免废水外溢和环境污染。
三、废水储存设施废水储存设施是矿井水处理的重要组成部分。
我们根据矿井水的产生量和处理量,合理规划了废水储存池的大小和数量,确保废水能够在处理前得到妥善储存。
四、废水预处理技术预处理是矿井水处理的关键环节,主要用于去除废水中的大颗粒悬浮物、泥沙等杂质。
我们采用了沉淀、过滤等预处理技术,有效提高了后续处理的效率。
五、物理处理与化学处理物理处理主要包括沉淀、过滤、吸附等方法,能够去除废水中的部分污染物。
化学处理则通过添加化学药剂,使废水中的污染物发生化学反应,进而达到去除的目的。
六、废水处理技术针对矿井水中特有的污染物,我们采用了先进的废水处理技术,如高级氧化技术、膜分离技术等,确保废水中的污染物得到彻底去除。
七、生物处理技术应用生物处理技术是利用微生物降解废水中的有机污染物的方法。
我们根据矿井水的特点,选择了适合的生物处理方法,如活性污泥法、生物膜法等,使废水中的有机物得到有效降解。
八、施工方案实施成功经过严格的施工和调试,揭阳矿井水处理施工方案成功实施。
经过处理后的矿井水水质稳定,符合国家排放标准,有效保护了当地的水环境。
同时,该施工方案也为类似矿井水处理项目提供了有益的参考和借鉴。
煤矿矿井水处理方案目录一、工程概况 (3)二、废水的特点 (3)三、设计依据及原则 (4)3.1 设计原则 (4)3.2设计原则 (4)四、设计处理能力、进水水质和出水水质 (5)4.1设计处理能力 (5)4.3设计出水水质 (5)五、工艺方案选择 (6)5.1工艺方案选择 (6)5.2污泥处理 (7)5.3 工艺流程 (8)5.4 工艺特点 (8)六、工程设计 (8)七、工程内容 (1)八、投资估算 (2)8.1土建工程投资 (2)8.2 设备工程投资 (2)8.3 其他费用 (3)8.4总费用合计 (3)九、生产组织及劳动定员 (3)9.1生产组织 (3)9.2 劳动定员 (3)9.3 人员培训 (3)十、成本分析 (4)10.1人工费 (4)10.2电费 (4)10.3药剂费 (4)10.4吨水费用 (4)十一、工程实施进度计划表 (4)煤矿矿井水处理改造工程技术方案一、工程概况项目名称:煤矿矿井水处理改造工程项目规模:3500m3/d项目地址:主管单位:矿井设计生产能力为15万t/a,该煤矿废水主要来自于矿井排水,井下排水量正常涌水量为125m3/h,最大涌水量达146 m3/h,由于该煤矿地下为紫红色、灰白色铝质岩层,局部为紫红色、褐色矿层,该矿井排水含有黄褐色铁矿颗粒和铝矿颗粒,颜色呈黄褐色。
目前煤矿废水处理系统仅有三个沉淀池,处理系统不能满足新的环保要求,为保护环境,治理污染,现拟对原有设施升级改造,使废水经处理后实现达标排放。
二、废水的特点煤矿矿井排水呈黄褐色,感官性差,水中的主要污染物为悬浮物(SS)和铁,是典型的无机废水。
悬浮物的主要是煤屑、岩粉、粘土等细小颗粒物,尤其是煤粉,其含量为几十到几百毫克/升,特点是悬浮物粒度小、比重轻、沉降速度慢。
三、设计依据及原则3.1 设计原则1.《污水综合排放标准》(GB8978-1996)2.《建筑给水排水设计规范》(GBJ50015-2003)3.《室外排水设计规范》(GB50014-2006)4.《煤炭工业矿井设计规范》(GB50215-2005)5.《煤炭工业污染物排放标准》(GB20426-2006)6.《污水综合排放标准》(GB8978-1996)7.《建筑给水排水设计规范》(GBJ50015-2003)8.《供配电系统设计规范》(GB50052-2009)9.《通用用电设备配电设计规范》(GB50055-1993)10.《自动化仪表工程施工及验收规范》(GB50093-2002)11.煤矿提供的水质、水量参数3.2设计原则1)认真贯彻国家关于环境保护工作的方针和政策,符合国家相关政策法规、规范、技术标准,实现废水综合处置与回用的目标,为环境的可持续发展做出贡献。
矿井水处理工程组织方案一、项目背景矿井水是矿井开采和生产中产生的含有各种固体颗粒、有机物和无机盐类的工业废水。
矿井水的处理对于保护环境、节约资源以及提高资源利用率具有重要意义。
因此,矿井水处理工程的组织方案显得尤为重要。
二、项目目标1. 保护环境:通过对矿井水进行处理,达到排放标准,减少对地下水和地表水的污染。
2. 节约资源:利用合适的工艺方法,对矿井水进行处理后,可实现水资源的再利用,减少对新鲜水资源的开采。
3. 提高资源利用率:将矿井水处理后,可以得到可再利用的清洁水,同时将废水中的有用物质进行回收,实现资源的再利用。
三、组织方案1. 前期调研:在开始矿井水处理工程之前,需要对矿井水的水质、水量、水源和周边环境等情况进行调研和分析,以确定处理工程的具体方案。
2. 工程设计:在前期调研的基础上,进行具体的工程设计,包括处理工艺的选择、设备的选型、布局设计以及工程投资、建设周期和工艺流程的编制等。
3. 材料采购:根据工程设计的要求,对所需的材料设备进行采购,选择合格的供应商,并保证材料质量和交货时间。
4. 施工组织:按照工程设计方案,合理组织工程施工,确保工程质量和安全。
包括场地准备、基础建设、设备安装、管道连接等。
5. 运行管理:矿井水处理工程建成后,需要对整个处理系统进行运行管理,保持设备的正常运转,及时处理各种异常情况。
6. 质量保证:在整个工程周期内,对每个环节进行严格的质量把关,确保工程的建设和运行达到国家标准。
四、工程技术1. 矿井水预处理工艺:对采集的矿井水进行沉淀、过滤、氧化等初步处理,去除其中的悬浮物、沉淀物及泥沙。
2. 矿井水生物处理:将预处理后的矿井水进行生物处理,包括好氧生物处理和厌氧生物处理,通过微生物降解有机物。
3. 矿井水膜分离技术:对经生物处理后的矿井水进行膜分离,使水中的悬浮物、胶体、微生物和有机物得以去除,从而得到清洁的水体。
4. 矿井水再生利用技术:利用膜处理和其他物理化学方法,将清洁的水进行再生利用,可以用于生产、生活及冷却循环水等。
***矿井水处理工程技术方案***矿井水处理工程技术方案一、概述1、企业及工程概况**矿开采河南省临汝煤田**矿区**寨井田煤层,下属三对生产矿井,均具有独立的生产系统。
总的核定生产能力为1。
20Mt/a。
2008年生产原煤105万吨。
**矿位于河南省**市南部,北距**市18km,南距**县25km,距***市60km。
*。
行政区划隶属于**市**镇、**乡管辖。
**铁路、**国道、**省道均从矿区东部通过.有专用线与**铁路**站接轨,有矿区公路与**国道、**省道连接,交通十分方便.**的矿井水正常涌水量为92m3/h,最大涌水量为184m3/h.矿井水若不经过有效处理直接外排,不仅浪费水资源,并且对周围水环境也会造成一定程度的影响.为了响应国家环保的要求,实现节能减排,创建环保型绿色企业,减少环境污染并合理利用废水,将矿井水经过有效处理再生后回用做地面生产、生活杂用水及井下防尘用水,既合理利用水资源,又能减少污染物排放,减少对周围环境的污染。
因此,***矿决心对**矿井水进行有效治理并回用作为矿区生产和杂用消防用水.2、回用用途根据**设计研究院有限公司编制的《**股份有限公司**矿产业升级改造初步设计说明书》中矿区给排水的设计及要求,矿井水处理后供矿区生产、消防、杂用用水.**工业场地用水量表见表1。
二、工程设计依据及原则1、设计依据、规范及标准1)《中华人民共和国环境保护法》2)《中华人民共和国环境污染防治法》3)《污水综合排放标准》(GB8978—1996)4)《煤炭工业污染物排放标准》(GB20426-2006)5)《城市污水再生利用城市杂用水水质》(GB18920—2002)6)《建筑给水排水设计规范》(GB50015—2009)7)《排水工程设计手册》8)《室外排水设计规范》(GB50014—2006)9)《室外给水设计规范》(GB50013-2006)10)《工业企业噪声控制设计规范》(GBJ87-85)11)《工业企业厂界噪声标准》(GB12348—2008)12)《通用用电设备配电设计规范》(GB50055—93)13)《工业管道工程施工及验收规范》(GB50235—97)14)《建筑设计防火规范》(GB50016-2006)15)《现场设备、工业管道焊接工程施工及验收规范》(GB50236—98)16)《机械设备安装工程及验收通用规范》(GB50231—09)17)**设计研究院有限公司编制的《**煤业股份有限公司**矿产业升级改造初步设计说明书》18)甲方提供的相关资料2、设计原则1)认真执行国家和地方的有关环境保护的各项规定和标准;2)采用目前成熟、实用的处理工艺稳定可靠地达到治理目标要求;3)在上述原则下,达到投资省、运行费用低、占地面积小、处理效率高等良好的经济技术指标;4)主要单元采用自动控制系统运行管理操作运行灵活简单,降低劳动强度,减少由于人为因素造成的运转不正常;5)合理利用高程,减少提升环节,节能降耗;6)矿井水处理过程中所产生的污泥及其它污染物进行有效处理,避免二次污染.三、工程设计水质水量及处理要求1、设计水质根据甲方提供的***排水状况相关资料,结合该**矿其他矿井的矿井水水质,该矿矿井水水中含悬浮物较多,主要污染物以煤粉为主,有机污染物少,本工程矿井水各项进水水质指标如下:表2 ***矿井水水质(mg/L)2、设计水量根据***煤业股份有限公司***产业升级改造初步设计说明书提供的矿井涌水量,**井下正常涌水量为92m3/h,最大涌水量为184m3/h。
矿井水水处理工程设计方案二零一二年七月目录第一章、技术规格书 (4)一、概述: (4)二、技术要求...................................... 错误!未定义书签。
2.1范围......................................... 错误!未定义书签。
2.2规范的标准................................... 错误!未定义书签。
2.3提交技术资料................................. 错误!未定义书签。
2.4设计使用年限................................. 错误!未定义书签。
2.5备件质量..................................... 错误!未定义书签。
2.6材料......................................... 错误!未定义书签。
2.7焊接......................................... 错误!未定义书签。
2.8互换性....................................... 错误!未定义书签。
2.9噪声控制..................................... 错误!未定义书签。
2.10铭牌标志.................................... 错误!未定义书签。
2.11基础、地脚螺栓和结构的固定.................. 错误!未定义书签。
2.12、技术补充要求.............................. 错误!未定义书签。
三、图纸和技术文件的提交.......................... 错误!未定义书签。
第二章、设计原则和设计标准. (5)2.1、设计范围及原则: (5)2.2、设计依据及标准: (5)第三章、设计基础资料 (6)第四章、设计工艺 (6)4.2、处理工艺及主要特点 (7)4.3、系统工艺选说明:............................... 错误!未定义书签。
一、井下水处理站技术方案第一章概述1.1 工程名称南仙泉煤矿井下水处理站工程。
1.2 建设单位县西池乡南仙泉煤矿。
1.3 编制原则1) 执行国家关于环境保护的政策,符合国家的有关法规、规及标准;2) 采用先进、可靠、合理的处理工艺,工艺设计应有较大的灵活性、可调性,以适应水量、水质的变化。
设备选型合理、可靠、先进;3) 在确保处理效果的前提下,做到工艺流程简洁、操作简单、管理方便、占地小、投资省、运行费用低;4) 尽量提高自动化控制程度,以便提高运行管理水平,降低劳动强度。
1.4 编制围本方案的设计围如下:1) 南仙泉煤矿井下水处理工艺技术方案设计;2) 污水处理构筑物及其附属购置物设计(不含外围管网设计);3) 污水处理电气自控设计(含污水处理站建筑物部照明系统设计);4) 污水处理站投资估算及其经济技术分析;1.5 设计依据1)煤矿排水水质检测结果2)国家污水排放相关标准3)《煤炭工业水污染物排放标准》4)饮用水卫生标准(GB 5749-2006)5)《GBJ14-87 室外排水设计规》- 专业6)《GB5096-93 环境噪声标准》第二章工程概况2.1 项目背景煤炭在我国能源结构中占70%以上,煤炭开采过程中会排放大量废水,若不经处理直接排放,势必对环境造成严重污染,同时造成水资源的大量浪费,无法实现循环经济的目标。
据统计我国40%的矿区严重缺水,已制约了煤炭生产的发展。
矿区多处于山区,水资源更为缺乏,地表水又多为间歇性河流,枯洪水季节流量相当悬殊,常年流量稀释能力差,排入河流的污水造成严重污染。
因此,开发、管理、利用好煤矿水资源,对煤炭工业可持续发展具有重要意义。
矿井污水经治理后综合利用,对矿区经济的发展起到至关重要的作用随着政府支持力度的加大和企业意识的不断提高,很多企业对污染物排放治理力度不断加大,因此,坪上煤业有限责任公司提出将该矿达标处理后的《城市污水再生利用城市杂用水水质》GB/T8920-2002及《矿井防尘洒水用水水质标准》GB50215-2005 。
XXX矿井水处理工程设计方案目录一、概述 (2)二、项目提出的背景、治理的必要性 (2)三、治理方案的依据、原则及范围 (2)四、污染源控制 (5)五、设计污水水质、水量及排放标准 (5)六、污水处理工艺流程简图及说明 (6)七、厂址的选择及总平面布置 (9)八、建筑、结构设计 (10)九、水、电、气设计 (15)十、劳动定员 (15)十一、电气控制 (16)十二、设备优特点 (16)十三、污水处理运行成本测算 (17)十四、二次污染防治及环境效益分析 (18)十五、工程投资估算表 (19)十六、建设工程进度计划表 (20)十七、施工组织设计 (20)十八、劳动保护与安全保护 (24)十九、项目实施 (26)二十、安装、调试和验收 (27)附1、工艺流程图一、概述XXX在生产生活过程中产生矿井水,根据政府及环保部门的要求,为保护环境,治理污染,树立良好的企业形象,促进企业的可持续发展,委托我单位进行本污水处理方案设计。
本方案技术规范,适用矿井水生产排放的废水确定,本治理方案的功能设计、结构、性能、安装和调试方面的技术要求。
本方案未尽事宜由我们同设计院、环保局、贵公司及行业水处理专家共同研讨,协商确定,完善。
二、项目提出的背景、治理的必要性随着工业和国民经济的不断发展,各河流水体的污染日益严重,恶性事故时有发生,对工、农、渔业生产和人民生活带来极大影响,单位领导非常重视,按照国家和环保部门对河流水体的总体要求,贵单位的矿井水处理工程已势在必行。
矿井水主要含SS、COD等污染物。
此废水若不经过处理直接排入河体,将对周围环境造成严重污染。
因此贵单位污水治理工程建设无论是对国家政策、地方经济的发展,还是对河流水体的生态平衡保护都是非常必要的。
三、治理方案编制的依据、原则及范围3.1、设计依据3.2、设计原则3.2.1、为提高污水处理效果,尽量采用先进的技术,及行之有效的设备。
3.2.2、污水处理设施有较大的灵活性及可调节余地,以适应水质、水量及温度的变化。
100t/h矿井废水处理系统技术方案22001122年年0066月月目录一、项目概述........................................................................................................... - 2 -二、设计方案的选择及说明 .................................................................................... - 4 -三、工艺说明 ............................................................................................................ - 7 -三、处理单元详细描述 ............................................................................................ - 9 -四、系统配置清单 .................................................................................................. - 10 -五、运行成本 .......................................................................................................... - 13 -六、系统配套 .......................................................................................................... - 15 -七、设备监造(检验)和性能验收试验 .............................................................. - 16 -八、工作范围及技术服务 ...................................................................................... - 18 -九、售前服务内容、售后服务体系及承诺 ........................................................ - 20 -一、项目概述1.1 项目名称****开发有限公司100t/h矿井废水处理系统。
目录一、工程概况 (3)二、废水的特点 (3)三、设计依据及原则 (4)3.1 设计原则 (4)3.2 设计原则 (4)四、设计处理能力、进水水质和出水水质 (5)4.1 设计处理能力 (5)4.3 设计出水水质 (5)五、工艺方案选择 (6)5.1 工艺方案选择 (6)5.2 污泥处理 (7)5.3 工艺流程 (8)5.4 工艺特点 (8)六、工程设计 (9)七、工程内容 (1)八、投资估算 (2)8.1 土建工程投资 (2)8.2 设备工程投资 (2)8.3 其他费用 (3)8.4 总费用合计 (3)九、生产组织及劳动定员 (3)9.1 生产组织 (3)9.2 劳动定员 (3)9.3 人员培训 (4)十、成本分析 (4)10.1 人工费 (4)10.2 电费 (4)10.3 药剂费 (5)10.4 吨水费用 (5)十一、工程实施进度计划表 (5)煤矿矿井水处理改造工程技术方案一、工程概况项目名称:煤矿矿井水处理改造工程项目规模:3500m 3/d项目地址:主管单位:矿井设计生产能力为15万t/a,该煤矿废水主要来自于矿井排水,井下排水量正常涌水量为125m3/h,最大涌水量达146 m3/h ,由于该煤矿地下为紫红色、灰白色铝质岩层,局部为紫红色、褐色矿层,该矿井排水含有黄褐色铁矿颗粒和铝矿颗粒,颜色呈黄褐色。
目前煤矿废水处理系统仅有三个沉淀池,处理系统不能满足新的环保要求,为保护环境,治理污染,现拟对原有设施升级改造,使废水经处理后实现达标排放。
二、废水的特点煤矿矿井排水呈黄褐色,感官性差,水中的主要污染物为悬浮物(SS)和铁,是典型的无机废水。
悬浮物的主要是煤屑、岩粉、粘土等细小颗粒物,尤其是煤粉,其含量为几十到几百毫克/升,特点是悬浮物粒度小、比重轻、沉降速度慢。
三、设计依据及原则3.1 设计原则1. 《污水综合排放标准》 (GB8978-1996 )2. 《建筑给水排水设计规范》(GBJ50015-2003)3. 《室外排水设计规范》(GB50014-2006)4. 《煤炭工业矿井设计规范》 (GB50215-2005 )5. 《煤炭工业污染物排放标准》 (GB20426-2006 )6. 《污水综合排放标准》(GB8978-1996)7. 《建筑给水排水设计规范》(GBJ50015-2003)8. 《供配电系统设计规范》 (GB50052-2009 )9. 《通用用电设备配电设计规范》 (GB50055-1993 )10 .《自动化仪表工程施工及验收规范》 (GB50093-2002 )11.煤矿提供的水质、水量参数3.2 设计原则1) 认真贯彻国家关于环境保护工作的方针和政策,符合国家相关政策法规、规范、技术标准,实现废水综合处置与回用的目标,为环境的可持续发展做出贡献。
陕西仓村煤业有限公司处理10m3/h煤矿井下疏干水处理设计说明书设计说明书目录第一章总论 (3)第一节工程概况 (3)第二节工程规模及水质 (3)第三节设计依据 (3)第四节设计内容 (3)第二章井下疏干水工艺设计 (4)第一节设计依据 (4)第二节、工艺设计要求 (5)第三节疏干水净化水处理工艺 (6)第四节供配电设计 (9)第五节、自动控制 (10)第六节、厂房建筑 (10)第七节、水处理直接成本分析 (10)第八节、工艺设备表 (11)第一章总论第一节工程概况1.1工程名称陕西仓村煤业有限公司10m3/h井下疏干水处理1.2 主管单位陕西仓村煤业有限公司1.3 建设场址陕西仓村煤业有限公司规划区域第二节工程规模及水质2.1 处理规模240m3/d,按日运行24小时计算,按10m3/h计算2.2 处理后水质:达到《污水综合排放标准》(GB8978-1996)、《黄河流域(陕西段)污水综合排放标准》(DB61-224-2011)二级标准。
本方案主要针对水质悬浮物指标:SS≤500mg/L,浊度≤300NTU第三节设计依据3.1 陕西仓村煤业有限公司疏干水处理工程设计委托书3.2 国家相关设计规范及水质标准3.3 陕西仓村煤业有限公司疏干水基础资料第四节设计内容陕西仓村煤业有限公司疏干水处理系统第二章井下疏干水工艺设计第一节设计依据设计基于减少投资、降低运营成本、维护及保养简便、运行安全等角度,同时结合多年设计经验设计优化组合。
1.1水质设计依据井下水水质依据甲方提供的“井下疏干水原水水质报告”。
1.2设计依据的标准《中华人民共和国环境保护法》《中华人民共和国水污染防治法》《黄河流域(陕西段)污水综合排放标准》(DB61/244-2011)《室外给水设计规范》GB50013-2006《室外排水设计规范》GB50014-2006《建筑结构可靠度设计统一标准》GB50068-2001《混凝土结构设计规范》GB50010-2010《给水排水工程管道结构设计规范》GB50332-2002《建筑设计防火规范》GB50016-2006《工业企业厂界环境噪声排放标准》GB12348-2008《水处理设备技术条件》JB/T2932-1999《水处理设备性能试验总则》GB/T13922.1-1992《接头焊接标准》HGJ17-89《管路法兰技术条件》JB/T74-94《供配电系统设计规范》GB50052-2009《低压配电装置及线路设计规范》GB50054-95《电力装置的继电保护和自动装置设计规范》GB/T 50062-20081.3设计理念1.3.1针对目标水质及国家的污水排放标准要求,考虑并保证处理后水质达标排放;1.3.2设计科学、合理的处理工艺,经过国内外验证、成熟的水处理工艺,适应水质波动变化,水处理系统经济安全运行;1.3.3工艺设备配置齐全、紧凑,满足现有场地占地要求;1.3.4结合实际,合理利用现有场地取水构筑物;1.3.5完成新建井下疏干水净化处理,满足排放要求,工程具有科技示范效应。
一、预案概述1. 编制目的为确保矿井水处理系统的安全稳定运行,提高矿井水处理事故的应急处置能力,最大限度地减少事故损失,特制定本预案。
2. 适用范围本预案适用于矿井水处理系统发生故障、泄漏、污染等事故时的应急处置工作。
3. 编制依据依据《中华人民共和国安全生产法》、《矿山安全法》、《煤矿安全规程》等相关法律法规,结合矿井水处理系统实际情况编制。
二、组织机构及职责1. 成立应急指挥部应急指挥部由矿长担任总指挥,分管安全生产的副矿长担任副总指挥,各部门负责人为成员。
2. 各部门职责(1)安全管理部门:负责应急预案的编制、修订和实施,组织开展应急演练,对应急工作进行监督检查。
(2)技术管理部门:负责矿井水处理系统的日常维护、监测,及时掌握系统运行状态,发现异常情况立即上报。
(3)环保部门:负责矿井水排放达标,对排放水质进行监测,确保不超标排放。
(4)生产部门:负责矿井水处理系统的正常运行,确保水质稳定,发现异常情况立即上报。
(5)设备管理部门:负责矿井水处理设备设施的维护、检修,确保设备设施完好。
(6)后勤保障部门:负责应急物资的储备、供应,确保应急工作顺利进行。
三、应急响应程序1. 预警(1)技术管理部门发现矿井水处理系统异常情况,立即上报应急指挥部。
(2)应急指挥部根据异常情况,启动应急预案,通知各部门进入应急状态。
2. 应急处置(1)生产部门立即采取措施,降低矿井水处理系统负荷,确保系统安全稳定运行。
(2)环保部门加强对排放水质的监测,确保不超标排放。
(3)设备管理部门对设备设施进行检查、维护,确保设备完好。
(4)后勤保障部门提供应急物资支持。
3. 事故调查事故发生后,应急指挥部组织相关部门进行调查,查明事故原因,制定整改措施。
4. 应急结束事故得到有效控制,应急指挥部宣布应急结束,各部门恢复正常工作。
四、应急保障措施1. 物资保障应急指挥部负责储备必要的应急物资,包括应急设备、应急车辆、应急药品等。
系改正或者删除。
目录一・概述处理工艺确定及说明三.主要构筑物及设备选型四.工程概算五.工程业绩六. 企业证照资质1.1工程概况古交市矶石沟煤矿日排矿井水量约1000吨,现拟建造一套矿井水处理系统,废水处理后达到《煤炭工业污染物排放标准》(GB20426-).《生活杂用水水质标准»(GJ25.1-89)中的规定,处理后的矿井水一部分用来喷洒坑道降尘等,另一部分经过深度处理后达到洗浴.井下液压支柱.割煤机等用水要求。
12设计依据⑴《污水综合排放标准》(GB8978-1996);(2)《煤炭工业污染物排放标准》(GB20426-);(3)《生活杂用水水质标准》(GJ25.1-89);(4)《工业用水软化除盐设计规范》(GBJ109-87)!筑给水排水设计规范》(GB50014-);⑹《环境噪声标准》(5096-93);(7)《环境工程设计手册》(修订版);(8)《给水排水工程结构设计规范》(GB50069-);(9)《污水泵站设计规范》(GBJ08-23-90);(10)《工业建设防设计规范》(GB50046-95);(11)《低压配电装置及线路设计规范》(GB50054-95);(12)《地面水环境质量标准》(GB3838-);(13)《建筑地基基础设计规范》(GBJ7-89);(14)《建筑地面设计规范》(GBJ50037-96);系改正或者删除。
(15)《建筑制图标注》(GBJ104-87);(16)《供电系统设计规范》(GB50052-95);(17)《地下水质量标准》(GBfT14848-93);(18)( 87) 国环002号”建设项目环境保护设计规定”(19)《煤炭工业矿井设计规范》(GB50215-94);(20)《地面水环境质量标准》(GB3838-);1.3设计原则(1)废水处理设定建设规模和工程分期,为发展留有余地。
(2)达到现行的国家和地方有关标准,规范和规定。
(3)妥善处理处理废水处理过程中产生的渣和淤泥,避免二次污染。
(4)确保工程的可靠性及有效性,应提高自动化水平,降低运行费用,减少维护检修工作量,选用先逬设备。
(5)采用现代化技术手段,实现自动化控制和管理,做到技术可靠,经济合理。
(6)为保证废水处理系统正常运转,供电系统应需要较高的可靠性, 废水处理设备设施运行设备应有适当的备用率。
(7)将资源回收利用和废水处理相结合,应尽量做到综合利用,争取较好经济效益,使环境效益.经济效益和社合效益能够有机的结合。
(8)充分考虑二次污染的防治,设备要求噪声低,处理站附近区域无明显异味,处理设施要有密封措施,尽量减少对周围环境的影响。
(9)系统操作简单,维护管理方便;(10)处理系统能自动运行,经常性运行费用低,投资省;系改正或者删除。
(11)污泥产量少,并能保证污泥有邙靠的出路。
(12)处]设施应具有较大的适应性. 应急性. 可满足水质.水量的变化,并考虑突发事故状态的各种应急措施。
1.4水质水量1.4.1设计水量根据矶石沟矿提供的矿井涌出水量,每天1000吨。
小时变化系数K=1.2, 1000 4- 24 x 1.2 = 49.99因此本污水站设计水量以Q=50m3/h计。
取其中的10m^/h逬行深度处理达到洗浴,井下液压支柱,割煤机用水要求;其它水量用于井下喷雾降尘处理。
1.4.2水质情况1.4.2原水水质由于矿井水水质的不稳定性,因此拟同类矿井水质均值为设计依据,原水主要指标如下:项目进水指标(固值)COD.r55mg/LBOD515mg/Lss120mg/LPH值7-91.4.3出水水质出水水质标准要求达到《生活杂用水水质标准》(GJ25.1-89),主要指标如下:项目出水指标(井下用水)出水指标(洗浴用水)COD・r W50mg/L W5mg/LBOD S W10mg/LSS W6.5mg/L( 5NTU) W1NTU二.处理工艺确定及说明2.1工艺流程图液压支柱用水.割煤机用水变频控制2.2,工艺分析矿井水是煤炭开采过程中地下水渗透到巷道,为安全生产而排出的废水。
因此,它具有地下水的特征,但由于受到人为的污染, 又具有地表水的一些特点。
矿井水的特性取决于成煤的地质环境和煤系地层矿物化学成分,其中井田水文地质条件及充水因素对矿井水的水质.水量有系改正或者删除。
决定性的影响。
矿井排放量受矿区水文地质条件的影响较大,各地相差悬殊。
据统计,每生产一吨原煤,井下排水量约0.5-10m3,一般涌水量约3 m3。
矿井废水的污染程度较其它工业废水轻,适于作为回用水水源。
轻度污染的矿井废水浑浊度和悬浮物浓度高,部分煤尘与岩尘以胶体分散状态存在于水中,使其呈灰黑色,同时还受到人类遗弃物的污染,细菌数量普遍超标。
轻度污染矿井水的处理流程取决于净化水的回用途径:当净化水用作矿区与选煤厂生产用水时,一般多采用混凝•沉淀工艺; 净化水用作喷洒坑道时,一般多采用混凝•沉淀•过滤•消毒的工艺; 当净化水作洗浴用水时,还需经深度软化•超滤等处理;当作为矿区或城市杂用水时,必须逬行消毒处理。
工艺选定煤矿矿井水在井下汇流过程中,不但受到煤屑和废坑木的污染,而且还受到井下防尘洒水等污染,使水呈黑色,悬浮物极高,属于典型的含悬浮物型工业废水。
因此宜采用混凝•沉淀•过滤•消毒的工艺处理矿井废水4.工艺流程说明煤矿矿井水水质与生活饮用水水质标准相比,主要是浊度.悬浮物.细菌和大肠菌群超标,一般能够经过混凝.沉淀和过滤等方法去除;经过投加消夷剂来杀死矿井水中的细菌和大肠矿井水由井下提升泵提升到格栅池,由于污水中含有一定量较大粒径的悬浮物,为防止其对调节池中的污水泵堵塞卡壳等,在格栅池中设两道格栅将其去除。
污水经格栅池后自流逬入调节池,调节池能够调节水量.均衡水质,使相对密度较大的悬浮物沉降下来,以减轻后续处理构筑物的负荷。
矿井水经提升泵逬入沉淀池,在泵前投加絮廉剂,絮廉剂与废水充分混和,在沉淀池内进行沉淀。
沉淀池内装有斜板填料, 废水中的絮凝体被斜板填料阻挡沉到水池底部,清水从斜板填料的上部流出逬入中间水池。
中间水池的水经过提升泵逬入全自动过滤器过滤后,水中的悬浮物被去除,经消毒后的清水逬入清水池, 清水池出水经过精密过滤器后逬入储水池1,储水池1出水经过对管道泵变频控制后输送到井下喷雾降尘;清水池一部分出水经过提升泵,逬入软水器,软化器出水逬入超滤设备,超滤设备出水逬入储水池2,储水池2出水分为两路,一路经过对管道泵变频控制后输送到澡堂用于职工洗澡;另一路经过对管道泵变频控制后输送到井下用于液压支柱与割煤机冷却用水。
为了防止微生物滋生, 在清水池.储水池K储水池2中投加消毒剂。
调节池与沉淀池中沉淀的污泥定期用泵排入污泥池中浓缩,因污泥量较少一般1・3 个月清理一次污泥池,污泥主要成份是煤泥,可回收利用。
设备所有的电控系统最后都采用PLC控制,PLC柜将所有信息,传输到控制台上的电脑中,具体到电机的运行参数.水池的水位都能够直观的反应在中控室的电脑上,操作人员经过电脑不但能够观察到水泵的运行情况,还能够经过电脑来控制水泵的启停。
系统所有关键部位都设有监控,并将所有图像传到中控室,而且显示系改正或者删除。
在控制台的监控电脑上。
中控室两台电脑上的信息经过有线传输到本矿调度中心,便于监控。
三.主要构筑物及设备选型1.主要构筑物(1)格栅池钢磴结构设计尺寸^L x B x H = 2m x 1.0m x 2m有效水深: 1.5m数量:1座(2)调节池钢磋结构有效水深: 4.8m有效容积:T =400m3数量:1座(3)沉淀池钢栓结构设计流量:Q =250m3/h有效容积:T=300m3有效水深: 4.8m停留时间:T =3-6 h数量:1座(4)中间水池钢碇结构有效容积:T =30 m3有效水深: 4.8m停留时间:T =0.5 h数量:1座(5)清水池钢碇结构有效容积:100m3有效水深: 4.8m停留时间:T=2h数量:(6)储水池1:1座钢性结构有效容积:100m3有效水深: 4.8m数量:(7)储水池2:1座钢莊结构有效容积:50m3有效水深: 4.8m数量:1座(8)污泥池钢確结构有效容积:50m3有效深度: 1.8m数量:2.主要设备选型1座(1)调节池提升泵型号:80WQ-50-40-11技术参数:Q=50m3/h, H=40m, N=llKw/380V/50Hz数量:资料内容仅供您学习参考,如有不、"|之处,请联系改正或者删除。
管道混合器 规格型号: 数量:(2) 中间水池提升泵 型号: 技术参数:N=15Kw/380V/50Hz数量:1台(3) 清水池提升泵投加消毒剂 型号: 50WQ12-40-3技术参数: Q=12m 3/h, H=40m, N=3Kw/380V/50Hz 数量: 1台储水池2供水管道泵 型号: 40-200( I) A技术参数:Q=11.7m 3/h, H=44m, N=4Kw/380V/50Hz 数量:2台储水池1供水管道泵 型号: 65-200( I) A 技术参数: Q=47m 3/h, H=44m, N=llKw/380V/50Hz 数量:2台DN40 2台125WQ130-20-15Q=130m 3/h, H=20m,管道混合器规格型号^ DN50(4)絮凝剂投加装置全自动投药器型号:数量:配药搅拌桶搅拌器:(5)多介质过滤器型号:技术参数:材质:工作压力:数量:(6)活性炭过滤器型号:技术参数:材质:工作压力:(7)投次氯酸纳装置全自动投药器型号:数量:2台GKYA2002套1500L2台GKGS50① 1500 X 2400 X 3优质玻璃钢2.0 Kg/cm21套GKGS50① 1500 X 2400 X 2优质玻璃钢2.0 Kg/cm21套GKYA100储药桶500L数量:1套(8)精密过滤器型号:GKJL40数量:1套供水泵:型号:65WQ40-30-5.5技术参数:Q=40m3/h, H=30m, N=5.5Kw/380V/50Hz数量:1台(9)超滤设备型号:GKCL10数量:1套(10)全自动软化器型号:GKRD10数■:1套提升泵:型号:50WQ12-40-3技术参数:Q=12m3/h, H=40m, N=3Kw/380V/50Hz (11)电控及自控系统型号:GKD08数量:1套超声波流量计资料内容仅供您学习参考,如有不半之处•请联系改正或者删除。
四.工程概算(—).设备及安装费用(万元)型号: 数量: 压力传感器 型号 数量:TDS100 6套P3000 6台(二)、土建费用(万元)(三)、工程造价(万元)六.工程业绩七.企业证照h营业执照2.组织机构代码证3.税务登记证(国税)4、税务登记证(地税)5、IS09001质量体系认证。