物语垂直运输设备专项工程施工组织设计方案
- 格式:doc
- 大小:106.50 KB
- 文档页数:19
华成天佑.幸福物语住宅楼垂直运输施工方案中铁二局集团建筑有限公司二00六年三月九日垂直运输专项施工方案审批表目录一、工程概况 (3)二、垂直运输的设备选择 (3)三、塔机的安装 (3)四、人员配备 (3)五、安全作业措施 (4)六、作人员的安全职责 (6)七、施工机械设备的合理使用 (7)八、井字架施工措施 (8)一、工程概况:该工程总建筑面积17022㎡,无地下室。
地上十五层加一层,其中一层为停车场和门市及屋管用房,二层至十五层为住宅,建筑总高度52.8,其中一层层高3.9m,二至五层层高4.3 m ,六层至十四层2.9m,十五层至十六层2.8 m,占地面积为1214㎡,长64.8m,宽27.8 m。
二、垂直运输的设备选择根据本工程的特点。
在基础、主体结构施工阶段,垂直运输机械拟选用自升式起重机壹台(PHI 4510型)进入装修阶段安装两台井架式起重机,壹台施工电梯。
三、塔机的安装塔机的安装必须严格按照《塔机安装方案》作业,作业人员必须由分管安全的专业区域内禁止人逗留,现场施工场地围墙边有一条高压电线路,安装时派专人看守,远离电线等障碍物。
认真检查吊具、索具、捆扎好,找平横再起吊,作业前严禁饮酒,检查紧固液压系统或检查不合格不准进入下一安装工序,严禁从高空向地面抛工具,零件,确保安全装置灵敏可靠,设置避雷设施。
四、人员配备:本工程塔机配备6人,井字架配备4人,施工电梯配备2人,专职机操工,操作人员严格按要求持证上岗,起吊时有专人指挥。
指挥人员应做到有明显的标志,且不得兼任其他工作,严格执行“十不吊”的原则。
五、安全作业措施:i.认真执行“十不吊”的原则:○1被吊物重超过机械性能允许范围不准吊;○2信号不清不准吊;○3吊物下方有人站立不准吊;○4吊物上站人不准吊;○5埋在地下物不准吊;○6斜拉斜牵物不准吊;○7散物捆扎不牢不准吊;○8零散物(特别是小钢模板)不装容器不准吊;○9吊物重不明,吊索具不符合规定,立式构件,大模板不用卡环不准吊;○10六级以上强风、大雾天影响视力和大雨时不准吊;ii.操作人员经过体检合格,无防碍作业的疾病和生理缺陷,并经过专业培训,考核合格取得建设行政主管部门颁发的操作证后持证上岗。
垂直运输专项施工方案一、背景介绍垂直运输是指在建筑物或地下设施的垂直方向上进行物资、人员等运输的一种方式。
在建筑工地、矿井、地铁工程等场所,垂直运输的安全和高效至关重要。
因此,为确保垂直运输作业的顺利进行,需要制定垂直运输专项施工方案。
二、目标和原则1.目标:确保垂直运输的安全性、高效性和可靠性,提高工作效率。
2.原则:科学规划、合理布局,安全防护措施全面到位,人员配备合理,设备设施良好。
三、施工方案1.方案设计(1)施工现场布置:根据实际情况,合理规划、布置运输通道、设备和设施。
(2)设备选择:根据工程需要,选择适宜的垂直运输设备,如升降机、施工电梯等,并确保设备符合相关安全标准。
(3)货物分类:按照物资性质和规格,对货物进行分类,确保运输过程中的安全和高效。
2.安全管理(1)安全预评价:在施工前进行安全预评价,发现安全隐患,采取相应预防措施。
(2)人员管理:确保所有参与垂直运输作业人员都具备相关的资质和证书,且定期进行安全培训。
(3)运输通道和设备维护:定期对运输通道进行检查和维护,确保通道畅通;对设备进行日常维护和定期检修。
3.运输操作(1)运输作业计划:根据施工进度和运输需求,制定详细的运输作业计划,并确保与其他作业无冲突。
(2)货物装载:采用专门的装卸设备,确保货物装载稳固可靠,并采取固定措施,避免货物在运输过程中倾斜或脱落。
(3)运输过程中的安全控制:在运输过程中,要确保货物、人员和设备的稳定和安全,避免发生事故。
4.突发事件应对(1)应急预案:制定突发事件应急预案,包括突发事故处理流程、人员疏散和医疗救护等措施。
(2)预案演练:定期组织突发事件演练,提高应急处理能力。
5.质量控制(1)施工质量检查:定期进行施工质量检查,发现问题及时整改。
(2)施工记录和档案:认真记录施工过程中的相关数据,并妥善保存,为后续质量验收提供依据。
四、项目管理1.项目组织:成立垂直运输专项施工组织机构,明确职责和权限,确保施工顺利进行。
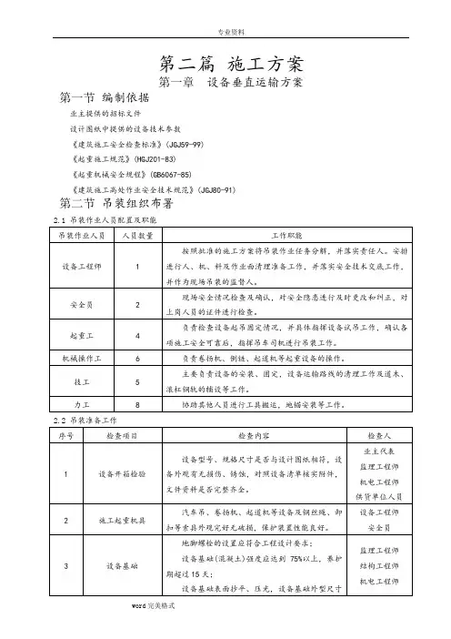
第二篇施工方案第一章设备垂直运输方案第一节编制依据业主提供的招标文件设计图纸中提供的设备技术参数《建筑施工安全检查标准》(JGJ59-99)《起重施工规范》(HGJ201-83)《起重机械安全规程》(GB6067-85)《建筑施工高处作业安全技术规范》(JGJ80-91)第二节吊装组织布署2.1 吊装作业人员配置及职能2.2 吊装准备工作3.1 设备安装流程3.2 吊装方式根据主要吊装设备清单,大型设备均位于地下室,设备主要利用吊装口进行垂直运输。
地上设备吊装主要使用汽车吊及外挂电梯完成。
楼层内水平运输以使用手动液压叉车为主。
地上其它小型设备主要考虑使用施工电梯及自制运输工具进行材料运输。
3.3 吊装前编制详细的吊装方案,上报监理审核后合格方可施工。
第四节地下室其它设备垂直运输4.1 风机等小型设备吊装考虑设备进场后直接用吊车将设备自吊装口垂直运输至地下室地面,再用滚杠及牵引设备将设备水4.2 配电柜吊装运输盘柜的卸车吊装拟采用一台16吨吊车进行,水平运输一层的采用自行式样龙门架运输。
水平运输重点是防止盘柜运输过程中由于设备长细比过大,运输时受力不均,产生倒伏现象。
第五节地上设备运输及吊装5.1 卸料平台制作平台钢框以两道相互平行、间距为3000mm的25b工字钢(Q235)为主要受力构件,并以平行的8根25b槽钢(Q235)将其连成一体,槽钢和工字钢采用单面坡口满焊。
工字钢底部加焊高200mm的槽钢,防止钢框受力时向楼层内侧滑移,槽钢与工字钢也采用单面坡口满焊。
采用30mm厚的钢板制作成两个夹片,通过2个Φ28的螺栓连接成一体,在钢板下部留设Φ30mm 的圆孔与钢丝绳卡环相连。
平台底板采用δ=5mm的钢板铺设,同时外立杆采用Φ50钢管焊接。
5.2 土建塔吊吊装(如进场后,土建塔吊仍然存在的情况)(1)吊装说明在土建施工阶段,土建塔吊主要考虑吊装楼上新风机组及各类风机。
利用结构工程施工的塔吊将机组吊装到卸料平台上;平台上铺设滚杠,使用5吨倒链牵引将机组滑动运至建筑内就位;(2)注意事项需要考虑好卸料平台位置及设备水平运输路线,不可超过楼板活荷载要求,当卸料平台在该层吊装完成后,利用结构塔吊吊装到其他设备层安装使用。
武汉生态城碧桂园(山湖间)一期14#、17#、21#楼(施工电梯、物料提升机)垂直运输专项方案编制人:审核人:审批人:二〇一一年十二月十八日垂直运输专项方案一、工程概况武汉生态城碧桂园(山湖间)一期限14#、17#、21#楼,位于武汉市东湖经济开发区花山镇,我单位施工本标段的3栋,设计楼层为地上11~18层,建筑高度为36~56米,建筑总面积为36600平方米。
本工程垂直运输使用人货施工电梯及物料提升机用于垂直运输。
二、垂直运输设备必须安装防护装置1、安全停靠装置(也称制装置、停层装置)。
当施工电梯到位时,必须有一种安全装置,使施工电梯稳定依靠,以保障人员进入施工电梯内作业时的安全。
依靠装置形式不一,有自动型和手动型两种,即施工电梯到位后由弹簧自动控制或用手扳动,使支框伸出到架体的支手托架上,其荷载全部由依靠装置承担,此时钢丝丝不受力。
只起保险作用。
2、断绳保护装置。
卷扬机在运行时钢丝绳突然折断,断绳保护装置即弹出,将施工电梯两端卡在架体上,防止施工电梯坠落,确保安全。
3、施工电梯安全门。
安全门是施工电梯上下运行时防止物料坠落的安全装置。
有自动和手动的两种,最好将其制成自动开启型,即当吊蓝(笼)落地时,安全门自动开启;吊蓝(笼)上升时,安全门自动关闭。
4、地面进料口防护棚。
升降机地面进料口是运料人员经常出入和停留的地方,易发生落物伤人。
为此,要在距地面3 m左右高度搭设防护棚,棚顶应铺50 c m厚的木板,长不能小于坠落半径的规定。
5、超高限位装置。
龙门架、井字架的天轮与最高一层通道貌岸然平台垂直距离应不小于6m。
为防止因司机误操作或机械电气故障而引起的卷扬失控施工电梯上升与天梁碰撞的事故,必须设置超高限位装置。
使吊蓝上升到最高位置时,与天轮问的垂直距离不小于2m。
6、下极限限位装置。
下极限限位装置主要用于升降机,为防止施工电梯下行时不停机,施工电梯砸坏缓冲装置造成事故。
安装时将下限位安装在施工电梯碰撞缓冲器之前自动切断电源的位置,保障安全运行。
垂直运输方案专项施工方案一、垂直运输机械选择本工程在施工过程中,有大量的建筑材料、成品、半成品以及施工合同上下要通过垂直运输机械的运送到各个工作部位,正确选择和有效使用运输机械非常必要,工期要求比较紧,要在较短的时间内完成大量材料的竖向运输工作,选好配足垂直运输机械十分必要。
由于本工程的施工面积较大,在具体的施工过程中,考虑经济,实用等因素,现场决定在设塔吊三台,满足垂直运输的需要,水平运输靠人力运输,同时配置三台施工电梯和二台型钢井架,以保证全面实现我们对业主所作的承诺。
垂直运输机械选用表二、塔吊搭拆方案2.1塔吊搭设砼基础:砼基础作用在桩基上,桩上部留出1.0米钢筋锚入砼中。
基础砼下设10cmC15砼垫层,钢筋砼基础深1.6米,平面尺寸为5.0×5.0平方米。
基础砼C30,待砼强度达到70%时可进行上部安装工程。
塔吊安装:塔吊最大装件5T,臂长为50米,在基坑外安装,安装工序如下:⑴用25吨轮胎吊进行作业。
⑵塔吊用人工装臂杆,并用道木作支垫。
⑶配件及全部塔吊件,逐件吊装。
⑷组装完毕,后臂上加配重,作好四角风缆绳试吊及试运转后,一切无误后进行试吊,塔吊安装即告结束。
⑸塔吊锚固装置的安装必须严格遵守有关安全操作规程的规定,特别要切实做到以下几点:①锚固环必须装设在塔身标准节对接处或设置在水平腹杆的断面处,塔身节主弦杆应视需要加以补强。
锚固环必须牢固,紧密地箍紧塔身结构,不得松脱。
②安装和固定附着杆时,必须用经纬仪对塔身结构的垂直度进行检查,如发现塔身偏斜时,应通过调节附着杆的长度进行调直。
附着杆必须安装牢固,其倾角不得大于1度。
③在塔式起重机使用过程中,应经常对锚固装置各个部位及连接进行仔细检查,如发现有松动或短缺必须加以紧固并补齐。
④锚固装置的间距必须符合塔吊使用说明的规定,锚固完毕后经过详细检查确认安全后,方可投入施工。
⑤在建筑上的锚固支座,可套装在柱子上或埋设在现浇砼墙板里,锚固点应紧靠楼板,其距离以不大于20cm为宜。
垂直运输专项施工方案一、施工背景和目标在建筑工程中,垂直运输是指通过电梯、升降机等设施进行物资和人员的垂直运送。
针对特定场景和需求,垂直运输专项施工方案将根据具体工程要求制定,并确保施工过程中的安全和效率。
二、施工基本原则1. 安全第一:施工过程中,保证人员和物资的安全,依法遵守相关安全规定,优化运输通道和设施。
2. 环境保护:施工过程中,注意减少噪音、空气污染和灰尘的产生,合理规划运输路线,确保周围环境的良好状态。
3. 效率优先:通过合理的方案设计和操作流程,提高垂直运输的速度和效率,减少工期,增加产值。
三、施工内容和步骤1. 需求分析和方案设计根据建筑工程的特点和需求,充分了解垂直运输的要求和目标,进行需求分析。
结合工程实际情况,制定垂直运输方案,包括设备选择、运输通道规划、人员安全等各个方面。
2. 设备采购和安装根据方案设计,与供应商联系采购垂直运输设备,并按照相关规定进行设备安装和调试。
3. 运输通道规划和施工结合工程平面布置和运输设备要求,制定运输通道规划方案,并进行施工。
确保通道的平整、宽度满足要求,减少施工过程中的垂直运输障碍。
4. 人员培训和安全管理开展相关人员的培训工作,熟悉设备操作和安全操作规程,确保工作人员具备相关技能和知识。
建立健全的安全管理制度,监督和管理工作人员的操作行为。
5. 运输过程和数据记录在运输过程中,保持设备的正常运行和稳定性,记录运输数据包括时间、物资数量等相关信息,为施工过程的监控和评估提供依据。
6. 维护和保养定期进行设备的维护和保养工作,确保设备的正常运转和寿命。
及时处理设备故障和问题,避免影响施工进度和工作效率。
四、安全风险控制措施1. 设备安全保障:定期检查和维护设备的安全性能,确保设备的正常使用。
设备使用前进行检测和试运行,保证运行的可靠性和安全性。
2. 作业人员安全培训:对垂直运输设备的操作人员进行培训,包括设备操作规程、应急处理和安全操作等内容。
垂直运输设备施工方案一、塔吊垂直运输简述:本工程垂直运输采用2台QTZ80A(5613)附着式塔吊,覆盖建筑施工范围。
当塔楼楼板施工达到7层时再立1部施工电梯。
混凝土输送设备采用固定式混凝土输送泵和汽车泵相结合。
(一)施工方案1、施工安排。
结构施工材料的水平及垂直运输主要依据塔式起重机进行运输,本工程根据现场情况,现场设置2台塔式起重机,塔式起重机在土方施前进行立塔并达到使用条件。
塔式起重机在塔楼的外架拆除完成后进行拆塔,拆塔时先拆高度低的,后拆高度高的。
塔吊拆除先自身下降拆除标准节,随之将附加锚固件拆除,当降低至裙楼屋面高度时用汽车吊拆除。
塔吊的安装、运转、维修、拆除和进出场等事项由塔吊分包单位负责,立塔前要现场了解情况,立塔位置要严格选择,立塔位置要满足好安装、好拆卸、好锚固的原则,对放在基础的塔基要仔细测算,防止对上部结构施工产生影响,塔吊回转半径范围以下临时建筑及道路均要搭设防护棚。
2、塔吊型号及高度的选择。
为满足吊装要求,需要选择塔臂长的塔式起重机,综上考虑塔吊选用QTZ80A。
(二)主要施工方法及要求1、塔吊基础施工准备,塔吊安装前与安装公司取得联系,以书面的方式通知安装队伍进场,要求安装公司做好机械材料和安装人员的准备。
2、塔吊基础施工。
(1)、建筑物定位测量完成后,立即按照塔吊方案定出塔吊基础位置。
土方开挖时首先开挖塔吊基础基坑,经有关技术人员验槽后,施工钢筋混凝土塔吊基础。
(2)、由人工将塔基基坑内的土方清出,进行垫层浇筑,垫层厚度为100,混凝土标号为C20,待垫层强度达到能上人后,有测量工放出塔吊中心线及塔基四周边线。
(3)、钢筋绑扎放线完毕后即可上人进行塔吊基础钢筋绑扎,下铁钢筋垫块采用强度较高的大理石碎块,厚度为50mm。
绑扎钢筋时必须严格按照相应的施工规范进行作业,同时做好塔吊固定支腿的的预埋,支腿埋设时需搭设钢管架,并用U托托着定位节,U托下方钢管下垫50cm长、30cm宽脚手板,保证在浇混凝土过程中随时能够抄平支腿标高。
垂直运输工程专项施工方案一、项目概述本工程旨在运用现代化技术,实施钢结构建筑的垂直运输系统,包括垂直电梯和扶梯等设备。
实现从地面至建筑高层的高效、便利的运输方式,提升建筑物的使用价值和经济效益。
二、施工前准备1. 设计方案在进行垂直运输系统工程施工前,需要制定详细的设计方案,针对不同的建筑物场地和使用需求制定施工方案。
2. 人员培训由于垂直运输系统是一项高难度的技术工程,需要对参与工程施工的工作人员进行充分培训,以确保施工质量和安全。
3. 材料准备进行垂直运输系统工程需要大量的材料,包括标准钢制构件、高强度电缆和电器元件等。
需要提前及时准备,满足施工需要。
三、施工内容1. 基础设施工程在进行垂直运输系统工程前,需要配备相应的基础设施,包括电力、环境排放和消防系统等。
在基础设施工程施工过程中,需要注意人员与设备安全,防止设备运行过程中出现问题。
2. 设备安装在基础设施工程完成后,需要进行设备的安装。
包括电梯吊装、安装电线、设备固定及连接等。
需要进行多次检查,确保设备牢固、运行平稳。
3. 系统调试设备安装完成后,需要进行垂直运输系统的整体调试,以确保各项指标均符合安全标准和设计要求。
在调试过程中,需要严格按照操作规程进行,特别是在联动控制系统的测试中,需要注意安全。
四、施工安全1. 安全培训在施工前,需要对施工人员进行安全培训,了解垂直运输系统的特殊性和危险性,以及对操作规程的熟悉,保证施工过程中不出现人身伤害或设备损坏。
2. 安全设施在施工过程中,需要提供应急设施,如灭火器、抢救设备和消防器械等。
同时设备要有安全防护措施,为施工人员提供一个安全工作环境。
3. 安全检查在施工过程中,需要定期进行安全检查,及时发现并处理安全隐患。
同时,施工现场需要有专门监督人员负责监督施工现场的安全情况。
五、施工质量管理1. 设计质量在施工前,需要对设计方案进行充分论证,确保设计满足施工需求,并符合国家建设标准和建筑行业规章和标准。
施工现场垂直运输施工设计方案一、背景介绍在施工现场垂直运输施工设计方案中,垂直运输是指将物资、设备或人员从一个高度运输到另一个高度的过程。
在建筑施工、装修工程等行业中,垂直运输是非常重要的环节,因此需要合理的设计方案来提高工作效率和安全性。
二、运输设备的选择1. 施工电梯施工电梯是施工现场垂直运输常用的设备之一。
它能够快速、稳定地将重物或人员运输到需要的高度,提高了工作效率。
在选择施工电梯时,应根据施工现场的实际情况来确定所需的额定载荷、额定速度等参数,并确保电梯设备符合相关的安全标准。
2. 施工升降机施工升降机也是一种常用的垂直运输设备。
它可根据实际需要进行升降,并能够承载大量物资或人员。
在选择施工升降机时,要考虑到升降高度、平台尺寸等因素,并确保设备的稳定性和安全性。
3. 施工脚手架除了电梯和升降机,施工脚手架也是一种重要的垂直运输设备。
脚手架可用于运输轻型物资和人员,并能够适应不同高度的工作需求。
在选择脚手架时,要保证其结构稳固、安全可靠,并遵循相关的搭建规范和操作规程。
三、施工现场的安全措施1. 安全规范在施工现场垂直运输中,必须严格遵守相关的安全规范。
所有使用垂直运输设备的人员都应接受专业培训,并具备相关的上岗证书。
此外,应定期检查和维护运输设备,确保其正常运行和安全性能。
2. 防护设施为了保护施工现场的人员和设备安全,应设置防护设施。
例如,在施工电梯周围安装可靠的护栏,并设置警示标识,提醒人员注意安全。
同时,工地上也要设置火灾报警器和灭火设备,以应对突发情况。
3. 人员管理垂直运输施工现场需要对人员进行严格的管理。
应明确责任人和管理制度,确保每位工作人员理解并遵守相关的工作安全规定。
在施工现场应设置专门的管理人员,负责协调和监督垂直运输工作,确保施工进度的顺利进行。
四、施工现场垂直运输的流程管理1. 定期巡视在施工现场垂直运输过程中,应定期进行巡视。
巡视的目的是检查运输设备的运行状态,发现问题及时处理。
垂直运输专项施工方案(完整常用版)1. 引言本文档旨在提供垂直运输专项施工方案的完整常用版。
该方案适用于垂直运输项目的施工过程,包括工程准备、安全措施、施工步骤等方面的要求。
2. 工程准备2.1 确定施工计划在开始施工之前,应明确垂直运输项目的工程计划。
该计划应包括施工时间表、人力资源、材料准备等方面的安排。
2.2 确保材料和设备的可用性在施工过程中,必须确保所需的材料和设备可及时到位。
对于特殊设备的使用,应进行必要的检查和维护,以确保其正常工作。
3. 安全措施3.1 安全培训施工团队在进行垂直运输项目之前,应接受相关的安全培训。
培训内容应包括施工操作规范、危险警示、紧急救援等方面的知识。
3.2 安全装备在施工现场,必须配备相应的安全装备,包括头盔、防护服、安全带等。
在垂直运输作业过程中,必须严格遵守安全操作规程,确保人员和设备的安全。
4. 施工步骤4.1 准备工作在开始垂直运输施工之前,必须进行准备工作。
包括拆除现有结构物、清理施工区域、检查设备等。
4.2 安装垂直运输设备根据施工计划,安装垂直运输设备。
在安装过程中,严格按照设备制造商提供的操作手册进行操作,确保安装准确无误。
4.3 调试和试运行完成垂直运输设备的安装后,进行调试和试运行。
在试运行过程中,必须进行相关参数的检查和调整,确保设备运行正常。
4.4 完善施工在试运行通过后,对垂直运输设备进行完善。
包括固定设备、调整操作控制系统等。
5. 结束工作5.1 安全检查在施工结束之前,对垂直运输设备进行安全检查。
确保设备运行正常、无损坏和安全隐患。
5.2 文明施工施工团队在施工过程中,必须遵守相关的施工规范和要求。
保持施工现场的整洁、文明,减少对周围环境的影响。
6. 总结本文档提供了垂直运输专项施工方案的完整常用版。
通过严格按照该方案的要求进行施工,可以确保垂直运输项目的顺利进行,并实现安全高效的施工目标。
建筑物垂直运输施工方案一、工程概况本工程为一栋高层建筑物,位于市中心区域,总高度为200米,共50层。
建筑物的主要功能为商业和办公,结构形式为钢筋混凝土框架-核心筒结构。
由于建筑物高度较高,垂直运输在施工中占据重要地位,需制定一套科学、合理、高效的垂直运输施工方案,确保施工进度和施工质量。
二、垂直运输设备根据工程需求,我们将采用塔式起重机作为主要垂直运输设备。
塔式起重机具有起重力矩大、起升高度高、覆盖面广等特点,能够满足本工程对垂直运输的需求。
此外,还将配备混凝土泵车、施工电梯等辅助设备,以提高施工效率。
三、运输方案设计塔式起重机布置:根据建筑物的结构和施工需求,我们将在建筑物四周布置多台塔式起重机,确保每个施工区域都能得到有效覆盖。
材料运输路线:根据施工进度和施工现场的实际情况,我们将合理规划材料运输路线,确保材料能够及时、准确地运送到指定位置。
运输计划安排:我们将根据施工进度计划和材料需求计划,制定详细的运输计划,确保施工所需材料能够及时到达现场。
四、安全措施与规程定期对塔式起重机进行检查和维护,确保其安全可靠运行。
严格遵守操作规程,禁止违规操作,确保运输过程的安全。
在施工现场设置安全警示标志,提醒施工人员注意安全。
对运输过程中可能出现的风险进行预测和评估,制定相应的应急预案。
五、设备调试与维护在设备投入使用前,进行全面的调试和测试,确保设备性能良好。
制定设备维护计划,定期对设备进行维护和保养,延长设备使用寿命。
建立设备维修档案,记录设备维修情况,为设备管理和维护提供依据。
六、施工实施与监控在施工过程中,严格按照运输方案进行实施,确保施工进度和质量。
对运输过程进行实时监控,发现问题及时处理,确保运输过程的顺利进行。
加强与项目管理和监理单位的沟通协作,确保施工过程中的信息畅通。
七、验收与测试在设备投入使用前,进行严格的验收和测试,确保设备符合设计要求和安全标准。
对运输过程进行定期检查和评估,确保运输方案的实施效果达到预期目标。
垂直运输措施及施工方案本工程垂直运输为一个重难点在重难点章节已经有初步的分析了,由于本标段从L83层起开始施工,施工过程中的人、机、材三大工程要素都需通过垂直运输至施工现场,施工现场垂直运输实施的好坏,直接影响到工程进展的好坏。
下面就悉数分析一下:1、劳动力垂直运输方案预计我司本工程高峰期劳动力人数达到300余人,如何安排300余人在最短时间内上楼又成为一个难题。
进场以后按垂直运输设备运载量,与各单位协调,编排出一个合理的上下班用梯时间段,各单位错开上下班时间,各自定好上下班用梯时间。
由于我司计划采用租公交车接送劳动力上下班的方法,拟定每辆公交车载人数为100人,计划安排每辆公交车载人至施工现场的间隔为15分钟,缓解总等梯人数。
100人自行分成若干组,每梯由固定组员进入,避免哄抢情况发生。
同时安全员全程在等梯口进行监查工作,避免各类意外事件发生,有序有效的进行。
2、机械设备垂直运输方案考虑本工程特性,我司计划精装修工程中使用的机械设备均为中小型机械设备方便通过垂直升降机能直接搬运至施工楼面内,在预备足量的设备情况之外额外预备10%~20%的预备设备,防止因设备损坏无法及时更换产生的尴尬情况出现。
通过和总包方沟通在指定的时间段统一运至楼层指定的临时库房中。
如出现必要大型机械设备,搬运困难的,拟定在工地周边租用临时场地进行使用。
施工过程中产生的机械耗材或小型机械,通过每日劳动力上班时,由工人手提直接顺带至施工楼层中。
3、材料的垂直运输方案材料的垂直运输是工程的重点,体量大,搬运困难,且供应不能中断,尤其是施工中后期饰面材料开始进场以后,搬运过程更需谨慎。
主要从以下节点中准备计划安排→主要负责人→运输照明→运输道路→运输设备→劳动力安排在工程进场前我司就会与总包及各分包单位一起协调,编排一个总夜间垂直运输设备使用计划表,拟定好大致的时间断进行材料搬运。
每周再按各分包单位的实际需求量来合理调配时间段。
在夜间材料搬运的过程中,项目部将指派生产副经理值班统筹安排材料搬运,对劳动力、材料、搬运方式、中小型搬运设备、后勤保障、安全等做一个全面的布置。
XXXXXXXXXXXXXXXXXXXXXX专项施工方案编制单位:XXXXXXXXXXXXXXXXXXXXXX编制人:审核人:批准人:编制日期:年月日目录第一章塔吊施工方案 (2)一、编制依据 (2)二、工程概况 (2)三、塔机安装平面布置图 (2)四、塔机安装、拆除方案 (2)五、塔机操作安全规程 (7)第二章施工电梯施工方案 (9)一、编制依据 (9)二、工程概况 (9)三、升降机平面布置图: (10)四、升降机安装、拆除方案: (10)五、升降机操作安全规程 (13)第一章塔吊施工方案一、编制依据1、峨眉高磷医院综合大楼设计图纸2、施工现场条件3、JGJ59建筑施工安全检查标准4、GB/19001; GB/T24001; GB/T28001环境管理标准。
二、工程概况峨眉高磷医院综合大楼项目,为框剪结构,地上12层医院综合楼带一层地下室,工程位于峨眉山市高桥镇,建筑物高度:附楼17.45米,主楼49.25米,室内外高差0.45米,层高负一层为3.9米,一层为5.4米,二三层为3.9米,四至十层为3.8米,十一层为3.6米,手术室部份为5.1米,十二层为3.9米,机房层高为3.3米。
基底平面状态:北侧为弧形,南侧为近似长方形,总用地面积约10000㎡,建筑占地面积2621.4㎡,总建筑面积23567㎡。
为了满足施工进度及物资调配需求计划在主体施工时设置QTZ-5010塔吊机一台,保证物资的垂直和水平运输。
三、塔机安装平面布置图塔机安装在附楼的中部,紧临主楼,距主楼距离3.5米,能保证覆盖面各供应面,使全部作业面均处于垂直运输设施的覆盖面和供应面范围之内。
塔机的布置原则还应考虑供应能力,提升高度,水平运输手段,装设条件,设备效能的发挥等指标。
四、塔机安装、拆除方案(一)安装前的准备工作:1、由专业具备安装资质单位队员充分熟悉本机的出厂说明书。
2、选择安装位置:根据施工要求及现场条件,确定安装位置3、塔机基础土层地耐力不得小于20吨每平方米,基础设计为C20扩大基础,比地下室基础低-1.5m,基础顶标高同地下室底板标高;混凝土浇筑后混凝土的强度达到100%后方可安装。
一、项目背景为确保施工现场材料、设备和人员的垂直运输安全、高效,根据施工现场实际情况,特制定本垂直运输专项施工方案。
二、施工内容1. 塔吊运输(1)塔吊的选择:根据建筑物平面尺寸、吊物重量和塔吊吊运量,选择合适的塔吊型号。
本工程选用C5015型塔吊,其旋转半径范围基本覆盖整个作业面、材料堆放区及库房,有效起重量可满足施工现场内各种材料的垂直运输和水平运输需求。
(2)塔吊基础施工:塔吊基础采用桩基础,桩径800mm,根数为4根,布置在承台下方四角。
桩顶端嵌入承台100mm,采用人工挖孔施工方式。
在塔吊基础承台上增加配重,满足正常运行。
(3)塔吊安装与调试:严格按照塔吊安装操作规程进行,确保塔吊安装牢固、运行平稳。
2. 卷扬机运输(1)卷扬机选择:根据施工现场实际情况,选择合适的卷扬机型号。
本工程选用施工卷扬机,主要用于装饰灰浆、人员及其他零星材料的运输。
(2)卷扬机安装与调试:严格按照卷扬机安装操作规程进行,确保卷扬机安装牢固、运行平稳。
3. 脚手架运输(1)脚手架选择:根据施工现场实际情况,选择合适的脚手架型号。
本工程选用搭设式脚手架,用于施工人员及材料在垂直方向上的运输。
(2)脚手架搭设与拆除:严格按照脚手架搭设操作规程进行,确保脚手架搭设牢固、安全可靠。
三、施工措施1. 施工人员培训:对参与垂直运输施工人员进行专业培训,确保其掌握相关操作技能和安全知识。
2. 施工现场管理:施工现场设置专人负责垂直运输管理,确保运输过程安全、有序。
3. 施工设备检查:定期对塔吊、卷扬机、脚手架等设备进行检查,确保设备运行正常。
4. 施工安全防护:在施工现场设置安全防护设施,如安全网、防护栏杆等,防止物体坠落伤人。
5. 应急预案:制定垂直运输事故应急预案,确保在发生意外情况时能够迅速采取措施,减少损失。
四、施工进度安排1. 塔吊运输:在基础施工完成后,立即进行塔吊安装与调试,确保塔吊正常运行。
2. 卷扬机运输:在主体结构施工过程中,根据施工需求进行卷扬机安装与调试。
目录目录-------------------------------------------------------------------------------------- 0第一节、编制依据-------------------------------------------------------------------- 1第二节、工程概况-------------------------------------------------------------------- 2第三节、技术资料-------------------------------------------------------------------- 3第四节、外观 -------------------------------------------------------------------------- 4第五节、金属结构-------------------------------------------------------------------- 5第六节、龙门架搭设----------------------------------------------------------------- 6第七节、基础、附墙架、缆风绳等 --------------------------------------------- 8第八节、提升机构-------------------------------------------------------------------- 9第九节、安全防护------------------------------------------------------------------ 10第十节、电气 ------------------------------------------------------------------------ 12第十一节、安装验收--------------------------------------------------------------- 13第十二节、运行试验--------------------------------------------------------------- 15第十三节、正确使用和维护----------------------------------------------------- 16第十四节、架体拆除--------------------------------------------------------------- 17第十五节、计算书------------------------------------------------------------------ 18第一节、编制依据《龙门架及井架物料提升机安全技术规范》(JGJ 88-2010)《建筑结构荷载规范》(GB50009-2012)《建筑施工计算手册》《钢结构设计规范》(GB50017-2003)《高处作业吊篮》(JG/T 5032-93)《高处作业吊篮安全规则》(JG 5027-92)《重要用途钢丝绳》GB/T 8918-2006《施工现场临时用电安全技术规范》JGJ46-2005《起重机用钢丝绳检验和报废实用规范》GB/T5972本工程施工图纸及施工组织设计编制本施工方案。
垂直运输专项安全施工方案一、编制依据1.1 相关法律法规根据《中华人民共和国安全生产法》、《中华人民共和国建筑法》、《建设工程安全生产管理条例》等法律法规,结合本工程实际情况,特制定本专项安全施工方案。
1.2 相关规范标准根据《建筑施工高处作业安全技术规范》(JGJ80)、《建筑施工安全检查标准》(JGJ59)、《建筑施工扣件式钢管脚手架安全技术规范》(JGJ130)等规范标准,结合本工程实际情况,特制定本专项安全施工方案。
二、工程概况2.1 工程简介本工程为某超高层建筑,建筑高度为XX米,占地面积XX平方米,建筑面积XX平方米。
工程主要包括地下室、裙房、塔楼等部分。
2.2 施工特点本工程垂直运输量大,施工周期长,涉及高空作业,安全风险较高。
为确保施工安全,特制定本专项安全施工方案。
三、垂直运输方案3.1 垂直运输设备选择根据本工程特点,选用XX型号施工电梯、XX型号施工升降机、XX型号塔式起重机等垂直运输设备。
3.2 垂直运输设备布置根据施工现场实际情况,合理布置垂直运输设备,确保运输通道畅通,满足施工需求。
3.3 垂直运输设备管理对垂直运输设备进行定期检查、维护、保养,确保设备安全运行。
操作人员必须持证上岗,严格遵守操作规程。
四、安全管理措施4.1 安全培训与教育对施工人员进行垂直运输安全培训,提高安全意识,确保施工人员熟悉相关法律法规、规范标准和操作规程。
4.2 安全防护设施在垂直运输通道设置安全防护设施,如防护栏杆、安全网、警示标志等,确保施工安全。
4.3 高空作业安全对高空作业人员进行专项安全培训,配备安全带、防护帽等防护用品。
严格执行高空作业审批制度,确保作业安全。
4.4 应急预案与演练制定垂直运输应急预案,定期组织应急救援演练,提高应对突发事件的能力。
4.5 现场安全管理设置专职安全员,负责施工现场的日常安全巡查,及时发现和整改安全隐患。
五、事故预防与处理5.1 事故预防通过安全培训、现场管理、隐患排查等措施,预防垂直运输事故的发生。
第1篇一、工程概况本工程位于XX市XX区,占地面积约为XX平方米,总建筑面积约为XX平方米。
建筑物为XX层XX米,结构形式为框架剪力墙结构。
本工程包括主体结构、装饰装修、设备安装、室外工程等分部分项工程。
为确保施工进度和质量,特制定本垂直运输施工方案。
二、施工部署1. 组织机构成立垂直运输领导小组,负责垂直运输施工的全面管理。
下设现场管理组、设备管理组、安全管理组、技术支持组等。
2. 施工进度根据施工进度计划,合理配置垂直运输设备,确保各施工阶段的需求。
3. 资源配置根据施工方案,合理配置施工人员、设备、材料等资源。
三、垂直运输方式选择1. 塔吊根据工程特点和施工要求,选择合适的塔吊进行垂直运输。
塔吊的主要参数如下:- 起重量:XX吨- 起升高度:XX米- 回转半径:XX米2. 施工电梯在建筑物内部设置施工电梯,用于人员、材料、设备的垂直运输。
施工电梯的主要参数如下:- 容量:XX人- 起升高度:XX米- 速度:XX米/分钟四、施工流程1. 塔吊安装- 根据塔吊安装规范,进行塔吊基础施工。
- 安装塔吊底座、塔身、起重臂等部件。
- 进行塔吊试运行,确保其运行正常。
2. 施工电梯安装- 根据施工电梯安装规范,进行施工电梯基础施工。
- 安装施工电梯轿厢、导轨、门机等部件。
- 进行施工电梯试运行,确保其运行正常。
3. 垂直运输设备调试- 对塔吊和施工电梯进行调试,确保其运行稳定、安全。
- 对操作人员进行培训,使其熟悉操作流程和安全注意事项。
4. 垂直运输施工- 人员、材料、设备的垂直运输按照施工进度计划进行。
- 严格遵循操作规程,确保运输安全。
5. 垂直运输设备拆除- 在工程完工后,对塔吊和施工电梯进行拆除。
- 清理施工现场,确保无安全隐患。
五、安全措施1. 人员安全- 对操作人员进行安全教育和培训,提高安全意识。
- 定期进行安全检查,及时发现和消除安全隐患。
- 设置安全警示标志,提醒人员注意安全。
2. 设备安全- 对塔吊和施工电梯进行定期检查、保养,确保设备运行正常。
华成天佑.幸福物语住宅楼垂直运输施工方案中铁二局集团建筑二00六年三月九日垂直运输专项施工方案审批表目录一、工程概况 (3)二、垂直运输的设备选择 (3)三、塔机的安装 (3)四、人员配备 (3)五、安全作业措施 (4)六、作人员的安全职责 (6)七、施工机械设备的合理使用 (7)八、井字架施工措施 (8)一、工程概况:该工程总建筑面积17022㎡,无地下室。
地上十五层加一层,其中一层为停车场和门市及屋管用房,二层至十五层为住宅,建筑总高度52.8,其中一层层高3.9m,二至五层层高4.3 m ,六层至十四层2.9m,十五层至十六层2.8 m,占地面积为1214㎡,长64.8m,宽27.8 m。
二、垂直运输的设备选择根据本工程的特点。
在基础、主体结构施工阶段,垂直运输机械拟选用自升式起重机壹台(PHI 4510型)进入装修阶段安装两台井架式起重机,壹台施工电梯。
三、塔机的安装塔机的安装必须严格按照《塔机安装方案》作业,作业人员必须由分管安全的专业区域禁止人逗留,现场施工场地围墙边有一条高压电线路,安装时派专人看守,远离电线等障碍物。
认真检查吊具、索具、捆扎好,找平横再起吊,作业前严禁饮酒,检查紧固液压系统或检查不合格不准进入下一安装工序,严禁从高空向地面抛工具,零件,确保安全装置灵敏可靠,设置避雷设施。
四、人员配备:本工程塔机配备6人,井字架配备4人,施工电梯配备2人,专职机操工,操作人员严格按要求持证上岗,起吊时有专人指挥。
指挥人员应做到有明显的标志,且不得兼任其他工作,严格执行“十不吊”的原则。
五、安全作业措施:i.认真执行“十不吊”的原则:○1被吊物重超过机械性能允许围不准吊;○2信号不清不准吊;○3吊物下方有人站立不准吊;○4吊物上站人不准吊;○5埋在地下物不准吊;○6斜拉斜牵物不准吊;○7散物捆扎不牢不准吊;○8零散物(特别是小钢模板)不装容器不准吊;○9吊物重不明,吊索具不符合规定,立式构件,大模板不用卡环不准吊;○10六级以上强风、大雾天影响视力和大雨时不准吊;ii.操作人员经过体检合格,无防碍作业的疾病和生理缺陷,并经过专业培训,考核合格取得建设行政主管部门颁发的操作证后持证上岗。
iii.在工作中操作人员和配合人员必须按规定穿戴劳动保护用品,长发要束紧不得外露。
正确戴好安全帽。
iv.塔机必须按照出厂使用说明书规定的技术性能,承载能力和使用条件,正确操作、合理使用。
v.机械上的各种安全防护装置及监测、指示、仪表、报警等自动报警、信号装置要完好齐全,有缺损要及时修复,安全防护装置不完整或已失效的机械不得使用。
vi.在起重机作业区域,必须设立警告标志及采取现场安全措施。
vii.严禁酒后作业。
viii.起重机的变幅指示器,力矩限制器,起重量限制器以及各种行程限位开关等安全保护装置,要完好齐全、灵敏可靠,不得随意调速或拆除。
严禁利用限制器和限位装置代替操纵机构。
ix.超重机作业时,起重臂和重物下方严禁有人停留,工作或通过。
重物吊运时,严禁从人上方通过。
严禁用起重机载运人员。
x.严禁使用起重机进行斜拉,斜吊和起吊地下埋设或凝固在地面上的重物以及其他不明重量的物体。
现场浇注的混凝土构件或模板,必须全部松动后方可起吊。
xi.严禁起吊重物长时间悬挂在空中,作业中遇突发故障,要采取措施将重物降落实带安全地方,并关闭发动机械或切断电源后进行检修。
在突发听电时,要立即把所有控制器拨到零位,断开电源总开关,并采取措施使重物降到地面。
xii.起重机变幅应缓慢平稳,严禁在起重臂未停稳前变控档位;起重机载荷达到额定起重量的90%及以上时,严禁下降起重臂。
xiii.在井架与施工用电梯与建筑物通道的两侧设置防护栏杆。
垂直运输接料平台,除两侧设防护栏外,平台上还要设置安全门或活动防护栏。
xiv.塔吊起重机的电缆线要做到无破损和严重扭站现象,压点应压接牢固,卷线器必须运转正常所有电气系统要有良好的接地保护或接零保护,轨道每隔20m设一组单独接地,并不得与建筑物相连,接地电阻应小于4Ω,接地线不得使用吕导线。
塔身、塔臂的各标准的连接螺栓紧固无松动,塔的结构件要无变型和严重腐蚀现象且各个部位的焊接及角钢不得有开焊裂纹等想象。
六、作人员的安全职责:i.真学习和执行国家、省、市的安全法律、法规和公司的各项规章制度,严格遵守施工现场的安全纪律。
ii.积极参加安全技术学习和安全教育,参加各种安全竞赛活动,加强安全意识,提高自我防护能力。
iii.认真执行本工种的安全操作规程,正确合理使用个人防护用品,工作前,认真检查所操作的机械设备和周围环境是否良好完全、安全防护装置是灵敏有效,不盲目操作、机械设备不能带病运转,用后做到工具、设备、场地整齐清洁。
iv.塔机司机接班时,要对制对器、吊钩、钢丝绳和安全装置进行检查。
发现性能不正常时,必须在操作前排除。
v.服从指挥和管理,做好文明施工,不违章作业。
vi.认真执行交接班制度,做好交班清楚,接班认真,按规定写好各种原始记录,如遇有故障或影响安全操作时,自己解决不了时,必须报告班组长或工长。
vii.有权拒绝任何强令规章作业和指令,不盲目服从,并随时制止他人的违章作业和冒险蛮干行为。
viii.发生事故要立即报告班组长或工长,保护现场,接受事故调查人员的询问,如实向事故调查人员介绍情况,不得隐瞒或进行欺骗。
七、施工机械设备的合理使用i.定人定机、实行机械使用,保养责任制。
将机械设备的使用效益与职工个人经济利益联系起来。
ii.现场环境、施工平面图要满足机械作业的要求,交通道路畅通无障碍,夜间施工照明良好。
iii.机操人员要严格执行机械设备操作规程和机械设备维护保养制度,按照规定进行设备的维护保养。
iv.机械操作人员要坚持“清洁、坚固、调整、润湿、防腐”及“十字”作业,及时认真填写运转和日常检查记录,运转中发现异常,要立即停机检查,不得带病运转作业。
v.机械设备要杜绝“三违”(违章作业,违章指挥,违反劳动纪律)现象,确保机械设备按规程和使用说明书要求作业。
八、井字架施工措施(1)井架作业措施1、井字架的支塔、用材要符合国家检验标准,整体结构不得摇晃、歪斜、变形。
2、高度要高于使用面6m。
在距顶部4 m处的滑轨上必须安装超高限位装置,并保证在使用中灵敏有效。
3、井字架的任一点与架空输电线路或带电设备的水平与垂直距离不得小于3m。
4、井字架的首层进料口必须支搭防护棚,井字架其他三面应设围杆,禁止人员通行。
5、井字架各层平台处必须搭设宽度不小于60㎝的人行通道,外侧要立挂安全网,里侧要绑护身栏。
6、各层卸料平台两侧要有1.2m的防护栏板或绑两道护身栏、挡脚板。
各卸料平台口必须安装防护门。
7、井字架必须对角设置缆绳,每组不小于4根,与地面夹角应为45—60°。
缆风绳必须使用直径不小于12.5mm的钢丝绳,并用花蓝螺丝调节松紧,缆风绳严禁用钢筋、铅丝等物代替和栓绑在树木、电杆等物件上以及用别杠调节松紧。
缆风绳架空高度和与输电线的安全距离应符合《起重机械安全规程》的规定标准。
8、滑轨必须垂直,两滑轨间距误差必须保证吊盘运行的任一点不脱轨;严禁使用木质、钢筋等材料制作的滑轨。
9、井字架必须使用配套的天伦和地轮,禁止使用开口滑轨,天伦加油处要设爬梯、平台,并铺板、绑牢、加护身栏。
10、井字架每层平台或吊盘必须装设吊盘位置,吊盘定位装置要保证灵敏有效,安全可靠。
吊盘定位使用的托杠(滑杠)必须两根同时使用。
吊盘四角必须全部托实,方准上人接送物料。
11、吊盘两侧要有严密的铁网罩,进、出料口要安装活动门。
12、连接吊盘必须使用保险滑轮。
滑轮与钢丝绳连接要使用不少于4个绳卡,绳卡间距不小于钢丝绳直径的6倍,要有安全弯,最后一个绳端不小于15㎝。
13、吊运物料的长度不得超过吊盘尺寸;物料码放高度超过铁网罩,要将物料捆绑牢固;零散物要装入容器吊运。
14、工作完毕或暂时停止工作时,吊盘必须落实到地面。
因故障吊盘暂停悬空位置时,司机不准离开卷扬机。
15、严禁人员乘坐吊盘上下。
(2)卷扬机作业措施1、卷扬机安装在平整坚实、视野良好的地点。
卷扬机的底座要用道木垫高;操作处要搭设木质操作台。
2、卷扬机固定必须搭设防砸、防雨的专用操作棚,机棚应保证操作人员的视线良好和清洁、干燥。
3、卷扬机固定必须按规定设置地锚不得捆绑在树上、电杆上。
严禁用木撅、铁撅代替地锚。
卷扬机固定后,不得有滑动倾斜现象。
4、安装后的卷扬机卷筒与导向滑轮要垂直对正,两者之间距离不得小于卷筒长度20倍;此段平行的钢丝绳要予以遮掩,钢丝绳不得与遮掩物或其他物发生接触磨擦。
5、导向滑轮严禁固定在脚手架上。
6、卷扬机不得使用有接头的钢丝绳,钢丝绳在卷筒上应排列整齐,不得咬绳和相负绞压,不得从卷筒上方卷入,卷筒上的安全圈数必须保证3圈以上。
卷扬机的钢丝绳报废标准按《起重机安全规程》执行7、制动轮制止衬垫间歇要保持均匀。
闸瓦开度不大于1㎜,闸带开度不大于1.5㎜8、卷扬机的电器设备必须有可靠的接地或接零。
工作完毕后将控制器放到零位,切断电源,并锁好电闸箱。
9、卷扬机的传动部位必须安装牢固的防护罩。
10、严禁超负荷使用。
(3)施工电梯作业措施在施工电梯周围5米以,不宜堆放杂务,严禁有易燃易爆物品,不得在次围挖沟开槽,梯子基础不得有下沉现象。
电梯的上、下行程限位器、二侧梯笼门的限位器必须灵敏有效,制动装置灵敏可靠,电梯必须设断绳开关保险并附加音响装置。
梯笼与配重连系的钢绳要按所用梯的出厂规定固定牢固。
钢丝绳若达到报废标准一定要报废。
电梯2.5米围要搭坚固的保护棚。
每层的层间马道处要有工具式的防护门。
施工电梯必须有可靠的接零接地措施,其接地电阻小于4欧。
并不得与建筑物相连。
电梯附墙(结构)的拉接点的间距不得大于6米。
司机必须持证上岗,认真填写运转记录和对下一班要交待的事项,天气恶劣情况下,要停止运行。
工作之后,要将梯笼降到底层,切断电源关锁门窗和电闸箱。
(4)安全管理1、井字架的支塔、使用、拆除必须有安全技术措施方案,并向操作人员进行详细的安全交底。
2、井字架明显部位要按国标规定的颜色标明起重吨位。
3、井字架、卷扬机安装完毕后,必须进行验收,确认合格后方可使用4、井字架在使用中要经常检查,发现结构严重变形、滑轨扭歪、护身栏和安全网或其他防护达不到规定标准时,严禁使用。
5、卷扬机必须做到定人定机,机棚要有安全操作规程,操作人员必须经培训后,持证上岗作业。
工作时间不得擅离岗位。
九、塔机的拆卸安全措施十、井字架式升降机的安拆方案1、安装的技术要求十一、1、(二)1、塔机的基础技术要求地耐力:200-250KPA 混凝土标号≥C35钢筋:Q235A级基础上面高出地面10-20㎜塔机装时混凝土强度应达到100%,钢筋混凝土比重2400㎏/m3。