数控车公开课教案 G02 G03
- 格式:doc
- 大小:77.00 KB
- 文档页数:2
5.2圆弧插补指令G02、G03教学目的和要求:1、掌握圆弧插补指令G02、G03方向的判别2、掌握圆弧插补指令G02、G03的用法教学重点难点:1、圆弧插补指令G02、G03的应用教学方式:课堂理论教学教学时数:4学时授课内容:(一)圆弧插补指令G02、G03指令格式:G02/G03 X(U)___Z(W)___I___K___F___;G02/G03 X(U)___Z(W)___R___F___;1.圆弧顺逆的判断圆弧插补指令分为顺时针圆弧插补指令G02和逆时针圆弧插补指令G03。
圆弧插补的顺逆可按图5-4给出的方向判断:沿圆弧所在平面(如XZ平面)的垂直坐标轴的负方向(-Y)看去,顺时针方向为G02,逆时针方向为G03。
数控车床是两坐标的机床,只有X轴和Z轴,按右手定则的方法将Y轴也加上去来考虑。
观察者让Y轴的正向指向自己(即沿Y轴的负方向看去),站在这样的位置上就可正确判断X-Z平面上圆弧的顺逆时针了。
图5-4 圆弧顺逆的判断2.说明:①采用绝对值编程时,圆弧终点坐标为圆弧终点在工件坐标系中的坐标值,用X、Z表示。
当采用增量值编程时;圆弧终点坐标为圆弧终点相对于圆弧起点的增量值,用U、W表示。
②圆心坐标I、K为圆弧起点到圆弧中心所作矢量分别在X、Z坐标轴方向上的分矢量(矢量方向指向圆心)。
本系统I、K为增量值,并带有“±”号,当分矢量的方向与坐标轴的方向不一致时取“-”号。
③当用半径只指定圆心位置时,由于在同一半径只的情况下,从圆弧的起点到终点有两个圆弧的可能性,为区别二者,规定圆心角≤180°时,用“+R”表示。
若圆弧圆心角>180°时,用“-R”表示。
④用半径只指定圆心位置时,不能描述整圆。
图5-5 G02应用实例图5-6 G03应用实例如图5-5所示G02应用实例:(1)用I、K表示圆心位置,绝对值编程:N03 G00 X20.O Z2.O;N04 G01 Z-30.0 F80;N05 G02 X40.0 Z-40.0 IO.O KO F60;(2)用I、K表示圆心位置,增量值编程:N03 G00 U-80.O W-98.0;N04 G01 UO W-32.0 F80;N05 G02 U20.O W-10.0 I0.0 K0 F60;(3)用R表示圆心位置N04 G01 Z-30.O F80;N05 G02 X40.0 Z-40.O R10 F60,如图5-6所示G03应用实例:(1)用I、K表示圆心位置,采用绝对值编程。
G02/G03圆弧插补指令一、场地安全:1.强调实习课堂安全要求;2.上机安全操作规程。
二、教学目的:知识目标:1.了解并掌握G02/G03指令的功能和格式。
2.掌握简单形面的程序设计思路和方法。
技能目标:1.通过对简单零件的加工,能熟练使用数控车床面板上的各功能键。
2.通过车削带圆柱、倒角、倒圆及圆弧的工件,培养学生基本操作技能,养成安全文明生产的习惯。
3.培养学生综合分析能力。
三、教学重、难点:重点:1.G02/G03指令格式,参数含义。
2.顺逆圆弧的判断。
难点:顺逆圆弧的判断。
四、教学方法:任务驱动法、仿真教学法五、课堂设计:1.课时安排:2课时2.理论与仿真练习相结合3.时间分配:复习与新课导入:5分钟理论讲授:30分钟课堂练习:40分钟总结:3分钟作业布置:2分钟六、教学过程:(一)组织教学:1.检查学生出勤情况、工作服及胸卡佩戴情况2.强调课堂纪律,做到安全文明生产3.简要总结上次课题的教学情况(二)新课导入:回顾前面所学的快速定位G00、直线插补G01指令,我们学会了简单台阶零件的编程,但实际很多零件的外形轮廓往往是圆弧连接的,例如这个(教具),同学们都知道,加工直线轮廓用直线插补,那加工圆弧轮廓呢?生:用圆弧插补师:对,这就是今天我们要学习的,圆弧插补指令G02/G03.提问学生:(三)新课讲解:1.认识新指令:①指令概述:G02/G03圆弧插补指令使刀具在指定平面内按给定的F进给速度作圆弧运动,切削出圆弧轮廓.②圆弧顺、逆的判断:圆弧插补指令分为顺时针圆弧插补指令和逆时针圆弧插补指令.(那么什么时候用顺时针圆弧插补指令和逆时针圆弧插补指令),这里首先要看机床是前置刀架,还是后置刀架。
(a)前置刀架(b)后置刀架我们用的机床是前置刀架,因此,顺时针方向用G03圆弧指令,逆时针方向用G02圆弧指令。
③指令格式:G02 X(U) Z(W) R F (逆时针圆弧插补)G03 X(U) Z(W) R F (顺时针圆弧插补)④字母含义:X、Z:圆弧终点的绝对坐标U、W:圆弧终点相对于圆弧起点的坐标增量R:圆弧半径F:切削进给速度2.指令注意事项:顺逆圆弧的判断(四)、编程实例:某公司数控车间,现要加工一批零件,所用毛坯为¢42×80的45钢棒料,如果你是该车间的技术人员,请编写零件的加工程序.1.零件工艺分析(1)技术要求分析。
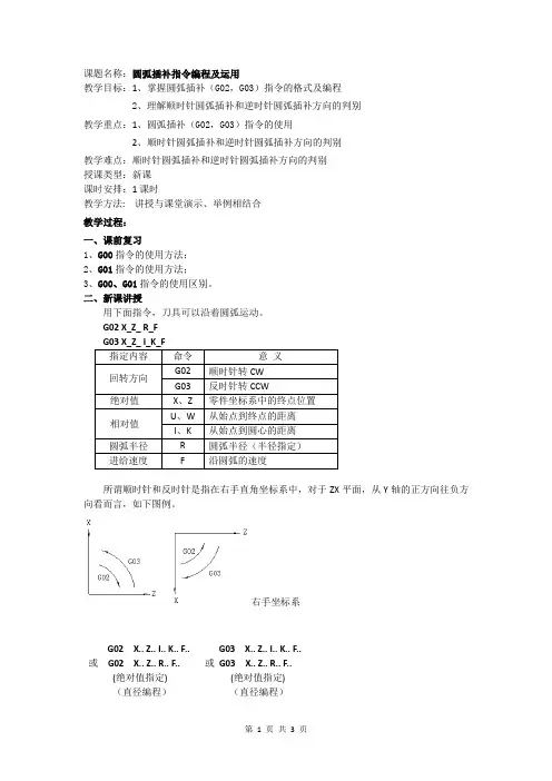
课题名称:圆弧插补指令编程及运用教学目标:1、掌握圆弧插补(G02,G03)指令的格式及编程2、理解顺时针圆弧插补和逆时针圆弧插补方向的判别教学重点:1、圆弧插补(G02,G03)指令的使用2、顺时针圆弧插补和逆时针圆弧插补方向的判别教学难点:顺时针圆弧插补和逆时针圆弧插补方向的判别授课类型:新课课时安排:1课时教学方法: 讲授与课堂演示、举例相结合教学过程:一、课前复习1、G00指令的使用方法;2、G01指令的使用方法;3、G00、G01指令的使用区别。
二、新课讲授用下面指令,刀具可以沿着圆弧运动。
G02 X_Z_ R_F指定内容命令意义回转方向G02 顺时针转CW G03 反时针转CCW绝对值X、Z 零件坐标系中的终点位置相对值U、W 从始点到终点的距离I、K 从始点到圆心的距离圆弧半径R 圆弧半径(半径指定)进给速度 F 沿圆弧的速度所谓顺时针和反时针是指在右手直角坐标系中,对于ZX平面,从Y轴的正方向往负方向看而言,如下图例。
右手坐标系G02 X.. Z.. I.. K.. F.. G03 X.. Z.. I.. K.. F..或G02 X.. Z.. R.. F.. 或G03 X.. Z.. R.. F..(绝对值指定) (绝对值指定)(直径编程)(直径编程)用地址X,Z或者U,W指定圆弧的终点,用绝对值或增量值表示。
增量值是从圆弧的始点到终点的距离值。
圆弧中心用地址I,K指定。
它们分别对应于X,Z轴。
但I,K后面的数值是从圆弧始点到圆心的矢量分量,是增量值。
如下图:I、K根据方向带有符号。
圆弧中心除用I,K指定外,还可以用半径R来指定。
如下:G02 X_Z_R_F_;G03 X_Z_R_F_;此时可画出下面两个圆弧,大于180°的圆弧和小于180°的圆弧。
对于大于180°的圆弧不能指定。
(程序的实例)把图上的轨迹分别用绝对值方式和增量方式编程:G02 X50.0 Z30.0 I25.0 F30;或G02 U20.0 W-20.0 I25.0 F30;或G02 X50.0 Z30.0 R25.0 F30;或G02 U20.0 W-20.0 R25.0 F30;圆弧插补的进给速度用F指定,为刀具沿着圆弧切线方向的速度。
数控车削编程说课稿基本指令G02/G03机电教育部李华兴本节课讲述的是《数控设备与编程》中基本指令G02/G03(第一课时)的内容。
一、教材分析1、教材的地位和作用:数控车削编程是数控技术应用专业学生的专业基础课之一,是培养数控操作能力的一门重要专业基础课。
基本指令是数控车削编程的重要内容之一,它不仅有着广泛的实际应用,而且起着承前启后的作用。
一方面,基本指令是手工编程课程的开始,是所有编程工作的基础;另一方面,学习基本指令也是为了进一步学习其它循环指令做好准备。
基本指令G02/G03是在学生学习了编程的有关指令G01、G00的基础上,对编程加工知识的进一步深入和拓广。
同时G02/G03也为今后循环指令学习提供了学习依据。
2、教学目标根据数控专业学生的技能培养目标和学生的实际水平,确定了本次课的教学目标:A、知识目标:理解并掌握G02/G03指令的编程格式;初步了解数控编程的思路方法并能运用。
B、能力目标:培养学生观察、分析的能力;通过练习提高学生分析问题和解决问题的能力。
C、情感目标:通过对基本指令编程的学习,培养学生主动探索、勇于发现的求知精神;养成细心观察、认真分析的良好思维习惯。
3、教学重点和难点根据数控专业学生的技能培养目标,我确定本节课的教学重点为:①顺逆圆弧方向的判定②G02/G03指令的编程格式③运用G02/G03指令进行编程练习教学难点:①G指令及编程关键点计算②R编程中几点注意事项二、学情教法分析:对于数控专业二年级的学生,车削基本知识和工艺知识及车床加工经验已较为丰富,具备了较强的抽象思维能力。
所以我在授课时注重引导、启发以符合这类学生的心理发展特点,从而促进思维能力的进一步发展。
针对学生这一思维特点和心理特征,本节课我采用启发式及讲练结合的教学方法,通过问题激发学生求知欲,使学生主动参与编程实践活动,以独立思考和相互交流的形式,在教师的指导下发现、分析和解决问题。
三、学法指导:在引导分析时,留出学生的思考空间,让学生去联想、探索,同时鼓励学生大胆质疑,围绕中心各抒己见,把思路方法和需要解决的问题弄清。
《数控车床G02、G03圆弧插补指令的应用》教案备课教师:易建伟【教学目标】知识目标:掌握G02、G03指令编程格式及各项内容的含义能力目标:熟练运用G02、G03指令编程和加工,培养学生运用所学知识解决问题的能力德育目标:培养学生勤于动脑、大胆实践、勇于探索以及严谨的工作习惯。
【教学重点】圆弧顺、逆的判断和圆心位置(R正负的确定和IK的计算)【教学难点】圆弧顺逆的判断【教学方法】启发提问法、仿真演示法、角色扮演法、小组讨论法等【教学过程】学生在课下或自习课上对本节所要学习的内容进行全面的预习,在此基础上由老师先来讲解本节课的内容。
首先来学习G02、G03指令一、圆弧插补(G02、G03)1、指令格式:G02/G03 X(U)Z(W)RF;G02/G03 X(U)Z(W)IKF;2、指令功能:X、Z—绝对值终点坐标尺寸U、W—相对值终点坐标尺寸R—圆弧半径I—从始点到圆心在X轴方向的距离K—从始点到圆心在Z轴方向的距离F—切削进给速度3、指令说明①、G02为顺时针圆弧插补指令,G03为逆时针圆弧插补指令。
圆弧的顺逆方向判断见图1左图,朝着与圆弧所在平面相垂直的坐标轴的负方向看,顺时针为G02,逆时针为G03,图1右图分别表示了车床前置刀架和后置刀架对圆弧顺与逆方向的判断;图1 圆弧的顺逆方向②、如图2,采用绝对坐标编程,X、Z为圆弧终点坐标值;采用增量坐标编程,U、W为圆弧终点相对圆弧起点的坐标增量,R是圆弧半径,当圆弧所对圆心角为0°~180°时,R取正值;当圆心角为180°~360°时,R取负值。
I、K为圆心在X、Z 轴方向上相对圆弧起点的坐标增量(用半径值表示),I、K为零时可以省略。
图2 圆弧绝对坐标、相对坐标图3 圆弧插补G02 X50.0 Z30.0 I25.0 F0.3;G03 X87.98 Z50.0 I-3O.0 K-40.0 F0.3G02 U20.0 W-20.0 I25.0 F0.3;G03 U37.98 W-30.0 I-3O.0 K-40.0 F0.3G02 X50.0 Z30.0 R25.0 F0.3G02 U20.0 W-20.0 R25.0 F0.3【教学环节】一、复习G00、G01指令引入新课请用G00、G01指令编出图4的精加工程序二、课堂检测1、若零件上有圆弧,应该采用或指令2、加工顺圆弧用指令,加工逆圆弧用指令。
数控教案-G02、G0315 年级学科《数控机床操作与维护》教学设计收集于网络,如有侵权请联系管理员删除收集于网络,如有侵权请联系管理员删除收集于网络,如有侵权请联系管理员删除1.格式中的X 、Z 分别表示什么含义?2.格式中的U 、W 分别表示什么含义?3.格式中的I 、K 分别表示什么含义?教师总结:在圆弧插补指令中,指定圆心的方式有两种,• 一是用半径R 来指定• 一是用圆心相对于圆弧起点的位置增量来指定。
(常用于数铣)三、项目分析:手柄的加工根据图纸,学生思考回答如下问题: 1. 图纸所表达的物体的形状是什么?2. 手柄共有几段圆弧面组成?所对应的圆弧半径分别是多少?3. 内置刀架的机床,刀具的精加工轨迹是什么?4. 外置刀架的机床,刀具的精加工轨迹是什么?5. 轴线上方的三段圆弧分别是什么方向?6. 轴线下方的三段圆弧分别是什么方向?提出问题:为什么出现表达同一段圆弧面的圆弧方向相反得问题?导出知识点三。
按照第一个知识点的形式来学习该知识点,学生轻松掌握。
教师指出该知识点的重要性,指导学生分别写出每一种的指令格式。
投影展示图纸,指出是车间实训要加工的第二个零件,突出理论与实践的密切结合。
收集于网络,如有侵权请联系管理员删除四、圆弧顺逆方向的判定方法方法:在加工平面内(即观察者迎着Y 轴的指向,所对的平面),根据插补时的旋转方向,顺时针则为G02,逆时针则为G03。
练习一:选出判断正确的一组。
结论:不管是内置刀架,还是外置刀架,同一段圆弧面的圆弧方向是一致的。
为方便同学们判断,按照轴线上方的圆弧顺、逆来确定。
学生编程:分别用华中、FANUC 系统编写手柄的精加工程序。
华中系统:%1001 T0101 M03S400 G00X32Z2 X0G01Z0F60学生根据图纸思考所提问题,分组探究回答。
通过问题的探究回答,学生加深对手柄图纸的分析和理解根据不同小组得出的不同答案,教师创设课堂气氛,激发学生积极讨论探究,教师适时指导。
《G02/G03 圆弧插补指令》教学设计四 教学理念及教学策略选择与设计教师创设情境,从而启发、引导学生自主探究、思考,并讨论、交流学习成果。
新课程注重学生的主动学习,发挥学生的主体作用,因此,本课在教学的设计上将充分发挥学生的主观能动性,并与实践相结合,通过自己的探索加上教师的引导,使学生的探究一步步走向 深入,从中体会到探究的乐趣、知识应用的价值,开阔学生的视野,锻炼学生的思维。
五 教学设备用具1 教学课件 PPT ;2 自制加工零件;3 加工仿真视频。
六 教学过程教学过程 (环节)教师活动 课件、资源内容学生活动媒体资源应用设计意图导入新课(2min ) 运用 G00/G01 可以加工圆柱面和端面,对于球面、圆弧面无法加工。
因此,我们需要利用圆弧插补指令进行加工,那么 G02/G03 的指令格式如何?跟随教师复习G00、G01 指令格式和加工路线,分析利用 G02/G03 的指令的必要性。
运用多媒体展示让内容形象直观,提高学生学习的自觉性和问题探究的主动性。
目标:引出正文, 明确利用 G02/G03 的 指令的必要性。
1 利用课件通过自主1 自主研究圆弧插补1 展示前置刀架圆弧插补方式;方式;探究,了解 G02/G03的指令格式相关知2 学习 G02/G03 的指识;令格式中字、字符和自主探究2 展现问题,打破传数字的相关知识;(5min )统教学模式,形成以 2 自主探究 G02/G03 的指令格 3 明确顺逆圆弧插补 学生为主体,教师为 式,顺逆圆弧插补方向判别方法 方向判别方法;主导的教学形式,让等。
4 学生间互相交流发学生系统的把握教材现问题,解决问题。
知识,开阔学生思维。
1 通过加工零件图和前置刀架图片、表格和文字的综合展示,加上老师的讲解,让枯燥的知识生动化,让学生直观的感受每一个知识点,快速吸收、消化相关概念。
圆弧插补方式图,讲解 G02/G03 的指令格式;1 带着自主探究产生2 通过圆弧方向判别图,讲解顺的问题,跟随教师学 合作探究 逆圆弧插补方向判别方法;习知识点;疑惑答疑 2 提出问题,由其他 (10min )学生或者教师解答; 3 对于答案教师进行点评、补充和总结。
数控教案-G02、G0315 年级学科《数控机床操作与维护》教学设计收集于网络,如有侵权请联系管理员删除收集于网络,如有侵权请联系管理员删除收集于网络,如有侵权请联系管理员删除1.格式中的X 、Z 分别表示什么含义?2.格式中的U 、W 分别表示什么含义?3.格式中的I 、K 分别表示什么含义?教师总结:在圆弧插补指令中,指定圆心的方式有两种,• 一是用半径R 来指定• 一是用圆心相对于圆弧起点的位置增量来指定。
(常用于数铣)三、项目分析:手柄的加工根据图纸,学生思考回答如下问题: 1. 图纸所表达的物体的形状是什么?2. 手柄共有几段圆弧面组成?所对应的圆弧半径分别是多少?3. 内置刀架的机床,刀具的精加工轨迹是什么?4. 外置刀架的机床,刀具的精加工轨迹是什么?5. 轴线上方的三段圆弧分别是什么方向?6. 轴线下方的三段圆弧分别是什么方向?提出问题:为什么出现表达同一段圆弧面的圆弧方向相反得问题?导出知识点三。
按照第一个知识点的形式来学习该知识点,学生轻松掌握。
教师指出该知识点的重要性,指导学生分别写出每一种的指令格式。
投影展示图纸,指出是车间实训要加工的第二个零件,突出理论与实践的密切结合。
收集于网络,如有侵权请联系管理员删除四、圆弧顺逆方向的判定方法方法:在加工平面内(即观察者迎着Y 轴的指向,所对的平面),根据插补时的旋转方向,顺时针则为G02,逆时针则为G03。
练习一:选出判断正确的一组。
结论:不管是内置刀架,还是外置刀架,同一段圆弧面的圆弧方向是一致的。
为方便同学们判断,按照轴线上方的圆弧顺、逆来确定。
学生编程:分别用华中、FANUC 系统编写手柄的精加工程序。
华中系统:%1001 T0101 M03S400 G00X32Z2 X0G01Z0F60学生根据图纸思考所提问题,分组探究回答。
通过问题的探究回答,学生加深对手柄图纸的分析和理解根据不同小组得出的不同答案,教师创设课堂气氛,激发学生积极讨论探究,教师适时指导。
《G02、G03圆弧插补指令的应用》说课稿问候及介绍。
今天我说课的题目是《G02、G03圆弧插补指令的应用》,我将从以下四个方面说明本节课的教学设计。
一、说教材1、教材内容:《模具数控加工技术》是模具制造技术专业的核心课程,其特点是要求理实一体化。
数控编程是学习本门课程的重点内容。
前面学习的内容G00、G01指令和今天所说的G02、G03圆弧插补指令,都属于最基本的指令。
能够熟练应用,将为后期复合循环指令以及综合应用编程奠定基础。
因此,学习并熟练掌握这些基本指令时非常重要的。
2、教学目标根据目前职业教育“以就业为导向,以能力为本位,以技能为核心”的指导思想,将培养学生的专业能力、个人能力作为重点,结合学生认知事物的规律,我将教学目标确定如下:【知识目标】掌握G02、G03指令编程格式及各项内容的含义。
【能力目标】熟练运用G02、G03指令编程和加工,培养学生运用所学知识解决问题的能力。
【德育目标】考虑到模具制造技术专业学生所从事工种的特殊性,要求学生养成严谨的工作习惯。
3、教学重难点根据教学目标,要求学生能够“掌握G02、G03圆弧插补指令格式及各项指令代码的含义”,学生在学习该指令时,格式是固定的,相对容易理解,而要掌握该指令,则必须理解各项指令代码的含义。
指令中的X、Z坐标值和F功能在前面已经学习过老师只需做简单说明即可。
因此,我将教学重点确定为圆弧顺、逆的判断和圆心位置的确定(即R正负的确定或I、K值的确定,又因为圆弧顺逆的判断是建立在三维空间想象的基础上,而中职生的空间想象能力相对较弱,因此,我将难点内容确定为圆弧顺逆的判断。
重点:圆弧顺、逆的判断和圆心位置(R正负的确定和IK的计算)。
难点:圆弧顺逆的判断。
二、说教法考虑到本节课的内容特点——理论实践一体化。
总体上我采用项目教学法,对项目所涉及的新的知识点,我主要采用启发提问法、媒体演示法、角色扮演法,而对项目的实施,我主要采用小组讨论法。
课题:G02/G03圆弧插补指令教学环节教学内容教学方法说明复习旧课提问1、快速定位G00格式?解答:G00X(U)__Z(W)__提问2、直线插补G01格式?解答:G01X(U)__Z(W)__ F__通过提问检查学生对所学知识掌握情况,并给出问题解答起到复习的作用。
引入新课回顾前面所讲快速定位G00,直线插补G01指令,我们学会了简单台阶零件的编程。
但实际中很多零件外形往往是圆弧连接的,例如图1。
象这样的圆弧外形我们用什么指令来加工呢?这就要用到今天我们所要学习的圆弧插补G02/G03。
通过简单的实例讲解,引入新课。
教学环节教学内容教学方法说明图一新课内容圆弧插补指令G02/G03一、格式。
G02 I KX(U)Z(W) FG03 R说明:G02:顺时针圆弧插补G03:逆时针圆弧插补X、Z:绝对编程时,圆弧终点在坐标系中的坐标;U、W:增量编程时,圆弧终点在坐标系中的坐标;I、K:圆心相对于起点的增加量(等于圆心的坐标减去圆弧起点的坐标,如图二),在绝对、增量编程时都是以增量方式指定,在直径、半径编程时I都是半径值;R:圆弧半径;F:被编程的两个轴的合成进给速度;注意:同时编入R与I、K时,R有效。
结合上一讲G00/G01指令的格式,详细讲解新课,使学生在理解的基础上记住G02/G03指令的每个代码的含义及用法。
图二是重点。
图二教学环节教学内容教学方法说明新课内容二、顺、逆圆弧的判别。
圆弧插补G02/G03的判断是在加工平面内,根据其插补时的旋转方向为顺时针/逆时针来区分的。
加工平面为观察者迎着Y轴的指向,所面对的平面。
也就是说从假想第三轴(Y轴)的正方向往负方向看,刀尖走过的圆弧是顺时针的,就是G02,逆时针的就为G03了。
但是,大家都知道目前大多数数控车的坐标系如图三。
所以我们其实是从Y轴的负方向往正方向看,那么在这样的坐标系下,我们看到的顺时针则为G03,逆时针则为G02,如图四。
这里是难点需详细讲解新课,并借助课前准备好的挂图,小黑板帮忙理解。
课题7 圆弧插补指令G02、G03
【教材分析】
本教材通过项目教学目标实践任务要求,学习当构成零件的要素中含有圆弧要素时,如何来进行编程与加工。
目的是使学生通过目标的达到来熟悉圆弧加工指令的格式、功能、应用的基本知识。
本项目讲解起来,如仅讲解理论知识和教材中的实例,不可避免的使学生感觉过于沉默,无趣。
为了激发学生的学习兴趣,结合学生生活环境和可能接触的生产实际来创建学习场景,让学生通过身边实际问题的解决,充分感受到学习的乐趣。
【学生情况分析】
中专二年级的学生已经开始接触和学习数控专业知识,具备了加工一般零件的工艺知识,但对含有圆弧零件的编程与加工还比较陌生。
我们的职责并不是仅仅讲授书本上的知识,更重要的是教会他们一些做人的道理和做事的方法。
使其树立安全意识、规范意识、效率意识和质量意识。
【教学目标】
知识目标:1.让学生掌握G02、G03指令格式、功能及应用。
2.启发学生寻找G02、G03应用中方向的判别方法。
能力目标:1.通过学习G02、G03指令能加工带圆弧的工件。
2.加工带圆弧工件时,能熟练快速判别插补方向。
情感目标:1.培养学生积极思考,勇于探索的精神;
2.使学生树立严谨、务实的学习态度。
【教学重、难点】
教学重点:圆弧插补指令的应用。
教学难点:圆弧插补指令的应用场合的区分。
【教学方法】
任务驱动、引导、思考、启发。
【教学过程】。
数控车公开课教案--G02/G03圆弧插补指令
教学目标:1、掌握G02/G03圆弧插补指令功能、格式。
2、初步掌握利用圆弧插补指令编写成形面加工程序。
3、培养学生自学能力、分析问题、解决问题的能力及探究学习的精神。
教学重点:圆弧插补指令编制成形面加工程序。
教学难点:正确判断圆弧的顺逆方向并选择G02、G03指令。
教法:任务驱动教学法
教学过程:
一、本节课的学习任务
某公司数控车削加工车间,现要加工一批零件(左图示),
所用毛坯为Ø50X75的45钢棒料,如果你是该车间的技术人员,
请编写零件的加工程序。
[注:教师先向学生布置本节课的学习任务,提出问题让学生思考,
并在完成这一学习任务中学习新的编程知识。
]
二、怎样解决问题、完成学习任务?[师生共同分析完成学习任务的方法和步骤]
1、确定加工工艺:
(1)、装夹工件、对刀。
(2)、粗车外圆。
(3)、精车外圆。
2、刀具选择:
T0101:硬质合金900偏刀。
[注:以上内容学生已在前面的学习中基本掌握,在教学中采用教师提问、学生回答的方式快速完成。
]
4、加工程序:
(1)、编写加工程序(右图示工件)
[注:此环节为复习已学知识、程序编写由学生完成,教师巡视,了解学生对已学知识的掌握情况,并有针对性地讲解。
]
(2)、编写圆弧加工程序(右图示工件)
新知识学习:
A、G02指令:功能:圆弧顺时针方向插补
格式:G02 X(U)Z(W)R F
G03指令:功能:圆弧逆时针方向插补
格式:G03X(U)Z(W)R F
B、怎样判断圆弧的顺逆方向并选择G02、G03指令?
[注:学生自主学习,小组合作学习,老师辅导讲解。
]
三、学生完成加工程序。
四、教师讲评、演示加工过程。
五、课堂小结
六、布置下节课的学习任务。