除锈等级标准
- 格式:wps
- 大小:12.50 KB
- 文档页数:2
GB8923-88《涂装前钢材表面锈蚀等级和除锈等级》本标准规定了涂装前钢材表面的锈蚀等级和除锈等级,适用于热轧钢材表面经过喷射或抛射除锈、手工和动力工具除锈以及火焰除锈方式处理的情况。
同时,冷轧钢材表面除锈等级的评定也可参照使用。
本标准等效采用国际标准1.总则1.1本标准将未涂装过的钢材表面原始锈蚀程度分为四个“锈蚀等级”,将未涂装过的钢材表面及全面清除过原有涂层的钢材表面除锈后的质量分为若干个“除锈等级”。
钢材表面的锈蚀等级和除锈等级均以文字叙述和典型样板的照片共同确定。
1.2本标准以钢材表面的目视外观来表达锈蚀等级和除锈等级。
评定这些等级时,应在适度照明条件下,以正常视力直接进行观察。
2.锈蚀等级钢材表面的四个锈蚀等级分别以A、B、C和D表示。
这些锈蚀等级的典型样板照片见第5章,其文字叙述如下:A:全面地覆盖着氧化皮而几乎没有铁锈的钢材表面;B:已发生锈蚀,并且部分氧化皮已经剥落的钢材表面;C:氧化皮已因锈蚀而剥落,或者可以刮除,并且有少量点蚀的钢材表面;D:氧化皮已因锈蚀而全面剥离,并且已普遍发生点蚀的钢材表面。
3.除锈等级3.1通则3.1.1钢材表面除锈等级以代表所采用的除锈方法的字母“Sa”、“St”或“FI”表示。
如果字母后面有阿拉伯数字,则其表示清除氧化皮、铁锈和油漆涂层等附着物的程度等级。
3.1.2钢材表面除锈等级的文字叙述见3.2、3.3和3.4条,这些等级的典型样板照片见第5章。
注:(1)本章各除锈等级定义中,“附着物”这个术语可包括焊渣、焊接飞溅物,可溶性盐类等。
2)本章中“当氧化皮、铁锈或油漆涂层”能以金属腻子刮刀从钢材表面剥离时,均应看成附着不牢。
3.2喷射或抛射除锈3.2.1喷射或抛射除锈以字母“Sa”表示。
3.2.2 在进行喷射或抛射除锈之前,需要先将较厚的锈层铲除。
此外,还需清除可见的油脂和污垢。
除锈后,还需清除钢材表面的浮灰和碎屑。
3.2.3 根据本标准,喷射或抛射除锈后的钢材表面分为四个等级。
sa2.5级除锈标准对应国标摘要:一、前言二、SA2.5 级除锈标准介绍1.SA2.5 级除锈的定义2.SA2.5 级除锈的要求三、国标对应关系1.国标与SA2.5 级除锈标准的差异2.国标与SA2.5 级除锈标准的转换四、实际应用中的问题与解决方法1.表面处理等级的选择2.质量控制与检验五、总结正文:一、前言随着工业的发展,金属材料的表面处理技术越来越受到重视。
除锈作为金属表面处理的重要环节,其质量直接影响到后续涂装、防腐等工程的质量和使用寿命。
本文将详细介绍SA2.5 级除锈标准与我国国家标准的对应关系。
二、SA2.5 级除锈标准介绍1.SA2.5 级除锈的定义SA2.5 级除锈是一种金属表面处理等级,表示表面处理后的钢材,其除锈质量达到一定的标准。
具体来说,表面处理后的钢材在100 倍的放大镜下观察,未见锈迹,仅有残留的氧化皮、铁锈、油漆等杂物。
2.SA2.5 级除锈的要求SA2.5 级除锈要求金属表面处理后的钢材,其表面应满足以下条件:(1)无明显的锈迹、氧化皮、油漆等杂物;(2)钢材表面呈现金属光泽;(3)除锈后的钢材表面应具有一定的粗糙度,以保证涂装层的附着力。
三、国标对应关系1.国标与SA2.5 级除锈标准的差异我国的国家标准对于金属表面处理等级有详细的规定,其中包括除锈等级。
与SA2.5 级除锈标准相比,国标在除锈质量、表面粗糙度、除锈方法等方面有更为具体的要求。
2.国标与SA2.5 级除锈标准的转换在进行金属表面处理时,根据实际情况,可将SA2.5 级除锈标准转换为相应的国标等级。
例如,对于一般要求的钢材表面处理,可采用国标Sa2 级除锈标准;对于较高要求的钢材表面处理,可采用国标Sa1 级或Sa2 级除锈标准。
四、实际应用中的问题与解决方法1.表面处理等级的选择在实际应用中,应根据工程的具体要求、钢材的材质和使用环境等因素,选择合适的表面处理等级。
例如,对于一般环境下的钢材,可选择Sa2 级除锈标准;对于腐蚀性较强的环境,应选择Sa1 级或Sa2 级除锈标准。
除锈等级的分类除锈是一项重要的工作,可以延长金属制品的使用寿命,提高其外观质量。
根据除锈的难易程度和效果,可以将除锈分为五个等级,分别是轻度除锈、中度除锈、重度除锈、全面除锈和特殊除锈。
轻度除锈是指表面只有一层薄薄的氧化皮或油污的除锈。
这种除锈一般可以用一般的清洗剂或者钢丝刷轻松完成。
对于一些不太容易清除的氧化层,可以使用轻度化学除锈剂进行除锈。
轻度除锈常见于一些不太暴露在外的金属制品,如管道内壁、设备内部等。
中度除锈是指表面存在较多的氧化皮或者油污,除锈难度相对较大。
这种除锈需要使用更强力的除锈剂和工具,如喷砂机、喷砂剂等。
在进行中度除锈时,需要注意保护好金属表面,避免过度磨损或者损坏。
中度除锈常见于一些暴露在外的金属制品,如铁艺门窗、桥梁等。
重度除锈是指表面存在大量的氧化皮或者油污,除锈难度非常大。
这种除锈需要使用特殊的除锈工艺和设备,如电解除锈、激光除锈等。
重度除锈需要经过多次处理才能完全清除,除锈后需要进行防锈处理,以防止再次氧化。
重度除锈常见于一些长期暴露在潮湿环境中的金属制品,如船舶、海洋平台等。
全面除锈是指对整个金属制品进行全面的除锈处理。
这种除锈一般需要将金属制品拆解开来,逐个部件进行除锈处理,然后再进行组装。
全面除锈需要耗费大量的时间和精力,但可以确保金属制品的彻底清除锈蚀,延长使用寿命。
全面除锈常见于一些重要的金属结构,如大型机械设备、桥梁等。
特殊除锈是指对特殊材料或特殊情况下的除锈处理。
这种除锈需要根据具体情况采取相应的除锈方法和工艺。
特殊除锈需要根据不同的材料和环境选择合适的除锈剂和工具,并严格控制除锈过程中的参数。
特殊除锈常见于一些特殊材料制品,如不锈钢、铝合金等。
除锈是一项细致而繁琐的工作,需要根据具体情况选择合适的除锈等级和方法。
除锈的目的是保护金属制品,延长其使用寿命,提高外观质量。
除锈过程中需要注意保护金属表面,避免损坏或者过度磨损。
除锈后还需要进行防锈处理,以防止再次氧化。
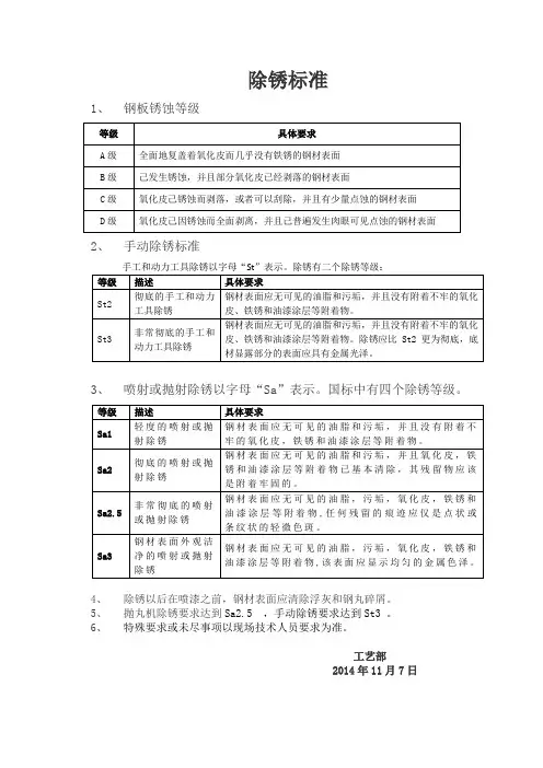
除锈等级标准
第一:除锈等级规范可以参见GB8923-88《涂装前钢材表面锈蚀和除锈等级》第二:喷射或抛射除锈,用Sa表示,可以分为四个等级:
1、Sa1级轻度喷砂除锈
表面应该没有可见的污物、油脂和附着不牢的氧化皮、油漆涂层、铁锈、和杂质等。
2、Sa2级彻底的喷砂除锈
表面应无可见的油脂、污物、氧化皮、铁锈、油漆涂层和杂质基本清除,残留物应附着牢固。
3、Sa2.5级非常彻底的喷砂除锈
表面没有可见的油脂、氧化皮、污物、油漆涂层和杂质,残留物痕迹仅显示条纹状的轻微色斑或点状。
4、Sa3级喷砂除锈至钢材表面洁净
表面没有可见的油脂、污物、氧化皮、铁锈、油漆涂层和杂质,表面具有均匀的金属色泽。
第三:动力工具和手工除锈,用St表示,分为二个等级:
1. St2 彻底手工和动力工具除锈,钢材表面没有可见油脂和污垢,没有附着不牢的氧化皮、铁锈或油漆涂层等附着物;
2. St3 非常彻底手工和动力工具除锈钢材表面应无可见油脂和污垢,并且无附着不牢的铁锈、氧化皮或油漆涂层等;并且比St2除锈更彻底,底材显露部分的表面有金属光泽。
除锈方法的字母表示如下:Sa——表示喷射和抛丸除锈法。
St——表示手动工具和动力工具除锈法,如铲刀,动力弹性砂轮片或砂轮等工具除锈。
喷射除锈等级:喷射处理等级对于喷射或抛丸除锈过的钢材表面,有四个除锈等级,其文字表述如下:Sa1.0——表示轻度的喷射或抛丸除锈。
钢材表面应无可见的油污和污垢,并且没有附着力不牢的氧化皮,铁锈和旧油漆涂层等附着物。
Sa2.0——彻底的喷射或抛丸除锈。
钢材表面应无可见的油脂和污垢,并且氧化皮,铁锈和旧漆涂层等附着物已基本清除。
其残留物应是牢固附着的。
Sa2.5——表示很彻底的喷射或抛丸除锈。
钢材表面应无可见的油脂、污垢、氧化皮、铁锈和油漆涂层等附着物。
任何残留的痕迹应仅是点状或条状的轻微色斑。
Sa3.0——表示使钢材表面洁净的喷射或抛丸除锈。
钢材表面应无可见的油脂、污垢、氧化皮、铁锈和油漆涂层等附着物,该表面应显示均匀的金属光泽。
其中:Sa1.0级相当于手工除锈;Sa2.0级属喷砂处理最低级,也叫工业清理级;Sa2.5级是工业上普遍用来用作技术要求或验收标准的级别,也叫近白清理级;Sa3.0级是喷砂处理的最高级别,也叫白色清理级,在这一级别上,钢材表面基体粗糙度可达Ra40um以上,与环氧富锌底漆的结合强度可大于12MPa,大大提高了钢材表面与油漆等防腐涂料的结合力,防腐年限可长达20年以上。
如果要达到Sa3.0的处理级别,需要压缩空气经后冷却器处理后的含水量大大降低,在多级压缩机之间有可能还要用上中间冷却器,同时在喷砂过程中,也要在喷砂间内使用除湿机来降低空气中的相对湿度,以免新处理后的钢板表面由于湿气的影响而再次返黄。
除锈质量等级一、除锈等级说明:1、锈蚀等级A级:钢材表面完全覆盖粘附的氧化皮,几乎无铁锈;155B级:钢材表面已开始锈蚀,氧化皮开始成片状脱落;C级:钢材表面上的氧化皮已锈蚀,或可刮除,但裸眼可看到轻微锈点;D级:钢材表面上的氧化皮已锈蚀剥落,裸眼可看到大量锈点。
2、表面处理的标准(目前国内一般采用瑞典标准SIS055900 (ISO8501 —1:1985))(1)Sa——喷砂除锈清理法标准Sal,Sa2, Sa2.5,Sa3(2)St――刮除法和钢丝刷除锈法标准St2,St3Sal级:轻度喷砂除锈表面应无可见的油脂、污物,没有附着不牢的氧化皮、铁锈、油漆涂层和杂质。
Sa2级:彻底的喷砂除锈表面应无可见的油脂、污物,几乎没有氧化皮、铁锈,油漆涂层和杂质,残留物应附着牢固。
Sa2.5级:非常彻底的喷砂除锈表面应无可见的油脂、污物,没有氧化皮、铁锈、油漆涂层和杂质,残留物痕迹仅显示点状或条纹状的轻微色斑。
Sa3级:喷砂除锈至钢材表观洁净表面应无可见油脂、污物,没有氧化皮、铁锈、油漆涂层和杂质,表面具有均匀的金属光泽。
St2:彻底的手工和动力工具除锈表面应无可见的油脂、污物,几乎没有附着不牢的氧化皮、铁锈、油漆涂层和杂质。
St3 :非常彻底的手工和动力工具除锈同St2,但应比St2处理的更彻底,金属底材呈现金属光泽。
156、除锈等级及表面粗糙度比较图锈蚀状态图除锈等级图BSt2 BSt3BSa2.5 BSa3157CSal CSa2CSa2.5 CSa3DSt2 DSt3DSa2DSa2.5粗糙度样板DSa3158除锈质量检查表时间:__________ 年_______ 月 _____ 日气候:温度一c相对湿度一%检查结论:甲方签字: __________ 监理签字:__________ 施工方签字:__________。
除锈等级也即清洁度,代表性国际标准有两种:一种是美国85年制订“SSPC-”;第二种是瑞典76年制订的“Sa-”,它分为四个等级分别为Sa1、Sa2、Sa2.5、Sa3,为国际惯常通用标准,详细介绍如下:Sa1级——相当于美国SSPC—SP7级。
采用一般简单的手工刷除、砂布打磨方法,这是四种清洁度中度最低的一级,对涂层的保护仅仅略好于未采用处理的工件。
Sa1级处理的技术标准:工件表面应不可见油污、油脂、残留氧化皮、锈斑、和残留油漆等污物。
Sa1级也叫做手工刷除清理级。
(或清扫级)Sa2级——相当于美国SSPC—SP6级。
采用喷砂清理方法,这是喷砂处理中最低的一级,即一般的要求,但对于涂层的保护要比手工刷除清理要提高许多。
Sa2级处理的技术标准:工件表面应不可见油腻、污垢、氧化皮、锈皮、油漆、氧化物、腐蚀物、和其它外来物质(疵点除外),但疵点限定为不超过每平方米表面的33%,可包括轻微阴影;少量因疵点、锈蚀引起的轻微脱色;氧化皮及油漆疵点。
如果工件原表面有凹痕,则轻微的锈蚀和油漆还会残留在凹痕底部。
Sa2级也叫商品清理级(或工业级)。
Sa2.5级——是工业上普遍使用的并可以作为验收技术要求及标准的级别。
Sa2.5级也叫近白清理级(近白级或出白级)。
Sa2.5级处理的技术标准:同Sa2要求前半部一样,但疵点限定为不超过每平方米表面的5%,可包括轻微暗影;少量因疵点、锈蚀引起的轻微脱色;氧化皮及油漆疵点。
Sa3级——级相当于美国SSPC—SP5级,是工业上的最高处理级别,也叫做白色清理级(或白色级)。
Sa3级处理的技术标准:与Sa2.5级一样但5%的阴影、疵点、锈蚀等都不得不存在了。
.手工除锈等级手工和动力工具,如铲刀,手动或动力钢丝刷,动力弹性砂轮片或砂轮等工具除锈,应首先铲除较厚的锈蚀层并清除油脂和污垢。
人工除锈后,钢材表面应清除浮灰和碎屑。
其除锈等级有三个St1、St2和St3。
一般用于无氧化皮的钢铁表面。
钢结构的除锈等级划分一、钢材表面锈蚀和除锈等级标准为国家标准GB8923-88《涂装前钢材表面锈蚀等级和除锈等级》。
二、标准将除锈等级分成喷射或抛射除锈、手工和电动除锈、火焰除锈三种类型。
三、喷射和抛射除锈,用字母“sa”表示,分四个等级:sa1——轻度的喷射后抛射除锈。
钢材表面无可见的油脂、污垢、无附着的不牢的氧化皮、铁锈、油漆涂层等附着物。
sa2——彻底的喷射或抛射除锈。
钢材表面无可见的油脂、污垢,氧化皮、铁锈等附着物基本清除。
sa21/2——非常彻底的喷射或抛射除锈。
钢材表面无可见的油脂、污垢、氧化皮、铁锈、油漆涂层等附着物,任何残留的痕迹仅是点状或条状的轻微色斑。
sa3——使钢材表面非常洁净的喷射或抛射除锈。
钢材表面无可见的油脂、污垢、氧化皮、铁锈、油漆涂层等附着物,该表面显示均匀的金属色泽。
除锈等级:高强螺栓连接的构件Sa2.5,其余St3(2008-01-01 22:00:01)标签:杂谈分类:土建专业看了图纸上钢结构除锈和涂装说明~自己不是很熟悉~查了下资料一、钢材表面锈蚀和除锈等级标准为国家标准GB8923-88《涂装前钢材表面锈蚀等级和除锈等级》。
二、标准将除锈等级分成喷射或抛射除锈,Sa,、手工和电动除锈,St,、火焰除锈,FI,三种类型。
喷射和抛射除锈~用字母“sa”表示~分四个等级:sa1——轻度的喷射后抛射除锈。
钢材表面无可见的油脂、污垢、无附着的不牢的氧化皮、铁锈、油漆涂层等附着物。
sa2——彻底的喷射或抛射除锈。
钢材表面无可见的油脂、污垢~氧化皮、铁锈等附着物基本清除。
sa2.5——非常彻底的喷射或抛射除锈。
钢材表面无可见的油脂、污垢、氧化皮、铁锈、油漆涂层等附着物~任何残留的痕迹仅是点状或条状的轻微色斑。
sa3——使钢材表面非常洁净的喷射或抛射除锈。
钢材表面无可见的油脂、污垢、氧化皮、铁锈、油漆涂层等附着物~该表面显示均匀的金属色泽。
手工除锈等级:St2 彻底的手工和动力工具除锈钢材表面应无可见的油脂和污垢~并且没有附着不牢的氧化皮、铁锈和油漆涂层等附着物。
钢材表面除锈等级A1 根据《涂装前钢材表面锈蚀等级和除锈等级》(GB 8923-88)的规定,钢材表面除锈等级以代表所采用的除锈方法的字母“Sa”、“St”或“F1”表示。
“Be”为化学除锈等级。
A2 现场施工的新构件应采用手工、机械或喷射除锈。
工厂加工的构件可采用喷射或化学除锈,旧构件除锈可采用手工、机械或局部火焰除锈。
A3 喷射或抛射除锈,包括喷砂、喷丸等,以字母“Sa”表示,共有四个除锈等级。
Sa1——轻度的喷射或抛射除锈。
钢材表面应无可见的油脂和污垢,并且没有附着不牢的氧化皮、铁锈和油漆等附着物。
Sa2——彻底的喷射或抛射除锈。
钢材表面应无可见的油脂和污垢,并且氧化皮、铁锈和油漆等附着物已基本清除,其残留物应是牢固附着的。
Sa21/2——非常彻底的喷射或抛射除锈。
钢铁表面应无可见的油脂、污垢、氧化皮、铁锈和油漆层等附着物,该表面应显示均匀的金属色泽。
Sa3——使钢材表面洁净的喷射或抛射除锈。
钢材表面应无可见的油脂、污垢、氧化皮、铁锈和油漆层等附着物,该表面应显示均匀的金属色泽。
A4 手工和动力工具除锈采用手工和动力工具,如用铲刀、手工和动力钢丝刷、动力砂纸盘和砂轮等工具除锈,以字母“St”表示。
共有两个除锈等级。
St2——彻底的手工和动力工具除锈。
钢材表面应无可见的油脂和污垢,并且没有附着不牢的氧化皮、铁锈和油漆层等附着物。
St3——非常彻底的手工和动力工具除锈。
钢材表面应无可见的油脂和污垢,并且没有附着不牢的氧化皮、铁锈和油漆层等附着物。
除锈应比St2更彻底,底材显露部分的表面应具有金属光泽A5 火焰除锈以“F1”级表示。
要求钢材表面应无氧化皮、铁锈和油漆涂层等附着物,任何残留的痕迹应仅为表面变色(不同颜色的暗影)。
A6 化学除锈以“Be”级表示。
要求钢材表面无可见的油脂和污垢,酸洗未尽的氧化皮、铁锈和油漆涂层的个别残留点允许用手工和机械方法除去,但最终该表面应显露金属原貌,无再度锈蚀。
钢材除锈等级标准表面处理是取得良好涂装效果的关键。
表面处理的投资相当可观,因此,对选择表面处理方法和油漆配套必须作周密的考虑。
?用国际标准来衡量表面处理也是很重要的,如瑞典标准SIS055900或ISO8501。
锈蚀等级表面处理标准的根本点是四个不同的锈蚀等级:A级?钢材表面完全覆盖?粘附的氧化皮,几乎无铁锈。
B级?钢材表面已开始锈蚀,氧化皮开始成片状脱落。
C级?钢材表面上的氧化皮已锈蚀或可刮除,但裸眼可看到轻微锈点。
D级?钢材表面上的氧化皮已锈蚀剥落,裸眼可看到大量锈点。
?根据SIS055900,这些锈蚀等级的表面处理是根据以下质量标准进行钢丝刷除锈和喷砂除锈的:St-钢丝刷除锈标准?St2,St3Sa-喷砂除锈标准Sa1,Sa2,Sa2.5,Sa3喷砂除锈-Sa喷砂除锈前应凿去所有的厚锈层,可见的油、脂和污物也应去除。
喷砂除锈后,表面应清洁,无灰尘和碎悄屑。
Sa1级?轻度喷砂除锈表面应无可见的油脂、污物、附着不牢的氧化皮、铁锈、油漆涂层和杂质。
Sa2级?彻底的喷砂除锈表面应无可见的油脂、污物,氧化皮、铁锈、油漆涂层和杂质基本清除,残留物应附着牢固。
Sa2.5级?非常彻底的喷砂除锈表面应无可见的油脂、污物、不牢的氧化皮、铁锈、油漆涂层和杂质,残留物痕迹仅显示点状或条纹状的轻微色斑。
Sa3级?喷砂除锈至钢材表现洁净表面应无油脂、氧化皮、铁锈、油漆涂层和杂质,表面具有均匀的金属色泽。
钢丝刷除锈-StSt2?彻底的手工和动力工具除锈表面应无可见的油脂、污物、附着不牢的氧化皮,铁锈、油漆涂层和杂质。
St3?非常彻底的手工和动力工具除锈同St2,但应比St2处理得更彻底,金属底材呈现金属光泽。
这些标准对表面处理有很大的帮助。
油漆供应商一般对每种类型的油漆规定相应的表面处理标准。
确定要求表面处理的方法和设备的选择应考以下因素:1、表面破损的程度如何?2、哪种设备适用?3、油漆配套是何种类型?4、表面结构如何?5、施工的油漆是何类型?6、所需的结果是什么?操作要点如要做好保养工作,应注意以下几点:1、去除铁锈和氧化皮2、去除锌盐。
除锈等级的分类除锈是指将金属表面上的氧化物、油污和其他杂质去除的过程,以达到防止金属腐蚀、延长使用寿命的目的。
根据除锈的难易程度和效果,可以将除锈等级分为轻度除锈、中度除锈、重度除锈三个等级。
一、轻度除锈轻度除锈是指除去金属表面上的轻微氧化物、油污和其他杂质的过程。
轻度除锈常用的方法有机械除锈和化学除锈。
1. 机械除锈机械除锈是通过物理力量将金属表面的氧化物、油污等杂质去除的方法。
常见的机械除锈工具有刷子、砂纸、刮刀等。
在除锈过程中,要注意力度的掌握,避免对金属表面造成划伤或损坏。
2. 化学除锈化学除锈是利用化学药剂将金属表面的氧化物、油污等杂质溶解或转化为可清洗的物质的方法。
常用的化学除锈剂有酸性除锈剂、碱性除锈剂等。
在使用化学除锈剂时,要注意遵循操作规程,戴好防护用具,避免对皮肤和呼吸系统造成伤害。
二、中度除锈中度除锈是指除去金属表面上的中等程度氧化物、油污和其他杂质的过程。
中度除锈常用的方法有喷砂除锈和化学转化除锈。
1. 喷砂除锈喷砂除锈是利用高速喷射的磨料将金属表面的氧化物、油污等杂质冲击破坏的方法。
喷砂除锈可以迅速清除金属表面的污垢,但在操作时要注意保护好周围环境和自身安全。
2. 化学转化除锈化学转化除锈是利用化学药剂将金属表面的氧化物转化为不溶于水的化合物,从而实现除锈的方法。
常见的化学转化除锈剂有磷酸盐、铬酸盐等。
在使用化学转化除锈剂时,要注意配比和浸泡时间,避免对金属表面造成过度腐蚀。
三、重度除锈重度除锈是指除去金属表面上的严重氧化物、油污和其他杂质的过程。
重度除锈常用的方法有电解除锈和高压水射流除锈。
1. 电解除锈电解除锈是利用电解原理将金属表面的氧化物、油污等杂质通过电流的作用溶解掉的方法。
电解除锈可以彻底清除金属表面的污垢,但在操作时要注意安全,避免电解液对人体的伤害。
2. 高压水射流除锈高压水射流除锈是利用高压水流将金属表面的氧化物、油污等杂质冲刷掉的方法。
高压水射流除锈可以快速高效地清除金属表面的污垢,但在操作时要注意保护好周围环境和自身安全。
设备除锈等级要求设备除锈是指对设备表面上的锈蚀进行处理和清除的工作。
除锈的目的是保护设备免受锈蚀的危害,保证设备的正常使用寿命和工作效果。
根据设备除锈的要求,可以将其分为不同的等级。
一、一级除锈一级除锈是最高级别的除锈要求,在对设备进行除锈处理时,要彻底清除设备表面的锈蚀物,使其恢复到原始状态。
除锈后的设备表面应该看不到任何锈迹,光滑平整。
一级除锈通常适用于一些对外观要求严格的设备,如汽车、电器、机械设备等。
二、二级除锈二级除锈要求相对较低,除锈后的设备表面可以有轻微的锈斑和锈迹,但不得对设备的正常使用和寿命产生明显影响。
二级除锈适用于一些不要求外观完美的设备,如管道、钢结构、容器等。
三、三级除锈三级除锈是最基本的除锈要求,只要求对设备表面的大部分锈迹进行清除即可,留有一些轻微的锈迹也被接受。
三级除锈主要适用于一些对外观要求相对较低,但需要保证设备正常工作的场合,如工地上的建筑材料、农业设备等。
除锈等级的要求在实际操作中需要根据设备的具体情况进行确定。
除锈的方法可以包括机械除锈、化学除锈和手工除锈等。
机械除锈一般采用铣削、研磨等机械方法,可以在较短时间内对设备表面进行除锈处理,但可能会对设备表面造成一定的损伤。
化学除锈通过使用酸碱等化学物质,可以有效去除设备表面的锈蚀物,但需要注意安全问题和环境保护。
手工除锈是最为常见的除锈方法,通过使用刷子、钢丝球等工具进行手工清除,虽然工作量较大,但可以更加细致地处理设备表面的锈蚀问题。
除锈等级的要求对设备的维护和使用非常重要。
除锈不仅可以延长设备的使用寿命,减少故障发生的可能性,还可以提高设备的工作效率和安全性。
因此,企业和个人在进行设备维护时应严格按照除锈等级的要求进行操作,确保设备始终保持良好的工作状态和外观。
除锈主要分为手工和动力工具除锈,喷射(喷砂抛丸)除锈
一、手工和动力工具除锈(用- St 表示)
(一)、St2级彻底的手工和动力工具除锈。
表面应无可见的油脂、污物、氧化皮、铁锈、油漆涂层和杂质。
(二)、St3 级非常彻底的手工和动力工具除锈
同St2,但应比St2处理得更彻底,金属底材呈金属光泽。
二、喷砂除锈(用Sa表示)
(一)、Sa1级轻度喷砂除锈
表面应无可见的油脂、污物、附着不牢的氧化皮、铁锈、油漆涂层和杂质。
(二)、Sa2级彻底的喷砂除锈
表面应无可见的油脂、污物、氧化皮、铁锈、油漆涂层和杂质基本清除,残留物应附着牢固。
(三)、Sa2.5级非常彻底的喷砂除锈
表面应无可见的油脂、污物、氧化皮、铁锈、油漆涂层和杂质,残留物痕迹仅显示点状或条纹状的轻微色斑。
(四)、Sa3级喷砂除锈至钢材表面洁净。
除锈等级的分类除锈是指将金属表面上的铁锈、氧化皮等腐蚀物质清除干净的一种工艺。
根据除锈的难度和效果,可以将除锈等级分为轻微、中等和严重三个等级。
轻微除锈是指金属表面只有少量铁锈或氧化皮,且容易清除的情况。
这种情况下,可以使用一些物理或化学方法进行除锈。
物理方法包括使用砂纸、刷子、钢丝球等工具进行擦拭和磨砂,以去除表面的铁锈。
化学方法则是使用除锈剂,如酸性溶液或碱性溶液,将铁锈溶解或中和掉。
轻微除锈一般比较容易,不需要太多的时间和精力,但需要注意保护好金属表面,避免损坏。
中等除锈是指金属表面上有一定数量的铁锈或氧化皮,且较为难以清除。
对于这种情况,可以采用机械除锈和电化学除锈的方法。
机械除锈主要是使用机械设备,如砂轮、喷砂机等,对金属表面进行切削和喷砂处理,以去除较为顽固的铁锈。
电化学除锈则是通过电解的方式,利用电解液中的化学反应将铁锈溶解掉。
中等除锈相对于轻微除锈来说,需要更多的耐心和技巧,同时也需要更加复杂的设备和工艺。
严重除锈是指金属表面上的铁锈或氧化皮非常严重,甚至已经对金属造成了一定程度的损害。
这种情况下,除锈工作更加困难和复杂。
对于严重除锈,通常需要采用一些高级的除锈方法,如喷砂除锈、激光除锈、电解除锈等。
喷砂除锈是利用高速喷射的磨料将铁锈冲击掉,激光除锈则是利用激光束对铁锈进行热熔蒸发,电解除锈则是通过电解的方式将铁锈溶解掉。
严重除锈需要更加专业的设备和技术支持,同时也需要更多的时间和精力。
除锈工作对于金属的保养和修复至关重要。
除锈等级的分类有助于确定除锈的难度和采取的除锈方法,从而更好地保护和延长金属的使用寿命。
无论是轻微除锈、中等除锈还是严重除锈,都需要专业的人员和合适的设备来进行操作,以确保除锈效果和金属的安全性。
除锈工作虽然可能有一定的难度,但是通过合适的方法和工艺,以及专业人员的操作,可以使金属表面恢复光洁和光亮。
除锈不仅可以美化金属表面,还可以防止金属继续腐蚀和损坏,延长金属的使用寿命。
除锈等级也即清洁度,代表性国际标准有两种:一种是美国85年制订“SSPC-”;第二种是瑞典76年制订的“Sa-”,它分为四个等级分别为Sa1、Sa2、Sa2.5、Sa3,为国际惯常通用标准,详细介绍如下:Sa1级——相当于美国SSPC—SP7级。
采用一般简单的手工刷除、砂布打磨方法,这是四种清洁度中度最低的一级,对涂层的保护仅仅略好于未采用处理的工件。
Sa1级处理的技术标准:工件表面应不可见油污、油脂、残留氧化皮、锈斑、和残留油漆等污物。
Sa1级也叫做手工刷除清理级。
(或清扫级)Sa2级——相当于美国SSPC—SP6级。
采用喷砂清理方法,这是喷砂处理中最低的一级,即一般的要求,但对于涂层的保护要比手工刷除清理要提高许多。
Sa2级处理的技术标准:工件表面应不可见油腻、污垢、氧化皮、锈皮、油漆、氧化物、腐蚀物、和其它外来物质(疵点除外),但疵点限定为不超过每平方米表面的33%,可包括轻微阴影;少量因疵点、锈蚀引起的轻微脱色;氧化皮及油漆疵点。
如果工件原表面有凹痕,则轻微的锈蚀和油漆还会残留在凹痕底部。
Sa2级也叫商品清理级(或工业级)。
Sa2.5级——是工业上普遍使用的并可以作为验收技术要求及标准的级别。
Sa2.5级也叫近白清理级(近白级或出白级)。
Sa2.5级处理的技术标准:同Sa2要求前半部一样,但疵点限定为不超过每平方米表面的5%,可包括轻微暗影;少量因疵点、锈蚀引起的轻微脱色;氧化皮及油漆疵点。
Sa3级——级相当于美国SSPC—SP5级,是工业上的最高处理级别,也叫做白色清理级(或白色级)。
Sa3级处理的技术标准:与Sa2.5级一样但5%的阴影、疵点、锈蚀等都不得不存在了。
.手工除锈等级手工和动力工具,如铲刀,手动或动力钢丝刷,动力弹性砂轮片或砂轮等工具除锈,应首先铲除较厚的锈蚀层并清除油脂和污垢。
人工除锈后,钢材表面应清除浮灰和碎屑。
其除锈等级有三个St1、St2和St3。
一般用于无氧化皮的钢铁表面。
除锈等级标准
喷涂(浸漆、喷漆)前钢材表面除锈应符合要求和国家现行有关标准规定。
涂喷前钢构件表面的除锈质量是确保漆膜防腐蚀效果和保护寿命的关键因素。
因此钢构件表面的质量控制是防腐涂层的重要环节,喷涂前的钢材表面处理亦称除锈。
除锈不仅要除去钢材表面的污垢、油脂、铁锈、氧化皮、焊渣和已失效的旧漆膜的清楚程度,即清洁度,还包括除锈后钢材表面所形成的合适的“粗糙度”。
以下是涂装前钢材表面锈蚀等级和除锈等级标准。
(一)、锈蚀等级
钢材表面分A、B、C、D 4个锈蚀等级。
1、A级全面的覆盖着氧化皮而几乎没有铁锈的钢材表面。
2、B级已发生锈蚀,并且部分氧化皮已经剥落的钢材表面。
3、C级氧化皮已因锈蚀而剥落或可以刮除并且少量点蚀的钢材表面。
4、D级氧化皮已因锈蚀而全面剥落并且以普遍发生点蚀的钢材表面。
(二)、除锈等级
除锈等级按除锈方式可分为人工除锈、动力工具除锈、喷砂除锈和化学除锈等。
但依据我公司钢构件产品的实际情况,我们只用到人工除锈、动力除锈,下面是手工和动力工具除锈等级。
St2—彻底的手工和动力工具除锈。
钢材表面应无可见的油脂和污垢并且没有附着不牢的氧化皮、铁
锈和油漆涂层等附着物。
St3—非常彻底的手工和动力工具除锈。
钢材表面应无可见的油脂和污垢并且没有附着不牢的氧化皮、铁锈、和油漆涂层等附着物。
除锈应比ST2更为彻底,地材显露部分的表面应具有金属光泽。
依据以上标准,结合我公司的实际情况,我公司生产的标准构件(较薄钢构件)要达到ST2等级,对于大型钢构或异型构件要达到ST3等级。