空压站流程图
- 格式:pdf
- 大小:468.73 KB
- 文档页数:1
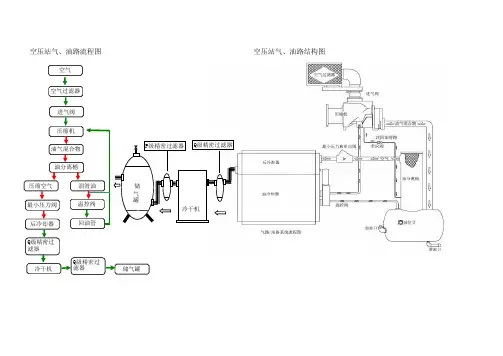
一、空压站工艺流程空气→自洁式过滤器→离心式空压机→压缩热再生吸附式干燥机→缓冲罐→用户管壳式(水走管程,气走壳程)↑自洁式过滤器(空气)→进口导向阀(空压机进气口)→一级压缩机头→一级冷却器↓↓↘(执行机构控制)叶轮、扩压器(电机带动齿轮)↓放空阀排掉↖压缩热再生吸附式干燥机←三级压缩机头←二级冷却器←二级压缩机头↓↓↓(吸附过程详解)(增压到)(同上级,继续增压)↓缓冲罐→用户空压机干燥机空压机双模自动控制方式:空压机排气压力设定在,进口调节导叶在压缩机可调范围内,调节进口气量使压缩机保持在恒压排气压力,当达到喘振(用户不用气时,机器的自我保护)控制点后,进口导叶停止关小,使压缩机的排气压力上升到卸载压力设定值(),此压缩机将会自动卸载(放空阀打开),压缩机将一直保持卸载状态,直到排气量低于设定值()后,从新加载。
压缩热再生吸附式干燥机吸附原理(以A塔加热,B塔吸附为例):从空压机出来的压缩空气进入A塔对干燥剂进行加热到170min后,被加热后,压缩空气由旁通阀旁通,高温湿饱和的压缩气直接进入后冷却器,再经气水分离器,液态水被分离,在进入另一塔吸附240min,170min后有一部分再生气经节流孔完成对再生A塔的冷吹后经消音器排除,60min冷吹结束,再经10min平衡A塔与B塔的压力,然后在进出B塔加热,A塔吸附的过程,480min一个周期。
1 B塔在生气进气气动节阀2 A塔进气气动节阀3 A 塔在生气进气气动节阀4 A塔出气气动节阀5 B塔冷吹气进气气动节阀6 B塔冷吹二级气动节阀7 切换气动节阀 9 A塔在生气进气气动节阀10 B塔进气气动节阀 11 B 塔在生气进气气动节阀12 B塔出气气动节阀 13 A塔冷吹气进气气动节阀14 A塔冷吹二级气动节阀 15 B塔冷吹一级气动节阀16 A塔冷吹一级气动节阀二、启停操作步骤1检查设备管线、阀门、电气及仪表是否完好,冷却水是否正常、干燥机填料是否合格,空压机润滑油位是否正2检查完毕后打开一级冷却器和二级冷却器的进出水阀门油冷却器的进出水阀门、干燥机的后冷却器的进出水阀门,在打开空压机的出气阀3检查无误后按下空压机的启动按钮,延迟30s后空压机进入自动状态,进行加载,接着启动干燥机,当干燥机的吸附塔压力达到0·75mp时打开干燥机出气阀(在出气管道无压力时进行这步操作,因为干燥机所有阀门都是气动阀门,在没有压力的情况下不会打开,起不到干燥作用,有压力的情况下,可以在启动干燥机的情况下直接慢慢打开出气阀)4先停止干燥机后停止空压机按空压机的停止按钮,空压机自动卸载,延时15s后,空压机停机,然后在关闭空压机出气阀和干燥机出气阀,等空压机冷却下来在关掉冷却水,将干燥机吸附塔泄气。
久泰能源内蒙古有限公司仪表空压站操作规程编制:审核:审定:批准:2009年9月目录1.岗位任务及管辖范围..........................................................................................................................................- 2 -1.1岗位任务..............................................................................................................................................................- 2 -1.2管辖范围..............................................................................................................................................................- 2 -2.工艺概述..............................................................................................................................................................- 3 -2.1生产原理..............................................................................................................................................................- 3 -2.2流程叙述..............................................................................................................................................................- 3 -2.3工艺指标及性能参数..........................................................................................................................................- 4 -3.空压站开停车步骤..............................................................................................................................................- 4 -3.1空压站具备开车的条件(原始开车)..............................................................................................................- 4 -3.2空压机开车..........................................................................................................................................................- 5 -3.3空压机停车..........................................................................................................................................................- 5 -4.日常操作及维护..................................................................................................................................................- 6 -4.1空压机日常操作..................................................................................................................................................- 6 -4.2日常维护项目......................................................................................................................................................- 9 -5.生产安全..............................................................................................................................................................- 9 -5.1防火......................................................................................................................................................................- 9 -5.2防止超压..............................................................................................................................................................- 9 -5.3防止机械性伤害..................................................................................................................................................- 9 -6.附表....................................................................................................................................................................- 10 -6.1设备一览表........................................................................................................................................................- 10 -1. 岗位任务及管辖范围久泰能源内蒙古有限公司仪表空压站位于空分界区西北角,其主要设备均由上海优耐特斯压缩机有限公司负责成套,主要原理是利用螺杆空压机对空气的压缩原理以及干燥器的变温吸附原理(TSA)实现对空气的压缩及净化,本套装置利用压缩机以及干燥器内部逻辑控制系统,可使每套空压机60%-100%负荷范围内的全智能调节,大大增加了设备运行的可靠行和产品仪表空气的供气稳定性。
( 操作规程 )单位:_________________________姓名:_________________________日期:_________________________精品文档 / Word文档 / 文字可改空压站岗位操作规程(新版)Safety operating procedures refer to documents describing all aspects of work steps and operating procedures that comply with production safety laws and regulations.空压站岗位操作规程(新版)1.岗位职责⑴积极参加生产管理,认真执行操作规程和安全规程。
⑵负责本岗位所属设备的运转、维护、润滑保养工作,保证备用设备处于良好状态,配合有关单位对设备进行周期检查。
⑶负责连续供风,确保风压在规定范围内。
⑷勤巡检、勤分析、勤调整,按时填写各项操作运行记录,保证安全生产。
⑸负责本岗位电器、设备及环境卫生的清理工作,使其经常保持清洁。
⑹负责生产工具,清防器材及各项公用器材的保管和维护。
2.工艺流程简述⑴3L-10/8-I型空气压缩机:空气经滤清器、消声器进入空压机经两级压缩后至后冷却器冷却后进入储气罐,然后送至全厂用户。
冷凝的油水进入油水分离罐,分离出油和水。
⑵Z-6/8-I型空压机及净化装置:空气经滤清器、消声器进入空压机一级气缸压缩后,经一级冷却器冷却至40℃以下,通过一级分离器进入二级气缸,压缩后经二级冷却器冷却至40℃以下,通过二级分离器进入储气柜,经干燥器干燥后送储气罐至全厂用户。
干燥器成对配置,交替工作,再生。
附工艺流程图3.工艺技术指标(一)3L-10/8(L-11/7)型空压机(L型两级双缸复动水冷式)⑴排气量10m3/min(11m3/min)⑵排气压力(表压)一级0.18-0.22MPa不超过0.25MPa二级0.8MPa(0.7MPa)不超过0.8MPa⑶轴功率55kW⑷气缸直径一级300mm二级180mm⑸活塞行程200mm⑹转速480转/min⑺冷却水消耗量〈2.4m3/h⑻润滑油消耗量〈70g/h⑼排气温度一级〈40℃二级〈160℃⑽润滑油压力表大于0.1MPa(11)冷却水最高进水温度不超过35℃(12)机身油池内润滑油温度不应超过60℃(二)2-6/8(立式两级双缸水冷式无润滑空压机)⑴排气量6m3/min⑵轴功率37kW⑶排气压力一级1.76-2.66×105MPa二级0.8MPa⑷额定转速740转/min⑸各级排气温度〈160℃⑹冷却后的排气温度〈40℃⑺进水温度〈30℃出水温度〈40℃⑻油泵压力〉0.98×105Pa⑼冷却水消耗量〈2.4m3/小时(h)⑽油温〈60℃(11)外型尺寸L2250×W2530×H1930(三)空气干燥净化装置⑴型号GWu型无热再生净化装置⑵额定排气量6m3/min⑶有效供气量〉5m3/min⑷工作压力0.8MPa⑸供气压力0.77MPa⑹再生方式无热再生⑺重量850kg⑻外型尺寸1220×960×2050⑼本装置配机型号2Z-6/8-I4.设备概况序号名称及规格单位数量⑴空气压缩机3L-10/8-I型台2 P=0.8MPaQ=10m3/min⑵空气压缩机L-11/7-I型台1 P=0.7MPaQ=11m3/min⑶电动机JY250M-6台3N=65kWu=380Vn=986r/min⑷储气罐V=1.0m3个3⑸后冷却器台3⑹油冷却器个3⑺消声器个3⑻废油收集箱V=0.5m3个1⑼无油润滑空气压缩机台22Z-6/8-IQ=6m3/minP=0.8MPa⑽电动机Y2805-8台2N=37kWu=380V(11)储气罐V=0.6m3个2(12)空气净化装置DWu-6/8-B型个1(13)净化空气储气罐V=0.6m3个1(14)洁油与污油箱个1(15)手动单梁悬挂起重机套1LK=5.5m5D×Q×Z(16)环链手拉葫芦I28a个1HS2型Q=2t5.设备维护保养制度⑴设备运行中要定期巡检,注意观察设备的运行工况及有关参数,发现问题及时处理汇报,并如实做好记录。