北京市装配式建筑项目预制率和装配率计算说明及示例-文档资料
- 格式:ppt
- 大小:3.16 MB
- 文档页数:55
装配式建筑装配率计算规则一、一般规定1.本规则适用于装配式建筑单体建筑装配率的计算,包括混凝土结构、钢结构、木(竹)结构、混合结构等结构类型。
2.单体建筑应按项目规划批准文件的建筑编号确认。
3.当建筑由主楼和裙房组成时,主楼和裙房可按不同的单体建筑进行计算。
4.当单体建筑中釆用了不同的结构体系(类型)时,可先按单一结构体系(类型)计算出各结构单元的装配率,再根据各结构单元地上建筑面积加权平均。
5.地下室主体结构采用装配式建造时,主体结构的得分按照相应评分表计算,地下室主体结构实际实施的面积可以替代上部结构相同面积的主体结构得分。
6.单体建筑装配率P 按下式计算: %100100Q Q Q Q Q P 54321⨯++++=式中:P ──单体建筑装配率;Q 1──标准化指标实际得分值Q 2──主体结构系统指标实际得分值; Q 3──外围护系统指标实际得分值; Q 4──内装系统指标实际得分值; Q 5──管线系统指标实际得分值;7.各系统的得分不应小于评分表中规定的最低分值要求。
8.公共建筑室内或居住建筑套内实施全装修的情况下,当全装修表面积的60%及以上采用装配式装修方式完成,且实现管线与主体结构分离时,内装系统和管线系统的装配率均可直接按照满分计算。
9.本规则中未予明确计算的新技术、新工艺,其计算方式由住房和城乡建设厅组织专家进行评估论证。
10.装配式建筑的分级标准为:A级,得分为60-75分;AA级,得分为76-90分;AAA级,得分为91分及以上。
二、评分表1.本规则按照居住建筑、公共建筑和工业建筑的特点分别给出评分项及评分值。
(见表一、表二、表三)2.各评分项的得分有区间要求的按照插值法进行计算,仅有下限要求的评分项达到要求方可得分。
3.有多个评价项但评价分值仅有一项时,满足一个评价项的要求即可得分。
三、计算规则下列定义适用于本规则。
1.单体建筑装配率的计算范围为单体建筑室外地坪以上的部分。
装配式住宅结构设计要点(含预制率、装配率计算)预制率和装配率目前除国标《装配式建筑评价标准》中对装配率做了统一规定外,上海、江苏、北京、成都、深圳、湖南、湖北等省市也陆续出台了针对当地的预制率和装配率计算细则。
但在纳入预制率(装配率)计算的构件范围以及各类构件预制率(装配率)的折算比例方面都有所差别。
以上海预制率和装配率计算细则为例,预制率是指混凝土结构、钢结构、钢-混凝土混合结构、木结构等结构类型的装配式建筑±0.000 以上主体结构和围护结构中预制构件部分的材料用量占对应构件材料总用量的比率。
规范列出了两种计算方法:计算方法一预制率=预制混凝土构件体积/(预制混凝土构件体积+现浇混凝土体积)计算方法二预制率=∑(构件权重×修正系数×预制构件比例)×100%计算时需要注意以下几点:1.上海地区计算范围为室外地坪以上,以每栋单体建筑为计算单元。
2.上海地区预制构件范围仅包含主体结构和外墙围护结构,幕墙、石材、石膏板等非混凝土预制构件不计入预制率,内墙填充墙不计入预制率。
3.方法一仅用于混凝土结构,方法二可用于混凝土结构、钢结构和木结构。
混凝土结构的装配式住宅采用两种方法计算均可。
装配率装配率是指装配式建筑中预制构件、建筑部品的数量(或面积)占同类构件或部品总数量(或面积)的比率。
建筑单体装配率 = 建筑单体预制率 + 部品装配率 + 其他部品装配率 = ∑(部品权重× 部品比例)×100%其中,“部品”指预制内隔墙、单元式幕墙、集成式厨房、集成式卫生间、集成管道井、集成排烟道。
“其他”指结构与保温一体化、墙体与窗框一体化、集成式墙体、集成式楼板、组合成型钢筋制品。
装配式结构体系选型制约预制结构体系的因素主要有两个方面,一是建筑高度,按照现有规范的规定,不同结构体系的装配整体式房屋有最大适用高度限值。
二是建筑保温形式,常见的保温形式有夹心保温、内保温和外保温,设计时应考虑各类保温形式的特点及使用材料进行选择。
·装配式建筑装配率与预制率计算细则目次1 总则 (3)2 术语 (4)3 基本规定 (4)4 装配率与预制率计算 (5)4.1 装配率计算 (5)4.2 预制率计算 (9)4.3 计算规定 (10)5 预制外墙外表面积比计算 (12)6 预制外墙建筑面积计算 (15)1.0.1为统一装配率和预制率计算,规范装配式建筑评价,促进装配式建筑发展,提高装配式建筑的环境效益、社会效益和经济效益,制定本细则。
1.0.2本细则适用于宁波市装配式建筑在设计阶段的装配率和预制率计算。
1.0.3 装配率和预制率计算除应符合本细则外,尚应符合国家和浙江省现行标准的有关规定。
2.0.1装配式建筑prefabricated building由预制部品部件在工地装配而成的建筑,采用以标准化设计、工厂化生产、装配化施工、一体化装修和信息化管理等为主要特征的工业化生产方式建造的建筑,包括:装配式混凝土建筑、装配式钢结构建筑、装配式钢-混凝土混合结构建筑、木结构建筑。
2.0.2装配率prefabrication ratio装配式建筑单体±0.000楼层以上的主体结构、围护墙和内隔墙、装修和设备管线等采用预制部品部件的综合比例。
2.0.3预制率Precast ratio of single building装配式混凝土建筑单体的基本预制率与附加预制率之和。
2.0.4全装修decorated所有功能空间的固定面装修和设备设施安装全部完成,达到建筑使用功能和建筑性能的状态。
2.0.5构件标准化Component standardization指装配式混凝土建筑预制构件制作遵循一整套具有适应性的模数以及模数协调原则。
设计中据此优化各功能模块的尺寸和种类,使建筑部品、部件实现通用性,最终达到“少规格、多组合”的目的。
2.0.6集成厨房integrated kitchen楼面、吊顶、墙面、橱柜、厨房设备及管线等通过设计集成、工厂生产,在工地主要采用干式工法装配而成的厨房。
国家及各地预制率、装配率计算标准汇总2017-03-18 00:00预制率、装配率是评价装配式建筑的重要指标之一,也是政府制定装配式建筑扶持政策的主要依据指标。
然而现阶段其状况却只能用一个字来形容:乱。
预制率、装配率、预制装配率、预制化率、标准层混凝土的预制率、结构构件的预制率多种名称都在使用。
这带来了一系列问题:这些名词(指标)的概念到底是什么?预制率计算含不含非承重内墙?单体建筑的装配率该如何计算?钢、木等材料算不算“预制”建材?预制率高些好?还是低一些更科学?“三板”应用项目预制率能达到多少?装配式建筑政策该依据什么指标制定?为了解决些问题,我们首先从这些概念的形成过程说起。
▲不同概念名称的提出时间表一、国标《工业化建筑评价标准》GB/T 51129-2015给出定义:预制率——工业化建筑室外地坪以上主体结构和围护结构中预制部分的混凝土用量占对应构件混凝土总用量的体积比。
(装配式混凝土结构钢结构适用)不低于20%●混凝土体积计算比较繁琐,不便于核查。
●部分专家有不同看法:非承重内隔墙、裙房、地下室等部分混凝土体积是否参与计算?钢结构、木结构建筑是否也应提出预制率指标?装配率——工业化建筑中预制构件、建筑部品的数量(或面积)占同类构件或部品总数量(或面积)的比率。
(实际评价规则中,不含已经计算预制率的构件)不低于50%●装配率计算只针对单独构件或建筑部品,未提出单栋建筑的装配率计算方法(分6类,各部位装配率均大于50%,视同建筑整体装配率大于50%)。
●参与预制率计算的构件,是否仍参与装配率计算?●是否需要引入权重?(从评分规则来看,是有权重的)二、深圳政策:深圳市住宅产业化项目单体建筑预制率和装配率计算细则(试行)预制率不低于15%●针对标准层计算。
●非承重内隔墙纳入计算,但计算体积时需乘系数0.5。
●非承重内隔墙部分计算体积比时,上限不超过7.5%。
装配率——是指建筑标准层特定部位采用预制构件和装配式模板技术施工时,采用预制构件所免除的模板面积与采用装配式模板的面积之和,占传统现浇所需模板总面积的百分比。
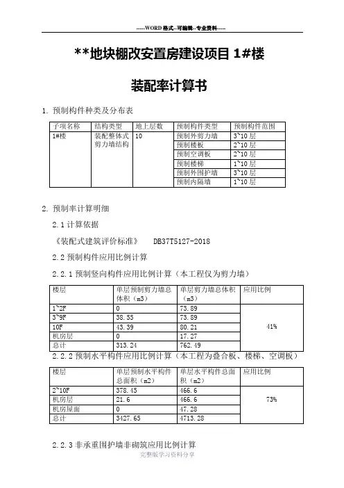
**地块棚改安置房建设项目1#楼
装配率计算书
1.预制构件种类及分布表
2.预制率计算明细
2.1计算依据
《装配式建筑评价标准》 DB37T5127-2018
2.2预制构件应用比例计算
2.2.1预制竖向构件应用比例计算(本工程仅为剪力墙)
2.2.3非承重围护墙非砌筑应用比例计算
2.2.6内隔墙采用墙体、管线、装修一体化应用比例计算
分)品标准化
节点标准化─── 1 0
)(2分) 2 0
信息化技术(Q
5
合计得分51.3
装配率
51.3% 备注
(P)
Q' 0
注:1 高精度模板内设保温材料现浇形成的非承重围护墙体,满足无空腔复合保温结构体要求,且应用比例≥80%时,非承重围护墙非砌筑评价项可得2.0分;
2 采用高精度砌块拼装内隔墙且应用比例≥80%时,内隔墙非砌筑评价项可得2.0分;
3 围护墙、保温、装饰仅实现两者一体化,评价分值区间应为1.8~3.0;
4 内隔墙、管线、装修仅实现两者一体化,评价分值区间应为1.8~3.0;
5 表中带“*”项的分值采用“内插法”计算,计算结果取小数点后1位。
附件:北京市发展装配式建筑2017年工作计划2017年是我市推进装配式建筑发展的关键之年,按照《北京市人民政府办公厅关于加快发展装配式建筑的实施意见》(京政办发〔2017〕8号)要求,为进一步明确工作目标,细化责任分工,落实各项工作任务,特制定本工作计划。
一、明确工作目标(一)工作目标到2017年末,实现装配式建筑占新建建筑面积的比例达到10%以上。
初步形成适应装配式建筑发展的政策保障体系、技术支撑体系和适应装配式建筑发展的产业能力。
(二)实施范围1.自2017年3月15日起,新纳入本市保障性住房建设计划的项目和新立项政府投资的新建建筑应采用装配式建筑。
其中政府投资的单体地上建筑面积1万平方米(含)以上的新建公共建筑应采用钢结构建筑。
2.自2017年3月15日起,通过招拍挂文件设定相关要求,对以招拍挂方式取得城六区和通州区地上建筑规模5万平方米(含)以上国有土地使用权的商品房开发项目应采用装配式建筑;在其他区取得地上建筑规模10万平方米(含)以上国有土地使用权的商品房开发项目应采用装配式建筑。
3.新建工业建筑应采用装配式建筑。
4.2017年,在上述实施范围内的以下新建建筑项目可不采用装配式建筑:——单体建筑面积5000平方米以下的新建公共建筑项目;——建设项目的构筑物、配套附属设施(垃圾房、配电房等);——技术条件特殊,不适宜实施装配式建筑的建设项目(需经市装配式建筑专家委员会论证后报市装配式建筑联席会议办公室审核同意)。
二、严格实施标准装配式建筑应严格执行国家及本市的相关标准,同时还应满足以下要求:1.装配式建筑的装配率应不低于50%。
2.装配式混凝土建筑的预制率应符合以下标准:高度在60米(含)以下时,其单体建筑预制率应不低于40%,建筑高度在60米以上时,其单体建筑预制率应不低于20%。
装配式建筑预制率及装配率计算说明附后。
三、做好项目落实各区、各部门要强化建设各环节的监督与指导,确保项目实施规模和实施标准符合上述要求。
内蒙古科技大学包头师院公寓楼装配率计算书20目录前言 (3)一、工程概况 (3)二、公寓楼预制率计算 (5)1、计算水平预制构件应用比例 (6)2、计算竖向预制构件应用比例 (9)3、外墙挂板应用比例计算 (10)4、非承重围护墙非砌筑 (15)5、内隔墙中非砌筑墙体的应用比例 (16)6、计算装配率 (18)三、总结 (19)前言什么是装配式建筑?我们早已熟悉的一砖一瓦积累而成的楼房,按照定义,装配式建筑是指把建筑需要的墙体、叠合板等预制构件,在车间(工厂)按标准生产,将预制件在施工现场装配,主要包括预制混凝土结构、钢结构、木结构等。
采用标准化设计、工厂化生产、装配化施工、信息化管理、智能化应用。
好比就是像造汽车一样造房子,把“零部件”像“搭积木”一样安装房子。
按照推进供给侧结构性改革和新型城镇化发展的要求,大力发展钢结构、混凝土等装配式建筑,具有发展节能环保新产业、提高建筑安全水平、推动化解过剩产能等一举多得之效。
国务院总理李克强2016年9月14日主持召开国务院常务会议,部署加快推进“互联网+政务服务”,以深化政府自身改革更大程度利企便民;决定大力发展装配式建筑,推动产业结构调整升级。
会议决定以京津冀、长三角、珠三角城市群和常住人口超过300万的其他城市为重点,加快提高装配式建筑占新建建筑面积的比例。
为此,一要适应市场需求,完善装配式建筑标准规范,推进集成化设计、工业化生产、装配化施工、一体化装修,支持部品部件生产企业完善品种和规格,引导企业研发适用技术、设备和机具,提高装配式建材应用比例,促进建造方式现代化。
二要健全与装配式建筑相适应的发包承包、施工许可、工程造价、竣工验收等制度,实现工程设计、部品部件生产、施工及采购统一管理和深度融合。
强化全过程监管,确保工程质量安全。
三要加大人才培养力度,将发展装配式建筑列入城市规划建设考核指标,鼓励各地结合实际出台规划审批、基础设施配套、财政税收等支持政策,在供地方案中明确发展装配式建筑的比例要求。
预制率计算公式
预制率的计算公式为:预制率 =(预制构件的体积/总构件的体积)× 100%。
其中,预制构件的体积指的是预制混凝土构件的体积,包括楼板、墙板、梁、柱等;总构件的体积指的是建筑结构混凝土的总体积,包括预制构件和现浇构件的体积之和。
预制率的大小对于建筑工业化程度和建筑质量有很大的影响。
一般来说,预制率越高,建筑的工业化程度越高,施工效率和质量也越高。
因此,在建筑设计和施工过程中,需要根据实际情况选择合适的预制率,以达到提高施工效率、降低成本、保证质量的目的。
国家及各地预制率、装配率计算标准汇总2017-03-18 兰狐狸摘自中天施工技术阅714转15转藏到我的图书馆微信分享:QQ空间QQ好友新浪微博腾讯微博推荐给朋友预制率、装配率是评价装配式建筑的重要指标之一,也是政府制定装配式建筑扶持政策的主要依据指标。
然而现阶段其状况却只能用一个字来形容:乱。
预制率、装配率、预制装配率、预制化率、标准层混凝土的预制率、结构构件的预制率多种名称都在使用。
这带来了一系列问题:这些名词(指标)的概念到底是什么?预制率计算含不含非承重内墙?单体建筑的装配率该如何计算?钢、木等材料算不算“预制”建材?预制率高些好?还是低一些更科学?“三板”应用项目预制率能达到多少?装配式建筑政策该依据什么指标制定?为了解决些问题,我们首先从这些概念的形成过程说起。
▲不同概念名称的提出时间表█国标《工业化建筑评价标准》GB/T 51129-2015给出定义:预制率——工业化建筑室外地坪以上主体结构和围护结构中预制部分的混凝土用量占对应构件混凝土总用量的体积比。
(装配式混凝土结构钢结构适用)不低于20%●混凝土体积计算比较繁琐,不便于核查。
●部分专家有不同看法:非承重内隔墙、裙房、地下室等部分混凝土体积是否参与计算?钢结构、木结构建筑是否也应提出预制率指标?装配率——工业化建筑中预制构件、建筑部品的数量(或面积)占同类构件或部品总数量(或面积)的比率。
(实际评价规则中,不含已经计算预制率的构件)不低于50%●装配率计算只针对单独构件或建筑部品,未提出单栋建筑的装配率计算方法(分6类,各部位装配率均大于50%,视同建筑整体装配率大于50%)。
●参与预制率计算的构件,是否仍参与装配率计算?●是否需要引入权重?(从评分规则来看,是有权重的)█预制率不低于15%●针对标准层计算。
●非承重内隔墙纳入计算,但计算体积时需乘系数0.5。
●非承重内隔墙部分计算体积比时,上限不超过7.5%。
装配率——是指建筑标准层特定部位采用预制构件和装配式模板技术施工时,采用预制构件所免除的模板面积与采用装配式模板的面积之和,占传统现浇所需模板总面积的百分比。
北京装配率评价标准全文共四篇示例,供读者参考第一篇示例:北京市作为我国的首都和政治、文化中心,经济实力雄厚,城市建设也在不断发展壮大。
随着城市化进程的不断推进,建筑业作为城市发展的重要支柱产业之一,也得到了快速的发展。
在建筑业中,装配率是一个重要的评价标准。
装配率是指在建筑过程中采用的装配式建筑技术所占比例,也可以理解为建筑中预制构件的使用比重。
装配率高低直接影响到建筑工程的质量、效率和成本,因此评价装配率的标准非常重要。
北京市的装配率评价标准是由相关部门和专家共同制定的,以确保符合北京市的实际情况和发展需求。
在制定评价标准时,需要考虑以下几个方面:首先是工程质量。
装配式建筑技术可以提高建筑工程的质量和稳定性,减少因施工现场环境和操作不当导致的问题。
装配率评价标准应当结合建筑工程的特点和要求,在确保工程质量的前提下确定合理的装配率指标。
在高层建筑中,装配率应该更高,以保证建筑的安全性和稳定性。
其次是工程效率。
装配式建筑技术可以大幅提高建筑工程的施工效率,缩短工期,减少劳动力成本。
评价标准应当考虑到这一点,鼓励和引导企业采用装配式建筑技术,提高施工效率。
应当注重装配率与施工周期的匹配度,避免过高或过低的装配率对施工周期的影响。
第三是成本控制。
装配式建筑技术虽然可以提高建筑工程的质量和效率,但在一定程度上会增加建筑成本。
评价标准应当综合考虑装配式建筑技术的成本和效益,合理确定装配率指标,使之既不影响工程的质量和效率,又不增加过多的成本负担。
还应当考虑可持续发展的要求。
装配率评价标准应当向环保、节能、可持续发展的方向倾斜,鼓励采用环保、节能的装配式建筑技术,降低建筑对资源和环境的影响。
北京市的装配率评价标准应当综合考虑工程质量、施工效率、成本控制和可持续发展等因素,合理确定装配率指标,促进装配式建筑技术的广泛应用和推广。
只有不断完善和优化评价标准,才能更好地促进北京市建筑业的健康发展,为城市的发展做出更大的贡献。