俄罗斯联邦建筑标准与规程(终版)
- 格式:doc
- 大小:83.00 KB
- 文档页数:10
俄罗斯标准1 概述俄罗斯联邦现在执行的标准化规范文件主要有以下几种:——独联体(跨国)标准GOST;——独联体跨国建议与跨国规则PMΓ与ΠMΓ;——俄罗斯联邦国家标准GOST R;——俄罗斯联邦的其它标准化规范文件,如:部标准OCT;计量规程MИ;俄联邦分类OҚ;组织性、方法性系列标准(ΓOCT P50系列标准);组织标准(即相当于我国的企业标准)等。
1. GOST标准前苏联解体后,前苏联的国家标准GOST全部转化为独联体跨国标准GOST,其标准的名称为“独联体跨国标准”,标准符号采用前苏联国家标准符号,就是把前苏联标准原封不动的移过来,由独联体跨国标委(全称“独联体跨国标准化、计量与认委员会”)管理这些标准。
“跨国标准”这—名称是中国标准化研究院张国华研究员确定的名称,这是很贴切原意的。
当然曾经也有人试图称为“国家间标准”但是总不如“跨国标准”更符合其原意。
目前,ΓOCT标准的顺序号从1开始排,最大的号已超过31000,今后还在不断增长。
如:GOST 7.60-2003;GOST 745-2003;GOST 6810-2002(E 1.1233—89) ;GOST 20845-2002;GOST 30827-2002;GOST 31015-2002。
还有直接采用国际标准的GOST,就用国际标准的原来号,如:GOST R ISO 14644-1-2000—就是采用IS0 14644-1的GOST;在俄罗斯联邦的《全国标准目录》中,列出当年有效的全部跨国标准GOSTT。
3. GOST R标准前苏联解体后,俄罗斯联邦的国家标准符号用GOST R。
在GOST后加R (即Russia),以示区别于跨国标准GOST。
目前GOST R的标准顺序号从1开始排,最大号排到30000之前(即不超过30000)。
然后,GOST R的顺序号又越过30001—50000 (因为码段30001—50000号留给跨国标准GOST用),再从50001起排,现在最大号已超过52100,以后还在不断增加。
门、窗透气性、渗水性的确定方法正式出版负责建筑业方面的标准化、技术规范化和认证等事务的国家间科技委员会简称(MHTKC)莫斯科2000前言1.该标准由俄罗斯建筑与建设科学院建筑物理科研所和俄罗斯国家建筑委员会标准化、技术规范化和认证等事务局编制。
由俄罗斯国家建筑委员会引入。
2.经建筑业标准化、技术规范化和认证等事务的国家间科技委员会于1999年20日通过。
ГОСТ 28799-90, CТ CЭВ 4184-83。
4.依据1999年11月17日的№61批文,从2000年1月开始,作为俄罗斯联邦国标颁布实施。
本标准在俄罗斯联邦境内,作为正式出版物,在没有得到俄罗斯建筑委员会的许可的情况下,不能全部或者部分地被再版、发行和推广。
目录1.使用范围------------------------------------------------------------------------------------2.术语、代号和定义------------------------------------------------------------------------3.透气性的确定方法------------------------------------------------------------------------试验设备和检验工具-------------------------------------------------------------------- 试验的准备程序-------------------------------------------------------------------------- 试验的程序-------------------------------------------------------------------------------- 试验结果的处理和编制规则----------------------------------------------------------- 4.渗水性的确定方法------------------------------------------------------------------------- 4.1试验设备和检验工具--------------------------------------------------------------------- 4.2试验的准备程序--------------------------------------------------------------------------- 4.3试验的程序--------------------------------------------------------------------------------- 4.4试验结果的处理和编制规则------------------------------------------------------------ 附件A 喷水的方法和所用设备的介绍----------------------------------------------附件B 标准编写者情况-------------------------------------------------------------------实施日期:2000年1月1日1.使用范围本标准明确了由各种材料制成的、各种用途建筑物用的门、窗透气性和渗水性的确定方法(以下简称窗)。
莫斯科联邦大厦墙柱爬升模板施工方案一,工程概况本工程为全现浇钢筋混凝土结构工程,地下4层,深17.45m,地上85层,建筑高度342m,为欧洲最高建筑,世界最高全现浇钢筋混凝土结构工程。
建筑平面形状为弧线三角形,标准层建筑面积3000m²,标准层高3806mm,非标准层高3137、3287、3460、4152、4548、5376、5536、5882、5982、7266、7612mm。
与墙柱相邻的楼板厚度350mm。
核心筒主体呈梯形,建筑面积415 m²,包括楼梯间等其它墙体在内共546 m²。
墙体起始厚度分别为1200、1000、600、300mm,至建筑顶部时1200、1000mm部位的墙体变为400mm, 600、300mm墙体厚度不变。
建筑物3边共有26根矩型柱,随建筑高度变化,有2边的柱距及平面位置内收,柱中心最大偏移8.04m。
柱截面起始尺寸分别为4000×2000、3600×1800、至建筑顶部时柱截面尺寸为900×450、1100×550、1200×600。
为了确保合同工期,确保工程质量和施工安全,经过考察、研讨、评审、创新和试验,本工程决定采用成熟的液压爬升模板技术。
二,爬模概况1,爬模的定义:爬升模板是依附在建筑结构上,随着结构施工而逐层上升的一种模板,当结构凝土达到拆模强度而脱模后,模板不落地,依靠机械设备和支承体将模板和爬模装置向上爬升一层,定位紧固,反复循环施工。
爬模是适用于高层建筑或高耸构造物现浇钢筋混凝土结构的先进模板施工工艺。
2爬模与滑模的主要区别:1) 滑模是在模板与混凝土保持接触互相摩擦的情况下逐步整体上升的。
滑模上升时,模板高度范围内上部的混凝土刚浇灌,下部的混凝土接近初凝状态,而刚脱模的混凝土强度仅为0.2~0.4Mpa。
爬模上升时,模板已脱开混凝土,此时混凝土强度已大于1.2Mpa,模板不与混凝土磨擦。
1. Нормативные документы Российской Федераци1.1 Строительные нормы и правила - СНиП (48)1.2 Своды правил по проектированию и строительству - СП (73)1.3 Санитарные правила и нормы СанПиН (36)1.4 Ведомственные строительные нормы ВСН (38)1.5 Гигиенические нормативы ГН (5)1.6 Государственные элементные сметные нормы на строительные работы (51)1.7 Единые нормы ирасценки на строительные, монтажные и ремонтно-строительные работы (ЕНиР). (73)1.8 Нормы пожарной безопасности НПБ (71)1.9 Нормативные показатели расхода материалов (НПРМ) (21)1.10 Территориальные строительные нормы Московской области (18)1.11 Типовые инструкции по охране труда ТОИ (26)1.12 Федеральные единичные расценки на строительные работы ФЕР (24)1.13 Федеральный закон РФ (52)1.14 Кодексы Российской Федерации (23)1俄罗斯联邦规范文件1.1建筑规范法规1.2设计及建筑法规汇总1.3卫生条例及规范1.4部定建筑规范1.5卫生标准1.61.7 建筑安装及维修统一规范及评估1.8 消防安全规范年1.9 材料消耗定额指标1.10 莫斯科州区域建筑规范1.11 劳动保护标准细则1.12 建筑工程联邦统一评估1.13 俄罗斯联邦法1.14 俄罗斯联邦法典2. Документы органов государственного надзора2.1 Инструкции Госгортехнадзора РФ (11)2.2 Постановления Госгортехнадзора РФ (179)2.3 Приказы Госгортехнадзора РФ (186)2.4 Распоряжения Госгортехнадзора РФ (26)2.5 Указания Госгортехнадзора РФ (45)2.6 Письма, методические рекомендации, положения и согласования Госгортехнадзора РФ (14)4. 国家标准4.1国际标准加固物4.2国际标准混凝土4.3国际标准混凝土砌块4.4国际标准通风箱4.5国际标准岩石块4.6国际标准墙体砌块4.7国际标准水4.8国际标准供水4.9国家标准供气4.10国家标准基土4.11国家标准门窗4.12国家标准工程预算文件4.13国际标准统一的设计文件系统4.14国际标准原木及板材4.15国家标准建筑设施4.16国家标准石棉水泥制品4.17国际标准木制品及零件4.18国家标准钢筋混凝土制品及构造4.19国家标准卫生产品4.20国际标准检验4.21国际标准电缆4.22国际标准石料及砖制品4.23国家标准建筑细则4.24国家标准锅炉4.25国家标准起重机4.26国际标准涂料油漆4.27国际标准紧固件4.28国家标准屋顶4.29国家标准扶梯,安全装置4.31国际标准润滑油4.32国家标准装饰材料4.33国际标准建筑材料4.34国际标准隔热材料4.35国际标准建筑机械4.36国际标准金属和金属制品4.37国际标准测量计量4.38国际标准供暖设备4.39国际标准泵4.40国际标准废物管理4.41国际标准窗及窗单元4.42国际标准照明设备4.43国家标准环境保护4.44国家标准混凝土、钢筋混凝土板4.45国家标准原木板4.46国家标准起重运输设备4.47国家标准消防安全4.48国家标准地板覆面层4.49国际标准钢材4.50国家标准密封垫4.51国家标准型材4.52国家标准建筑泥浆4.53国际标准螺纹钢4.54国家标准桩4.55国际标准焊接4.56国家标准质量系统鉴定4.57国家标准钢筋网4.58国家标准银行防护装备4.59国家标准工人保护装备4.60国家标准修补设备4.61国家标准建设精度保障系统4.62国际标准钢材4.63国家标准玻璃4.64国际标准中空玻璃4.65国际标准钢筋混凝土柱4.66国家标准梯阶4.67国际标准水计量表4.68国家标准管道4.69国家标准导管4.70国家标准超声波4.71国家标准日常服务4.72国家标准农场4.73国家标准钢筋混凝土制品模具4.74国家标准水泥4.75国际标准安装焊缝4.77国家标准沙土,砾石,碎石4.78国际标准电能4.79国家标准电力设备4.80国际标准电气装置4.81国际标准动力工程及电气化4.82国家标准产品质量证明系统4.83国家标准劳动力安全标准系统。
同意批准«АК «Транснефть»股份有限公司总经理助理«Дианэкс»公司经理____________Н.И. 日尔钦科____________В.Н.潘奇科夫2003年____________ 2003年____________按照标准文件中的要求对检测工具进行更新和监控所遵循的规程R-03-TNE-03登记:技术监督局局长:Г.Ю. 济明同意:ЦУП «Транснефть»股份有限公司质量和技术监督处处长:Н.А.奥尼卡«АК «Транснефть»股份有限公司生产处处长:А.С.戈林2003年目录1.术语及定义 (3)2.总则 (3)3.组织实施监控 (4)4.组织实施设备及工具的监控并确定任务 (4)5.新仪表的试验、鉴定及采购 (5)6.根据标准文件的要求更新检测工具 (5)1. 术语及定义1.1 监控–跟踪某过程以确定其符合预期的结果或最初的方案(1)。
1.2 手段–完成某种工作所需的工具,设备,夹具(等)或其总合(1)。
1.3 设备–机械,构件(1)。
1.4 测量设施–用于测量的技术设备(2),这些设备均通过计量标定,具有物理量单位,这些单位在规定时间段内不变(4)。
1.5 检测工具–试测量时所用的技术手段,均通过计量标定。
检测工具中包括计量方法,测量仪器,换算器以及由此构成的测量设备和系统(3)。
1.6 物理值的测量–使用技术手段的综合工序,技术手段中包含了物理量的单位,能够得出测量值与其单位的比值并最终得出测量值(4)。
1.7 检查检测工具–由国家计量单位完成的综合性工序,其目的是检查并确认检测工具符合特定的技术要求(2)。
1.8 校准检测工具–综合性的工序,其目的为检查并确认计量值及该检测工具是否适用,这些检测工具不需进行国家计量检验,监测(2)。
1.9 检测工具类型确认书–由权威国家机构颁发的文件,证明该类型检测工具已按照现行法律规定的程序得以确认且符合特定要求(2)。
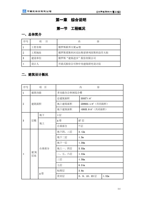
第一章综合说明
第一节工程概况一、总体简介
二、建筑设计概况
三、结构设计概况
第二节工程重点、难点分析及针对性措施
本工程是集办公、公寓、宾馆、饭店及各种商业、娱乐服务为一体的多功能办公休闲综合楼,规模大、功能齐全、装修豪华,建成后成为“莫斯科-西季”综合楼的一部分,将是莫斯科北部的中心和欧洲最高的建筑。
本工程为超高层建筑,设计形式新颖,技术含量高,这对施工和组织管理提出了很高的要求。
为确保达到国际“精品工程”的目标,我们针对本工程的重点、难点进行了分析,并逐项制定了针对性措施。
1、结构施工重点、难点分析及针对性措施
2、建筑施工重点、难点分析及针对性措施
3、总承包管理重点、难点分析及针对性措施。
重要文件重要文件登录 | 注册 | 联系信息•主•文件的文本该文件被部分取消SP 22.13330.2011建筑物和结构的基础。
更新版本的SNiP 2.02.01-83 *SP 22.13330.2011删除规则建筑物和结构建筑物建筑物和结构的土基更新版本的____________________________________________________________________- 来自数据库制造商的注释。
____________________________________________________________________实施日期2011-05-20前言关于这组规则的信息艺术家 1 - 研究,设计和研究设计和基础技术研究所和地下结构im.N.M.Gersevanova - 研究所“SIC”建设“(NIIOSP im.N.M.Gersevanova)2由标准化技术委员会(TC 465)“施工”3准备由建筑,建筑和城市规划部门批准5由联邦技术监管和计量局(Rosstandart)注册。
修改合资企业22.13330.2010关于这套规则变化的信息在每年公布的信息指数“国家标准”中公布,修订和修正案文发布在月度信息指标“国家标准”中。
在对本规范进行审查(替换)或取消的情况下,相关公告将在月刊“国家标准”信息索引中公布。
有关信息,通知和文本也公布在互联网上的开发者(俄罗斯地区发展部)的官方网站上“信息公报”中关于规范性,方法性和标准项目文件N 8,2011年引入的印刷品错别字由数据库的制造商制造。
介绍本文件包含各种工程和地质条件下建造的各种建筑物和结构(包括地下建筑物)的基础设计指南。
设计NIIOSP im.N.M.Gersevanova - “SIC” 建筑“协会(tehn V.P.Petruhin科学博士,E.A.Sorochan,技术科学I.V.Kolybin的候选人- 主题的头...;技术科学博士:BV Bakholdin,AA Grigoryan,PA Konovalov,VI Krutov,NS Nikiforova,LR Stavnitser,VI Sheinin; Cand。
序代码?名称页数字数号1ГОСТ?防锈蚀和老化保护一致标准135319 2ГОСТ?油漆粉刷喷涂方法分类与基本参数157434 3ГОСТ?油漆涂料?金属表面上漆前准备4930769 4ГОСТ164-90?高度卡尺技术规范104167 5ГОСТ166-89_?游标卡尺技术规程186771 6ГОСТ380-94?一般质量的碳素钢?标号113181 7ГОСТ427-75_?金属丈量直尺?技术规范1032678ГОСТ535-88_?一般质量碳素钢制成的型钢和异型钢?总技术249570规范9ГОСТ977-88?钢铸件总技术规程5118271 10ГОСТ1050-88_?表面特别办理型钢、冷拔钢?总技术规范3311366 11ГОСТ?螺栓、螺丝、双头螺栓及螺母?技术规范217923 12ГОСТ螺母机械性能及实验方法164862 13ГОСТ2246-70_?钢焊条?技术规范2911986 14ГОСТ2712-75_?润滑油技术规程92895 15ГОСТ3242-79?焊接接合质量监控方法103359 16ГОСТ3749-77_90°角尺技术规范12419417ГОСТ4381-87?杠杆式千分尺通用技术规范145910 18ГОСТ4543-71_?合金构造钢?技术规范471815919ГОСТ5264-80_手工电弧焊焊接接头基本种类、构造零件和尺539915寸20ГОСТ5378-88?游标量角器技术规范103008 21ГОСТ5915-70_?精准度等级为B的六角螺帽构造及尺寸62523 22ГОСТ6402-70_?弹簧垫圈技术规格113047 23ГОСТ6996-66_?焊接?接头机械性能测定方法5515876 24ГОСТ7502-98?金属丈量卷尺?技术规范127963 25ГОСТ7505-89?钢制模锻件?公差、余量和铸造余料5417388 26ГОСТ7512-82_?非损坏性查验?焊接接合?射线照相方法17895227ГОСТ7564-97?轧材?机械及工艺试验选样、制坯及制样的基156195本规则28ГОСТ7566-94_金属产品的查收、标号、包装、运输和寄存131112029ГОСТ7798-70_?六角头螺栓?构造和尺寸211023730ГОСТ8026-92?检查用尺?技术规格11447631ГОСТ8050-85_?气态和液态二氧化碳?技术条件311561132ГОСТ8420-74_?油漆资料?条件粘度确立方法9319233 ГОСТ8479-70_?碳素和合金构造钢锻件?一般技术条件18 733934ГОСТ8713-79_?埋弧焊?焊接接合??基本种类、构造因素和尺668277寸35ГОСТ8731-74_?热轧无缝钢管?技术规格134786 36ГОСТ9087-81_融化焊剂-技术条件104430 37ГОСТ9150-2002?公制螺纹??可代用性基本标准8156738ГОСТ9466-75_?手动电弧焊和堆焊镀层金属焊条?分类和总2717066的技术规程39ГОСТ9467-75_?用于耐热构造钢手工弧焊的涂药金属焊条?93462种类40ГОСТ10157-79_?气态和液态氩?技术规范4321313 41ГОСТ10243-75?钢?低倍组织试验和评定方法3511466 42ГОСТ10528-90_?水平仪?技术总条件177635 43ГОСТ10529-96?经纬仪?技术规程总则199865 44ГОСТ10549-80_?螺纹偏爱率、螺尾、总偏爱率、底切和倒角224756 45ГОСТ10705-80_?电焊钢管?技术规程2110615 46ГОСТ10906-78_斜面垫圈?技术规格7136147ГОСТ10922-90?钢筋混凝土构造钢筋焊件和嵌入焊件,钢筋3112546和嵌入件的焊接接头48ГОСТ11371-78_垫圈?技术规程13304749ГОСТ11533-75?自动和半自动焊剂弧焊,锐角和钝角焊接接203426合?基本种类、构造零件和尺寸50ГОСТ11534-75_?手工电弧焊、锐角和钝角焊接接合15236751ГОСТ14098-91?钢筋混凝土构造钢筋和置入制品的焊接接合196263种类、构造和大小52ГОСТ14771-76_?气体保护焊?焊接接头?基本种类、构造零件337105及尺寸53ГОСТ14782-86?非损坏性查验焊接接合超声波方法4114135 54ГОСТ15140-78_?油漆资料?粘附力测定方法10420455ГОСТ15150-69_?外面环境天气影响下的分类、作业条件,储6224945存和运输56ГОСТ15164-78_?电渣焊接接头?基本种类、构造零件和尺寸143879 57ГОСТ15590-70_?带六角小帽和导向颈的螺栓?构造和尺寸197208 58ГОСТ15591-70_?六面小螺帽螺栓?构造及大小72077 59ГОСТ16093-2004?米制螺纹?公差、容隙装置491616960ГОСТ16350-80?苏联天气?影响技术设施的天气因素的地区12143967划定和参数统计61ГОСТ18123-82_?垫片?一般技术条件102990 62ГОСТ19281-89_?高强度钢轧材?技术规程228038 63ГОСТ19283-93?微粒滑石粉?分别成分测定方法103698 64ГОСТ19425-74_?工字梁和特种槽钢?规格72015 65ГОСТ19903-74_??热轧钢板?规格361113366ГОСТ21104-75?无损探伤?铁磁探测器方法145629 67ГОСТ21105-87_?无损探伤?磁粉方法177550 68ГОСТ21780-83?施工中的几何参数精准度保障系统8347481 69ГОСТ22261-94_?电量和磁量丈量设施?通用技术条件3629714 70ГОСТ22353-77_螺栓、螺母及高强度垫圈246991 71ГОСТ23118-99?建筑钢构造总技术条件271483372ГОСТ23518-79?保护气体弧焊、锐角和钝角焊接?基本种类、202787构造零件和尺寸73ГОСТ?地脚螺栓?总技术规程?构造和尺寸7475ГОСТ24705-2004?公制螺纹?基本尺寸7677ГОСТ26047-83?建筑钢构造标号3513544 3859 273576ГОСТ26271-84_?用于含碳和低合金钢弧焊的粉末焊条?基本125009技术条件77ГОСТ27772-88_?用于建筑钢构造的轧材?总技术规程2411183 78ГОСТ28870-90?厚轧制钢板在厚度方向上的抗拉试验方法113524 79СНиП-85?建筑构造防腐化保护4834715 80СНиП-85_?建筑施工组织3418639 81СНиП-84?建筑中的大地丈量工程219673 82СНиП-87?已达成工程建设的使用查收322068183СНиП-87《支承和防备构造》12275773 84СНиП-85?建筑构造和修建物防腐化保护1611394 85СНиП52-01-2003?混凝土和钢筋混凝土构造?基本规则3424374 86СНиПII-23-81_?钢构造设计规范12372379 87СНиПIII-4-80_?建筑中的安全技术2015381СП53-101-98?钢建筑构造制造和质量检测?设计和建筑规则汇23814 8830编89СТП012-2000?桥梁钢构造工厂制作956000190ТСН102-00?带有A500C和A400C等级配筋的钢筋混凝土构造?1484118莫斯科市地方建筑标准BSEN10025-3?热轧构造钢型材?第3部分?正火正火轧制可焊细912810036晶粒构造钢交货技术条件92BSEN10168?钢材?—?查验文件?信息清单与说明155332 93BSEN102042004?金属产品-检查文件种类(英国标准)144225BSEN14399-1(E)-C高强度预加载构造螺栓连结组合件?第1部11636 9425分:整体要求BSEN14399-2(E)-C高强度预加载构造螺栓连结组合件?第2部6071 9517分:预加载适合性试验BSEN14399-3(E)-C高强度预加载构造螺栓连结组合件?第3部7740 9623分:HR系列-六角头螺栓和螺母组合件97BSEN14399-5(E)-C高强度预加载构造螺栓连结组合件?第5部113983分:平垫圈98BSENISO3269-2001紧固件?查收检查(英国标准)3011499 DINEN??14399-4-C预加载高强度构造螺栓连结组合件六角头螺99217085栓及螺母组合件?第4部分:HV系列-六角头螺栓及螺母组合件DINEN??14399-6D预加载高强度构造螺栓连结组合件?第6部分:2894 10010斜角平垫圈。
俄罗斯联邦大厦工程楼基础结构施工方案A中国建筑工程总公司2005.12.20第 2 页共 26 页目 录第一章主要编制依据 (4)第二章工程概况 (4)第三章施工总体安排 (7)第四章主要施工方法、技术措施 (13)第六章冬期施工措施 (21)第七章质量控制措施 (22)第八章安全管理措施 (23)第九章文明施工及环境保护措施.....................错误!未定义书签。
第 3 页共 26 页第 4 页 共 26 页第一章 主要编制依据1. 联邦大厦工程基础结构施工图:设计号450-01 KX1,施工图P1----P57;2. 联邦大厦A 座《钢筋混凝土结构施工技术指南》;3. 莫斯科当地有关技术规程;第二章 工程概况2.1工程概况工程名称 俄罗斯联邦大厦(RUSSIA FEDERATION TOWER )工程地址俄罗斯莫斯科河克拉斯诺普列涅斯科沿岸大街,“Moscow city ” 13号地地上总高度 93层,354.328m 。
地下层数 4层,裙楼处为5层±0.00标高 130.10m 基底标高主楼区:108.35m 裙楼区:108.85m基底相对标高-21.75m 建筑面积 29万㎡ 结构型式 现浇钢筋混凝土框剪结构 混凝土强度等级 B80 -B40 垫层砼等级B15底板厚度、标高主楼底板厚度4.0m ,上表面标高:112.65m.第 5 页共 26 页¾本工程基础底板为平板式筏基,底板面积较大且厚度不一致。
主楼底板与裙楼底板之间并未设置后浇带,按照主楼区、观光电梯区和裙楼把底板分成3个施工段,每个施工段采用一次性连续浇筑砼。
¾为避开市区拥堵的交通时间段,混凝土体积最大的主楼基础底板混凝土浇筑时间选在周五晚上下班高峰之后的8:00开始,至下周一早上上班高峰到来之前的6:00结束,时间为58个小时。
¾裙楼和观光电梯区基础底板混凝土体积较小,浇筑开始时间同样定在周五晚上8:00开始,约48小时之内浇完。
俄罗斯联邦建筑标准与规程热力网СНиЛ 41-02-2003建筑标准与规程СНиЛ 41-02-2003俄罗斯联邦国家住房和建筑政策委员会2003年6月24日第N110号决议批准生效建筑标准体系俄罗斯联邦建筑标准与规程热力网建筑标准与规程СНиЛ 41-02-20031.编制单位:“全俄动力工业(科学)研究和设计所”无限股份公司,国立彼尔姆技术大学,燃料能源总体防腐蚀保护方式设计人员和制造者协会、带有工业聚合物隔热层的管道的生产者和消耗着协会、“区电站、电网布局与合理化”无限股份公司、“全俄热工研究院”无限有限公司、“全俄西北动力工业(科学)研究和设计所”、“燃烧元素”有限股份公司、莫斯科鉴定委员会、“莫斯科设计”无限股份公司、国营“莫斯科工程设施科研与设计研究院”、“管道”科技规划有限股份公司、“俄罗斯公用动力设施”有限股份公司、“列宁格勒燃气热力建筑工程”无限股份公司、国立伊尔库斯克技术大学、“绝缘材料”无限股份公司、“列宁格勒燃气热力建筑工程”无限股份公司、国立伊尔库斯克技术大学、“绝缘材料”无限股份公司和秋明建筑设计类科学院等入股的“热力设计”股份公司。
提交单位:由俄罗斯联邦国家住房和建筑政策委员会建筑和住宅公用设施技术定额、标准化与验证管理局。
2.由2003年6月24日俄罗斯联邦国家建设委员会第N110号决议批准,自2003年9月1日起生效。
3.代替建筑规范与规程СНиЛ 2.04.07-86*前言本建筑标准与规程规定了设计热力网在热能生产、分配、输送和利用过程中,燃料能源资源合理利用的完整的工艺工程中,集中供暖系统的所有相互作用相关构筑物所必须遵守的综合标准要求。
规定了对供热系统的安全性、可靠性以及持久性的要求。
在编制本建筑标准与规程时,利用了俄罗斯国内外一些重要的同行的标准,也考虑到了俄罗斯设计和运行部门运用已有标准的十七年来的经验。
在本建筑标准与规程中首次:引入了供热生态和运行安全,供热备用性(质量)标准:推广运用无故障工作概率准则;阐明了在非设计(极端)条件下,保持持久性的原则和要求,详细规定了集中供热系统的特征;引入了设计热力网时所采用的可靠性准则的标准(定额);给出了考虑到防火安全的保温结构的选择准则。
序号标准号标准译名1гоств9.003-80防腐蚀和防变质统一体系军用装备技术储存条件的一般要求2гост9.008-82材料及零件防腐蚀和老化统一保护方法金属镀层和无机非金属涂层术语和定义3гост9.011-73材料及零件防腐蚀和老化统一保护方法铝和铝合金半成品暂时性防护一般技术要求4гост9.011-79材料及零件防腐蚀和老化统一保护方法铝和铝合金半成品暂时性防护一般技术要求5гост9.014-78对制件临时抗腐蚀防护的一般要求6гост9.019-74防腐蚀和防老化统一防护体系铝镁合金腐蚀破裂快速试验方法7гост9.021-74铝和铝合金晶间腐蚀快速试验方法8гост9.024-74橡胶耐热老化试验方法9гост9.025-74防腐蚀和老化统一体系油漆涂层涂漆前金属表面的准备10гост9.028-74产品的临时抗腐蚀防护金属制品的胚件、零件及组装的单位:两个工序间的防护一般技术要求11гост9.030-74硫化橡胶无应力状态下对液体腐蚀介质作用的耐腐蚀性的测定方法12гост9.031-74产品的临时抗腐蚀防护铝及铝合金半成品的阳极氧化层技术要求、验收规划和检验方法13гост9.032-74防腐蚀和防老化统一防护体系油漆涂层分类技术要求和代号14гост9.033-74防腐蚀和防老化统一防护体系橡胶热老化时测量特性的预测方法15гост9.036-74防腐蚀和防老化统一防护体系耐放射性的防护聚合的涂层按使用条件的分类和代号16гост9.041-74防腐蚀和老化的统一体系大气腐蚀防腐剂防护能力的加速试验方法17гост9.045-75产品的临时抗腐蚀防护油漆涂层抗霉菌作用的试验室试验法18гост9.047-75防腐蚀和老化的统一体系金属镀层和非金属无机涂层表面处理工艺过程的工序19гост工业制品耐霉菌性的试验室试验方法9.048-8920гост9.050-75防腐蚀和老化的统一防护体系油漆涂层霉菌作用稳定性试验室试验方法21гост9.054-75防锈润滑油、润滑脂和石油薄膜涂层防护能力的加速试验方法22гост9.058-75防腐蚀和老化的统一防护体系合成材料、木、纤维、纸、纸板热熔剂破损稳定性的试验室试验方法23гост9.072-77防腐蚀和老化的统一体系油漆涂层术语和定义24гост9.073-77防腐蚀和老化的统一体系金属和非金属无机涂层种类、厚度数列和代号25гост9.074-77产品的临时抗腐蚀防护温带地区用品的油漆涂层一般技术要求快速试验方法26гост9.080-77润滑脂金属腐蚀快速测定法27гост9.083-78产品的临时抗腐蚀防护油漆涂层在液态腐蚀介质中寿命的加速试验方法28гост9.102-91产品的临时抗腐蚀防护生物因素对工程项目的影响术语与定义29гост9.103-78产品的临时抗腐蚀防护金属与制品的暂时防腐蚀术语与定义9.105-80涂漆方法的分类与基本数据31гост9.301-86产品的临时抗腐蚀防护金属和非金属无机涂层一般要求32гост9.301-78金属及非金属无机涂层技术要求验收规则和检验方法33гост9.302-88产品的临时抗腐蚀防护金属和无机非金属涂层检查方法34гост9.303-84金属和非金属无机涂层选择的一般要求和代号35гост9.303-84产品的临时抗腐蚀防护金属和无机非金属涂层选择的一般要求36гост9.305-84产品的临时抗腐蚀防护金属和无机非金属涂层获得涂层工艺过程的工序37гост9.306-85防腐蚀和老化统一体系金属和非金属无机涂镀层代号38гост9.052-88防止腐蚀和老化统一体系油和润滑油耐霉菌作用的试验室试验方法39гост9.308-85金属和非金属无机涂层的加速腐蚀试验方法40гост9.311-87金属和非金属无机涂层的腐蚀损伤评定方法9.315-91一般要求和检查方法42гост9.401-89产品的临时抗腐蚀防护热带制品的油漆层技术要求和加速试验方法43гост9.401-91油漆涂层耐候性加速试验的一般要求和方法44гост9.402-80产品的临时抗腐蚀防护油漆层金属表面涂漆前的准备45гост9.403-80产品的临时抗腐蚀防护漆层耐液体静力作用稳定性试验方法46гост9.404-81产品的临时抗腐蚀防护寒冷地区使用的制品的油漆覆盖层一般要求和工艺流程47гост9.405-83产品的临时抗腐蚀防护油漆涂层确定热烘干工序的方法48гост9.407-84油漆涂层的外观评定法49гост9.408-86产品的临时抗腐蚀防护油漆涂层储藏条件下稳定性快速试验方法50гост9.409-88产品的临时抗腐蚀防护油漆涂层耐石油制品性能的加速试验方法51гост9.501-79防腐蚀和防老化统一体系里哪(芫荽)ифхAн-1 技术条件52гост9.510-93铝及铝合金半成品的临时抗腐蚀防护、包装、运输和储存的一般要求53гост9.511-93防腐蚀和防老化统一体系镁合金半成品临时性抗腐蚀保护、包装、运输和储存的一般要求54гост9.602-89产品的临时抗腐蚀防护地下建筑物对防锈的一般要求55гост9.701-79EC3KC橡胶抗辐射老化稳定性的试验方法56гост9.716-91防腐蚀和防老化统一防护体系聚合材料老化时增稠剂含量变化的测定方法57гост9.904-82防腐蚀和防老化统一防护体系铝合金分层防腐的快速试验方法58гост9.907-83金属、合金和金属涂层腐蚀试验后腐蚀产物的去处方法59гост9.908-85防腐蚀和防老化统一防护体系铁和合金腐蚀系数和耐蚀性的测定方法60гост9.909-85防腐蚀和防老化统一防护体系铁合金、金属、无机金属和非涂层在气候试验站的试验方法61гост9.913-90产品的临时抗腐蚀防护铝、镁及其合金耐点蚀性加速试验方法62гост16350-80苏联气候按技术需要确定的气候因素区域划分和统计参数。
俄罗斯联邦建筑标准与规程热力网СНиЛ 41-02-2003建筑标准与规程СНиЛ 41-02-2003俄罗斯联邦国家住房和建筑政策委员会2003年6月24日第N110号决议批准生效建筑标准体系俄罗斯联邦建筑标准与规程热力网建筑标准与规程СНиЛ 41-02-20031.编制单位:“全俄动力工业(科学)研究和设计所”无限股份公司,国立彼尔姆技术大学,燃料能源总体防腐蚀保护方式设计人员和制造者协会、带有工业聚合物隔热层的管道的生产者和消耗着协会、“区电站、电网布局与合理化”无限股份公司、“全俄热工研究院”无限有限公司、“全俄西北动力工业(科学)研究和设计所”、“燃烧元素”有限股份公司、莫斯科鉴定委员会、“莫斯科设计”无限股份公司、国营“莫斯科工程设施科研与设计研究院”、“管道”科技规划有限股份公司、“俄罗斯公用动力设施”有限股份公司、“列宁格勒燃气热力建筑工程”无限股份公司、国立伊尔库斯克技术大学、“绝缘材料”无限股份公司、“列宁格勒燃气热力建筑工程”无限股份公司、国立伊尔库斯克技术大学、“绝缘材料”无限股份公司和秋明建筑设计类科学院等入股的“热力设计”股份公司。
提交单位:由俄罗斯联邦国家住房和建筑政策委员会建筑和住宅公用设施技术定额、标准化与验证管理局。
2.由2003年6月24日俄罗斯联邦国家建设委员会第N110号决议批准,自2003年9月1日起生效。
3.代替建筑规范与规程СНиЛ 2.04.07-86*前言本建筑标准与规程规定了设计热力网在热能生产、分配、输送和利用过程中,燃料能源资源合理利用的完整的工艺工程中,集中供暖系统的所有相互作用相关构筑物所必须遵守的综合标准要求。
规定了对供热系统的安全性、可靠性以及持久性的要求。
在编制本建筑标准与规程时,利用了俄罗斯国内外一些重要的同行的标准,也考虑到了俄罗斯设计和运行部门运用已有标准的十七年来的经验。
在本建筑标准与规程中首次:引入了供热生态和运行安全,供热备用性(质量)标准:推广运用无故障工作概率准则;阐明了在非设计(极端)条件下,保持持久性的原则和要求,详细规定了集中供热系统的特征;引入了设计热力网时所采用的可靠性准则的标准(定额);给出了考虑到防火安全的保温结构的选择准则。
本标准与规程的参编人员:技术科学副博士Я.А.科维良斯基,А.И.克罗特科夫,技术科学副博士Г.Х.乌梅尔金,А.А.舍列梅托娃,П.И.茹科夫斯卡娅,П.В.马卡罗娃,В.И.茹娜林,技术科学副博士Б.М.克拉索夫斯基,技术科学副博士А.В.克里什科娃,技术科学副博士Т.Н.罗曼诺娃,技术科学副博士Б.М.邵伊赫特,П.В.斯塔夫里茨卡娅,技术科学博士А.П.阿科利金,技术科学副博士И.П.迈泽利,Е.М.什梅廖夫,Л.Л.卡宁娜,Л.Д.萨塔诺夫,З.М.索科洛夫,技术科学博士Ю.В.巴拉班-伊尔梅宁,А.И.卡拉夫佐夫,Ш.И.阿拜布罗夫,В.Н.西蒙诺夫,技术科学副博士В.И.利夫恰克,А.В.菲舍尔,Ю.У.尤努索夫,Н.Г.舍甫琴科,技术科学副博士В.Я.马加利大,А.А.汉德里科夫,П.Е.柳别茨基,技术科学副博士Р.П.叶尔马科夫,И.С.沃金采夫,Т.Ф.米罗诺娃,技术科学博士А.Ф.沙波瓦尔,В.А.格卢哈列夫,В.П.博夫别尔,П.С瓦西里耶娃。
1.适用范围本标准与规程适用于从热源主管口关断闸(关断阀除外)或从热源的外墙至建筑物和构筑物的热力点(热力入口)的入口关断阀(包括关断阀)的热力网。
输送温度200℃以下和压力2.5MPa以下(包括2.5MPa)的热水,温度440℃以下、压力6.3MPa以下(包括6.3MPa)的蒸气,及凝结水。
热力网包括建筑物和热力网设施:泵站,热力站,检查室,排水装置等等。
本标准,热的生产、分配、输送和利用的完整的工艺过程中,在其相互作用部分,针对集中供热系统(以下简称СЦТ)进行规定。
在新建和对现有的热力网(包括热力网的设施)进行现代化改建和技术更新时,应当遵守本标准与规程。
2.引用标准本标准与规程的引用标准见附件A。
3.术语和定义本标准和规程应用了下列术语和定义:集中供热系统——由一个或几个热源、热力网(与室外管道的直径、数量和长度无关)和热用户构成的系统。
系统无故障工作概率[P]——系统的性能,该性能表现为在住宅和公用建筑物的采暖房间内,导致温度降低到零上12℃以下,和在工业建筑物内的供暖房间内导致温度降低到低于零上8℃的故障次数,超过标准规定的不允许次数。
]——除标准允许温度下降的期间,在任意时刻,系统备用性(质量)系数[Kr保持供暖房间内设计室内温度的系统工作能力状态的概率。
系统的持久性[Ж]——在事故的(极端的)条件下,以及长时间(超过54小时)停止运转后,系统维持自身工作能力的性能。
热力网的服务期限——从管道投入运行日起到为了确定管道继续运行的可能性、参数和条件或必须拆除进行考察的年限。
4.分类4.1. 热力网可以分为干线管网、分配管网、街区热网和从热力网供热干网和分配热网至单独的建筑物和构筑物的支线管网。
热力网的划分是通过设计或者运行单位来规定的。
4.2. 根据热网的可靠性,热用户可以分成三类:第一类——不允许中断房间内供给设计的供热量和房间内空气温度降低到不能低于国家标准的ГОСТ30494中规定的热用户值;例如:医院,产房,长托的儿童学龄前教育机构,画廊,化学和特殊生产,矿井等。
第二类——在消除事故期间允许供暖房间温度降低到下列数值,但不超过54小时的热用户;住宅和公用建筑物降低至12℃;工业建筑物降低至8℃。
第三类——其他热用户。
5.一般规定5.1居民点、工业中心、工业企业集团、小区、其它行政机构的供热系统以及单独的集中供热系统的供热远景发展方案时应当进行供热规划制定。
在编制供热规划时,设计热负荷按下列规定确定:a)对于居民点和现有的工业企业的既有建筑——依据实际热负荷方案来确定;b)对于拟建的工业企业——根据主要(专业)生产工艺用指标概算,或者是根据类似的生产工艺方案来确定;c)对于拟建的住宅区——根据热负荷分配密度用指标概算或依据居民点区域建筑总图,根据建筑物和构筑物的单位特性来确定。
5.2在设计热力网时,设计热负荷根据具体的新建建筑的数据确定,对于既有建筑物——根据实际的热负荷来确定。
在没有资料时,允许按照5.1的说明来确定。
单独建筑物的热水供应的平均负荷允许根据建筑标准与规则СНиЛ2.04.01来确定。
5.3在热力网中,计算热损失应当按照通过管道保温层的热损失和热媒的平均年损失值之和来确定。
5.4 在热源出口干管发生事故(故障)时整个修理恢复期间内,应当保证:第一类热用户一定要保证100%的供热(如果合同没有规定其他的情况);第二类和第三类住宅公用热用户和工业热用户采暖气和通风的供热量,为表1规定的量;提供给热用户事故工况下的蒸汽量和工艺用热水量;提供给热用户未关断的通风系统事故热力工况;供暖期热水供应的平均昼夜耗热量(不可能切断的情况下)。
表15.5几个热源在地区(城市)的一个热力网上共同工作时,规定应当保证5.4中事故工况下相互之间的备用。
6.供热和热力网的方案6.1项目供热方案的选择:通过方案的技术经济比较选择、锅炉房、大型和小型热电站和原子能电站(热电厂ТЗЦ,热电站ТЗС,原子能发电站АЗС)的集中供热系统,或分散供热热源(ДЦТ)——独立的、户用式锅炉房的热源、住宅供热器的集中供热系统的方案。
方案中研究制定所采用的供热方案应当保证:标准确定的节能水平:由三个准则确定的标准可靠性水平:无故障工作概率、供热的备用性(质量)和持久性;生态要求;运行安全。
6.2热力网和整个集中供热系统的功能不应导致(或不应出现下列情况):a)考虑到在具体的住宅街区、小区和居民点等地的大气自净能力,在运行过程中,在隧道、检查室、管沟、房间和其他构筑物中有害有毒物质不允许的浓度;b)不导致对敷设在热力管道下的植被(草、灌木、树)自然的(天然的)热力状况的持续破坏。
6.3任何敷设方式和任何供热系统的热力网不应当通过墓地、垃圾场、疫畜埋葬场、放射性废料埋藏处、灌溉区、渗水区和其它对热媒有化学污染、生物污染和放射污染危险的地段。
如有害物质可能进入热力网,工业企业的工艺设备,这些设备应当通过具有这些设备与水加热器之间的中间循环回路和水加热器与热力网接通,保障中间回路的压力低于热力网内的压力。
同时,为监控有害物杂质,规定应当设置取样点。
热用户热水供应系统应该通过水汽换热器接入蒸汽热力网。
6.4通过在方案中应制定措施来保证热力网的安全运行,这些措施不包括:在热媒温度超过75℃时,人与热水或管道热表面(和设备)直接接触;进入供热系统的热媒温度超过规定的安全标准;在集中供热系统发生故障的情况下,第二类和第三类热用户的生活和生产用房间内空气温度降低低于允许的值(4.2);热网内的水排放到非方案规定的地方。
6.5热力管道、配件和设备的保温结构表面温度不应当超过下列数值:敷设在建筑物的地下室、技术地下室、隧道和通行管沟内的,不应当超过45℃;在地上敷设时,在检查室内和维护人员能达到处,不应当超过60℃。
6.6选择供热系统(开式、闭式,其中包括单独的热水供应网络、混合式供热系统),基于设计单位提出的不同热力网的技术经济比较。
同时考虑到了局部生态和经济条件以及采取某个方案的后果。
6.7在闭式供热系统中,不允许热用户直接从网路取水。
6.8在保证网络水的质量符合现行标准要求的条件下,在开式供热系统中部分热水供应用户通过在用户热力站的水水换热器连接(按闭式系统)允许作为临时连接方式。
6.9从原子能热源,通常应当设计开式供热系统,该开式供热系统排除了集中供热系统网路、管道、设备以及热用户用热设备中的放射性核素超过不允许浓度的可能性。
6.10规定集中供热系统的机构如下:事故修复站(ABC),站内人员数量和技术装备应保证热力网发生故障时,在表2规定的期限内能够完全恢复供热;自备维修运行基地(РЗБ)——用于规模为1000及以上的额定使用单位的热力网的地区。
自备维修使用基地(РЗБ)的人员人数和技术装备的要根据设备、采用的热力管道结构和保温的组成等来确定;机械修配厂——用于规模低于1000个额定使用单位的热力网的区段(车间);统一的维修运行基地——用于作为热电厂、区域锅炉房或工业企业的一部分的热网。
热力网的网路6.11热水热力网通常应当设计为同时将热供给到采暖、通风、热水供应和工艺用热的双管式网络。
在有技术经济论证的情况下,允许采用多管和单管式热网。
向一个方向输送的开式供热系统热力网,地上敷设管长小于5公里时为单管式。
对于更大的长度,而且集中供热系统没有来自其它热源的备用供热,热力网应当为并行的热力管道。