射线检测设备和器材
- 格式:pptx
- 大小:4.43 MB
- 文档页数:179
射线检测设备及器材引言射线检测是一种常用的非破坏性检测方法,主要用于发现材料或构件内部的缺陷情况。
射线检测设备及器材是射线检测过程中必不可少的工具,本文将对常用的射线检测设备及器材进行介绍。
一、射线源射线源是射线检测的起点。
常见的射线源有放射性同位素源和射线发生器两种类型。
1.放射性同位素源放射性同位素源常用于辐射检测。
例如,铯-137和钴-60等放射性同位素可用于金属中缺陷的检测。
它们具有稳定的半衰期和适当的能量,能够提供足够的射线能量来穿透被测物体。
2.射线发生器射线发生器是一种通过电子束轰击防护金属靶材来产生射线的装置。
常见的射线发生器有线性加速器和X射线管。
线性加速器能够通过改变加速电子的能量来改变射线的能量,适用于不同材料的检测。
X射线管则通过在真空中加速和制动电子来产生X射线。
二、探测器探测器是射线检测设备的核心部件,用于测量和记录射线与被检测物体之间的相互作用。
常见的探测器有闪烁计数器、闪烁屏和平板探测器等。
1.闪烁计数器闪烁计数器是一种能够将射线能量转化为光能量,并通过光电倍增管放大后进行计数的探测器。
它具有高灵敏度和较好的能量分辨率,适用于高能量射线的检测。
2.闪烁屏闪烁屏是一种能够将射线能量转化为可见光或紫外光的材料。
当射线入射到闪烁屏上时,闪烁屏会产生闪光,通过光电倍增管放大后进行检测和计数。
3.平板探测器平板探测器是一种具有平面形状的探测器,能够通过测量入射射线的吸收程度来获取被测物体的信息。
它具有较大的探测面积和较好的空间分辨率,适用于射线检测中的成像研究。
三、辐射防护器材辐射防护器材主要用于保护射线工作者和周围环境,使射线剂量保持在安全范围内。
常见的辐射防护器材有铅衣、铅玻璃和铅胶等。
1.铅衣铅衣是一种常用的辐射防护器材,由铅重复层叠而成。
它能够有效吸收射线,减少射线剂量。
铅衣可用于射线工作者的个人防护。
2.铅玻璃铅玻璃是一种透明的玻璃材料,其中含有适量的铅。
它能够通过减少射线透射量来防护射线的辐射。
射线检测技术要求射线检测的一般要求除应符合NB/T 47013.1的有关规定外,还应符合下列规定。
1.1 射线检测人员1.1.1从事射线检测人员上岗前应进行辐射安全知识的培训,并取得放射工作人员证。
1.1.2射线检测人员未经矫正或经矫正的近(距)视力和远(距)视力应不低于5.0(小数记录值为1.0),测试方法应符合GB 11533 的规定。
从事评片的人员应每年检查一次视力。
1.2 设备和器材1.2.1 射线装置1.2.1.1可以使用两种射线源:a) X射线机和加速器产生的X射线;b) 由Co60、Ir192、Se75、Yb169和Tm170射线源产生的γ射线。
1.2.1.2经合同双方商定,允许采用其他新型射线源。
采用其他射线源时,有关检测技术要求仍应参照本部分的规定执行。
1.2.2射线胶片1.2.2.1胶片系统按照GB/T 19381.1分为六类,即C1、C2、C3、C4、C5和C6类。
C1为最高类别,C6为最低类别,胶片系统的特性指标见附录B。
1.2.2.2胶片制造商应对所生产的胶片进行系统性能测试并提供类别和参数。
胶片处理方法、设备和化学药剂可按照GB/T 19381.2的规定,用胶片制造商提供的预先曝光胶片测试片进行测试和控制。
不得使用超过胶片制造商规定的使用期限的胶片。
胶片应按制造商推荐的温度和湿度条件予以保存,并应避免受任何电离辐射的照射。
1.2.3观片灯观片灯的主要性能应符合GB/T 19802的有关规定,最大亮度应能满足评片的要求。
1.2.4黑度计(光学密度计)1.2.1.1黑度计可测的最大黑度应不小于1.5,测量值的误差应不超过±0.05。
1.2.1.2黑度计首次使用前应进行核查,以后至少每六个月应进行一次核查,核查方法可参照附录C的规定进行,每次核查后应填写核查记录。
在工作开试时或连续工作超过8h后应在拟测量黑度范围内选择至少两点进行检查。
1.2.5标准密度片标准密度片应至少有8个一定间隔的黑度基准,且能覆盖0.3~1.5黑度范围,应至少每2年校准一次。
湖北江源化工机械有限公司无损检测操作指导书编号:编制:审核:日期:射线检测操作指导书一、引用标准和编制依据下列标准和规程包含的条文,通过在本操作指导书中引用而构成操作指导书的条文。
NB/T47013.1~47013.2-2015 《承压设备无损检测》JY/JY31-2007《无损检测通用规程》二、检测对象:三、检测技术要求:四、检测设备及材料准备:1、射线源:3、像质计:材料Fe线型(10-16)和线型(8-12)两种。
4、滤光板:无5、背散射铅板:各种规格尺寸铅板。
6、标记:数字铅制标记、拼音字母铅制标记符号、铅制标记。
(1) 定位标记包括中心标记()和搭接标记()。
当抽查时搭接标记称为有效区段标记。
检测范围标记( - ),当焊缝余高为零或平板状零件时使用。
(2)识别标记:包括产品编号、检测编号、透照日期。
其中检测编号由以下标记组成:7 、暗室处理设备:(1)自制洗片箱一台。
(2)安全灯一台。
8、观察设备:观片灯五、检测程序:六、检测技术和工艺:产品编号:产品名称:七、检测示意图:见附录(一)八、暗室处理方法和条件要求:胶片处理一般按胶片使用说明说规定进行。
本公司采用手工冲洗胶片。
手工冲洗胶片宜在8h之内完成,最长不超过24h。
1 、标准显影温度20±2℃标准显影时间5分钟,不得用短时显影,以免产生花纹,也不得用高温显影,以免药膜皱折、脱落、影纹粗糙。
2、显影过程中,洗片架应是上、下或前后经常移动,以保证显影作用均匀,特别是开始显影的一分钟内更需频繁移动。
3、在红灯下观察显影程度的次数应尽量减少(至多二次)距离不能过近,以免增加灰雾。
4、胶片显影完毕,应先作短时间的中间水洗(10秒),再放入停影液中20∽30秒,然后进入定影液。
5、胶片在定影液中亦需经常晃动,定影时间为通透时间的2倍,未到通透时间不得开白灯。
6、胶片在定影后应放入流动的清水(温度16-24℃)冲洗30分钟(水温较低时延长水洗时间,水温较高时减少水洗时间)。
5⼤⽆损检测技术之射线检测,射线检测原理、设备介绍是5⼤⽆损检测技术中的⼀种,通常聊到射线检测,⼤家⾃然会联想到医院的射线检测设备。
其实,它们便是应⽤了技术的产品。
为增进⼤家对射线检测的认识,本⽂将对射线检测、射线检测原理以及射线检测设备予以介绍。
如果你对检测、射线检测技术具有兴趣,不妨继续往下阅读哦。
⼀、射线检测射线检验通常简称为:RT,是⽆损检测⽅法的⼀种。
当强度均匀的射线束透照射物体时,如果物体局部区域存在缺陷或结构存在差异,它将改变物体对射线的衰减,使得不同部位透射射线强度不同。
这样,采⽤⼀定的检测器(例如,射线照相中采⽤胶⽚)检测透射射线强度,就可以判断物体内部的缺陷和物质分布等,从⽽完成对被检测对象的检验。
射线检验常⽤的⽅法有X射线检验、γ射线检验、⾼能射线检验和中⼦射线检验。
对于常⽤的⼯业射线检验来说,⼀般使⽤的是X射线检验和γ射线检验。
⼆、射线检验原理X和γ射线的波长短,能够穿过⼀定厚度的物质,并且在穿透的过程中与物质中的原⼦发⽣相互作⽤。
这种相互作⽤引起辐射强度的衰减,衰减的程度⼜同受检材料的厚度、密度和化学成分有关。
因此,当材料内部存在某种缺陷⽽使其局部的有效厚度、密度和化学成分改变时,就会在缺陷处和周围区域之间引起射线强度衰减的差异。
如果⽤适当介质将这种差异记录或显⽰出来,就可据以评价受检材料的内部质量。
X射线检验和γ射线检验,基本原理和检验⽅法⽆原则区别,不同的只是源的获得⽅式。
X射线源是由各种、电⼦感应加速器和直线加速器构成的从低能(⼏千电⼦伏)到⾼能(⼏⼗兆电⼦伏)的系列,可以检查厚⾄ 600mm的钢材。
γ射线是放射性同位素在衰变过程中辐射出来的。
三、射线检测设备(⼀)X射线机⼯业射线照相探伤中使⽤的低能X射线机,简单地说是由四部分组成:射线发⽣器(X射线管)、⾼压发⽣器、冷却系统、控制系统。
当各部分独⽴时,⾼压发⽣器与射线发⽣器之间应采⽤⾼压电缆连接。
按照的结构,X射线机通常分为三类,便携式X射线机、移动式X射线机、固定式X射线机。
射线检测的设备和器材简介1. 引言射线检测是一种非破坏性检测技术,通过利用射线对物体进行检测,可以获取物体内部的结构、组成以及缺陷等信息。
在工业领域,射线检测被广泛应用于材料品质控制、设备检测、安全检查等方面。
本文将介绍射线检测中常用的设备和器材。
2. 射线源射线源是射线检测中的关键部分,它产生并释放射线用于照射待检测物体。
常见的射线源包括:•X射线管:X射线管通过加高压将电子加速到很高的速度,使其撞击目标金属靶产生X射线。
•放射性同位素:如钴-60、铯-137等放射性同位素可作为射线源,其放射性衰变产生γ射线。
3. 辐射探测器辐射探测器用于测量和记录射线通过待检测物体后的强度变化,从而获得物体内部的信息。
常见的辐射探测器有:•闪烁体探测器:闪烁体探测器由闪烁晶体和光电倍增管组成。
当射线照射到闪烁晶体上时,晶体会发出光信号,光信号被光电倍增管读取并转化为电信号。
•气体探测器:气体探测器包括GM计数器和比例计数器。
GM计数器通过检测射线照射到气体中产生的电离效应来测量射线强度。
比例计数器利用气体中的稀有气体与射线相互作用的特性来区分不同能量的射线。
•固态探测器:固态探测器是一种基于半导体材料的探测器,如硅、锗等。
射线入射到固态探测器中会产生电离效应,产生的电荷被探测器读取并转化为电信号。
4. 图像获取系统图像获取系统用于记录辐射探测器获取的电信号,将其转化为可视化的图像。
常见的图像获取系统包括:•透视系统:透视系统是通过将待检测物体置于射线源和辐射探测器之间,记录射线通过物体的强度变化。
透视系统可以实时观察射线通过物体的情况。
•平板探测器:平板探测器是一种将辐射探测器与数字成像技术相结合的系统。
辐射探测器将获取的电信号转化为数字信号,通过图像处理算法得到高分辨率的二维图像。
5. 数据分析与处理数据分析与处理是射线检测的关键一步,它将图像获取系统获得的数据进行处理和分析,提取出待检测物体的内部结构和缺陷信息。
X射线探伤机、X射线探伤仪设备安全操作规定前言X射线探伤机和X射线探伤仪是一种常用的无损检测设备。
在工业生产、科研实验等领域中,它们都有着广泛的应用。
然而,如果使用不当,可能会对人体和环境造成潜在的危害。
为了保障工作人员的安全和设备的正常运行,制定本安全操作规定。
设备基本知识X射线探伤机X射线探伤机是一种利用X射线对材料进行探伤的机器。
它主要由X射线发生器、衰减后的探伤光线、探伤件、接收器和成像系统等组成。
X射线发生器通过加速器将电子加速到极高的速度并与靶的原子发生相互作用,产生X射线。
然后,经过控制和调整,X射线对材料进行探伤,并将成像信息通过接收器传输到成像系统中,形成影像。
X射线探伤仪X射线探伤仪是一种适用于小件探伤的装置。
它与X射线探伤机相比,体积更小、功率更低、成本更低,但是探伤精度有一定的限制。
X 射线探伤仪主要由X射线发生器、探伤光线、探头、接收器和成像系统等组成。
X射线发生器通过电源将电能转化成X射线能量,在控制下对被检测物体进行探伤。
其中,探头是一个重要的组成部分,它需要与被测物体紧密接触,以确保探测精度。
安全操作规定维护设备完好性设备使用前应进行全面检查,确保各部件完好无损,工作面板干净整洁。
在正常的使用中,应每隔一段时间对设备的关键部件进行检修和保养。
设备维护过程中,必须确保电源已切断,避免触电事故。
同时,在设备维护过程中,必须使用专业工具,避免手工操作。
防护措施X射线探伤机和X射线探伤仪在正常的使用中,会产生一定强度的X射线辐射。
因此,操作人员应佩戴防护服、防护手套、防护眼镜和防护鞋,以减少辐射对身体的损害。
在操作时应确保身体周围无其他人员,避免对他人造成辐射伤害。
操作程序在使用X射线探伤机和X射线探伤仪时,必须按照操作程序进行操作,以确保正常工作和安全。
具体操作程序如下:正确接线设备接线时,应按照说明书上的接线图进行连接,确保接线正确无误。
设备开机设备开机前,应检查设备电源和控制系统是否正常。
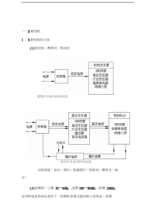
一、X射线机1 . X射线机的分类(1)按结构:携带式;移动式便携式X射线机结构图移动式X射线机结构图⑵按用途:定向;周向;管道爬行;软射线;微焦点;脉冲。
(3)按频率:工频50〜60Hz ;变频300〜800Hz ;恒频200Hz.在同样电流和电压条件下,恒频机穿透力强功耗小效率高,变频次之,工频较差。
(4)按绝缘介质:变压器油;SF6气.2.X射线管(1)结构(玻璃和陶瓷)I.阴极:由发射电子的钨灯丝和聚焦电子的凹面铜阴极头组成。
II.阳极a.阳极靶:耐高温的钨,与电子撞击产生X射线b.阳极体:采用导热率大的无氧铜,支承靶面,传递靶上的热量,避免钨靶烧坏。
c.阳极(铜)罩:吸收二次电子和散乱射线。
冷却方式:辐射散热,冲油冷却,旋转阳极自然冷却。
III.外壳(2) X射线管的技术特性I.阴极和阳极特性a.阴极特性:在阴极的工作范围内,较小的温度变化就会引起较大的电流变化。
b.阳极特性:在管电压较低时,管电流随管电压增加而增大,当管电压增加到一定程度后,管电流不再增大而趋于饱和,这说明某一恒定的灯丝加热电流(钨丝温度)下,阴极发射的热电子已经全部到达了阳极,再增加电压亦不可能增大管电流,也就是说,工业探伤用的X射线管工作在电流饱和区,在饱和区内要改变管电流,只有改变灯丝加热电流,X射线管的管电流和管电压在升高过程中可以相互独立进行调节。
c.管电压:指X射线管承载的最大峰值电压(kVp)。
在电工测量中,表头指示的是有效值,对于正弦波U有效值=0.707U峰值。
d.焦点:j・八、、八、、•焦点的尺寸主要取决于灯丝的形状和大小,阴极头聚焦槽的形状及灯丝在槽内安装的位置。
此外,管电流和电压对焦点大小也有一定的影响。
阳极靶被电子撞击的部分叫做实际焦点。
焦点大,有利于散热,可承受较大的管电流;焦点小,底片清晰度好,照相灵敏度高。
d.辐射场强度:在30°辐射角处射线强度最大,阴极侧比阳极侧射线强度高,但实际上,由于阴极侧射线中包含着较多的软射线成分,所以对具有一定厚度的试件照相,阴极侧部位的底片并不比阳极侧更黑,利用阴极侧射线照相也并不能缩短多少时间。
第二章射线检测的设备和器材2.1 X射线机X射线机是高电压精密仪器,为了正确使用和充分发挥仪器的功能、顺利完成射线检验工作,应认真了解和掌握它的结构、原理及使用性能。
2.1.1 X射线机的种类和特点:1、X射线机的分类:X射线机按照其外形结构、使用功能、工作频率及绝缘介质种类等可以分为以下几种。
(1)按结构划分:①携带式X射线机:这是一种体积小、重量轻、便于携带,适用于高空、野外作业的X射线机。
它采用结构简单的半波自整流线路、X射线管和高压发生部分共同装在射线机头内,控制箱通过一根多芯的低压电缆将其连接在一起。
其构成如图2.1。
②移动式X射线机:这是一种体积和重量都比较大,安装在移动小车上,用于固定或半固定场合使用的X射线机,它的高压发生部分(一般是二个对称的高压发生器)和X射线管是分开的,其间用高压电缆连接,为了提高工作效率,一般采用强制油循环和水循环冷却。
其构成如图2.2。
(2)按用途划分:①定向X射线机:这是一种普及型、使用最多的X射线机,其机头产生的X射线发射方向为40°左右的园锥角,一般用于定向单张摄片。
②周向X射线机:这种X射线机产生的X射线束是360°方向辐射,主要用于大口径管道和容器环形焊缝摄片。
③管道爬行器:这是为了解决很长的管道环焊缝摄片而设计生产的一种X 射线机,该机由电缆控制,利用拍片处焊缝外放置一个小的同位素γ射源进行跟踪定位,使X射线机在管道内爬行到予定位置进行摄片,辐射角大多为360°方向。
④软X射线机:这是一种低千伏(一般为60KV以下)X射线机,主要用于检验低密度、低原子序数的物质,如有色金属,非金属材料的内部缺陷。
⑤微焦点X射线机:这是一种焦点尺寸微小、约为10-3~10-2mm数量级的X射线机,采用近焦距放大摄片(可获得放大100倍的图象),对研究和观察微小裂纹,半导体元件,生物细胞、化工复合材料,植物种子等内部结构有独到之处。
一、X射线机1.X射线机的分类(1)按结构:携带式;移动式(2)按用途:定向;周向;管道爬行;软射线;微焦点;脉冲。
(3)按频率:工频50~60Hz;变频300~800Hz;恒频200Hz。
在同样电流和电压条件下,恒频机穿透力强功耗小效率高,变频次之,工频较差。
(4)按绝缘介质:变压器油;SF6气.2.X射线管(1)结构(玻璃和陶瓷)I.阴极:由发射电子的钨灯丝和聚焦电子的凹面铜阴极头组成。
II.阳极a。
阳极靶:耐高温的钨,与电子撞击产生X射线b。
阳极体:采用导热率大的无氧铜,支承靶面,传递靶上的热量,避免钨靶烧坏。
c。
阳极(铜)罩:吸收二次电子和散乱射线。
冷却方式:辐射散热,冲油冷却,旋转阳极自然冷却。
III.外壳(2)X射线管的技术特性I.阴极和阳极特性a.阴极特性:在阴极的工作范围内,较小的温度变化就会引起较大的电流变化。
b。
阳极特性:在管电压较低时,管电流随管电压增加而增大,当管电压增加到一定程度后,管电流不再增大而趋于饱和,这说明某一恒定的灯丝加热电流(钨丝温度)下,阴极发射的热电子已经全部到达了阳极,再增加电压亦不可能增大管电流,也就是说,工业探伤用的X射线管工作在电流饱和区,在饱和区内要改变管电流,只有改变灯丝加热电流,X射线管的管电流和管电压在升高过程中可以相互独立进行调节。
c.管电压:指X射线管承载的最大峰值电压(kVp)。
在电工测量中,表头指示的是有效值,对于正弦波U有效值=0。
707U 峰值。
d。
焦点:焦点的尺寸主要取决于灯丝的形状和大小,阴极头聚焦槽的形状及灯丝在槽内安装的位置.此外,管电流和电压对焦点大小也有一定的影响。
阳极靶被电子撞击的部分叫做实际焦点。
焦点大,有利于散热,可承受较大的管电流;焦点小,底片清晰度好,照相灵敏度高.d。
辐射场强度:在30°辐射角处射线强度最大,阴极侧比阳极侧射线强度高,但实际上,由于阴极侧射线中包含着较多的软射线成分,所以对具有一定厚度的试件照相,阴极侧部位的底片并不比阳极侧更黑,利用阴极侧射线照相也并不能缩短多少时间。
射线检测设备和器材2.1 X射线机2.1.1 X射线机的分类1、按结构划分1)携带式X射线机体积小,重量轻,适用于野外、高空作业。
2)移动式X射线机体积和重量较大,能量大,mA连续可调,工作效率高,适用于固定探伤室。
2、按辐射方向划分1)定向X射线机辐射角是40°的圆锥角。
细分又分为定向玻璃管和定向波纹陶瓷管; 2)周向X射线机又分为周向锥靶机(辐射角360°×±12°)和周向平靶机(辐射角360°×24°)。
3、按绝缘方式划分1)油绝缘X射线机使用45号或25号变压器油绝缘。
体积大,重量重,是一种已经被淘汰的机型。
2)气绝缘X射线机采用高压绝缘气体六氟化硫(SF6)绝缘。
体积小重量轻,控制、保护功能齐全,是目前使用最多的机型。
4、按工作频率划分(给高压发生器的初级提供的信号频率)1)工频机工作频率50HZ,如油绝缘携带式X光机。
2)变频机工作频率在170HZ~300HZ范围内变化。
在改变KV的过程中,为使管电流稳定在某一特定值(如5mA),采取改变初级信号的占空比,而脉冲宽度保持不变即改变信号的频率来实现。
是目前使用最为普遍的机型。
3)恒频机实现恒频有两种方式,一种是占空比、频率及脉宽均不变,灯丝加热是单独的一套电路,通过对管电流的跟踪取样检测,调整灯丝的加热电流,也能实现稳定管电流的目的。
如日本东芝射线机。
另一种是占空比改变,但频率不变。
4)高频机工作频率在KHZ量级,可大大缩小高压发生器的体积,是携带式X射线机的发展方向,尚未推向市场。
另外,还有一种便携式恒压X 射线机,加在X 光管上的电压是恒电压,使X 光管工作时所通过的直流纹波相当平稳。
,最低20KV 启动,0~10mA 连续可调,100%工作效率。
2.1.2 X 射线机的结构1、X 射线管(X 光管)1)X 射线管的结构X 图2-1 X 射线管示意图◆阴极:X 光管的阴极是发射电子和聚焦电子的部位。
射线检测技术要求射线检测的一般要求除应符合NB/T 47013.1的有关规定外,还应符合下列规定。
1.1 射线检测人员1.1.1从事射线检测人员上岗前应进行辐射安全知识的培训,并取得放射工作人员证。
1.1.2射线检测人员未经矫正或经矫正的近(距)视力和远(距)视力应不低于5.0(小数记录值为1.0),测试方法应符合GB 11533 的规定。
从事评片的人员应每年检查一次视力。
1.2 设备和器材1.2.1 射线装置1.2.1.1可以使用两种射线源:a) X射线机和加速器产生的X射线;b) 由Co60、Ir192、Se75、Yb169和Tm170射线源产生的γ射线。
1.2.1.2经合同双方商定,允许采用其他新型射线源。
采用其他射线源时,有关检测技术要求仍应参照本部分的规定执行。
1.2.2射线胶片1.2.2.1胶片系统按照GB/T 19381.1分为六类,即C1、C2、C3、C4、C5和C6类。
C1为最高类别,C6为最低类别,胶片系统的特性指标见附录B。
1.2.2.2胶片制造商应对所生产的胶片进行系统性能测试并提供类别和参数。
胶片处理方法、设备和化学药剂可按照GB/T 19381.2的规定,用胶片制造商提供的预先曝光胶片测试片进行测试和控制。
不得使用超过胶片制造商规定的使用期限的胶片。
胶片应按制造商推荐的温度和湿度条件予以保存,并应避免受任何电离辐射的照射。
1.2.3观片灯观片灯的主要性能应符合GB/T 19802的有关规定,最大亮度应能满足评片的要求。
1.2.4黑度计(光学密度计)1.2.1.1黑度计可测的最大黑度应不小于1.5,测量值的误差应不超过±0.05。
1.2.1.2黑度计首次使用前应进行核查,以后至少每六个月应进行一次核查,核查方法可参照附录C的规定进行,每次核查后应填写核查记录。
在工作开试时或连续工作超过8h后应在拟测量黑度范围内选择至少两点进行检查。
1.2.5标准密度片标准密度片应至少有8个一定间隔的黑度基准,且能覆盖0.3~1.5黑度范围,应至少每2年校准一次。