技术标评标报告模板
- 格式:xlsx
- 大小:10.12 KB
- 文档页数:1
XX XXXX发电有限公司(招标项目名称)设备技术评标报告招标编号: XXXX分包号: XXXXXXXXXXXX设备XXXX技术评标组XX年XX月(地点)(项目名称)XX技术组评标专家签字页:XXXXXX发电有限公司(招标项目名称)设备技术评标报告XX年XX月XX日至XX月XX日,XXXXXX发电有限公司(招标项目名称)设备招标的开标及评标工作在XXXXX进行。
XX技术组,遵照招标文件的有关规定,严守评标纪律,本着“公平、公正、科学、择优”的原则,认真、仔细地阅读了XX 份投标文件,并与招标文件进行了比较,包括但不限于:制造和履约䏻力、质保和环保体系及其认证、标的标的市场准入证书、标的物的型式试验/鉴定报告/验收试验报告等的技术支持文件、业绩及其可用率、标的物的性能保证值和主要技术、经济(性能、功耗、能耗、环保)指标、投标货物/系统的配置及供货范围(包括备品备件、专用工具、材质、关键部件原产地和品牌)、技术服务、资料内容和交付进度、交付培训计划与等方面进行认真对比及综合分析,并对各投标文件中含糊不清、前后矛盾、由明显错误的有关问题进行澄清、答疑,澄清内容不超出投标文件的范围,避免借助澄清,将不合格的投标文件转变为合格的投标文件。
澄清结果后,技术组评标专家对各投标文件进行详评并按照招标文件的评标办法完成独立打分,在监标人在场的条件下由技术组组长或评委会指定人员汇总统汁出有效评分的算术平均值(小数点后保留壹位),排出技术评标得分顺序。
现将技术评标情况简述如下:(一)无效投标文文件:经经评委会研究决定,下列投标文件为无效投标文件,详见下表。
(如有被废标的投标文件,要按下表的格式,说明废标的理由)技术评标组评标专家以招标文件和补遗文件为准绳,根据各投标人的投标文件及澄清文件的有效回复,独立自主进行技术评议、打分,格式见附件5,(标的物技术评议、打分表)。
现将评标专家有效的技术打分汇总统计如下(按百分制统计)(三) 技术评标组的评标意見评标意见要简明。
建设单位:建设地点:质量标准:招标范围:招标方式:1、评标委员会产生过程本次评标,评标委员会成员人数为(人数)人以上单数。
其中技术、经济等方面专家不少于成员总数的三分之二,由建设单位代表出任业主评标代表。
专家评委在开标时间前 24 小时内,在业主、代理公司、招标监督及专家库管理人员共同监督下,将应回避的专家录入计算机进行屏蔽,由抽取专家语音通知系统联系各专家,产生专家评委。
在开标前 30 分钟打印此结果。
如专家评委由于特殊原因,无法参加评标工作,应提前通知专家库管理人员。
(见附表:评标委员会成员签到表,评标委员会成员回避确认表)2、评标委员会纪律依据《评标委员会和评标方法暂行规定》 (七部委 12 号令)、《评标专家和评标专家库管理暂行办法》,评标委员会在整个评标过程中,应严格遵守七部委12 号令及其他评标过程有关的法律法规,遵循公平、公正、科学、择优的原则,维护招投标活动当事人的合法权益。
作为评标委员会的成员之一,廉洁自律,排除一切干涉自己评标活动的行为,并且不干涉其他评委的评标打分工作,独立自主完成评标工作。
作为整个评标活动的主体,负责依法组织整个评标活动。
并且承诺,在评标工作开始之前,已充分阅读招标文件,理解其中的评标办法,依据招标文件中规定的评标办法独立完成评标打分工作。
(见附表:评标专家告知书)3、评标委员会组织结构经所有评标委员会成员合议表决通过,现推荐 (评委姓名) 为本次评标工作的组长,负责依法组织整个评标活动的具体工作,协调在评标过程中产生的问题,对整个评标委员会负责。
(见附表:评标委员会负责人推荐书)投标截止时间前,招标人对密封合格的有效投标予以接收。
各投标单位将招标文件中要求提交的有效证件同时提交给招标人,以备核查。
(见附表:投标文件签收凭证、资质证件提交表)工程项目开标会于年月日:时准时在(开标地点)召开。
共有(家数)家投标单位参加了投标,分别为: (投标单位名称) 。
档案编号:________ ×××工程评标报告****年**月**日一、投标人名单二、评标小组三、招标过程1、开标××月××日9:00,邀请的3家投标人全部到场。
在评标监督组的监督下,由监督组负责人宣读完招标纪律后,按上表中的投标人顺序进行正式开标,开标过程严格执行招投标法有关规定。
各投标人投标报价如下:投标报价表2、资格预审开标后,各评标人员分别阅读标书,对投标人进行资格预审。
资格预审结果:各投标人均具备投标资格。
投标人对自己的方案进行了详细的介绍,并对投标文件进行了澄清。
3、评标技术组对各投标人的技术特点进行了详细讨论、评价,形成基本统一的意见,从技术角度进行了打分、排序。
商务组从报价、企业资质信誉、财务及经营状况、标书响应程度和标书编制水准进行了详细的评价,并进行了打分、排序。
四、综合评标意见(一)××公司1、公司简介:××公司是室内外装饰、装修工程设计与施工,装饰材料加工与销售专业承包企业,专项工程设计资质甲级单位。
始建于2002年,近三年来,在国内完成室内外装修三万多平方米。
公司通过ISO9001:2000质量认证。
2、设计方案:××3、响应招标文件好:施工组织措施和方案按招标文件的要求完成以及投标报价与招标文件工程量清单范围口径一致,综合单价组成合理。
4、报价:××万元(二)××公司1、公司简介:××公司成立于2005年,是一家专门从事防腐保温工程、建筑防水、建筑装修装饰工程的专业公司,公司通过ISO9001:2000质量管理体系和ISO14001:2004环境管理体系认证。
2、设计方案:××3、响应招标文件一般,投标报价与招标文件工程量清单范围口径不一致,综合单价组成不够合理。
评标报告范文评标报告。
项目名称,某某工程项目。
项目编号,XXXXX。
评标日期,XXXX年XX月XX日。
评标委员会成员:主任,XXX。
委员,XXX、XXX、XXX、XXX。
评标报告编制人,XXX。
一、评标背景。
某某工程项目是某某公司在某某地区进行的一项重要工程项目,项目总投资额达到了数亿元,涉及到土地开发、建筑施工、设备采购等多个方面,对于公司的发展具有重要意义。
为了确保工程项目的顺利进行,公司组织了评标委员会对本次工程项目的招标文件进行评审,以选定最具竞争力的投标人。
二、评标流程。
1. 评标委员会对招标文件进行了认真审阅,包括投标人的资格条件、技术方案、商务报价等内容进行了全面细致的评审。
2. 委员会成员对每家投标人的资格条件、技术方案及商务报价进行了独立评分,并进行了充分的讨论和交流。
3. 最终,委员会成员对各家投标人进行了综合评分,并选定了最终的中标人。
三、评标结果。
1. 投标人A公司,技术方案成熟,施工能力强,商务报价合理,但在资格条件方面存在一定的不足,最终综合评分为80分。
2. 投标人B公司,资格条件较为完备,技术方案创新,施工能力一般,商务报价较高,最终综合评分为75分。
3. 投标人C公司,资格条件完备,技术方案成熟,施工能力强,商务报价合理,最终综合评分为85分。
4. 投标人D公司,资格条件较为完备,技术方案较为保守,施工能力一般,商务报价较高,最终综合评分为70分。
根据以上评分结果,评标委员会一致通过投标人C公司为本次工程项目的中标人,并将其推荐给公司领导层进行最终确认。
四、评标意见。
1. 投标人C公司在资格条件、技术方案、商务报价等方面均表现出色,是本次工程项目的最佳选择。
2. 投标人A、B、D公司在某些方面存在一定的不足,需要在今后的工程项目投标中加以改进和提高。
五、评标结论。
本次评标过程严格按照招标文件的要求进行,评标委员会成员进行了充分的讨论和交流,最终选定了最具竞争力的投标人。
评标报告范本********施工招标评标报告************招标代理有限公司二O一二年五月**********招标代理有限公司关于报送*********工程施工招标的有关资料***********(甲方)有限公司:根据《中华人民共和国招标投标法》和相关法规的规定,我公司作为招标代理机构代理招标,已按合同约定完成本阶段工作。
现随文报送***********(招标工程)施工招标的有关资料。
二O一二年五月目录一、评标报告1、评标报告及附件2、廉正承诺书学习3、评标纪律4、监督意见二、开标1、招标开标会签到表2、开标会会议程序3、开标记录(表一)4、开标记录(表二)三、评标1、评标委员会名单2、四川省评标专家库专家抽取备案表3、技术标符合性检查表4、商务标评审表5、标价比较表四、其它资料1、*******发展和改革局批准立项,川投资备***********(备案号)2、招标文件一、评标报告*************(工程名称)施工招标评标报告**********施工招标于2012年05月08日开标、评标,已按序推荐出中标候选人,招标工作已基本结束,现将该工程招标评标的主要情况报告如下:一、工程概况***********************************************************二、工程招标情况***************招标代理有限公司受********有限公司委托,代理**************施工邀请招标。
2012年04月25日至04月28日向投标人发售了招标文件。
在各投标人自行踏勘现场的基础上,招标代理机构于2012年04月29日下午3:00组织各投标人进行了标前答疑。
开标会议于2012年05月08日下午15:00在*****************(开标地点)踏勘现场和答疑时间会议室举行。
三、开标情况开标会议由*****************招标代理有限公司主持,****区发展与改革局及************(甲方)有限公司等单位有关领导和人员参加了会议。
评标报告范本(招标)评标报告范本(招标)引言概述:在招标过程中,评标报告是评定投标人的资格和能力的重要文件。
它对于招标单位选择合适的合作火伴至关重要。
本文将介绍一份评标报告范本,以匡助招标单位准确评估投标人。
一、背景信息1.1 报告目的评标报告的目的是对投标人进行全面评估,以确定其是否符合招标单位的要求和标准。
报告应提供客观、准确的评估结果,为招标单位提供决策依据。
1.2 报告结构评标报告通常包括以下几个部份:投标人信息、评标方法、评标标准、评分细则、评标结果等。
这些部份有助于招标单位了解投标人的资质和能力。
1.3 评标委员会评标委员会由招标单位指定,并由专业人士组成。
委员会成员应具备相关领域的专业知识和经验,以确保评标过程的客观性和公正性。
二、投标人信息2.1 公司背景评标报告应包括投标人的公司背景信息,如公司名称、注册资本、成立时间、经营范围等。
这些信息有助于招标单位了解投标人的经营状况和信誉度。
2.2 项目经验报告还应详细描述投标人的项目经验,包括类似项目的执行情况、项目规模、完成时间等。
这些信息可以评估投标人的能力和经验是否符合招标要求。
2.3 人员组成评标报告应介绍投标人的人员组成,包括管理层、技术人员和施工人员等。
这些信息有助于评估投标人的团队能力和项目管理能力。
三、评标方法3.1 评标流程报告应详细描述评标的流程和步骤,包括资格预审、技术评审和商务评审等。
这些信息可以确保评标过程的严谨性和公正性。
3.2 评标依据评标报告应明确评标依据,包括技术要求、商务要求和合同条款等。
这些依据有助于评估投标人是否符合招标单位的要求和标准。
3.3 评分方法报告还应介绍评分方法,包括评分标准、权重和评分细则等。
这些方法有助于评估投标人在不同方面的表现,并为最终评分提供依据。
四、评标标准4.1 技术能力评标报告应根据招标单位的技术要求,对投标人的技术能力进行评估。
这包括技术方案的可行性、技术设备的先进性和技术人员的专业能力等。
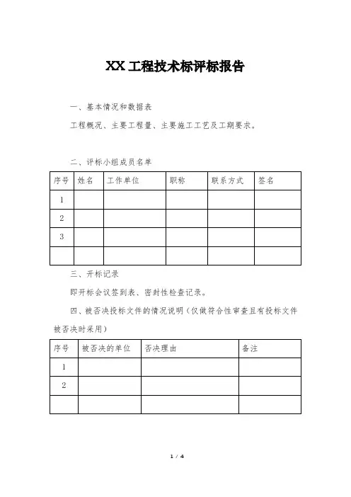
XX工程技术标评标报告
一、基本情况和数据表
工程概况、主要工程量、主要施工工艺及工期要求。
二、评标小组成员名单
三、开标记录
即开标会议签到表、密封性检查记录。
四、被否决投标文件的情况说明(仅做符合性审查且有投标文件被否决时采用)
五、答辩会议签到表
XX工程技术标答辩会签到表
六、评标记录表及汇总表
XX工程技术标评分记录表(评标小组各成员人均一张,评标人签名)
评标人(签名):
XX工程技术标评分记录汇总表(评标小组全体成员签名)
评标小组全体成员(签名):
七、澄清、说明、补正事项纪要(如有)。
技术标评审报告表1-总包
注:1、直接签名即表示同意文件内容,签署意见表示按意见修改后同意文件内容。
2、对于采用最低价中标的工程,技术标评审结果仅为“合格”或“不合格”,不需要进行技术标排名。
技术标评审报告表2-监理
注:1、直接签名即表示同意文件内容,签署意见表示按意见修改后同意文件内容。
2、对于采用最低价中标的工程,技术标评审结果仅为“合格”或“不合格”,不需要进行技术标排名。
技术标评审报告表3-分包
注:1、直接签名即表示同意文件内容,签署意见表示按意见修改后同意文件内容。
2、对于采用最低价中标的工程,技术标评审结果仅为“合格”或“不合格”,不需要进行技术标排名。
评标报告范本(招标)评标报告范本(招标)引言概述:招标过程中,评标报告是一个重要的文件,它对投标人的资格和投标文件进行评估,并最终决定中标人。
本文将介绍一个评标报告范本的结构和内容,以匡助招标方更好地进行评标工作。
一、评标报告基本信息1.1 报告标题和编号评标报告应有明确的标题和编号,以便于标识和归档。
1.2 评标报告编写人员列出评标报告的编写人员,包括评标委员会成员和相关专家。
1.3 评标报告编写日期明确评标报告的编写日期,以便于追溯和参考。
二、投标人资格评估2.1 投标人资格审查对投标人的资格进行审查,包括其注册资质、经验和能力等方面的评估。
2.2 投标人的技术能力评估评估投标人在相关领域的技术能力,包括技术人员的背景、技术方案的可行性等。
2.3 投标人的财务能力评估评估投标人的财务状况,包括资产负债表、利润表、现金流量表等财务指标的分析。
三、投标文件评估3.1 投标文件的完整性评估评估投标文件是否包含了所有必要的文件和信息,如技术方案、商务方案、报价等。
3.2 技术方案评估对投标人的技术方案进行评估,包括方案的可行性、创新性、实施计划等。
3.3 商务方案评估评估投标人的商务方案,包括合同条款、交付时间、售后服务等。
四、评标结果4.1 中标人确定根据评标委员会的评估结果,确定中标人,并说明中标理由。
4.2 中标人与其他投标人的比较对中标人与其他投标人的优劣进行比较,说明中标人相对于其他投标人的优势。
4.3 中标人的合同谈判如有必要,对中标人进行合同谈判,并在评标报告中记录相关情况。
五、评标报告附录5.1 评标委员会成员名单列出评标委员会的成员名单,包括姓名、职务和专业领域。
5.2 评标标准和权重说明评标过程中所采用的评标标准和权重,以保证评标的公正和透明。
5.3 评标报告的签署和盖章评标报告应由评标委员会的成员签署,并加盖相关单位的公章,以确保报告的有效性和权威性。
结论:评标报告是招标过程中的重要文件,通过对投标人资格和投标文件的评估,最终确定中标人。
XX XXXX发电有限公司(招标项目名称)设备技术评标报告招标编号: XXXX分包号: XXXXXXXXXXXX设备XXXX技术评标组XX年XX月(地点)(项目名称)XX技术组评标专家签字页:XXXXXX发电有限公司(招标项目名称)设备技术评标报告XX年XX月XX日至XX月XX日,XXXXXX发电有限公司(招标项目名称)设备招标的开标及评标工作在XXXXX进行。
XX技术组,遵照招标文件的有关规定,严守评标纪律,本着“公平、公正、科学、择优”的原则,认真、仔细地阅读了XX 份投标文件,并与招标文件进行了比较,包括但不限于:制造和履约䏻力、质保和环保体系及其认证、标的标的市场准入证书、标的物的型式试验/鉴定报告/验收试验报告等的技术支持文件、业绩及其可用率、标的物的性能保证值和主要技术、经济(性能、功耗、能耗、环保)指标、投标货物/系统的配置及供货范围(包括备品备件、专用工具、材质、关键部件原产地和品牌)、技术服务、资料内容和交付进度、交付培训计划与等方面进行认真对比及综合分析,并对各投标文件中含糊不清、前后矛盾、由明显错误的有关问题进行澄清、答疑,澄清内容不超出投标文件的范围,避免借助澄清,将不合格的投标文件转变为合格的投标文件。
澄清结果后,技术组评标专家对各投标文件进行详评并按照招标文件的评标办法完成独立打分,在监标人在场的条件下由技术组组长或评委会指定人员汇总统汁出有效评分的算术平均值(小数点后保留壹位),排出技术评标得分顺序。
现将技术评标情况简述如下:(一)无效投标文文件:经经评委会研究决定,下列投标文件为无效投标文件,详见下表。
(如有被废标的投标文件,要按下表的格式,说明废标的理由)技术评标组评标专家以招标文件和补遗文件为准绳,根据各投标人的投标文件及澄清文件的有效回复,独立自主进行技术评议、打分,格式见附件5,(标的物技术评议、打分表)。
现将评标专家有效的技术打分汇总统计如下(按百分制统计)(三) 技术评标组的评标意見评标意见要简明。
评标报告一、基本情况和数据表建设单位:建设地点:质量标准:招标范围:招标方式:二、评标委员会1、评标委员会产生过程本次评标,评标委员会成员人数为(人数)人以上单数。
其中技术、经济等方面专家不少于成员总数的三分之二,由建设单位代表出任业主评标代表。
专家评委在开标时间前24小时内,在业主、代理公司、招标监督及专家库管理人员共同监督下,将应回避的专家录入计算机进行屏蔽,由抽取专家语音通知系统联系各专家,产生专家评委。
在开标前30分钟打印此结果。
如专家评委由于特殊原因,无法参加评标工作,应提前通知专家库管理人员。
(见附表:评标委员会成员签到表,评标委员会成员回避确认表)2、评标委员会纪律依据《评标委员会和评标方法暂行规定》(七部委12号令)、《评标专家和评标专家库管理暂行办法》,评标委员会在整个评标过程中,应严格遵守七部委12号令及其他评标过程有关的法律法规,遵循公平、公正、科学、择优的原则,维护招投标活动当事人的合法权益。
作为评标委员会的成员之一,廉洁自律,排除一切干涉自己评标活动的行为,并且不干涉其他评委的评标打分工作,独立自主完成评标工作。
作为整个评标活动的主体,负责依法组织整个评标活动。
并且承诺,在评标工作开始之前,已充分阅读招标文件,理解其中的评标办法,依据招标文件中规定的评标办法独立完成评标打分工作。
(见附表:评标专家告知书)3、评标委员会组织结构经所有评标委员会成员合议表决通过,现推荐(评委姓名)为本次评标工作的组长,负责依法组织整个评标活动的具体工作,协调在评标过程中产生的问题,对整个评标委员会负责。
(见附表:评标委员会负责人推荐书)三、开标记录投标截止时间前,招标人对密封合格的有效投标予以接收。
各投标单位将招标文件中要求提交的有效证件同时提交给招标人,以备核查。
(见附表:投标文件签收凭证、资质证件提交表)工程项目开标会于年月日:时准时在(开标地点)召开。
共有(家数)家投标单位参加了投标,分别为:(投标单位名称)。
工程技术标评标报告一、项目背景本次评标的项目市政工程项目,包括道路改造和排水系统建设两个部分。
道路改造工程涉及道路硬质铺装和交通设施的建设,排水系统建设工程涉及城市排水管网和雨污水处理厂的建设。
二、评标方法本次评标采用定性评估和定量评估相结合的方法。
定性评估主要对技术方案、施工方法和工程质量控制等进行综合评估,定量评估主要对工期计划、投资计划和经济效益等进行数值评估。
三、技术方案评估针对道路硬质铺装工程,评标委员会对各家投标单位提交的技术方案进行了评估。
评估内容包括方案的合理性、可行性和创新性等。
经评估,A公司的技术方案综合得分最高,其方案合理且创新,能够满足工程要求并提高施工效率。
四、施工方法评估针对排水系统建设工程,评标委员会对各家投标单位提交的施工方法进行了评估。
评估内容包括施工过程的绿色环保程度、安全性和施工效率等。
经评估,B公司的施工方法得分最高,其方法绿色环保,同时能够保障施工安全和效率。
五、工程质量控制评估为保障工程质量,评标委员会对各家投标单位的质量控制措施进行评估。
评估内容包括施工过程中的质量监控、质量验收和质量保证等。
经评估,C公司的质量控制措施得分最高,其措施全面且科学,能够有效保证工程质量。
六、工期计划评估为保障工期进度,评标委员会对各家投标单位的工期计划进行评估。
评估内容包括施工进度的合理性、可行性和具体措施等。
经评估,A公司的工期计划得分最高,其计划合理且具体细致,能够确保工程按时完成。
七、投资计划评估为保障项目投资的合理性,评标委员会对各家投标单位的投资计划进行评估。
评估内容包括投资额的合理性、风险分析和资金使用计划等。
经评估,D公司的投资计划得分最高,其计划合理且风险分析全面,能够确保项目的可行性和效益。
八、经济效益评估为评估项目的经济效益,评标委员会对各家投标单位的经济效益进行了评估。
评估内容包括项目的投资回报率、投资收益期和社会效益等。
经评估,A公司的经济效益得分最高,其投资回报率高且收益期较短,同时具有较高的社会效益。
关于办公设备邀标评标情况的报告公司领导:由于xxxxxx集团公司办公楼搬迁和人员增加,各部门都不同程度地造成了办公设备缺口。
为了按程序尽快增补办公设备,经各部门申请,xxxxxx集团公司综合办公室审核和领导审批,由综合办公室牵头,资产运营、财务、纪检监察等部门参与组成办公室设备购置小组,按照xxxxxx集团公司《关于印发xxxxxxxxxxxxxxx集团有限公司采购管理办法的通知》(xxx〔xxxx〕xxx号)有关规定,对办公设备进行公开邀标和评标,最终确定了评标结果。
现将有关情况汇报如下:一、邀标情况根据20xx年x月xx日对市场进行的调查情况,我们本次共向x家供应商发出了邀标函,截至20xx年x月xx日下午xx时投标截至日,最终有三家公司参与投标,分别为:xxxxx有限公司、xxxx办公设备有限公司、xxxx工贸有限公司.二、评标情况20xx年x月xx日,办公设备采购小组召开评标会议,对三家供应商的投标文件对照邀标函中规定的条件进行了评审。
三家供应商的基本情况是:1、xxxxx办公设备有限公司成立于xxxx年,注册资本贰佰万元整,五证(营业执照、企业代码证、企业税务证、代理等级证书、厂方授权书)齐全,有多家办公设备品牌的授权证明和良好的经营业绩,并有书面的售后服务质量承诺保证。
2、xxxxx有限公司成立于xxxx年,注册资本伍拾万元整,五证(营业执照、企业代码证、企业税务证、代理等级证书、厂方授权书)齐全,有书面售后服务承诺,近年业绩较好。
3、xxxxxx有限公司成立于xxxx年,注册资本壹佰万元整,五证(营业执照、企业代码证、企业税务证、代理等级证书、厂方授权书)齐全,近三年有部分业绩。
三、投标人报价与xxxx集团公司市场询价对比(见附四、评标结果根据综合评定,参考市场询价结果,办公设备采购小组一致认为xxxx办公设备有限公司报价合理,且有较好的经营业绩和售后服务承诺,建议本次办公设备供应商选择xxxx 办公设备有限公司.特此报告,请审定。
关于办公设备邀标评标情况的报告公司领导:由于xxxxxx集团公司办公楼搬迁和人员增加,各部门都不同程度地造成了办公设备缺口。
为了按程序尽快增补办公设备,经各部门申请,xxxxxx集团公司综合办公室审核和领导审批,由综合办公室牵头,资产运营、财务、纪检监察等部门参与组成办公室设备购置小组,按照xxxxxx集团公司《关于印发xxxxxxxxxxxxxxx集团有限公司采购管理办法的通知》(xxx〔xxxx〕xxx号)有关规定,对办公设备进行公开邀标和评标,最终确定了评标结果.现将有关情况汇报如下:一、邀标情况根据20xx年x月xx日对市场进行的调查情况,我们本次共向x家供应商发出了邀标函,截至20xx年x月xx日下午xx时投标截至日,最终有三家公司参与投标,分别为:xxxxx 有限公司、xxxx办公设备有限公司、xxxx工贸有限公司.二、评标情况20xx年x月xx日,办公设备采购小组召开评标会议,对三家供应商的投标文件对照邀标函中规定的条件进行了评审。
三家供应商的基本情况是:1、xxxxx办公设备有限公司成立于xxxx年,注册资本贰佰万元整,五证(营业执照、企业代码证、企业税务证、代理等级证书、厂方授权书)齐全,有多家办公设备品牌的授权证明和良好的经营业绩,并有书面的售后服务质量承诺保证.2、xxxxx有限公司成立于xxxx年,注册资本伍拾万元整,五证(营业执照、企业代码证、企业税务证、代理等级证书、厂方授权书)齐全,有书面售后服务承诺,近年业绩较好.3、xxxxxx有限公司成立于xxxx年,注册资本壹佰万元整,五证(营业执照、企业代码证、企业税务证、代理等级证书、厂方授权书)齐全,近三年有部分业绩。
三、投标人报价与xxxx集团公司市场询价对比(见附表)四、评标结果根据综合评定,参考市场询价结果,办公设备采购小组一致认为xxxx办公设备有限公司报价合理,且有较好的经营业绩和售后服务承诺,建议本次办公设备供应商选择xxxx 办公设备有限公司。