用力矩扳手正规测定拧紧力矩(8.8~10.9)
- 格式:xls
- 大小:92.00 KB
- 文档页数:3
扭力扳手扭矩对照表扭力扳手是一种常用的工具,用于紧固螺栓和螺母时控制扭矩的大小。
它可以帮助确保紧固件的力度达到规定标准,以避免过紧或者过松造成的问题。
在使用扭力扳手之前,正确的了解扭力与所需扭矩的对应关系是非常重要的。
因此,一个扭力扳手扭矩对照表是必不可少的工具。
以下是一份扭力扳手扭矩对照表,包含了常见的螺栓和螺母尺寸及其对应的扭矩数值:1. M6:8 Nm2. M8:20 Nm3. M10:35 Nm4. M12:60 Nm5. M14:85 Nm6. M16:130 Nm7. M18:170 Nm8. M20:210 Nm9. M22:260 Nm10. M24:310 Nm请注意,上述数值仅供参考,并且可能因不同的螺栓和螺母类型而略有不同。
在使用扭力扳手进行紧固时,一定要参考厂商提供的具体材料规格和要求,并遵循其建议的扭矩数值范围。
扭力扳手扭矩对照表的使用方法如下:1. 确认需要使用的螺栓或螺母的尺寸。
2. 在对照表中找到相应尺寸的行,查找对应的扭矩数值。
3. 设置扭力扳手的扭矩值为对应的数值。
4. 使用扭力扳手进行紧固,直到扳手发出点击声为止,表示已经达到预设的扭矩。
使用扭力扳手进行紧固时要注意以下几点:1. 扭力扳手应保持垂直于紧固件的方向,避免侧向施力。
2. 所使用的扭力扳手应具备准确的扭矩调节装置,以确保扭矩的准确施加。
3. 在紧固之前,应确保螺栓和螺母的表面清洁,并涂抹适量的润滑剂,以确保扭矩的传递准确无误。
4. 紧固件使用过程中,要确保扭力扳手的扭矩值和对照表上的数值一致。
5. 紧固完成后,要及时将扭力扳手的扭矩值调零,以免对下次使用造成影响。
总结:扭力扳手扭矩对照表是使用扭力扳手时不可或缺的工具。
合理使用扭力扳手可以确保螺栓和螺母的紧固力度符合标准,有效预防了由于紧固不当所引起的问题。
在使用前,根据具体材料规格和要求,参考厂商提供的扭矩对照表,并正确调整扭力扳手的扭矩数值。
通过正确的使用扭力扳手和扭力扳手扭矩对照表,可以提高工作效率,降低错误的发生率,并保障工作的安全和质量。
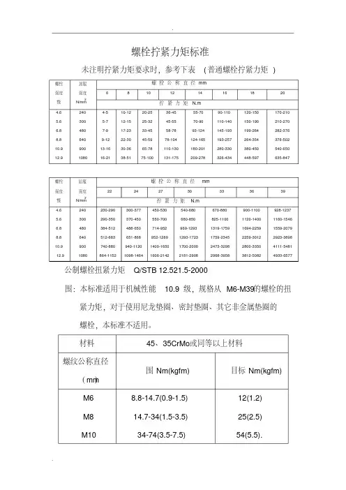
螺栓拧紧力矩标准M6〜M24螺钉或螺母的拧紧力矩(操作者参考)未注明拧紧力矩要求时,参考下表(普通螺栓拧紧力矩)未注明拧紧力矩要求时,参考下表(普通螺栓拧紧力矩)公制螺栓扭紧力矩Q/STB 12.521.5-2000范围:本标准适用于机械性能10.9级,规格从M6-M39的螺栓的扭紧力矩,对于使用尼龙垫圈、密封垫圈、其它非金属垫圈的螺栓,本标准不适用。
★对于设计图纸有明确力矩要求的,应按图纸要求执行套管螺母紧固力矩Q/STB B07833-1998材料HPb63-3Y2直通式压注油杯Q/STB B07020-199&螺纹M6、M8*1、M10*1)紧固力矩:030.5Kgm安全阀Q/STB B07029-1998(螺纹R1/8)紧固力矩:2.9-4.9Nm。
通气塞Q/STB B07030-1998 (螺纹R1/4)紧固力矩:2.94-5.88Nm。
螺塞Q/STB B07040-1998(公称直径08-10螺距 1.25, 12-36螺距 1.5)螺栓(排气) Q/STB B07060-1998( M12*1.5)紧固力矩:58.8-78.4N.m 软管(锥形密封)Q/STB B07100-1998软管(锥形密封)Q/STB B07123-1998(接头部螺母拧紧力矩)拧紧力矩:N.m 材料:(Q235)管接头螺母Q/STB B07202-1998 拧紧力矩(Q235 / HPb 59-1 )铰接螺栓Q/STB B07206-1998拧紧力矩(Q235)拧紧力矩(Q235 HPb 60-1 )表中拧紧力矩适用于钢制接头管接头Q/STB B07212-1998紧固力矩(区分代号为5、7的件材料Q235)套管螺母Q/STB B07221-1998拧紧力矩(材料Q235)管接头Q/STB B07230-1998拧入紧固力矩(Q235)弯头(带座)Q/STB B07235-1998、B07236-1998 拧紧力矩喉箍Q/STB B07281-1998拧紧力矩U 形管夹及座Q/STB B07283-1998螺母的紧固力矩(区分代号2、3使用)管夹Q/STB B07289-1998有效紧固直径© 25-牡32) 紧固力矩:8.8± 05Nm套管接头Q/STB B07290-1998套管螺母Q/STB B07833-1998软管(空调器用)Q/STB B09488-1998。
螺栓拧紧力矩标准M6~M24螺钉或螺母的拧紧力矩(操作者参考)未注明拧紧力矩要求时,参考下表(普通螺栓拧紧力矩)未注明拧紧力矩要求时,参考下表(普通螺栓拧紧力矩)公制螺栓扭紧力矩Q/STB 12.521.5-2000范围:本标准适用于机械性能10.9级,规格从M6-M39的螺栓的扭紧力矩,对于使用尼龙垫圈、密封垫圈、其它非金属垫圈的螺栓,本标准不适用。
★对于设计图纸有明确力矩要求的,应按图纸要求执行。
套管螺母紧固力矩Q/STB B07833-1998材料HPb63-3Y2直通式压注油杯Q/STB B07020-1998(螺纹M6、M8*1、M10*1)紧固力矩:0.3-0.5Kg.m。
安全阀Q/STB B07029-1998(螺纹R1/8)紧固力矩:2.9-4.9Nm。
通气塞Q/STB B07030-1998 (螺纹R1/4)紧固力矩:2.94-5.88Nm。
螺塞Q/STB B07040-1998(公称直径08-10螺距1.25,12-36螺距1.5)螺栓(排气)Q/STB B07060-1998(M12*1.5)紧固力矩:58.8-78.4N.m。
软管(锥形密封)Q/STB B07100-1998软管(锥形密封)Q/STB B07123-1998(接头部螺母拧紧力矩)螺母(球头式管接头用)Q/STB B07201-1998 拧紧力矩:N.m 材料:(Q235)管接头螺母Q/STB B07202-1998拧紧力矩(Q235 / HPb 59-1)铰接螺栓Q/STB B07206-1998拧紧力矩(Q235)球头式端直通接头Q/STB B07211-1998拧紧力矩(Q235 HPb 60-1 )表中拧紧力矩适用于钢制接头管接头Q/STB B07212-1998紧固力矩(区分代号为5、7的件材料Q235)套管螺母Q/STB B07221-1998拧紧力矩(材料Q235)管接头Q/STB B07230-1998拧入紧固力矩(Q235)弯头(带座)Q/STB B07235-1998 、B07236-1998 拧紧力矩喉箍 Q/STB B07281-1998 拧紧力矩U 形管夹及座 Q/STBB07283-1998 螺母的紧固力矩(区分代号 2、3使用)管夹 Q/STB B07289-1998(有效紧固直径φ25-φ232) 紧固力矩:8.8±05Nm套管接头 Q/STB B07290-1998套管螺母Q/STB B07833-1998软管(空调器用)Q/STB B09488-1998。
螺栓的拧紧力矩标准本篇文章将列出各类螺丝的拧紧力矩标准,当用户未注明拧紧力矩要求时,我们所参考的参考的标准。
需要强调的是:拧紧力矩和破坏扭力是两个概念,拧紧力(矩)是指螺丝拧入工件的建议值;破坏扭力(即破坏扭矩)指将螺丝拧断的最小值(详见紧固件的破坏扭矩标准GB3098.13),很显然,拧紧力矩是少于破坏扭矩的。
这是普通螺栓拧紧力矩:公制螺栓扭紧力矩Q/STB 12.521.5-2000范围:本标准适用于机械性能10.9级,规格从M6-M39的螺栓的扭紧力矩,对于使用尼龙垫圈、密封垫圈、其它非金属垫圈的螺栓,本标准不适用。
注:对于设计图纸有明确力矩要求的,应按图纸要求执行。
谈螺栓预紧力的选用和螺栓强度校核螺栓作为连接件,使用十分广泛, 其在机车车辆、航太航空、风电机组上的使用环境大多是高强度高应力, 而在乘用车主要部件的使用环境大多是低应力卨周期,但仍然存在著极大的隐患。
从安全角度来说,螺栓所联接的部件都是很昂贵的。
所以,螺栓失效时,损坏的不仅仅是它们本身,而是整个产品。
螺栓连接作为汽车装配上的重要应用,据有关资料介绍,根据发动机上的螺纹紧固件通常在1500?2000 颗左右,品种更是高达100个以上,规格也是从M6?M30不等,而其中大约100颗是与车辆的安全性能有密切联系的。
而做为在装配过程中最重要的螺栓规格及预紧力的选用,存在理论上的不足和认识的误区。
不论螺纹紧件作为连接或密封作用,还是需要装配的子零件,都有一定的屈服极限。
在装配过程中,如果预紧力过大,使零件的变形量超过零件的屈服强度,零件就会损环。
故装配件要长时间稳定有效工作,设计人员必须对螺栓预紧力进行规范设计。
1.螺栓预紧力的选用螺栓作为重要的连接件,在总成件安装时必须拧紧,在连接承受工作载荷之前,预先受到力的作用,这个预加的力就是预紧力;预紧的目得到是为了增强连接的可靠性和紧密性,防止总成安装件在工作时候,受到力的作用,各连接件之间出现缝隙或相对滑移,所以在总成件的设计中,必须对预紧力的大小进行规范设计。
螺栓拧紧力矩标准M6~M24螺钉或螺母的拧紧力矩(操作者参考)未注明拧紧力矩要求时,参考下表(普通螺栓拧紧力矩)未注明拧紧力矩要求时,参考下表(普通螺栓拧紧力矩)公制螺栓扭紧力矩 Q/STB 12.521.5-2000范围:本标准适用于机械性能10.9级,规格从M6-M39的螺栓的扭紧力矩,对于使用尼龙垫圈、密封垫圈、其它非金属垫圈★对于设计图纸有明确力矩要求的,应按图纸要求执行。
套管螺母紧固力矩 Q/STB B07833-1998材料 HPb63-3Y2直通式压注油杯 Q/STB B07020-1998(螺纹M6、M8*1、M10*1)紧固力矩:0.3-0.5Kg.m。
安全阀 Q/STB B07029-1998(螺纹R1/8)紧固力矩:2.9-4.9Nm。
通气塞 Q/STB B07030-1998 (螺纹R1/4)紧固力矩:2.94-5.88Nm。
螺塞 Q/STB B07040-1998(公称直径08-10螺距1.25,12-36螺距1.5)螺栓(排气) Q/STB B07060-1998(M12*1.5)紧固力矩:58.8-78.4N.m。
软管(锥形密封)Q/STB B07100-1998软管(锥形密封) Q/STB B07123-1998(接头部螺母拧紧力矩)螺母(球头式管接头用) Q/STB B07201-1998 拧紧力矩:N.m 材料:(Q235)管接头螺母 Q/STB B07202-1998拧紧力矩(Q235 / HPb 59-1)铰接螺栓 Q/STB B07206-1998拧紧力矩(Q235)球头式端直通接头 Q/STB B07211-1998 拧紧力矩(Q235 HPb 60-1 )表中拧紧力矩适用于钢制接头管接头 Q/STB B07212-1998紧固力矩(区分代号为5、7的件材料Q235)套管螺母 Q/STB B07221-1998拧紧力矩(材料Q235)管接头 Q/STB B07230-1998拧入紧固力矩(Q235)弯头(带座) Q/STB B07235-1998 、 B07236-1998 拧紧力矩喉箍 Q/STB B07281-1998拧紧力矩U形管夹及座 Q/STB B07283-1998螺母的紧固力矩(区分代号 2、3使用)管夹 Q/STB B07289-1998(有效紧固直径φ25-φ232) 紧固力矩:8.8±05Nm套管接头 Q/STB B07290-1998套管螺母 Q/STB B07833-1998软管(空调器用) Q/STB B09488-1998。
螺栓拧紧力矩标准M6~M24螺钉或螺母的拧紧力矩(操作者参考)未注明拧紧力矩要求时,参考下表(普通螺栓拧紧力矩)未注明拧紧力矩要求时,参考下表(普通螺栓拧紧力矩)扭紧力矩,对于使用尼龙垫圈、密封垫圈、其它非金属垫圈的螺栓,本标准不适用。
★对于设计图纸有明确力矩要求的,应按图纸要求执行。
套管螺母紧固力矩Q/STB B07833-1998材料HPb63-3Y2直通式压注油杯Q/STB B07020-1998(螺纹M6、M8*1、M10*1)安全阀Q/STB B07029-1998(螺纹R1/8)紧固力矩:2.9-4.9Nm。
通气塞Q/STB B07030-1998 (螺纹R1/4)紧固力矩:2.94-5.88Nm。
螺塞Q/STB B07040-1998(公称直径08-10螺距1.25,12-36螺距1.5)螺栓(排气)Q/STB B07060-1998(M12*1.5)软管(锥形密封)Q/STB B07100-1998软管(锥形密封)Q/STB B07123-1998(接头部螺母拧紧力矩)螺母(球头式管接头用)Q/STB B07201-1998 拧紧力矩:N.m 材料:(Q235)管接头螺母Q/STB B07202-1998拧紧力矩(Q235 / HPb 59-1)铰接螺栓Q/STB B07206-1998拧紧力矩(Q235)球头式端直通接头Q/STB B07211-1998拧紧力矩(Q235 HPb 60-1 )表中拧紧力矩适用于钢制接头管接头Q/STB B07212-1998紧固力矩(区分代号为5、7的件材料Q235)套管螺母Q/STB B07221-1998拧紧力矩(材料Q235)管接头Q/STB B07230-1998拧入紧固力矩(Q235)弯头(带座)Q/STB B07235-1998 、B07236-1998拧紧力矩喉箍Q/STB B07281-1998拧紧力矩U形管夹及座Q/STB B07283-1998螺母的紧固力矩(区分代号2、3使用)管夹Q/STB B07289-1998(有效紧固直径φ25-φ232) 紧固力矩:8.8±05Nm套管接头Q/STB B07290-1998套管螺母Q/STB B07833-1998软管(空调器用)Q/STB B09488-1998。
螺栓拧紧力矩标准M6~M24螺钉或螺母的拧紧力矩(操作者参考)未注明拧紧力矩要求时,参考下表(普通螺栓拧紧力矩)1/ 12未注明拧紧力矩要求时,参考下表(普通螺栓拧紧力矩)公制螺栓扭紧力矩Q/STB 12.521.5-2000范围:本标准适用于机械性能10.9级,规格从M6-M39的螺栓的扭紧力矩,对于使用尼龙垫圈、密封垫圈、其它非金属垫圈的螺栓,本标准不适用。
2/ 123/ 12★对于设计图纸有明确力矩要求的,应按图纸要求执行。
套管螺母紧固力矩Q/STB B07833-1998材料HPb63-3Y2直通式压注油杯Q/STB B07020-1998(螺纹M6、M8*1、M10*1)紧固力矩:0.3-0.5Kg.m。
安全阀Q/STB B07029-1998(螺纹R1/8)紧固力矩:2.9-4.9Nm。
通气塞Q/STB B07030-1998 (螺纹R1/4)紧固力矩:2.94-5.88Nm。
螺塞Q/STB B07040-1998(公称直径08-10螺距1.25,12-36螺距1.5)4/ 12螺栓(排气)Q/STB B07060-1998(M12*1.5)紧固力矩:58.8-78.4N.m。
软管(锥形密封)Q/STB B07100-1998软管(锥形密封)Q/STB B07123-1998(接头部螺母拧紧力矩)5/ 12螺母(球头式管接头用)Q/STB B07201-1998 拧紧力矩:N.m 材料:(Q235)6/ 12管接头螺母Q/STB B07202-1998拧紧力矩(Q235 / HPb 59-1)铰接螺栓Q/STB B07206-1998拧紧力矩(Q235)球头式端直通接头Q/STB B07211-1998 拧紧力矩(Q235 HPb 60-1 )7/ 12表中拧紧力矩适用于钢制接头管接头Q/STB B07212-1998紧固力矩(区分代号为5、7的件材料Q235)套管螺母Q/STB B07221-19988/ 12拧紧力矩(材料Q235)管接头Q/STB B07230-1998拧入紧固力矩(Q235)弯头(带座)Q/STB B07235-1998 、B07236-1998 拧紧力矩9/ 12喉箍Q/STB B07281-1998拧紧力矩U形管夹及座Q/STB B07283-1998螺母的紧固力矩(区分代号2、3使用)10/ 12管夹Q/STB B07289-1998(有效紧固直径φ25-φ232) 紧固力矩:8.8±05Nm套管接头Q/STB B07290-1998套管螺母Q/STB B07833-1998软管(空调器用)Q/STB B09488-199811/ 1212/ 12。
M6~M24螺钉或螺母的拧紧力矩(操作者参考)未注明拧紧力矩要求时,参考下表(普通螺栓拧紧力矩)未注明拧紧力矩要求时,参考下表(普通螺栓拧紧力矩)公制螺栓扭紧力矩Q/STB 12.521.5-2000范围:本标准适用于机械性能10.9级,规格从M6-M39的螺栓的扭紧力矩,对于使用尼龙垫圈、密封垫圈、其它非金属垫圈的螺栓,本标准不适用。
★对于设计图纸有明确力矩要求的,应按图纸要求执行。
套管螺母紧固力矩Q/STB B07833-1998材料HPb63-3Y2直通式压注油杯Q/STB B07020-1998(螺纹M6、M8*1、M10*1)紧固力矩:0.3-0.5Kg.m。
安全阀Q/STB B07029-1998(螺纹R1/8)紧固力矩:2.9-4.9Nm。
通气塞Q/STB B07030-1998 (螺纹R1/4)紧固力矩:2.94-5.88Nm。
螺塞Q/STB B07040-1998(公称直径08-10螺距1.25,12-36螺距1.5)螺栓(排气)Q/STB B07060-1998(M12*1.5)紧固力矩:58.8-78.4N.m。
软管(锥形密封)Q/STB B07100-1998软管(锥形密封)Q/STB B07123-1998(接头部螺母拧紧力矩)螺母(球头式管接头用)Q/STB B07201-1998 拧紧力矩:N.m 材料:(Q235)管接头螺母Q/STB B07202-1998拧紧力矩(Q235 / HPb 59-1)铰接螺栓Q/STB B07206-1998拧紧力矩(Q235)球头式端直通接头Q/STB B07211-1998拧紧力矩(Q235 HPb 60-1 )表中拧紧力矩适用于钢制接头管接头Q/STB B07212-1998紧固力矩(区分代号为5、7的件材料Q235)套管螺母Q/STB B07221-1998 拧紧力矩(材料Q235)管接头Q/STB B07230-1998 拧入紧固力矩(Q235)弯头(带座) Q/STB B07235-1998 、 B07236-1998 拧紧力矩喉箍 Q/STB B07281-1998 拧紧力矩U 形管夹及座Q/STB B07283-1998 螺母的紧固力矩(区分代号 2、3使用)管夹 Q/STB B07289-1998(有效紧固直径φ25-φ232) 紧固力矩:8.8±05Nm套管接头Q/STB B07290-1998套管螺母Q/STB B07833-1998软管(空调器用)Q/STB B09488-1998。
螺栓拧紧力矩标准未注明拧紧力矩要求时,参考下表(普通螺栓拧紧力矩)螺栓强度级屈服强度N/mm2螺栓公称直径 mm6 8 10 12 14 16 18 20拧紧力矩 N.m4.65.66.8 8.8 10.9 12.9 24030048064090010804-55-77-99-1213-1616-2110-1212-1517-2322-3030-3638-5120-2525-3233-4545-5965-7875-10036-4545-5558-7878-104110-130131-17555-7070-9093-124124-165180-201209-27890-110110-140145-193193-257280-330326-434120-150150-190199-264264-354380-450448-597170-210210-270282-376376-502540-650635-847螺栓强度级屈服强度N/mm2螺栓公称直径 mm22 24 27 30 33 36 39拧紧力矩 N.m4.65.66.8 8.8 10.9 12.9 2403004806409001080230-290290-350384-512512-683740-880864-1152300-377370-450488-650651-868940-11201098-1464450-530550-700714-952952-12691400-16501606-2142540-680680-850969-12931293-17231700-20002181-2908670-880825-11001319-17591759-23452473-32982968-3958900-11001120-14001694-22592259-30122800-33503812-5082928-12371160-15461559-20792923-38984111-54814933-6577公制螺栓扭紧力矩 Q/STB 12.521.5-2000围:本标准适用于机械性能10.9级,规格从M6-M39的螺栓的扭紧力矩,对于使用尼龙垫圈、密封垫圈、其它非金属垫圈的螺栓,本标准不适用。
螺栓拧紧力矩标准M6~M24螺钉或螺母的拧紧力矩(操作者参考)未注明拧紧力矩要求时,参考下表(普通螺栓拧紧力矩)未注明拧紧力矩要求时,参考下表(普通螺栓拧紧力矩)公制螺栓扭紧力矩Q/STB 12.521.5-2000范围:本标准适用于机械性能10.9级,规格从M6-M39的螺栓的扭紧力矩,对于使用尼龙垫圈、密封垫圈、其它非金属垫圈★对于设计图纸有明确力矩要求的,应按图纸要求执行。
套管螺母紧固力矩Q/STB B07833-1998材料HPb63-3Y2直通式压注油杯Q/STB B07020-1998(螺纹M6、M8*1、M10*1)紧固力矩:0.3-0.5Kg.m。
安全阀Q/STB B07029-1998(螺纹R1/8)紧固力矩:2.9-4.9Nm。
通气塞Q/STB B07030-1998 (螺纹R1/4)紧固力矩:2.94-5.88Nm。
螺塞Q/STB B07040-1998(公称直径08-10螺距1.25,12-36螺距1.5)螺栓(排气)Q/STB B07060-1998(M12*1.5)紧固力矩:58.8-78.4N.m。
软管(锥形密封)Q/STB B07100-1998软管(锥形密封)Q/STB B07123-1998(接头部螺母拧紧力矩)螺母(球头式管接头用)Q/STB B07201-1998 拧紧力矩:N.m 材料:(Q235)管接头螺母Q/STB B07202-1998拧紧力矩(Q235 / HPb 59-1)铰接螺栓Q/STB B07206-1998拧紧力矩(Q235)球头式端直通接头Q/STB B07211-1998拧紧力矩(Q235 HPb 60-1 )表中拧紧力矩适用于钢制接头管接头Q/STB B07212-1998紧固力矩(区分代号为5、7的件材料Q235)套管螺母Q/STB B07221-1998拧紧力矩(材料Q235)管接头Q/STB B07230-1998拧入紧固力矩(Q235)弯头(带座)Q/STB B07235-1998 、B07236-1998拧紧力矩喉箍Q/STB B07281-1998拧紧力矩U形管夹及座Q/STB B07283-1998螺母的紧固力矩(区分代号2、3使用)管夹Q/STB B07289-1998(有效紧固直径φ25-φ232)紧固力矩:8.8±05NmQ/STB B07290-1998套管接头套管螺母Q/STB B07833-1998软管(空调器用)Q/STB B09488-1998。
扳⼿扭矩对照表螺栓及螺母最⼤扭矩推荐值(仅供参考)强度区分 4.8 6.8 8.8 12.9最⼩破断强度392Mpa 588Mpa 784Mpa 1176Mpa 材质⼀般构造⽤钢机械制造⽤钢鉻钼合⾦钢镍鉻钼合⾦钢螺栓螺母扭矩值扭矩值扭矩值扭矩值KGM NM KGM NM KGM NM KGM NMM14 22mm 7 69 10 98 14 137 23 225M16 24mm 10 98 14 137 21 206 36 353M18 27mm 14 137 21 206 29 284 49 480M20 30mm 18 176 28 296 41 402 69 676M22 32mm 23 225 34 333 55 539 93 911M24 36mm 32 314 48 470 70 686 120 1176M27 41mm 45 441 65 630 105 1029 180 1764M30 46 60 588 90 882 125 1225 240 2352M33 50mm 75 735 115 1127 150 1470 250 2450M36 55mm 100 980 150 1470 180 1764 300 2940M39 60mm 120 1176 180 1764 220 2156 370 3626M42 65mm 155 1519 240 2352 280 2744 470 4606M45 70mm 180 1764 280 2744 320 3136 550 5390M48 75mm 230 2254 350 3430 400 3920 680 6664M52 80mm 280 2744 420 4116 480 4704 850 8330M56 85mm 360 3528 530 5194 610 5978 1050 10290M60 90mm 410 4018 610 5978 790 7742 1350 13230M64 95mm 510 4998 760 77448 900 8820M68 100mm 580 5684 870 8526 1100 10780M72 105mm 660 6468 1000 9800 1290 12642M76 110mm 750 7350 1100 10780 1500 14700M80 115mm 830 8134 1250 12250 1850 18130M85 120mm 900 8820 1400 13720 2250 22050M90 130 1080 10584 1650 16170 2500 24500M100 145mm 1400 13720 2050 20090M110 155mm 1670 16366 2550 24990M120 175mm 2030 19894 3050 29890以上是德国⼯业标准,表中扭矩值为螺栓达到屈服极限的70%时所测定. 建议锁紧⼒矩为:表中数据X(70-80)%.例如:M48,8.8级螺栓,则锁紧⼒矩为:400X80%=320(Kg-m)XLT系列压⼒/扭⼒对照表油泵压⼒设定值扳⼿输出扭⼒值HY-1XLT(A) HY-3XLT(A) HY-5XLT(A) HY-8XLT(A)PSI Bar ftib kgm Nm ftib kgm Nm ftib kgm Nm ftib kgm Nm 1000 69 130 18 177 320 44 435 560 78 761 800 111 1087 1200 83 158 22 215 384 53 522 670 93 911 960 133 **** **** 97 186 26 253 448 62 609 780 108 1060 1120 155 **** **** 110 214 30 291 512 71 696 890 123 1210 1280 177 **** **** 124 242 34 329 576 80 783 1000 139 **** **** 200 1957 2000 138 270 37 367 640 89 870 1110 154 1509 1600 222 2175 2200 152 298 41 405 704 98 957 1222 169 1661 1760 244 2392 2400 166 326 45 443 768 106 1044 1334 185 **** **** 266 2610 2600 179 354 49 481 832 115 1131 1446 200 1965 2080 288 2827 2800 193 382 53 519 896 124 1218 1558 216 2118 2240 310 3044 3000 207 410 57 557 960 133 **** **** 231 2270 2400 333 3262 3200 221 438 61 595 1024 142 1392 1782 247 2422 2560 355 3479 3400 234 466 65 633 1088 151 **** **** 262 2574 2720 377 3697 3600 248 494 68 671 1152 160 1566 2006 278 2726 2880 399 3914 3800 262 522 72 709 1216 168 1653 2118 293 2879 3040 421 4132 4000 276 550 76 748 1280 177 **** **** 309 3031 3200 443 4349 4200 290 578 80 786 1346 186 **** **** 324 3183 3360 466 4567 4400 303 606 84 824 1412 196 1919 2454 340 3335 3520 488 4784 4600 317 634 88 862 1478 205 2009 2566 356 3488 3680 510 5002 4800 331 662 92 900 1544 214 2098 2678 371 3640 3840 532 5219 5000 345 690 96 938 1610 223 2188 2790 387 3792 4000 554 5437 5200 359 718 99 976 1674 232 2275 2902 402 3944 4160 576 5654 5400 372 746 103 1014 1738 241 2362 3014 418 4096 4320 599 5871 5600 386 774 107 1052 1802 250 2449 3126 433 4249 4480 621 6089 5800 400 802 111 1090 1866 259 2536 3238 449 4401 4640 643 6306 6000 414 830 115 1128 1930 267 2623 3350 464 4553 4800 665 6524 6200 428 858 119 1166 1994 276 2710 3462 480 4705 4960 687 6741 6400 441 886 123 1204 2058 285 2797 3574 495 4858 5120 709 6959 6600 455 914 127 1242 2122 294 2884 3686 511 5010 5280 732 7176 6800 469 942 131 **** **** 303 2971 3798 526 5162 5440 754 7394 7000 483 970 134 **** **** 312 3058 3910 542 5314 5600 776 7611 7200 497 998 138 **** **** 321 3148 4022 557 5466 5760 798 7829 7400 510 1026 142 1394 2382 330 3237 4134 573 5619 5920 820 8046 7600 524 1054 146 1433 2448 339 3327 4246 588 5771 6080 842 8264 7800 538 1082 150 **** **** 348 3417 4358 604 5923 6240 865 8481 8000 552 1110 154 1509 2580 357 3507 4470 619 6075 6400 887 8698 8200 566 1138 158 **** **** 367 3596 4582 635 6228 6560 909 8916 8400 579 1166 162 1585 2712 376 3686 4694 650 6380 6720 931 9133 8600 593 1194 165 1623 2778 385 3776 4806 666 6532 6880 953 9351 8800 607 1222 169 1623 2778 385 3776 4806 666 6532 6880 953 93519000 621 1250 173 **** **** 403 3955 5030 697 6836 7200 998 9786 9200 634 1278 177 **** **** 412 4042 5142 712 6989 7360 1020 10003 9400 648 1306 181 **** **** 421 4129 5254 728 7141 7520 1042 10221 9600 662 1334 185 **** **** 430 4216 5366 743 7293 7680 1064 10438 9800 676 1362 189 **** **** 439 4303 5478 759 7445 7840 1086 10656 10000 690 1390 193 1889 3230 448 4390 5590 774 7598 8000 1108 10873XLT系列压⼒/扭矩对照表油泵压⼒设定值扳⼿输出扭⼒值HY-10XLT(A)HY-20XLT(A)HY-25XLT(A) HY-50XLT(A)PSI Bar ftib kgm Nm ftib kgm Nm ftib kgm Nm ftib kgm Nm 1000 69 1210 168 1645 2680 371 36421200 83 1428 198 **** **** 442 43381400 97 1646 228 2237 3704 513 50341600 110 1864 258 2533 4216 584 5730 8400 1164 1800 124 2082 288 2830 3555 493 4832 4728 655 6426 9450 1309 2000 138 2300 319 3126 3950 547 5369 5240 726 7122 10500 1455 2200 152 2526 350 3433 4345 602 5905 5752 797 7818 11550 1600 2400 166 2752 381 3740 4740 657 6442 6264 868 8514 12600 1746 2600 179 2978 413 4047 5135 711 6979 6776 939 9209 13650 1891 2800 193 3204 444 4355 5530 766 7516 7288 1010 9905 14700 2037 3000 207 3430 475 4662 5930 822 8060 7800 1081 10601 15750 2182 3200 221 3656 507 4969 6325 876 8597 8318 1152 11305 16800 2328 3400 234 3882 538 5276 6720 931 9133 8836 1224 12009 17850 2473 3600 248 4108 569 5583 7115 986 9670 9354 1296 12713 18900 2619 3800 262 4334 600 5890 7510 1040 10207 9872 1368 13417 19950 2746 4000 276 4560 632 6198 7905 1095 10744 10390 1439 14121 21000 2909 4200 290 4792 664 6513 8300 1150 11281 10898 1510 14812 22050 3055 4400 303 5024 696 6828 8695 1205 11818 11406 1580 15502 23100 3200 4600 317 5256 728 7144 9090 1259 12354 11914 1651 16193 24150 3346 4800 331 5488 760 7459 9485 1314 12891 12422 1721 16883 25200 3491 5000 345 5720 792 7774 9880 1369 13428 12930 1791 17574 26250 3637 5200 359 5948 824 8084 10275 1424 13965 13450 183 18280 27300 3782 5400 372 6176 856 8394 10670 1478 14502 13970 1935 18987 28350 3928 5600 386 6404 8878704 11065 1533 15039 14490 2008 19694 29400 4073 5800 400 6632 919 9014 11460 1588 15576 15010 2080 20401 30450 4219 6000 414 6860 950 9324 11860 1643 16119 15530 2152 21107 31500 4364 6200 428 7049 977 9581 12250 1697 16649 16040 2222 21800 32550 4510 6400 441 7328 1015 9960 12645 1752 17186 6550 2293 22494 33600 4655 6600 455 7562 1048 10278 13034 1807 17723 17060 2364 23187 34650 4801 6800 469 7796 1080 10596 13435 1861 18260 17570 2434 23880 35700 4946 7000 483 8030 1113 10914 13830 1916 18797 18080 2505 24573 36750 5092 7200 497 8264 1145 11232 14225 1971 19334 18602 2577 25283 37800 5237 7400 510 8498 1177 11550 14620 2026 19870 19124 2650 25992 38850 5382 7600 524 8732 1210 11868 15020 2081 20414 19646 2722 26701 39900 55287800 538 8966 1242 12186 15415 2136 20951 20168 2794 27411 40950 5673 8000 552 9200 1275 12504 15810 2190 21488 20690 2867 28120 42000 5819 8200 566 9432 1307 12819 16200 2244 22018 21214 2939 28833 43050 5964 8400 579 9664 1339 13135 16600 2300 22562 21738 3012 29545 44100 6110 8600 593 9896 1371 13450 16995 2355 23098 22262 3084 30257 45150 6255 8800 607 10128 1403 13765 17390 2409 23635 22786 3157 30969 46200 6401 9000 621 10360 1435 14081 17785 2464 24172 23310 3229 31681 47250 6546 9200 634 10592 1467 14396 18180 2519 24709 23862 3301 32383 48300 6692 9400 648 10824 1500 14711 18575 2573 25246 24342 3372 33084 49350 6837 9600 662 11056 1532 15027 18970 2628 25783 24858 3444 33785 50400 6983 9800 676 11288 1564 15342 19365 2683 26320 25374 3515 34487 51450 7128 10000 690 11520 1596 15657 19760 2738 26856 25890 3587 35188 52500 7274MXT系列压⼒/扭⼒对照表油泵压⼒设定值扳⼿输出扭⼒值HY-1MXT HY-3MXT HY-5MXTPSI Bar ftib kgm Nm ftib kgm Nm ftib kgm Nm 1500 104 200 28 271 480 67 651 835 116 1132 1600 110 214 30 290 512 71 694 890 123 1206 1800 124 242 33 328 576 80 781 1000 138 **** **** 138 270 37 366 640 86 868 1110 156 **** **** 152 297 41 403 704 97 954 1222 169 1657 2400 166 324 45 439 768 106 1041 1334 184 **** **** 179 351 49 476 832 115 1128 1446 200 1960 2800 193 378 52 512 896 124 1215 1558 215 2112 3000 207 405 56 549 960 133 **** **** 231 2264 3200 221 431 60 584 1024 142 1388 1782 246 2416 3400 234 457 63 620 1088 150 **** **** 262 2568 3600 248 483 67 655 1152 159 **** **** 277 2719 3800 262 509 70 690 1216 168 1648 2118 293 2871 4000 276 535 74 725 1280 177 **** **** 308 3023 4200 290 562 78 762 1346 186 **** **** 324 3175 4400 303 589 81 798 1412 195 1914 2454 339 3327 4600 317 616 85 835 1478 204 2004 2566 355 3478 4800 331 643 89 872 1544 213 2093 2678 370 3630 5000 345 670 93 908 1610 223 2183 2790 386 3782 5200 359 697 96 945 1674 232 2269 2902 401 3934 5400 372 724 100 981 1738 240 2356 3014 417 4086 5600 386 751 104 1018 1802 249 2443 3126 432 4238 5800 400 778 108 1055 1866 258 2530 3238 448 4389 6000 414 805 111 1091 1930 267 2616 3350 463 4541 6200 428 832 115 1128 1994 276 2703 3462 479 4693 6400 441 859 119 1164 2058 285 2790 3574 494 4845 6600 455 886 123 1201 2122 293 2877 3686 510 49976800 469 913 126 1238 2186 302 2963 3798 525 5149 7000 483 940 130 **** **** 311 3050 3910 541 5300 7200 497 967 134 **** **** 320 3140 4022 556 5452 7400 510 994 137 **** **** 329 3229 4134 572 5604 7600 524 1021 141 1384 2448 339 3329 4246 587 5756 7800 538 1048 145 1421 2514 348 3408 4358 603 5980 8000 552 1075 149 1457 2580 357 3497 4470 618 6060 8200 566 1101 152 **** **** 366 3587 4582 634 6211 8400 579 1127 156 **** **** 375 3676 4694 649 6363 8600 593 1153 159 **** **** 384 3766 4806 665 6515 8800 607 1179 163 1598 2844 393 3855 4918 680 6667 9000 621 1205 167 1633 2910 402 3945 5030 696 6819 9200 634 1232 170 1670 2974 411 4032 5142 711 6970 9400 648 1259 174 1707 3038 420 4118 5254 727 7122 9600 662 1286 178 **** **** 429 4205 5366 742 7274 9800 676 1313 182 **** **** 438 4292 5478 758 7426 10000 690 1340 185 **** **** 447 4378 5590 773 7578MXT系列压⼒/扭⼒对照表油泵压⼒设定值扳⼿输出扭⼒值HY-10MXT HY-35MXTPSI Bar ftib kgm Nm ftib kgm Nm 1500 104 1755 243 2379 5400 747 7320 1600 110 1864 258 2527 5772 798 7825 1800 124 2082 288 2822 6516 901 8833 2000 138 2300 318 3118 7260 1004 9842 2200 152 2526 349 3424 8021 1109 10873 2400 166 2752 381 3731 8782 1215 11905 2600 179 2978 412 4037 9543 1320 12936 2800 193 3204 443 4343 10304 1425 13968 3000 207 3430 474 4650 11065 1530 15000 3200 221 3656 506 4956 11817 1634 16019 3400 234 3882 537 5262 12569 1738 17039 3600 248 4108 568 5569 13321 1842 18085 3800 262 4334 599 5875 14073 1946 19077 4000 276 4560 631 6182 14825 2050 20097 4200 290 4792 663 6496 15572 2154 21109 4400 303 5024 695 6811 16319 2257 22122 4600 317 5256 727 7125 17066 2360 23135 4800 331 5448 759 7440 17813 2464 24147 5000 345 5720 791 7754 18560 2567 25160 5200 359 5948 823 8063 19306 2670 26171 5400 372 6176 854 8372 20052 2773 27182 5600 386 6404 886 8681 20798 2876 281945800 400 6632 917 8890 21544 2980 29205 6000 414 6860 949 9299 22290 3083 30216 6200 428 7094 981 9617 23027 3185 31215 6400 441 7328 1013 9934 23764 3287 32214 6600 455 7562 1046 10251 24501 3388 33214 6800 469 7796 1078 10568 25238 3490 34213 7000 483 8030 1111 10885 25975 3592 35212 7200 497 8264 1143 11203 26716 3695 36216 7400 510 8498 1175 11520 27457 3797 37221 7600 524 8732 1208 11837 28198 3900 38225 7800 538 8966 1240 12154 28939 4002 39230 8000 552 9200 1272 12472 29680 4105 40234 8200 566 9432 1304 12786 30422 4207 41240 8400 579 9664 1336 13101 31164 4310 42246 8600 593 9895 1369 13415 31906 4413 43252 8800 607 10128 1401 13730 32648 4515 44258 9000 621 10360 1433 14044 33390 4618 45263 9200 634 10592 1465 14359 34132 4720 46269 9400 648 10824 1497 14673 34874 4823 47275 9600 662 11056 1529 14988 35616 4926 48281 9800 676 11288 1561 15302 36358 5028 49287 10000 690 11520 1593 15617 37110 5131 50293XLCT系列压⼒/扭⼒对照表油泵压⼒设定值扳⼿输出扭⼒值HY-2XLCT(A) HY-4XLCT(A)中空⼯作头⽅头⼯作头中空⼯作头⽅头⼯作头PSI Bar ftib kgm Nm ftib kgm Nm ftib kgm Nm ftib kgm Nm 1000 69 170 24 231 130 18 177 325 45 442 1200 83 204 28 277 158 22 215 475 66 646 389 54 529 1400 97 238 33 323 186 26 153 555 77 754 453 63 616 1600 110 272 38 370 214 30 291 635 88 863 517 72 703 1800 124 306 42 416 242 34 329 715 99 972 581 80 790 2000 138 340 47 462 270 37 367 795 110 1081 645 89 877 2200 152 376 52 511 298 41 405 874 121 1188 710 98 965 2400 166 412 57 560 326 45 443 953 132 1295 775 107 1053 2600 179 448 62 609 354 49 481 1032 143 1403 840 116 1142 2800 193 484 67 658 382 53 519 1111 154 1510 905 125 1230 3000 207 520 72 707 410 57 557 1190 165 1617 970 134 **** **** 221 552 76 750 438 61 595 1270 176 **** **** 143 1405 3400 234 584 81 794 466 65 633 1350 187 **** **** 152 **** **** 248 616 85 837 494 68 671 1430 198 **** **** 161 1579 3800 262 648 90 881 522 72 709 1510 209 2052 1226 170 1666 4000 276 680 94 924 550 76 748 1590 220 2161 1290 179 1753 4200 290 720 100 979 578 80 786 1669 231 2268 1355 188 18424400 303 760 105 1033 606 84 824 1748 242 2376 1420 197 1930 4600 317 800 111 1087 634 88 862 1827 253 2483 1485 206 2018 4800 331 840 116 1142 662 92 900 1906 264 2591 1550 215 2107 5000 345 880 122 1196 690 96 938 1985 275 26998 1615 224 2195 5200 359 908 126 1234 718 99 976 2064 286 2805 1680 233 2283 5400 372 936 130 1272 746 103 1014 2143 297 2913 1745 242 2372 5600 386 964 134 1310 774 107 1052 2222 308 3020 1810 251 2460 5800 400 992 137 1348 802 111 1090 2301 319 3127 1875 260 2548 6000 414 1020 141 1386 830 115 1128 2380 330 3235 1940 269 2637 6200 428 1054 146 1433 860 119 1169 2460 341 3343 2004 278 2742 6400 441 1088 151 1479 890 123 1210 2540 352 3452 2068 287 2811 6600 455 1122 155 1525 920 127 1250 2620 363 3561 2132 295 2898 6800 469 1156 160 1571 950 132 **** **** 374 3670 2196 304 2985 7000 483 1190 165 1617 980 136 **** **** 385 3778 2260 313 3072 7200 497 12224 170 1664 1008 140 1370 2859 396 3886 2325 322 3160 7400 510 1258 174 1710 1036 144 1408 2938 407 3993 2390 331 3248 7600 524 1292 179 1756 1064 147 1446 3017 418 4100 2455 340 3337 7800 538 1326 184 **** **** 151 **** **** 429 4208 2520 349 3425 8000 552 1360 188 **** **** 155 **** **** 440 4315 2585 358 3513 8200 566 1394 193 1895 1148 159 **** **** 451 4424 2649 367 3600 8400 579 1428 198 **** **** 163 1598 3335 462 4533 2713 376 3687 8600 593 1462 203 1987 1204 167 1636 3415 473 4641 2777 385 3774 8800 607 1496 207 2033 1232 171 1674 3495 484 4750 2841 394 3861 9000 621 1530 212 2079 1260 175 **** **** 495 4859 2905 402 3948 9200 634 1566 217 2128 1292 179 1756 3654 506 4966 2970 411 4037 9400 648 1602 222 2177 1324 183 **** **** 517 5074 3035 420 4125 9600 662 1638 227 2226 1356 188 **** **** 528 5181 3100 429 4213 9800 676 1674 232 2275 1388 192 1886 3891 539 5288 3165 438 4302 10000 690 1710 237 2324 1420 197 1930 3970 550 5396 3230 448 4390MXTA液压扳⼿液压/扭矩对照表型号1MXTA 3MXTA 5MXTA 8MXTA 10MXTA 20MXTA 25MXTA 35MXTA MPa N.m N.m N.m N.m N.m N.m N.m N.m7 194 460 768 1100 1583 2721 3543 73208 222 526 878 1257 1810 3109 4060 79819 249 592 988 1414 2036 3498 4556 864210 277 658 1097 1572 2262 3887 5062 930311 305 724 1207 1729 2488 4276 5568 996412 332 789 1317 1886 2714 4664 6074 1062513 360 855 1427 2043 2941 5053 6581 1128614 388 921 1536 2200 3167 5442 8087 1194715 415 987 1646 2357 3393 5830 7593 1260816 443 1052 1756 2514 3619 6219 8099 1326917 471 1118 1866 2672 3845 6608 8605 1393018 498 1164 1975 2829 4072 6996 9112 1459019 526 1250 2085 2986 4298 7385 9681 1525120 554 1316 2195 3143 4524 7774 10124 1591221 582 1381 2305 3300 4750 8162 10630 1657322 610 1477 2414 3457 4676 8551 11136 1723423 637 1513 2524 3614 5202 8940 11642 1789524 666 1579 2634 3772 5492 9328 12149 1855625 692 1644 2743 3929 5655 9717 12655 1921726 720 1710 2853 4086 5881 10106 13161 1987827 748 1776 2963 4234 6107 10495 13667 2053928 775 1842 3037 4400 6333 10883 14174 2120029 803 1906 3182 4557 6560 11272 14680 2186130 821 1973 3292 4715 6786 11661 15186 2252231 859 2039 3402 4872 7012 12050 15692 2318332 886 2105 3512 5029 7238 12438 16198 2384433 914 2171 3621 5186 7469 12872 16705 2450534 942 2236 3731 5343 7691 13216 17211 2516635 969 2302 3841 5500 7917 13604 17717 2582736 997 2368 3950 5658 8143 13993 18223 2648837 1025 2434 4060 5815 8369 14382 18729 2714938 1052 2500 4170 5972 8595 14770 19236 2781039 1080 2565 4280 6129 8822 15159 19742 2847140 1108 2631 4390 6286 9048 15548 20248 2913241 1136 2697 4499 6443 9274 15936 20754 2979342 1163 2763 4609 6600 9500 16325 21260 3045443 1191 2828 4719 6758 9726 16714 21767 3111544 1219 2894 4829 6915 9953 17103 22273 3177645 1246 2960 4938 7072 10179 17491 22778 3243746 1274 3026 5048 7229 10405 17880 23285 3309847 1302 3092 5158 7306 10631 18269 23791 3375948 1330 3157 5268 7543 10857 18657 24288 3442049 1357 3223 5377 7701 11084 19046 24804 3508150 1385 3289 5487 11310 19435 25310 3574151 1413 3355 5597 8025 11536 19823 25816 3640252 1440 3420 5706 8172 11762 20212 26322 3706353 1468 3486 5816 11988 20600 26829 3772454 1496 3552 5925 12215 20989 27335 3838555 1523 3618 6036 12441 21378 27841 3904656 1551 3684 6145 12667 21767 28347 3970757 1579 3749 6255 12893 22156 28853 4036858 1607 3815 6345 13119 22544 29359 4102959 1634 3881 6415 13345 22933 29866 4190460 1662 3947 6584 13572 23322 30372 4235161 1690 4012 13798 23701 30878 4301262 1718 4078 14024 24099 31384 4367363 1745 4144 14250 24488 31891 4433464 1773 4210 14476 24876 32397 4499565 1801 4276 7133 14703 25265 32903 4565666 1828 4341 14929 25654 33409 4831767 1856 4407 15155 26042 33951 4697868 1884 4473 15381 26431 34422 4763969 1911 4579 15607 26620 34928 4830070 1939 4605 15834 27208 35434 48961。