污水综合排放标准
- 格式:docx
- 大小:26.60 KB
- 文档页数:7
三级污水综合排放标准
三级污水综合排放标准是指对城市污水处理厂进行排放的标准,它是保护环境、维护人民健康的重要依据。
三级污水综合排放标准的制定和实施,对于改善水质、保护水资源具有重要意义。
首先,三级污水综合排放标准规定了污水处理厂应当达到的排放标准。
在三级
污水综合排放标准中,对于污水中各种污染物的含量都有详细的规定,包括化学需氧量、氨氮、总磷、总氮等指标。
这些指标的设定,旨在保证排放的污水对水体环境的影响最小化,最大程度地减少对水质的污染。
其次,三级污水综合排放标准强调了对污水处理工艺的要求。
在达到污水排放
标准的前提下,污水处理厂需要采用先进的处理工艺,以确保污水得到有效处理。
这些处理工艺包括生物处理、物理化学处理等,通过这些工艺的运用,可以有效去除污水中的有机物、氮、磷等污染物,从而达到排放标准。
另外,三级污水综合排放标准还规定了对污水处理设施的运行管理要求。
污水
处理厂需要建立健全的运行管理制度,确保设施的正常运行和维护。
同时,还需要进行定期的设施检查和维护,及时发现和解决设施运行中的问题,以保证排放的污水符合标准。
总的来说,三级污水综合排放标准的实施,对于城市污水处理厂的建设和运行
管理提出了严格的要求。
只有严格按照标准进行设计建设,并严格按照标准进行运行管理,才能保证排放的污水对环境的影响最小化,保护水资源和人民健康。
因此,各地方政府和污水处理厂应高度重视三级污水综合排放标准的实施,加
强对污水处理厂的监督检查,确保污水处理厂严格按照标准进行建设和运行管理。
只有这样,才能实现城市污水排放的可持续发展,为改善水质、保护水资源作出积极贡献。
污水综合排放标准(最新)(一)污水排放标准水污染物排放标准通常被称为污水排放标准,它是根据受纳水体的水质要求,结合环境特点和社会、经济、技术条件,对排入环境的废水中的水污染物和产生的有害因子所作的控制标准,或者说是水污染物或有害因子的允许排放量(浓度)或限值。
它是判定排污活动是否违法的依据。
污水排放标准可以分为:国家排放标准、地方排放标准和行业标准。
1.国家排放标准国家排放标准是国家环境保护行政主管部门制定并在全国范围内或特定区域内适用的标准,如《中华人民共和国污水综合排放标准》(GB8978--1996)适用于全国范围。
2.地方排放标准地方排放标准是由省、自治区、直辖市人民政府批准颁布的,在特定行政区适用。
如《上海市污水综合排放标准》(DB31/199-1997),适用于上海市范围。
3.行业标准目前我国允许造纸工业、船舶工业、海洋石油开发工业、纺织染整工业、肉类加工工业、钢铁工业、合成氨工业、航天推进剂、兵器工业、磷肥工业、烧碱、聚氯乙烯工业等12个工业门类,不执行国家污水综合排放标准,可执行相应的行业标准。
4.国家标准与地方标准的关系《中华人民共和国环境保护法》第10条规定:“省、自治区、直辖市人民政府对国家污染物排放标准中没做规定的项目,可以制定地方污染物排放标准,对国家污染物排放标准已做规定的项目,可以制定严于国家污染物排放标准的地方污染物排放标准”,两种标准并存的情况下,执行地方标准。
5.污水综合排放标准与水污染物排放的行业标准的关系污水排放标准按适用范围不同,可以分为污水综合排放标准和水污染物行业排放标准。
《中华人民共和国污水综合排放标准》(GB8978--1996)、《上海市污水综合排放标准》(DB31/199-1997)是综合排放标准。
《造纸工业水污染物排放标准》(GB3544--1992)是国家行业排放标准。
国家污水综合排放标准与国家行业排放标准不交叉执行。
此外,为了保证合流管道、泵站、预处理设施的安全、正常运行,发挥设施的社会效益、经济效益、环境效益,有关部门制定了纳管标准,即排水户向城市下水道或合流管道排放污水的水质控制标准。
污水综合排放(最新)(一)(一)污水排放水污染物排放通常被称为污水排放,它是根据受纳水体的水质要求,结合环境特点和社会、经济、技术条件,对排入环境的废水中的水污染物和产生的有害因子所作的控制,或者说是水污染物或有害因子的允许排放量(浓度)或限值。
它是判定排污活动是否违法的依据。
污水排放可以分为:国家排放、地方排放和行业。
1.国家排放国家排放是国家环境保护行政主管部门制定并在全国范围内或特定区域内适用的,如《污水综合排放》(GB8978--1996)适用于全国范围。
2.地方排放地方排放是由省、自治区、直辖市人民政府批准颁布的,在特定行政区适用。
如《污水综合排放》(DB31/199-1997),适用于范围。
3.行业目前我国允许造纸工业、船舶工业、海洋石油开发工业、纺织染整工业、肉类加工工业、钢铁工业、合成氨工业、航天推进剂、兵器工业、磷肥工业、烧碱、聚氯乙烯工业等12个工业门类,不执行国家污水综合排放,可执行相应的行业。
4.国家与地方的关系《环境保护法》第10条规定:“省、自治区、直辖市人民政府对国家污染物排放中没做规定的项目,可以制定地方污染物排放,对国家污染物排放已做规定的项目,可以制定严于国家污染物排放的地方污染物排放”,两种并存的情况下,执行地方。
5.污水综合排放与水污染物排放的行业的关系污水排放按适用范围不同,可以分为污水综合排放和水污染物行业排放。
《污水综合排放》(GB8978--1996)、《污水综合排放》(DB31/199-1997)是综合排放。
《造纸工业水污染物排放》(GB3544--1992)是国家行业排放。
国家污水综合排放与国家行业排放不交叉执行。
此外,为了保证合流管道、泵站、预处理设施的安全、正常运行,发挥设施的社会效益、经济效益、环境效益,有关部门制定了纳管,即排水户向城市下水道或合流管道排放污水的水质控制。
如建设会1999年批准实施了《污水排人合流管道的水质》(DBJ08-904-1998)。
污水综合排放标准一级
污水综合排放标准是指国家对各类排水口的污水排放进行监管的标准,它的制定是为了保护水环境,维护人民健康。
污水综合排放标准一级是其中的最严格的标准之一,对于污水的处理和排放有着严格的要求。
首先,污水综合排放标准一级对于污水处理设施的要求非常严格。
污水处理设施必须采用先进的处理技术,确保处理后的污水达到国家规定的排放标准。
同时,污水处理设施的运行管理也需要严格执行,确保设施长期稳定运行,不会对周围的水环境造成污染。
其次,污水综合排放标准一级对于污水排放的监测和管理也有着详细的规定。
污水排放口必须安装在线监测设备,实时监测排放水质的各项指标,确保排放水质符合国家规定的标准。
同时,相关部门也会定期对排放口进行抽样检测,对于不符合标准的排放行为进行处罚。
另外,污水综合排放标准一级也对于污水排放的地点有着严格的规定。
污水排放口必须远离饮用水水源地、游泳场所等人类活动区域,以及对水生态环境产生影响的区域。
这样可以最大程度地减少污水对人类和自然环境造成的危害。
最后,污水综合排放标准一级对于污水排放的监督检查也有着详细的规定。
相关部门会定期对各类排放口进行检查,对于发现的问题及时进行整改,确保排放行为符合国家标准。
综上所述,污水综合排放标准一级对于污水处理和排放有着严格的要求,这也是保护水环境、维护人民健康的需要。
各地区和企业应当严格执行这一标准,加大对污水处理和排放的投入,确保污水排放不会对环境造成污染,为人民提供一个清洁的生活环境。
污水综合排放标准三级污水综合排放标准是指对于工业企业、城市污水处理厂等单位排放的污水所需符合的环境保护要求。
根据国家相关法律法规的规定,污水排放标准分为一级、二级、三级等不同等级,其中三级标准是最为严格的要求。
本文将对污水综合排放标准三级进行详细介绍,以期提高大家对于环境保护的认识,促进污水治理工作的开展。
首先,污水综合排放标准三级要求对排放的污水进行严格的处理,确保排放水质符合国家规定的环境质量标准,不会对周围的水体、土壤等环境造成污染。
在进行污水处理时,需要使用先进的处理设备和技术,确保污水中的有害物质得到有效去除,达到排放标准要求。
其次,污水综合排放标准三级还要求对污水排放进行严格的监测和管理。
企业或单位需要建立健全的监测系统,对污水排放进行实时监测,并及时记录和报告监测数据。
同时,需要建立完善的管理制度,对污水排放进行严格管理,确保排放水质稳定达标。
另外,污水综合排放标准三级还要求对污水排放进行定期的检查和评估。
企业或单位需要定期对污水处理设施进行检查和维护,确保设施正常运行。
同时,需要对污水排放进行定期的环境影响评估,及时发现和解决存在的问题,保障排放水质符合标准要求。
最后,污水综合排放标准三级还要求对污水处理工艺进行不断的改进和创新。
随着科技的发展和环保要求的提高,污水处理技术也在不断更新换代。
企业或单位需要密切关注行业发展动态,不断引进先进的污水处理技术,提高污水处理效率和水质达标率。
总之,污水综合排放标准三级是对污水排放进行严格要求的标准,对于保护环境、改善水质、促进可持续发展具有重要意义。
各相关企业和单位应当严格遵守排放标准要求,加强污水治理工作,共同为建设美丽中国贡献力量。
希望通过本文的介绍,大家能够更加深入地了解污水综合排放标准三级,共同关注环境保护,共同呵护我们的家园。
污⽔综合排放标准GB8978污⽔综合排放标准GB8978-1996国家环境保护局1996-10-04批准1998-01-01实施前⾔本标准是对GB8978-88《污⽔综合排放标准》的修订。
修订的主要内容是:提出年限制标准,⽤年限制代替原标准以现有企业和新扩改企业分类。
以本标准实施之⽇为界限划分为两个时间段。
1997年12⽉31⽇前建设的单位,执⾏第⼀时间段规定的标准值:1998年1⽉1⽇起建设的单位,执⾏第⼆时间段规定的标准值。
在标准适⽤范围上明确综合排放标准与⾏业排放标准不交叉执⾏的原则,造纸⼯业、船舶、船舶⼯业、海洋⽯油开发⼯业、纺织染整⼯业、⾁类加⼯⼯业、合成氨⼯业、钢铁⼯业、船主在扒进剂使⽤、兵器⼯业、磷肥⼯业、烧碱、聚氯⼄烯⼯业所排放的污⽔执⾏相应的国家⾏业标准,其他⼀切排放污⽔的单位⼀律执⾏本标准。
除上述12个⾏业外,已颁发布的下列17个⾏业⽔污染排放标准均纳⼊本次修订内容。
本标准与原标准相⽐,第⼀时间段的标准值基本维护原标准的新扩改⽔平,为控制纳⼊本次修订的17个⾏业⽔污染物排放标准中的特征污染物及其他有毒有害污染物,增加控制项⽬10项;第⼆时间段,⽐原标准增加控制项⽬40项,COD、BOD5等项⽬的最⾼允许排放浓度适当从严。
本标准从⽣效之⽇,代替GB8978-88,同时代替以下标准:GBJ48-83医院污⽔排放标准(试⾏)GB3545-83甜菜制糖⼯业⽔污染物排放标准GB3546-83⽢蔗制糖⼯业⽔污染物排放标准GB3547-83合成脂肪酸⼯业污染物排放标准GB3548-83合成洗涤剂⼯业污染物排放标准GB3549-83制⾰⼯业⽔污染物排放标准GB3550-83⽯油开发⼯业⽔污染物排放标准GB3551-83⽯油炼制⼯业污染物排放标准GB3553-83电影洗⽚⽔污染物排放标准GB4280-84铬盐⼯业污染物排放标准GB4281-84⽯油化⼯⽔污染物排放标准GB4282-84硫酸⼯业污染物排放标准GB4283-84黄磷⼯业污染物排排放标准GB4912-85轻⾦属⼯业污染物排放标准GB4913-85重有⾊⾦属⼯业污染物排放标准GB4916-85沥青⼯业污染物排放标准GB5469-85铁路货车洗刷废⽔排放标准本标准附录A、附录B、附录C、附录D都是标准的附录。
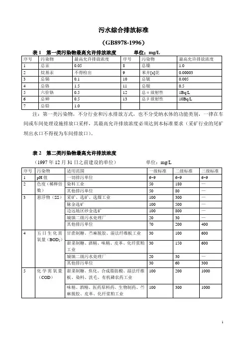
污水综合排放标准GB 8978-1996为贯彻《中华人民共和国环境保护法》、《中华人民共和国水污染防治法》和《中华人民共和国海洋环境保护法》,控制水污染,保护江河、湖泊、运河、渠道、水库和海洋等地面水以及地下水水质的良好状态,保障人体健康,维护生态平衡,促进国民经济和城乡建设的发展,特制定本标准。
1 主题内容与适用范围1.1 主题内容本标准按照污水排放去向,分年限规定了69种水污染物最高允许排放浓度及部分行业最高允许排水量。
1.2 适用范围本标准适用于现有单位水污染物的排放管理,以及建设项目的环境影响评价、建设项目环境保护设施设计、竣工验收及其投产后的排放管理。
按照国家综合排放标准与国家行业排放标准不交叉执行的原则,造纸工业执行《造纸工业水污染物排放标准(GB3544-92)》,船舶执行《船舶污染物排放标准(GB3552-83)》,船舶工业执行《船舶工业污染物排放标准(GB4286-84)》,海洋石油开发工业执行《海洋石油开发工业含油污水排放标准(GB4914-85)》,纺织染整工业执行《纺织染整工业水污染物排放标准(GB4287-92)》,肉类加工工业执行《肉类加工工业水污染物排放标准(GB13457-92)》,合成氨工业执行《合成氨工业水污染物排放标准(GB13458-92)》,钢铁工业执行《钢铁工业水污染物排放标准(GB13456-92)》,航天推进剂使用执行《航天推进剂水污染物排放标准(GB14374-93)》,兵器工业执行《兵器工业水污染物排放标准(GB14470.1~14470.3-93和GB4274~4279-84)》,磷肥工业执行《磷肥工业水污染物排放标准(GB15580-95)》,烧碱、聚氯乙烯工业执行《烧碱、聚氯乙烯工业水污染物排放标准(GB15581-95)》,其他水污染物排放均执行本标准。
1.3 本标准颁布后,新增加国家行业水污染物排放标准的行业,按其适用范围执行相应的国家水污染物行业标准,不再执行本标准。
污水综合排放标准三级标准污水综合排放标准是指对工业、农村和城市污水排放进行综合管理和控制的标准,其目的是保护水环境,维护生态平衡,保障人民健康。
在我国,污水排放标准分为一级、二级和三级标准,其中三级标准是最为严格的标准之一。
下面将对污水综合排放标准三级标准进行详细介绍。
首先,污水综合排放标准三级标准要求对污水中的各种污染物进行严格控制。
包括化学需氧量(COD)、氨氮、总磷、总氮等指标,要求达到一定的排放标准,以保证排放的污水对水环境的影响降到最低程度。
其次,污水综合排放标准三级标准对污水处理设施的运行管理提出了严格要求。
要求企业建立健全的污水处理设施,保证设施的正常运行,定期进行设施的检查和维护,确保排放的污水符合标准要求。
另外,污水综合排放标准三级标准还对污水排放的监测和数据报告提出了严格要求。
企业需要建立完善的监测系统,对排放的污水进行实时监测,并及时上报监测数据。
同时,要求企业对污水排放进行定期的自行监测,并将监测数据报送相关部门,以便监管部门对企业的排放情况进行监督和管理。
最后,污水综合排放标准三级标准还要求企业建立健全的应急预案和应急处置措施。
一旦发生污水泄漏或突发环境事件,企业需要立即启动应急预案,采取有效的应急处置措施,最大限度地减少对水环境的影响,保护周围的生态环境和居民的生命财产安全。
总之,污水综合排放标准三级标准是对污水排放进行严格管理和控制的标准,其要求严格、措施完善。
企业在进行生产经营过程中,必须严格按照三级标准的要求进行污水排放管理,保护水环境,维护生态平衡,促进可持续发展。
同时,监管部门也应加强对企业的监督检查,确保企业严格执行污水综合排放标准三级标准,为水环境保护作出应有的贡献。
据上海市环保局《上海市环境保护规范(暂行)第十一章:排水排放
标准》,上海市污水综合排放标准主要包括四项标准,即污染物排放
量标准、污染物排放浓度标准、水质标准、环境功能要求。
首先,污染物排放量标准,是为了指导企业和单位按污染物种类和性
质确定污染物排放量,防止污染物排放过量。
其中,对于重金属、氨
氮和石油类,单位设施年度排放量不得超过零排放标准。
其次,污染物排放浓度标准是对污染物排放浓度,以及污染物排放违
法行为不得超过规定标准和污染物应排放最大限度浓度。
上海市重点
管控污染物浓度标准为:氨氮的最大排放浓度控制在10mg/L,石油类
物质的最大排放浓度控制在10mg/L,其他重金属类物质的最大排放浓
度控制在1.0mg/L。
此外,上海市的水质标准是指对水质的重金属、重金属离子、氨氮、
多环芳烃和色度等指标的定量和定性要求,通常用两个指标来衡量水质,即COD和BOD,上海市规定COD排放浓度不得超过25mg/L,BOD排放浓度不得超过15mg/L。
最后,上海市污水综合排放标准的环境功能要求,主要是对环境影响
评价,满足环境质量、可持续发展要求,防止环境污染严重影响健康。
受上海市污水综合排放标准的约束,企业及施工单位须严格遵守污染
物排放量,污染物排放浓度和水质标准,以发展安全健康环保的工程
项目,为改善居民生活环境,提高人民生活质量作出贡献。
GB8978-96污水综合排放标准GB 8978-1996代替GB8978-88为贯彻《中华人民共和国环境保护法》、《中华人民共和国水污染防治法》和《中华人民共和国海洋环境保护法》,控制水污染,保护江河、湖泊、运河、渠道、水库和海洋等地面水以及地下水水质的良好状态,保障人体健康,维护生态平衡,促进国民经济和城乡建设的发展,特制定本标准。
1 主题内容与适用范围1.1 主题内容本标准按照污水排放去向,分年限规定了69种水污染物最高允许排放浓度及部分行业最高允许排水量。
1.2适用范围本标准适用于现有单位水污染物的排放管理,以及建设项目的环境影响评价、建设项目环境保护设施设计、竣工验收及其投产后的排放管理。
1.3 本标准颁布后,新增加国家行业水污染物排放标准的行业,按其适用范围执行相应的国家水污染物行业标准,不再执行本标准。
3 定义3.1 污水:指在生产与生活活动中排放的水的总称。
3.2 排水量:指在生产过程中直接用于工艺生产的水的排放量。
不包括间接冷却水、厂区锅炉、电站排水。
3.3 一切排污单位:指本标准适用范围所包括的一切排污单位。
3.4 其他排污单位:指在某一控制项目中,除所列行业外的一切排污单位。
4 技术内容4.1 标准分级4.1.1 排入GB3838Ⅲ类水域(划定的保护区和游泳区除外)和排入 GB3097中二类海域的污水,执行一级标准。
4.1.2 排入 GB 3838中Ⅳ、Ⅴ类水域和排入 GB3097中三类海域的污水,执行二级标准。
4.1.3 排入设置二级污水处理厂的城镇排水系统的污水,执行三级标准。
4.1.4 排入未设置二级污水处理厂的城镇排水系统的污水,必须根据排水系统出水受纳水域的功能要求,分别执行4.1.1和4.1.2的规定。
4.1.5 GB3838中Ⅰ、Ⅱ类水域和Ⅲ类水域中划定的保护区, GB3097中一类海域,禁止新建排污口,现有排污口应按水体功能要求,实行污染物总量控制,以保证受纳水体水质符合规定用途的水质标准。
中华人民共和国污水综合排放标准为贯彻《中华人民共和国环境保护法》、《中华人民共和国水污染防治法》和《中华人民共和国海洋环境保护法》,控制水污染,保护江河、湖泊、运河、渠道、水库和海洋等地面水以及地下水水质的良好状态,保障人体健康,维护生态平衡,促进国民经济和城乡建设的发展,特制定本标准。
1 主题内容与适用范围1.1 主题内容本标准按照污水排放去向,分年限规定了69种水污染物最高允许排放浓度及部分行业最高允许排水量。
1.2适用范围本标准适用于现有单位水污染物的排放管理,以及建设项目的环境影响评价、建设项目环境保护设施设计、竣工验收及其投产后的排放管理。
按照国家综合排放标准与国家行业排放标准不交叉执行的原则,造纸工业执行《造纸工业水污染物排放标准 (GB3544-92)》,船舶执行《船舶污染物排放标准 (GB3552-83)》,船舶工业执行《船舶工业污染物排放标准(GB4286-84)》,海洋石油开发工业执行《海洋石油开发工业含油污水排放标准 (GB4914-85)》,纺织染整工业执行《纺织染整工业水污染物排放标准 (GB4287-92)》,肉类加工工业执行《肉类加工工业水污染物排放标准 (GB13457-92)》,合成氨工业执行《合成氨工业水污染物排放标准(GB13458-92)》,钢铁工业执行《钢铁工业水污染物排放标准 (GB13456-92)》,航天推进剂使用执行《航天推进剂水污染物排放标准(GB14374-93)》,兵器工业执行《兵器工业水污染物排放标准 (GB14470.1~14470.3-93和GB4274~4279-84)》,磷肥工业执行《磷肥工业水污染物排放标准(GB15580-95)》,烧碱、聚氯乙烯工业执行《烧碱、聚氯乙烯工业水污染物排放标准 (GB15581-95)》,其他水污染物排放均执行本标准。
1.3 本标准颁布后,新增加国家行业水污染物排放标准的行业,按其适用范围执行相应的国家水污染物行业标准,不再执行本标准。
gb8978污水综合排放标准GB8978污水综合排放标准。
GB8978污水综合排放标准是我国对污水排放进行监管的重要标准之一,其制定旨在保护环境、维护生态平衡,促进可持续发展。
该标准规定了不同类型污水排放的限值要求,对于企业和单位的生产经营活动具有重要的指导意义。
首先,GB8978标准对污水排放的监测和检测提出了严格要求。
根据标准规定,企业和单位需要建立健全的污水监测体系,定期对污水排放进行监测,并委托具有相应资质的检测机构进行检测。
这有助于及时发现和解决污水排放超标的问题,保障环境质量。
其次,标准明确了不同行业、不同类型污水排放的限值要求。
针对不同行业的生产特点和污水排放的特性,GB8978标准对污水中各种污染物的浓度限值进行了详细规定,确保了污水排放的质量符合国家和地方的环境保护要求。
此外,标准还对污水处理设施的设计、运行和维护提出了具体要求。
企业和单位在建设和运营污水处理设施时,需要严格按照标准的要求进行设计和运行,确保污水处理效果达到标准规定的排放要求。
总的来说,GB8978污水综合排放标准的实施,对于保护环境、改善水质、维护生态平衡具有重要意义。
企业和单位要严格遵守标准要求,加强污水治理工作,减少污水排放对环境造成的影响,为建设美丽中国作出应有的贡献。
在实际操作中,我们需要充分认识到GB8978污水综合排放标准的重要性,加强对标准的宣传和培训,提高相关人员的标准意识和执行力,确保标准的有效实施。
同时,政府部门也需要加大对污水排放的监管力度,加强对污水处理设施的审查和监督,确保企业和单位严格遵守标准要求。
总之,GB8978污水综合排放标准的实施,对于促进环境保护和可持续发展具有重要意义。
我们每个人都应该为遵守标准、保护环境贡献自己的力量,共同建设美丽中国。
希望通过全社会的共同努力,污水排放问题能够得到有效控制,环境质量得到持续改善,人民群众能够享受到更好的生态环境。
ICS 13.060.30Z 60天津市地方标准DBDB12/356—2008污水综合排放标准Integrated Wastewater Discharge Standard2008-01-18 发布 2008-02-18 实施天津市环境保护局天津市质量技术监督局发布DB12/ 356—2008I目次前言 (II)1 范围 (1)2 规范性引用文件及编制依据 (1)3 定义 (1)4 技术内容 (2)5 监测 (4)DB12/ 356—2008II前言本标准列出了5 种污染物的排放限值和部分行业最高允许排放水量共6 项指标。
与GB 8978—1996《污水综合排放标准》相比较,本标准不新增污染物指标。
同时,本标准对天津市执行GB 18918—2002《城镇污水处理厂污染物排放标准》中的水污染物排放标准,以及对各类医院及医疗机构水污染物排放等要求,作了明确规定。
本标准对污染指标控制的总体水平严于GB 8978—1996《污水综合排放标准》。
本标准为全文强制性标准。
本标准为首次发布。
本标准由天津市环境保护局提出并归口,由天津市环境保护局负责解释。
本标准起草单位:天津市环境保护科学研究院。
本标准主要起草人:寇文、杨勇、孙贻超、赵杰、陈瑞、孙静、康磊。
DB12/ 356—20081污水综合排放标准1 范围本标准规定了污水综合排放标准的定义、技术内容和监测规定。
本标准适用于天津市辖区内的排污单位水污染物的排放管理、建设项目的环境影响评价、建设项目环境保护设施设计、竣工验收及其投产后的排放管理。
2 规范性引用文件下列文件所包含的条款通过本标准引用而成为本标准的条款。
凡是注日期的引用文件,其随后所有的修改单(不包括勘误的内容)或修订版均不适用于本标准,然而,鼓励根据本标准达成协议的各方研究是否可使用这些文件的最新版本。
凡是不注日期的引用文件,其最新版本适用于本标准。
GB 3097-1997 海水水质标准GB 3838-2002 地表水环境质量标准GB/T 7478-1987 水质铵的测定蒸馏和滴定法GB/T 7479-1987 水质铵的测定纳氏试剂比色法GB/T 7488-1987 水质五日生化需氧量(BOD5)的测定稀释与接种法GB 8978-1996 污水综合排放标准GB/T 11893-1989 水质总磷的测定钼酸铵分光光度法GB/T 11901-1989 水质悬浮物的测定重量法GB/T 11914-1989 水质化学需氧量的测定重铬酸盐法GB 18466-2005 医疗机构水污染物排放标准GB 18918-2002 城镇污水处理厂污染物排放标准HJ/T 86-2002 水质生化需氧量(BOD)的测定微生物传感器快速测定法《水和废水监测分析方法(第四版)》中国环境科学出版社(2002 年)水质化学需氧量的测定快速密闭催化消解法(含光度法)《国务院关于天津市城市总体规划的批复》国函〔2006〕62 号《天津市城市总体规划(2005 年-2020 年)》《关于环保部门现场检查中排污监测方法问题的解释》国家环境保护总局公告2007 年第16 号3 定义下列定义适用于本标准。
3.1 污水wastewater指生产、工作和生活过程中排放的水的总称。
3.2 城市污水处理厂排水urban municipal wastewater treatment plant drainage指服务对象位于《天津市城市总体规划(2005 年-2020 年)》中的中心城区、滨海新区核心区、11个新城的GB18918 中定义的城镇污水处理厂的排水。
3.3 城镇污水处理厂排水townish municipal wastewater treatment plant drainage指除本标准中定义的“城市污水处理厂排水”之外的GB18918 中定义的城镇污水处理厂的排水。
3.4 农村污水处理厂排水country wastewater treatment plant drainage指只接收农村生活污水的污水处理厂的排水。
3.5 工业园区污水处理厂排水industrial park wastewater treatment plant drainage指主要接纳处理生产污水的各类工业园区、开发区、畜禽养殖小区污水处理厂的排水。
DB12/ 356—200823.6 医疗机构污水medical organization wastewater指GB18466 中定义的医疗机构污水。
3.7 其它污水other wastewater指除本标准3.2 至3.5 中所列污水处理厂排水和医疗机构污水之外的污水。
3.8 排水量amount of drainage指在生产过程中直接用于工艺生产的水的排放量。
不包括间接冷却水、厂区锅炉及电站排水。
4 技术内容4.1 标准分级和限值4.1.1 城市污水处理厂排水4.1.1.1 新建、扩建城市污水处理厂排水执行GB18918 中“水污染物排放标准一级标准A标准”。
4.1.1.2 已建成的城市污水处理厂进行改造,排水执行GB18918 中“水污染物排放标准一级标准B 标准”。
4.1.1.3 已建成的城市污水处理厂排水应在2010年12月31日前达到GB18918中“水污染物排放标准一级标准B标准”。
4.1.2 城镇污水处理厂排水4.1.2.1 新建(包括改、扩建)城镇污水处理厂排水执行GB18918中“水污染物排放标准一级标准B标准”。
4.1.2.2 已建成的城镇污水处理厂排水应在2010年12月31日前达到GB18918中“水污染物排放标准一级标准B标准”。
4.1.3 农村污水处理厂排水4.1.3.1 新建(包括改、扩建)农村污水处理厂排水执行GB18918中“水污染物排放标准二级标准”。
4.1.3.2 已建成的农村污水处理厂排水应在2010年12月31日前达到GB18918中“水污染物排放标准二级标准”。
4.1.4 工业园区污水处理厂排水4.1.4.1 新建(包括改、扩建)工业园区污水处理厂排水执行GB18918中“水污染物排放标准一级标准B标准”。
4.1.4.2 已建成的工业园区污水处理厂排水应在2010年12月31日前达到GB18918中“水污染物排放标准一级标准B标准”。
4.1.5 医疗机构污水4.1.5.1 排入本标准中所列各类污水处理厂收水系统的医疗机构污水中的氨氮(传染病、结核病医疗机构除外)、总磷执行本标准4.1.6.1的相关要求,其它项目执行GB18466相关要求。
4.1.5.2 除4.1.5.1中所列范围之外的医疗机构污水中的化学需氧量(COD)、生化需氧量(BOD5)、悬浮物(SS)、氨氮、总磷执行本标准4.1.6.3和4.1.6.4的相关要求,其它项目执行GB18466相关要求。
4.1.6 其它污水本标准按照污水不同的排放去向和不同功能区分为三级。
4.1.6.1 排入本标准中所列各类污水处理厂收水系统的污水执行三级标准,限值见表1。
表1 污染物最高允许排放浓度单位:mg/L(凡注明者除外)序号污染物或项目名称一级标准二级标准三级标准1 悬浮物(SS) 10 20 4002 五日生化需氧量(BOD5) 10 20 3003 化学需氧量(COD) 50 60 5004 氨氮(以N 计)5 8 355 总磷 0.5 1.0 3.0DB12/ 356—200834.1.6.2 未排入或排入未运行的本标准中所列各类污水处理厂收水系统的污水,根据排水系统出水受纳水体的功能,分别执行本标准4.1.6.3、4.1.6.4的规定。
4.1.6.3 排水系统出水受纳水体为GB3838 中Ⅳ类水体和GB3097 中二类、三类海域的污水标准,限值见表1。
4.1.6.4 排水系统出水受纳水体为GB3838中Ⅴ类水体和GB3097中四类海域的污水执行二级标准,限值见表1。
4.2 其他规定4.2.1 本标准中未列出的项目执行GB8978 的相应要求;其中有行业标准的,应符合相关行业标准的规定。
4.2.2 部分行业最高允许排水量执行本标准的有关规定,排放限值见表2。
本标准中未列出的,从严执行GB8978 中表5 或对应行业标准及清洁生产的相关规定。
表 2 部分行业最高允许排水量行业类别项目最高允许排放水量1.炼钢a.转炉废水量,m3/t 钢≤0.7b.连铸废水量,m3/t 钢≤0.5c.电炉废水量,m3/t 钢≤1.22.热轧板/带废水量,m3/t 产品≤2.0钢管废水量,m3/t 产品≤2.0型钢废水量,m3/t 产品≤1.5线材废水量,m3/t 产品≤1.23.烧结烧结,m3/t 产品≤0.005球团,m3/t 产品≤0.0024.冷轧板带废水量,m3/t 产品≤1.55.炼铁钢铁行业钢铁联合企业废水量,m3/t 产品≤1.5石油炼制业加工吨原油工业废水产生量,t 水/t 原油≤1.01.含油污水单排量,kg/t 原料≤402.含硫污水常减压装置单排量,kg/t 原料≤351.含油污水掺渣量比率单排量,kg/t原料 <35% 35%-70% ≥70%≤160 ≤160 ≤2002.含硫污水<35% 35%-70% ≥70%石油炼制业催化裂化装置单排量,kg/t 原料≤120 ≤120 ≤120DB12/ 356—20084表2(续)行业类别项目最高允许排放水量蒸氨工段蒸氨废水产生量(t/t 精煤)≤0.50炼焦行业炼焦行业入酚、氰废水处理站前废水量(t/t 焦)≤1.5汽车涂装汽车涂装废水产生量(m3/m2)≤0.1燃煤电厂燃煤电厂工业废水回收利用率≥90%石油加工业石油加工业工业废水单排(t 水/t 原油) 0.5-1.04.2.3 自标准颁布之日起建设(包括改、扩建)的单位(不含本标准中所列各类污水处理厂),水污染物的排放必须执行本标准;至标准颁布之日已建成(包括改、扩建)的单位(不含本标准中所列各类污水处理厂),水污染物的排放自2010 年1 月1 日起执行本标准;至标准颁布之日仍在建(包括改、扩建)的单位(不含本标准中所列各类污水处理厂),水污染物的排放在环境保护竣工验收报告批复日期起一年后执行本标准。
建设(包括改、扩建)单位的建设时间以环境影响报告书(表)批准日期为准划分;建设(包括改、扩建)单位的建成时间以环境保护竣工验收报告审批日期为准划分。
4.2.4 “受纳水体”的含义4.2.4.1 污水直接排入列入水环境功能区划中水体的,以该水体作为该污水的受纳水体。
4.2.4.2 污水排入未列入水环境功能区划中的水体,但该水体与其它列入水环境功能区划水体相连接或有沟通的,以该水体首先汇入的已列入水环境功能区划的水体作为受纳水体。
未列入水环境功能区划中的水体,且该水体不与其它列入水环境功能区划水体相连接或有沟通的,禁止新建排污口,的现有排污口应在2009年1月1日前关闭。