传输线路维护人员考试:光缆线路维护考试题预测模拟考试_2.doc
- 格式:doc
- 大小:59.00 KB
- 文档页数:22
传输线路维护人员考试:光缆线路维护考试题及答案模拟考试 考试时间:120分钟 考试总分:100分遵守考场纪律,维护知识尊严,杜绝违纪行为,确保考试结果公正。
1、单项选择题 OTDR 能测试的指标是( )。
A .光纤发光强度 B .光纤折射率 C .光纤骨架结构 D .光纤断点 本题答案: 2、问答题 用吊板工作时应注意什么? 本题答案: 3、填空题 光缆的接续与成端技术是光缆线路施工和维护人员必须掌握的基本技术,光缆接续又可分为( )的接续和( )的接续两部分,光缆的成端与光缆的接续类似,但由于接头材料不同操作方法也不同。
本题答案: 4、填空题 在维光缆的任何一处发生全部中断的障碍为( )障碍。
本题答案: 5、填空题 当长途及本地线路发生障碍或进行迁改、割接时,由( )负责处置,(姓名:________________ 班级:________________ 学号:________________ --------------------密----------------------------------封 ----------------------------------------------线----------------------)负责组织协调,并在线路人员查找障碍、迁改或割接的全过程中予以密切配合。
本题答案:6、单项选择题代维资格证书有一定的(),到期作废,不得延期。
A.时限B.时段C.期限D.规定本题答案:7、问答题光缆线路组成。
本题答案:8、填空题杆距大于()米以上的应做辅助吊线,辅助吊线应比主吊线大一程式,且电杆两端的吊线必须做终结。
一般在轻负荷区,杆距超过()m属长杆档。
除有吊挂光缆的正吊线外,还需加设付吊线,一般付吊线采用()钢绞线。
本题答案:9、单项选择题为避免加强型光缆外护扭曲变形,损伤纤芯,对于加强型光缆,可采取()的方式布放。
A.机车牵引B.倒8字C.人工拖放D.转动光缆盘本题答案:10、问答题如何利用OTDR测试光纤的长度、损耗和末端?本题答案:11、填空题架空通信线路交越1KV以下电力线(架空电力线路有防雷保护设备)的最小垂直净()米。
传输线路维护人员考试:光缆通信考考试题考试时间:120分钟 考试总分:100分遵守考场纪律,维护知识尊严,杜绝违纪行为,确保考试结果公正。
1、问答题管道光缆接头盒在人孔内安装有何要求? 本题答案: 2、填空题当外界温度变化时,在热效应引起的外力作用下光纤会发生( ),从而导致( )损耗,这种损耗随温度变化的性能称为光纤损耗的( )。
本题答案: 3、填空题固定通信台站点多、线长,必须加强领导,严密组织,科学管理,统一指挥,统一规章制度,统一技术标准,做到( )化、( )化、( )化。
本题答案: 4、填空题光缆中有一根光纤原接续点衰减台阶水平拉长,则可能的障碍原因是( )。
本题答案: 5、问答题简述光波复用技术应用主要表现在哪几个方向? 本题答案: 6、问答题产生光纤连接损耗的原因有哪些? 本题答案: 7、问答题姓名:________________ 班级:________________ 学号:________________--------------------密----------------------------------封 ----------------------------------------------线----------------------说明“块”的定义和测试分类。
本题答案:8、单项选择题光纤损耗测量的基准测试方法是()。
A.截断法B.插入法C.背向散射法D.四P法本题答案:9、填空题误码特性的评定方法主要有()和()。
本题答案:10、问答题论述在光缆的接头点为什么要设置监测标石?本题答案:11、问答题STM--1的帧结构可以分为哪几个区域,作用是什么?本题答案:12、单项选择题传送网主要指()功能意义上的网络。
A.实际B.逻辑C.设计D.研究本题答案:13、问答题简述正式修复光缆时,介入或更换光缆的长度应考虑哪些因素?本题答案:14、填空题在SDH系统中,当必需传送大于单个C-4容量的净负荷时,可利用()来实现。
传输线路维护人员考试:光缆线路维护考试题预测模拟考试练习 考试时间:120分钟 考试总分:100分遵守考场纪律,维护知识尊严,杜绝违纪行为,确保考试结果公正。
1、填空题 OTDR 常用的基本术语:( )、( )、( )和( )。
本题答案: 2、单项选择题 光缆线路防雷保护接地装置的接地电阻值,在土壤电阻率ρ为101-500(ΩM )的地区,接地电阻应小于( )Ω。
A.5 B.10 C.15 D.20 本题答案: 3、单项选择题 单模光纤在( )波长具有零色散特点,目前被广泛应用。
A 、0.85nm B 、1.31nm C 、1.55nm D 、1625nm 本题答案: 4、单项选择题 在城区或光缆引入基站点大多采用墙壁光缆引上,由于受建筑物的影响,墙壁光缆确保光缆在转角点的转变半径大于光缆外径的( )倍,通常情况下在转姓名:________________ 班级:________________ 学号:________________ --------------------密----------------------------------封 ----------------------------------------------线----------------------角点提前吊线终节,加大光缆的转角长度和半径。
A.10B.15C.20D.30本题答案:5、填空题架空光缆在城区或郊区施工时,由于受地形的限制某些地段的线路间距基本达到隔距,但考虑自然因素需对我方光缆和干线进行保护,即采用()绑扎,二端超出其它线路宽度()米。
本题答案:6、单项选择题镀锌钢绞线由()单股钢丝组成。
A.3股B.5股C.7股D.9股本题答案:7、单项选择题为方便今后的维护工作,应酌情考虑光缆预留,主要针对小范围路由变更和()的特殊地段。
A.光缆类型变化B.光缆接头C.有垮塌方危险D.土质变化本题答案:8、单项选择题下列不属于人孔构造的是()。
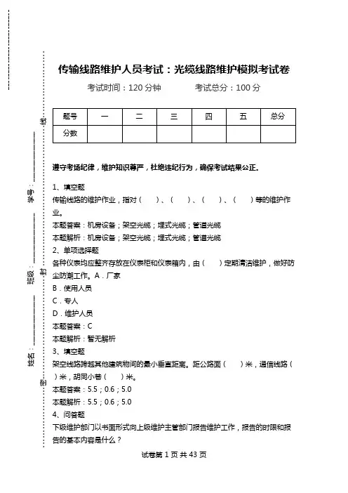
传输线路维护人员考试:光缆线路维护模拟考试卷 考试时间:120分钟 考试总分:100分遵守考场纪律,维护知识尊严,杜绝违纪行为,确保考试结果公正。
1、填空题 传输线路的维护作业,指对( )、( )、( )、( )等的维护作业。
本题答案:机房设备;架空光缆;埋式光缆;管道光缆 本题解析:机房设备;架空光缆;埋式光缆;管道光缆 2、单项选择题 各种仪表均应整齐存放在仪表柜和仪表箱内,由( )定期清洁维护,做好防尘防潮工作。
A .厂家 B .使用人员 C .专人 D .维护人员 本题答案:C 本题解析:暂无解析 3、填空题 架空线路跨越其他建筑物间的最小垂直距离。
距公路面( )米,通信线路( )米,胡同小巷( )米。
本题答案:5.5;0.6;5.0 本题解析:5.5;0.6;5.0 4、问答题 下级维护部门以书面形式向上级维护主管部门报告维护工作,报告的时限和报告的基本内容是什么?姓名:________________ 班级:________________ 学号:________________--------------------密----------------------------------封 ----------------------------------------------线----------------------本题答案:7天24小时值班的生产一线部门每月报告一次,其他部门至本题解析:7天24小时值班的生产一线部门每月报告一次,其他部门至少每季度报告一次;报告的基本内容包括:①运行质量分析;②故障及处理;③待解决的遗留问题;④经验和教训。
5、填空题为实现光的远距离传输,光纤纤芯折射率n1与包层折射率n2应满足的关系为:()。
本题答案:n1>n2本题解析:n1>n26、单项选择题下列哪些内容不属于管道维护范围()A、人孔B、标石C、吊线D、宣传牌本题答案:C本题解析:暂无解析7、单项选择题主要用于传输2.5G或以2.5G为基群的WDM系统的光纤是()。
传输线路维护人员考试:光缆通信考试题及答案模拟考试练习 考试时间:120分钟 考试总分:100分遵守考场纪律,维护知识尊严,杜绝违纪行为,确保考试结果公正。
1、单项选择题 无论何种敷设方式,光缆布放时牵引速度一般以( )米/分为宜。
A.5-10 B.5-15 C.10-20 D.15-25 本题答案:B 本题解析:暂无解析 2、填空题 当光线从光纤端面入射至光纤的角度小于某一临界角时,该光线进入光纤发生全反射,该临界角称之为( ),该角的正弦值称之为( ),其值由( )确定。
本题答案:接收角,数值孔径,n1、n2 本题解析:接收角,数值孔径,n1、n2 3、单项选择题 在阶跃多模光纤中,传输路径最长的模是( )。
A.基模 B.高阶模 C.低阶模 D.包层模 本题答案:B姓名:________________ 班级:________________ 学号:________________ --------------------密----------------------------------封 ----------------------------------------------线----------------------本题解析:暂无解析4、填空题光缆金属加强心对地绝缘电阻应大于等于(),铜芯线绝缘电阻应大于等于()。
本题答案:500MΩKM,5000MΩKM本题解析:500MΩKM,5000MΩK M5、单项选择题在单模光纤标准几何参数中,芯不圆度的要求值是()。
A.2%B.3%C.4%D.6%本题答案:D本题解析:暂无解析6、填空题归一化频率用来衡量光纤中(),对于理想阶跃光纤,当归一化频率V≤2.405时,光纤中只能传输()。
本题答案:能传输的模式及其总数,基模(HE11)本题解析:能传输的模式及其总数,基模(HE11)7、填空题光纤通信系统按光调制方式分有()光纤通信系统和()光纤通信系统;按传输信号分有()光纤通信系统和()光纤通信系统。
传输线路维护人员考试:光缆线路维护考试卷及答案模拟考试卷 考试时间:120分钟 考试总分:100分遵守考场纪律,维护知识尊严,杜绝违纪行为,确保考试结果公正。
1、填空题 杆号的编号距地面不小于( )米,杆路中的编号在( )中应与现场编号完全统一。
杆路每间隔( )米应做一处( ),采用7/2.2吊线直埋延伸与角钢接地体相连。
本题答案: 2、单项选择题 当长途光缆线路发生障碍或进行迁改、割接时,由( )负责处置,( )负责组织协调。
A .分公司维护管理、省网管中心 B .省网管中心、分公司维护管理 C .光缆线路维护、设备维护 D .设备维护、光缆线路维护 本题答案: 3、单项选择题 光缆交接箱具备( )等基本功能。
A 、光信号放大、光缆成端固定、尾纤熔接存储 B 、光信号放大、光缆成端固定、光路调配 C 、光缆成端固定、尾纤熔接存储、光路调配 D 、光信号放大、尾纤熔接存储、光路调配 本题答案:姓名:________________ 班级:________________ 学号:________________ --------------------密----------------------------------封 ----------------------------------------------线----------------------4、填空题架空电缆充气段的始末端、支线的始末端其长度超过()米时,每隔200~400米处()均应装设()。
本题答案:5、填空题YD5007-95第6.1条规定,管道埋深不宜小于()m,进入人手孔处lB常规单模光纤C色散位移光纤D非零色散位移光纤本题答案:10、填空题工程验收时,终端杆竖立后应向拉线侧倾斜()mm,角杆应在线路转角点()。
本题答案:11、单项选择题线路维护人员应保持线路设备完整良好及正常运行,日常维护应:()A.及时安排计划B.及时联系农田户主C.保持线路设备清洁D.保持良好的线路环境本题答案:12、填空题钢绞线夹板分为()、()、()。
传输线路维护人员考试:光缆线路维护测考试题模拟考试卷 考试时间:120分钟 考试总分:100分遵守考场纪律,维护知识尊严,杜绝违纪行为,确保考试结果公正。
1、填空题 测量光功率可用( )仪表测试,测量电阻采用的仪表是( )。
本题答案:光功率计;万用表 本题解析:光功率计;万用表 2、单项选择题 标石编号以( )为单位,从A 端开始A.中继段 B.责任段 C.数字段 D.复用段 本题答案:A 本题解析:暂无解析 3、单项选择题 下列哪一项钢绞线规格适合用作吊线:( )A.7/1.0 B.7/2.0 C.7/3.0 D.7/4.0 本题答案:C 本题解析:暂l 本题答案:菲涅尔反射 本题解析:菲涅尔反射姓名:________________ 班级:________________ 学号:________________ --------------------密----------------------------------封 ----------------------------------------------线----------------------7、单项选择题某接头正向测试值0.08dB,方向测试值-0.12dB.这一接头损耗为()A.0.08dBB.0.10dBC.-0.10dBD.-0.02dB本题答案:D本题解析:暂无解析8、单项选择题工程维护材料管理中,当维护料存量低于规定最高库存量的()则要及时补充。
A.20%B.30%C.40%D.50%本题答案:D本题解析:暂无解析9、单项选择题下列关于拉线的说法正确的是()。
A.只装一条拉线时,应设在第一层线担下150mm处B.装两条拉线时,上层拉线应设在第一层线担下200mm处C.靠近高压电力设施的拉线应按设计规定加装绝缘子D.风暴拉线的顺线路拉线应设在第一层线担下150mm处本题答案:C本题解析:暂无解析10、单项选择题人孔内补挂光缆标识,应从()的一侧,逐人孔进行确认挂标识牌,不甚清楚时应从其相邻两侧缆线标识清楚的人孔内轻微拉动该缆加以认证。
传输线路维护人员考试:光缆线路维护考试题及答案模拟考试 考试时间:120分钟 考试总分:100分遵守考场纪律,维护知识尊严,杜绝违纪行为,确保考试结果公正。
1、填空题 接头盒封装前应对( )和( )进行清洁,盒内无明显杂物。
本题答案: 2、填空题 在连接OTDR 、光话机等光设备仪表时,除对连接的尾纤进行清洁外,还需( )断开,避免损坏光盘。
本题答案: 3、填空题 高桩拉线由高桩正副拉线组成,正拉线距地面不得小于( )米。
凡立在松土处的水泥杆和个别埋深没有达到规定的水泥杆均应装设( ),防止电杆倾倒和下沉。
本题答案: 4、问答题 架空杆路建设中主要使用哪些材料? 本题答案: 5、填空题 光缆线路路由复测的基本原则是以经审批的( )设计为依据。
本题答案: 6、问答题姓名:________________ 班级:________________ 学号:________________ --------------------密----------------------------------封 ----------------------------------------------线----------------------产生接续损耗的主要因素是什么?本题答案:7、填空题架空线路()应安装在线路的两侧并与线路垂直。
本题答案:8、单项选择题光缆线路障碍可分为:一般障碍、全阻障碍、逾限障碍和重大障碍。
以下叙述正确的是()。
A、一般障碍:由于光缆线路原因造成全部在用业务系统阻断的障碍称为一般障碍;B、全阻障碍:由于光缆线路原因造成部分在用业务系统阻断的障碍称为全阻障碍;C、逾限障碍:光缆线路的障碍处理未超过修复时限要求的称为逾限障碍;D、重大障碍:在执行重要通信任务期间,由于光缆线路原因造成全部在用业务系统阻断并造成严重后果的障碍,称为重大障碍。
本题答案:9、填空题光缆地阻测试仪的作用:可测量光缆敷设地的()和光缆接地装置的()。
传输线路维护人员考试:光缆线路维护考考试模拟考试 考试时间:120分钟 考试总分:100分遵守考场纪律,维护知识尊严,杜绝违纪行为,确保考试结果公正。
1、单项选择题 通信建设工程概算、预算、编制办法及费用定额适用于通信工程的新建工程、扩建工程,( )可参照使用。
A.人修工程 B.恢复工程 C.维修工程 D.改建工程 本题答案: 2、填空题 光缆线路验收的主要内容有:( )、( )、( )、( )和( )。
本题答案: 3、单项选择题 工程施工地点,必须设立信号标志,以引起行人及各种车辆的注意。
下列地点不能使用红灯及红旗的地点是( )。
A .街道拐角及公路转弯处 B .铁路以及桥梁附近 C .跨越马路架线,需要车辆暂时停止时 D .已经打开的人孔处 本题答案: 4、填空题姓名:________________ 班级:________________ 学号:________________ --------------------密----------------------------------封 ----------------------------------------------线----------------------直埋光缆敷设在普通土(硬土)地段,埋深不小于()m。
本题答案:5、问答题用喷灯应遵守哪些?本题答案:6、填空题管道建筑材料主要有()、()和()。
本题答案:7、单项选择题下列关于障碍处理的内容哪些是错误的()A、光缆线路障碍分为重大障碍、全阻障碍和一般障碍。
B、光缆线路障碍未排除之前,查修不得中止C、光缆障碍的查修应严格按照责任区界实施,处在责任区交界处的障碍应分清责任范围后再处理。
D、障碍一旦排除并经严格测试合格后,立即通知设备维护人员对线路的传输质量进行验证,并尽快恢复通信。
本题答案:8、问答题架空线路的日常维护工作的内容是什么?本题答案:9、填空题在气温30℃,杆距50米时吊线标准垂度应为()mm。
传输线路维护人员考试:光缆通信考点模拟考试练习 考试时间:120分钟 考试总分:100分遵守考场纪律,维护知识尊严,杜绝违纪行为,确保考试结果公正。
1、单项选择题 SDH 中,高阶通道接入点识别符是( )。
A.J0 B.J1 C.J2 D.J4 本题答案:B 本题解析:暂无解析 2、问答题 简述光缆工程预算的作用是什么? 本题答案:1.它是考核工程成本,确定工程造价的主要依据; 本题答案:OHˉ 本题解析:OH ˉ 4、单项选择题 利用光纤脉冲响应来测试光纤带宽的方法为( )。
A.频域法 B.时域法 C.聚焦法 D.计算法 本题答案:B 本题解析:暂无解析 5、填空题 光纤通信的数字系列有( )、( )两种,今后将主要发展( )。
姓名:________________ 班级:________________ 学号:________________--------------------密----------------------------------封 ----------------------------------------------线----------------------本题答案:PDH;SDH;SDH本题解析:PDH;SDH;SDH6、填空题误码特性的评定方法主要有()和()。
本题答案:长期平均误码率;误码的时间百分数本题解析:长期平均误码率;误码的时间百分数7、问答题什么是单模光纤?与多模光纤相比,单模光纤具有哪些优点?本题答案:只能传输一种模式的光纤就叫单模光纤。
单模光纤不存在模间本题解析:只能传输一种模l本题答案:30dB;10MHz本题解析:30dB;10MHz10、填空题交叉相位调制是一个光脉冲对()的作用。
它对系统性能的影响可用()有效地限制。
本题答案:其它信道脉冲相位,非零色散位移光纤本题解析:其它信道脉冲相位,非零色散位移光纤11、填空题根据备用系统传送信号的方式,主、备方式通常分为()方式和()方式。
传输线路维护人员考试:光缆线路维护考试卷及答案模拟考试练习 考试时间:120分钟 考试总分:100分遵守考场纪律,维护知识尊严,杜绝违纪行为,确保考试结果公正。
1、问答题 直埋线路的维护工作包括那些方面? 本题答案: 2、单项选择题 拉线要与吊线连接,跨电力线两端要做吊线接地,地阻不大于( )欧。
A.5 B.10 C.20 D.100 本题答案: 3、单项选择题 维护有时需要多次清洁光纤,应使用( )。
A .酒精 B .清洁纸 C .清洁剂 D .专用的光纤清洁器 本题答案: 4、单项选择题 不允许代维单位将光缆线路设备代维工作( )。
A .转让 B .发包 C .承包他人姓名:________________ 班级:________________ 学号:________________ --------------------密----------------------------------封 ----------------------------------------------线----------------------D.转包本题答案:5、填空题撑杆埋深应不小于()m,其距高比最小应不小于()。
本题答案:6、填空题光缆地阻测试仪的作用:可测量光缆敷设地的()和光缆接地装置的()。
本题答案:7、单项选择题最适合于DWDM系统使用的光纤是(),因为该光纤的色散系数较小,衰耗系数与其他类型的光纤相差无几,而且能够有效抑制四波混频效应。
A.G.652B.G.653C.G.654D.G.655本题答案:8、单项选择题设计过程大致可分为七个阶段:项目的提出和可行性研究;设计任务书的下达;();初步设计;();设计文件的会审;()。
A.工程技术人员的现场测量、施工图设计、对施工现场的技术指导及对客户的回访B.工程技术人员的现场勘察、施工图设计、对施工现场的技术指导及对客户的回访C.工程技术人员的现场测量、施工图设计、对业主的意见作出书面回复D.工程技术人员的现场勘察、施工图绘制、对业主的意见作出书面回复本题答案:9、单项选择题在1.31m窗口色散为0的光纤是()。
传输线路维护人员考试:光缆通信考试题及答案模拟考试 考试时间:120分钟 考试总分:100分遵守考场纪律,维护知识尊严,杜绝违纪行为,确保考试结果公正。
1、填空题 C-12的标准输入比特率为( ),一个子帧由( )字节,一个复帧由( )字节,相当于( )bit ,C-12的信号速率为( )。
本题答案: 2、单项选择题 当SDH 设备所有的输入基准时钟信号丢失且超过了从时钟保持条件时,从时钟处于( )方式。
A.锁定工作方式 B.保持工作方式 C.自由运行工作方式 D.线路定时方式 E.环路定时方式 本题答案: 3、填空题 单模光纤模场直径的基准测试方法为( ),截止波长的基准测试方法( ),色散特性的基准测试方法为( )。
本题答案: 4、单项选择题 1.55μm 窗口附近,光纤中本征吸收损耗主要由( )引起。
A.紫外吸收 B.红外吸收姓名:________________ 班级:________________ 学号:________________ --------------------密----------------------------------封 ----------------------------------------------线----------------------C.色散D.杂质吸收本题答案:5、填空题2048kb/s信号到达STM-1帧需要经过()、()、()等过程。
本题答案:6、问答题通信线路损坏时,修复顺序?本题答案:7、填空题SDH电路层终止于()。
本题答案:8、问答题什么叫点同步?本题答案:9、填空题在渐变光纤中,模式越低,越()光纤轴线传播,而高阶模则()光纤中心轴弯曲前进。
本题答案:10、填空题架空光缆与220V的供电线交越时,两者间的垂直距离不少于(),且光缆线路的吊线上应加装()。
本题答案:11、填空题按光纤型号分类,光分支器可分为三类:()、()、()。
传输线路维护人员考试:光缆线路维护考考试模拟考试卷 考试时间:120分钟 考试总分:100分遵守考场纪律,维护知识尊严,杜绝违纪行为,确保考试结果公正。
1、单项选择题 管道与其他通信光缆同沟敷设时,隔距应不小于( )cm ,并不应重叠和交叉。
A.5 B.10 C.20 D.30 本题答案: 2、填空题 为了保证光纤的接续质量和有利于今后接头的( ),光纤都要在接头的两边留有一定数量的( )。
本题答案: 3、填空题 7/3.0拉线地锚坑埋深,在普通、硬土、水田、石质土地段分别为( )、( )、( )、( )米。
本题答案: 4、单项选择题 线路巡视过程中,发现挂钩不均匀时,应予以整治,根据规范规定,光缆挂钩间距为( )。
A.0.35米 B.0.45米姓名:________________ 班级:________________ 学号:________________ --------------------密----------------------------------封 ----------------------------------------------线----------------------C.0.55米D.0.5米本题答案:5、填空题使用OTDR仪表时,在脉冲幅度相同的条件下,脉冲宽度越大,脉冲能量就(),此时OTDR的动态范围也越大,相应()。
本题答案:6、单项选择题某接头正向测试值0.08dB,方向测试值-0.12dB.这一接头损耗为()A.0.08dBB.0.10dBC.-0.10dBD.-0.02dB本题答案:7、填空题架空通信线路与人行道边石的最小水平净距为()米。
本题答案:8、填空题新一代光纤通信系统的最佳传输介质是()光纤。
本题答案:9、填空题线路以光缆进入传输机房的第一个连接器为界,光缆中金属线对以进入机房的第一个接线端子为界。
界线以外()负责,界线以内()负责。
传输线路维护人员考试:光缆通信考考试题模拟考试卷 考试时间:120分钟 考试总分:100分遵守考场纪律,维护知识尊严,杜绝违纪行为,确保考试结果公正。
lD 、在接收端对I 比特进行择多判决 本题答案: 5、问答题 请简述两纤双向复用段保护环的保护倒换机理。
本题答案: 6、单项选择题 由反射、码间干扰、模式分配噪声和激光器啁啾噪声引起的光接收机性能的总劣化,是用( )来规范的。
A.光通道衰减 B.光通道代价 C.光通道最大色散值 D.光接收灵敏度v 本题答案: 7、填空题 端机收信号通路没有信号提供给复用设备,这时复用设备会产生( )告警,其下游设备收到( )告警。
本题答案: 8lB.80 C.100 D.120姓名:________________ 班级:________________ 学号:________________ --------------------密----------------------------------封 ----------------------------------------------线----------------------本题答案:16、单项选择题用于产生复用段开销并形成完整的复用段信号的功能块是()。
A.MSTB.RSTC.HPTD.LPT本题答案:17、多项选择题判断一根光纤是不是单模光纤,主要依据是()。
A.纤芯折射率B.工作波长C.纤芯直径D.数值孔径本题答案:18、填空题标石一般应埋设在光缆的(),编号应根据传输方向,由()端至()端排列,一般以()为独立编号单位。
本题答案:19、填空题空分光交换技术是指()的通断来实现空间任意两点的()。
本题答案:20、问答题什么是零色散位移光纤?本题答案:21、单项选择题PIN器件本身噪声的主要来源()。
A.背景电流B.热噪声C.暗电流D.过剩噪声本题答案:22、问答题简述光缆的护层和加强构件的作用各是什么?本题答案:23、单项选择题最有发展前途的新型光纤材料是()。
《光缆通信》考试时间:120分钟 考试总分:100分遵守考场纪律,维护知识尊严,杜绝违纪行为,确保考试结果公正。
1、偏振光可分为()、()、()三种。
( )2、光纤通信系统是由()、()和()组成的。
现代电信网的发展,已由PDH 系统转入()和()。
( )3、无论采用何种敷设方式,光缆布放时,牵引速度一般以()米/分为宜,机械牵引的调节方式应为无级调速。
( )4、光纤在低温时,涂覆层、套塑收缩较裸纤大,光纤将受到轴向压缩力而产生(),导致损耗(),当温度降至-55℃以下时,由于n1,n2基本相等,光线在光纤中不满足()条件,从而导致系统不能正常工作。
( )姓名:________________ 班级:________________ 学号:________________--------------------密----------------------------------封 ----------------------------------------------线-------------------------5、松套光纤是光纤可以在套塑层中自由活动,其主要优点有:()、()、()有利于提高光纤的稳定可靠性。
()6、光纤对调制信号的响应称为(),它是决定光纤传输容量的一个重要特性。
它既可用()测量,也可用()测量。
()7、长途光缆线路的端别由两端局所处地理位置来确定:东西向的线路,东侧为()端。
西侧为()端,南北向的线路,()侧为A端,()侧为B端。
()8、光电检测器是利用半导体材料的()来实现光信号转换成电信号的。
()9、光纤连接器按插头的物理形状分类,可分为:()、()、()、()连接器。
()10、填充结构就是为了提高光缆的()性能,在光缆缆芯的空隙中注满(),以有效地防止()进入光缆。
()11、光纤接头余纤处理常采用的两种方法是()和()。
()12、通信网的基本结构有()型、()型、()型、()型和()型五类。
传输线路维护人员考试:光缆线路维护考试卷及答案模拟考试 考试时间:120分钟 考试总分:100分遵守考场纪律,维护知识尊严,杜绝违纪行为,确保考试结果公正。
1、填空题 光缆线路的防护接地装置地线电阻维护技术指标测试周期是( )测试一次。
本题答案: 2、填空题 拉线盘应与拉线( )。
本题答案: 3、单项选择题 下列哪些属于光纤通信的优点:( )A.传输的功率宽、通信容量大 B.传输损耗大 C.不受电磁干扰 D.质量轻 本题答案: 4、多项选择题 目前中继段光纤损耗测量所采取的方法一般是( )相结合的方法。
A 、光源、光功率计 B 、PMD 测试仪 C 、ODF 架; D 、熔接机; E 、光时域反射仪。
姓名:________________ 班级:________________ 学号:________________ --------------------密----------------------------------封 ----------------------------------------------线----------------------本题答案:5、单项选择题为方便今后的维护工作,应酌情考虑光缆预留,主要针对小范围路由变更和()的特殊地段。
A.光缆类型变化B.光缆接头C.有垮塌方危险D.土质变化本题答案:6、填空题电杆两侧的第一个挂钩距吊线在杆上的固定点约()CM,要求挂钩程式一致,搭扣方向一致。
管道光缆由于接续工作往往要过几天或更长时间,因此余留光缆应妥善地盘留于(),为防止光缆端头进水应采用()作热缩处理,余留光l保密资料的范围都有哪些?本题答案:10、单项选择题在市区、村镇、工矿区及施工区等特殊地段和大雨之后,重要通信期间及动土较多的季节,应()。
A.按计划巡查B.每月巡查一次C.增加巡查次数D.每周巡查一次本题答案:11、填空题光纤中的()、(),它们都会给光纤带来损耗,我们称之为非反射事件。
传输线路维护人员考试:光缆线路维护考试卷及答案模拟考试练习 考试时间:120分钟 考试总分:100分遵守考场纪律,维护知识尊严,杜绝违纪行为,确保考试结果公正。
1、单项选择题 每月应对代维单位的服务水平、故障处理能力和( )进行考核评比。
A .网络质量 B .维护质量 C .业务能力 D .技术 本题答案: 2、问答题 光缆线路常规维护中的日常维护内容是什么? 本题答案: 3、填空题 7米水泥电杆在普通土的洞深为( )m 。
本题答案: 4、单项选择题 光接收机正常工作的动态范围指( )。
A.大于接收灵敏度的功率范围 B.在接收灵敏度和过载光功率之间的范围 C.小于过载光功率的功率范围 D.等于接收灵敏度的功率范围 本题答案:姓名:________________ 班级:________________ 学号:________________ --------------------密----------------------------------封 ----------------------------------------------线----------------------5、问答题通信网络维护工作的基本任务是什么?本题答案:6、填空题两条吊线程式相同时,主干线路吊线应置于交叉的();程式不同时,程式大的吊线应置于交叉的()。
本题答案:7、填空题杆路上每隔()米做一处小预留采用PVC软管()cm长保护,距电杆中心二侧()cm绑扎,光缆下垂约()cm。
架空光缆大预留:采用()固定,盘留直径要求统一,直径为()cm。
光缆防雷地线,利用角杆拉线入地的方式,即采用()mm铁线绑扎至杆顶高于杆顶()cm,尾端与拉线抱箍螺钉相连。
本题答案:8、填空题在维光缆的任何一处发生全部中断的障碍为()障碍。
本题答案:9、单项选择题线路维护人员应根据以往事故积累经验,制定有关技术安全措施,全网组织贯彻落实。
传输线路维护人员考试:光缆线路维护考试题预测模拟考试 考试时间:120分钟 考试总分:100分遵守考场纪律,维护知识尊严,杜绝违纪行为,确保考试结果公正。
1、单项选择题 新立电杆时,8米杆在普通土立杆时的埋深应为( )。
A.1.3米 B.1.4米 C.1.5米 D.1.6米 本题答案:C 本题解析:暂无解析 2、填空题 架空杆路与高压电力线交越处两则电杆,在土壤电阻r 为100-300(Wm )的地区,接地电阻不超过( )Ω。
本题答案:25 本题解析:25 3、单项选择题 在处理障碍的过程中,应及时采集( )并上报。
A .现场照片 B .现场样本 C .现场资料 D .现场图纸 本题答案:A 本题解析:暂无解析姓名:________________ 班级:________________ 学号:________________ --------------------密----------------------------------封 ----------------------------------------------线----------------------4、多项选择题目前中继段光纤损耗测量所采取的方法一般是()相结合的方法。
A、光源、光功率计B、PMD测试仪C、ODF架;D、熔接机;E、光时域反射仪。
本题答案:A, E本题解析:暂无解析5、填空题电杆两侧的第一个挂钩距吊线在杆上的固定点约()CM,要求挂钩程式一致,搭扣方向一致。
管道光缆由于接续工作往往要过几天或更长时间,因此余留光缆应妥善地盘留于(),为防止光缆端头进水应采用()作热缩处理,余留光缆应按弯曲的要求盘圈后挂在人孔壁上或系在人孔盖上,注意端头不要浸泡于水中。
一般规定局内光缆预留()M,通常进线室和机房各预留一半。
进线室安装完成前,进线管孔应予以()。
本题答案:25;人孔内;端头热可缩帽;15-20;堵塞本题解析:25;人孔内;端头热可缩帽;15-20;堵塞6、填空题埋式光缆与市外大树间平行时的最小净距为()m。
埋式光缆与非同沟直埋通信光电缆间平行及交叉时的最小净距为()m本题答案:2;0.5本题解析:2;0.57、单项选择题光纤中光信号入射角大于临界角,折射率芯n2、包层n1满足导光原理。
则()。
A.n1n2B.n1=n2C.n1D.n1n2本题答案:A本题解析:暂无解析8、问答题简述接入网的含义。
本题答案:接入网(AN)是由业务节点接口(SNI)和用户网络接口本题解析:接入网(AN)是由业务节点接口(SNI)和用户网络接口(UNI)之间一系列的传送实体(如线路设备和传输设施)所组成,并为传送电信业务提供所需传送承载能力的实施系统。
且通过Q3接口进行配置和管理。
接入网对用户信令是透明的,业务是独立的。
通俗地讲,接入网是由传统的用户环路发展而来的,是用户环路的升级,是通信网演变过程中的一个新概念,是本地交换机和用户终端设备之间的所有设备和传输媒介构成的传输系统,用以代替本地线路网的一部分或全部,直接面向用回波损耗(RETURNLOSS)定义为:反射功率/入射功率。
是指反射功率,单位是db9、填空题为保护架空线路设备和维护人员免受强电或雷击危害和干扰影响,架空光缆应在终端杆、角杆、H杆处及市外每隔()根电杆上使架空光缆的金属护层及光缆钢吊线接地。
本题答案:10-15本题解析:10-1510、单项选择题两条十字交叉吊线高度相差在()以内时,需做十字吊线。
A.300mmB.400mmC.500mmD.200mm本题答案:B本题解析:暂无解析11、单项选择题镀锌钢绞线由()单股钢丝组成。
A.3股B.5股C.7股D.9股本题答案:C本题解析:暂无解析12、单项选择题()系统是企业的形象的根本,对企业形象的基本构成元素加以规定,所有应用部分根据本系统变化组合而成。
A.基础要素B.办公C.公关D.环境本题答案:A本题解析:暂无解析13、单项选择题管道与其他通信光缆同沟敷设时,隔距应不小于()cm,并不应重叠和交叉。
A.5B.10C.20D.30本题答案:B本题解析:暂无解析14、单项选择题对于各类技术资料的使用要严格执行(),借阅者应认真履行清退和登记签收手续,并不得对外泄密。
A.借阅手续B.交接手续C.归还手续D.其他本题答案:A本题解析:暂无解析15、填空题通信管道是光传输网的重要组成部分,维护的目的是保证管道经常处于()状态。
本题答案:完好本题解析:完好16、问答题杆、线路维护工作的主要内容?本题答案:(一)检查架空线路的垂度、挂钩、电缆外护层,对异常现象本题解析:(一)检查架空线路的垂度、挂钩、电缆外护层,对异常现象应及时进行处理。
(二)清除架空线路和吊线上的杂物。
(三)检查吊线与电力线、广播线等三线交越处的防护装置是否符合规定。
(四)检查架空线路与其它设施的空距和隔距是否符合规定。
(五)检查道路边的斜拉线、横跨道路的吊线是否安装反光安全警示套管或反光安全警示牌。
(六)检查架空线路锈蚀程度,及时做好防腐、防锈处理工作。
(七)电杆及拉撑设备的检修、加固。
(八)检查杆路资源标识是否完整清晰。
17、单项选择题终端盒维护性能指标:()A.应放置于机房地面,便于跳纤B.放置在架空地板下的终端盒,尾纤要盘扎整齐良好,固定在终端盒上C.尾纤绑扎整齐,无过紧现象,尾纤盘放最小弯曲半径应不小于5倍的尾纤径D.尾纤标签注明光缆名称、光纤型号本题答案:B本题解析:暂无解析18、问答题通信光缆结构分为哪几种?本题答案:光缆结构分为层绞式、骨架式、束管式、带状式。
本题解析:光缆结构分为层绞式、骨架式、束管式、带状式。
19、单项选择题环形钢筋混凝土电杆有如此情况之一时不得使用:环向裂缝宽度超过()mm;有纵向裂纹;混凝土破碎部分环向周长超过()电杆周长、纵向长度大于()mm;混凝土破洞总表面积超过()平方毫米。
A.0.5、1/5、50、20B.0.5、2/5、30、25C.0.05、1/4、50、30D.0.05、1/4、50、20本题答案:D本题解析:暂无解析20、填空题使用保安带()必须注意下列事项:使用前必须经过严格检查,确保坚固可靠,才能使用。
如出现有折痕,弹簧扣不灵活,或不能扣牢,皮带眼孔有裂缝的,保安带()上绳索磨损和断头超过()及有腐坏的,均禁止使用;应与酸性物、锋刃工具等分开堆放和保管,也不得放在火炉、暖气片和其他过热过湿之处,以免损坏;使用时,切勿使皮带扭绞,皮带上各扣套要全数扣妥,皮带头子穿过皮带小圈。
保安带的绳索和保安绳切勿乱扣节,也不可吊装物件,以免损坏绳索。
本题答案:绳;绳;1/10本题解析:绳;绳;1/1021、填空题光纤按照传输模式分类分为()光纤和()光纤,按套塑结构分类分为()光纤和()光纤。
()适用于外线光缆。
本题答案:多模MMF;单模SMF;松套;紧套;松套光纤本题解析:多模MMF;单模SMF;松套;紧套;松套光纤22、单项选择题插拔光纤前,应双方()后再行操作。
A.确认无误B.同意C.签字D.准确无误本题答案:A本题解析:暂无解析23、判断题架空电缆跨越街坊、院落时的最小空间垂直距离为4m。
本题答案:错本题解析:暂无解析24、单项选择题通信建设工程概算、预算、编制办法及费用定额适用于通信工程的新建工程、扩建工程,()可参照使用。
A.人修工程B.恢复工程C.维修工程D.改建工程本题答案:D本题解析:暂无解析25、问答题简述管道光缆验收的内容(要求)本题答案:①安装工艺(按设计要求做好人孔光缆预留。
光缆在人孔穿放本题解析:①安装工艺(按设计要求做好人孔光缆预留。
光缆在人孔穿放时,每条光缆穿放何种颜色子管,在竣工图中应标明。
接头盒的固定,采用卡箍将接头盒固定在孔壁上,两端的预留盘要放整齐、美观。
②光缆防护,光缆在人孔中的保护采用PVC软管全程包扎,并沿托板固定。
③光缆标识,在每个人孔内需吊挂光缆吊牌(可采用塑封和铅皮牌),地下室(预留)至ODF架,明显处也需挂牌。
26、单项选择题下列哪些内容不属于架空光缆日常维护范围()A、整理和更换挂钩B、消除光缆及吊线上杂物C、光缆外护套和接头修理检修D、吊线及保护装置本题答案:C本题解析:暂无解析27、问答题光缆线路常规维护中的日常维护内容是什么?本题答案:①定期巡线、特殊巡线,护线宣传及对外配合②本题解析:①定期巡线、特殊巡线,护线宣传及对外配合②清除光缆路由上堆放的可燃易爆物品和腐蚀性物质,制止妨碍光缆线路的建筑施工、栽树种竹及在光缆线路路由上砍草修路③对受冲刷、挖掘地段的路由培土加固及沟坎护坡(档土墙)的修理。
④标石、标志牌、宣传牌的描字涂漆及扶正培固⑤人手孔、地下室、水线房的清洁,光缆托架、光缆标志及地线的检查与修理⑥架空光缆杆路的检修加固、吊线、挂钩的检修更换⑦结合徒步巡线,进行光缆路由探测,建立健全光缆线路路由资料。
28、单项选择题省会至市之间的光缆线路属于()A、一级长途光缆线路B、二级长途光缆线路C、本地网光缆线路本题答案:B本题解析:暂无解析29、填空题光缆接续前,应核对光缆的()、()无误;光缆应保持良好状态。
本题答案:程式;端别本题解析:程式;端别30、单项选择题日常维护中,习惯应用的收光功率的单位是()。
A.dBB.dBmC.WD.V本题答案:B本题解析:暂无解析31、单项选择题敷设光缆的牵引力一般不宜超过()kN。
A.1500B.2000C.2500D.3000本题答案:B本题解析:暂无解析32、填空题绩效考核根据()、()、()、()等多方面因素,对各维护生产部门进行考核评分。
本题答案:维护质量;服务质量;安全纪律;财务开支本题解析:维护质量;服务质量;安全纪律;财务开支33、填空题光纤的几何特性中对接续损耗的影响最大的是()。
本题答案:纤芯/包层同心度本题解析:纤芯/包层同心度34、单项选择题为保持熔接机升降镜、防风罩反光镜的镜面清洁,用()擦拭污点时,必须顺一个方向擦拭。
A.棉签B.酒精C.毛巾D.专业工具本题答案:A本题解析:暂无解析35、单项选择题直埋光缆在普通土、硬土地段的埋深应大于等于()米。
A、0.8B、1.0C、1.2本题答案:C本题解析:暂无解析36、单项选择题硅管敷设的曲率半径:应不小硅管的()倍,硅管端口在人(手)孔的余留长度一般为( l39、问答题电缆充气对气体的要求有哪些?本题答案:(一)干燥、清洁、绝缘、无毒、不爆炸、不燃烧,对电缆材本题解析:(一)干燥、清洁、绝缘、无毒、不爆炸、不燃烧,对电缆材料不起化学腐蚀作用。
(二)不会降低电缆的电气性能。
(三)充入电缆内的气体必须经过过滤的干燥处理(干燥剂可采用氯化钙、硅胶或分子筛)。
40、填空题保安带()每使用或存放一段时间应进行可靠性试检。