格力中央空调显示f1是什么意思故障怎样解决排除
- 格式:doc
- 大小:784.00 KB
- 文档页数:21
生活中的常识,希望对您有帮助!
生活经验知识分享空调显示f1是什么意思?
导读:本文是关于生活中常识的,仅供参考,如果觉得很不错,欢迎点评和分享。
室内管温传感器故障
室内机管温传感器作用是,采集室内机蒸发器温度,计算蒸发器制冷防冻结保护,制热预热启动室内风机,控制室内机风机风速等等。
内管温是MCU的耳朵或眼睛,它告诉MCU内热交太热了,外风机需要停一会,等内热交凉一点再吸热。
空调即空气调节器(Air Conditioner)。
是指用人工手段,对建筑/构筑物内环境空气的温度、湿度、洁净度、速度等参数进行调节和控制的过程。
一般包括冷源/热源设备,冷热介质输配系统,末端装置等几大部分和其他辅助设备。
主要包括水泵、风机和管路系统。
末端装置则负责利用输配来的冷热量,具体处理空气、温度,使目标环境的空气参数达到要求。
感谢阅读,希望能帮助您!。
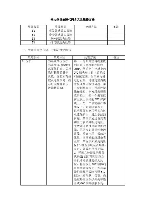
格力空调故障代码含义及维修方法一.故障的含义代码、代码产生的原因格力变频柜机故障显示E1 压机电流大,压机感温包(过热保护)开路E2 防冻结保护(内管温)E3 内传感器短开路E4 蒸发器管温开、短路E5 通讯失败(N、L)不能接反)二普通柜机E1 压机高压保护E2 内冻结保护E3 压机低压保护E4 排气温度保护(相序保护)E5 过欠压保护,低电压保护(同时按“扫风键,风速键”,进入自检)关于格力空调的故代码E1和E2KF-60LWAK分体立柜式房间空调器故障代码:E11、冷凝器前有障碍物2、控制回路巽常3、室外环境温度高于43度时开始制冷4、高压管压力过大使高压开关动作E21、室内风机不转或风口堵住2、室内环境温度低于187 格力空调故障代码3、管温感温头折断4、管温感温头插头没插好5、控制回路巽常6、电容C7漏电LF-12WAK分体立柜式房间空调器故障代码:E11、冷凝器前有障碍物2、控制回路巽常3、三相电源缺相3、室外环境温度高于43度时开始制冷4、工作电流过大使过护器动作或高压管压力过大使高压开关动作E21、室内风机不转或风口堵住2、室内环境温度低于18度3、管温感温头折断4、管温感温头插头没插好5、控制回路巽常6、电容C7漏电E1一般是外机问题过欠流过欠压散热不良!格力KFR-70LW/ED故障代码KFR-70LW/EDE1高压E2防冻结E3低压8 格力空调故障代码E4排温E5过流格力带低电压保护新款柜机代码:E1:压缩机高压保护E2:蒸发器防冻结保护E3:压缩机低压保护E4:压缩机排气温度过高保护E5:过电流(低电压保护关于格力空调的故代码E1和E2KF-60L WAK分体立柜式房间空调器故障代码:E1 1、冷凝器前有障碍物2、控制回路巽常3、室外环境温度高于43度时开始制冷4、高压管压力过大使高压开关动作E2 1、室内风机不转或风口堵住2、室内环境温度低于18度3、管温感温头折断4、管温感温头插头没插好5、控制回路巽常6、电容C7漏电9 格力空调故障代码LF-12WAK分体立柜式房间空调器故障代码:E1 1、冷凝器前有障碍物2、控制回路巽常3、三相电源缺相3、室外环境温度高于43度时开始制冷4、工作电流过大使过护器动作或高压管压力过大使高压开关动作E2 1、室内风机不转或风口堵住2、室内环境温度低于18度3、管温感温头折断4、管温感温头插头没插好5、控制回路巽常格力KFR--50L/H610故障代码 E1:压缩机电流过大,压缩机过热、排气温度高、模块保护,应检查过载保护器有无断开及压缩机感温包是否短路。
格力空调故障代码解释排除官网资料大全夏天高温的时候大家一刻都离不开空调,假如格力空调突然罢工了怎办呢,大家可以简单地额断电重启试试排除假故障更多的额故障代码解释排除参考下面文章资料格力空调显示故障代码显示保护定义故障提示灯闪烁状态说明或注解1 CC 按键锁定2 C1 故障电弧保护运行指示灯灭3秒闪烁12次3 C2 漏电保护运行指示灯灭3秒闪烁13次4 C3 接错线保护运行指示灯灭3秒闪烁14次5 C4 无地线运行指示灯灭3秒闪烁15次6 C5 跳线帽故障保护运行指示灯灭3秒闪烁15次7 Cd 二氧化碳检测浓度过高报警8 CP 防冷风保护9 DF 防冻结保护27 F0 收氟模式(系统缺氟或堵塞保护)制冷指示灯灭3秒闪烁10次进入:上电5分钟内,3秒内连续按灯光键3次;退出:任意键或超过25分钟28 F1 室内环境感温包开、短路制冷指示灯灭3秒闪烁1次29 F2 室内蒸发器感温包开、短路制冷指示灯灭3秒闪烁2次30 F3 室外环境感温包开、短路制冷指示灯灭3秒闪烁3次31 F4 室外冷凝器感温包开、短路制冷指示灯灭3秒闪烁4次32 F5 室外排气感温包开、短路制冷指示灯灭3秒闪烁5次33 F6 制冷过负荷降频制冷指示灯灭3秒闪烁6次34 F7 制冷回油制冷指示灯灭3秒闪烁7次35 F8 电流过大降频制冷指示灯灭3秒闪烁8次36 F9 排气过高降频制冷指示灯灭3秒闪烁9次37 FA 管温过高降频38 FC 滑动门故障39 FE 室外过载感温包故障40 FH 防冻结降频41 FP 室内传感器检测故障/二氧化碳检测故障检测模块坏42 FF 子房间处于关状态43 FU 壳顶感温故障保护44 H0 制热防高温降频制热指示灯灭3秒闪烁10次45 H1 室外机化霜制热指示灯灭3秒闪烁1次46 H2 静电除尘保护制热指示灯灭3秒闪烁2次47 H3 压缩机过载保护制热指示灯灭3秒闪烁3次48 H4 系统异常(防高温停机保护)制热指示灯灭3秒闪烁4次Q系列制热时内机过滤网脏会显示H449 H5 模块保护制热指示灯灭3秒闪烁5次换外机电器盒50 H6 无室内机PG电机反馈(风机堵转0 运行指示灯灭3秒闪烁11次51 H7 同步失败(压缩机相电流过流)制热指示灯灭3秒闪烁7次52 H8 室内机水满保护制热指示灯灭3秒闪烁8次53 H9 电加热管故障制热指示灯灭3秒闪烁9次54 HC PFC过流保护制热指示灯灭3秒闪烁6次出现此代码换外机电器盒55 HE 压缩机退磁保护制热指示灯灭3秒闪烁14次56 HP 室内机防高温保护57 L2 水箱水位开关故障/加热水箱水位开关故障58 L3 外机直流风机故障/ D5亮;D6D16D30灭59 L9 功率过高保护运行灯灭3秒闪烁20次60 Lc 启动失败制热指示灯灭3秒闪烁11次61 LC 按键锁定62 Ld 缺相保护(压缩机三相不平衡保护)63 LE 压机堵转保护64 LP 室内、外机型号不匹配65 P0 最小制冷或制热66 P0 驱动模块复位67 P1 名义(额定)制冷或制热制冷模式,超强运行,设定温度为18°C,3秒内连续按4次睡眠键;制热模式,超强运行,设定温度为29°C,3秒内连续按4次睡眠键,68 P2 最大制冷或制热69 P3 中间制冷或制热70 P5 驱动板检测压机过流71 P6 驱动板与主板通讯故障72 P7 散热器感温包故障制热指示灯灭3秒闪烁18次73 P8 散热片温度过高制热指示灯灭3秒闪烁19次74 PH 直流母线输入电压过高制冷指示灯灭3秒闪烁11次75 PL 直流母线输入电压过低制冷指示灯灭3秒闪烁21次76 PU 大电解电容充电回路故障制热指示灯灭3秒闪烁17次77 PA 交流电流保护(输入侧)78 PP 交流输入电压异常交流电压低于或高于正常工作电压79 U1 压缩机相电流检测电路故障制热指示灯灭3秒闪烁13次80 U3 直流母线电压跌落制热指示灯灭3秒闪烁20次81 U5 整机电流检测故障制冷指示灯灭3秒闪烁13次82 U7 四通阀换向异常制冷指示灯灭3秒闪烁20次83 U8 PG电机(内风机)过零检测故障运行指示灯灭3秒闪烁17次换内机主板84 U9 外机过零故障外机主板D5和D6常亮,D16闪烁85 UA 现场设定错误内外搭配异常制热和制冷指示灯灭3秒闪烁12次86 UF 过零异常制热和制冷指示灯灭3秒闪烁7次87 UH 无室外电机反馈制热和制冷指示灯灭3秒闪烁8次88 UL 排气感温包脱落制热和制冷指示灯灭3秒闪烁9次89 UP 室外电器盒温度过高制热和制冷指示灯灭3秒闪烁10次90 UU 直流过电流制热和制冷指示灯灭3秒闪烁11次91 dd 一拖多内机连接管路连接与通讯连接的匹配测试92 do 风机调速板通讯故障93 Eo 特殊功能板故障94 FP 二氧化碳检测浓度过高报警95 RF 射频模块故障96 JF 内机与检测板通讯故障97 EE 室外机记忆芯片读写故障制热灯闪15次98 EE 读EEPROM故障99 e6 显示板与主板通讯同时故障100 EU 模块温度过高限/降频101 OE 外环境温度异常102 HF W IFI故障103 U4 压缩机反转104 no 定/变频显示板用错105 J6 主板与转接板通讯故障106 U2 压机缺相保护107 c6 无地线运行指示灯灭3s闪烁16次108 c7 PTC感温包故障/空调辅电温感器故障制热指示灯灭3s闪烁9次109 CF 短路保护110 CH 换气部件与射频检测板配对成功或无线通信异常112 EL 火警报警113 FJ 出风口/送风感温包故障114 HL 净化部件与射频检测板配对成功或无线通信异常115 HU 加湿部件与射频检测板配对成功或无线通信异常116 L1 湿度传感器故障117 L4 过滤器堵塞报警118 L5 循环水感温包故障/生活水蓄热水温感器故障119 L6 机组能力不足120 L7 水压开关保护121 L8 蓄热水箱水位开关故障122 L0 风阀故障123 LA 外风机故障124 LF 超速保护(超频保护/压机超速保护)125 LH 室内环境温度过高报警126 LL 室内环境温度过低报警127 LU 压机功率限/降频128 P7 散热片或IPM.PFC模块温度传感器异常129 P8 散热片或IPM.PFC模块温度过高130 P9 交流接触器保护131 Pb 电量计算传感器故障132 Pc 电流检测电路故障或电流传感器故障133 Pd 传感器连接保护(电流传感器未接到对应的U相和V 相)134 PE 温漂保护(电器盒温度偏移保护)135 Pn 低压限/降频(冷媒压力低压传感器)136 U6 油温温度过高保护137 UC 清洗过滤网故障138 UF 用远程监控把空调的遥控器和按键都屏蔽139 UH 内机直流母线电压异常保护140 b5 入管感温包故障制冷指示灯灭3s闪烁19次141 b7 出管感温包故障制冷指示灯灭3s闪烁22次142 d0 风机调速板通讯故障143 dJ 交流输入相序144 n7 电磁二通阀故障145 0E 外机出现任意需要停机的故障最新格力中央空调故障代码大全故障代码含义显示代码机;型压缩机高压保护E1 数码多联室外机室内防冻结保护E2 数码多联室外机压缩机低压保护E3 数码多联室外机压缩机排气高温保护/油温高温保护E4 数码多联室外机压缩机过电流保护/压机、风机驱动故障E5 数码多联室外机通讯故障 E6 数码多联室外机模式冲突 E7 数码多联室外机油电磁阀保护EA 数码多联室外机室外环境温度传感器故障 F4 数码多联室外机室外主机入管温度传感器故障F5 数码多联室外机室外主机中部温度传感器故障F6 数码多联室外机室外主机出管温度传感器故障F7 数码多联室外机主机定频压机1排气温度传感器故障F8 数码多联室外机主机数码压机排气温度传感器故障 F9 数码多联室外机主机定频压机1油温温度传感器故障FA 数码多联室外机主机数码压机油温温度传感器故障 Fb 数码多联室外机高压传感器故障Fc 数码多联室外机低压传感器故障Fd 数码多联室外机缺冷媒保护FE 数码多联室外机室外子机入管温度传感器故障b5 数码多联室外机室外子机中部温度传感器故障b6 数码多联室外机室外子机出管温度传感器故障b7 数码多联室外机定频压机2排气温度传感器故障b8 数码多联室外机定频压机3排气温度传感器故障b9 数码多联室外机定频压机2油温温度传感器故障bA 数码多联室外机定频压机3油温温度传感器故障bb 数码多联室外机直流母线电压过高保护PH 变频多联室外机IPM或PFC模块过热保护P8 变频多联室外机电流检测电路故障 Pc 变频多联室外机IPM或PFC模块温度传感器故障P7 变频多联室外机压缩机电流保护P5 变频多联室外机直流母线电压过低保护PL 变频多联室外机压缩机启动失败Lc 变频多联室外机PFC模块保护Hc 变频多联室外机堵转LE 变频多联室外机驱动模块复位P0 变频多联室外机压缩机电机失步H7 变频多联室外机缺相Ld 变频多联室外机变频驱动部分到主控通讯故障P6 变频多联室外机IPM模块保护H5 变频多联室外机超速LF 变频多联室外机传感器连接保护Pd 变频多联室外机温漂保护 PE 变频多联室外机交流接触器保护P9 变频多联室外机高压保护 E1 变频多联室外机低压保护 E3 变频多联室外机排气保护 E4 变频多联室外机压缩机自带过载保护H3 变频多联室外机通讯故障(内外机、手操器之间) E6 变频多联室外机室外环境感温头故障F4 变频多联室外机室外盘管进管感温头故障 F5 变频多联室外机室外盘管中间感温头故障 F6 变频多联室外机室外盘管出管感温头故障 F7 变频多联室外机变频排气感温包故障F9 变频多联室外机交流电流保护(输入侧) PA 变频多联室外机驱动板环境感温包故障PF 变频多联室外机交流输入电压异常 PP 变频多联室外机跳线帽故障C5 变频多联室外机充电回路故障PU 变频多联室外机直流电机无转速反馈故障 H6 变频多联室外机远程锁定 CC 多联室内机(除智能多联外)与有效主手操器冲突标志 CH 多联室内机(除智能多联外)清除线控器标志CL 多联室内机(除智能多联外)压缩机高压保护E1 多联室内机(除智能多联外)室内防冻结保护E2 多联室内机(除智能多联外)压缩机低压保护E3 多联室内机(除智能多联外)压缩机排气高温保护/油温高温保护E4 多联室内机(除智能多联外)压缩机过电流保护/压机、风机驱动故障E5 多联室内机(除智能多联外)通讯故障 E6 多联室内机(除智能多联外)模式冲突 E7 多联室内机(除智能多联外)室内机风机过载保护E8 多联室内机(除智能多联外)水满保护 E9/Eb 多联室内机(除智能多联外)按键锁定 EE 多联室内机(除智能多联外)辅助电加热故障EH 多联室内机(除智能多联外)室内环境温度传感器故障 F0 多联室内机(除智能多联外)室内机入管温度传感器故障F1 多联室内机(除智能多联外)室内机中部温度传感器故障F2 多联室内机(除智能多联外)室内机出管温度传感器故障F3 多联室内机(除智能多联外)室外环境温度传感器故障 F4 多联室内机(除智能多联外)室外机入管温度传感器故障F5 多联室内机(除智能多联外)室外机中部温度传感器故障F6 多联室内机(除智能多联外)室外机出管温度传感器故障F7 多联室内机(除智能多联外)定频压机排气温度传感器故障F8 多联室内机(除智能多联外)压缩机高压保护E1 智能多联室内机室内防冻结保护E2 智能多联室内机压缩机低压保护E3 智能多联室内机压缩机排气高温保护E4 智能多联室内机压缩机过电流保护 E5 智能多联室内机通讯故障 E6 智能多联室内机模式冲突 E7 智能多联室内机室内机风机过电流保护E8 智能多联室内机水满保护 E9/Eb 智能多联室内机按键锁定 EE 智能多联室内机辅助电加热故障EH 智能多联室内机室内环境温度传感器故障 F0 智能多联室内机室内机蒸发器温度传感器故障F1 智能多联室内机冷凝器温度传感器故障F2 智能多联室内机室外环境温度传感器故障 F3 智能多联室内机排气温度传感器故障F4 智能多联室内机水泵故障(新款风管)E0 风管机压缩机高压保护E1 风管机室内防冻结保护E2 风管机压缩机低压保护E3 风管机压缩机排气高温保护E4 风管机压缩机过电流保护 E5 风管机通讯故障 E6 风管机室内风机故障E8 风管机水满保护 E9 风管机辅助电加热故障EH 风管机室内环境温度传感器故障 F0 风管机室内机蒸发器温度传感器故障F1 风管机冷凝器温度传感器故障F2 风管机室外环境温度传感器故障 F3 风管机排气温度传感器故障F4 风管机显示器环境温度传感器故障F5 风管机见备注FF 风管机跳线帽故障C5 风管机压缩机高压保护E1 户式(别墅)机单系统系统防冻保护E2 户式(别墅)机单系统压缩机低压保护E3 户式(别墅)机单系统压缩机排气温度保护E4 户式(别墅)机单系统压缩机过载保护E5 户式(别墅)机单系统水泵过载保护E6 户式(别墅)机单系统水流开关保护E7 户式(别墅)机单系统风机过载保护E8 户式(别墅)机单系统系统防高温保护E9 户式(别墅)机单系统防冻温度传感器故障F1 户式(别墅)机单系统除霜温度传感器故障F3 户式(别墅)机单系统排气温度传感器故障F5 户式(别墅)机单系统室外环境温度传感器F7 户式(别墅)机单系统进水温度传感器故障F8 户式(别墅)机单系统出水温度传感器故障F9 户式(别墅)机单系统通信故障 EC 户式(别墅)机单系统压缩机1高压保护 E1 户式(别墅)机双系统系统1防冻结保护 E2 户式(别墅)机双系统压缩机1低压保护 E3 户式(别墅)机双系统压缩机1排气温度保护E4 户式(别墅)机双系统压缩机1过载保护 E5 户式(别墅)机双系统水泵过载保护E6 户式(别墅)机双系统水流开关保护E7 户式(别墅)机双系统风机1过载保护E8 户式(别墅)机双系统系统1防高温保护 E9 户式(别墅)机双系统压缩机2高压保护 b1 户式(别墅)机双系统系统2防冻结保护 b2 户式(别墅)机双系统压缩机2低压保护 b3 户式(别墅)机双系统压缩机2排气温度保护b4 户式(别墅)机双系统压缩机2过载保护 b5 户式(别墅)机双系统风机2过载保护b8 户式(别墅)机双系统系统2防高温b9 户式(别墅)机双系统防冻温度传感器1故障F1 户式(别墅)机双系统防冻温度传感器2故障F2 户式(别墅)机双系统除霜温度传感器1故障F3 户式(别墅)机双系统除霜温度传感器2故障F4 户式(别墅)机双系统排气温度传感器1故障F5 户式(别墅)机双系统排气温度传感器2故障F6 户式(别墅)机双系统室外环境温度传感器故障 F7 户式(别墅)机双系统进水温度传感器F8 户式(别墅)机双系统出水温度传感器F9 户式(别墅)机双系统通信故障 EC 户式(别墅)机双系统压缩机1高压保护 E1 户式地暖机组系统一防冻结保护 E2 户式地暖机组压缩机1低压保护 E3 户式地暖机组压缩机1排气温度保护E4 户式地暖机组压缩机1过载保护 E5 户式地暖机组水泵过载保护E6 户式地暖机组水流开关故障E7 户式地暖机组风机1过载保护E8 户式地暖机组系统一防高温E9 户式地暖机组压缩机2高压保护 b1 户式地暖机组系统二防冻结保护 b2 户式地暖机组压缩机2低压保护 b3 户式地暖机组压缩机2排气温度保护b4 户式地暖机组压缩机2过载保护 b5 户式地暖机组风机2过载保护b8 户式地暖机组系统二防高温b9 户式地暖机组防冻温度传感器1故障F1 户式地暖机组防冻温度传感器2故障F2 户式地暖机组除霜温度传感器1故障F3 户式地暖机组除霜温度传感器2故障F4 户式地暖机组排气温度传感器1故障F5 户式地暖机组排气温度传感器2故障F6 户式地暖机组室外环境温度传感器故障 F7 户式地暖机组进水温度传感器故障F8 户式地暖机组出水温度传感器故障F9 户式地暖机组通信故障 EC 户式地暖机组压缩机1高压保护 E1 单元机(风冷冷风型)系统1防冻结保护 E2 单元机(风冷冷风型)压缩机1低压保护 E3 单元机(风冷冷风型)压缩机1排气高温保护E4 单元机(风冷冷风型)压缩机1过电流保护E5 单元机(风冷冷风型)压缩机2高压保护 b1 单元机(风冷冷风型)系统2防冻结保护 b2 单元机(风冷冷风型)压缩机2低压保护 b3 单元机(风冷冷风型)压缩机2排气高温保护b4 单元机(风冷冷风型)压缩机2过电流保护b5 单元机(风冷冷风型)冷凝器2传感器故障b6 单元机(风冷冷风型)蒸发器2传感器故障b7 单元机(风冷冷风型)通信故障 EC 单元机(风冷冷风型)存储芯片故障EE 单元机(风冷冷风型)压缩机3高压保护 C1 单元机(风冷冷风型)系统3防冻结保护 C2 单元机(风冷冷风型)压缩机3低压保护 C3 单元机(风冷冷风型)压缩机3排气高温保护C4 单元机(风冷冷风型)压缩机3过电流保护C5 单元机(风冷冷风型)冷凝器3传感器故障C6 单元机(风冷冷风型)蒸发器3传感器故障C7 单元机(风冷冷风型)室内环境传感器故障F0 单元机(风冷冷风型)蒸发器1传感器故障F1 单元机(风冷冷风型)冷凝器1传感器故障F2 单元机(风冷冷风型)室外环境传感器故障F3 单元机(风冷冷风型)排气温度传感器1故障F5 单元机(风冷冷风型)排气温度传感器2故障F6 单元机(风冷冷风型)排气温度传感器2故障F7 单元机(风冷冷风型)送风机热过电流F9 单元机(风冷冷风型)压缩机1高压保护 E1 单元机(水冷冷风型)系统1防冻结保护 E2 单元机(水冷冷风型)压缩机1低压保护 E3 单元机(水冷冷风型)压缩机1排气高温保护E4 单元机(水冷冷风型)压缩机1过电流保护E5 单元机(水冷冷风型)送风机热过电流F9 单元机(水冷冷风型)压缩机2高压保护 b1 单元机(水冷冷风型)系统2防冻结保护 b2 单元机(水冷冷风型)压缩机2低压保护 b3 单元机(水冷冷风型)压缩机2排气高温保护b4 单元机(水冷冷风型)压缩机2过电流保护b5 单元机(水冷冷风型)水流开关故障E0 单元机(水冷冷风型)送风机热过电流E8 单元机(水冷冷风型)回风温度传感器故障F0 单元机(水冷冷风型)防冻传感器1故障 F2 单元机(水冷冷风型)防冻传感器2故障 F3 单元机(水冷冷风型)防冻传感器3故障 F4 单元机(水冷冷风型)排气温度传感器1故障F5 单元机(水冷冷风型)排气温度传感器2故障F6 单元机(水冷冷风型)排气温度传感器3故障F7 单元机(水冷冷风型)压缩机2高压保护 b1 单元机(水冷冷风型)系统2防冻结保护 b2 单元机(水冷冷风型)压缩机2低压保护 b3 单元机(水冷冷风型)压缩机2排气高温保护b4 单元机(水冷冷风型)压缩机2过电流保护b5 单元机(水冷冷风型)压缩机3高压保护 c1 单元机(水冷冷风型)系统3防冻结保护 c2 单元机(水冷冷风型)压缩机3低压保护 c3 单元机(水冷冷风型)压缩机3排气高温保护c4 单元机(水冷冷风型)压缩机3过电流保护c5 单元机(水冷冷风型)压缩机1高压保护 E1 恒温恒湿机压缩机1防冻结保护E2 恒温恒湿机压缩机1低压保护 E3 恒温恒湿机压缩机1过电流保护E5 恒温恒湿机压缩机2高压保护 b1 恒温恒湿机压缩机2防冻结保护b2 恒温恒湿机压缩机2低压保护 b3 恒温恒湿机压缩机2排气高温保护b4 恒温恒湿机压缩机2过电流保护b5 恒温恒湿机回风温度传感器故障F0 恒温恒湿机防冻传感器1保护 F1 恒温恒湿机防冻传感器2保护 F2 恒温恒湿机排气传感器1保护 F4 恒温恒湿机排气传感器2保护 F5 恒温恒湿机加湿器故障保护F8 恒温恒湿机离心风机过电流保护F9 恒温恒湿机压缩机高压保护E1 水环热泵机组系统防冻结保护E2 水环热泵机组压缩机低压保护E3 水环热泵机组压缩机排气高温保护E4 水环热泵机组压缩机过电流保护 E5 水环热泵机组通讯故障 E6 水环热泵机组水流开关保护E7 水环热泵机组室内风机过电流保护E8 水环热泵机组水满保护 E9 水环热泵机组水温越界故障EC 水环热泵机组紫外线故障d1 水环热泵机组静电除尘故障d2 水环热泵机组室内温度传感器故障F0 水环热泵机组蒸发器温度传感器故障F1 水环热泵机组水系统防冻传感器故障(B系列机组显示水温越界护)F3 水环热泵机组排气温度传感器故障F4 水环热泵机组室内温度传感器故障F0 基站空调机组蒸发器温度传感器故障F1 基站空调机组冷凝器温温度传感器故障 F2 基站空调机组室外温度传感器故障F3 基站空调机组排气温度传感器故障F4 基站空调机组出水温度传感器/湿度传感器 F5 基站空调机组压缩机高压保护E1 基站空调机组室内防冻结保护E2 基站空调机组压缩机低压保护E3 基站空调机组压缩机排气高温保护E4 基站空调机组压缩机过电流保护 E5 基站空调机组通讯故障 E6 基站空调机组断电保护 L1 基站空调机组蓄电池低压保护L2 基站空调机组直流风机故障L3 基站空调机组辅助电加热保护EH 基站空调机组室内环境温度过高报警LH 基站空调机组室内环境温度过低报警LL 基站空调机组火灾报警 EL 基站空调机组过滤器堵塞报警L4 基站空调机组室外环境温度传感器故障 F3 热水空调机组排气温度传感器故障F4 热水空调机组室外入管温度传感器故障 F5 热水空调机组室外中部温度传感器故障 F6 热水空调机组室外换热器管温感温包故障F6 热水空调机组室外出管温度传感器故障 F7 热水空调机组进水温度传感器故障F8 热水空调机组出水温度传感器故障F9 热水空调机组回气温度传感器故障Fd 热水空调机组用户侧水温温度传感器故障FE 热水空调机组水箱中部温度传感器故障 FL 热水空调机组压缩机高压保护E1 热水空调机组压缩机低压保护E3 热水空调机组压缩机排气高温保护E4 热水空调机组通讯故障 E6 热水空调机组水泵过电流保护E0 热水空调机组外风机过电流保护 EF 热水空调机组辅助电加热保护EH 热水空调机组系统防高温保护Ed 热水空调机组水流开关保护Ec 热水空调机组水箱水位开关故障 L2 热水空调机组冬天自动防冻保护 d2 热水空调机组循环水温度传感器故障(RSZ系列直热式热水机)L5 热水空调机组机组能力不足L6 热水空调机组水压开关保护L7 热水空调机组水箱底部感温包故障C8 热水空调机组版本号 1 热水空调机组出水温度 2 热水空调机组进水温度 3 热水空调机组室外环境温度 4 热水空调机组用户侧温度 5 热水空调机组室外入管温度1 6 热水空调机组室外入管温度2* 7 热水空调机组排气温度1 8 热水空调机组排气温度2* 9 热水空调机组室外出管温度1 10 热水空调机组室外出管温度2* 11 热水空调机组水箱水温(商用机)12 热水空调机组预留(家用机)热水空调机组预留13 热水空调机组预留14 热水空调机组预留15 热水空调机组预留(商用机)16 热水空调机组水箱水温(家用机)热水空调机组预留17 热水空调机组水箱中部水温18 热水空调机组水箱上部水温19 热水空调机组压缩机高压保护E1 新风处理机组防低温(防冻结) E2 新风处理机组压缩机低压保护E3 新风处理机组压缩机排气高温保护E4 新风处理机组压缩机过电流保护 E5 新风处理机组通讯故障 E6 新风处理机组。
格力商用空调-户式中央空调机组格力商用空调-数码多联空调机组单系统风管式内机代码故障部位代码故障部位E1 系统高压保护E1 压缩机高压保护E2 板式换热器放冻结保护E2 室内机防冻结保护E3 系统低压保护E3 压缩机低压保护E6 电动机过载保护E4 压缩机排气温度保护E7 水流开关保护E5 压缩机过流保护E8 系统防高温保护E6 通讯异常F1 防冻结,防高温传感器故障F0 室温传感器故障F2 化霜传感器故障F1 室内机入管温度传感器故障F3 环境温度传感器故障F2 室内机中部温度传感器故障F4 回水温度传感器故障F3 室内机出管温度传感器故障F5 供水温度传感器故障F4 室外机环境温度传感器故障双系统F5 室外机入管温度传感器故障代码故障部位F6 室外机中部温度传感器故障E1 压缩机1高压保护F7 室外机出管温度传感器故障E2 系统1防冻结保护F8 压缩机排气温度传感器故障(定容机)E3 压缩机1低压保护F9 压缩机排气温度传感器故障(数码机)E4 压缩机1排气温度保护FA 油温传感器故障(定容机)E5 压缩机1过载保护Fb 油温传感器故障(数码机)E6 循环水泵过载保护Fc 高压阀故障E7 水流开关故障Fd 低压阀故障E8 风机过载保护E9 系统1防高温b1 压缩机2高压保护b2 系统2防冻结保护b3 压缩机2低压保护b4 压缩机2排气温度保护b5 压缩机2过载保护b8 风机2过载保护b9 系统2防高温F1 防冻结温度传感器1故障F2 防冻结温度传感器2故障F3 化霜传感器1故障F4 化霜传感器2故障F5 排气温度传感器1故障F6 排气温度传感器2故障F7 室外温度传感器故障F8 进水温度传感器故障F9 出水温度传感器故障EC 通讯异常EE 电脑板存储器故障。
最新第五代变频多联式格力中央空调故障代码为方便广大用户方便快捷的使用及维修格力中央空调变频多联机组,下面小编将最新格力中央空调故障代码整理如下,以方便您维修、保修,正确快速的解决空调故障。
一、格力中央空调室内机故障代码:故障代码含义故障代码含义LO 室内机故障(统一) L1 内风机保护L2 辅热保护L3 水满保护L4 线控器供电异常L5 防冻结保护L6 模式冲突L7 无主内机L8 电源供电不足L9 一控多机内机台数不一致(HBS 网络)LA 一控多机内机系列不一致(HBS网络)LH 空气质量严重浑浊报警LC 内外机机型不匹配LL 水流开关故障LE EC直流水泵转速异常LF 分水阀设置故障LJ 功能拨码设置错误LP PG电机过零故障LU 热回收系统一控多机内机分支不一致Lb再热除湿系统一控多机内机不一致dl 室内电路板不良d2 水箱下水温度感温包故障d3 环境温度传感器故障dl 入管温度传感器故障d5 中部温度传感器故障d6 出管温度传感器故障d7 湿度传感器故障d8 水温异常d9 跳线帽故障dA 内机网络地址异常dh 线控器电路板异常dC 容量拨码设置异常dL 出风感温包故障dE 室内CO2传感器故障dF 上水温度感温包故障dJ 回水感温包故障dP 地暖进水管感温包故障dU 地暖出水管感温包故障db 特殊代码:机组调试状态dd 太阳能感温包故障dn 扫风部件故障dy 水温传感器故障y1 入管温度传感器2故障y2 出管温度传感器2故障y7 新风进风温度传感器故障y8 室内空气盒子传感器总故障JA IFD故障二、格力中央空调室外机故障代码:故障代码含义故障代码含义EO 主外机故障(统一) E1 高压保护E2 排气低温保护E3 低压保护E4 压缩机排气温咬过两保护Ed 驱动模块温度偏低保护F0 外机主阪不良Fl 高压传感器故障F3 低压传感器故障F5 压缩机1排气温度传感器故障F6 压缩机2排气温度传感器故障F7 压缩机3排气温度传感器故障F8 压缩机4排气温度传感器故障F9 压缩机5排气温度传感器故障FA 压缩机6排气温度传感器故障FC 压缩机2电流传感器异常FL 压缩机3电流传感器异常FE 压缩机4电流传感器异常FF 压缩机5电流传感器异常F3 压缩机6电流传感器异常FP 直流电机故障F0 压缩机1壳顶漏度传感器故障Fb 压缩机2壳顶温度传感器故障Fd 模式转换器出管感温包故障Fn 模式转换器进管感温包故障JO 其他模块保护J1 压缩机1过流保护J2 压缩机2过流保护J3 压缩机3过流保护J4 压缩机4过流保护J5 压缩机5过流保护J6 压缩机6过流保护31 四通阀串气保护J8 系统压力比过高保护J9 系统压力比过低保护JA 压力异常保护JC 水流开关保护JL 高压过低保护JE 回油管堵JF 回油管漏b1 室外环境温度传感器故障b2 化霜温度传感器l故障b3 化霜温度传感器2故障b4 过冷器液出温度传感器故障b5 过冷器气出温度传感器故障b6 汽分进管温度传感器1故障b7 汽分出管温度传感器故障b8 室外湿度传感器故障b9 换热器气出温度传感器故障bA 回油1温度传感器故障bH 系统时钟异常bE 冷凝器进管温度传感器故障bF 冷凝器出管温度传感器故障bJ 高低压传感器接反bP 回油2温度传感器故障bU 回油3温度传感器故障bb 回油4温度传感器故障bd 过冷器气进感温包故障bn 过冷器液进感温包故障P0 压缩机驱动板故障(统一)P1 压缩机驱动板工作异常(统一) P2 压缩机驱动板电源电压保护(统一)P3 压缩机驱动模块复位保护P4 压缩机驱动PFc保护P5 变频压缩机过流保护P6 压缩机驱动IPM模块保护P7 压缩机驱动温度传感器故障P8 压缩机驱动IPM过温保护P9 变频压缩机失步保护PA 压缩机驱动存储芯片故障PH 压缩机驱动直流母线电压过高保护PC 压缩机驱动电流检测电路故障PL 压缩机驱动直流母线电压过低保护PE 变频压缩机欠相PF 压缩机驱动充电回路故障PJ 变频压缩机启动失败PP 变频压缩机交流电流保护PU 变频压缩机驱动交流输入电压异常保护H0 风机驱动板故障H1 风机驱动板工作异常H2 风机驱动板电源电压保护H3 风机驱动模块复位保护H4 风机驱动PFC保护H5 变频风机过流保护H6 风机驱动IPM模块保护H7 风机驱动温度传感器故障H8 风机驱动IPM过温保护H9 变频风机失步保护HA 风机驱动存储芯片故障HH 风机驱动直流母线电压过高保护HC 风机驱动电流检测电路故障HL 风机驱动直流母线电压过低保护HE 变频风机欠相HF 风机驱动充电回路故障HJ 变频风机启动失败HP 变频风机交流电流保护HU 变频风机驱动交流输入电压异常保护GO 光伏反接保护G1 光伏防孤岛保护G2 光伏直流过流保护G3 光伏发电过载G4 光伏漏电流保护G5 电网侧缺相保护G6 光伏低电压穿越G7 电网电压过/欠频保护.G8 电网侧过流保护G9 电网侧驱动IPM模块保护’GA 电网侧输入电压过低\过高保护GH 光伏DC/DC保护GC 光伏直流硬件过流保护GL 电网侧硬件过流保护GE 光伏电压过高或过低保护GF 流母线中点电位不平衡保护GJ 电网侧模块温度过高保护GP 电网侧温度传感器保护GU 充电回路保护Gb 电网侧继电器保护Gd 电网侧电流传感器保护Gn 绝缘阻抗保护Gy 电网侧驱动不可恢复故障(光伏)三、格力中央空调调试故障代码:故障代码含义故障代码含义UO 压缩机预热时间不足U2 外机容量码//跳线帽设定错误U3 电源相序保护U4 缺冷媒保护U5 压机驱动板地址错误U6 阀门异常报警U8 内机管路故障U9 外机管路故障UC 主内机设置成功UL 紧急运转拨码错误UE 冷媒灌注无效UF 模式转换器内机识别异常Ud 并网驱动板异常Un 并网驱动板与主控通讯故障CO 内外机、内机线控器通讯故障C1主控与DC—Dc控制器通讯故障C2 主控与变频压缩机驱动通讯故障C3主控与变频风机驱动通讯故障C4 内机缺失故障C5 内机工程编号冲突报警C6 外机数量不一致报警C7 转换器通信异常C8 压机应急状态C9 风机应急状态CA 模块应急状态CH 容量配比过高CC 无主控机故障CL 容量配比过低CE 模式转换器与内机通信故障CF 多主控机故障CJ 系统地址拨码冲突CP 多主线控器故障CU 内机与接收灯板通讯故障Cb Ip地址分配溢出Cd 模式转换器与外机通信故障Cn 模式转换器内外饥网络异常故障Cy 模式转换器无主通信故障四、格力中央空调状态故障代码:故障代码含义故障代码含义A0 机组待调试A2 售后冷媒回收运行A3 化霜A4 回油A6 冷暖功能设定A7 尊音馍式设定A8 抽真空模式AH 制热AC 制冷AL 自动灌注冷媒AE 手动灌注冷媒AF 送吼AJ 过滤网清洗提醒AP 机坦启动调试确认AU 远程急停Ab 紧急停止运行Ad Ij艮审J运行An 童锁状态Ay 屏蔽状态nO 系统节能运行设定n3 强制化霜114 最高能力输出能力限制设定n5 强制室内机工程编号偏移n6 饥组故障查询n7 机组参数查询n8 内机工程编号查询n9 室内机在线数量查询nA 冷暖机型nH 单热机型nC 单冷机型nE 负数代码nF 送风机型nJ 制热防高温nU 清除内机远程屏蔽命令nb 条码查询nn 外机连接管长度修正。
一、显示板显示故障616 617 618 619 620 621 622 623 624 625 626 627 628 629 630 631 632 633 634 635 636 637 638 639 640 641 642 643 644 645 646 647 648 649 650 651 652 653 654 655 656 排气温度传感器 1 故障排气温度传感器 2 故障电加热带 1 故障电加热带 2 故障电加热带 3 故障进水系统故障或电极连接有误或水质硬度偏小回风温度传感器故障模块地址错误压缩机电加热带一故障压缩机电加热带二故障外环境温度传感器故障油压差报警压缩机高压报警压缩机低压报警导叶异常报警冷冻水低流量报警主机电流高报警冷却水低流量报警油压差保护供油温度报警供油温度保护油泵过电流保护主机绕组过热保护压缩机喘振保护启动柜异常压缩机高压保护压缩机低压保护排气高温保护防冻保护冷冻水水流开关保护冷却水水流开关保护冷冻水低流量保护缺逆相保护主机电流过高冷却水低流量保护冷冻水进水传感器故障冷冻水出水传感器故障冷却水进水传感器故障冷却水出水传感器故障油箱温度传感器故障供油温度传感器故障排气一感温包故障排气二感温包故障电加热一故障电加热二故障电加热三故障低电流故障回风感温包故障模块地址错误电加热带一故障电加热带二故障外环境感温包故障油压差报警压缩机高压报警压缩机低压报警导叶异常报警冷冻水低流量报警主机电流高报警冷却水低流量报警油压差保护供油温度报警供油温度保护油泵过载保护主机绕组过热保护喘振保护启动柜故障压缩机高压保护压缩机低压保护排气高温保护防冻保护冷冻水水流开关保护冷却水水流开关保护冷冻水低流量保护缺逆相保护主机电流高冷却水低流量保护冷冻水进水传感器故障冷冻水出水传感器故障冷却水进水传感器故障冷却水出水传感器故障油箱温度传感器故障供油温度传感器故恒温恒湿机恒温恒湿机恒温恒湿机恒温恒湿机恒温恒湿机恒温恒湿机恒温恒湿机恒温恒湿机恒温恒湿机恒温恒湿机恒温恒湿机离心式冷水机组离心式冷水机组离心式冷水机组离心式冷水机组离心式冷水机组离心式冷水机组离心式冷水机组离心式冷水机组离心式冷水机组离心式冷水机组离心式冷水机组离心式冷水机组离心式冷水机组离心式冷水机组离心式冷水机组离心式冷水机组离心式冷水机组离心式冷水机组离心式冷水机组离心式冷水机组离心式冷水机组离心式冷水机组离心式冷水机组离心式冷水机组离心式冷水机组离心式冷水机组离心式冷水机组离心式冷水机组离心式冷水机组离心式冷水机组障 657 658 659 660 661 662 663 664 665 666 667 668 669 670 671 672 673 674 675 676 677 678 679 680 681 682 683 684 685 电机绕组传感器故障回油温度传感器故障排气温度传感器故障冷凝压力传感器故障蒸发压力传感器故障供油压力传感器故障油箱压力传感器故障主机电流传感器故障导叶电机传感器故障制冷系统 1 高压保护制冷系统 2 高压保护制冷系统 1 低压保护制冷系统 2 低压保护压缩机 1 过载保护压缩机 2 过载保护风机 1 过载保护风机 2 过载保护水流开关保护进水温度传感器保护出水温度传感器保护防冻温度传感器 1 保护防冻温度传感器 2 保护除霜温度传感器 1 保护除霜温度传感器 2 保护压缩机 1 排气高温保护压缩机 2 排气高温保护压缩机 1 排气温度传感器保护压缩机 2 排气温度传感器保护主板与显示板之间通信故障电机绕组传感器故障回油温度传感器故障排气温度传感器故障冷凝压力传感器故障蒸发压力传感器故障供油压力传感器故障油箱压力传感器故障主机电流传感器故障导叶电机传感器故障压缩机高压一压缩机高压二压缩机低压一压缩机低压二压缩机一过载压缩机二过载风机一过流风机二过流水流开关进水温感器出水温感器防冻温感器一防冻温感器二化霜温感器一化霜温感器二排气高温一排气高温二排气温感器一排气温感器二通信线路故障离心式冷水机组离心式冷水机组离心式冷水机组离心式冷水机组离心式冷水机组离心式冷水机组离心式冷水机组离心式冷水机组离心式冷水机组模块化户式机模块化户式机模块化户式机模块化户式机模块化户式机模块化户式机模块化户式机模块化户式机模块化户式机模块化户式机模块化户式机模块化户式机模块化户式机模块化户式机模块化户式机模块化户式机模块化户式机模块化户式机模块化户式机模块化户式机。
空调是调节室内温度的重要电器,在炎热的夏季和寒冷的冬季都能起到改善室内温度的作用,可以让使用者在夏季享受凉爽,在冬季感受温暖,总得来说空调的作用还是蛮大的,为此很多人都在使用空调。
但是有些使用者表示空调显示f1,其实这是空调故障的一种,要怎么解决呢?1、空调如果现实F1有可能是由于系统模块故障造成的,此故障一般是不能进行自行处理的,需要空调专业的维修人员来进行维修,一般是需要对空调系统模块进行更换的,其维修费用还是蛮贵的,但是为了保证空调正常运行,所以必须要承担此费用。
2、除以上原因之外,空调室温传感器损坏也是造成f1故障的一大原因,这种需要比较好解决的问题,处理起来比较简单,如果要自行解决的,需要按空调遥控中的高效键或快速冷热键来来排除故障,如果在几次重复操作后,仍没有好转,那么还建议找售后来进行解决,不得自己随意进行维修,否则会损伤到空调内部系统,得不偿失。
3、以上便是空调显示f1怎么办的相关解决办法,建议先确定故障出现原因,再按照上文的对应解决办法来进行处理,究其根本来解决才可以根除问题,否则往往会使空调故障加重,以增加空调维修的难度。
4、当空调出现故障时,如果自己无法判断问题所在,且不能自行进行维修,那么建议找空调售后来进行解决,此品牌的售后还是很不错的,一般在反应问题后,会及时安排维修人员进行上门服务,但是有些不保修的空调故障,还是需要缴纳及花费一定维修费用的。
5、为了防止空调出现故障,在日常使用空调时,一定要按照说明书上进行操作,且对空调进行定期的故障排查,建议在一个月左右对空调进行清洁。
成就家修专业提供上门维修服务,服务内容涵盖:家电维修(空调维修、空调加氟、燃气灶维修、壁挂炉维修、热水器维修、地暖地热清洗、冷库维修等)、家庭维修(水电维修、管道疏通、家具门窗)、家政、等众多领域,覆盖全国200余个城市!。
最新格力中央空调产品故障显示代码表(由全面收集)一、显示板显示故障序号故障代码含义显示代码机型1 压缩机高压保护 E1 数码多联室外机2 室内防冻结保护 E2 数码多联室外机3 压缩机低压保护 E3 数码多联室外机4 压缩机排气高温保护/油温高温保护E4 数码多联室外机5 压缩机过电流保护/压机、风机驱动故障 E5 数码多联室外机6 通讯故障 E6 数码多联室外机7 模式冲突 E7 数码多联室外机8 油电磁阀保护EA 数码多联室外机9 室外环境温度传感器故障F4 数码多联室外机10 室外主机入管温度传感器故障 F5 数码多联室外机11 室外主机中部温度传感器故障 F6 数码多联室外机12 室外主机出管温度传感器故障 F7 数码多联室外机13 主机定频压机1排气温度传感器故障 F8 数码多联室外机14 主机数码压机排气温度传感器故障F9 数码多联室外机15 主机定频压机1油温温度传感器故障 FA 数码多联室外机16 主机数码压机油温温度传感器故障Fb 数码多联室外机17 高压传感器故障 Fc 数码多联室外机18 低压传感器故障 Fd 数码多联室外机19 缺冷媒保护FE 数码多联室外机20 室外子机入管温度传感器故障 b5 数码多联室外机21 室外子机中部温度传感器故障 b6 数码多联室外机22 室外子机出管温度传感器故障 b7 数码多联室外机23 定频压机2排气温度传感器故障b8 数码多联室外机24 定频压机3排气温度传感器故障b9 数码多联室外机25 定频压机2油温温度传感器故障bA 数码多联室外机26 定频压机3油温温度传感器故障bb 数码多联室外机27 直流母线电压过高保护 PH 变频多联室外机28 IPM或PFC模块过热保护P8 变频多联室外机29 电流检测电路故障Pc 变频多联室外机30 IPM或PFC模块温度传感器故障P7 变频多联室外机31 压缩机电流保护 P5 变频多联室外机32 直流母线电压过低保护 PL 变频多联室外机33 压缩机启动失败 Lc 变频多联室外机34 PFC模块保护Hc 变频多联室外机35 堵转LE 变频多联室外机36 驱动模块复位P0 变频多联室外机37 压缩机电机失步 H7 变频多联室外机38 缺相Ld 变频多联室外机39 变频驱动部分到主控通讯故障 P6 变频多联室外机40 IPM模块保护H5 变频多联室外机41 超速LF 变频多联室外机42 传感器连接保护 Pd 变频多联室外机43 温漂保护 PE 变频多联室外机44 交流接触器保护 P9 变频多联室外机45 高压保护 E1 变频多联室外机46 低压保护 E3 变频多联室外机47 排气保护 E4 变频多联室外机48 压缩机自带过载保护H3 变频多联室外机49 通讯故障(内外机、手操器之间)E6 变频多联室外机50 室外环境感温头故障F4 变频多联室外机51 室外盘管进管感温头故障F5 变频多联室外机52 室外盘管中间感温头故障F6 变频多联室外机53 室外盘管出管感温头故障F7 变频多联室外机54 变频排气感温包故障F9 变频多联室外机55 交流电流保护(输入侧)PA 变频多联室外机56 驱动板环境感温包故障 PF 变频多联室外机57 交流输入电压异常PP 变频多联室外机58 跳线帽故障C5 变频多联室外机59 充电回路故障PU 变频多联室外机60 直流电机无转速反馈故障H6 变频多联室外机61 远程锁定 CC 多联室内机(除智能多联外)62 与有效主手操器冲突标志CH 多联室内机(除智能多联外)63 清除线控器标志 CL 多联室内机(除智能多联外)64 压缩机高压保护 E1 多联室内机(除智能多联外)65 室内防冻结保护 E2 多联室内机(除智能多联外)66 压缩机低压保护 E3 多联室内机(除智能多联外)67 压缩机排气高温保护/油温高温保护E4 多联室内机(除智能多联外)68 压缩机过电流保护/压机、风机驱动故障 E5 多联室内机(除智能多联外)69 通讯故障 E6 多联室内机(除智能多联外)70 模式冲突 E7 多联室内机(除智能多联外)71 室内机风机过载保护E8 多联室内机(除智能多联外)72 水满保护 E9/Eb 多联室内机(除智能多联外)73 按键锁定 EE 多联室内机(除智能多联外)74 辅助电加热故障 EH 多联室内机(除智能多联外)75 室内环境温度传感器故障F0 多联室内机(除智能多联外)76 室内机入管温度传感器故障F1 多联室内机(除智能多联外)77 室内机中部温度传感器故障F2 多联室内机(除智能多联外)78 室内机出管温度传感器故障F3 多联室内机(除智能多联外)79 室外环境温度传感器故障F4 多联室内机(除智能多联外)80 室外机入管温度传感器故障F5 多联室内机(除智能多联外)81 室外机中部温度传感器故障F6 多联室内机(除智能多联外)82 室外机出管温度传感器故障F7 多联室内机(除智能多联外)83 定频压机排气温度传感器故障 F8 多联室内机(除智能多联外)84 压缩机高压保护 E1 智能多联室内机85 室内防冻结保护 E2 智能多联室内机86 压缩机低压保护 E3 智能多联室内机87 压缩机排气高温保护E4 智能多联室内机88 压缩机过电流保护E5 智能多联室内机89 通讯故障 E6 智能多联室内机90 模式冲突 E7 智能多联室内机91 室内机风机过电流保护 E8 智能多联室内机92 水满保护 E9/Eb 智能多联室内机93 按键锁定 EE 智能多联室内机94 辅助电加热故障 EH 智能多联室内机95 室内环境温度传感器故障F0 智能多联室内机96 室内机蒸发器温度传感器故障 F1 智能多联室内机97 冷凝器温度传感器故障 F2 智能多联室内机98 室外环境温度传感器故障F3 智能多联室内机99 排气温度传感器故障F4 智能多联室内机100 水泵故障(新款风管) E0 风管机101 压缩机高压保护 E1 风管机102 室内防冻结保护 E2 风管机103 压缩机低压保护 E3 风管机104 压缩机排气高温保护E4 风管机105 压缩机过电流保护E5 风管机106 通讯故障 E6 风管机107 室内风机故障E8 风管机108 水满保护 E9 风管机109 辅助电加热故障 EH 风管机110 室内环境温度传感器故障F0 风管机111 室内机蒸发器温度传感器故障 F1 风管机112 冷凝器温度传感器故障 F2 风管机113 室外环境温度传感器故障F3 风管机114 排气温度传感器故障F4 风管机115 显示器环境温度传感器故障F5 风管机116 见备注FF 风管机117 跳线帽故障C5 风管机118 压缩机高压保护 E1 户式(别墅)机单系统119 系统防冻保护E2 户式(别墅)机单系统120 压缩机低压保护 E3 户式(别墅)机单系统121 压缩机排气温度保护E4 户式(别墅)机单系统122 压缩机过载保护 E5 户式(别墅)机单系统123 水泵过载保护E6 户式(别墅)机单系统124 水流开关保护E7 户式(别墅)机单系统125 风机过载保护E8 户式(别墅)机单系统126 系统防高温保护 E9 户式(别墅)机单系统127 防冻温度传感器故障F1 户式(别墅)机单系统128 除霜温度传感器故障F3 户式(别墅)机单系统129 排气温度传感器故障F5 户式(别墅)机单系统130 室外环境温度传感器F7 户式(别墅)机单系统131 进水温度传感器故障F8 户式(别墅)机单系统132 出水温度传感器故障F9 户式(别墅)机单系统133 通信故障 EC 户式(别墅)机单系统134 压缩机1高压保护E1 户式(别墅)机双系统135 系统1防冻结保护E2 户式(别墅)机双系统136 压缩机1低压保护E3 户式(别墅)机双系统137 压缩机1排气温度保护 E4 户式(别墅)机双系统138 压缩机1过载保护E5 户式(别墅)机双系统139 水泵过载保护E6 户式(别墅)机双系统140 水流开关保护E7 户式(别墅)机双系统141 风机1过载保护 E8 户式(别墅)机双系统142 系统1防高温保护E9 户式(别墅)机双系统143 压缩机2高压保护b1 户式(别墅)机双系统144 系统2防冻结保护b2 户式(别墅)机双系统145 压缩机2低压保护b3 户式(别墅)机双系统146 压缩机2排气温度保护 b4 户式(别墅)机双系统147 压缩机2过载保护b5 户式(别墅)机双系统148 风机2过载保护 b8 户式(别墅)机双系统149 系统2防高温b9 户式(别墅)机双系统150 防冻温度传感器1故障 F1 户式(别墅)机双系统151 防冻温度传感器2故障 F2 户式(别墅)机双系统152 除霜温度传感器1故障 F3 户式(别墅)机双系统153 除霜温度传感器2故障 F4 户式(别墅)机双系统154 排气温度传感器1故障 F5 户式(别墅)机双系统155 排气温度传感器2故障 F6 户式(别墅)机双系统156 室外环境温度传感器故障F7 户式(别墅)机双系统157 进水温度传感器 F8 户式(别墅)机双系统158 出水温度传感器 F9 户式(别墅)机双系统159 通信故障 EC 户式(别墅)机双系统160 压缩机1高压保护E1 户式地暖机组161 系统一防冻结保护E2 户式地暖机组162 压缩机1低压保护E3 户式地暖机组163 压缩机1排气温度保护 E4 户式地暖机组164 压缩机1过载保护E5 户式地暖机组165 水泵过载保护E6 户式地暖机组166 水流开关故障E7 户式地暖机组167 风机1过载保护 E8 户式地暖机组168 系统一防高温E9 户式地暖机组169 压缩机2高压保护b1 户式地暖机组170 系统二防冻结保护b2 户式地暖机组171 压缩机2低压保护b3 户式地暖机组172 压缩机2排气温度保护 b4 户式地暖机组173 压缩机2过载保护b5 户式地暖机组174 风机2过载保护 b8 户式地暖机组175 系统二防高温b9 户式地暖机组176 防冻温度传感器1故障 F1 户式地暖机组177 防冻温度传感器2故障 F2 户式地暖机组178 除霜温度传感器1故障 F3 户式地暖机组179 除霜温度传感器2故障 F4 户式地暖机组180 排气温度传感器1故障 F5 户式地暖机组181 排气温度传感器2故障 F6 户式地暖机组182 室外环境温度传感器故障F7 户式地暖机组183 进水温度传感器故障F8 户式地暖机组184 出水温度传感器故障F9 户式地暖机组185 通信故障 EC 户式地暖机组186 压缩机1高压保护E1 单元机(风冷冷风型)187 系统1防冻结保护E2 单元机(风冷冷风型)188 压缩机1低压保护E3 单元机(风冷冷风型)189 压缩机1排气高温保护 E4 单元机(风冷冷风型)190 压缩机1过电流保护E5 单元机(风冷冷风型)191 压缩机2高压保护b1 单元机(风冷冷风型)192 系统2防冻结保护b2 单元机(风冷冷风型)193 压缩机2低压保护b3 单元机(风冷冷风型)194 压缩机2排气高温保护 b4 单元机(风冷冷风型)195 压缩机2过电流保护b5 单元机(风冷冷风型)196 冷凝器2传感器故障b6 单元机(风冷冷风型)197 蒸发器2传感器故障b7 单元机(风冷冷风型)198 通信故障 EC 单元机(风冷冷风型)199 存储芯片故障EE 单元机(风冷冷风型)200 压缩机3高压保护C1 单元机(风冷冷风型)201 系统3防冻结保护C2 单元机(风冷冷风型)202 压缩机3低压保护C3 单元机(风冷冷风型)203 压缩机3排气高温保护 C4 单元机(风冷冷风型)204 压缩机3过电流保护C5 单元机(风冷冷风型)205 冷凝器3传感器故障C6 单元机(风冷冷风型)206 蒸发器3传感器故障C7 单元机(风冷冷风型)207 室内环境传感器故障F0 单元机(风冷冷风型)208 蒸发器1传感器故障F1 单元机(风冷冷风型)209 冷凝器1传感器故障F2 单元机(风冷冷风型)210 室外环境传感器故障F3 单元机(风冷冷风型)211 排气温度传感器1故障 F5 单元机(风冷冷风型)212 排气温度传感器2故障 F6 单元机(风冷冷风型)213 排气温度传感器2故障 F7 单元机(风冷冷风型)214 送风机热过电流 F9 单元机(风冷冷风型)216 系统1防冻结保护E2 单元机(水冷冷风型)217 压缩机1低压保护E3 单元机(水冷冷风型)218 压缩机1排气高温保护 E4 单元机(水冷冷风型)219 压缩机1过电流保护E5 单元机(水冷冷风型)220 送风机热过电流 F9 单元机(水冷冷风型)221 压缩机2高压保护b1 单元机(水冷冷风型)222 系统2防冻结保护b2 单元机(水冷冷风型)223 压缩机2低压保护b3 单元机(水冷冷风型)224 压缩机2排气高温保护 b4 单元机(水冷冷风型)225 压缩机2过电流保护b5 单元机(水冷冷风型)226 水流开关故障E0 单元机(水冷冷风型)227 送风机热过电流 E8 单元机(水冷冷风型)228 回风温度传感器故障F0 单元机(水冷冷风型)229 防冻传感器1故障F2 单元机(水冷冷风型)230 防冻传感器2故障F3 单元机(水冷冷风型)231 防冻传感器3故障F4 单元机(水冷冷风型)232 排气温度传感器1故障 F5 单元机(水冷冷风型)233 排气温度传感器2故障 F6 单元机(水冷冷风型)234 排气温度传感器3故障 F7 单元机(水冷冷风型)235 压缩机2高压保护b1 单元机(水冷冷风型)236 系统2防冻结保护b2 单元机(水冷冷风型)238 压缩机2排气高温保护 b4 单元机(水冷冷风型)239 压缩机2过电流保护b5 单元机(水冷冷风型)240 压缩机3高压保护c1 单元机(水冷冷风型)241 系统3防冻结保护c2 单元机(水冷冷风型)242 压缩机3低压保护c3 单元机(水冷冷风型)243 压缩机3排气高温保护 c4 单元机(水冷冷风型)244 压缩机3过电流保护c5 单元机(水冷冷风型)245 压缩机1高压保护E1 恒温恒湿机246 压缩机1防冻结保护E2 恒温恒湿机247 压缩机1低压保护E3 恒温恒湿机248 压缩机1过电流保护E5 恒温恒湿机249 压缩机2高压保护b1 恒温恒湿机250 压缩机2防冻结保护b2 恒温恒湿机251 压缩机2低压保护b3 恒温恒湿机252 压缩机2排气高温保护 b4 恒温恒湿机253 压缩机2过电流保护b5 恒温恒湿机254 回风温度传感器故障F0 恒温恒湿机255 防冻传感器1保护F1 恒温恒湿机256 防冻传感器2保护F2 恒温恒湿机257 排气传感器1保护F4 恒温恒湿机258 排气传感器2保护F5 恒温恒湿机259 加湿器故障保护 F8 恒温恒湿机260 离心风机过电流保护F9 恒温恒湿机261 压缩机高压保护 E1 水环热泵机组262 系统防冻结保护 E2 水环热泵机组263 压缩机低压保护 E3 水环热泵机组264 压缩机排气高温保护E4 水环热泵机组265 压缩机过电流保护E5 水环热泵机组266 通讯故障 E6 水环热泵机组267 水流开关保护E7 水环热泵机组268 室内风机过电流保护E8 水环热泵机组269 水满保护 E9 水环热泵机组270 水温越界故障EC 水环热泵机组271 紫外线故障d1 水环热泵机组272 静电除尘故障d2 水环热泵机组273 室内温度传感器故障F0 水环热泵机组274 蒸发器温度传感器故障 F1 水环热泵机组275 水系统防冻传感器故障(B系列机组显示水温越界护)F3 水环热泵机组276 排气温度传感器故障F4 水环热泵机组277 室内温度传感器故障F0 基站空调机组278 蒸发器温度传感器故障 F1 基站空调机组279 冷凝器温温度传感器故障F2 基站空调机组280 室外温度传感器故障F3 基站空调机组281 排气温度传感器故障F4 基站空调机组282 出水温度传感器/湿度传感器F5 基站空调机组283 压缩机高压保护 E1 基站空调机组284 室内防冻结保护 E2 基站空调机组285 压缩机低压保护 E3 基站空调机组286 压缩机排气高温保护E4 基站空调机组287 压缩机过电流保护E5 基站空调机组288 通讯故障 E6 基站空调机组289 断电保护 L1 基站空调机组290 蓄电池低压保护 L2 基站空调机组291 直流风机故障L3 基站空调机组292 辅助电加热保护 EH 基站空调机组293 室内环境温度过高报警 LH 基站空调机组294 室内环境温度过低报警 LL 基站空调机组295 火灾报警 EL 基站空调机组296 过滤器堵塞报警 L4 基站空调机组297 室外环境温度传感器故障F3 热水空调机组298 排气温度传感器故障F4 热水空调机组299 室外入管温度传感器故障F5 热水空调机组300 室外中部温度传感器故障F6 热水空调机组301 室外换热器管温感温包故障F6 热水空调机组302 室外出管温度传感器故障F7 热水空调机组303 进水温度传感器故障F8 热水空调机组304 出水温度传感器故障F9 热水空调机组305 回气温度传感器故障Fd 热水空调机组306 用户侧水温温度传感器故障FE 热水空调机组307 水箱中部温度传感器故障FL 热水空调机组308 压缩机高压保护 E1 热水空调机组309 压缩机低压保护 E3 热水空调机组310 压缩机排气高温保护E4 热水空调机组311 通讯故障 E6 热水空调机组312 水泵过电流保护 E0 热水空调机组313 外风机过电流保护EF 热水空调机组314 辅助电加热保护 EH 热水空调机组315 系统防高温保护 Ed 热水空调机组316 水流开关保护Ec 热水空调机组317 水箱水位开关故障L2 热水空调机组318 冬天自动防冻保护d2 热水空调机组319 循环水温度传感器故障(RSZ系列直热式热水机)L5 热水空调机组320 水箱水温度传感器故障(商用直热循环式热水机)热水空调机组321 机组能力不足L6 热水空调机组322 水压开关保护L7 热水空调机组323 水箱底部感温包故障C8 热水空调机组324 版本号 1 热水空调机组325 出水温度 2 热水空调机组326 进水温度 3 热水空调机组327 室外环境温度 4 热水空调机组328 用户侧温度 5 热水空调机组329 室外入管温度1 6 热水空调机组330 室外入管温度2* 7 热水空调机组331 排气温度1 8 热水空调机组332 排气温度2* 9 热水空调机组333 室外出管温度1 10 热水空调机组334 室外出管温度2* 11 热水空调机组335 水箱水温(商用机)12 热水空调机组336 预留(家用机)热水空调机组337 预留13 热水空调机组338 预留14 热水空调机组339 预留15 热水空调机组340 预留(商用机) 16 热水空调机组341 水箱水温(家用机)热水空调机组342 预留17 热水空调机组343 水箱中部水温18 热水空调机组344 水箱上部水温19 热水空调机组345 压缩机高压保护 E1 新风处理机组346 防低温(防冻结)E2 新风处理机组347 压缩机低压保护 E3 新风处理机组348 压缩机排气高温保护E4 新风处理机组349 压缩机过电流保护E5 新风处理机组350 通讯故障 E6 新风处理机组351 模式冲突 E7 新风处理机组352 内风机过载保护 E8 新风处理机组353 水满保护 E9 新风处理机组354 高压阀故障Fc 新风处理机组355 低压阀故障Fd 新风处理机组356 辅助电加热故障 EH 新风处理机组357 PG电机堵转保护H6 新风处理机组358 室内环境感温包故障F0 新风处理机组359 室内入管感温包故障F1 新风处理机组360 室内中部感温包故障F2 新风处理机组361 室内出管感温包故障F3 新风处理机组362 室外环境感温包故障F4 新风处理机组363 室外入管感温包故障F5 新风处理机组364 室外中部感温包故障F6 新风处理机组365 室外出管感温包故障F7 新风处理机组366 排气感温包1(定频)故障F8 新风处理机组367 排气感温包2(变频)故障F9 新风处理机组368 油温感温包1(定频)故障FA 新风处理机组369 油温感温包2(变频)故障Fb 新风处理机组370 清除主线控器标志CL 新风处理机组371 无主室内机代码 No 新风处理机组372 通信故障 E6 全热新风换气机组373 室内环境感温包故障F0 全热新风换气机组374 室外出管感温包故障F3 全热新风换气机组375 湿度传感器故障 L1 全热新风换气机组376 风阀和相关部件故障或风阀集中控制接线错误L0 全热新风换气机组序号故障代码含义显示信息机型377 系统1高压保护压缩机高压一螺杆式风冷冷(热)水机组378 系统2高压保护压缩机高压二螺杆式风冷冷(热)水机组379 系统1低压保护压缩机低压一螺杆式风冷冷(热)水机组380 系统2低压保护压缩机低压二螺杆式风冷冷(热)水机组381 系统1过电流保护压缩机一过载螺杆式风冷冷(热)水机组382 系统2过电流保护压缩机二过载螺杆式风冷冷(热)水机组383 水流开关保护水流开关螺杆式风冷冷(热)水机组384 系统一风机过流保护风机一过流螺杆式风冷冷(热)水机组385 系统二风机过流保护风机二过流螺杆式风冷冷(热)水机组386 进水温度传感器保护进水温感器螺杆式风冷冷(热)水机组387 出水温度传感器保护出水温感器螺杆式风冷冷(热)水机组388 系统1化霜温度传感器故障化霜温感器一螺杆式风冷冷(热)水机组389 系统2化霜温度传感器故障化霜温感器二螺杆式风冷冷(热)水机组390 系统1蒸发器防冻保护防冻温感器一螺杆式风冷冷(热)水机组391 系统2蒸发器防冻保护防冻温感器二螺杆式风冷冷(热)水机组392 系统1压差保护压差保护一螺杆式风冷冷(热)水机组393 系统2压差保护压差保护二螺杆式风冷冷(热)水机组394 系统1电源缺(逆)相或者系统1内部保护缺相压缩机保护一螺杆式风冷冷(热)水机组395 系统2电源缺(逆)相或者系统2内部保护缺相压缩机保护二螺杆式风冷冷(热)水机组396 系统高压与油压的压差过高保护油压差保护螺杆式风冷冷(热)水机组397 水泵连锁保护水泵连锁保护螺杆式风冷冷(热)水机组398 风机一过流保护风机一过流保护螺杆式风冷冷(热)水机组399 风机二过流保护风机二过流保护螺杆式风冷冷(热)水机组400 风机三过流保护风机三过流保护螺杆式风冷冷(热)水机组401 油位低保护油位低保护螺杆式风冷冷(热)水机组402 压机内部保护压机内部保护螺杆式风冷冷(热)水机组403 压缩机低压保护压缩机低压保护螺杆式风冷冷(热)水机组404 排气高温排气高温螺杆式风冷冷(热)水机组405 防过热保护防过热保护螺杆式风冷冷(热)水机组406 排气温感包故障排气温感包故障螺杆式风冷冷(热)水机组407 高压压力传感器故障高压压力传感器故障螺杆式风冷冷(热)水机组408 低压压力传感器故障低压压力传感器故障螺杆式风冷冷(热)水机组409 油压压力传感器故障油压压力传感器故障螺杆式风冷冷(热)水机组410 热回收温感器故障热回收温感器故障螺杆式风冷冷(热)水机组411 环境温感器故障环境温感器故障螺杆式风冷冷(热)水机组412 水流量过低报警低流量报警螺杆式风冷冷(热)水机组413 系统一高压过高压缩机一高压保护螺杆式水冷冷水机组414 系统二高压过高压缩机二高压保护螺杆式水冷冷水机组415 系统一低压太低压缩机一低压保护螺杆式水冷冷水机组416 系统二低压太低压缩机二低压保护螺杆式水冷冷水机组417 系统一过载保护压缩机一过载保护螺杆式水冷冷水机组418 系统二过载保护压缩机二过载保护螺杆式水冷冷水机组419 系统一排气温度过高压缩机一排气高温螺杆式水冷冷水机组420 系统二排气温度过高压缩机二排气高温螺杆式水冷冷水机组421 高压传感器一故障高压传感器一故障螺杆式水冷冷水机组423 低压传感器一故障低压传感器一故障螺杆式水冷冷水机组424 低压传感器二故障低压传感器二故障螺杆式水冷冷水机组425 系统一高低压差低高低压差一报警螺杆式水冷冷水机组426 系统二高低压差低高低压差二报警螺杆式水冷冷水机组427 排气一感温包故障排气一感温包故障螺杆式水冷冷水机组428 排气二感温包故障排气二感温包故障螺杆式水冷冷水机组429 吸气一感温包故障吸气一感温包故障螺杆式水冷冷水机组430 吸气二感温包故障吸气二感温包故障螺杆式水冷冷水机组431 防冻一感温包故障防冻一感温包故障螺杆式水冷冷水机组432 防冻二感温包故障防冻二感温包故障螺杆式水冷冷水机组433 冷却进水感温包故障冷却进水感温包螺杆式水冷冷水机组434 冷却出水感温包故障冷却出水感温包螺杆式水冷冷水机组435 系统一油位低油位开关一故障螺杆式水冷冷水机组436 系统二油位低油位开关二故障螺杆式水冷冷水机组437 系统一油压差过低系统一油压差保护螺杆式水冷冷水机组438 系统二油压差过低系统二油压差保护螺杆式水冷冷水机组439 冷却水进出水温差太大冷却水低流量报警螺杆式水冷冷水机组440 冷却水流开关保护一冷却水流开关保护一螺杆式水冷冷水机组441 冷却水流开关保护二冷却水流开关保护二螺杆式水冷冷水机组。
格力空调故障代码大全(本文转自合肥空调维修网/) KF-60L WAK 柜机E1 1.冷凝器前有障碍物2.控制回路巽常3.室外环境温度高于43度时开始制冷4.高压管压力过大使高压开关动作E2 1.室内风机不转或风口堵住2.室内环境温度低于18度3.管温感温头折断4.管温感温头插头没插好5.控制回路巽常6.电容C7漏电LF-120WAK柜机E1 1.冷凝器前有障碍物2.控制回路巽常3.三相电源缺相4.室外环境温度高于43度时开始制冷5.工作电流过大使过护器动作或高压管压力过大使高压开关动作E2 1.室内风机不转或风口堵住2.室内环境温度低于18度3.管温感温头折断4.管温感温头插头没插好5.控制回路巽常6.电容C7漏电KFR-70LW/EDE1 高压E2 防冻结E3 低压E4 排温E5 过流格力带低电压保护新款柜机代码:E1 压缩机高压保护E2 蒸发器防冻结保护E3 压缩机低压保护E4 压缩机排气温度过高保护E5 过电流(低电压保护格力空调故障代码!KF-60L WAK分体立柜式房间空调器故障代码. E1 1.冷凝器前有障碍物2.控制回路巽常3.室外环境温度高于43度时开始制冷4.高压管压力过大使高压开关动作E2 1.室内风机不转或风口堵住2.室内环境温度低于18度3.管温感温头折断4.管温感温头插头没插好5.控制回路巽常6.电容C7漏电LF-12WAK分体立柜式房间空调器故障代码.E1 1.冷凝器前有障碍物2.控制回路巽常3.三相电源缺相3.室外环境温度高于43度时开始制冷4.工作电流过大使过护器动作或高压管压力过大使高压开关动作E2 1.室内风机不转或风口堵住2.室内环境温度低于18度3.管温感温头折断4.管温感温头插头没插好5.控制回路巽常6.电容C7漏电格力空调维修一:格力定频机器挂机的传感器的阻值比较小,也就是说比较精确,不过也是最容易坏的!常见故障就不说了!说2个不好查的:1制冷时20分钟左右压机停;2制热外风机不工作;很大可能都是室内管温问题![适用所有定频机]二:普通分体机,1:就是带灯箱的E1表现为一开机立刻停,除灯箱可以开以外别的功能都没有用。
格力空调故障代码与格力空调售后维修服务中心大家在使用格力空调过程中会常遇到一些故障,而判断故障直接的方法就是看空调显示屏上显示的代码,判断空调的故障原因在哪里,再进行维修。
详细情况可以咨询格力空调售后维修服务中心,我们的电话热线全天在线,我们的维修网点遍布各地区,只要及时联系我们,会有专业的维修师傅上门,竭诚为您服务。
下面格力空调售后维修服务中心给大家介绍一下格力中央空调故障代码大全L0室内机故障2 L1内风机保护3 L2辅热保护4 L3水满保护5L4供电电源过流保护6L5防冻结保护无主室内机7 L7电源供电不足9 L9 一控多机内机台数不一致LA 一控多机内机系列不一致LH 空气质量严重浑浊报警LC 内外机机开型不匹配D1室内机电路板不良D3环境温度传感器故障D4入客温度传感器故障D6出管温度传感器故障D7温度传感故障D8水温传感器故障D9跳线帽故障DA 内机网络地址异常DH 容量拨码设置异常DC 出风感温包故障10 11 12 13 14 15 16 17 18 19 20 21 22 23DL空内CO2传感器故障24 DB工程调试代码25CO通讯故障26AJ过滤网清洁提醒二、GMV4系列格力空调故障代码--室外机序号适用机型显示故障代码故障代码含义1第四代变频中央空调室外机P8 IPM或PFC模块过热保护2Pc电流检测电路故障3P7 IPM 或PFC模块温度传感器故障4P5压缩机电流保护5PL直流母线电压过低保护6Lc压缩机启动失败7He PFC模块保护8 LE堵转9 P0驱动模块复位H7压缩机电机失步Ld 缺相P6变频驱动部分到主控通讯故障 H5 IPM 模块保护 LF 超速 Pd 传感器连接保护 PE 温漂保护 P9交流接触器保护 E1高压保护 E3低压保护 E4排气保护 H3压缩机自带过载保护 E6通讯故障(内外机、手操器之间)10 11 121314151617181920212223F4室外环境感温头故障24F5室外盘管进管感温头故障25F6室外盘管中间感温头故障26F7室外盘管出管感温头故障27F9变频排气感温包故障28PA交流电流保护(输入侧)29PF驱动板环境感温包故障30PP交流输入电压异常31C5跳线帽故障32PU充电回路故障33H6直流电机无转速反馈故障三、GMV4系列格力空调故障代码--室内机序号适用机型显示故障代码故障代码含义1第四代变频中央空调室内机CC远程锁2CH与有效主手操器冲突标志3CL清除线控器标志4E1压缩机高压保护5E2室内防冻结保护6E3压缩机低压保护7E4压缩机排气高温保护/油温高温保护8E5压缩机过电流保护/压机、风机驱动故障9E6通讯故障10E7模式冲突11E8室内机风机过载保护12E9/Eb 水满保护13EE按键锁定14EH辅助电加热故障16 F1室内机入管温度传感器故障仃F2室内机中部温度传感器故障18F3室内机出管温度传感器故障19F4室外环境温度传感器故障20F5室外机入管温度传感器故障21F6室外机中部温度传感器故障22F7室外机出管温度传感器故障83 F8定频压机排气温度传感器故障四、格力空调故障代码--风管机系列序号适用机型显示故障代码故障代码含义1格力风管机空调E0水泵故障(新款风管)2 E1压缩机高压保护4 E3压缩机低压保护5E4压缩机排气高温保护6E5压缩机过电流保护7E6通讯故障8E8室内风机故障9E9水满保护10EH辅助电加热故障11F0室内环境温度传感器故障12F1室内机蒸发器温度传感器故障13F2冷凝器温度传感器故障14F3室外环境温度传感器故障15F4排气温度传感器故障16F5显示器环境温度传感器故障17FF见备注五、格力空调故障代码--户式水机1、单系统户式水机故障代码序号适用机型显示故障代码故障代码含义1户式水机单系统E1压缩机高压保护2E2系统防冻保护3E3压缩机低压保护4E4压缩机排气温度保护5E5压缩机过载保护6E6水泵过载保护7E7水流开关保护8E8风机过载保护9E9系统防高温保护10F1防冻温度传感器故障12F5排气温度传感器故障13F7室外环境温度传感器14F8进水温度传感器故障15F9出水温度传感器故障16EC通信故障2、双系统户式水机故障代码序号适用机型显示故障代码故障代码含义1户式水机双系统E1压缩机1高压保护2E2系统1防冻结保护3E3压缩机1低压保护4E4压缩机1排气温度保护5E5压缩机1过载保护6E6水泵过载保护8 E8风机1过载保护9E9系统1防高温保护10bl压缩机2高压保护11b2系统2防冻结保护12b3压缩机2低压保护13b4压缩机2排气温度保护14b5压缩机2过载保护15b8风机2过载保护16b9系统2防高温17F1防冻温度传感器1故障18F2防冻温度传感器2故障19F3除霜温度传感器1故障20F4除霜温度传感器2故障21F5排气温度传感器1故障23F7室外环境温度传感器故障24F8进水温度传感器25F9出水温度传感器26EC通信故障六、格力空调故障代码--模块机系列序号适用机型故障代码含义显示故障代码1模块式风冷冷(热)水机组系统1高压保护高压12系统2高压保护高压23系统1低压保护低压14系统2低压保护低压25系统1过电流保护压缩机16系统2过电流保护压缩机28风机2过载保护风机2过流保护9水流开关保护水流开关10进水温度传感器保护进水温度11出水温度传感器保护出水温度12系统1蒸发器防冻保护防冻温度113系统2蒸发器防冻保护防冻温度214除霜温度传感器1保护除霜温度115除霜温度传感器2保护除霜温度216压缩机1排气高温保护排气温度117压缩机2排气高温保护排气温度218压缩机1过载保护压缩机一过载19压缩机2过载保护压缩机二过载20防冻温度传感器1保护防冻温感器或防冻/防过热温感器21防冻温度传感器2保护/环境温度传感器保护参考点温感器22系统一制冷低压保护系统一制冷低压保护23系统一制热低压保护系统一制热低压保护24排气高温一保护排气高温一保护25系统一防冻结保护系统一防冻结保护26翅片入管一感温故障翅片入管一感温故障27翅片出管一感温故障翅片出管一感温故障28壳管进管一感温故障壳管进管一感温故障29壳管出管一感温故障壳管出管一感温30排气温感器一故障排气温感器一故障31化霜温感器一故障化霜温感器一故障32系统二制冷低压保护系统二制冷低压保护33系统二制热低压保护系统二制热低压保护34压缩机二过载保护压缩机二过载保护35风机C过载保护风机C过载保护36风机D过载保护风机D过载保护37排气高温二保护排气高温二保护38系统二防冻结保护系统二防冻结保护39翅片入管二感温故障翅片入管二感温故障40翅片出管二感温故障翅片出管二感温41壳管进管二感温故障壳管进管二感温故障42壳管出管二感温故障壳管出管二感温故障43排气温感器二故障排气温感器二故障44化霜温感器二故障化霜温感器二故障45空调进水感温包故障空调进水感温包故障46空调出水感温包故障空调出水感温包故障47热水进水感温包故障热水进水感温包故障48热水出水感温包故障热水出水感温包故障49空调防冻感温包故障空调防冻感温包50热水防冻感温包故障热水防冻感温包故障51环境感温包故障 环境感温包故障52回水感温包故障 回水感温包故障53加热水箱感温包故障故障 54蓄热水箱温感器故障故障 55空调辅电温感器故障故障56热水辅电温感器故障故障57空调水流开关故障 空调水流开关故障故障加热水箱感温包蓄热水箱温感器空调辅电温感器59壳管电辅热故障壳管电辅热故障60容量拨码错误容量拨码错误61加热水箱水位开关加热水箱水位开关62蓄热水箱水位开关蓄热水箱水位开关63风机三过流保护风机三过流保护64跳线帽没装或不匹配跳线帽错误65系统一压缩机运行后其排气温度在特定时间内,未达到正常温度排气温感器一失灵66系统二压缩机运行后其排气温度在特定时间内,未达到正常温度排气温感器二失灵67空调进水温感器故障空调进水温感器故障68空调出水温感器故障空调出水温感器故障70系统二排气温感器故障排气温感器二故障71系统一制冷节流点温感器故障节流阀一温感器故障72系统二制冷节流点温感器故障节流阀二温感器故障73系统一吸气温感器故障吸气温感器一故障74系统二吸气温感器故障吸气温感器二故障75冷冻水水流开关保护冷冻水水流开关保护76系统一压缩机二运行后其排气温度在特定时间内,未达到正常温度系统一排气二失灵保护78系统二压缩机二运行后其排气温度在特定时间内,未达到正常温度系统二排气二失灵79系统一压缩机一运行后其排气温度在特定时间内,未达到正常温度系统一排气一失灵80系统二压缩机一运行后其排气温度在特定时间内,未达到正常温度系统二排气一失灵81 冷冻水出水故障冷冻水出水故障82 冷却水进水故障冷却水进水故障83 冷冻水进水故障冷冻水进水故障84 防冻温感器故障防冻温感器故障85 冷却水出水故障冷却水出水故障86 系统一制冷节流点温感器故障节流阀一温感器故障87系统二制冷节流点温感器故障节流阀二温感器故障88系统一吸气温感器故障吸气温感器一故障89系统二吸气温感器故障吸气温感器二故障90系统一压缩机运行后其排气温度在特定时间内,未达到正常温度排气温感器一失灵91系统二压缩机运行后其排气温度在特定时间内,未达到正常温度排气温感器二失灵92用户侧水流开关保护用户侧水流开关保护93热源侧水流开关保护热源侧水流开关保护94跳线帽没装或不匹配跳线帽错误95用户侧进水温感器故障用户侧进水温感器96系统一用户侧出水温感器故障用户侧出水温感器一97系统二用户侧出水温感器故障用户侧出水温感器二98热源侧进水温感器故障热源侧进水温感器99系统一热源侧出水温感器故障热源侧出水温感器一100系统二热源侧出水温感器故障热源侧出水温感器二101系统一制冷节流点温感器故障制冷节流阀一温感器102系统二制冷节流点温感器故障制冷节流阀二温感器103系统一制热节流点温感器故障制热节流阀一温感器104系统二制热节流点温感器故障制热节流阀二温感器105主板30s内接受不到显示板的信息通讯故障106水泵开启30秒后,连续10秒内检测到水流开关断开水流开关故障107连续30秒内检测到热水侧进水温度大于80度热水侧防过热保护108热水显示温感器故障热水显示温感器故障七、格力空调故障代码--恒温恒湿机序号适用机型显示故障代码故障代码含义1格力恒温恒湿机E1压缩机1高压保护2E2压缩机1防冻结保护3E3压缩机1低压保护4E5压缩机1过电流保护5b1压缩机2高压保护6b2压缩机2防冻结保护7b3压缩机2低压保护8b4压缩机2排气高温保护9b5压缩机2过电流保护10F0回风温度传感器故障11F1防冻传感器1保护12F2防冻传感器2保护13F4排气传感器1保护14 F5排气传感器2保护15F8加湿器故障保护16F9离心风机过电流保护八、格力空调故障代码--机房专用空调序号适用机型显示故障代码故障代码含义1格力机房专用空调F0室内温度传感器故障2F1蒸发器温度传感器故障3F2冷凝器温温度传感器故障4F3室外温度传感器故障5F4排气温度传感器故障6F5出水温度传感器/湿度传感器7E1压缩机高压保护8E2室内防冻结保护E4压缩机排气高温保护 E5压缩机过电流保护 E6通讯故障 L1断电保护 L2蓄电池低压保护 L3直流风机故障 EH 辅助电加热保护 LH 室内环境温度过高报警 LL 室内环境温度过低报警 EL 火灾报警 L4过滤器堵塞报警 1011121314151617181920。
格力空调维修 格力中央空调维修格力中央空调产品故障显示代码表格力中央空调产品故障显示代码表格力中央空调产品故障显示代码表为你提供了格力中央空调所有机型的故障代码信息:一、显示板显示故障一、显示板显示故障序号序号 故障代码含义故障代码含义 显示代码显示代码 机 型 1 压缩机高压保护压缩机高压保护 E1 数码多联室外机数码多联室外机 2 室内防冻结保护室内防冻结保护 E2 数码多联室外机数码多联室外机 3 压缩机低压保护压缩机低压保护E3 数码多联室外机数码多联室外机 4 压缩机排气高温保护/油温高温保护油温高温保护 E4 数码多联室外机数码多联室外机 5 压缩机过电流保护/压机、风机驱动故障压机、风机驱动故障 E5 数码多联室外机数码多联室外机 6 通讯故障通讯故障 E6 数码多联室外机数码多联室外机 7 模式冲突模式冲突E7 数码多联室外机数码多联室外机 8 油电磁阀保护油电磁阀保护EA 数码多联室外机数码多联室外机 9 室外环境温度传感器故障室外环境温度传感器故障 F4 数码多联室外机数码多联室外机 10 室外主机入管温度传感器故障室外主机入管温度传感器故障 F5 数码多联室外机数码多联室外机 11 室外主机中部温度传感器故障室外主机中部温度传感器故障 F6 数码多联室外机数码多联室外机 12 室外主机出管温度传感器故障室外主机出管温度传感器故障F7 数码多联室外机数码多联室外机 13 主机定频压机1排气温度传感器故障排气温度传感器故障 F8 数码多联室外机数码多联室外机 14 主机数码压机排气温度传感器故障主机数码压机排气温度传感器故障 F9 数码多联室外机数码多联室外机 15 主机定频压机1油温温度传感器故障油温温度传感器故障 FA 数码多联室外机数码多联室外机 16 主机数码压机油温温度传感器故障主机数码压机油温温度传感器故障 Fb 数码多联室外机数码多联室外机 17 高压传感器故障高压传感器故障 Fc 数码多联室外机数码多联室外机 18 低压传感器故障低压传感器故障 Fd 数码多联室外机数码多联室外机 19 缺冷媒保护缺冷媒保护FE 数码多联室外机数码多联室外机 20 室外子机入管温度传感器故障室外子机入管温度传感器故障 b5 数码多联室外机数码多联室外机 21 室外子机中部温度传感器故障室外子机中部温度传感器故障 b6 数码多联室外机数码多联室外机 22 室外子机出管温度传感器故障室外子机出管温度传感器故障 b7 数码多联室外机数码多联室外机 23 定频压机2排气温度传感器故障排气温度传感器故障 b8 数码多联室外机数码多联室外机 24 定频压机3排气温度传感器故障排气温度传感器故障 b9 数码多联室外机数码多联室外机 25 定频压机2油温温度传感器故障油温温度传感器故障 bA 数码多联室外机数码多联室外机 26 定频压机3油温温度传感器故障油温温度传感器故障 bb 数码多联室外机数码多联室外机 27 直流母线电压过高保护直流母线电压过高保护PH 变频多联室外机变频多联室外机 28 IPM 或PFC 模块过热保护模块过热保护 P8 变频多联室外机变频多联室外机 29 电流检测电路故障电流检测电路故障Pc 变频多联室外机变频多联室外机 30 IPM 或PFC 模块温度传感器故障模块温度传感器故障 P7 变频多联室外机变频多联室外机 31 压缩机电流保护压缩机电流保护 P5 变频多联室外机变频多联室外机 32 直流母线电压过低保护直流母线电压过低保护 PL 变频多联室外机变频多联室外机 33 压缩机启动失败压缩机启动失败 Lc 变频多联室外机变频多联室外机 34 PFC 模块保护模块保护 Hc 变频多联室外机变频多联室外机 35 堵转堵转LE 变频多联室外机变频多联室外机 36 驱动模块复位驱动模块复位 P0 变频多联室外机变频多联室外机 37压缩机电机失步压缩机电机失步H7变频多联室外机变频多联室外机38 缺相变频多联室外机 缺相 Ld 变频多联室外机39 变频驱动部分到主控通讯故障变频驱动部分到主控通讯故障 P6 变频多联室外机变频多联室外机40 IPM模块保护变频多联室外机 模块保护 H5 变频多联室外机41 超速变频多联室外机 超速 LF 变频多联室外机42 传感器连接保护变频多联室外机 传感器连接保护 Pd 变频多联室外机43 温漂保护变频多联室外机 温漂保护 PE 变频多联室外机44 交流接触器保护交流接触器保护 P9 变频多联室外机变频多联室外机45 高压保护变频多联室外机 高压保护 E1 变频多联室外机46 低压保护变频多联室外机 低压保护 E3 变频多联室外机47 排气保护变频多联室外机 排气保护 E4 变频多联室外机48 压缩机自带过载保护变频多联室外机 压缩机自带过载保护 H3 变频多联室外机49 通讯故障(内外机、手操器之间)变频多联室外机 通讯故障(内外机、手操器之间) E6 变频多联室外机50 室外环境感温头故障变频多联室外机 室外环境感温头故障 F4 变频多联室外机51 室外盘管进管感温头故障室外盘管进管感温头故障 F5 变频多联室外机变频多联室外机52 室外盘管中间感温头故障变频多联室外机 室外盘管中间感温头故障 F6 变频多联室外机53 室外盘管出管感温头故障变频多联室外机 室外盘管出管感温头故障 F7 变频多联室外机54 变频排气感温包故障变频多联室外机 变频排气感温包故障 F9 变频多联室外机55 交流电流保护(输入侧)交流电流保护(输入侧) P A 变频多联室外机变频多联室外机56 驱动板环境感温包故障变频多联室外机 驱动板环境感温包故障 PF 变频多联室外机57 交流输入电压异常变频多联室外机 交流输入电压异常 PP 变频多联室外机58 跳线帽故障跳线帽故障 C5 变频多联室外机变频多联室外机59 充电回路故障变频多联室外机 充电回路故障 PU 变频多联室外机60 直流电机无转速反馈故障变频多联室外机 直流电机无转速反馈故障 H6 变频多联室外机61 远程锁定远程锁定 CC 多联室内机(除智能多联外)多联室内机(除智能多联外) 62 与有效主手操器冲突标志多联室内机(除智能多联外) 与有效主手操器冲突标志 CH 多联室内机(除智能多联外)63 清除线控器标志多联室内机(除智能多联外) 清除线控器标志 CL 多联室内机(除智能多联外)64 压缩机高压保护多联室内机(除智能多联外) 压缩机高压保护 E1 多联室内机(除智能多联外)65 室内防冻结保护多联室内机(除智能多联外) 室内防冻结保护 E2 多联室内机(除智能多联外)66 压缩机低压保护压缩机低压保护 E3 多联室内机(除智能多联外)多联室内机(除智能多联外) 67 压缩机排气高温保护/油温高温保护多联室内机(除智能多联外) 油温高温保护 E4 多联室内机(除智能多联外)68 压缩机过电流保护/压机、风机驱动故障多联室内机(除智能多联外) 压机、风机驱动故障 E5 多联室内机(除智能多联外)69 通讯故障通讯故障 E6 多联室内机(除智能多联外)多联室内机(除智能多联外) 70 模式冲突多联室内机(除智能多联外) 模式冲突 E7 多联室内机(除智能多联外)71 室内机风机过载保护多联室内机(除智能多联外) 室内机风机过载保护 E8 多联室内机(除智能多联外)72 水满保护多联室内机(除智能多联外) 水满保护 E9/Eb 多联室内机(除智能多联外)73 按键锁定多联室内机(除智能多联外) 按键锁定 EE 多联室内机(除智能多联外)74 辅助电加热故障辅助电加热故障 EH 多联室内机(除智能多联外)多联室内机(除智能多联外) 75 室内环境温度传感器故障多联室内机(除智能多联外) 室内环境温度传感器故障 F0 多联室内机(除智能多联外)76 室内机入管温度传感器故障多联室内机(除智能多联外) 室内机入管温度传感器故障 F1 多联室内机(除智能多联外)77 室内机中部温度传感器故障多联室内机(除智能多联外) 室内机中部温度传感器故障 F2 多联室内机(除智能多联外)78 室内机出管温度传感器故障室内机出管温度传感器故障 F3 多联室内机(除智能多联外)多联室内机(除智能多联外) 79 室外环境温度传感器故障多联室内机(除智能多联外) 室外环境温度传感器故障 F4 多联室内机(除智能多联外)80 室外机入管温度传感器故障多联室内机(除智能多联外) 室外机入管温度传感器故障 F5 多联室内机(除智能多联外)81 室外机中部温度传感器故障多联室内机(除智能多联外) 室外机中部温度传感器故障 F6 多联室内机(除智能多联外)82 室外机出管温度传感器故障室外机出管温度传感器故障 F7 多联室内机(除智能多联外)多联室内机(除智能多联外) 83 定频压机排气温度传感器故障多联室内机(除智能多联外) 定频压机排气温度传感器故障 F8 多联室内机(除智能多联外)84 压缩机高压保护智能多联室内机 压缩机高压保护 E1 智能多联室内机85 室内防冻结保护智能多联室内机 室内防冻结保护 E2 智能多联室内机86 压缩机低压保护智能多联室内机 压缩机低压保护 E3 智能多联室内机87 压缩机排气高温保护压缩机排气高温保护 E4 智能多联室内机智能多联室内机88 压缩机过电流保护智能多联室内机 压缩机过电流保护 E5 智能多联室内机89 通讯故障智能多联室内机 通讯故障 E6 智能多联室内机90 模式冲突智能多联室内机 模式冲突 E7 智能多联室内机91 室内机风机过电流保护智能多联室内机 室内机风机过电流保护 E8 智能多联室内机92 水满保护智能多联室内机 水满保护 E9/Eb 智能多联室内机93 按键锁定智能多联室内机 按键锁定 EE 智能多联室内机94 辅助电加热故障辅助电加热故障 EH 智能多联室内机智能多联室内机95 室内环境温度传感器故障智能多联室内机 室内环境温度传感器故障 F0 智能多联室内机96 室内机蒸发器温度传感器故障智能多联室内机 室内机蒸发器温度传感器故障 F1 智能多联室内机97 冷凝器温度传感器故障智能多联室内机 冷凝器温度传感器故障 F2 智能多联室内机98 室外环境温度传感器故障室外环境温度传感器故障 F3 智能多联室内机智能多联室内机99 排气温度传感器故障智能多联室内机 排气温度传感器故障 F4 智能多联室内机100 水泵故障(新款风管)风管机水泵故障(新款风管) E0 风管机101 压缩机高压保护压缩机高压保护 E1 风管机风管机102 室内防冻结保护风管机室内防冻结保护 E2 风管机103 压缩机低压保护风管机压缩机低压保护 E3 风管机104 压缩机排气高温保护压缩机排气高温保护 E4 风管机风管机105 压缩机过电流保护风管机压缩机过电流保护 E5 风管机106 通讯故障风管机通讯故障 E6 风管机107 室内风机故障风管机室内风机故障 E8 风管机108 水满保护风管机水满保护 E9 风管机109 辅助电加热故障辅助电加热故障 EH 风管机风管机110 室内环境温度传感器故障风管机室内环境温度传感器故障 F0 风管机111 室内机蒸发器温度传感器故障风管机室内机蒸发器温度传感器故障 F1 风管机112 冷凝器温度传感器故障冷凝器温度传感器故障 F2 风管机风管机113 室外环境温度传感器故障风管机室外环境温度传感器故障 F3 风管机114 排气温度传感器故障风管机排气温度传感器故障 F4 风管机115 显示器环境温度传感器故障风管机显示器环境温度传感器故障 F5 风管机116 见备注风管机见备注 FF 风管机117 跳线帽故障跳线帽故障 C5 风管机风管机118 压缩机高压保护机单系统 压缩机高压保护 E1 户式(别墅)机单系统119 系统防冻保护机单系统 系统防冻保护 E2 户式(别墅)机单系统120 压缩机低压保护机单系统 压缩机低压保护 E3 户式(别墅)机单系统121 压缩机排气温度保护压缩机排气温度保护 E4 户式(别墅)机单系统机单系统122 压缩机过载保护机单系统 压缩机过载保护 E5 户式(别墅)机单系统123 水泵过载保护机单系统 水泵过载保护 E6 户式(别墅)机单系统124 水流开关保护机单系统 水流开关保护 E7 户式(别墅)机单系统125 风机过载保护风机过载保护 E8 户式(别墅)机单系统机单系统 126 系统防高温保护机单系统 系统防高温保护 E9 户式(别墅)机单系统127 防冻温度传感器故障机单系统 防冻温度传感器故障 F1 户式(别墅)机单系统128 除霜温度传感器故障机单系统 除霜温度传感器故障 F3 户式(别墅)机单系统129 排气温度传感器故障机单系统 排气温度传感器故障 F5 户式(别墅)机单系统130 室外环境温度传感器室外环境温度传感器 F7 户式(别墅)机单系统机单系统 131 进水温度传感器故障机单系统 进水温度传感器故障 F8 户式(别墅)机单系统132 出水温度传感器故障机单系统 出水温度传感器故障 F9 户式(别墅)机单系统133 通信故障机单系统 通信故障 EC 户式(别墅)机单系统134 压缩机1高压保护机双系统 高压保护 E1 户式(别墅)机双系统135 系统1防冻结保护机双系统 防冻结保护 E2 户式(别墅)机双系统136 压缩机1低压保护机双系统 低压保护 E3 户式(别墅)机双系统137 压缩机1排气温度保护排气温度保护 E4 户式(别墅)机双系统机双系统 138 压缩机1过载保护机双系统 过载保护 E5 户式(别墅)机双系统139 水泵过载保护机双系统 水泵过载保护 E6 户式(别墅)机双系统140 水流开关保护机双系统 水流开关保护 E7 户式(别墅)机双系统141 风机1过载保护过载保护 E8 户式(别墅)机双系统机双系统 142 系统1防高温保护机双系统 防高温保护 E9 户式(别墅)机双系统143 压缩机2高压保护机双系统 高压保护 b1 户式(别墅)机双系统144 系统2防冻结保护防冻结保护 b2 户式(别墅)机双系统机双系统 145 压缩机2低压保护机双系统 低压保护 b3 户式(别墅)机双系统146 压缩机2排气温度保护机双系统 排气温度保护 b4 户式(别墅)机双系统147 压缩机2过载保护过载保护 b5 户式(别墅)机双系统机双系统 148 风机2过载保护机双系统 过载保护 b8 户式(别墅)机双系统149 系统2防高温机双系统 防高温 b9 户式(别墅)机双系统150 防冻温度传感器1故障机双系统 故障 F1 户式(别墅)机双系统151 防冻温度传感器2故障机双系统 故障 F2 户式(别墅)机双系统152 除霜温度传感器1故障故障 F3 户式(别墅)机双系统机双系统 153 除霜温度传感器2故障机双系统 故障 F4 户式(别墅)机双系统154 排气温度传感器1故障机双系统 故障 F5 户式(别墅)机双系统155 排气温度传感器2故障故障 F6 户式(别墅)机双系统机双系统 156 室外环境温度传感器故障机双系统 室外环境温度传感器故障 F7 户式(别墅)机双系统157 进水温度传感器机双系统 进水温度传感器 F8 户式(别墅)机双系统158 出水温度传感器机双系统 出水温度传感器 F9 户式(别墅)机双系统159 通信故障机双系统 通信故障 EC 户式(别墅)机双系统160 压缩机1高压保护高压保护 E1 户式地暖机组户式地暖机组161 系统一防冻结保护户式地暖机组 系统一防冻结保护 E2 户式地暖机组162 压缩机1低压保护户式地暖机组 低压保护 E3 户式地暖机组163 压缩机1排气温度保护户式地暖机组 排气温度保护 E4 户式地暖机组164 压缩机1过载保护过载保护 E5 户式地暖机组户式地暖机组165 水泵过载保护户式地暖机组 水泵过载保护 E6 户式地暖机组166 水流开关故障户式地暖机组 水流开关故障 E7 户式地暖机组167 风机1过载保护户式地暖机组 过载保护 E8 户式地暖机组168 系统一防高温系统一防高温 E9 户式地暖机组户式地暖机组169 压缩机2高压保护户式地暖机组 高压保护 b1 户式地暖机组170 系统二防冻结保护户式地暖机组 系统二防冻结保护 b2 户式地暖机组171 压缩机2低压保护户式地暖机组 低压保护 b3 户式地暖机组172 压缩机2排气温度保护户式地暖机组 排气温度保护 b4 户式地暖机组173 压缩机2过载保护过载保护 b5 户式地暖机组户式地暖机组174 风机2过载保护户式地暖机组 过载保护 b8 户式地暖机组175 系统二防高温户式地暖机组 系统二防高温 b9 户式地暖机组176 防冻温度传感器1故障户式地暖机组故障 F1 户式地暖机组177 防冻温度传感器2故障户式地暖机组故障 F2 户式地暖机组178 除霜温度传感器1故障户式地暖机组故障 F3 户式地暖机组179 除霜温度传感器2故障户式地暖机组故障 F4 户式地暖机组180 排气温度传感器1故障故障 F5 户式地暖机组户式地暖机组181 排气温度传感器2故障户式地暖机组故障 F6 户式地暖机组182 室外环境温度传感器故障户式地暖机组 室外环境温度传感器故障 F7 户式地暖机组183 进水温度传感器故障户式地暖机组 进水温度传感器故障 F8 户式地暖机组184 出水温度传感器故障出水温度传感器故障 F9 户式地暖机组户式地暖机组185 通信故障户式地暖机组 通信故障 EC 户式地暖机组186 压缩机1高压保护单元机(风冷冷风型) 高压保护 E1 单元机(风冷冷风型)187 系统1防冻结保护防冻结保护 E2 单元机(风冷冷风型)单元机(风冷冷风型) 188 压缩机1低压保护单元机(风冷冷风型) 低压保护 E3 单元机(风冷冷风型)189 压缩机1排气高温保护单元机(风冷冷风型) 排气高温保护 E4 单元机(风冷冷风型)190 压缩机1过电流保护过电流保护 E5 单元机(风冷冷风型)单元机(风冷冷风型) 191 压缩机2高压保护单元机(风冷冷风型) 高压保护 b1 单元机(风冷冷风型)192 系统2防冻结保护单元机(风冷冷风型) 防冻结保护 b2 单元机(风冷冷风型)193 压缩机2低压保护单元机(风冷冷风型) 低压保护 b3 单元机(风冷冷风型)194 压缩机2排气高温保护单元机(风冷冷风型) 排气高温保护 b4 单元机(风冷冷风型)195 压缩机2过电流保护过电流保护 b5 单元机(风冷冷风型)单元机(风冷冷风型) 196 冷凝器2传感器故障单元机(风冷冷风型) 传感器故障 b6 单元机(风冷冷风型)197 蒸发器2传感器故障单元机(风冷冷风型) 传感器故障 b7 单元机(风冷冷风型)198 通信故障通信故障 EC 单元机(风冷冷风型)单元机(风冷冷风型) 199 存储芯片故障单元机(风冷冷风型) 存储芯片故障 EE 单元机(风冷冷风型)200 压缩机3高压保护单元机(风冷冷风型) 高压保护 C1 单元机(风冷冷风型)201 系统3防冻结保护单元机(风冷冷风型) 防冻结保护 C2 单元机(风冷冷风型)202 压缩机3低压保护单元机(风冷冷风型) 低压保护 C3 单元机(风冷冷风型)203 压缩机3排气高温保护排气高温保护 C4 单元机(风冷冷风型)单元机(风冷冷风型) 204 压缩机3过电流保护单元机(风冷冷风型) 过电流保护 C5 单元机(风冷冷风型)205 冷凝器3传感器故障单元机(风冷冷风型) 传感器故障 C6 单元机(风冷冷风型)206 蒸发器3传感器故障单元机(风冷冷风型) 传感器故障 C7 单元机(风冷冷风型)207 室内环境传感器故障室内环境传感器故障 F0 单元机(风冷冷风型)单元机(风冷冷风型) 208 蒸发器1传感器故障单元机(风冷冷风型) 传感器故障 F1 单元机(风冷冷风型)209 冷凝器1传感器故障单元机(风冷冷风型) 传感器故障 F2 单元机(风冷冷风型)210 室外环境传感器故障单元机(风冷冷风型) 室外环境传感器故障 F3 单元机(风冷冷风型)211 排气温度传感器1故障故障 F5 单元机(风冷冷风型)单元机(风冷冷风型) 212 排气温度传感器2故障单元机(风冷冷风型) 故障 F6 单元机(风冷冷风型)213 排气温度传感器2故障单元机(风冷冷风型) 故障 F7 单元机(风冷冷风型)214 送风机热过电流单元机(风冷冷风型) 送风机热过电流 F9 单元机(风冷冷风型)215 压缩机1高压保护单元机(水冷冷风型) 高压保护 E1 单元机(水冷冷风型)216 系统1防冻结保护防冻结保护 E2 单元机(水冷冷风型)单元机(水冷冷风型) 217 压缩机1低压保护单元机(水冷冷风型) 低压保护 E3 单元机(水冷冷风型)218 压缩机1排气高温保护单元机(水冷冷风型) 排气高温保护 E4 单元机(水冷冷风型)219 压缩机1过电流保护单元机(水冷冷风型) 过电流保护 E5 单元机(水冷冷风型)220 送风机热过电流单元机(水冷冷风型) 送风机热过电流 F9 单元机(水冷冷风型)221 压缩机2高压保护单元机(水冷冷风型) 高压保护 b1 单元机(水冷冷风型)222 系统2防冻结保护单元机(水冷冷风型) 防冻结保护 b2 单元机(水冷冷风型)223 压缩机2低压保护低压保护 b3 单元机(水冷冷风型)单元机(水冷冷风型) 224 压缩机2排气高温保护单元机(水冷冷风型) 排气高温保护 b4 单元机(水冷冷风型)225 压缩机2过电流保护单元机(水冷冷风型) 过电流保护 b5 单元机(水冷冷风型)226 水流开关故障单元机(水冷冷风型) 水流开关故障 E0 单元机(水冷冷风型)227 送风机热过电流送风机热过电流 E8 单元机(水冷冷风型)单元机(水冷冷风型) 228 回风温度传感器故障单元机(水冷冷风型) 回风温度传感器故障 F0 单元机(水冷冷风型)229 防冻传感器1故障单元机(水冷冷风型) 故障 F2 单元机(水冷冷风型)230 防冻传感器2故障故障 F3 单元机(水冷冷风型)单元机(水冷冷风型) 231 防冻传感器3故障单元机(水冷冷风型) 故障 F4 单元机(水冷冷风型)232 排气温度传感器1故障单元机(水冷冷风型) 故障 F5 单元机(水冷冷风型)233 排气温度传感器2故障故障 F6 单元机(水冷冷风型)单元机(水冷冷风型) 234 排气温度传感器3故障单元机(水冷冷风型) 故障 F7 单元机(水冷冷风型)235 压缩机2高压保护单元机(水冷冷风型) 高压保护 b1 单元机(水冷冷风型)236 系统2防冻结保护单元机(水冷冷风型) 防冻结保护 b2 单元机(水冷冷风型)237 压缩机2低压保护单元机(水冷冷风型) 低压保护 b3 单元机(水冷冷风型)238 压缩机2排气高温保护排气高温保护 b4 单元机(水冷冷风型)单元机(水冷冷风型) 239 压缩机2过电流保护单元机(水冷冷风型) 过电流保护 b5 单元机(水冷冷风型)240 压缩机3高压保护单元机(水冷冷风型) 高压保护 c1 单元机(水冷冷风型)241 系统3防冻结保护防冻结保护 c2 单元机(水冷冷风型)单元机(水冷冷风型) 242 压缩机3低压保护单元机(水冷冷风型) 低压保护 c3 单元机(水冷冷风型)243 压缩机3排气高温保护单元机(水冷冷风型) 排气高温保护 c4 单元机(水冷冷风型)244 压缩机3过电流保护单元机(水冷冷风型) 过电流保护 c5 单元机(水冷冷风型)245 压缩机1高压保护恒温恒湿机 高压保护 E1 恒温恒湿机246 压缩机1防冻结保护防冻结保护 E2 恒温恒湿机恒温恒湿机247 压缩机1低压保护恒温恒湿机 低压保护 E3 恒温恒湿机248 压缩机1过电流保护恒温恒湿机 过电流保护 E5 恒温恒湿机249 压缩机2高压保护恒温恒湿机 高压保护 b1 恒温恒湿机250 压缩机2防冻结保护防冻结保护 b2 恒温恒湿机恒温恒湿机251 压缩机2低压保护恒温恒湿机 低压保护 b3 恒温恒湿机252 压缩机2排气高温保护恒温恒湿机 排气高温保护 b4 恒温恒湿机。
格力中央空调F1是室内入管感温包故障。
联系格力售后服务报修。
最新格力中央空调故障代码大全及解释
用户在使用格力中央空调过程中格力空调显示的一些故障代码含义不懂,这些故障代码有的是假故障,用户正确操作就可以排除,有的是真故障需要联系格力空调售后服务网点上门处理。
这里列出格力中央空调故障代码大全及解读排除
2018格力中央空调故障代码大全
聚信口碑网汇总了国内所有知名大品牌家电售后服务系统和售后服务维修工,实时动态化定位管理,可以在线快速处理您的所
有保内保外报修问题。
聚信口碑网对保外维修费用采用平台托管用户试用7天确认满意平台会把维修费费用支付给维修工,中间任何问题都可以联系沟通平台先行赔付。
聚信口碑网每年投巨资对所有老用户送保外家电维修免费一次,您在聚信口碑网提交一次了保内免费维修的或保外收费维修的单子都成为老用户可以享受保外免费维修一次,聚信口碑网只赚口碑不赚钱。
欢迎大家转发关注,您的关注就是我们发展的动力,您的关注也是我们的股东投资的动力,股东投资的希望。