南辅运大巷井巷工程质量保证资料表式及评级要求1(1)
- 格式:docx
- 大小:41.56 KB
- 文档页数:30
井巷工程质量验收及评定细则前言为了确保井巷工程的设计、施工、验收及评定过程中一切合法、合规、安全、可靠并符合相关要求和标准,制定本细则。
本细则适用于爆破支护、掘进支护、隧道掘进、巷道掘进、矿井矿山井巷、地下综合运输通道等井巷工程的质量验收及评定。
质量验收细则设计文件井巷工程的设计文件必须符合国家及行业标准规定,同时具备以下基本条件:1.经过专业人员合理设计,满足技术、经济和安全要求;2.设计文件内容应齐全、合理、准确、明确,包括平面布置图、截面图、施工顺序图、工程量清单、倾斜地层分析等;3.设计文件应经过校核和审查,且符合相关法规和标准的规定。
施工过程与技术1.井巷工程的施工必须保证施工质量,同时也要严格执行设计文件、合同和标准规定;2.施工要严格把控质量,采用标准化、规范化、科学化的施工技术和方法,遵循工艺流程和标准规范;3.各类工序的施工要符合以下要求:–采用先试后放的安全原则;–员工必须持有相关施工资格证件,遵守操作规程和管理制度;–施工现场应符合安全生产和环保要求。
质量检测1.每个实测点的数据必须在上下两个测点之间进行验证;2.加强实验室检测,确保检测数据的准确性和可靠性;3.倾斜地层、爆破后的开挖面、支护设施等都必须进行检测。
质量验收井巷工程竣工时,应进行全过程验收,包括但不限于以下要素:1.测量大小尺寸、开挖方位、直深;2.验证传动、头距、掌子和支护始、终点位置,层间距离;3.检查井巷出入口、通风设备、安全装置和电气设施是否符合要求条件。
质量评定细则工程测量部分1.对于开挖方位和直深,应根据设计要求存在正确性;2.对于设施设备,要求设施是否整齐、有效;3.对于爆破后的掘进面,要求是否配备空气悬移质量标准。
支护预应力部分要求以下两个方面:1.预应力系统的系统应满足设计和施工要求。
2.采用钢制缆索的预应力锚丝,第一步必须紧固。
爆破支护部分要求以下两个方面:1.爆破后硐室的高度和表面形状:应符合《煤矿设计规范》GBJ 21 的要求。
井巷工程质量验收及评定细则1. 前言井巷工程具有开挖深度大、涉及范围广等特点,其施工质量关系到矿山的安全生产和经济效益。
为了控制井巷工程质量,规范验收标准和程序,制定本细则。
2. 质量验收2.1 施工单位应根据设计文件和规范要求,做好施工前的准备工作,确保施工基础满足设计和要求。
2.2 施工单位负责制作整个施工过程的详细、完整记录,并保存在案,以备验收时查阅。
记录应包括以下内容:•工程施工进度表•技术文件和技术资料•施工队伍的人员策划•设备及器材的选型、检验、使用、维修记录•施工现场安全和环保记录2.3 施工单位应严格按照设计文件要求,进行施工。
每个过程应坚持质量第一原则,确保工作质量。
2.4 施工完成后,施工单位应安排试验、检验和验证,确保工程质量符合设计文件和规范要求。
3. 评定标准3.1 井巷工程应按照对工程质量的具体评定标准进行评定,评定标准应符合相关的标准和法规要求。
3.2 井巷工程的评定应分为三个层次:•一级验收:为工程实物的分段验收,包括非贯通段短井或自行设计,贯通井道不小于一架的井道。
验收所需资料:贯通井道的非接触式数据、贯通井道的接触数据以及其它验收所需资料。
•二级验收:为工程的抽测验收,包括贯通未通道的井道,贯通井道数不小于两架且小于等于五架的井道;贯通井道量大于等于一架且不大于两架的井道。
验收所需资料:测量数据、照片和其它资料。
•三级验收:为井巷工程的全面验收,包括贯通全部井道,且更换或维修贯通井道占全部贯通井道总数的十分之一以上的井巷工程。
验收所需资料:全部验收所需资料。
3.3 评定流程:•一级验收:施工单位提交验收资料、现场验收、验收完成、出具验收意见;•二级验收:提交验收申请、组织验收团队、现场验收、验收意见、出具评定结果通知书;•三级验收:提交验收申请、组织验收专家组,进行现场检查、验收意见、出具评定结果通知书。
3.4 评定结果:•合格:符合设计、规范、验收标准要求;•报验后合格:经抽查检验,符合验收标准要求;•一般合格:有少量不符合设计要求的缺陷且不影响使用;•不合格:严重不符合设计要求的缺陷或者明显存在安全隐患。
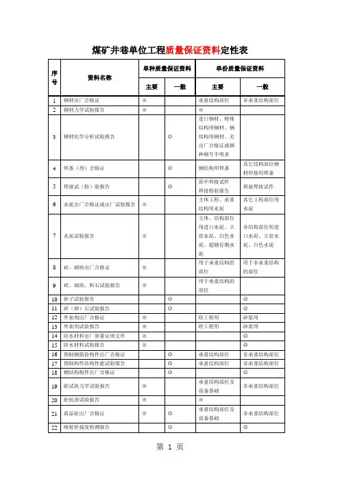
煤矿井巷单位工程质量保证资料定性表煤矿井巷单位工程质量保证资料定性表注:◎代表一般单种质量保证资料※代表主要单种质量保证资料煤矿井巷单位工程质量保证资料检查评级表质量保证资料(煤炭建设工程质量技术资料管理规定与评级办法)国家煤炭工业局99.2.10 工程名称施工单位目录钢材出厂合格证及试验报告工程名称施工单位目录单位工程名称:钢材力学试验报告试验编号:单位工程名称:工程部位:规格品种产地:批量:出厂合格证编号:委托试验项目:委托单位:委托人:委托日期:年月日试验日期:年月日负责人:审核:计算:试验:报告日期:年月日钢材化学分析试验报告试验编号:单位工程名称:工程部位:规格品种产地批量:出厂合格证编号:委托试验项目:委托单位:委托人:委托日期:年月日试验日期:年月日负责人:审核:计算:试验:报告日期:年月日质保矿№.2焊接试(检)验报告、焊条(剂)合格证工程名称施工单位目录单位工程名称:焊接试(检)验报告试验编号:单位工程名称:工程部位:钢材规格品种产地:钢材出厂合格证编号:钢材力学化学试验报告编号:焊条规格型号合格证编号:焊接方式:焊机型号:焊工姓名上岗证号:试件种类:试验要求:代表批量:委托单位:委托人:委托日期:年月日试验日期:年月日负责人:审核:计算:试验:报告日期:年月日质保矿№.3 水泥出厂合格证及试验报告工程名称施工单位目录单位工程名称:水泥试验报告试验编号:委托单位:单位工程名称:厂别、品种、标号:出厂日期:出厂合格证编号:代表批量:使用工程部位:委托试验项目:取样地点:委托日期:年月日试验日期:年月日委托人:负责人: 审核:计算: 试验:报告日期: 年 月 日质保矿№.4其它材料出厂合格证或试验报告工程名称 施工单位资 料 目 录单位工程名称:砖、砌块出厂合格证评级要求:1.内容齐全:砖、砌块出厂合格证内容包括种类、规格、型号、生产厂家、实测技术性能指标、试验日期、出厂日期、出厂质量检验部门印章。
表5-3-6斜井、平硐基岩掘进分项工程质量检验评定表工程名称:部位:工程量:m保证项目检验项目质量情况评定情况1、基岩爆破法掘进必须采用光面爆破,爆破图表齐全爆破参数选择合理。
光面爆破的施工应符合作业规程的规定2、基岩掘进的临时支护必须符合作业规程的规定基本项目检验项目(设计值)标准规定测点部位检查点检查(抽查)记录等级优良合格优良 1 2 3 4 5 6 7 8 9 101.宽度( )-50+2000~+200左上中下右上中下2.高度()-50+2000~+200顶左中右底中3.坡度±1‰±0.5‰评定等级施工单位检验结论施工负责人(区、队长):检验人员:年月日监理意见监理单位检验结论监理工程师:年月日表6-2-3 有中腰线巷道模板分项工程质量检验评定工程名称:部位: 工程量:m保证项目检验项目质量情况评定情况1.模板、碹胎的材质、结构、规格强度必须符合设计、规程规定2.模板组装、碹胎架设必须牢固可靠,其支柱设在硬底或垫板上基本项目检验项目(设计值)质量标准测点部位检查点检查(抽检)记录等级优良率合格优良 1 2 3 4 5 6 7 8 9 101.宽度()主要巷道左上+10~+40+10~+30中下一般巷道右上-20~+500~+30中下2.高度()主要巷道顶上+10~+50+10~+30 中一般巷道下-20~+40 0~+30 底左右3.模板到岩面的距离()≥-30≥-15最小值允许偏差项目检验项目()允许偏差测点部位检查点检查(抽检)记录合格率等级1 2 3 4 5 6 7 8 9 101.模板接缝宽度现浇≤3砌块≤6最大值2.基础深度()-30~+100左右3.轴线偏移≤5前后4.两模间高低差≤5最大值5接茬平整度≤15最小值评定等级施工单位检验结论:施工负责人(区、队长):检验人员:年月日监理意见监理单位检验结论:监理工程师:年月日表5-3-13水沟(水槽)掘进分项工程质量检验评定表工程名称:部位:工程量: m保证项目检验项目质量情况评定情况1、光爆图表齐全,参数选择合理。
井巷工程质量验收及评定细则背景井巷工程是指在地下或水下凿石或挖掘沙土开凿或修建通行的主要结构或穴道,广泛应用于地下城市建设、矿山开采、水利工程等领域。
由于井巷工程建设复杂,在特殊环境下进行,需要考虑地质、水文、工程力学等多方面因素,因此其质量验收评定工作显得尤为重要。
本文将介绍井巷工程质量验收及评定细则,旨在规范井巷工程验收评定工作,提高井巷工程质量水平。
一、井巷工程主要质量验收内容1.工程设计审核对于井巷工程,工程设计是质量验收的第一关。
必须对工程设计图纸进行审核,确保其满足技术规范和安全标准。
具体工作包括:•审查工程规划、选址、方向、布局,并提出合理化修改建议;•审查工程设计图纸,确保其符合相关标准、规范,并符合批复文件的要求;•审查工程结构、材料、设备、技术参数等方面设计,确保其达到批准的标准和要求。
2.材料质量验收井巷工程涉及的材料种类复杂,数量庞大,必须对采购的材料进行质量把关,确保满足施工所需。
具体工作包括:•检查采购的材料是否符合标准、规范要求;•从供应商处取样送样实验室进行质量检测;•实验室检测合格的材料可供使用,未通过的材料必须严格按照标准要求处理。
3.工程验收工程验收是所有验收的核心环节,必须通过严格的检查、测试,从而确保井巷工程符合质量、安全和技术要求。
具体工作包括:•检查井巷工程尺寸、布置、结构、工艺、材料等是否符合设计图纸及相关标准、规范要求;•检查井巷工程整体质量情况,如对位、垂直度、水平度、平整度等指标;•对井巷工程进行检测、试验,如振动测试、耐磨试验、压力测试等,确保其符合相关标准、规范要求。
4.质量证书和档案查验质量证书和档案查验是质量验收的最后一环,需要对井巷工程的所有相关资料进行核查,确保其真实、准确并完整保存。
具体工作包括:•对井巷工程质量证书进行审核,确保证书的真实性、准确性;•审核工程完工资料、记录、图表及工程验收报告、质量保证书等文物档案;•在建设文件全部齐全,并经过审查后可给予验收合格。
煤矿井巷工程质量检验评定标准一、煤矿井巷工程质量检验评定均分为“合格”和“优良”两个等级。
检验项目(质量标准化等级评定标准)中包括:基本项目、允许偏差项目及保证项目(保证项目是保证工程质量、安全和使用功能的前提条件,不分合格和优良等级,必须达到规定要求)三部分。
(一)分项工程质量等级应符合以下规定:1、合格(1)、保证项目必须符合相应质量检验评定标准的规定。
(2)、基本项目中每个检验项目的检查点均应符合合格规定;检查点中有75%及其以上的测点符合相应质量检验评定标准的合格规定,其余测点须不影响安全使用,这个检查点为合格。
(3)、允许偏差项目中每个检验项目的测点总数有70%及其以上实测值在相应质量检验评定标准的允许偏差范围内,其余的须不影响安全使用。
2、优良(1)、保证项目必须符合相应质量检验评定标准的规定。
(2)、基本项目中每个检验项目的检查点均应符合合格规定;检查点中有50%及其以上的测点符合相应质量检验评定标准的优良规定,这个检查点为优良。
50%及其以上检查点优良,该检验项目即为优良。
优良项目数应占检验项目总数的50%及其以上。
(3)、允许偏差项目中每个检验项目的测点总数均有90%及其以上实测值在相应质量检验评定标准的允许偏差范围内,其余的须不影响安全使用。
(二)分部工程的质量等级应符合以下规定:1、合格所含分项工程的质量应全部合格。
2、优良所含分项工程的质量应全部合格,其中分项工程的50%及其以上达到优良,指定的分项工程必须优良。
(三)单位工程质量等级应符合以下规定:1、合格(1)所含分部工程的质量应全部合格。
(2)质量保证资料基本齐全。
(3)指定的单位工程要有观感质量评定,其得分率达到70%及其以上为合格。
(注:指定的单位工程指立井井筒、斜井井筒、平硐、井底车场巷道、主要运输巷道、井下主要变电所硐室、主排水泵房硐室及井下铺轨工程)2、优良(1)所含分部工程质量应全部合格,其中分部工程有50%及其以上达到优良,指定的分部工程必须优良。
3煤矿井巷单位工程质量保证资料胶带运输大巷
工程名称李家楼煤矿技改工程管子道施工单位中煤第六十三工程处
目录
单位工程名称:李家楼煤矿技改工程管子道
质保矿NO.18主要巷道、硐室地质剖面图、素描图质保矿NO.15施工记录,质量自检、中间验收质检记录质保矿NO.9隐蔽工程检查验收记录质保矿NO.19
设计、施工图,设计变更文件或记录
工程名称李家楼煤矿技改工程管子道设计单位煤炭工业太原设计研究
院施工单位中煤第六十三工程处
单位工程名称:李家楼煤矿技改工程管子道
质保矿NO.19-1
施工
图
工程名称李家楼煤矿技改工程管子道设计单位煤炭工业太原设计研究
院施工单位中煤第六十三工程处
质保矿NO.12
混凝土配合比设计、试配试验报告
工程名称李家楼煤矿技改工程管子道施工单位中煤第六十三工程处
单位工程名称:李家楼煤矿技改工程管子道
质保矿NO.13
锚杆、锚固剂出厂合格证、抗拔力检测记录
工程名称李家楼煤矿技改工程管子道施工单位中煤第六十三工程处目录
单位工程名称:李家楼煤矿技改工程管子道
质保矿NO.19-3
竣工
图
工程名称李家楼煤矿技改工程管子道施工单位中煤第六十三工程处竣工图目录
单位工程名称:李家楼煤矿技改工程管子道
施工记录、质量自检、中间验收
质检记录
工程名称李家楼煤矿技改工程管子道施工单位中煤第六十三工程处施工及质量自检记录目录
单位工程名称:李家楼煤矿技改工程管子道序号1234567891011121314151617181920212223242526272829分部工程名称2004年3月分项工程个数3分项工程名称基岩掘进锚杆支护喷射混凝土支护份数111备注。
……………………………………………………………最新资料推荐………………………………………………… 最新精品资料整理推荐,更新于二〇二一年一月二十七日2021年1月27日星期三20:47:59 质量管理资料 (一)
工程名称: 6号煤北回风大巷 施工单位: xxxxxx建筑工程有限公司
……………………………………………………………最新资料推荐…………………………………………………
最新精品资料整理推荐,更新于二〇二一年一月二十七日2021年1月27日星期三20:47:59 目 录
序号 资料编号 资料名称 份数/页数 备注
1 质管矿No. 开工准备阶段技术文件 1 2 3 4 5 6 7 8 9 10 11 12 13 14 ……………………………………………………………最新资料推荐…………………………………………………
最新精品资料整理推荐,更新于二〇二一年一月二十七日2021年1月27日星期三20:47:59 质管矿No.
一、开工准备阶段技术文件
工程名称: 6号煤北回风大巷 施工单位: xxxxxx建筑工程有限公司
……………………………………………………………最新资料推荐…………………………………………………
最新精品资料整理推荐,更新于二〇二一年一月二十七日2021年1月27日星期三20:47:59 目 录
序号 资料编号 资料名称 页数 备注 1 质管矿No.-1 开 工 报 告 1 2 质管矿No.-2 设计交底、图纸会审记录 1 3 质管矿No.-3 技术(安全)交底记录 9 4 5 6 7 8 9 10 11 12 13 14 ……………………………………………………………最新资料推荐…………………………………………………
最新精品资料整理推荐,更新于二〇二一年一月二十七日2021年1月27日星期三20:47:59 质管矿No.-1 开 工 报 告
单项工程名称 xxxx煤业有限公司兼并重组整合项目 工 程 地 点 xxx煤业 单位工程名称 6号煤北回风大巷 单位工程编号 计划开工日期 2010年12月10日 实际开工日期 2010年12月15日
施工单位名称 xxxxxx建筑工程有限公司 工程造价 设计 施工
工程 简要 内容 及工 程量
工程概况: 6号煤北回风大巷全长2012米,沿6号煤顶板掘进,半煤岩巷,采用EBZ150A型悬臂式掘进机掘进,掘宽4.44米、掘高3.62米,掘进断面16.23平方米,净宽4.2米、净高3.5米、净断面14.7平方米,总掘进体积32429.53立方米,巷道左帮设有排水沟,净断面为200mm×200mm、混凝土浇筑壁厚50mm。锚网索喷支护,锚杆为Φ18×2200mm的圆钢锚杆,间排距为800×800mm,锚索为Φ15.24×6500mm的钢绞线、间排距为2米×2米,网片为Φ6的钢筋点焊制作,规格为1米×2米,网格为150mm×150mm,混凝土喷厚150mm,混凝土强度C20。 作业规程及施工组织设计已经全部编写完成并且通过会审。 施工期间严格按照作业规程规定,做好安全防护工作。
施工单位: (公章) 年 月 日 监理单位: (公章) 年 月 日 建设单位: (公章) 年 月 日 质量监督部门: (公章) 年 月 日 ……………………………………………………………最新资料推荐………………………………………………… 最新精品资料整理推荐,更新于二〇二一年一月二十七日2021年1月27日星期三20:47:59 质管矿No.-2 设计交底、图纸会审记录
单位工程名称 6号煤北回风大巷 主持单位负责人
参加单位及人员 建设单位: 设计单位: 监理单位: 施工单位:
图纸名称或图号 主要问题及解决意见
6号煤回风大巷 S1104-118-1
主要问题: 1、水沟的尺寸是多少,使用的混凝土强度如何确定? 2、锚索如何布置、网片如何确定? 解决意见: 1、水沟为200mm×200mm、C20混凝土浇筑水沟。 2、锚索的间排距为2米×2米,网片为Φ6的钢筋点焊制作,规格为1米×2米,网格为150mm×150mm。
参加单位(签章) 设计单位: (签章) 年 月 日 建设单位: (签章) 年 月 日 监理单位: (签章) 年 月 日 施工单位 (签章)
年 月 日
……………………………………………………………最新资料推荐………………………………………………… 最新精品资料整理推荐,更新于二〇二一年一月二十七日2021年1月27日星期三20:47:59 质管矿No.-3 技术(安全)交底记录 单位工程名称 6号煤北回风大巷 分部工程名称 主体 分项工程名称 掘 进 6号煤北回风大巷全长2012米,沿6号煤顶板掘进,半煤岩巷,采用EBZ150A型悬臂式掘进机掘进,掘宽4.44米、掘高3.62米,掘进断面16.23平方米,净宽4.2米、净高3.5米、净断面14.7平方米,总掘进体积32429.53立方米。基岩掘进的临时支护必须符合作业规程规定。 基本项目:巷道掘宽4.39米~4.64米为合格,4.44米~4.64米为优良。掘进高度3.57米~3.82米为合格,3.62米~3.82米为优良。坡度±1‰为合格,±0.5‰为优良。
交底人: 年 月 日 接受人: 年 月 日
……………………………………………………………最新资料推荐………………………………………………… 最新精品资料整理推荐,更新于二〇二一年一月二十七日2021年1月27日星期三20:47:59 质管矿No.-3 技术(安全)交底记录 单位工程名称 6号煤北回风大巷 分部工程名称 主 体 分项工程名称 锚杆 锚杆为Φ18×2200mm,间排矩为800mm×800mm。锚杆的基本项目:安装质量基本密贴壁面为合格,密贴壁面楔紧为优良。锚杆抗拔力不小于54KN。允许偏差项目:间排距为700mm~900mm,孔深为2150mm~2200mm,角度为75°~90°。外露长度为≤50mm。
交底人: 年 月 日 接受人: 年 月 日
……………………………………………………………最新资料推荐………………………………………………… 最新精品资料整理推荐,更新于二〇二一年一月二十七日2021年1月27日星期三20:47:59 质管矿No.-3 技术(安全)交底记录 单位工程名称 6号煤北回风大巷 分部工程名称 主 体 分项工程名称 锚索 锚索为Ф15.24×6500mm的钢绞线,间排距为2米×2米,安装深度不小于6300mm,抗拔力不小于60KN。 锚索基本项目:钻孔方向87°~90°为合格,88°~90°为优良,安装深度,6175mm~6500mm为合格,≥6500mm为优良。预应力108KN~120KN为合格,≥120KN为优良。允许偏差项目:孔距为1900mm~2100mm,孔深6200mm~6500mm,外露长度≤100m。
交底人: 年 月 日 接受人: 年 月 日 ……………………………………………………………最新资料推荐…………………………………………………
最新精品资料整理推荐,更新于二〇二一年一月二十七日2021年1月27日星期三20:47:59 质管矿No.-3 技术(安全)交底记录 单位工程名称 6号煤北回风大巷 分部工程名称 主 体 分项工程名称 混凝土喷射 支护
6号煤北回风大巷净宽4.2米、净高3.5米、净断面14.7平方米,
混凝土喷射厚度120mm,混凝土强度C20,混凝土配合比为:水0.47:水泥1:砂子1.342:石子3.129 砂率30% 水灰比:0.47,速凝剂搀和比为4%。 水泥、水、骨料、外加剂质量必须符合设计要求,配合比、外加剂掺量必须符合设计要求,任一组试块强度代表值不低于设计值,每一组任一块不低于设计值的85%。 基本项目:净宽,4.2米~4.35米为合格,净宽4.2~4.3米为优良,净高3.5米~3.65米为合格,3.5米~3.6米为优良。喷后≧108mm. 允许偏差项目:表面平整度≦50mm,基础深度为左≧360mm\右≧180mm,网至岩面的距离≧30mm,保护层的厚度-20~+40。
交底人: 年 月 日 接受人: 年 月 日
……………………………………………………………最新资料推荐………………………………………………… 最新精品资料整理推荐,更新于二〇二一年一月二十七日2021年1月27日星期三20:47:59 质管矿No.-3 技术(安全)交底记录 单位工程名称 6号煤北回风大巷 分部工程名称 水 沟 分项工程名称 混凝土浇筑
6号煤北回风大巷水沟长2012米,设置在北回风大巷左侧,中心
位置为1850mm,上平面标高为1000mm,水沟规格为200mm×200mm。 混凝土浇筑壁厚50mm,混凝土强度C20,混凝土配合比为:水0.47:水泥1:砂子1.342:石子3.129 砂率30% 水灰比:0.47。 保证项目:水泥、骨料、水、外加剂的质量必须符合设计、规程规定,配比、原材料计量、搅拌、混凝土养护必须符合设计、规程规定,混凝土强度必须符合设计要求。 允许偏差项目:中心位置1800mm~1900mm,截面尺寸为宽、深为170mm~230mm,上平面标高为800mm~1020mm,壁厚为≧40mm。
交底人: 年 月 日 接受人: 年 月 日