30箱梁模板计算书模板
- 格式:doc
- 大小:207.00 KB
- 文档页数:11
箱梁模板(盘扣式)计算书计算依据:1、《建筑施工模板安全技术规范》JGJ162-20082、《混凝土结构设计规范》GB50010-20103、《建筑结构荷载规范》GB 50009-20124、《钢结构设计标准》GB 50017-20175、《建筑施工承插型盘扣式钢管支架安全技术规程》JGJ231-2010一、工程属性箱梁类型四室梁A(mm) 4500 B(mm) 950 C(mm) 1750 D(mm) 1250 E(mm) 250 F(mm) 350 G(mm) 1850 H(mm) 150 I(mm) 1450 J(mm) 700 K(mm) 300 L(mm) 1100 M(mm) 500 N(mm) 2000 O(mm) 250箱梁断面图二、构造参数底板下支撑小梁布置方式垂直于箱梁断面横梁和腹板底的小梁间距l2(mm) 150 箱室底的小梁间距l3(mm) 250 翼缘板底的小梁间距l4(mm) 250 标高调节层小梁是否设置否可调顶托内主梁根数n 2主梁受力不均匀系数ζ0.5 立杆纵向间距l a(mm) 600横梁和腹板下立杆横向间距l b(mm) 600 箱室下的立杆横向间距l c(mm) 900 翼缘板下的立杆横向间距l d(mm) 900 模板支架搭设的高度H(m) 13.5 立杆计算步距h(mm) 1500 立杆伸出顶层水平杆长度a(mm) 350 立杆顶部步距h'(mm) 1000支架立杆步数9次序横杆依次间距hi(mm)1 3502 15003 15004 15005 15006 15007 15008 15009 1000箱梁模板支架剖面图三、荷载参数截面惯性矩I=bt3/12=1000×153/12=281250mm4截面抵抗矩W=bt2/6=1000×152/6=37500mm31、横梁和腹板底的面板承载能力极限状态的荷载设计值:q=[1.2(G1k h0+G2k+G4k)+1.4Q1k]×b=[1.2×(25.5×1.7+0.75+0.4)+1.4×4]× 1=59kN/m h0--验算位置处混凝土高度(m)正常使用极限状态的荷载设计值:qˊ=b(G1k h0+G2k+G4k+Q1k)=1×(25.5×1.7+0.75+0.4+4)=48.5kN/m计算简图如下:l=150mm1)、抗弯强度验算M=0.125ql2 =0.125×59×0.152=0.166kN·mσ=M/W=0.166×106/37500=4.427N/mm2≤f=15N/mm2满足要求!2)、抗剪强度验算V=0.5ql =0.5×59×0.15=4.425kNτ=3V/(2bt)=3×4.425×103/(2×1000×15)=0.443N/mm2≤f v=1.6 N/mm2满足要求!3)、挠度变形验算ω=5qˊl4/(384EI) =5×48.5×1504/(384×6000×281250)=0.189mm≤[ω]=min(l/150,10)=min(150/150,10)=1mm满足要求!2、箱室底的面板同上计算过程,h0=0.6m ,l=l3=250mm项次抗弯强度验算抗剪强度验算挠度变形验算验算值σ=5.28N/mm2 τ=0.317N/mm2 ω=0.616mm允许值f=15N/mm2 f v=1.6N/mm2 [ω]=min(l/150,10)=min(250/150,10)=1.667mm结论符合要求符合要求符合要求同上,h0(平均厚度)=0.475m ,l=l4=250mm项次抗弯强度验算抗剪强度验算挠度变形验算验算值σ=4.48N/mm2 τ=0.269N/mm2 ω=0.52mm允许值f=15N/mm2 f v=1.6N/mm2 [ω]=min(l/150,10)=min(250/150,10)=1.667mm结论符合要求符合要求符合要求五、小梁计算小梁材质及类型槽钢计算截面类型10号槽钢截面惯性矩I(cm4) 198.3 截面抵抗矩W(cm3) 39.7抗弯强度设计值f(N/mm2) 205 弹性模量E(N/mm2) 206000抗剪强度设计值fv(N/mm2) 120 计算方式三等跨梁1、横梁和腹板底的小梁承载能力极限状态的荷载设计值:q=[1.2b(G1k h0+G2k+G4k)+1.4bQ1k]=[1.2×0.15×(25.5×1.7+0.75+0.4)+1.4×0.15×4]=8.85k N/mh0--验算位置处混凝土高度(m)因此,q静=[1.2b(G1k h0+G2k+G4k)]=[1.2×0.15×(25.5×1.7+0.75+0.4)]=8.01kN/mq活=1.4×bQ1k=1.4×0.15×4=0.84kN/m正常使用极限状态的荷载设计值:qˊ=b(G1k h0+G2k+G4k+Q1k)=0.15×(25.5×1.7+0.75+0.4+4)=7.275kN/m计算简图如下:l=l a=600mm1)抗弯强度验算M =0.1q静l2+0.117q活l2=0.1×8.01×0.62+0.117×0.84×0.62=0.324kN·mσ=M/W=0.324×106/(39.7×103)=8.161N/mm2≤f=205N/mm2满足要求!2)挠度变形验算ω=0.677qˊl4/(100EI)=0.677×7.275×6004/(100×206000×1983000)=0.016mm≤[ω]=min(l/150,10)=min(600/150,10)=4mm满足要求!3)最大支座反力计算小梁传递最大支座反力:承载能力极限状态R max1=1.1q静l+1.2q活l=1.1×8.01×0.6+1.2×0.84×0.6=5.891kN 正常使用极限状态Rˊmax1=1.1qˊl=1.1×7.275×0.6=4.801kN2、箱室底的小梁同上计算过程,h0=0.6m ,b=l3=250mm3同上,h0(平均厚度)=0.475m ,b=l4=250mm六、主梁计算承载能力极限状态:p=ζ R max1=0.5×5.891=2.946kN正常使用极限状态:pˊ=ζRˊmax1=0.5×4.801=2.401kN横梁底立杆的跨数为2、1、2跨,腹板底立杆的跨数有3跨,按三等跨计算小梁计算简图如下,l=l b=600mm1)抗弯强度验算M=0.663kN·mσ=M/W=0.663×106/(39.7×103)=16.7N/mm2≤f=205N/mm2满足要求!2)挠度变形验算ω=0.034mm≤[ω]=min(l/150,10)=min(600/150,10)=4mm满足要求!3)最大支座反力计算横梁和腹板底主梁传递给可调顶托的最大支座反力:R max4=12.889kN /ζ=12.889/0.5=25.778kN2、箱室底主梁同上计算过程,p=ζR max2=0.5×4.265=2.132kN,p=ζRˊmax2=0.5×3.374=1.687kN,l c=900mm,按二等跨计算。
箱梁模板(HR重型门架)计算书计算依据:1、《建筑施工模板安全技术规范》JGJ162-20082、《建筑施工门式钢管脚手架安全技术规范》JGJ128-20103、《混凝土结构设计规范》GB50010-20104、《建筑结构荷载规范》GB 50009-20015、《钢结构设计规范》GB 50017-2003一、工程属性箱梁类型四室梁A(mm)8550 B(mm)1C(mm)2500 D(mm)900E(mm)300 F(mm)200G(mm)2500 H(mm)1I(mm)3625 J(mm)450K(mm)250 L(mm)900M(mm)450 N(mm)3800O(mm)225箱梁断面图二、构造参数门架搭配形式门架+调整架+调节杆底板下支撑小梁布置方式垂直于箱梁断面横梁和腹板底的小梁间距l2(mm)200箱室底的小梁间距l3(mm)400翼缘板底的小梁间距l4(mm)400标高调节层小梁是否设置否可调顶托内主梁根数n2主梁受力不均匀系数ζ0.5门架间距l a(mm)900横梁和腹板下的门架跨距l b(mm)600箱室下的门架跨距l c(mm)900翼缘板下的门架跨距l d(mm)1200模板支架搭设的高度H(m)3门架立杆伸出顶层水平杆长度a(mm)50支架立杆步数4次序横杆依次间距hi(mm) 1350212003040箱梁模板支架剖面图顺桥向剖面图三、荷载参数新浇筑混凝土、钢筋自重标准值G1k(kN/m3)25.5模板及支撑梁(楞)等自重标准值G2k(kN/m2)0.75支架杆系自重标准值G3k(kN/m)0.15其它可能产生的荷载标准值G4k(kN/m2)0.4施工人员及设备荷载标准值Q1k(kN/m2)计算模板和其支撑小梁时 2.51计算主梁时 1.51计算支架立杆时 1.1振捣混凝土时对水平模板产生的荷载标准值Q2k(kN/m2)2.1四、面板计算面板类型覆面竹胶合板厚度t(mm)15抗弯强度设计值f(N/mm2)15弹性模量E(N/mm2)6000抗剪强度设计值fv(N/mm2) 1.6计算方式二等跨梁取单位宽度面板进行计算,即将面板看作一"扁梁",梁宽b=1000mm,则其:截面惯性矩I=bt3/12=1000×153/12=281250mm4截面抵抗矩W=bt2/6=1000×152/6=37500mm31、横梁和腹板底的面板承载能力极限状态的荷载设计值:活载控制效应组合:q1=1.2b(G1k h0+G2k+G4k)+1.4b(Q1k +Q2k)=1.2×1(25.5×1.399+0.75+0.4)+1.4×1(2.51+2.1)=50.643kN/mh0--验算位置处混凝土高度(m)恒载控制效应组合:q2=1.35b(G1k h0+G2k+G4k)+1.4×0.7b(Q1k+Q2k)=1.35×1(25.5×1.399+0.75+0.4)+1.4×0.7×1(2.51+2.1)=54.231kN/m 取两者较大值q=max[q1,q2]=max[50.643,54.231]=54.231 kN/m正常使用极限状态的荷载设计值:qˊ=b(G1k h0+G2k+G4k)=1(25.5×1.399+0.75+0.4)=36.824kN/m计算简图如下:l=l2=200mm1)、抗弯强度验算M=0.125ql2 =0.125×54.231×0.22=0.271kN·mσ=M/W=0.271×106/37500=7.227N/mm2≤f=15N/mm2满足要求!2)、抗剪强度验算V=0.625ql =0.625×54.231×0.2=6.779kNτ=3V/(2bt)=3×6.779×103/(2×1000×15)=0.678N/mm2≤f v=1.6 N/mm2满足要求!3)、挠度变形验算ω=0.521qˊl4/(100EI)=0.521×36.824×2004/(100×6000×281250)=0.182mm≤[ω]=l/150=200/150=1.333mm 满足要求!2、箱室底的面板同上计算过程,h0=0.499m ,l=l3=400mm项次抗弯强度验算抗剪强度验算挠度变形验算验算值σ=12.4N/mm2τ=0.581N/mm2ω=1.097mm允许值f=15N/mm2f v=1.6N/mm2[ω]=l/150=400/150=2.667mm 结论符合要求符合要求符合要求3、翼缘板底的面板同上,h0(平均厚度)=0.35m ,l=l4=400mm项次抗弯强度验算抗剪强度验算挠度变形验算验算值σ=9.893N/mm2τ=0.464N/mm2ω=0.796mm允许值f=15N/mm2f v=1.6N/mm2[ω]=l/150=400/150=2.667mm 结论符合要求符合要求符合要求五、小梁计算小梁材质及类型方木截面类型100mm×100mm 截面惯性矩I(cm4)833.33截面抵抗矩W(cm3)166.67抗弯强度设计值f(N/mm2)15.44弹性模量E(N/mm2)9350抗剪强度设计值fv(N/mm2) 1.78计算方式三跨梁1、横梁和腹板底的小梁承载能力极限状态的荷载设计值:活载控制效应组合:q1=1.2b(G1k h0+G2k+G4k)+1.4b(Q1k +Q2k)=1.2×0.2(25.5×1.399+0.75+0.4)+1.4×0.2(2.51+2.1)=10.129kN/mh0--验算位置处混凝土高度(m)恒载控制效应组合:q2=1.35b(G1k h0+G2k+G4k)+1.4×0.7b(Q1k+Q2k)=1.35×0.2(25.5×1.399+0.75+0.4)+1.4×0.7×0.2(2.51+2.1)=10.846kN/m 取两者较大值q=max[q1,q2]=max[10.129,10.846]=10.846 kN/m正常使用极限状态的荷载设计值:qˊ=b(G1k h0+G2k+G4k)=0.2×(25.5×1.399+0.75+0.4)=7.365kN/m计算简图如下:1)、抗弯强度验算弯矩图:M=0.998kN·mσ=M/W=0.998×106/(166.67×103)=5.988N/mm2≤f=15.44N/mm2满足要求!2)、抗剪强度验算剪力图:V=6.423kNτ=3V/(2bt)=3×6.423×103/(2×100×100)=0.963N/mm2≤f v=1.78 N/mm2满足要求!3)、挠度变形验算变形图:ω=1.025mm≤[ω]=l/150=1000/150=6.667mm满足要求!4)、最大支座反力计算横梁和腹板底的小梁传递给主梁的最大支座反力(Q1k取1.51kN/mm2)承载能力极限状态R max1=11.097kN正常使用极限状态Rˊmax1=7.669kN2、箱室底的小梁同上计算过程,h0=0.499m ,b=l3=400mm项次抗弯强度验算抗剪强度验算挠度变形验算最大支座反力计算验算值σ=5.13N/mm2τ=0.826N/mm2ω=0.879mm R max2=9.284kN,Rˊmax2=5.783kN允许值f=15.44N/mm2f v=1.78N/mm2[ω]=l/150=1000/150=6.667mm/结论符合要求符合要求符合要求/3、翼缘板底的小梁同上,h0(平均厚度)=0.35m ,b=l4=400mm项次抗弯强度验算抗剪强度验算挠度变形验算最大支座反力计算验算值σ=4.092N/mm2τ=0.659N/mm2ω=0.701mm R max3=7.148kN,Rˊmax3=4.199kN允许值f=15.44N/mm2f v=1.78N/mm2[ω]=l/150=1000/150=6.667mm/结论符合要求符合要求符合要求/六、主梁计算主梁材质及类型槽钢截面类型8号槽钢截面惯性矩I(cm4)101.3截面抵抗矩W(cm3)25.3抗弯强度设计值f(N/mm2)205弹性模量E(N/mm2)206000计算方式四跨梁1、横梁和腹板底主梁承载能力极限状态:p=ζ R max1=0.5×11.097=5.548kN正常使用极限状态:pˊ=ζR max1ˊ=0.5×7.669=3.834kN横梁底立杆的跨数为1、1、1跨,腹板底立杆的跨数有1跨,按简支梁梁计算主梁计算简图如下,l=l b=600mm1)、抗弯强度验算M=1.11kN·mσ=M/W=1.11×106/(25.3×103)=43.874N/mm2≤f=205N/mm2满足要求!2)、挠度变形验算ω=0.141≤[ω]=l/150=600/150=4mm满足要求!3)、最大支座反力计算横梁和腹板底主梁传递给可调顶托的最大支座反力(Q1k取1.1kN/mm2)R max4=11.02kN /ζ=11.02/0.5=22.04kN2、箱室底主梁同上计算过程,p=ζR max2=0.5×9.284=4.642kN,p=ζR max2ˊ=0.5×5.783=2.892kN,l c=900mm,按四跨梁计算。
1.模板验算:1.1箱梁底模:采用20mm厚光面竹胶模板,自重按4KN/m3计,弹性模量E=6.0×103Mpa,〔f w〕=15Mpa,新浇钢筋砼重力按26KN/m3计,由梁体设计结构图纸知梁底板宽b=11.75m.1.1.2 荷载组合:①砼重力:根据梁的跨中横断面计算得底板、腹板截面积为:8.475m2,按均布荷载计,顺桥向自重为:q1=8.475×26=220.4KN/m②底板自重: q2=0.02×11.75×4=0.94KN/m③砼振捣荷载:按2Kpa计,则有q3=2×11.75=23.5KN/m④倾倒砼产生的荷载: q4=2×11.75=23.5KN/m⑤施工荷载: 按2.5 Kpa计,则有q5=2.5×11.75=43.8KN/m总竖向荷载:q=0.94+220.4+23.5+23.5+43.8=312.1 KN/m1.1.3 强度检算:由支架布置图知:底板横梁沿梁长排距为0.3m,M max=1/10×q×L2=1/10×312.1×0.32=2.8 KN.mW=1/6×bh2=1/6×11.75×0.022=0.786×10-3m3弯曲应力σ= M max/ W=3.6 Mpa<〔f w〕=15Mpa1.1.4 刚度检算:I=bh3/12=11.75×0.023/12ω=q L4/100EI=312.1×0.34/150×6.0×106×7.83×10-6=0. 5mm <〔L/400〕=0.75mm1.2 箱梁侧模:侧模面板亦采用20mm厚光面竹胶模板,有关参数同上。
由支架模板构造图知侧模竖肋沿梁长间距0.6m,在两竖肋间的侧模高度内布置水平横肋,以增强面板刚度。
横肋及竖肋均采用断面尺寸为80mm×80mm方木,弹性模量E=10×103Mpa,〔σw〕=14.5Mpa, 〔σc〕=12Mpa。
箱梁支架计算书一、荷载计算1、箱梁自重:G=V*R=1170.5*26=30433KNV:箱梁砼体积,计算得知V=1170.5m3。
R:新浇砼容重,取常数,r=26KN/m3则箱梁荷载:F1=G*r/S= G*r/(A*B)r:安全系数,取安全系数1.2;S:支架底面积,S=A*B;A:支架横向宽度;B:支架长度,即桥梁长度;代入数值:F1 = 30433*1.2/(12+0.5*2)*130.08=21.596KN/m22、施工荷载:取常数,F2=2.5KN/m2;3、砼倾倒荷载:浇筑采用砼输送泵输送,取倾倒荷载F3=2.0KN/m2;4、砼振捣荷载:取常数F4=2.0KN/m2;5、箱梁芯模:芯模为厚2.5cm的杉木,容重为5KN/m3,则F5=R*V/S= R*dR:芯模容重,单位5KN/m3;V:芯模单位体积,单位m3;S:芯模底截面积,单位m2;d:芯模厚度,单位m;代入数值:F5 =5*0.025=0.125KN/m26、底模:底模为厚1.5cm的竹胶板,容重为5KN/m3,则F6= R*V/S = R*dR:芯模容重,单位5KN/m3;V:芯模单位体积,单位m3;S:芯模底截面积,单位m2;d:芯模厚度,单位m;代入数值:F6=5*0.015=0.075KN/m27、方木:底模为厚10cm的杉木,容重为5KN/m3,则F7= R*V/S = R*dR:芯模容重,单位5KN/m3;V:芯模单位体积,单位m3;S:芯模底截面积,单位m2;d:芯模厚度,单位m;代入数值:F7= 5*0.1=0.5KN/m2二、底模板强度计算箱梁底模采用高强度竹胶板,板厚t=15mm,竹胶板方木背肋间距为300mm,所以验算模板强度采用宽b=300mm平面竹胶板1、模板力学性能弹性模量:E=0.1×105MPa截面惯性矩:I=b*h3/12=30×1.53/12=8.44cm4截面抵抗矩:W= bh2/6=30×1.52/6=11.25cm3底模截面积:A=b*h=30×1.5=45cm22、模板受力计算底模板均布荷载:F= F1+F2+F3+F4+F5代入数值:F =21.596+2.5+2.0+2.0+0.125=28.221KN/m2q=F×bF:底模板均布荷载,单位KN/m2;b:底模板宽度,单位m;代入数值:q =28.221×0.3=8.463KN/m跨中最大弯矩:M=qL2/8q:底模板均布荷载值,单位KN/m;L:底模板跨度,单位m。
关于现浇箱梁施工的计算书现浇梁施工采用满堂碗扣架施工,碗扣架立杆纵横向间距为0.9m,横杆竖向间距为1.2m。
立杆顶托上先放置5×10cm纵向方木,纵向方木的横向间距为0.9m,其上再放置10×10cm的横向方木,横向方木纵向间距为0.3m,横向方木上安装1.8cm厚的竹胶板作为底模。
支架计算主要计算模板、纵横向方森、立杆承载力计算。
根据最不利苍荷载情况,取墩顶实心段的支架和模板进行计算。
根据实际情况,箱梁施工时的荷载组合由如下的荷载组成:(1)新浇砼及钢筋自重(箱梁自重)(2)模板加方木楞的自重(3)浇捣砼时产生的荷载(4)施工人员及施工设备荷载具体数值如下:(1)箱梁自重计算:实心段箱梁断面面积:27.74S m=,实心段长1.4m17.74 1.4 2.628.1736G t=⨯⨯=,合281.736kN(2)模板加方木楞的自重:底模横向宽5m,纵向长1.4m,板厚为0.018m,模板容重为571kg/m3则模板自重:21.450.01857171.946G kg=⨯⨯⨯=,合0.719kN 横向方木规格为10×10cm,每根长5m,纵向间距为0.3m,1.4m范围内共有6根。
纵向方木规格为10×5cm,每根长1.4m,横向间距为0.9m,底模宽度范围内共有6根。
方木容重为650kg/m3横向方木自重:3650.10.1650195G kg=⨯⨯⨯⨯=,合1.95kN纵向方木自重:36 1.40.10.0565027.3G kg=⨯⨯⨯⨯=,合0.273kN 合2.223kN(3)浇捣砼时产生的荷载:采用q 2=2.0kN/m 2(查施工手册),箱梁底板宽4.5m ,则:4 2.0 1.4 4.512.6G kN⨯⨯==(4)施工人员及设备产生的荷载:查施工手册知,其均布荷载q 3=1.0kN/m 2,则5 1.0 1.4 4.5 6.3NG k ⨯⨯==1、模板计算模板主要承受箱梁自重、浇捣砼时产生的荷载、施工人员及施工设备荷载,其总共承受的荷载为:134281.73612.6 6.3300.636G G G kNG =++=++=考虑到施工的安全可靠,取1.5倍的安全系数,则1.5300.636 1.5450.954G kNP ⨯=⨯==横向1m 内模板所受的线荷载,则:450.95471.58/1.4 4.51.4 4.5P kN mq ==⨯⨯=模板在横向10×10cm 方木的作用下形成长度为30cm 的简支梁结构(最不利的结构)。
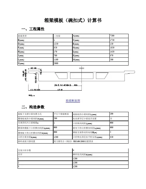
箱梁模板(碗扣式)计算书一、工程属性箱梁类型三室梁A(mm) 7500 B(mm) 1 C(mm) 1750 D(mm) 1250 E(mm) 150 F(mm) 350 G(mm) 1850 H(mm) 170 I(mm) 1450 J(mm) 700 K(mm) 370 L(mm) 1100 M(mm) 500 N(mm) 2000箱梁断面图二、构造参数底板下支撑小梁布置方式平行于箱梁断面底板底的小梁间距l1(mm) 200 翼缘板底的小梁间距l4(mm) 200 标高调节层小梁是否设置否可调顶托内主梁根数n 1 立杆纵向间距l a(mm) 600 横梁和腹板下立杆横向间距l b(mm) 600 箱室下的立杆横向间距l c(mm) 600 翼缘板下的立杆横向间距l d(mm) 600 模板支架搭设的高度H(m) 5立杆计算步距h(mm) 1200 立杆伸出顶层水平杆长度a(mm) 350 斜杆或剪刀撑设置剪刀撑符合《规范》JGJ166-2008设置要求箱梁模板支架剖面图三、荷载参数截面惯性矩I=bt3/12=1000×183/12=486000mm4截面抵抗矩W=bt2/6=1000×182/6=54000mm3 1、翼缘板底的面板承载能力极限状态的荷载设计值:活载控制效应组合:q1=1.2b(G1k h0+G2k+G4k)+1.4b(Q1k +Q2k)=1.2×1(26×0.425+0.35+0.3)+1.4×1(2.51+2.1)=20.494kN/mh0--验算位置处混凝土高度(m)恒载控制效应组合:q2=1.35b(G1k h0+G2k+G4k)+1.4×0.7b(Q1k+Q2k)=1.35×1(26×0.425+0.35+0.3)+1.4×0.7×1(2.51+2.1)=20.313kN/m 取两者较大值q=max[q1,q2]=max[20.494,20.313]=20.494 kN/mq静=1.2b(G1k h0+G2k+G4k)=1.2×1(26×0.425+0.35+0.3)=14.04kN/mq活=1.4b(Q1k + Q2k)=1.4×1(2.51+2.1)=6.454kN/m正常使用极限状态的荷载设计值:qˊ=b(G1k h0+G2k+G4k)=1(26×0.425+0.35+0.3)=11.7kN/m计算简图如下:l=l4=200mm1)、抗弯强度验算M =0.1q静l2+0.117q活l2=0.1×14.04×0.22+0.117×6.454×0.22=0.086kNσ=M/W=0.086×106/54000=1.593N/mm2≤f=80N/mm2满足要求!2)、抗剪强度验算V =0.6q静l+0.617q活l=0.6×14.04×0.2+0.617×6.454×0.2=2.481kNτ=3V/(2bt)=3×2.481×103/(2×1000×18)=0.207N/mm2≤f v=1.6 N/mm2满足要求!3)、挠度变形验算ω=0.677qˊl4/(100EI)=0.677×11.7×2004/(100×800000×486000)=0mm≤[ω]=l/150=200/150=1.333mm满足要求!2、底板底的面板显然,横梁和腹板处因混凝土较厚,受力较大,以此处面板为验算对象。
(一)内侧顶模板计算(1)横向背楞的计算1、强度计算简化为三跨连续梁模型q=(26×1.1×0.25+7.5×0.012)+(4+2.5)=13.74 kN/m2230.0122466bh W cm === 抗弯强度验算[]230.12410M ql Wσσ-==⨯<=30Mpa 0.72l m <l 取30cm 。
2、挠度验算条件:[]f f <m ax 250l 100677.04max <=EI ql f 4370.67713.740.30.520.01211010012⨯⨯=⨯⨯⨯mm <1.2mm 故抗弯强度和挠度满足要求。
横向背楞采用8cm ×10cm 的方木,间隔为30cm 。
(2)纵向背楞的计算1、强度计算简化为三跨连续梁模型q=(26×1.1×0.25×0.3+7.5×0.012×0.3+0.1×0.08×7.5)+(4+2.5)×0.3=4.18 kN/m2230.080.1133.366bh W cm ⨯=== 抗弯强度验算[]22330.1 4.180.880.1133.310==2.43133.310M ql W σσ--⨯⨯==⨯<⨯=13Mpa 2、挠度验算条件:[]f f <m ax 250l 100677.04max <=EI ql f4370.677 4.180.880.30.080.111010012⨯⨯=⨯⨯⨯⨯mm <5.3mm 故抗弯强度和挠度满足要求。
纵向背楞在横向背楞下设置四道,距离为0.88m 。
(3)支撑钢管计算1、强度验算设每1.2m 设置一个支撑钢管。
横向背楞传递到纵向背楞的Q =4.18×0.88=3.68kN Mmax=2.21 kN.m[]32.219.21324010M Mpa Mpa W σσ-===<=⨯ 2、挠度验算条件:[]f f <m ax 250l 384p 81.63m ax <=EI l f 3376.81 3.68 1.20.780.10.1211038412⨯⨯=⨯⨯⨯⨯mm <4.8mm 故抗弯强度和挠度满足要求。
箱梁模板计算书一、20米箱梁钢模板受力验算箱梁按模板上下对拉(如下图)模板受到的混凝土侧压力计算:F=0.22γc t0β1β2v1/2F=γcHF—新浇筑混凝土对模板的最大侧压力(kN/m2)γc—混凝土的重力密度(kN/m3),取值25,T为混凝土的温度t0—新浇筑混凝土的初凝时间,t0=200(T+15)0C。
取值25。
V—混凝土的浇筑速度(m/h),按1m/h计算。
(浇筑一片梁约3小时)H—混凝土侧压力计算位置处至新浇筑混凝土顶面的总高度(m),按1.2米计算。
β1—外加剂影响修正系数1.0,(不掺外加剂考虑取值1)。
β2—混凝土坍落度影响修正系数,按50~90mm考虑取值1。
F=0.22×25×5×1.0×1×11/2=27.5kN/m 2 F=25×1.2=30kN/m 2取二者中的较小值,F=27.5kN/m 2作为计算值,并考虑振动荷载4kN/m 2,则:总侧压力F=27.5*1.2+4*1.4=38.6kN/m 2侧模验算(一)面板验算: 1、强度验算:按简支梁进行验算:l=300mm取1mm 宽的板条作为计算单元,荷载为: q=0.0386×1=0.0386N/mm最大弯矩:M max =18ql 2=18×0.0386×3002=434.25N·mm面板的截面系数:W=16bh 2=16×1×62=6mm 3应力为:σmax =M max W=434.256=72.375N/mm 2<215 N/mm 2可满足要求 2、挠度验算:板的计算最大挠度:V max =K·Fl 4B 0板的刚度:B 0=Eh 312(1−ν2)F —新浇筑混凝土对模板的最大侧压力(kN/m 2) L —计算面板的短边长度(mm)E —钢材的弹性模量,取E=2.1×105MPa h —钢板的厚度(mm ) ν—钢板的泊松系数,ν=0.3 K —挠度计算系数,取0.0016 B 0=Eh 312(1−ν2)=2.1×105×5312×(1−0.32)=24.02×105 N·mmV max =K·Fl 4B 0=0.0016×0.0386×300424.02×10=0.2mmV max l=0.2300<1500,满足要求。
现浇箱梁腹板定型钢模受力计算书一、主要技术参数1、Q235的弹性模量:E=2.1*10 5Mpa2、Q235的抗弯容许强度:【ō】=145Mpa3、Q235的抗剪容许强度:【ō】=85Mpa二、载荷安全系数1、砼超方系数:1.052、砼浇筑冲击系数:1.2三,载荷计算1、砼载荷重量为(取1m2单位):g砼==1.06m2/3.6m(平均厚度)*1m2*26000N(容量)*1.05(超方系数)=8038N/m=8.038K/pa 施工人员:g=2KN/m2倾倒砼时产生的冲击载荷和振捣砼时产生的载荷均按2KN/m2考虑,则作用于模板单位面积上的总载荷为:P=8.038+2+2=14.038Kpa2、模板面板受力计算模板面板采用3.75mm厚热轧钢板,四周边肋及纵向筋板采用8mm厚,63mm宽扁钢,纵肋间距为350mm左右,横肋采用6.3#槽钢,横肋间距为300mm.取1mm模板作计算单位,作用在其上的均布载荷为:Q=14.038kpa*0.001=14N/mW=bh2/6=1*152/6=37.5mm3I=bh3/12=1*153/12=281.25mm4模板钢板的抗剪容许强度:【ō】=85MpaE=2.1*10 5Mpa单向板计算Mmax=0.1ql2=0.1*0.014*5002=350N/mmō=M/W=350/37.5=9.3Mpa<【ō】=85Mpa,满足要求。
挠度验算的载荷取值:q= 8.038N/m10ω=ql4/150EI=8.038*103*0.54÷(150*5*103*106*281.25*10-12)=2.4mm<3mm,满足要求。
3、模板支架受力计算支架承受由模板传递来的载荷为:F=ql=7.1*1000=7100N支架为8#槽钢焊接而成,每块模板背面配置两榀支架,支架配置间距为750mm。
查«钢结构设计原理»P281附录5-1得支架承受由模板传递来的载荷为:F=ql=7.1*1000=7100N支架为8#槽钢焊接而成,每块模板背面配置两榀支架,支架配置间距为750mm。
箱梁模板(扣件式)计算书计算依据:1、《建筑施工模板安全技术规范》JGJ162-20082、《建筑施工扣件式钢管脚手架安全技术规范》JGJ130-20113、《混凝土结构设计规范》GB50010-20104、《建筑结构荷载规范》GB 50009-20125、《钢结构设计标准》GB 50017-2017一、工程属性箱梁类型四室梁A(mm) 4500 B(mm) 950 C(mm) 1750 D(mm) 1250 E(mm) 250 F(mm) 350 G(mm) 1850 H(mm) 150 I(mm) 1450 J(mm) 700 K(mm) 300 L(mm) 1100 M(mm) 500 N(mm) 2000 O(mm) 250箱梁断面图二、构造参数底板下支撑小梁布置方式垂直于箱梁断面横梁和腹板底的小梁间距l2(mm) 150 箱室底的小梁间距l3(mm) 250 翼缘板底的小梁间距l4(mm) 300 标高调节层小梁是否设置否可调顶托内主梁根数n 1立杆纵向间距l a(mm) 600 横梁和腹板下立杆横向间距l b(mm) 600箱室下的立杆横向间距l c(mm) 900 翼缘板下的立杆横向间距l d(mm) 900 模板支架搭设的高度H(m) 13.5 立杆计算步距h(mm) 1200 立杆支撑方式可调托座支架立杆步数9次序横杆依次间距hi(mm)1 3502 12003 12004 12005 12006 12007 12008 12009 600箱梁模板支架剖面图三、荷载参数截面惯性矩I=bt3/12=1000×153/12=281250mm4截面抵抗矩W=bt2/6=1000×152/6=37500mm31、横梁和腹板底的面板承载能力极限状态的荷载设计值:活载控制效应组合:q1=1.2b(G1k h0+G2k+G4k)+1.4b(Q1k+ Q2k)=1.2×1×(25.5×1.7+0.75+0.4)+1.4×1×(2.5+2)=59.7kN/mh0--验算位置处混凝土高度(m)恒载控制效应组合:q2=1.35b(G1k h0+G2k+G4k)+1.4×0.7b(Q1k+Q2k)=1.35×1×(25.5×1.7+0.75+0.4)+1.4×0.7×1×(2.5+2)=64.485kN/m取两者较大值q=max[q1,q2]=max[59.7,64.485]=64.485 kN/m正常使用极限状态的荷载设计值:qˊ=b(G1k h0+G2k+G4k)=1×(25.5×1.7+0.75+0.4)=44.5kN/m计算简图如下:l=l2=150mm1)、抗弯强度验算M=0.125ql2 =0.125×64.485×0.152=0.181kN·mσ=M/W=0.181×106/37500=4.827N/mm2≤f=15N/mm2满足要求!2)、抗剪强度验算V=0.5ql =0.5×64.485×0.15=4.836kNτ=3V/(2bt)=3×4.836×103/(2×1000×15)=0.484N/mm2≤f v=1.6 N/mm2满足要求!3)、挠度变形验算ω=5qˊl4/(384EI)=5×44.5×1504/(384×6000×281250)=0.174mm≤[ω]=l/150=150/150=1mm 满足要求!2、箱室底的面板同上计算过程,h0=0.6m ,l=l3=250mm项次抗弯强度验算抗剪强度验算挠度变形验算验算值σ=5.547N/mm2 τ=0.333N/mm2 ω=0.496mm允许值f=15N/mm2 f v=1.6N/mm2 [ω]=l/150=250/150=1.667mm同上,h0(平均厚度)=0.475m ,l=l4=300mm承载能力极限状态的荷载设计值:活载控制效应组合:q1=1.2b(G1k h0+G2k+G4k)+1.4b(Q1k+ Q2k)=1.2×0.15×(25.5×1.7+0.75+0.4)+1.4×0.15×(2.5+2)=8.955kN/mh0--验算位置处混凝土高度(m)恒载控制效应组合:q2=1.35b(G1k h0+G2k+G4k)+1.4×0.7b(Q1k+Q2k)=1.35×0.15×(25.5×1.7+0.75+0.4)+1.4×0.7×0.15×(2.5+2)=9.673kN/m 取两者较大值q=max[q1,q2]=max[8.955,9.673]=9.673 kN/m因此,q静=1.35b(G1k h0+G2k+G4k)=1.35×0.15×(25.5×1.7+0.75+0.4)=9.011kN/m q活=1.4×0.7b(Q1k+ Q2k)=1.4×0.7×0.15×(2.5+2)=0.661kN/m正常使用极限状态的荷载设计值:qˊ=b(G1k h0+G2k+G4k)=0.15×(25.5×1.7+0.75+0.4)=6.675kN/m计算简图如下:l=l a=600mm1)、抗弯强度验算M =0.1q静l2+0.117q活l2=0.1×9.011×0.62+0.117×0.661×0.62=0.352kN·mσ=M/W=0.352×106/(39.7×103)=8.866N/mm2≤f=205N/mm2满足要求!2)、挠度变形验算ω=0.677qˊl4/(100EI)=0.677×6.675×6004/(100×206000×1983000)=0.014mm≤[ω]=l/150=600/150=4mm 满足要求!3)、最大支座反力计算小梁传递给主梁的最大支座反力(Q1k取1.5kN/m2)承载能力极限状态R max1= 1.1q静l+1.2q活l=1.1×9.011×0.6+1.2×0.514×0.6=6.317kN正常使用极限状态Rˊmax1=1.1qˊl=1.1×6.675×0.6=4.405kN2、箱室底的小梁同上计算过程,h0=0.6m ,b=l3=250mm项次抗弯强度验算挠度变形验算最大支座反力计算R max2=4.282kN,验算值σ=6.196N/mm2 ω=0.009mmRˊmax2=2.714kN允许值f=205N/mm2 [ω]=l/150=600/150=4mm/结论符合要求符合要求/3、翼缘板底的小梁同上,h0(平均厚度)=0.475m ,b=l4=300mm项次抗弯强度验算挠度变形验算最大支座反力计算R max3=4.286kN,验算值σ=6.272N/mm2 ω=0.009mmRˊmax3=2.626kN 允许值f=205N/mm2 [ω]=l/150=600/150=4mm /结论符合要求符合要求/主梁材质及类型槽钢计算截面类型10号槽钢截面惯性矩I(cm4) 198.3 截面抵抗矩W(cm3) 39.7抗弯强度设计值f(N/mm2) 205 弹性模量E(N/mm2) 2060001、横梁和腹板底主梁承载能力极限状态:p=ζ R max1=1×6.317=6.317kN正常使用极限状态:pˊ=ζRˊmax1=1×4.405=4.405kN横梁底立杆的跨数为2、1、2跨,腹板底立杆的跨数有3跨,按三等跨计算主梁计算简图如下,l=l b=600mm1)、抗弯强度验算M=1.421kN·mσ=M/W=1.421×106/(39.7×103)=35.793N/mm2≤f=205N/mm2满足要求!2)、挠度变形验算ω=0.062mm≤[ω]=l/150=600/150=4mm满足要求!3)、最大支座反力计算横梁和腹板底主梁的最大支座反力(Q1k取1kN/m2)R max4=27.41kN /ζ=27.41/1=27.41kN2、箱室底主梁同上计算过程,p=ζR max2=1×4.282=4.282kN,p=ζRˊmax2=1×2.714=2.714kN,l c=900mm,按二等跨计算。
箱梁模板计算书京沪高速铁路32米箱梁模板采用钢板面和钢框架结构设计,桥模板按《铁路混凝土工程施工验收补充标准》(铁建设[2005]160号)、《公路桥涵施工技术规范》、《混凝土结构工程施工及验收规范》(GB50204)和《钢结构设计规范》(GB50017-2003)的要求进行设计与计算。
1. 荷载计算(1)新浇混凝土的侧压力(F1)根据招标单位提供的数据,新浇混凝土容重 r c=26KN/ m3,浇筑速度v=1.5m/h, 入模温度T=200C。
依据混凝土有效压头计算公式:v/T≤0.035时,h=0.22+24.9 v/Tv/T≥0.035时,h=1.53+3.8 v/T现v/T=1.5/20=0.075,则有效压头h=1.815m考虑可能的外加剂最大影响,取系数1.2,则混凝土计算侧压力标准值F1=1.2*26*1.815=56.63KN/ m2=56.63*10-3N/mm2(2)倾倒混凝土产生的侧压力(F2)当采用泵送混凝土浇筑时,侧压力取6 KN/ m2 并乘以活荷载分项系数1.4。
所以 F2=1.4×6=8.4 KN/ m2(3)侧压力合计(F3) v/TF3= F1+ F2=56.63+8.4=65.03 KN/ m2模板强度验算考虑新浇混凝土侧压力与倾倒混凝土时产生的荷载,即F3值。
模板刚度验算考虑新浇混凝土侧压力,即F3值。
2. 侧模计算:(1)设计模板的形式与用料计算用板块为假设的最不利板块。
其中面板为8mm厚钢板;模板下角竖肋为间距300mm的10㎜筋板;模板其他部分为单向板,横肋间距300mm的工10#;背楞[18#双槽钢;对拉杆水平间距最大2000mm;(2)板面、与板面直接焊接的横肋、背楞的强度与刚度计算:上述构件均为受弯构件,与板面直接焊接的横肋是板面的支承边;背楞作为横肋的支座;对拉栓及销轴作为背楞的支座。
2.1钢面板、横肋、背楞和桁架计算 2.1.1 钢面板计算钢面板与横肋采用断续焊焊接成整体后,把钢面板当作单向板计算。
模板、台座计算书第一梁场:一、梁模型式统计1、40mT梁梁模型式统计A型频次:80*2+40*1=200(中梁两侧及边梁单侧)B型频次:40*1=40(边梁单侧)2、20m箱梁梁模型式统计A型频次:32*1+16*1=48(中梁单侧及边梁单侧)B型频次:32*1+16*1=48(中梁单侧及边梁单侧)C型频次:16*1=16(边梁单侧)D型频次:16*1=16(边梁单侧)3、13m板梁梁模型式统计A型频次:192*2+48*1=432(中板两侧及边板单侧)B型频次:48*1=48(边板单侧)4、16m板梁梁模型式统计A型频次:48*2+12*1=108(中板两侧及边板单侧)B型频次:12*1=12(边板单侧)二、模板数量计算模板数量S=模板使用频次V*模板使用周期t*1.5工期1、40mT梁模板数量A型:200*2*1.5/120=5B型: 40*2*1.5/120=1组合:中梁AA2套;边梁AB一套。
2、箱梁模板数量A型:48*2*1.5/90=2B型:48*2*1.5/90=2C型:16*2*1.5/90=1D型:16*2*1.5/90=1组合:中梁AB2套;内外边梁CD1套。
3、13m板梁模板数量A型:432*2*1.5/180=8B型:48*2*1.5/180=1组合:中板AA四套;边板B半套。
4、16m板梁模板数量A型:108*2*1.5/160=2B型:12*2*1.5/160=1组合:中板AA一套;边板B半套。
三、台座数量计算1、40mT梁台座3*4=12个2、20m箱梁台座3*4=12个3、13m板梁台座4.5*3=15个4、16m板梁台座1.5*3=5个。
箱梁支架计算书红岭立交改造造箱梁以箱梁宽8m,箱梁高1.4m,两侧翼缘板宽2.0m为标准断面进行计算一、立柱φ600δ=10@2.65m,横梁40b工字钢@1.5m计算式(以8m桥长为计算实例)(一)、荷载计算1.结构自重G=[0.55*2*1.4+(0.2+0.45)*2*2/2+(0.2+0.25)*1.45*2]*25*8=829KN2.模板自重Q1=0.5*8*8=32KN3.输送泵输送砼冲击荷载Q2=20KN4.振捣砼产生的荷载Q3=20KN5.施工荷载Q4=1.0*8*8=64KN6.荷载总计Σ=829*1.2+32*1.2+20*1.4+20*1.4+64*1.4=1179KN7.每跨由4根立柱支撑,则每根立柱所承受压力为N=1179/4=295KN(二)、φ600δ=10钢管力学性能A=3.14*(D2-d2)/4=3.14*(6002-5802)/4=18526mm2I=3.14*(D4-d4)/64=3.14*(6004-5804)/64=806*103cm4W=0.098*(D4-d4)/D=0.098*(6004-5804)/600=2689.9cm3i=0.354D=0.354*600=212.4mm(三)、立柱受力计算1. 按计算长度为10m,u=2.0计算λ=10000*2/212.4=94.22. 按b类结构查表得ψ=0.591f=N/(ΨA)=295*103/(0.591*18526)=26.9N/mm2<f y=215 N/mm2故立柱符合设计要求(四)、横向工40b受力计算1.N1=1179/8*1.5=221KN2.Mmax=221*a(2c+b)/2.65 b=1.5,当c=a=0.575时,M最大,Mmax=221*0.575*(2*0.575+1.5)/2.65=127.1KN.m工40bW y=1139cm33.f=M/(r x W y)=127.1*106/(1.05*1139*103)=106.3N/mm2<f y=215 N/mm2故横向工40b符合要求(四)、纵向工40b梁受力计算1.弯矩计算纵向工40 b为均布受荷,工40b@150q=1179/8/8*1.5=27.6KN/mM=q*l2/8=27.6*82/8=220.8KN.m2.f=M/(r x W y)=220.8*106/(1.05*1139*103)=185N/mm2<f y=215 N/mm2 2.挠度计算计算挠度时按构件实际静载计算1.N=(829+32)/8/8*1.5=20.2KN/m2.Vmax=5*N*l4/(384*EI)=5*20.2*78004/(384*206*103*22781*104)=20.7mm≈L/400=19.5mm故纵向工40b梁符合要求二、φ48δ=3.5满堂脚手架计算(一)、荷载计算(以立杆立于腹板下,直接承受腹板荷载的最不利情况计算)1.构件自重G=0.5*0.6*1.4*25=10.5KN2.模板自重Q1=0.5*0.5*0.6=0.15KN3.输送泵输送砼冲击荷载Q2=4*0.5*0.6=1.2KN4.振捣砼产生的荷载Q3=4*0.5*0.6=1.2KN5.施工荷载Q4=1.0*0.5*0.6=0.3KN6.荷载总计Σ=10.5*1.2+0.15*1.2+1.2*1.4+1.2*1.4+0.3*1.4=16.6KN(二)、φ48δ=3.5钢管力学性能A=3.14*(D2-d2)/4=3.14*(482-412)/4=489mm2i=0.354D=0.354*48=16.99mm(三)、立杆受力计算立杆计算长度以顶层立杆,上部悬臂长0.5m计算1.λ=(1.5+0.5*2)*1000/16.99=147.1按b类结构查表得ψ=0.3392.f=N/(ΨA)=16.6*103/(0.339*489)=100.1N/mm2<f y=215 N/mm2故立柱符合设计要求(四)、横向8*8cm木枋受力计算1. 8*8cm木枋力学性能A=80*80=6400mm2I=8*83/12=341cm3W=bh2/6=8*82/6=85cm3i=0.289b=0.289*80=23.12mm2. 荷载计算(以横杆在腹板下承受腹板压力时计算)q=[1.4*25*1.2+1*1.4+0.5*1.2+0.4*1.4+0.4*1.4]*0.6=27.1KN/m M=ql2/8=27.1*0.52/8=0.85KN.mf=M/(r x W y)=0.85*106/(1.0*85*103)=10N/mm2<f y=13 N/mm2五、纵向8*8cm木枋受力计算q=[1.4*25*1.2+1*1.4+0.5*1.2+0.4*1.4+0.4*1.4]*0.4=18.1KN/m M=ql2/8=18.1*0.62/8=0.82KN.mf=M/(r x W y)=0.82*106/(1.0*85*103)=0.97N/mm2<f y=13 N/mm2故纵向木枋符合要求。
30米箱梁安装计算书1、作业吊车30m箱梁吊装选用汽车吊吊装施工,桥梁横跨高速公路,地质条件较好,经处理后能满足汽车吊施工要求。
以30m箱梁为验算对象,边梁吊装重量为35。
4m3×2。
6t/m3=92。
04吨(1)本工程30m箱梁采用双机抬吊机作业。
(Q主+Q副)K≥Q1+Q2根据设计图纸计算中梁最重按92。
04吨,即Q1=92。
04吨,考虑索具重量Q2=2。
0吨,K为起重机降低系数,取0。
75.即:Q主+Q副≥125.39吨.(2)起重高度计算H≥H1+H2+H3+H4式中 H-—起重机的起重高度(m),停机面至吊钩的距离;H1——安装支座表面高度(m),停机面至安装支座表面的距离;H2—-安装间隙,视具体情况而定,一般取0。
2~0。
3m;H3-—绑扎点至构件起吊后底面的距离(m);H4-—索具高度(m),绑扎点至吊钩的距离,视具体情况而定.取H1=7米,H2=0。
2米,H3=0。
95米,H4取3米.选用起重机的起重高度H≥11。
15米,起重高度取11.5m。
(3)起重臂长度计算:l≥(H+h0-h)/sinα式中 l——起重臂长度(m);H——起重高度(m);h0--起重臂顶至吊钩底面的距离(m);h——起重臂底铰至停机面距离(m),本工程取1m;α——起重臂仰角,一般取70°~77°,本工程取70°。
l≥(11.5—1)/sin(70°)=11。
17.(4)吊车工作半径取6m,参考150吨汽车起重机起重性能表,可得(Q主+Q副)K≥Q1+Q2,即(80。
3+80。
3)×0.75=120.45>94.04,所有综合考虑1)、2)、3)及起重机的工作幅度,选用两台150吨汽车吊满足施工要求。
12.0 29.829。
829.227。
7 24。
6 23。
3 21.8 21.3 17。
6 14。
0 21。
6 21.6 21。
6 21。
621.4 20.4 19.5 17。
目录一、设计规范及参考文献 (2)二。
架桥机设计荷载 (2)三.架桥机倾覆稳定性计算 (3)四.结构分析 (5)五。
架桥机1号、2号车横梁检算 (7)六。
架桥机0号立柱横梁计算 (9)七、1号车横梁及0号柱横梁挠度计算 (11)八.150型分配梁:(1号车处) (13)九、0号柱承载力检算 (14)十、起吊系统检算 (15)十一 .架桥机导梁整体稳定性计算 (16)十二.导梁天车走道梁计算 (18)十三。
吊梁天车横梁计算 (18)一、设计规范及参考文献(一)重机设计规范(GB3811—83)(二)钢结构设计规范(GBJ17—88)(三)公路桥涵施工规范(041-89)(四)公路桥涵设计规范(JTJ021—89)(五)石家庄铁道学院《GFJT-40/300拆装式架桥机设计计算书》(六)梁体按30米箱梁100吨计。
二。
架桥机设计荷载(一).垂直荷载=100t梁重:Q1单个天车重:Q=20t(含卷扬机、天车重、天车横梁重)2主梁、桁架及桥面系均部荷载:q=0。
67t/m×1.1=0。
74t/m=4t前支腿总重: Q3中支腿总重:Q=2t4=34t1号承重梁总重:Q52号承重梁总重:Q=34t6=12t2#号横梁Q7梁增重系数取:1.1活载冲击系数取:1.2不均匀系数取:1.1(二).水平荷载1.风荷载a.设计取工作状态最大风力,风压为7级风的最大风压:=19kg/m2q1b。
非工作计算状态风压,设计为11级的最大风压;q=66kg/m22(以上数据参照石家庄铁道学院《GFJT—40/300拆装式架桥机设计计算书》) 2。
运行惯性力:Ф=1.1三。
架桥机倾覆稳定性计算(一)架桥机纵向稳定性计算架桥机纵向稳定性最不利情况出现在架桥机悬臂前行阶段,该工况下架桥机的支柱已经翻起,1号天车及2号天车退至架桥机尾部作为配重,计算简图见图1(单位 m):图中图1P1=4t (前支柱自重)P2=0.74×22=16。
梁底模板钢管支撑篇一:梁模板支撑(钢管)梁模板支撑计算书工程名称: 工程单位:1.计算参数结构楼板厚mm,梁宽b=mm,梁高h=mm,层高m,结构表面考虑;模板材料为:底模厚度mm,侧模厚度mm;梁边至板支撑的距离m;木材弹性模量E=N/mm,抗弯强度fm=N/mm,抗剪强度fv=N/mm;支撑采用钢管:横向间距mm,纵向间距mm,支架立杆的步距h=m;钢管直径mm,壁厚mm,截面积cm,回转半径i=cm;钢管重量kN/m。
钢材弹性模量 E=N/mm,抗弯强度f=N/mm,抗剪强度fv=N/mm。
2.梁底模验算(1)梁底模及支架荷载计算荷载类型标准值单位梁宽(m) 梁高(m) 系数设计值①底侧模自重②砼自重③钢筋荷载④振捣砼荷载梁底模和支架承载力计算组合①+②+③+④ 梁底模和龙骨挠度验算计算组合(①+②+③)/1.2 (2)底模板验算第一层龙骨间距L=mm,计算跨数5跨;底模厚度h=mm,板模宽度b=mm。
W=bh/6=mm, I=bh/12=mm。
1)抗弯强度验算弯矩系数KM=-0.105 Mmax=KMq1L= σ=Mmax/W=N/mm2)抗剪强度验算剪力系数KV=0.606 Vmax=KVq1L=τ=3Vmax/(2bh)=N/mm3)挠度验算荷载不包振捣砼荷载,则计算荷载q2=kN/m;挠度系数Kυ=0.644第1页22223342222222υmax=Kυq2L/(100EI)=mm4[υ]=mm计算简图及内力图如下图:(3)第一层龙骨验算钢管横向间距L=mm ,C=mm、γ=。
第一层龙骨采用木枋 b=mm,h=mm;W=bh/6=mm;I=bh/12=mm。
1)抗弯强度验算 a 、梁传荷载计算q=q1×第一层龙骨间距/梁宽=kN/m Mq=qcL(2-γ)/8=kN.mb 、板传荷载计算板重量=1.2×(板厚度×25+模板重)+1.4×活载=kN/m板传递到第一层龙骨的荷载P=kN a =1/2×(L-c)=m, a/L= Mp=P×a=kN.m Mmax=Mq+Mp= σ=Mmax/W=N/mm2)抗剪强度验算Vmax=1/2×q×梁宽+P= τ=3Vmax/(2bh)=N/mm3)挠度验算q=q2×第一层龙骨间距/梁宽=N/mm υq=qcL×(8-4γ+γ)/(384EI) =mmυp=PaL×(3-4×(a/L))/(24EI) =mm υmax22’323’2222334=υq+υp=mm[υ]=mm计算简图及内力图如下图:第2页(4)第二层龙骨验算钢管纵向间距mm,计算跨数跨;第二层龙骨采用; W=mm,I=mm ; 1)抗弯强度验算P=V=1/2×q×梁宽+P= 弯矩系数KM= Mmax=KmPL= σ=Mmax/W=N/mm2)抗剪强度验算剪力系数KV=Vmax=KVP=kNτ=3Vmax/(2bh)=N/mm3)挠度强度验算挠度系数Kυ=P=V=1/2×q×梁宽+P板重=kN υmax’2234= KυPL/(100EI)=mm’3[υ]=mm计算简图及内力图如下图:3.支撑强度验算传至每根钢管立柱最大支座力的系数为每根钢管承载NQK1=N每根钢管承载活荷载(1.0kN/m):NQK2 =N 每根钢管承载荷载NQK =NQK1+NQK2 =N 钢管重量kN/m,立杆重量=N 水平拉杆层,拉杆重量=N第3页2扣件单位重量14.60 N/个,扣件重量=N支架重量NGk=立杆重量+水平拉杆重量+扣件重量=N 钢管轴向力N=1.2NGK+NQK=N L0=h=m,钢管的i=cm λ=L0/i==,P=N/(A)=N/mm24.支撑支承面验算(1)支承面受冲切承载力验算钢管立杆设配套底座mm,支承面为(按考虑)混凝土楼板支承楼板厚=mm,上部荷载为:F=kN;βσs=2.00,ft=N/mm,hO=mm,η=0.4+1.2/βs ==1.00N/mm,Um=mm,βh =1.00pc,m22pc,m(0.7βh ft+0.15σ5.侧模板验算(1)荷载计算)ηUmhO=kN1)新浇砼的侧压力F1 =0.22γ×200/(T+15)β1 β2V=kN/mF2=γH=kN/mF1、F2两者取小值F=kN/m,有效压头高度=F/γ=m 2)砼产生的荷载kN/m(2)侧模板强度验算取竖肋间距L=mm,计算跨数5跨;木模板厚度h=mm;W=bh/6=mm,I=bh/12=mm。
目录
30m预制箱梁模板计算书 (2)
一、工程概况 (2)
二、预制箱梁模板体系说明 (2)
三、箱梁模板力学验算原则 (2)
四、计算依据 (3)
五、箱梁模板计算 (3)
4.1 荷载计算及组合 (3)
4.2 模板材料力学参数 (5)
4.3 力学验算 (6)
4.3.2 横肋力学验算 (7)
4.3.3 竖肋支架验算 (8)
4.3.4 拉杆验算 (9)
30m预制箱梁模板计算书
一、工程概况
呼和浩特市2012年南二环快速路工程二标段,在2013年5月份进场施工。
原设计为3km整体现浇,考虑到整体现浇工期长,前期投入大,经项目部前期策划,变更为装配式30m预制箱梁,预制部分梁长为29.4m,梁高为1.6m,设计图纸为国家标准通用图,移梁采用兜底吊,预制数量为1327片,采用预制厂集中生产。
二、预制箱梁模板体系说明
箱梁模板分为底模、侧模、芯模三部分,底模焊接在预制台座上,台座设计时需考虑箱梁在预制过程中分阶段受力状态,即:浇注时,底座承受箱梁混凝土自重下的均布力;在预应力拉后,台座承受箱梁两端支点的集中力。
所以在台座设计时,需在台座两端设置扩大基础来满足集中荷载形式下的承载力需要。
模在箱梁预制过程中承受腹板混凝土侧向力以及顶板混凝土竖向力,侧模承受底腹板混凝土侧压力。
箱梁侧模承载箱梁外露面混凝土的重量,混凝土侧压力向外传递顺序为:面板→横肋→纵肋→拉杆。
三、箱梁模板力学验算原则
1、在满足结构受力(强度)情况下考虑挠度变形(刚度)控制;
2、根据侧压力的传递顺序,先后对面板、横肋、纵肋支架、拉杆进行力学验算。
3、根据受力分析特点,简化成受力模型,进行力学验算。
四、计算依据
1、《路桥施工计算手册》,人民交通
2、《公路桥涵施工技术规》(JTG/T F50-2011)
3、《建筑施工模板安全技术规》(JGJ162-2008)
五、箱梁模板计算
图4.1 箱梁外模构造尺寸图
模板说明:30m预制小箱梁中心梁高1.6m,侧模面板厚5mm,横肋采用1cm铁条,间距40cm;竖肋及支撑架采用10cm槽钢通过横向焊接而成,间距为75cm;上下对拉杆采用27mm圆钢。
4.1 荷载计算及组合
模板侧压力的验算
①混凝土侧压力
I 混凝土侧压力标准植:按《GB50666-2011》附录A,
新浇筑混凝土自重标准值可以按照实际重力密度确定,对于普通混凝土,重力密度为24KN/m³。
钢筋的自重标准值,楼房的钢筋自重取1.1KN/m³,梁的钢筋自重取1.5KN/m³
新浇筑的钢筋混凝土的自重取24kN+1.5KN=25.5kN,为了结构安全起见,在进行模板、支架计算的工程中,通常取值为26kN。
人员、机械荷载按照3KN/㎡。
采用部进行振捣时,新浇筑的混凝土作用于模板上的最大侧压力为G可按下列公式计算,并宜取其中的计算的最小值。
F=0.43γC T OβV 4/1
(A.0.4-1)
F=γC H (A.0.4-2)
式中:F—新浇筑混凝土对模板的最大侧压力(KN/㎡)
γC——混凝土的自重密度(KN/m³)取γC=26KN/m³。
T O——新浇筑混凝土的初凝时间(h),可按实测结果确定;当缺乏资料时,可采用T O=200/(T+15)计算,T为混凝土的温度(℃);混凝土入模板取T O=200/(T+15)=200/(15+15)=6.7计算时间取7
Β—混凝土坍落度影响修正系数;但坍落度在50mm~90mm 时,Β取0.85;坍落度100mm~130mm时,Β取0.9;坍落度140mm~180mm 时,Β取,1.0。
预制梁的坍落度为120mm-160mm,计算时取Β取1.0 V—混凝土的浇筑速度(m/h),预制梁正常浇筑时间为
3~4小时。
计算时间取3小时。
1.6m/3=0.53m/h,实际计算时按照0.5 H—混凝土侧压力计算位置处计算位置处至新浇筑混凝
土顶面的总高度(m);混凝土侧压力的计算分布图如图A.04所示;图中H=F/γC
F=0.43γC T OβV 4/1
=0.43×26×7×1.0×4√0.5=66KN/m2
在进行混凝土模板侧压力计算时,按照《路桥施工计算手册》8-1,8-2公式:Pm=K×γC×h
K-外加剂影响修正系数,按照1.2计算。
γC -混凝土的比重系数,按照26计算
h-有效压头高度。
按照8-2公式计算。
h=0.22+24.9.0.5/15=1.05
Pm=K×γC×h=1.2*26*1.05=33KN/m2
二者取最小值,新浇筑混凝土对模板的最大侧压力为:33KN/㎡。
倾倒混凝土、人员机械、振捣合计为2.0+2.0+2.0=6KN/㎡。
按照《路桥施工计算手册》计算荷载组合为:
计算模板承载力为:P1=33KN/㎡*1.2+6KN/㎡*1.4=48KN/㎡
计算模板刚度: P2=33KN/㎡*1.2=39.6KN/㎡
计算面板强度、刚度计算单元有限模型建立。
竖肋间距为0.8m,横肋间距为0.3m,计算跨径为l=0.3米,取板宽B=1m ,面板上的均布荷载为q为
II 计算刚度时
4.2 模板材料力学参数
① 5mm钢板
取1m宽钢板,根据《路桥施工计算手册》表8-7,p177,A3号普通碳素钢容许弯应力[бw]=181Mpa,弹性模量E=2.1×103Mpa 。
截面惯性矩:
截面抵抗矩:
② 8cm槽钢
根据《路桥施工计算手册》附表3-32,8#槽钢截面惯性矩,截面抵抗矩A3钢材的容许弯曲应力为181MPa,弹性模量为
E=2.1×103Mpa。
③ 10cm槽钢支架组合
根据《路桥施工计算手册》附表3-32,10#槽钢截面惯性矩,截面抵抗矩截面面积,A3钢材的容许弯曲应力为181MPa,弹性模量为E=2.1×103Mpa。
竖肋采用两根竖向10cm槽钢通过平撑焊接而成,其计算截面简化如下图:
单根槽钢的截面特性
截面面积
截面惯性矩
重心距离:y=5cm
组合截面的惯性矩计算:截面抵抗矩:
图4.1.2 计算截面图
④ 20mm圆钢拉杆
根据《路桥施工计算手册》附表3-11、表3-16,20mm圆钢容许抗拉设计强度为240MPa,截面积3.142×10-4㎡。
4.3 力学验算
4.3.1 面板力学验算
①计算简图
外模面板采用5mm厚钢板,横肋作为面板的支点,可简化为两等跨连续梁进行计算。
均布荷载q
图4.3.1.1 两等跨连续梁受力图
②强度、刚度计算
根据《路桥施工计算手册》附表2-8,p762,查得均布荷载下两端带悬臂简支梁计算公式。
取1m板条作为计算单元:
计算强度时线荷载:
计算刚度时线荷载:
面板净跨径为357mm,跨最大弯矩:
最大弯应力:
最大挠度:
满足刚度要求。
4.3.2 横肋力学验算
①计算简图
横肋采用8#槽钢,竖肋支架作为支点,可简化为三等跨连续梁进行计算
均布荷载q
图4.3.2.1 三等跨连续梁受力简图
②强度、刚度计算
根据《路桥施工计算手册》附表2-9,查得均布荷载下三等跨简支梁计算公式,横肋间距为0.4m,跨度为75cm。
计算强度时线荷载:
计算刚度时线荷载:
横肋跨径为750mm,跨最大弯矩:
最大弯应力:
最大挠度
q Rb Ra
满足刚度要求。
4.3.3 竖肋支架验算
①计算简图
支架按简支梁计算,支架的计算跨径为:1435mm ,支架承受的荷载为横肋的支点反力,近似取均布荷载进行计算,支架间距为:0.75m 。
在竖向为三角形荷载分布。
计算强度时:
计算刚度时:
根据《路桥施工计算手册》附表2-3(序号7)p743
②强度、刚度计算
最大弯应力:
最大挠度
,满足刚度要求。
4.3.4 拉杆验算
上部在间距为750mm 的横向连接槽钢上设置一组对拉螺栓;下部图4.3.3.1 支架受力简图
以750mm间距设立对拉,拉杆选用直径20mm的圆钢。
对拉杆所受拉力即为上下支点的反力,则R a= 6.17KN,R b=12.34KN 取最大值R b=12.34KN进行强度验算:
备注:此参考示例比较保守,实际运用时需要反复计算、比对。
word格式版本。